无砟、有砟轨道维修要点
- 格式:ppt
- 大小:12.62 MB
- 文档页数:54
高速铁路无砟轨道及施工质量控制要点一、高速铁路无砟轨道介绍高速铁路无砟轨道是指在铺设轨道时不使用传统的钢筋混凝土或木质枕木,而是采用一种名为“无砟轨道”的新型建材,使得轨距更加平稳,噪音更小、运行更平稳,同时大幅度降低了施工成本。
无砟轨道是一种利用砂、碎石、有机材料做成的复合材料,具备轻质、吸水性小、热胀冷缩系数小、抗拉强度高等优点。
二、高速铁路无砟施工质量控制要点2.1 预处理*土地开挖:在确保安全施工、确保车辆行驶平稳的基础上,可以通过挖掉所在区域必要的土质以及富含有害物质的杂质来创建基地。
这其中挖出来的石块将会被清理、筛选、超载运输至周围,被回收和再利用。
*沥青混合料制备:在施工的过程中,要确保使用合格的原材料,同时,在制作的时候也要确保沥青粘合剂的含量是正确的,同时确保沥青和其他建筑材料的比例是标准的。
建筑材料的比例会影响到整个工程的质量,所以必须要严格把控。
2.2 施工方式*无砟轨道枕木的安装:在施工的过程中需要对无砟轨道枕木进行安装,安装时要确保位置准确、牢固可靠,同时使用电钻对安装螺栓进行固定,防止在使用过程中发生松动。
*碾压:在对铁路进行铺设的过程中,碾压是必不可少的一个过程。
使用专用的铁路石子碾压机将砂和碎石固定在地基上,并保证铁路表面的平整度,碾压质量优良可以保证铁路的使用寿命,防止了车辆在行驶过程中出现颠簸和异响。
2.3 管理控制*现场管理:对现场的管理和控制是至关重要的。
现场管理应从原材料、工序、检验等环节入手,严格按照质量标准操作。
*质量控制:对于无砟轨道的质量控制是必要的。
这一方面包括了工序的控制、现场施工的监测、数据的统计和分析、工人的培训和督查等环节。
三、高速铁路无砟轨道的优点高速铁路无砟轨道已经成为中国高铁铁路建设的一个重要标志,它具备以下几个优点:*设备升级:无砟轨道采用了先进的加工设备,用于生产制造无砟轨道线路养护设备,提高设备的可靠性和效率。
*安全性提高:铁路无砟轨道大大降低了运营过程中车辆的推土和垮塌的风险,保证了列车的运行安全性。
无砟轨道施工工序及控制要点1、道床板砼直接浇注在隧道仰拱回填层或砼地板上,仰拱回填层或砼底板面应进行拉毛或凿毛,见新面不应小于50%,凿毛后,应采用高压水枪将砼碎片、浮砟、尘土等冲洗干净。
2、测量班测中心,弹墨线。
3、安放道床板底层纵向Ф20钢筋(先安放了5根),钢筋间距43cm,纵向钢筋进行搭接时,相邻钢筋的搭接接头应相互错开,搭接长度不小于70cm,相邻搭接接头中心错开距离不小于1m。
同一截面上的钢筋搭接率不大于50%。
4、按设计轨枕间距(65cm)摆放轨枕,调整轨枕位置,首先用抹布将轨枕上杂物清理干净,依次安放弹性垫板、橡胶垫板、轨距挡板、W1型弹条、螺旋道钉(含平垫圈);WJ8A型绝缘轨距块放置轨枕旁以备用。
5、用随身吊将工具轨安放至轨枕上,注意安装绝缘块,绝缘块要卡在工具轨的下边缘。
采用内燃螺栓扳手将螺母拧紧,标准为弹条的“U 字形”和绝缘块卡紧。
6、安放托盘及螺杆,一般隔两个空安放一个托盘,托盘要对称安放,在工具轨交界处之隔一个空,一般一根12.5m的工具轨共安置7个托盘。
托盘安放完成后用KD7-10型千斤顶(俗称“起道机”)将轨排调至设计位置,采用拉线方法进行校核(测量班已将高程点标注在水沟两侧,高程点标高为内轨顶面上10cm,拉线之前须自己测量、弹墨线),校核完成后用螺杆支撑固定。
7、进行下层钢筋绑扎,将预制的砼垫块放置下层Ф20钢筋下面,钢筋距道床板地面的净保护层厚度不小于3.5cm,纵向Ф20钢筋共7根,钢筋间距为43cm,横向Ф16钢筋(长度为2.7m)间距为65cm,下层纵、横向钢筋的交叉点都设置绝缘夹。
注意横向的Ф16钢筋不应接触起道机上的螺杆。
(一是防止搭铁,二是以后拔出螺杆时有摩擦,不易拔出。
)若碰到纵向钢筋连接处有横向Ф16钢筋,钢筋的交叉处也要设置绝缘夹。
曲线地段有超高时,可适当调整道床板下层钢筋的位置,使道床板下层纵向钢筋与桁架钢筋保持最小20cm的净距。
8、隧道洞身段无曲线超高时上层钢筋绑扎:上层纵向钢筋搁置在双块式轨枕的桁架钢筋上,一共7根,其中双块轨枕中间三根,间距为25cm,轨枕外侧2根,钢筋间距13cm,注意纵向钢筋不要与双块式轨枕接触。
浅谈高铁无砟轨道的施工要点及质量控制方法高铁列车行驶专用的无砟轨道的使用完全避免了有砟轨道在列车行驶下由于速度过大造成粉砟现象,在性能上优于有砟轨道,解除了有砟轨道对列车行驶速度的限制。
针对有砟轨道的特点,从轨道的施工过程讲解施工关键点和控制轨道质量的具体方法,并以沪昆高铁的无砟轨道建设为例进行说明。
标签:无砟;铺设;圆锥体随着我国高铁建设的快速发展,目前我国已经建成多条通车的高速铁路,包括京沪高铁、哈大高铁等,其中还有未投入运营的高铁通道正在快速建设当中。
由于列车运行速度高达300km/h以上,普通列车的轨道已经不能满足这种高速运行的列车行驶。
因此采用无砟方式铺设高铁列车轨道来满足列车高速行驶的要求。
1 无砟轨道和其工程简介高铁无砟轨道是高科技轨道技术,它的轨枕是由混凝土浇注成的,它不再是用碎石子铺设路基,而是采用把轨枕和铁轨直接的铺到混凝土路基上而建设的。
无砟轨道的建设使得运行列车的速度能够高达300公里以上,不仅不会因为砟粉的形成而影响环境,对后续的维修也带来很大的方便,看起来也更加美观。
沪昆高铁的轨道就是无砟轨道,它采用的是CRTSⅡ型无砟轨道。
该无砟轨道在施工建设中具体包括以下几个方面的内容:对整条铺设线路进行工程沉降的质量评估、对轨道基桩控制网进行测试设计、防水层施工、铺设滑动层、铺设高强挤塑板、混凝土底座板修建、安装定位锥、粗放轨道板、精调轨道板、灌注水泥沥青和浆砂、纵向连接轨道板、锚固轨道板以及修筑侧向挡块。
2 CRTSⅡ无砟轨道施工工程2.1 无砟轨道的预备在无砟轨道铺设开始前,应保障以下几点全部完成才可以进行施工。
包括:轨道的底座板已经修建完成、对线下的工程做变形和沉降评估,必须确认其达到设计要求水平、修建好CPⅢ网,并对其评估两次。
2.2 混凝土底座板施工无砟轨道的底座板是采用混凝土浇注的,在底座板施工时首先要准备低塑性的混凝土。
使用混凝土拌和机对原料进行集体搅拌,然后把配置好的混凝土使用工程专用车运输到施工现场进行施工。
无砟轨道施工安全规定
无砟轨道施工是一种新兴的铁路轨道施工技术,相比传统的有砟轨道,无砟轨道施工具有速度快、噪音低、维护成本低等优点。
在无砟轨道施工过程中,为了保证工人的安全和施工质量,需要遵守以下安全规定:
1. 工人需佩戴好安全帽、安全鞋、手套等个人防护装备,确保自身安全。
2. 施工现场应设立明确的警示标志和隔离措施,以防止他人进入危险区域。
3. 施工现场应配备灭火器等灭火设备,以应对可能发生的火灾事故。
4. 施工过程中应确保设备的安全可靠,定期检查和维护设备,避免因设备故障引发事故。
5. 在施工过程中严禁违章操作,如擅自拆除围栏或阻挡物,私自调整施工机械等。
6. 施工现场应保持整洁,避免杂物堆积和阻碍施工工人的行动。
7. 施工人员应接受相关的培训,了解无砟轨道施工的操作规程,并按照规程进行操作。
8. 如遇恶劣天气或施工地点的特殊情况,应及时停工,确保工人的安全。
9. 在施工过程中,应严格按照相关的施工计划和程序进行施工,确保施工质量和安全。
10. 若有发生意外事故,应立即报告相关部门,并采取相应的应急措施。
以上是针对无砟轨道施工的一些安全规定,具体的安全操作需根据实际情况进行调整和应用。
在施工过程中,工人应始终将安全放在首位,做好个人防护和施工安全控制,以确保施工的顺利进行和工人的安全。
高速铁路有砟与无砟过渡段的养护摘要:随着铁路的快速发展,列车运行对轨道的平顺性要求越来越高,过渡段两端的刚性差相差较大,会对轨道的平顺性产生不利的影响,高速铁路对轨道的平顺性要求相当的严格。
因此,过渡段作为高铁的养护的薄弱环节,在一定的程度上限制了高铁的平顺性,所以,作为高铁这一块,如何做好过渡段的养护尤为重要。
关键词:高速铁路;过渡段;养护在日常作业中,对于过渡段的养护作业要求很高。
首先,就过渡段而言,是沿钢轨结构横向或竖向存在刚性突变的轨道结构形式,如路基桥梁过渡段,有砟无砟过渡段,道岔过渡段,在过渡段的地方,存在着较大的刚性差,列车在高速运行的情况下,会产生强烈的振动,导致轨面沉降不一致而产生钢轨发生弯折,导致轨面不平顺产生波磨。
影响轨道结构的稳定和行车的安全。
因此,要在过渡段处设置一段一定长度的过渡段结构形式,使轨道刚度发生变化,最大限度的减小二者之间的沉降差。
减少列车与轨道之间的振动,减少轨道结构的变形,确保列车运行的安全,提高旅客的舒适度。
就过渡段的整体结构而言,目前我段采用高强度的WJ-7扣件,轨枕采用了轨枕通线轨枕(2008)2201轨枕,轨下使用的缓冲胶垫和特殊的零配件,来增大过渡段的刚度,减少两端的刚性差。
同时在过渡段添加辅助轨,使得过渡段的结构成为一个整体受力处于同一平面,与无砟轨道的受力相近似。
从而,列车在高速运行时,可以减小钢轨的不均匀受力和沉降,减小刚性差。
截止目前永安工务段管辖昌福、南龙线17座无砟轨道隧道有31处有砟与无砟过渡段,无砟隧道计170km,目前在线路养护过程遇到很多的问题:在过渡段线路处,由于存在软硬不均的问题,行车后线路变化快,特别是高低、轨向、长波高低、长波轨向出现了明显的变化及横向加速度、垂向加速度出分情况多,从而形成线路初始不平顺。
列车在通过该位置时,不平整的线路给列车带来了较大的阻力,同时对线路产生额外的冲击。
在冲击的长时间作用下,轨枕下道床会出现松动和沉陷的问题。
无砟轨道施工控制要点1、轨道板粗铺前必须进行清理,包括底座板顶面、支撑层顶面、轨道板底面、承轨台面、扣件表面、灌浆孔疏通。
2、粗铺时,根据底座板上的线框定位轨道板,粗铺完后纵横向偏差应在5mm以内。
一定要核对,确认编号、左右线位置、前进方向。
3、精调爪安装时,在四角各安装的精调爪支承部分的凹槽须与板底预埋钢板上的凸棱应吻合,中间的精调爪必须与中间的预裂缝对齐。
精调时要在四角各放一块方木或钢板,防止精调时轨道板划落。
4、轨道板精调时清理干净承轨台,确保标架的探头与承轨台斜面充分接触,在曲线上要采用松紧带与承轨台拉紧。
5、精调完后应检查轨道板与底座板间的间隙,板腔厚度不应小于20mm,最大不宜超过40mm。
6、精调完的轨道板应采取防护措施,严谨踩踏、撞击及堆放重物轨道板。
7、轨道板精调前用电钻在轨道板两侧分别钻孔,钻孔的直径应比压杆锚杆直径略大,深度100mm左右,钻孔距轨道板边沿以能够放下封边角钢为宜,钻孔完成后,应用吹风机将孔内灰尘处理干净,再填满植筋胶。
8、直线段两侧各四根,曲线段的曲线内侧应增加2根,压紧装置应左右对称,沿轨道板纵向均匀分布。
9、轨道板横向封边材料采用泡沫条,针对处理后的底座板表面凹凸不平现象,横线封边时,建议先在横向接缝处铺设一层土工布,在土工布内均匀铺设一层细沙,再用泡沫进行封堵。
灌浆完后要及时清理接缝间的土工布和细沙。
10、纵向封板时,将封边布铺设平展,放好角钢,用适当的力将翼型螺母拧紧,再用侧面的螺杆把角钢压紧,封边时必须左右同时对称(直线段),超高段封边时应先拧紧曲线内侧的螺杆,封边过程中严禁用锤或重物敲打。
11、高温天气计划灌板时,要在早上太阳暴晒前采用防晒网遮盖晚上所灌注的轨道板,防晒网需架空,已灌完浆的轨道板也要采用防晒网进行覆盖养护至少3天。
12、水泥乳化沥青砂浆灌注前要做好轨道板润湿工作,在灌板前3小时左右每1小时对轨道板进行一次润湿,需用大量的冷水洒向轨道板及板腔,在轨道板封边前进行,采用高压水枪对板腔进行润湿。
CRTSIII型无砟轨道及铺轨工程施工难点和注意事项(1)无砟轨道施工前,应仔细研究无砟轨道施工技术要求,审查核对设计文件,做好线下构筑物竣工测量、结构物沉降变形评估和CPⅢ测设等,科学合理地编制实施性施工组织设计,制定详细的工序作业指导书,加强现场监控,确保无砟轨道施工满足设计及规范要求。
(2)无砟轨道正式施工前应组织工艺性试验段施工,优化施工工艺,验证施工设备性能及最佳组合;工艺性试验段施工完毕后应及时总结,根据总结报告修改完善作业指导书。
(3)无砟轨道原材料及轨道部件进场时应提供质量证明文件,按有关要求进行抽检,合格后方可使用。
所有原材料及轨道部件进场后须分类、标识存放,存放场地及措施应满足有关技术条件要求。
(4)由于无砟轨道系统的高精度要求,要高度重视测量工作,要组建专业的精测小组,定期对测量仪器进行检验,对测量成果要及时上报相关机构或单位进行审查,得到认可或评估合格后方可进行下一步测量工作或用于现场施工。
(5)要高度重视无砟轨道施工物流组织,特别是II线无砟道床施工物流组织,应提前做好周密、详细的物流组织规划,现场必须严格执行,确保无砟轨道施工顺畅。
(6)有砟道床预铺底砟采用自卸汽车由砟场装车后,直接运输到路基上,采用推土机和平地机及压路机进行摊铺碾压密实。
非渗水土路基地段预铺底砟时,严格控制运砟载重汽车轮不破坏基床,并避免雨季运输,防止破坏路基基床。
(7)拆短轨、换长轨作业时,换铺后的长钢轨接头相错量不大于40mm,以保证单元轨节的接头相错量要求。
每次换轨时将换轨作业轨温、长钢轨接头相错量、锯轨情况、焊缝预留量、到达里程及时记录并反馈给基地,以便及时调整长钢轨长度、为线路放散锁定提供依据和形成完整的“配轨表”。
(8)采用大型机械化养路机组进行养路,在放散锁定前至少有两遍双捣以保证捣固质量,对工地焊接接头和路桥、路涵过渡段进行加强捣固。
加强大机养护的施工测量工作,确保施工数据准确、完整、有效;强化大机养护的计量工作,在施工过程中严格计量器具的使用控制,确保大机养护施工质量。
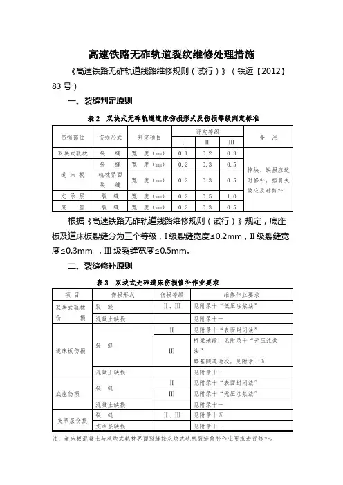
高速铁路无砟轨道裂纹维修处理措施《高速铁路无砟轨道线路维修规则(试行)》(铁运【2012】83号)一、裂缝判定原则表2 双块式无砟轨道道床伤损形式及伤损等级判定标准根据《高速铁路无砟轨道线路维修规则(试行)》规定,底座板及道床板裂缝分为三个等级,I级裂缝宽度≤0.2mm,II级裂缝宽度≤0.3mm ,III级裂缝宽度≤0.5mm。
二、裂缝修补原则表3 双块式无砟道床伤损修补作业要求注:道床板混凝土与双块式轨枕界面裂缝按双块式轨枕裂缝修补作业要求进行修补。
三、相关附录附录十无砟道床混凝土裂缝修补方法根据无砟轨道结构特点、无砟道床混凝土裂缝性质和裂缝伤损等级,混凝土裂缝修补方法可分为表面封闭法、无压注浆法和低压注浆法,三种修补方法可按以下要求进行施作。
一、表面封闭法1.修补材料(1)用于表面封闭的涂层材料宜采用聚合物水泥基材料,其主要性能应满足附表10-1要求。
(2)底涂材料可采用高聚合物乳液含量的聚合物水泥基材料。
2.主要修补工机具钢丝刷、真空吸尘器、计量工具、搅拌工具、盛料容器、涂刷工具等。
3.修补工艺(1)使用钢丝刷将裂缝表面两侧刷毛,用真空吸尘器清除灰尘等杂物。
当裂缝内有明水时,应采用热风机等将裂缝处吹干。
(2)称量并配制表面封闭用修补材料,采用手持式搅拌机或专用搅拌器将修补材料搅拌均匀。
(3)沿裂缝表面涂刷一层底涂材料。
(4)待底涂材料表干后,涂刷表面封闭用涂层材料,涂刷3遍以上,以涂层厚度达到300μm以上为宜。
每遍涂刷都要等到上遍涂层材料表干后再涂,且两次涂刷方向相互垂直。
(5)在大风干燥等条件下适当采取薄膜覆盖等方法养护,防止涂层材料失水过快导致涂层开裂。
4.环境要求施工适宜温度5~30℃,雨雪天不得施工。
二、无压注浆法1.修补材料无压注浆法修补混凝土裂缝宜采用低粘度树脂材料。
低粘度树脂材料性能应满足附表10-2要求。
2.主要修补机具手动双组份注浆器、电热吹风机、真空吸尘器、角磨机等。
有砟—无砟过渡段施工轨道过渡段是指沿轨道结构横向或竖向存在刚度突变的轨道结构形式,有砟—无砟轨道过渡段:在有砟轨道与无砟轨道连接处,存在着一定的刚度差,导致轨面沉降变形不一致而发生弯折。
当列车高速通过,会增加列车与轨道的振动,引起列车与轨道结构作用力的增加,影响轨道结构的稳定以至危及行车安全。
因此,需要在有砟轨道与无砟轨道之间设置一定长度的过渡段,使轨道刚度逐渐变化,并最大限度地减少两者之间的沉降差,用以降低列车与轨道的振动,减缓轨道结构物的变形,保证列车的安全运行。
轨道过渡段设置的目的减小过渡段两侧在刚度和沉降两方面的差异,从而减小轨道不顺直。
有砟轨道与无砟轨道过渡段施工前的检查及检测:1、在施工地段选择2~3处地点,刨开道床肩部及轨枕盒中道砟至轨枕底面以下,检查枕下道砟的小颗粒是否堵塞道砟空隙及道床厚度是否达到设计要求。
2、检测支承刚度值是否满足要求,测点至少包含4个,其中,与无砟胶结的第一根、第三根轨枕必须检测,其余地段,在选择2个测点,其值应满足对道床的相应要求。
施工有砟轨道与无砟轨道过渡段分为三段:每段施工时,先将轨枕盒内和砟肩(轨枕两侧20~30cm)道砟清理至线路两侧,应能看见轨枕地面及两端为止。
改变道砟的粘结方式也可以实现道床刚度的渐变,在过渡段有砟范围内分别采用道砟全胶结、部分胶结完成有砟轨道与无砟轨道刚度的过渡。
无砟轨道的水硬性承载层向有砟轨道延长10m(路、隧过渡),并在有砟轨道第一个15m范围内道砟全部胶结(枕下、枕间和道砟边坡均胶结;对枕底道砟喷胶,让胶渗入道砟内,回填道砟后再对枕盒和砟肩道砟进行一次喷胶),第二个15m范围内部分胶结(轨枕下和砟肩道砟胶结,轨枕盒内道砟不胶结),第三个15m范围内部分胶结(仅轨枕下道砟胶结)。
此外在过渡段处设置2根辅助轨,辅助轨长度为25m,其中无砟轨道部分为5m,有砟轨道部分为20m,辅助轨固定在道床板和过渡枕顶面。
为使刚度变化更均匀,在有砟轨道与无砟轨道之间设置不同刚度的扣件,一般有砟轨道扣件垫板刚度较大,采用新Ⅲ型扣件,扣件垫板刚度为55~75KN/mm;无砟轨道扣件垫板刚度较小,采用WJ-8A扣件,扣件刚度为22.5±2.5 KN/mm.道砟胶为聚氨酯树脂粘合剂特点:1、液态;2、冷固化,适用温度5℃~50cC;3、难溶;4、渗透进入道砟结构,黏度可调;5、在道砟表面形成膜;6、在道砟接触点黏结;7、与道砟一起形成抗压整体。