光伏系统逆功率保护的基本原理
- 格式:docx
- 大小:352.96 KB
- 文档页数:9
光伏发电逆功率保护摘要:一、光伏发电逆功率保护的背景和意义二、光伏发电逆功率保护的原理和实现三、光伏发电逆功率保护的实际应用和作用四、光伏发电逆功率保护的行业发展趋势和前景正文:一、光伏发电逆功率保护的背景和意义随着全球能源危机和环境问题的不断加剧,清洁能源的开发和利用越来越受到重视。
光伏发电作为一种可再生能源,因其环保、节能、可持续等特点,在全球范围内得到了广泛的应用和发展。
然而,随着光伏发电的普及和规模化,一些新的问题和挑战也逐渐显现出来,其中之一就是光伏发电的逆功率保护问题。
光伏发电系统在并网运行过程中,可能会出现发电功率大于负荷消耗的情况,即逆功率现象。
逆功率的发生可能会对电网和光伏发电系统造成不利影响,如电网电压波动、系统频率异常、设备过载、保护装置误动等。
因此,为了保证电网的安全稳定运行,防止逆功率对光伏发电系统的损害,必须采取有效的逆功率保护措施。
二、光伏发电逆功率保护的原理和实现光伏发电逆功率保护的基本原理是依靠交流电流互感器来采集电流方向信号,通过检测电网电压和光伏发电系统输出电压之间的相位差,判断是否发生逆功率现象。
一旦检测到逆功率,保护装置将及时采取措施,如切断光伏发电系统的输出,避免对电网和系统本身造成损害。
具体的逆功率保护实现方法主要有以下几种:1.采用防逆流控制器:通过检测电网电压和光伏发电系统输出电压的相位差,控制光伏发电系统的输出功率,避免逆功率的发生。
2.采用逆功率保护开关:当检测到逆功率时,保护开关将立即切断光伏发电系统的输出,保护电网和系统本身。
3.采用智能优化算法:通过采用智能优化算法,如模糊控制、神经网络等,对光伏发电系统的输出进行实时调节,保证系统始终工作在最佳状态,避免逆功率的发生。
三、光伏发电逆功率保护的实际应用和作用光伏发电逆功率保护在实际应用中可以发挥以下作用:1.保护电网安全:避免逆功率对电网的损害,确保电网的安全稳定运行。
2.提高光伏发电系统的运行效率:通过防止逆功率的发生,保证光伏发电系统始终工作在最佳状态,提高系统的运行效率和发电量。
光伏逆功率保护装置1. 引言光伏发电系统在无法正常运行时可能会产生逆功率,即将发电的电能反向输入到电网中,造成电网的负荷问题和电网设备的损坏。
为了解决这个问题,需要使用光伏逆功率保护装置来监测和控制光伏发电系统的输出功率,确保光伏发电系统能够安全稳定地运行。
本文将对光伏逆功率保护装置进行全面详细的介绍,包括装置的工作原理、主要功能和特点、安装和调试方法以及应用场景等方面的内容。
2. 工作原理光伏逆功率保护装置通过监测光伏发电系统的输出功率,当发生逆功率时,通过控制逆功率保护开关,切断光伏发电系统的电流输出,防止逆功率反向输入到电网中。
具体而言,光伏逆功率保护装置通过逆功率保护开关和监测装置组成。
监测装置可以通过电流互感器或者光伏逆变器输出的电流信号来实时获取光伏发电系统的功率信息。
当监测装置检测到逆功率时,会发送信号给逆功率保护开关,使其自动切断光伏发电系统的电流输出。
3. 主要功能和特点光伏逆功率保护装置具有以下主要功能和特点:•监测功能:能够实时监测光伏发电系统的输出功率,并能够准确判断是否发生逆功率。
•控制功能:当发生逆功率时,能够自动切断光伏发电系统的电流输出,阻止逆功率进一步反向输入到电网中。
•瞬时响应能力:具备快速响应的能力,能够在发现逆功率后立即切断电流输出,避免电网的不稳定和设备的损坏。
•过载保护功能:除了逆功率保护外,还能够对光伏发电系统的过载电流进行监测和保护,确保系统安全运行。
•可靠性:具备高可靠性,能够在恶劣的环境条件下正常工作,保证光伏发电系统的长期稳定运行。
4. 安装和调试方法光伏逆功率保护装置的安装和调试需要按照以下步骤进行:1.选择合适的安装位置:将光伏逆功率保护装置安装在靠近光伏发电系统的地方,方便连接电流互感器或光伏逆变器的输出信号。
2.连接监测装置:根据装置说明书,将监测装置与电流互感器或光伏逆变器正确连接,确保信号正常传输。
3.连接逆功率保护开关:将逆功率保护开关与监测装置正确连接,确保信号传输的稳定性。
逆功率保护的基本原理作用以及逆功率的危害逆功率保护的基本原理及其作用逆功率保护是一种用于电力系统中的保护装置,其主要作用是防止电力系统中存在逆功率现象时带来的不良影响。
下面将介绍逆功率保护的基本原理、作用以及逆功率可能带来的危害。
一、逆功率保护的基本原理逆功率保护是基于功率方向的变化来实现的,当电力系统中的负载发生变化时,逆功率保护能够监测到负载方向的变化并做出相应的保护措施。
其基本原理主要包括以下两个方面。
1. 功率方向检测:逆功率保护中的关键部分是功率方向检测装置,它能够精确地检测电力系统中的电能流向。
根据电能流向的变化,逆功率保护可以判断当前系统中是否存在逆功率现象。
2. 动作保护:当逆功率保护检测到系统中存在逆功率现象时,它会通过动作保护装置实施相应的保护措施。
这些保护动作可以包括断开电源、切断电流等,以防止逆功率现象对电力系统造成损害。
二、逆功率保护的作用逆功率保护在电力系统中起着重要的作用,具体包括以下几个方面。
1. 提高系统稳定性:逆功率保护可以有效地检测到逆功率现象并采取相应的保护措施,从而避免逆功率对电力系统的损害。
通过提高系统稳定性,逆功率保护可以确保电力系统的正常运行。
2. 防止设备过载:逆功率保护可以避免逆功率的持续存在,从而防止设备由于逆功率引起的过载现象。
这样可以有效延长设备的寿命,提高设备的可靠性。
3. 防止电网损耗:逆功率保护可以切断逆功率的传输,避免逆功率引起的电网损耗。
这对于保证电网的高效运行、节省电能具有重要意义。
三、逆功率可能带来的危害逆功率在电力系统中可能带来一系列的危害,主要包括以下几个方面。
1. 设备过热:逆功率会导致大量的电能反向流入设备中,当设备无法处理这些逆流电能时,会引起设备过热甚至烧毁。
2. 动力系统不稳定:逆功率引起的电能流向的转变可能导致动力系统的不稳定,从而影响到电力系统的正常运行。
3. 引发电力系统事故:逆功率对电力系统的影响可能引起电力系统事故,如电网短路、电路断电等,这对电力系统和用户都会造成不利的影响。
光伏逆变器原理光伏逆变器原理是将光伏电池数组所产生的直流电能,转换为交流电能输出到电网供电的装置。
光伏逆变器的工作原理是经过直流开关将输入的直流电能进行一系列的电子元件和控制逻辑的处理后,最终输出交流电能。
具体来说,光伏逆变器内部主要包括直流输入端、中间电路、交流输出端以及控制电路四个部分。
首先,直流输入端接收光伏电池阵列输出的直流电能,并通过滤波电感和电容进行滤波,以去除掉直流电中的脉动。
然后,被滤波后的直流电能进入中间电路。
中间电路是光伏逆变器的核心部分,其主要功能是将直流电能进行变换和储存。
首先,直流电能经过升压变换电路将其提高到一个更高的电压水平,以便更好地适应后续的处理要求。
然后,经过一个电容进行电能的储存,以平滑电压波动。
在这个过程中,中间电路还会进行一些保护措施,如过压保护和过流保护,以确保系统的安全运行。
接下来,经过中间电路处理后的直流电能进入交流输出端。
交流输出端会将直流电能转换为交流电能,并利用PWM(脉宽调制)技术将输出的交流电能的波形进行调整,以使其符合电网的电压和频率要求。
同时,交流输出端还会对输出电能进行滤波处理,以消除由于电路变换带来的电压和电流谐波。
最后,所有处理完成的交流电能通过交流输出端输出到电网中,为用户提供电力供应。
同时,光伏逆变器内部还会通过控制电路对逆变器的整个工作过程进行监控和调节,以确保光伏逆变器的高效、稳定和安全运行。
总之,光伏逆变器利用先进的电子元件和控制逻辑,将直流的光伏电能转换为交流电能,并通过滤波和调整波形等一系列处理,最终将交流电能输出到电网中。
这样,光伏逆变器可以实现光伏电池阵列与电网之间的高效连接和能量转换,为可再生能源的利用提供了重要支持。
光伏系统逆功率保护的基本原理目前分布式光伏系统并网模式可分为自发自用余电上网型、全部上网和全部自用型三种,前两种模式较为普遍,而对于某些特殊地区用户侧的并网模式必须采用全部自用型,即多余电量不允许通过低压配电变压器向上级电网逆向送电,在并网发电系统中,由于外部辐照和温度不断变化,光伏方阵的出力也会随着变化,为达到防逆流控制的效果,又能使系统匹配负载将电能消耗掉,系统需要配置防逆流控制器,通过实时监测交流端低压侧电网的电流方向信号来调节系统的发电功率,文中对光伏不上网系统逆功率保护技术原理进行简要的介绍和分析。
1.防逆流控制装置的基本原理防逆流控制的基本原理是依靠交流电流互感器来采集电流方向信号反馈到防逆流控制器,并控制接触器线圈的两端引线A1和A2的通电或断电,从而使接触器的触点动作,控制我们想要控制的逆变器的功率输出。
正常情况下,A1和A2串联至控制回路,接触器吸合,A1和A2之间有一定的电压,如图1为交流并网柜内最简单的防逆流控制原理图,逆变器以三相四线接入,经过断路器和交流接触器后连至铜排输入端,铜排左侧连至380V电网,铜排输出端接至负载端。
A1和A2是交流接触器两个独立的端子,由于接触器线圈是220V,所以分别接至电网的火线和零线,给接触器的线圈送电。
三根相线各自穿过一个电流互感器,其中互感器的一次接线标志P1侧朝上,P2侧朝下,从原理图左侧方向看右侧,电网电流流至负载,那么P1侧朝左,P2侧朝右。
图1 防逆流控制基本原理2.交流电流互感器交流电流互感器在防逆流系统中的作用有两点,一是计量,将大电流转换成小电流进行测量采样。
二是给控制器发出信号使接触器断开或吸合。
如图2为穿心式交流互感器实物图,其电流比为250/5A,最大输出电流为5A。
图2 穿心式电流互感器实物图穿心式电流互感器的规范接法是一次线从P1(也称L1)穿进P2(也称L2)穿出,一次电流自P1端流行P2端时,二次电流自S1(也称K1)流出经外部电路回到S2(也称K2),如图3所示。
逆功率保护的基本原理?作用?以及逆功率的危害?逆功率保护的基本原理?作用?以及逆功率的危害?发电机是向系统送出有功功率的,如果出现系统向发电机倒送功率,即发电机变成电动机运行,这就是逆功率的异常工况.作为汽轮发电机,当转入逆功率异常运行状态时,汽轮机主汽门已关闭,汽机尾部叶片由于与残留蒸汽产生摩擦而形成鼓风损耗,由过热而损坏。
燃气轮机的大压缩机负荷很大,逆功率数值可达发电机额定容量Pn的50%,逆功率工况可能损坏机组齿轮。
柴油发电机的汽缸熄火,逆功率值可达25%Pn。
灯泡式和斜流式等低水头水轮机在逆功率工况下,低水流量的微观水击作用会产生汽蚀现象,终致导水叶损伤。
这些发电机组均在逆功率运行状态下对原动机有害,宜装设逆功率保护。
机组逆功率运行,对发电机本身来说,没有什么危害。
但是有两点要注意:1、此时,发电机变为电动机运行,将会从系统吸收有功,以维持其同步运行,励磁系统没有变化;但系统频率可能会降低。
同时给电网无功,不会导致系统电压下降,只是变为调相机运行。
2、作为汽轮发电机,当转入逆功率异常运行状态时,汽轮机主汽门已关闭,汽机尾部叶片由于与残留蒸汽产生摩擦而形成鼓风损耗,叶片由过热而损坏。
对汽轮机造成危害。
上述两个原因,对汽轮机的危害是主要的。
因此,大机组都要装设逆功率保护。
该保护主要保护的是汽轮机。
因此,停车时(特别是紧急停车时)一定要先打闸后解列。
1. 根据《防止电力生产重大事故的二十五项重点要求》,正常停机时必须减负荷到到零,然后汽机打闸(不实现停机不停炉机组应同时MFT),断开发电机出口开关;2. 事故停机(手动或保护动作)时,仍应确认汽机高中压主汽门、调门关闭严密,机组负荷到零,程序逆功率保护动作出口再断开发电机出口开关;3. 电气主保护动作,保护动作出口立即断开发电机出口开关,同时汽机跳闸。
同时检查确认汽门关闭严密,防止超速;4. 发电机故障(定子接地,转子一点接地等,励磁系统短路)等,同时汽机打闸后发现汽门关不严或卡涩,则应立即开启旁路及电磁释放阀尽快将压力降低,负荷到零后再断开发电机出口开关,并同时严密监视汽轮机转速变化,必要时紧急破坏真空;总之,必须确定有功负荷到零后才能断开发电机出口开关。
光伏电站逆变器工作原理
光伏电站逆变器工作原理是逆变装置的核心,是逆变开关电路,简称为逆变电路。
该电路通过电力电子开关的导通与关断,来完成逆变的功能。
特点:
(1)要求具有较高的效率。
由于目前太阳能电池的价格偏高,为了最大限度的利用太阳能电池,提高系统效率,必须设法提高逆变器的效率。
(2)要求具有较高的可靠性。
目前光伏电站系统主要用于边远地区,许多电站无人值守和维护,这就要求逆变器有合理的电路结构,严格的元器件筛选,并要求逆变器具备各种保护功能,如:输入直流极性接反保护、交流输出短路保护、过热、过载保护等。
(3)要求输入电压有较宽的适应范围。
由于太阳能电池的端电压随负载和日照强度变化而变化。
特别是当蓄电池老化时其端电压的变化范围很大,如12V的蓄电池,其端电压可能在10V~16V之间变化,这就要求逆变器在较大的直流输入电压范围内保证正常工作。
有关逆变器分类的方法很多,例如:根据逆变器输出交流电压的相数,可分为单相逆变器和三相逆变器;根据逆变器使用的半导体器件类型不同,又可分为晶体管逆变器、晶闸管逆变器及可关断晶闸管逆变器等。
根据逆变器线路原理的不同,还可分为自激振荡型逆变器、阶梯波叠加型逆变器和脉宽调制型逆变器等。
根据应用在
并网系统还是离网系统中又可以分为并网逆变器和离网逆变器。
为了便于光电用户选用逆变器,这里仅以逆变器适用场合的不同进行分类。
逆功率保护保护范围1. 什么是逆功率保护?逆功率保护是一种电力保护装置,用于保护电力系统中的发电机免受逆功率(也称为负载发电)的损害。
逆功率指的是发电机向电网输送功率的情况,当负载发电时,发电机会成为负载,从电网中吸收功率。
逆功率保护的主要作用是防止逆功率对发电机造成过负荷运行、损坏或失效,保障电力系统的安全稳定运行。
2. 逆功率保护的原理逆功率保护的原理是通过监测发电机的输出功率和电网的电流进行比较,当发电机输出功率小于电网的电流乘以一个设定的阈值时,逆功率保护会动作,切断发电机与电网之间的连接。
具体来说,逆功率保护包括以下几个主要部分:2.1 功率测量逆功率保护需要测量发电机的输出功率和电网的电流。
通常使用电流互感器和功率变送器来实现对电流和功率的测量。
2.2 阈值设定逆功率保护需要设定一个阈值,用于判断发电机的输出功率是否小于电网的电流乘以该阈值。
阈值的设定需要考虑发电机的额定容量、负荷变化等因素。
2.3 逆功率保护动作当发电机的输出功率小于电网的电流乘以设定的阈值时,逆功率保护会动作,切断发电机与电网之间的连接,防止逆功率对发电机造成损害。
3. 逆功率保护的保护范围逆功率保护的保护范围是指逆功率保护可以保护的电力系统的范围。
一般来说,逆功率保护可以应用于各种类型的电力系统,包括发电厂、变电站、配电系统等。
3.1 发电厂在发电厂中,逆功率保护主要用于保护发电机免受逆功率的损害。
当发电机输出功率小于电网的电流乘以设定的阈值时,逆功率保护会切断发电机与电网之间的连接,防止逆功率对发电机造成过负荷运行、损坏或失效。
3.2 变电站在变电站中,逆功率保护主要用于保护变压器和其他设备免受逆功率的损害。
当逆功率保护检测到逆功率时,会切断电网与变压器之间的连接,防止逆功率对变压器和其他设备造成损害。
3.3 配电系统在配电系统中,逆功率保护主要用于保护负载免受逆功率的损害。
当逆功率保护检测到逆功率时,会切断电网与负载之间的连接,防止逆功率对负载造成损害。
逆功率保护原理逆功率保护是电力系统中一项重要的保护措施,它的作用是在电网中防止逆功率流向发电机,从而避免对发电机和电网造成损害。
逆功率保护原理是基于电力系统的运行特点和保护需求而设计的,下面将对逆功率保护原理进行详细介绍。
首先,逆功率保护原理是基于电力系统中发电机的运行特点而设计的。
在电力系统中,发电机是通过燃料燃烧或水力等能源驱动转子旋转,从而产生电能。
当发电机运行过程中,如果发生负载突然减小或者断开,会导致发电机输出的电能无法被负载吸收,此时电能会逆向流向发电机,形成逆功率。
逆功率的存在会对发电机和电网造成危害,因此需要采取逆功率保护措施。
其次,逆功率保护原理是基于保护需求而设计的。
在电力系统中,逆功率的存在会导致发电机过载、电网频率下降甚至崩溃等问题,对电力系统的安全稳定运行造成严重影响。
因此,为了保护发电机和电网的安全运行,需要对逆功率进行有效的保护。
逆功率保护原理就是为了满足这一保护需求而设计的,它能够在发生逆功率时及时切断发电机的输出,防止逆功率对发电机和电网造成损害。
逆功率保护原理的实现主要依靠逆功率保护装置。
逆功率保护装置是一种电气保护装置,它能够监测发电机的输出功率,并在发生逆功率时迅速做出动作,切断发电机的输出。
逆功率保护装置通常采用电流互感器和功率元件进行监测和计算,当监测到逆功率时,通过控制装置对断路器或开关进行动作,实现对发电机输出的切断。
总的来说,逆功率保护原理是基于电力系统的运行特点和保护需求而设计的,它能够有效保护发电机和电网的安全运行。
逆功率保护装置是实现逆功率保护原理的关键,它通过监测发电机的输出功率并在发生逆功率时迅速切断发电机的输出,从而防止逆功率对电力系统造成损害。
在电力系统中,逆功率保护原理的应用对保障电力系统的安全稳定运行起着重要的作用。
光伏发电逆功率保护摘要:I.光伏发电简介- 光伏发电的定义- 光伏发电的原理II.逆功率保护的作用- 逆功率保护的定义- 逆功率保护的重要性- 逆功率保护的基本原理III.逆功率保护的实现- 逆功率保护的实现方式- 逆功率保护的设备构成- 逆功率保护的参数设置IV.逆功率保护的案例分析- 案例一:某光伏发电系统逆功率保护的实现- 案例二:某光伏发电系统逆功率保护的问题及解决方法V.逆功率保护的未来发展趋势- 逆功率保护的技术创新- 逆功率保护的市场前景- 逆功率保护的政策支持正文:光伏发电是一种利用太阳能光伏电池将太阳光能转化为电能的发电方式。
近年来,随着光伏发电技术的不断创新和进步,光伏发电在能源领域中的应用越来越广泛。
然而,光伏发电系统在运行过程中,由于各种原因,可能会出现逆功率现象,即发电系统向电网输送的电能少于系统消耗的电能,这会给电网带来负面影响,甚至可能对发电系统造成损害。
因此,逆功率保护在光伏发电系统中显得尤为重要。
逆功率保护是一种在光伏发电系统中实时监测发电功率,当发现逆功率现象时,及时采取措施,防止逆功率继续发生的保护机制。
逆功率保护的重要性体现在以下几个方面:首先,逆功率保护可以保护电网的稳定运行,防止电能倒灌,避免电网受到冲击;其次,逆功率保护可以保护光伏发电系统的安全运行,防止发电系统受到损害;最后,逆功率保护可以提高光伏发电的效率,保证光伏发电系统正常运行。
逆功率保护的基本原理是通过监测发电系统的功率,判断是否出现逆功率现象。
当出现逆功率现象时,通过控制设备,切断逆功率电路,从而实现逆功率保护。
逆功率保护的实现方式主要有两种:一种是硬件实现,即通过安装逆功率保护装置,实现逆功率保护;另一种是软件实现,即通过编写逆功率保护程序,对发电系统进行实时监控,当发现逆功率现象时,及时采取措施,切断逆功率电路。
在实际应用中,逆功率保护的设备构成主要包括:光伏发电组件、逆变器、电能计量装置、保护装置等。
光伏发电逆功率保护
【原创版】
目录
一、光伏发电逆功率保护的背景和原因
二、光伏发电逆功率保护的工作原理
三、光伏发电逆功率保护的作用和应用实例
四、光伏发电逆功率保护的展望
正文
一、光伏发电逆功率保护的背景和原因
随着光伏发电技术的不断发展,越来越多的光伏发电系统接入到配电网中。
然而,当光伏发电系统产生大于并网侧负荷消耗的电能时,就会出现逆功率现象,即电能从光伏发电系统逆向流入电网,这会对电网和光伏发电系统造成一定的影响。
为了解决这个问题,需要采用光伏发电逆功率保护装置。
二、光伏发电逆功率保护的工作原理
光伏发电逆功率保护装置的工作原理主要依赖于交流电流互感器。
当光伏发电系统产生的电流大于并网侧负荷消耗的电流时,交流电流互感器会采集到电流方向信号,并将其反馈给保护装置。
保护装置根据电流方向信号,对光伏发电系统进行控制,使得光伏发电系统不再向电网输出电能。
三、光伏发电逆功率保护的作用和应用实例
光伏发电逆功率保护的主要作用是防止光伏发电系统产生的电能逆
向流入电网,保护电网和光伏发电系统的安全运行。
在实际应用中,光伏发电逆功率保护装置通常安装在光伏发电系统的并网侧,实时监测并网侧电流和电压信号,以便及时发现和处理逆功率现象。
四、光伏发电逆功率保护的展望
随着光伏发电技术的进一步推广和应用,光伏发电逆功率保护将变得越来越重要。
未来,光伏发电逆功率保护装置将更加智能化和集成化,以适应光伏发电系统的快速发展和变化。
充电桩、光伏电站逆功率保护的基本原理逆功率保护主要针对充电桩项目、部分并网型光伏发电站,这部分并网电站所谓并网其实只是与电网接通,并非发电输送电网,白天用户光伏所发电量主要供自己厂区内的用电负荷使用,晚上没有光伏发电时仍旧需要使用电网所输电量,因此才并网的。
这类光伏电站要求在并网处加以控制,尽量使光伏发电量刚好满足厂区内的用电负荷使用。
实际应用中具体采用逆功率保护装置来实现,装置主要功能及工作原理如下:1、逆功率保护检测交流电网(AC400V,50Hz)供电回路三相电压、电流(测量点),判断功率流向和功率大小。
如果电网供电回路出现逆功率现象,当逆功率值大于逆功率定值(可设定,单位W二次功率值)时,按照各个出口延时时限的不同,当延时超过相应出口的延时后,驱动该出口动作,跳闸顺序为先跳出口1,再跳出口2,依次类推,逐级断开清洁电源并网系统中8个模组,直到逆功率现象消失。
(需要清洁电源的控制开关提供分合闸操作回路)。
保护原理如图1所示。
2、功率恢复保护逆功率恢复的控制:当防逆流装置检测到逆功率切断清洁电源供电回路后,若测量点逆功率消失,并且检测到负荷功率(测量点的正向功率)大于某一门槛值(可设定,单位W二次功率值)时,经过不大于999.9S延时(可设置)后,防逆流装置先合出口1,再合出口2,依次类推,把清洁电源并网系统中接入点合上(控制点)。
(需要清洁电源的控制开关提供分合闸操作回路)。
保护原理如图2所示。
3、过负荷保护本逆功率保护装置设有过负荷保护。
过负荷保护动作于告警,如图3所示4、过电压保护本逆功率监控装置设有过电压保护。
过电压保护原理如图4所示。
5、低电压保护产品设有低电压保护。
低电压保护原理如图5所示。
6、电压回路断线告警产品检测到电压回路断线延时发出告警信号。
在电压恢复正常(线电压均大于300V)后,保护返回。
其原理图如图6所示。
7、装置故障告警逆功率保护装置的硬件发生故障,定值故障以及定值区号故障时,装置的液晶屏幕可以显示故障信息,并驱动异常告警继电器发告警信号,同时闭锁保护。
光伏防逆流装置原理
光伏防逆流装置主要是为了防止光伏电池的直流电流在晚上或阴天的时候反向流回供电系统,避免对供电系统造成损伤。
其原理是通过将光伏电池组上串并联的二极管连接,来实现对反向电流的阻止。
具体来说,光伏电池组连接一个并联的续流二极管,将二极管的阳极连接到正极,阴极连接到负极。
当光伏电池组获得阳光照射时,光伏电池组通过续流二极管输出最大功率。
在这种情况下,续流二极管处于导通状态,不会阻碍电流的输出。
然而,当光照不足或完全消失,光伏电池组就会停止输出电流,并向反方向流动。
在这种情况下,由于电动势反向,电池组的电压变成了负值,这时若没有防逆流装置,就可能造成后续的供电系统损坏。
但是,如果在光伏电池组与电网之间串联放置了一个二极管,当光伏电池组产生负电压时,二极管就会截止,从而阻止反向电流的产生。
因此,通过这种方式,可以保证光伏电池组只向电网输出电流,不会有反向电流损坏电网。
在实际应用中,防逆流装置一般会与光伏电池组并行连接。
如果直接使用串联放置二极管的方式,会降低光伏电池的输出电压和功率,因此采用并联方式可以减少能量损失,提高光伏电池组的发电效率。
总之,光伏防逆流装置主要是通过串并联的二极管来防止光伏电池组反向输出电流,从而保护电网不受到损坏。
光伏逆变器的原理光伏逆变器是光伏发电系统中的一个重要组成部分,它的作用是将光伏电池板所产生的直流电转换为交流电,以供电网使用。
光伏逆变器的原理是基于电子器件的工作原理和电路设计的原理,下面我们将详细介绍光伏逆变器的工作原理。
首先,光伏逆变器的核心部件是功率电子器件,它主要由晶体管、二极管、场效应管等组成。
在光伏电池板产生的直流电输入到逆变器后,经过整流、滤波等处理后,进入到功率电子器件中。
功率电子器件通过控制开关状态,将直流电转换为交流电,然后输出到电网中。
其次,光伏逆变器的工作原理是基于PWM调制技术的,通过对直流电进行高频开关控制,将其转换为交流电。
PWM调制技术可以实现对输出波形的精确控制,使得光伏逆变器的输出电压和频率可以与电网保持同步。
同时,PWM调制技术还可以提高逆变器的效率和稳定性,确保其在不同工况下都能正常工作。
另外,光伏逆变器还采用了MPPT(最大功率点跟踪)技术,通过对光伏电池板的输出功率进行实时监测和调节,确保其工作在最佳工作点,最大限度地提高光伏发电系统的发电效率。
MPPT技术可以根据光照强度和温度等因素实时调整逆变器的工作状态,使其始终处于最佳工作状态。
最后,光伏逆变器还具有保护功能,可以对电网的电压、频率等参数进行监测,一旦出现异常情况,可以及时切断逆变器的输出,确保电网的安全运行。
同时,光伏逆变器还具有过载、短路、过压、欠压等多种保护功能,确保光伏发电系统的安全稳定运行。
综上所述,光伏逆变器的原理是基于功率电子器件的工作原理和PWM调制技术的原理,通过MPPT技术和保护功能,实现对光伏电池板输出直流电的高效转换和电网的安全接入。
光伏逆变器在光伏发电系统中起着至关重要的作用,其工作原理的深入理解对于光伏发电系统的设计和运行具有重要意义。
光伏逆变电路工作原理光伏逆变电路是光伏发电系统中至关重要的一部分,其工作原理的研究对于光伏发电系统的效率和稳定性起着至关重要的作用。
光伏逆变电路主要用于将光伏电池产生的直流电转换为交流电,以供电网或其他电器设备使用。
在光伏逆变电路中,直流电能通过逆变器转换为交流电,同时交流电经过滤波电路和升压电路得到更合适的电流和电压特性,最终输出到电网中。
光伏逆变电路的工作原理涉及到电力电子器件、控制技术和电路拓扑等多个方面的知识,下面将从这几个方面对光伏逆变电路的工作原理进行深入探讨。
1. 电力电子器件在光伏逆变电路中,电力电子器件扮演着至关重要的角色,主要包括功率晶体管(IGBT)、金属氧化物半导体场效应管(MOSFET)等。
这些器件能够有效地将直流电转换为交流电,在逆变电路中起到了连接和控制的作用。
1.1 功率晶体管(IGBT)功率晶体管是一种结合了场效应管和双极晶体管特性的器件,具有导通电压低、开关速度快等优点。
在光伏逆变电路中,功率晶体管扮演着关键的开关角色,控制着直流电流的流动和转换。
通过控制功率晶体管的导通与截止,可以实现对交流电流的输出控制,从而实现光伏发电系统的稳定运行。
1.2 金属氧化物半导体场效应管(MOSFET)MOSFET是一种具有电场调制功能的半导体器件,具有导通电阻小、控制电压低等优点。
在光伏逆变电路中,MOSFET通常用于控制逆变器的输出电压和频率,起到保护和调节电路的作用。
通过控制MOSFET的导通电压和电流,可以实现对电压波形和频率的调整,保证光伏逆变电路稳定输出。
2. 控制技术控制技术是光伏逆变电路中的另一个重要方面,主要包括PWM控制、PID控制等。
这些控制技术能够有效地监控和调节电路中的电流和电压,保证光伏发电系统的正常工作。
2.1 PWM控制PWM(脉宽调制)是一种通过改变信号的脉冲宽度来实现电压或电流控制的技术。
在光伏逆变电路中,PWM控制常常用于调节逆变器的输出波形,使其更符合电网的要求。
光伏发电逆功率保护
光伏发电逆功率保护是一种保护措施,用于防止光伏发电系统逆转功率流向电网。
当光伏发电系统产生的功率超过电网负荷需求,多余的功率将逆向流向电网,可能会对电网的稳定性和安全性造成影响。
逆功率保护措施可以实现自动断开连接或调整光伏发电系统的输出功率,以确保电网不会受到逆功率的冲击。
光伏发电逆功率保护常见的实施方式包括以下几种:
1. 逆功率保护装置:安装在光伏发电系统与电网连接处,监测系统的功率流向和电网的负荷需求。
当检测到逆功率流动时,保护装置会自动切断光伏发电系统与电网的连接,以阻止逆功率流入。
2. 功率调节器:在光伏发电系统中增加功率调节器,通过调整光伏电池阵列的输出功率,使其与电网的负荷需求匹配。
当光伏发电系统的输出功率超过电网的负荷需求时,功率调节器可以自动降低光伏电池阵列的输出功率,以防止逆功率流入电网。
3. 逆变器控制策略:逆变器是将光伏电池阵列产生的直流电转换为交流电并输出到电网的关键设备。
逆变器可以通过控制策略来实现逆功率保护。
当逆变器检测到逆功率流动时,它可以自动调整输出功率,或通过与电网的通信实现断开连接,以防止逆功率流入电网。
光伏发电逆功率保护的实施可以提高光伏发电系统与电网的安全性和稳定性,避免对电网造成不利影响。
同时,逆功率保护还可以降低光伏发电系统的运行风险,保护光伏设备的寿命。
光伏发电逆变器原理
光伏发电逆变器是将直流电转换成交流电的一种电子设备,它是太阳能发电系统中不可或缺的部分。
其工作原理是将太阳能电池板产生的直流电转换成交流电,使太阳能发电系统能够连接到电网上供电。
逆变器有很多种类,最常见的是PWM和MPPT逆变器。
PWM逆变器通过调整开关管的开关时间来控制电流电压,而MPPT逆变器则利用最大功率点跟踪技术来调整电池板的电压和电流,以最大化太阳能的利用率。
逆变器还具有一些保护功能,如过电压保护、短路保护、过流保护等。
保护功能可以防止系统出现故障而损坏设备,同时保障人身安全。
在太阳能发电系统中,逆变器是不可或缺的部分,负责将太阳能电池板产生的直流电转换成交流电,使得系统能够接入电网并稳定供电。
因此,逆变器的性能和质量对整个系统的运行和发电效率至关重要。
- 1 -。
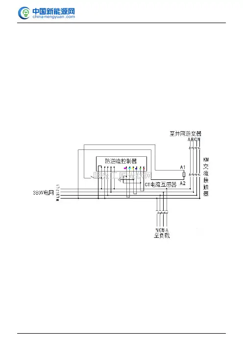
光伏系统逆功率保护的基本原理
目前分布式光伏系统并网模式可分为自发自用余电上
网型、全部上网和全部自用型三种,前两种模式较为普遍,而对于某些特殊地区用户侧的并网模式必须采用全部自用型,即多余电量不允许通过低压配电变压器向上级电网逆向送电,在并网发电系统中,由于外部辐照和温度不断变化,光伏方阵的出力也会随着变化,为达到防逆流控制的效果,又能使系统匹配负载将电能消耗掉,系统需要配置防逆流控制器,通过实时监测交流端低压侧电网的电流方向信号来调节系统的发电功率,文中对光伏不上网系统逆功率保护技术原理进行简要的介绍和分析。
1.防逆流控制装置的基本原理
防逆流控制的基本原理是依靠交流电流互感器来采集
电流方向信号反馈到防逆流控制器,并控制接触器线圈的两端引线A1和A2的通电或断电,从而使接触器的触点动作,控制我们想要控制的逆变器的功率输出。
正常情况下,A1和A2串联至控制回路,接触器吸合,A1和A2之间有一定的电压,如图1为交流并网柜内最简单的防逆流控制原理图,逆变器以三相四线接入,经过断路器和交流接触器后连至铜排输入端,铜排左侧连至380V电网,铜排输出端接至负载端。
A1和A2是交流接触器两个独立的端子,由于接触器线圈是220V,所以分别接至电网的火线和零线,给接触器的线圈送电。
三根相线各自穿过一个电流互感器,其中互感器的一次接线标志P1侧朝上,P2侧朝下,从原理图左侧方向看右侧,电网电流流至负载,那么P1侧朝左,P2侧朝右。
图1 防逆流控制基本原理
2.交流电流互感器
交流电流互感器在防逆流系统中的作用有两点,一是计量,将大电流转换成小电流进行测量采样。
二是给控制器发出信号使接触器断开或吸合。
如图2为穿心式交流互感器实物图,其电流比为250/5A,最大输出电流为5A。
图2 穿心式电流互感器实物图
穿心式电流互感器的规范接法是一次线从P1(也称L1)穿进P2(也称L2)穿出,一次电流自P1端流行P2端时,二次电流自S1(也称K1)流出经外部电路回到S2(也称K2),如图3所示。
交流电流在电路中流动时,它的方向随时间作周期性的变化,但是在某一瞬间,线圈中的电流端子一定有一个流入方向,而另一个是流出方向,感应出的二次电流同样也有电流的流入和流出,所以电流互感器的极性就是一次电流方向与二次电流方向之间的关系。
如果某一时刻一次侧极性与二次侧的某一端极性相同, 即同时为正,在接线中L1和K1称为同极性端,L2和K2也为同极性端,一次电流从L1进L2出,是正方向。
图3 电流互感器规范接法时的一次电流、二次电流流向和端
子标志说明
如果互感器的一次回路接反,即一次侧L2流进,L1流出,即使二次接法正确,但电流方向正好是相反了,如果互感器二次回路接反,检测到的电流大小虽然不变,但相对于正常情况,因为参考的电路方向固定不变,而测量电流极性与正常时相反,所以电流流向也会相反,相位上会相差180度,会带来防逆流控制的判断带来误动作,也就是说即使光伏发电功率小于负载使用功率,防逆流控制器也会错误地判断系统中有逆流发生。
就好比我们使用电流互感器在接电流表的时候,接反了电度表会反转,原因在于功率表内部的功率测量,需要包括
功率因数,而功率因数是电压和电流的相位差的余弦。
因此,当电流相位接反时,电流相位角与原来差180度,从而使电压和电流的相位差差了180度,致使得出的功率变成了负值,如果互感器一次线接反,只要将二次的S1和S2反接就可以了。
3.非智能式防逆流控制过程
《光伏电站接入电网技术规定》要求:光伏电站设计为不可逆并网方式时,应配置逆功率保护设备,当检测到逆向电流超过额定输出的5%时,光伏电站应在0.5-2s内停止向电网送电。
以实际工程上的100kW屋顶光伏项目为例,该系统其主要特点为交流配电柜内防逆流控制,控制方式为直接操作接触器断开光伏侧,当光伏发电功率大于负载功率,光伏电会往电网上送,但此时防逆流控制一旦检测电网处有逆功率,防逆流控制器发送信号给接触器,接触器自动断开,逆变器因为与电网断开将停止工作,此时负载只由电网供给,同时防逆流柜内的时间继电器开始计时,如设置时间为10分钟,即10分钟后防逆流控制器监测电网测有无逆流,若没有逆流,接触器自动吸合。
在使用防逆流控制器时,需要对参数按照规范设置,逆向电流保护设定范围为1%-20%
连续可调,以1%=0.05A为基准,即1%=0.05A,20%=1A,5%为0.25A。
控制器的延时动作时间最大为2s,即需要在2s
内断开接触器。
因此非智能化防逆流系统的正常工作条件是:接触器吸合,未断开,逆变器与电网没有断开,光伏发电功率始终小于等于负载功率。
4.非智能式防逆流控制系统对发电量的影响
上文主要介绍了非智能式防逆流控制的基本原理,虽然比较简单,对于日用电非均衡负载,很难协调太阳电池组件发电量与负载需求间的匹配关系,很难满足光伏给负载供电的连续性,而对于日用电均衡负载,例如某工厂由于使用制冷电器和电暖设备,夏冬季的负载电量需求多于春秋季,如果系统容量按照满足夏冬季的用电设计,在春秋季势必会产生多余的电量,被防逆流控制完全切断逆变器的输出,会导致光伏发电量大大浪费,因此对非智能式防逆流控制还需要做些改进,目前的一般做法是使用智能式控制方法,通过与逆变器进行RS485通讯,降低逆变器的功率输出,并和负载进行匹配。
5.智能防逆流控制系统原理介绍
图4 智能式防逆流控制
以阳光电源ARP防逆流控制柜为例,智能式防逆流控制一般有四个参数,即:Pt:并网点的电网实测功率,包括电网向负载提供的功率和逆流功率。
Ps:控制功率。
Pr:设定的逆向功率值。
Tr:设定的最大逆功率持续时间,Ts:逆功率恢复时间[1]。
当网侧功率Pt大于Ps时,控制接触器吸合,并给逆变器发送通讯命令,控制逆变器功率逐渐增加。
当网侧功率Pt 小于设置的控制功率Ps但大于设置的Pr时,控制器给逆变器发通讯命令,控制逆变器功率逐渐减小,直到Pt= Ps;当Pt<Pr时,且逆功率的时间超过Tr,控制器发出命令,断开接触器,逆变器与电网的连接断开[1]。
以某100kW并网系统为例说明控制过程,系统配备10
台10kW逆变器,假设Ps=50kW,Pr=20kW;逆变器未投入使用时,负载需要功率130kW,全由电网提供,此时并网点的实测功率为130kW;Pt>Ps,控制柜发出信号,命令逆变器投入使用,降低电网对负载的供给,一共投入8台后,即系统供给80kw,电网供给50kW,此时Pt=Ps,剩余2台逆变器不能投入。
当负载发生变化,如负载增加到140kw,需要再投入一台逆变器;系统供给90kW,电网50kW;当负载140kW减少到120kW,电网仍然供给50kw,系统供给90kW,系统多出20kW,其功率流向与电网流向相反,功率叠加后变为30kW,即Pt=30kW<Ps,但是Pt>Pr,此时控制器命令减少逆变器,减少2台后,Pt=Ps;当负载140kW减少到110kW,电网仍然供给50kW,系统供给90kW,系统多出40kW,其功率流向与电网流向相反,功率叠加后变为10kw,即Pt=10kW<Pr,如果持续时间T> Tr,控制柜命令关闭逆变器,具体过程参考图5。
图5 智能式防逆流控制逻辑过程
6.小结
文中对非智能式和智能式防逆流控制方式作了简要介绍,毫无疑问,防逆流会带来光伏系统发电量的损失,非智能式控制方法现在已经很少使用,而对于特殊的国家或地区和特定的条件,在系统设计安装时一般建议采用智能式防逆流控制方式或在成本允许的前提下利用储能系统,可以最大化地提高光伏发电的利用率。