数控系统车削指令体系03
- 格式:doc
- 大小:56.50 KB
- 文档页数:2
1. F功能F功能指令用于控制切削进给量.在程序中,有两种使用方法. 1每转进给量编程格式 G95 F~F后面的数字表示的是主轴每转进给量,单位为mm/r.例:G95 F0.2 表示进给量为0.2 mm/r.2每分钟进给量编程格式G94 F~F后面的数字表示的是每分钟进给量,单位为 mm/min.例:G94 F100 表示进给量为100mm/min.2. S功能S功能指令用于控制主轴转速.编程格式 S~S后面的数字表示主轴转速,单位为r/min.在具有恒线速功能的机床上,S功能指令还有如下作用.1最高转速限制编程格式 G50 S~S后面的数字表示的是最高转速:r/min.例:G50 S3000 表示最高转速限制为3000r/min.2恒线速控制编程格式 G96 S~S后面的数字表示的是恒定的线速度:m/min.例:G96 S150 表示切削点线速度控制在150 m/min.3恒线速取消编程格式 G97 S~S后面的数字表示恒线速度控制取消后的主轴转速,如S未指定,将保留G96的最终值.例:G97 S3000 表示恒线速控制取消后主轴转速3000 r/min.3. T功能T功能指令用于选择加工所用刀具.编程格式 T~T后面通常有两位数表示所选择的刀具号码.但也有T后面用四位数字,前两位是刀具号,后两位是刀具长度补偿号,又是刀尖圆弧半径补偿号.例:T0303 表示选用3号刀及3号刀具长度补偿值和刀尖圆弧半径补偿值.T0300 表示取消刀具补偿.4. M功能M00:程序暂停,可用NC启动命令CYCLE START使程序继续运行;M01:计划暂停,与M00作用相似,但M01可以用机床“任选停止按钮”选择是否有效;M03:主轴顺时针旋转;M04:主轴逆时针旋转;M05:主轴旋转停止;M08:冷却液开;M09:冷却液关;M30:程序停止,程序复位到起始位置.5. 加工坐标系设置G50编程格式 G50 X~ Z~式中X、Z的值是起刀点相对于加工原点的位置.G50使用方法与G92类似.在数控车床编程时,所有X坐标值均使用直径值,如图所示.例:按图设置加工坐标的程序段如下:G50 X128.7 Z375.1设定加工坐标系6. 快速定位指令G00G00指令命令机床以最快速度运动到下一个目标位置,运动过程中有加速和减速,该指令对运动轨迹没有要求.其指令格式:G00 XU____ ZW____;当用绝对值编程时,X、Z后面的数值是目标位置在工件坐标系的坐标.当用相对值编程时,U、W后面的数值则是现在点与目标点之间的距离与方向.如图所示的定位指令如下:G50 X200.0 Z263.0; 设定工件坐标系G00 X40.0 Z212.0;绝对值指令编程A→C或G00 U-160.0 W-51.0;相对值指令编程A→C因为X轴和Z轴的进给速率不同,因此机床执行快速运动指令时两轴的合成运动轨迹不一定是直线,因此在使用G00指令时,一定要注意避免刀具和工件及夹具发生碰撞.如果忽略这一点,就容易发生碰撞,而快速运动状态下的碰撞就更加危险7. 直线插补指令G01G01指令命令机床刀具以一定的进给速度从当前所在位置沿直线移动到指令给出的目标位置.指令格式:G01 XU____ZW____F ;其中F是切削进给率或进给速度,单位为mm/r或mm/min,取决于该指令前面程序段的设置.使用G01指令时可以采用绝对坐标编程,也可采用相对坐标编程.当采用绝对坐编程时,数控系统在接受G01指令后,刀具将移至坐标值为X、Z的点上;当采用相对坐编程时,刀具移至距当前点的距离为U、W值的点上.如图所示的直线运动指令如下:G01 X40.0 Z20. F0.2; 绝对值指令编程G01 U20.0 W-25.9 F0.2; 相对值指令编程8. 圆弧插补指令G02、G03圆弧插补指令命令刀具在指定平面内按给定的F进给速度作圆弧插补运动,用于加工圆弧轮廓.圆弧插补命令分为顺时针圆弧插补指令G02和逆时针圆弧插补指令G03两种.其指令格式如下:顺时针圆弧插补的指令格式:G02XU____ZW____I____K____F____;G02 XU____ZW___R___ F____;逆时针圆弧插补的指令格式:G03 XU____ZW____ I____K____F____;; G03 XU____ZW___R___ F____;使用圆弧插补指令,可以用绝对坐标编程,也可以用相对坐标编程.绝对坐标编程时,X、Z是圆弧终点坐标值;增量编程时,U、W是终点相对始点的距离.圆心位置的指定可以用R,也可以用I、K,R 为圆弧半径值;I、K为圆心在X轴和Z轴上相对于圆弧起点的坐标增量; F为沿圆弧切线方向的进给率或进给速度.当用半径R来指定圆心位置时,由于在同一半径R的情况下,从圆弧的起点到终点有两种圆弧的可能性,大于180°和小于180°两个圆弧.为区分起见,特规定圆心角α≤180°时,用“+R”表示;α>180°时,用“-R”.注意:R编程只适于非整圆的圆弧插补的情况,不适于整圆加工.例如,图3-13中所示的圆弧从起点到终点为顺时针方向,其走刀指令可编写如下:G02 X50.0 Z30.0 I25.0 F0.3;绝对坐标,直径编程,切削进给率0.3mm/rG02 U20.0 W-20.0 I25.0 F0.3;相对坐标,直径编程,切削进给率0.3mm/rG02 X 50. 0 Z30.0 R25.0 F0.3;绝对坐标,直径编程,切削进给率0.3mm/rG02 U20.0 W-20.0 R25.0 F0.3;相对坐标,直径编程,切削进给率0.3mm/r9. 暂停指令G04G04指令用于暂停进给,其指令格式是:G04 P____或G04 XU____暂停时间的长短可以通过地址XU或P来指定.其中P后面的数字为整数,单位是ms;XU后面的数字为带小数点的数,单位为s.有些机床,XU后面的数字表示刀具或工件空转的圈数.该指令可以使刀具作短时间的无进给光整加工,在车槽、钻镗孔时使用,也可用于拐角轨迹控制.例如,在车削环槽时,若进给结束立即退刀,其环槽外形为螺旋面,用暂停指令G04可以使工件空转几秒钟,即能将环形槽外形光整圆,例如欲空转2.5s时其程序段为: G04 X2.5或G04 U2.5或G04 P2500;G04为非模态指令,只在本程序段中才有效.10. 英制和米制输入指令G20、G21G20表示英制输入,G21表示米制输入.G20和G21是两个可以互相取代的代码.机床出厂前一般设定为G21状态,机床的各项参数均以米制单位设定,所以数控车床一般适用于米制尺寸工件加工,如果一个程序开始用G20指令,则表示程序中相关的一些数据均为英制单位为英寸;如果程序用G21指令,则表示程序中相关的一些数据均为米制单位为mm.在一个程序内,不能同时使用G20或G21指令,且必须在坐标系确定前指定.G20或G21指令断电前后一致,即停电前使用G20或G21指令,在下次后仍有效,除非重新设定.11. 进给速度量纲控制指令G98、G99在数控车削中有两种切削进给模式设置方法,即进给率每转进给模式和进给速度每分钟进给模式.1进给率,单位为mm/r,其指令为:G99;进给率转换指令G01X____Z____F____; F的单位为mm/r2进给速度,单位为mm/min,其指令为:.G98;进给速度转换指令G01X____Z____F____; F的单位为mm/minG98和G99都是模态指令,一旦指定就一直有效,直到指定另一方式为止.车削CNC系统缺省的进给模式是进给率,即每转进给模式,只有在用动力刀具铣削时才采用每分钟进给模式.12. 参考点返回指令G27、G28、G30参考点是CNC机床上的固定点,可以利用参考点返回指令将刀架移动到该点.可以设置最多四个参考点,各参考点的位置利用参数事先设置.接通电源后必须先进行第一参考点返回,否则不能进行其它操作.参考点返回有两种方法:1手动参考点返回.2自动参考点返回.该功能是用于接通电源已进行手动参考点返回后,在程序中需要返回参考点进行换刀时使用的自动参考点返回功能.自动参考点返回时需要用到如下指令:1返回参考点检查G27G27用于检验X轴与Z轴是否正确返回参考点.指令格式为:G27 XU____ ZW____XU、ZW为参考点的坐标.执行G27指令的前提是机床通电后必须手动返回一次参考点.执行该指令时,各轴按指令中给定的坐标值快速定位,且系统内部检查检验参考点的行程开关信号.如果定位结束后检测到开关信号发令正确,则参考点的指示灯亮,说明滑板正确回到了参考点位置;如果检测到的信号不正确,系统报警,说明程序中指令的参考点坐标值不对或机床定位误差过大.2参考点返回指令G28、G30G28 XU ____ ZW ____;第一参考点返回,其中XU、ZW为参考点返回时的中间点,X、Z为绝对坐标,U、W为相对坐标.参考点返回过程如图3-14所示.G30 P2 XU____ ZW____;第二参考点返回,P2可省略G30 P3 XU____ Z W____;第三参考点返回G30 P4 XU____ ZW____;第四参考点返回第二、第三和第四参考点返回中的XU、Z W的含义与G28中的相同.如图3-14所示为刀具返回参考点的过程,刀具从当前位置经过中间点190,50返回参考点,其指令为:G30 X190 Z50;G30 U100 W30;如图3-14中的虚线路径所示,如果参考点返回时不经过中间点,则刀具会与工件发碰撞,引起事故.G功能0快速1直线插补2顺圆3逆圆33螺纹32攻牙循环90外内圆柱面循环92螺纹循环94外内圆锥面循环74端面钻孔循环75外内元切槽循环71外圆初车循环72端面初车循环22局部循环开始80局部循环结束50设工件绝对坐标26XZ回参考点27x回参考点29z回参考点4延时93系统偏置98每分进给99每转进给M功能0暂停2程序结束20循环加工30程序结束关主轴和冷却3正转4反转5停主轴8.9开关冷却10.11工件松紧41.42.43主轴123档78.79尾座进退97程序转移98子程序调用99子程序返回M是主轴的指令开头,S是转速的开头,T是刀具的开头,G就是车削形式的开头.举几个例子,M03是主轴正转,M04主轴反转,M05主轴停止.G00就是快速移动,G01直线插补,G02顺时针圆弧插补,G03逆时针圆弧插补.还有很多不一一列举了太多了,买本书自己看看我感觉比FANUC简单.数控编程指令全套指令常用的2008年03月05日星期三 16:19下面是简单的代码和指令.很实用的哦M 指令和 G 代码M03 主轴正转M03 S1000 主轴以每分钟1000的速度正转M04主轴逆转M05主轴停止M10 M14 .M08 主轴切削液开M11 M15主轴切削液停M25 托盘上升M85工件计数器加一个M19主轴定位M99 循环所以程式G 代码G00快速定位G01主轴直线切削G02主轴顺时针圆壶切削G03主轴逆时针圆壶切削G04 暂停G04 X4 主轴暂停4秒G10 资料预设G28原点复归G28 U0W0 ;U轴和W轴复归G41 刀尖左侧半径补偿G42 刀尖右侧半径补偿G40 取消G97 以转速进给G98 以时间进给G73 循环G80取消循环 G10 00 数据设置模态G11 00 数据设置取消模态G17 16 XY平面选择模态G18 16 ZX平面选择模态G19 16 YZ平面选择模态G20 06 英制模态G21 06 米制模态G22 09 行程检查开关打开模态G23 09 行程检查开关关闭模态G25 08 主轴速度波动检查打开模态G26 08 主轴速度波动检查关闭模态G27 00 参考点返回检查非模态G28 00 参考点返回非模态G31 00 跳步功能非模态G40 07 刀具半径补偿取消模态G41 07 刀具半径左补偿模态G42 07 刀具半径右补偿模态G43 17 刀具半径正补偿模态G44 17 刀具半径负补偿模态G49 17 刀具长度补偿取消模态G52 00 局部坐标系设置非模态G53 00 机床坐标系设置非模态G54 14 第一工件坐标系设置模态G55 14 第二工件坐标系设置模态G59 14 第六工件坐标系设置模态G65 00 宏程序调用模态G66 12 宏程序调用模态模态G67 12 宏程序调用取消模态G73 01 高速深孔钻孔循环非模态G74 01 左旋攻螺纹循环非模态G76 01 精镗循环非模态G80 10 固定循环注销模态G81 10 钻孔循环模态G82 10 钻孔循环模态G83 10 深孔钻孔循环模态G84 10 攻螺纹循环模态G85 10 粗镗循环模态G86 10 镗孔循环模态G87 10 背镗循环模态G89 10 镗孔循环模态G90 01 绝对尺寸模态G91 01 增量尺寸模态G92 01 工件坐标原点设置模态三大数控系统G代码快速通读一、数控车床系统G代码×为本软件中不能用现象表达的指令G功能字含义 FANUC数控系统 SIEMENS数控系统华中数控系统快速进给、定位 G00 G0 G00直线插补 G01 G1 G01圆弧插补CW顺时针 G02 G2 G02圆弧插补CCW逆时针 G03 G3 G03暂停 G04 G04英制输入 G20 G70 G20 ×公制输入 G21 G71 G21回归参考点 G28 G74 G28由参考点回归 G29 G29返回固定点 G75直径编程 -- G23 G36半径编程 -- G22 G37刀具补偿取消 G40 G40 G40左半径补偿 G41 G41 G41右半径补偿 G42 G42 G42设定工件坐标系 G50 G92设置主轴最大的转速 G50 G26上限 G25下限 -- ×选择机床坐标系 G53 G53 G53选择工作坐标系1 G54 G54 G54选择工作坐标系2 G55 G55 G55选择工作坐标系3 G56 G56 G56选择工作坐标系4 G57 G57 G57选择工作坐标系5 G58 G58选择工作坐标系6 G59 G59精加工复合循环 G70 G70内外径粗切复合循环 G71 G71 端面粗切削复合循环 G72 G72 闭环车削复合循环 G73 LCYC95 G73 螺纹切削复合循环 G76 G76外园车削固定循环 G90 G80端面车削固定循环 G94 G81螺纹车削固定循环 G92 LCYC97 G82绝对编程 --- G90 G90相对编程 --- G91 G91每分钟进给速度 G98 G94 G94 ×每转进给速度 G99 G95 G95 ×恒线速度切削 G96 G96 G96 ×恒线速度控制取消 G97 G97 G97 ×二、数控铣床系统G代码×为本软件中不能用现象表达的指令G功能字含义 FANUC数控系统 SIEMENS数控系统华中数控系统快速进给、定位 G00 G0 G00直线插补 G01 G1 G01圆弧插补CW顺时针 G02 G2 G02圆弧插补CCW逆时针 G03 G3 G03暂停 G04 G04选择XY平面 G17 G17 G17选择XZ平面 G18 G18 G18 ×选择YZ平面 G19 G19 G19 ×英制输入 G20 G70 G20 ×公制输入 G21 G71 G21回归参考点 G28 G74 G28由参考点回归 G29 G29返回固定点 G75刀具补偿取消 G40 G40 G40左半径补偿 G41 G41 G41右半径补偿 G42 G42 G42刀具长度补偿+ G43 G43刀具长度补偿- G44 G44刀具长度补偿取消 G49 G49 取消缩放 G50 G50 ×比例缩放 G51 G51 ×机床坐标系选择 G53 G53 G53选择工作坐标系1 G54 G54 G54 选择工作坐标系2 G55 G55 G55 选择工作坐标系3 G56 G56 G56 选择工作坐标系4 G57 G57 G57 选择工作坐标系5 G58 G58 选择工作坐标系6 G59 G59 坐标系旋转 G68 G68 ×取消坐标系旋转 G69 G69 ×高速深孔钻削循环 G73 G73 左螺旋切削循环 G74 G74精镗孔循环 G76 G76取消固定循环 G80 G80中心钻循环 G81 G81反镗孔循环 G82 G82深孔钻削循环 G83 G83右螺旋切削循环 G84 G84镗孔循环 G85 G85镗孔循环 G86 G86反向镗孔循环 G87 G87镗孔循环 G88 G88镗孔循环 G89 G89绝对编程 G90 G90 G90相对编程 G91 G91 G91设定工件坐标系 G92 G92固定循环返回起始点 G98 G98 返回固定循环R点 G99。
二、车削指令1、主轴功能指令S____和主轴转速控制指令G96、G97、G50 说明:1) S 控制主轴转速,其后的数值表示主轴速度,单位由G96、G97决定;2) G96 S___表示主轴恒线速度切削,S 指定切削线速度,其后的数值单位为:米/每分(m/min)。
常与G50 S___连用,以限制主轴的最高转速。
( G96恒线速度有效,G97取消恒线速度);模态指令。
3) G97 S___表示主轴恒转速切削,S 指定主轴转速,其后的数值单位为:转/每分(r/min);范围:0~9999r/min ;模态指令,系统默认;4)设定恒线速度可以使工件各表面获得一致的表面粗糙度。
因为线速度V R ω=,半径小的角速度大,反之角速度小。
所以使用G96指令主轴必须能自动变速。
(如:伺服主轴、变频主轴)5) S 所编程的主轴转速可以借助机床控制面板上的主轴倍率开关进行修调。
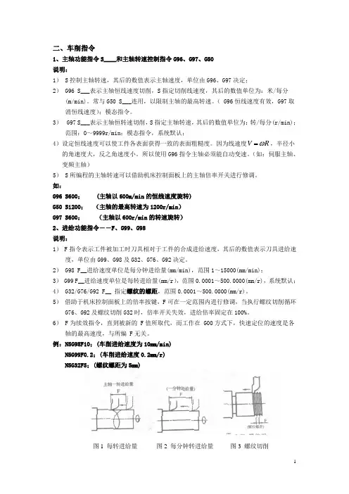
如:G96 S600; (主轴以600m/min 的恒线速度旋转) G50 S1200; (主轴的最高转速为1200r/min ) G97 S600; (主轴以600r/min 的转速旋转) 2、进给功能指令――F 、G99、G98 说明:1) F 指令表示工件被加工时刀具相对于工件的合成进给速度,其后的数值表示刀具进给速度,单位由G99、G98及G32、G76、G92决定。
2) G98 F__进给速度单位是每分钟进给量(mm/min),范围1~15000(mm/min);3) G99 F__进给速度单位是每转进给量(mm/r ),范围0.0001~500.0000(mm/r),系统默认; 4) G32/G76/G92 F__ 指定螺纹的螺距,范围0.0001~500.0000(mm/r)。
5) 借助于机床控制面板上的倍率按键,F 可在一定范围内进行修调,当执行螺纹切削循环G76、G92及螺纹切削G32时,倍率开关失效,进给倍率固定在100%。
数控车床基本编程指令
数控车床(Computer Numerical Control Lathe)的基本编程指令通常是用来描述加工轴向、径向、切削速度、进给速度等方面的操作。
下面是一些常见的数控车床基本编程指令:
G代码:用于指定不同的功能和动作。
例如:
G00:快速定位
G01:直线插补
G02:圆弧顺时针插补
G03:圆弧逆时针插补
G04:暂停(延时)
G28:回零点
G71:开启公制单位
G72:开启英制单位
M代码:用于控制机床的辅助功能和动作。
例如:
M03:主轴正转
M04:主轴反转
M05:主轴停止
M08:冷却液开启
M09:冷却液关闭
M30:程序结束
X、Y、Z轴坐标控制:用于控制工件在不同轴向上的移动。
例如:
X10.0:将X轴移动到坐标10.0处
Y5.0:将Y轴移动到坐标5.0处
Z-2.0:将Z轴移动到坐标-2.0处
F代码:用于设定进给速度(切削速度)。
例如:
F100:设定进给速度为每分钟100毫米(或英寸)
S代码:用于设定主轴转速。
例如:
S1000:设定主轴转速为每分钟1000转
T代码:用于选择工具。
例如:
T0101:选择编号为0101的刀具
这些是最基本的数控车床编程指令,实际上还有更多用于高级功能和特定应用的指令。
正确理解和使用这些指令对于确保数控车床操作的准确性和效率至关重要。
三菱数控系统指令一些常用的三菱系统指令刚刚整理出来更多请了解/三菱数控系统常用指令 G 指令1)三菱系统数控铣床和加工中心代码 G00 G01 G02 X—Y—R—F--; G03 G04 G15 G16 00 17 圆弧插补 CCW(逆时针)暂停 G04 X_;或 G04 P_;单位:秒 G15 取消极坐标方式 G1x; 极坐标指令的平面选择(G17,G18,G19)G16; 开分组 01 意义格式 G00 X-- Y-- Z--快速进给、定位直线插补G01 X-- Y-- Z—F-G02(G03) X—Y—I—J—F--;G02(G03)圆弧插补 CW(顺时针)取消极坐标指令极坐标指令始极坐标指令 G9x G01 X_Y_ 极坐标指令:G90 指定工件坐标系的零点为极坐标的原点 G91 指定当前位置作为极坐标的原点 G17 G18 G19 G20 G21 G28 G29 G40 G41 G42 G43 G44 G49 G50 G51 比例缩放倍率 G52 00 局部坐标系设定 G54(G54~G59) G52 X_Y_Z_;设定局部坐标系 G52 11 08 07 00 06 02 XY 平面 ZX 平面 YZ 平面英制指令公制指令回归参考点由参考点回归 G28 X-- Y-- Z-G29 X-- Y-- Z-G40 G17 选择 XY 平面;G18 选择 XZ 平面;G19 选择 YZ 平面。
刀具半径补偿取消左半径补偿右半径补偿刀具长度补偿+ 刀具长度补偿-刀具长度补偿取消比例缩放取消比例缩放G49 G50;缩放取消G51 X_Y_Z_P_;缩放开始 X_Y_Z_:比例缩放中心坐标 P_:X0 Y0 Z0;取消局部坐标系 G54 G55 G56 G57 14 选择工作坐标系 1 选择工作坐标系 2 选择工作坐标系 3 选择工作坐标系 4 GXXG58 G59 G68 16选择工作坐标系 5 选择工作坐标系 6 坐标回转 Gn G68 α_ β_R_:坐标系开始旋转 Gn :平面选择码α_ β_:回转中心的坐标值 R_:回转角度最小输入增量单位:0.001deg 有效数据范围:-360.000 到 360.000 G69 G8Δ(G7Δ)坐标回转取消 G69:坐标轴旋转取消指令 G8Δ(G7Δ)X_Y_Z_R_Q_P_F_L_S_,S_,标准固定循环I_, J_; G8Δ(G7Δ) X_Y_Z_R_Q_P_F_L_S_, R_, I_, J_; G8Δ(G7Δ)孔加工模式 X_Y_Z_::孔位置资料 R_Q_P_F_:孔加工资料 L_:重复次数 S_:主轴旋转速度,S_,R_ :同期切换或是复位时的主轴旋转速度,I_:位置定位轴定位宽度,J_;钻孔轴定位宽度 G73 停指定 G74 P:暂停指定 G76 G80 G81 G82 暂停指定 G83 深孔钻循环 G83 X-- Y-- Z-- R—Q-- F—, I-, J-;Q: 每次切精搪孔固定循环取消钻孔、铅孔钻孔、计数式搪孔 G76 X-- Y-- Z-- R-- I— J-- F--; G80;固定循环取消 G81 X-- Y-- Z-- R-- F—, I-, J-; G82 X-- Y-- Z-- R-- F— P-, I-, J-;P:反向攻牙 G74 X-- Y-- Z-- R-- P—R(or S1,S2)--, I-, J-; 09 步进循环 G73 X-- Y-- Z-- Q-- R-- F— P-, I -, J-;P:暂削量的指定,通常以增量值来指定 G84 P: 暂停指定 G85 G86 G87 G88 G89 G90 G91 G92 转速 G98 G99 10 起始点基准复位 R 点基准复位 GXX 00 03 搪孔搪孔反向搪孔搪孔搪孔G85 X-- Y-- Z-- R--F--, I-, J-; G86 X-- Y-- Z-- R--F--P-; G87 X-- Y-- Z-- R-- I-J-F--; G88 X-- Y-- Z-- R--F—P--; G89 X-- Y-- Z-- R--F—P--; GXX 攻牙循环G84 X-- Y-- Z-- R—F—P--R(or S1,S2)--, I-, J-;绝对值指定增量值指定主轴钳制速度设定G92 Ss Qq ;Ss:最高钳制转速 Qq:最低钳制2)三菱系统数控车床代码 G00 G01 G02 G03 G04 G20 G21 G28 G29 G33 01 0 00 06 分组01 意义格式 G00 X-- Z--快速进给、定位直线插补G01 X-- Z--圆弧插补 CW(顺时针)圆弧插补 CCW(逆时针)暂停 G04 X/U_;或 G04 P_;单位:秒英制指令公制指令回归参考点由参考点回归 G28 X-- Z-G29 X-- Z-G33 Z/W…X/U…F… Q… (普通螺纹切削指令) F螺纹切削(等螺距)为长轴方向螺距,Q 螺纹开始的偏移角度,0.001~360.000°。
数控车削指令代码主轴正转一、数控车削简介数控车床是一种精密机械加工设备,可用于加工各种金属、非金属材料的轴类、盘类、壳体类等零件。
数控车床通过计算机程序实现自动化加工,具有高效率、高精度、高稳定性等优点。
二、数控车削指令代码数控车削指令代码是指用于控制数控车床进行自动化加工的代码。
其主要包括几何指令和辅助指令两大类。
1.几何指令几何指令是用于描述被加工物体的形状和位置的代码。
常见的几何指令包括:(1)G00:快速移动到目标位置;(2)G01:直线插补;(3)G02/G03:圆弧插补;(4)G04:停顿;(5)G28/G29:回原点/回参考点。
2.辅助指令辅助指令是用于描述机床运行状态和辅助功能的代码。
常见的辅助指令包括:(1)M00/M01:程序停止/暂停;(2)M03/M04/M05:主轴正转/反转/停止;(3)M06:刀具换位;(4)M08/M09:冷却液开/关。
三、主轴正转指令主轴是数控车床的核心部件之一,其转动状态直接影响加工效率和精度。
主轴正转指令是用于控制主轴正向旋转的代码。
常见的主轴正转指令包括:1.G96 SXXX:该指令表示使用恒定进给速率切削,SXXX为设定的进给速率值。
在该模式下,随着切削深度的增加,进给速率会自动调整以保持一定的切削负荷。
2.M03 SXXX:该指令表示启动主轴正向旋转,SXXX为设定的主轴速度值。
在该模式下,主轴将以设定速度不断旋转,直到遇到停止指令或程序结束。
3.M04 SXXX:该指令表示启动主轴反向旋转,SXXX为设定的主轴速度值。
在该模式下,主轴将以设定速度反向旋转,直到遇到停止指令或程序结束。
4.M05:该指令表示停止主轴旋转。
在该模式下,主轴将立即停止旋转。
四、注意事项在使用数控车床进行加工时,需要注意以下几点:1.正确设置加工参数,包括进给速率、主轴速度、切削深度等;2.注意安全操作,避免发生机床事故;3.定期对机床进行保养和维护,以确保其正常运行;4.根据加工需要选择适当的刀具和夹具。
〈一〉、N、F、T、S功能1. N功能程序段号:用N和四位数字表示。
2. F功能进给功能字:指令刀具每分钟进给速度和每转进给速度。
注:G98-每分进给;G99-每转进给(1)系统在执行了一条含有G98的程序段后,在遇到F指令时便认为F所指定的进给速度单位为 mm/min。
G98 F100;每分钟进给速度位100mm/min。
G98被执行一次后,系统将保持G98状态,即使断电也不受影响,直至系统执行了含有G99的程序段,G98便被取消,而G99将发生作用。
(2)若系统处于G99状态,则F所指定的进给速度单位为mm/r 。
要取消G99状态,必须重新制定G98。
系统默认G99。
3.T功能刀具功能字:指令刀具号和补偿值,用T和四位数字表示。
注:每次刀具加工结束后必须取消其刀具补偿。
输入格式:T××××(后两位)刀具补偿号(前两位)刀具序号注:1)刀具的序号与刀盘上的刀位号相对应;2)刀具补偿包括几何形状补偿和磨损补偿;3)刀具序号和刀具补偿序号不必相同,但为了方便尽量一致;4)取消刀具补偿:T00。
4.S功能主轴转速功能字:指令主轴的转速。
注:G50-坐标系设定/恒线速度最高转速设定G96-恒线速度控制G97-恒线速度控制取消(1)系统执行G96指令后,便认为用S指定的数值表示切削线速度。
如:G96 S200表示切削线速度是200 m/min。
在恒线速度控制中,数控系统根据刀尖所处的X轴坐标值,作为工件的直径来计算主轴转速,所以在使用G96指令前必须正确地设定工件坐标系。
(2)若系统处于G97状态,S指定的数值表示主轴每分钟的转速。
如:G97 S1000 表示主轴转速为1000 r/min。
(3)G50除有坐标系的设定功能外,还有主轴最高转速设定的功能,即用S指令的数值设定主轴每分钟的最高转速。
如:G50 S2000表示把主轴最高转速设定为2000 r/min。
例:设定主轴转速G97 S600;取消线速度功能,主轴转速600 r/minG96 S200;线速度恒定,切削速度为200 m/minG50 S1000;主轴最高转速为1000 r/min二.数控车床指令简单插补指令1)G00-快速定位格式:G00 X(U)-- Z(W)--其中,X(U)--,Z(W)--为目标点坐标值。
数控车削指令代码主轴正转一、数控车削指令代码简介数控车床是一种利用数控系统控制刀具在工件上进行切削的机床。
在数控车削中,指令代码用于控制主轴的旋转方向与速度,其中主轴正转是常见的一种操作。
本文将详细讨论数控车削指令代码中主轴正转相关的内容。
二、主轴正转的定义与意义主轴正转是指数控车床中主轴以正向旋转的操作。
正转的意义在于控制车床切削力方向与切削速度,使得切削过程更加高效和稳定。
三、数控车削指令代码中的主轴正转数控车削指令代码中,主轴正转的操作通过特定的指令实现。
以下是常见的几种数控车削指令代码中主轴正转的表示方法:1.G01:主轴正转指令代码为G01。
该指令用于控制刀具从起始点等速前进到指定的终点。
主轴正转可以通过在G代码后面添加S参数来设置旋转速度,例如G01 S1000表示主轴以1000转/分钟的速度正转。
2.M03:主轴正转指令代码为M03。
该指令用于启动主轴正转,一般在主轴静止时使用。
M03指令后面可以添加S参数来设置旋转速度,例如M03 S500表示主轴以500转/分钟的速度正转。
3.M04:主轴正转指令代码为M04。
该指令也用于启动主轴正转,与M03指令的区别在于M04指令可以控制主轴的旋转方向。
M04指令后面可以添加S参数来设置旋转速度,例如M04 S800表示主轴以800转/分钟的速度正转。
四、主轴正转在数控车削中的应用主轴正转在数控车削中有着广泛的应用。
以下是几个主轴正转在数控车削中的具体应用场景:1.螺纹加工:在进行螺纹加工时,需要通过主轴正转来实现工件与刀具之间的旋转运动,以便达到正向切削的效果。
2.镗削加工:在进行镗削加工时,主轴正转可以帮助刀具在工件上的运动,确保镗削加工的精度和质量。
3.钻孔加工:在进行钻孔加工时,主轴正转可以帮助刀具的旋转,使得钻孔过程更加高效。
五、主轴正转的注意事项与优化方法在进行主轴正转操作时,需要注意以下几点,并可以通过一些优化方法来改善工艺效果:1.切削速度:主轴正转的切削速度需要根据具体的工件材料和加工要求进行合理设置,过高或过低的切削速度都会影响加工效果。
数控车床编程基本指令大全常用编程指令的应用车削加工编程一般包含X和Z坐标运动及绕Z轴旋转的转角坐标C 。
(1)快速定位(G00或G0) 刀具以点位控制方式从当前所在位置快速移动到指令给出的目标位置。
指令格式:G00 X(U) Z(W) ;(2)直线插补(G01或G1)指令格式:G01 X(U) Z(W) F ;图1 快速定位图2 直线插补G00 X40.0 Z56.0; G01 X40.0 Z20.1 F0.2;/绝对坐标,直径编程; /绝对坐标,直径编程,切削进给率0.2mm/rG00 U-60.0 W-30 G01 U20.0 W-25.9 F0.2;/增量坐标,直径编程 /增量坐标,直径编程,切削进给率0.2mm/r(3)圆弧插补(G02或G2,G03或G3)1)指令格式: G02 X(U)_Z(W)_I_K_F_ ;G02 X(U) Z(W) R F ;G03 X(U)_Z(W)_I_K_F_ ;G03 X(U) Z(W) R F ;2)指令功能:3)指令说明:①G02为顺时针圆弧插补指令,G03为逆时针圆弧插补指令。
圆弧的顺、逆方向判断见图3左图,朝着与圆弧所在平面相垂直的坐标轴的负方向看,顺时针为G02,逆时针为G03,图3右图分别表示了车床前置刀架和后置刀架对圆弧顺与逆方向的判断;图3 圆弧的顺逆方向②如图4,采用绝对坐标编程,X、Z为圆弧终点坐标值;采用增量坐标编程,U、W为圆弧终点相对圆弧起点的坐标增量,R是圆弧半径,当圆弧所对圆心角为0°~180°时,R取正值;当圆心角为180°~360°时,R取负值。
I、K为圆心在X、Z轴方向上相对圆弧起点的坐标增量(用半径值表示),I、K为零时可以省略。
图4 圆弧绝对坐标,相对坐标图5 圆弧插补G02 X50.0 Z30.0 I25.0 F0.3; G03 X87.98 Z50.0 I-30.0 K-40.0 F0.3;G02 U20.0 W-20.0 I25.0 F0.3; /绝对坐标,直径编程G02 X50.Z30.0 R25.0 F0.3; G03 U37.98 W-30.0 I-30.0 K-40.0 F0.3;G02 U20.0 W-20.0 R25.0 F0.3; /相对坐标,直径编程(4)主轴转速设置(S)车床主轴的转速(r/min)为:式中υ为圆周切削速度,单位缺省为m/min 、D为工件的外径,单位为mm。
国 家 技 能 鉴 定 所
数控车床操作工(中级)应知试卷三
注意事项:1.答卷前将装订线左边的项目填写清楚。
2.答卷必须用蓝色或黑色钢笔、圆珠笔,不许用铅笔或红笔 。
3.试卷共五大题,满分100分,考试时间 120 分钟。
一、选择题:(2′×15=30′)
1.在设计薄壁工件夹具时,夹紧力方向应沿( )夹紧。
A .径向
B .轴向
C .径向和轴向
2.车削时,车刀的纵向移动或横向移动是( )。
A .主运动
B .进给运动
C .切削运动
3.在车外圆时,切削速度计算式中的直径D 指( )直径。
A .待加工表面
B .加工表面
C .已加工表面
4.机床上的卡盘、中心架等属于( )夹具。
A .通用
B .专用
C .组合
5.车削时切削热大部分由( )传散出去。
A .刀具
B .工件
C .切屑
D .空气
6.加工中心上,左刀补采用( )代码。
A .G41
B .G42
C .G43
D .G44
7.数控机床工作时机床传送给PLC 的信号有( ),PLC 传送给CNC 的信号有( )。
A .机床XYZ 坐标
B .MST 应答信号
C .机床动作信号
8.下列用于数控机床检测的反馈装置中( )用于速度反馈。
A .光栅
B .脉冲编码器
C .磁尺
D .感应同步器
9.GCrl5SiMn 是( )。
A .高速钢
B .中碳钢
C .轴承钢
D .不锈钢
10.当车刀的刃倾角为负值时,切屑流向( )表面,( )保证产品表面质量。
A .待加工表面
B .已加工表面
C .不利于
D .有利于
11.在铰孔和浮动镗孔等加工时都是遵循( )原则的。
A .互为基准
B .自为基准
C .基准统一
12.在数控机床上加工封闭轮廓时一般沿( )进刀。
A .法面 B
.切向 C .任意方向
13.采用手动夹紧装置时,夹紧机构必须具有( )性。
A .导向
B .自锁
C .平稳
14.精加工时刀具的前角可( )。
A .小些
B .大些
C .为零度
15.步进电动机的角位移与( )成正比。
A .步距角
B .通电频率
C .脉冲当量
D .脉冲数量
二、判断题:(1′×10=10′)
( )1. 在金属坯料均匀热透的前提下,加热时间选得越短越好。
( )2
. 半闭环控制系统的精度高于开环系统,但低于闭环系统。
( )3. 数控车床的定位精度和重复定位精度是一个概念。
( )4. MOO 指令属于准备功能字指令,含义是主轴停转。
( )5. 编程数控程序时一般以机床坐标系作为编程依据。
( )6. 数控车床自动刀架的刀位数与其数控系统所允许的刀具数总是一致的。
( )7. 利用G33指令既可以加工英制螺纹,又可以加工米制螺纹。
( )8. 锻造只能改变金属坯料形状而不能改变其力学性能。
( )9. 刃倾角能控制切屑流向,也能影响切削。
( )10. 划线是机械加工的重要工序,广泛地用于成批生产和大量生产。
三、填空题:(1′×10=10′)
1.在设计夹具时,___________误差,可粗略地控制在工件公差的___________左右。
2.为了保证工件达到图样规定的精度和技术要求,夹具的_________与_________、_________
尽量重合。
3.铸件常见的缺陷有__________、________、_______、粘砂和裂纹。
4.刀具磨损过程分为三个阶段,它们是初期阶段、____________和_________阶段。
四、简答题:(5′×4=20′)
1.滚珠丝杠副进行预紧的目的是什么?简述“双螺母垫片式”预紧方法的工作原理。
2.简述数控机床零件加工的一般步骤。
3.解释“闭环控制系统”“脉冲当量”的含义?
4.解释刀具参考点的含义。
五、分析编程题:(15′×2=30′)
1.已知一对正确安装的外啮合齿轮机构,采用正常齿制,模数m=3mm,齿数z
1
=21、z2=64,求传动比i12、分度圆直径、齿顶圆直径、齿根圆直径和中心距。
2.完成如图所示零件的加工,毛坯为φ40×100mm,试编写加工程序。