煤矿各类通知单
- 格式:doc
- 大小:90.50 KB
- 文档页数:7
煤矿岗位安全风险告知卡岗位编号:采001(采煤队截煤机司机)岗位名称危险因素危害方式风险等级风险控制措施采煤队截煤机司机1、开机前未检查截煤机,进入煤帮不处理帮部活矸;工作面顶板破碎或支护不完好;机械伤害冒顶片帮3进入煤帮作业必须先将截煤机进行全面检查,再检查顶板支护情况,检查和处理帮部活矸,确认无安全隐患的情况下,方可进入煤帮作业;2、开机前不发出开机信号;机械伤害3开机前,煤机司机必须发出开机信号,截盘5米范围内严禁有人;3、截煤机运行时支护后方有闲杂人员逗留或平行作业;机械伤害3截煤机割煤时,支护后方严禁有人逗留或平行作业;4、截煤机截盘缠绕异物不及时停机处理;机械伤害3截煤机截盘缠绕异物时,必须将截煤机停电闭锁,把截盘离合器打开,将异物取出;5、过断层时,不打眼放炮,强行使用割岩石;机械伤害3工作面过断层时,必须在破岩处采取打眼放炮松动处理;6、对截煤机出现的故障不及时汇报或汇报不正确;机械伤害3截煤机运行过程中,司机随时注意截煤机运行情况,发现问题及时停机检查并汇报清楚;7、截煤机停机时,不停电闭锁,不摘除隔离手把;机械伤害3采煤机停及时,必须停电闭锁,并摘除离合器手把;8、交接班时设备运行情况没有相互交流。
机械伤害3交接班时,各个设备的操作人员必须将本班设备运行情况向接班人员交代清楚。
避灾路线1、水灾害撤离路线:工作面→XXXX→XXXX→地面。
2、火、瓦斯、顶板灾害撤离路线:工作面→XXXX→XXXX→地面。
报告电话:生产调度室XXXX、监控中心XXXXXXXX煤矿岗位安全风险告知卡岗位地点:XXXX 岗位编号:采002(采煤队打眼工)岗位名称危险因素危害方式风险等级风险控制措施采煤队打眼工1、进入工作地点不进行敲帮问顶;冒顶片帮3作业人员进入工作地点首先要进行敲帮问顶,要严格执行前帮问顶制度,人员确认顶帮好的可靠的情况下方可进入工作面作业;2、作业场所有浮煤杂物;物体打击3在作业过程中必须将作业周围的杂物和浮煤清理干净后,方可作业;3、钻机不完好、钻杆不平直、钻头安装不牢固;机械伤害3打眼工在打眼前,首先要检查钻机时否完好,钻杆时否平直,钻头安装时否牢固可靠后方可进行作业;4、注油器、风、水管路、风、水闸门开关不灵活;机械伤害3再开机前必须检查注油器、风、水管路、风、水闸门开关是否灵活可靠;5、作业人员没有做到“三紧”;物体打击3工作人员在下井时必须确认自己的工作服装是完好,必须检查衣角紧、袖口紧、领口是否紧,有没有戴手套,毛巾是否露在外;6、钻眼过程中无人监护,钻机噪音大;冒顶片帮3钻眼过程中,必须有专人监护顶帮安全,确认安全方可作业;7、作业过程中,钻具出现故障仍进行工作;机械伤害3钻眼过程中,发现钻具的零部件、设施损坏或帮、顶有片帮等异常情况时作业人员必须停止作业,进行处理;8、作业结束后,未将风、水管路关闭;机械伤害3打眼完毕必须将风、水阀门关闭,排出风管内的余风,必须确认排出;9、风钻、软管,钻具、设施已撤出工作面,没有放置安全地点。
煤矿各类通知单精编
W O R D版
IBM system office room 【A0816H-A0912AAAHH-GX8Q8-GNTHHJ8】
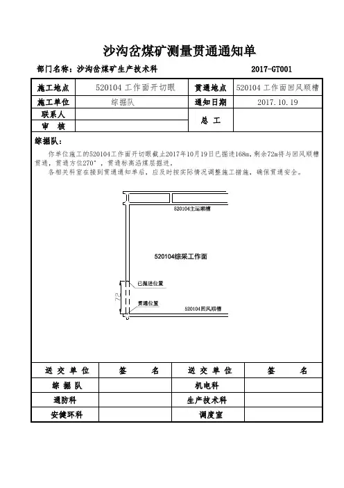
旧堡煤矿贯通通知单由掘进队施工的截止
年月日,还剩 m与贯通,请相关办公室做好贯通前的准备工作及安全措施。
旧堡煤矿
年月日
旧堡煤矿巷道停掘通知单
掘进队:
经矿委会研究决定你队掘进的掘进工作面,由于
原因,决定于年月____日停止该掘进工作面作业。
请相关办公室做好停掘前的准备工作及安全措施。
旧堡煤矿
年月日
旧堡煤矿工作面停采通知单
采煤队:
经矿委会研究决定你队回采的工作面,由于
原因,决定于年月____日停止该回采工作面作业。
请相关办公室做好停采前的准备工作及安全措施。
旧堡煤矿
年月日
旧堡煤矿巷道开掘通知单
掘进队:
经矿委会研究决定你队掘进的掘进工作面,由于
原因,决定于年月____日,开始掘进。
请相关办公室做好开掘前的准备工作及安全措施。
旧堡煤矿
年月日
旧堡煤矿放线变更通知单
掘进队:
经矿委会研究决定你队掘进的掘进工作面,由于
原因,决定于年月____日严格按照变更的中线进行施工。
请相关办公室做好放线变更前的准备工作及安全措施。
旧堡煤矿
年月日
旧堡煤矿过断层通知单
队:
你队至米时遇到个断层,断距
,方位,经技术办公室研究决定:。
请相关办公室做好过断层前的准备工作及安全措施。
旧堡煤矿
年月日。
旧堡煤矿贯通通知单由掘进队施工的截止
年月日,还剩 m与贯通,请相关办公室做好贯通前的准备工作及安全措施.
旧堡煤矿
年月日
旧堡煤矿巷道停掘通知单
掘进队:
经矿委会研究决定你队掘进的掘进工作面,由于
原因,
决定于年月____日停止该掘进工作面作业.
请相关办公室做好停掘前的准备工作及安全措施.
旧堡煤矿
年月日
旧堡煤矿工作面停采通知单
采煤队:
经矿委会研究决定你队回采的工作面,由于
原因,
决定于年月____日停止该回采工作面作业.
请相关办公室做好停采前的准备工作及安全措施.
旧堡煤矿
年月日
旧堡煤矿巷道开掘通知单
掘进队:
经矿委会研究决定你队掘进的掘进工作面,由于
原因,
决定于年月____日,开始掘进 .
请相关办公室做好开掘前的准备工作及安全措施.
旧堡煤矿
年月日
旧堡煤矿放线变更通知单
掘进队:
经矿委会研究决定你队掘进的掘进工作面,由于
原因,
决定于年月____日严格按照变更的中线进行施工.
请相关办公室做好放线变更前的准备工作及安全措施.
旧堡煤矿
年月日
旧堡煤矿过断层通知单
队:
你队至米时遇到个断层,断距
,方位 ,经技术办公室研究决定:
.请相关办公室做好过断层前的准备工作及安全措施.
旧堡煤矿
年月日。
巨能一公司黑拉嘎煤矿项目部罚款通知单此罚单一式三份,一份送处罚单位或个人,一份送安全组,一份送财务。
巨能一公司黑拉嘎煤矿项目部罚款通知单此罚单一式三份,一份送处罚单位或个人,一份送安全组,一份送财务。
巨能一公司黑拉嘎煤矿项目部罚款通知单此罚单一式三份,一份送处罚单位或个人,一份送安全组,一份送财务。
巨能一公司黑拉嘎煤矿项目部罚款通知单NO.002此罚单一式三份,一份送处罚单位或个人,一份送安全组,一份送财务。
巨能一公司黑拉嘎煤矿项目部罚款通知单NO.002此罚单一式三份,一份送处罚单位或个人,一份送安全组,一份送财务。
巨能一公司黑拉嘎煤矿项目部罚款通知单NO.002此罚单一式三份,一份送处罚单位或个人,一份送安全组,一份送财务。
此罚单一式三份,一份送处罚单位或个人,一份送安全组,一份送财务。
巨能一公司黑拉嘎煤矿项目部罚款通知单NO.003此罚单一式三份,一份送处罚单位或个人,一份送安全组,一份送财务。
巨能一公司黑拉嘎煤矿项目部罚款通知单NO.003此罚单一式三份,一份送处罚单位或个人,一份送安全组,一份送财务。
此罚单一式三份,一份送处罚单位或个人,一份送安全组,一份送财务。
巨能一公司黑拉嘎煤矿项目部罚款通知单NO.004此罚单一式三份,一份送处罚单位或个人,一份送安全组,一份送财务。
巨能一公司黑拉嘎煤矿项目部罚款通知单NO.004此罚单一式三份,一份送处罚单位或个人,一份送安全组,一份送财务。
此罚单一式三份,一份送处罚单位或个人,一份送安全组,一份送财务。
巨能一公司黑拉嘎煤矿项目部罚款通知单NO.005此罚单一式三份,一份送处罚单位或个人,一份送安全组,一份送财务。
巨能一公司黑拉嘎煤矿项目部罚款通知单NO.005此罚单一式三份,一份送处罚单位或个人,一份送安全组,一份送财务。
此罚单一式三份,一份送处罚单位或个人,一份送安全组,一份送财务。
巨能一公司黑拉嘎煤矿项目部罚款通知单NO.006此罚单一式三份,一份送处罚单位或个人,一份送安全组,一份送财务。
会议通知
各单位:
公司定于6月2日召开“三零”单位创建、安全生产专项整治三年行动动员部署、“安全生产月”启动会议,现就有关事项通知如下:
一、会议时间
2020年6月2日(星期二)上午9:00。
二、会议地点
公司食堂三楼会议室
三、参加人员
公司班子领导、副总工程师、科队负责人、副科级以上管理人员。
四、主要议程
1、安全副总经理XXX安排我公司安全月活动方案;
2、综采队、运输队表态发言;
3、党委书记XX讲话;
4.总经理XXX讲话。
五、会议主持
生产副总经理XXX
六、相关要求
1.请参会人员上身着浅色衬衣,下身着深色裤子参会,党员佩戴党徽。
2.请参会人员提前15分钟进入会场,会议期间手机调至静音,严格遵守会场纪律,自觉维护会场秩序。
3、队组要合理安排井下带班、跟班人员,确保安全生产。
4、后勤科负责按要求布置会场桌椅,同时加强会场的疫情防控工作,提前消毒,保持通风,测量体温,参会人员必须戴口罩。
5、工会负责提前调试音响设备,政工科负责全程摄像记录及相关报道工作。
XXXX公司XXX科 2020年6月1日。
河西煤矿员工宿舍安全用电及冬季四防安全大检查问题清单编号:2023年11月19日河西联办煤矿:为深刻汲取山西省吕梁市永聚煤矿火灾事故教训,有效防止类似事故发生,∏月19日矿组织办公室、安全督导组、安全科、机电科、地测科、通防科等相关单位参加,由双方矿领导带队分三组对矿内工业广场、办公楼、宿舍楼、山上建筑及井下等重点要害部位进行了全面的安全消防大排查,现将检查情况通报如下:被检查地点:工业广场、办公楼、宿舍楼、山上建筑及井下等重点要害部位职工宿舍区1、煤场宿舍楼(一层建筑屋)缺灭火器;2、煤场宿舍楼厨房控制开关安全防护设施不齐全(缺透明盖);3、煤场宿舍楼右一室存在明接头;4、煤场宿舍楼室外集中控制开关,有一个开关未做安全防护;5、洗煤厂人员住宿区域右一房间电源无插头通电;6、洗煤厂人员住宿区域淋浴间插头、插排裸露无防水措施;7、洗煤厂人员住宿区域厨房灭火器已过期未更换;8、二层宿舍楼106室用电做饭;9、二层宿舍楼卫生间吊顶下沉;10、二层宿舍楼灭火器未年检;11、二层宿舍楼208室用油汀取暖器取暖;12、二层宿舍楼213室用小太阳取暖;13、三层宿舍楼212室用电做饭;14、三层宿舍楼209室用电做饭;15、三层宿舍楼102室用电做饭;16、掘进队办公室用油汀取暖器取暖;山上掘进工区宿舍1、山上掘进工区宿舍区域均有使用小太阳;2、掘进工区宿舍14号房使用电炉子;3、掘进工区宿舍左边10号房氧气、乙怏同房间储存;4、掘进工区左边维修区14号房屋住人使用炭火炉;5、掘进工区维修区域电线大面积裸露,线路混乱;井下各区域1、5-2煤南翼水仓内水泵接线盒处有淋水;2、5-2煤南翼水仓风门前有杂物需清理;3、52101排水点一个消防沙桶损坏,一个灭火器年检过期;4、5-2煤南翼运输巷移变处沙箱内沙量少,沙袋少;5、52103风机配电点处缺少一个消防钩;6、5-2煤东翼辅运巷移变配电点沙箱内沙袋不足;7、52103辅运巷三台开关缺少局部接地极和辅助接地极;8、52101工作面设备列车处消防器材站设置不合理应将其移至绞车处,且一个灭火器压力表损坏;9、52101工作面架前浮煤多,清理不干净;10、5-2煤西翼辅运巷口缺少一个消防桶;地面栈桥皮带1、地面三部皮带机尾沙箱内沙量少;2、地面三部皮带消防栓内缺少消防水袋;3、地面二部皮带机尾消防栓内缺少消防水袋;4、地面二部皮带底部浮煤淤泥多;5、地面二部皮带中部13#架及6#架两处消防栓内阀门打不开且缺少水袋;6、地面二部皮带机头消防栓内缺少水袋;7、地面二部皮带下一层、下二层、下三层消防栓内阀门锈死且缺少水袋;8、地面皮带栈桥内煤尘大,需定期防尘;9、地面一部皮带机头处消防沙箱内装的是煤。
煤矿隐患整改通知单
【篇一:煤矿安全隐患整改通知单】
整改通知单
掘进一区:
按照**项目部文明卫生管理标准,经检查你单位存在以下问题:
1、换。
2、改好,必须逢环必挂。
且有1节好的备用风筒。
以上问题请于年月日前整改结束,并将整改结果于日前反馈给**项目部。
负责人签字:
年月日
整改反馈单
**项目部:
以上问题已于年月日整改结束,请项目部检查验收。
整改单位负责人:
项目部负责人:
整改通知单
掘进二区:
按照**项目部文明卫生管理标准,经检查你单位存在以下问题:
1、 2、平直。
只允许前迎头一节风筒有破口。
且有1节好的备用风筒。
3、以上问题请于年月日前整改结束,并将整改结果于日前反馈给正佳项目部。
负责人签字:年月日
整改通知单
掘进四区:
按照**项目部文明卫生管理标准,经检查你单位存在以下问题:
1、器有1台失效需更换。
2、一节有破口,要风环必吊。
3、
负责人签字:年月日
【篇二:安全隐患整改通知单】
永晟煤矿安全隐患整改通知单
检查日期:2015年5月13日
注:此表不够另附页
永晟煤矿安全隐患整改通知单
检查日期:2015年5月14日
注:此表不够另附页
【篇三:上兴隆煤矿2014.11.12公司检查安全质量标准化的安全隐患整改通知单(余整理)】
云南工投集团动力配煤股份有限公司
1
2
3
4。
《煤矿调度工作通知》各省级煤矿安全监察机构:为进一步推动煤矿安全生产工作,全面掌握全国煤矿瓦斯抽采利用情况、煤炭生产安全费用提取和使用情况,保障煤矿安全投入,加大煤矿瓦斯治理工作力度,有效遏制煤矿重特大瓦斯事故,促进全国煤矿安全生产状况明显好转和根本好转,经研究决定,从202x年1月份开始,全面开展各类煤矿瓦斯抽采利用情况与煤炭生产安全费用提取和使用情况的调度工作,现将有关事项和要求通知如下:一、调度范围各省(区、市)辖区内的国有重点煤矿、国有地方煤矿和乡镇煤矿,其中国有重点煤矿以集团公司(矿务局)为单位,其它煤矿以市(地)为单位。
二、调度内容(一)煤矿瓦斯抽采利用情况调度1.煤矿矿井基本情况。
辖区内的各类煤矿数量,其中高瓦斯和瓦斯突出矿井数量。
2.煤矿瓦斯抽采情况。
应进行瓦斯抽采矿井数量、已开展瓦斯抽采矿井数量,煤矿矿井瓦斯抽采量。
3.煤矿瓦斯利用情况。
矿井瓦斯利用量,其中用于发电和民用的瓦斯量。
详见附件1。
(二)煤炭生产安全费用提取和使用情况调度主要调度内容包括以下三项。
1.提取标准;2.提取总额;3.使用总额。
详见附件2。
三、报告期和报送时间煤矿瓦斯抽采利用情况与煤炭生产安全费用提取和使用情况调度统计报告期均为上月29日至下月28日。
每月28日前,请各单位按照附件要求,将本地区煤矿瓦斯抽采利用情况与煤炭生产安全费用提取和使用情况,以电子邮件或传真报送至国家安全生产监督管理总局统计司。
四、报送地址(一)煤矿瓦斯抽采利用情况五、工作要求各级煤矿安全监察机构要高度重视煤矿瓦斯抽采利用与煤炭生产安全费用提取和使用情况调度工作,加强组织领导,明确责任,安排专人负责煤矿瓦斯抽采利用与煤炭生产安全费用提取和使用情况调度工作,调度部门负责人对各项数据要认真审核,严格把关,凡不符合报送要求的应要求有关单位重新填报,以确保煤矿瓦斯抽采和煤炭生产安全费用提取和使用情况调度报告及时、全面和可靠。
内容仅供参考。
旧堡煤矿贯通通知单
由掘进队施工的截止
年月日,还剩 m与贯通,请相关办公室做好贯通前的准备工作及安全措施。
旧堡煤矿
年月日
旧堡煤矿巷道停掘通知单
掘进队:
经矿委会研究决定你队掘进的掘进工作面,由于
原因,决定于年月____日停止该掘进工作面作业。
请相关办公室做好停掘前的准备工作及安全措施。
旧堡煤矿
年月日
旧堡煤矿工作面停采通知单
采煤队:
经矿委会研究决定你队回采的工作面,由于
原因,决定于年月____日停止该回采工作面作业。
请相关办公室做好停采前的准备工作及安全措施。
旧堡煤矿
年月日
旧堡煤矿巷道开掘通知单
掘进队:
经矿委会研究决定你队掘进的掘进工作面,由于
原因,决定于年月____日,开始掘进。
请相关办公室做好开掘前的准备工作及安全措施。
旧堡煤矿
年月日
旧堡煤矿放线变更通知单
掘进队:
经矿委会研究决定你队掘进的掘进工作面,由于
原因,决定于年月____日严格按照变更的中线进行施工。
请相关办公室做好放线变更前的准备工作及安全措施。
旧堡煤矿
年月日
旧堡煤矿过断层通知单
队:
你队至米时遇到个断层,断距
,方位,经技术办公室研究决定:。
请相关办公室做好过断层前的准备工作及安全措施。
旧堡煤矿
年月日。