煤矿巷道贯通通知单
- 格式:doc
- 大小:42.00 KB
- 文档页数:3
巷道贯通通知单
巷道名称2204主运顺槽巷道标高+1060.9m 贯通方式综掘被贯通巷道名称2204辅运顺槽被贯通点标高+1061.6m 贯通距离50m 贯通点围岩煤岩巷道方位角0°两巷道夹角90°测量日期2021.6.15 测量人编制单位地测科
贯通示意图贯通说明及要求:
1、2204主运顺槽与2204辅运顺槽联络巷贯通;
2、贯通点顶板为泥岩,需加强贯通点顺槽联络巷顶板支护强度;
3、按要求施工队组接到通知单3日内完成贯通措施编写,并由总工程师组织会审;
4、贯通前,通风科应做好贯通前后瓦斯等有害气体检测监督管理和贯通后通风调整工作。
5、巷道贯通前5m掘进时,需在2204辅助运输顺槽贯通处设置警戒,严禁人员进入。
6、贯通前15m,施工队组需对贯通处电缆等电气设施进行防护。
7、2204主运顺槽继续掘进40m时,立即停止掘进,需由地测科测量技术员标定2204联巷中、腰线后,方可继续掘进2204联巷。
审批总工程师安全副总通风副总技术副总地测副总机电副总安检科通风科技术科机电科
抄送矿领导、各科室、通风队、掘进队接受单位掘进队接收人
1 / 2
贯通通知单签收表
2 / 2。
金河煤矿(新井)巷道开口通知单编号:
巷道名称采区上部车场通知日期2013.3.2开口点座标X:2873752.241Y:449512.404Z:+1438.5m
设计长度146米开口
方位
275°巷道
坡度
-3‰支护形式29U环型棚+注浆净断面积13.8m²
净宽 4.4m净高 3.6m
断面形状
直墙半圆拱附巷道布置示意图:
编制及审批通知单发放
编制人编制日期
施工单
位负责
人签字
总工程师审批日期
生产矿长审批日期
机电矿长审批日期
安全矿长审批日期
矿长审批日期
金河煤矿(新井)巷道开口通知单编号:
巷道名称采区上部车场通知日期2013.5.10开口点座标X:2873865.688Y:449398.495Z:+1449.5m
设计长度70米开口
方位
275°巷道
坡度
3‰,-16°支护形式29U环型棚+注浆净断面积13.8m²
净宽 4.4m净高 3.6m
断面形状
直墙半圆拱附巷道布置示意图:
编制及审批通知单发放
编制人编制日期
施工单
位负责
人签字
总工程师审批日期
生产矿长审批日期
机电矿长审批日期
安全矿长审批日期
矿长审批日期
XXX煤矿巷道贯通通知单编号:
XXX煤矿巷道工程进度通知单编号:
XXX煤矿巷道停掘通知单编号:
XXX煤矿巷道岩移情况记录表巷道名称:
制表人:审核人:总工程师:。
攀枝花市宜橙工贸有限责任公司大湾子煤矿二号井巷道贯通(警戒)通知暨贯通安全技术措施
一、贯通(警戒)通知
你矿巷道碛头截止距
巷道还有米。
请掌握掘进进度,作好贯通前的各项准备,设好放炮警戒,保证巷道贯通安全。
贯通巷道布置及警戒示意图
二、贯通安全技术措施
1、严格按照《煤矿安全规程》第一百零八条、第一百零九条的相关规定执行,贯通相距20m前必须停掘一个工作面,不得相向掘
进。
2、各班由安全员把当班进度及距贯通点的距离向调度室汇报。
施工作业人员必须按测量人员给定的中线(腰线)施工,测量人员严格按《测量规程》对两巷道进行复测,现场标明贯通点及警戒位置,确保贯通的精度及安全。
3、贯通时,必须由当班安全员在现场统一指挥,被贯通的巷道必须保持正常通风,设置栅栏和警标,经常检查风筒的完好状况和工作面的通风、瓦斯浓度,瓦斯浓度超限时,必须立即处理。
4、掘进的工作面每次放炮前,必须当班安全员和瓦检员到被贯通巷道检查贯通地点附近的支护情况、瓦斯浓度,如瓦斯超限、支护失效,不得放炮作业。
每次放炮前2个工作面入口都必须同时派专人设警戒。
5、贯通后,立即调整风流,风流稳定后方可作业,两巷道间支架间距不得大于0.5米,顶板破碎时必须背帮背顶。
6、本通知及安全技术措施两巷道作业人员及安全员必须学习贯彻,并签字。
7、
时间:矿长:总工:安全矿长:
生产矿长:技术矿长:机电矿长:
测量组:。
井巷贯通通知书
处(队):
我矿井下水平与
截止年月日班为止,双方工作面相距米。
接此通知后立即停掘,并切断电源,但不得停风,并指定专人负责停掘工作的顶板检查和风筒维护等工作。
(平面位置图附后)
安全科接此通知后确定警戒范围、划定现场警戒线、预计巷道贯通后对通风系统的影响范围并采取防范措施及完成调整通风系统的准备工作;指定专人到现场负责指挥贯通工作,防止巷道贯通后造成通风系统紊乱。
每次爆破前,瓦斯检查员和当班班长必须共同到停掘工作面检查工作面及回风流中的瓦斯浓度;瓦斯超限必须停止掘进工作面工作,然后处理瓦斯;只有在两个工作面瓦斯浓度都在1%以下时,方可爆破。
每次爆破前,当班班长必须亲自在能进入两个工作面的所有通道上安设好警戒,确认警戒范围内没有人员,方可下达爆破命令;爆破结束后,只能由下达爆破命令的班组长解除警戒。
巷道贯通后必须停止采区内一切作业,立即调整通风系统,待通风系统正常后,才能恢复采区内的工作。
未尽事宜请按该区域相应掘进作业规程及《煤矿安全规程》有关规定执行。
生产技术科地测组
2007年月日
井巷贯通平面位置图。
巷道贯通通知单
矿生产科、安全科、通防科、机电科、+1151回风石门掘进队:
根据2014年06月16日早班实测,现施工的+1151回风石门距回风下山贯通剩余距离20米(平距),为确保施工安全必须严格执行以下安全贯通措施。
1、地测部门必须准确掌握、统计每班进尺和剩余距离。
2、每班放炮前,必须派出3人警戒,1人传信,警戒点为+1151回风石门1人,10403运输巷回风口处1人,井底1人(各甩道回风口设置栅栏),警戒人员要清点叫出10403运输巷回风石门、回风下山中人员并不得有人通过或逗留,而后1人传信放炮。
放炮后,传信人员立即反回撤除警戒。
3、贯通相距10米时,每班掘进前必须先打探眼,探眼必须用2.0米以上钎杆,探眼数不得少于2个,每次循环进尺控制在1米以内,工队要预计贯通时间,贯通时由调度室通知派一名干部和安检员在现场指挥贯通。
4、贯通前必须对总回风下山贯通点处前后10米以内的顶板进行加固,并保护好回风下山贯通地点的风水管、抽放管路及电缆等。
5、探眼打通后,要立即汇报调度室,说明探眼深度剩余距离,经调度室允许方可放炮贯通,贯通时每个炮眼要少装药,放小炮,特殊情况时还要采取特殊的贯通措施。
6、贯通时必须由工队管理人员现场指挥,贯通后通风部门要及时调整风流。
晴隆县中营镇仁禾煤矿地测科
二0一四年六月十六日。
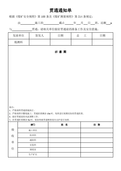
贯通通知单
采二队:
根据《煤矿安全规程》第108条及《煤矿测量规程》第214条规定:由你单位施工的23071
工作面上平巷切眼截止2015年元月 28 日零点班,剩余 24 m即将贯通,请相关
单位做好贯通前的准备工作及安全措施。
1、严格按所标定的中腰线施工,保证所掘巷道与中腰线符合,不得有偏差现象。
2、23071工作面上平巷切眼掘进施工,若前方岩石坚硬时可以放炮,必须设好警戒线,巷道剩余5米时,停止放炮,采用风镐配手稿掘进,直至贯通。
3、该处施工由于坡度较大,必须采取防倒、防滑措施,预防出现意外。
4、上巷贯通点5米前后支架必须提前加固。
5、通风部保证23071工作面上平巷切眼巷道掘进期间局扇通风正常,巷道贯通后及时调整风量,确保通风系统稳定。
6、机运部保证23071工作面上平巷切眼巷道机电、运输设施完好。
7、安检部加强23071上平巷切眼的安全监督工作。
8、其它未涉及部分仍按该地区掘进作业规程及安全技术措施执行。
施工单位:技术部:安检部:
机运部:调度中心:通风部:
总工程师:
郁山煤业地测部
2015年元月28日。
掘进巷道贯通措施
一、掘进巷道名称:总回风巷第三作业点
二、被贯通巷道名称:第二作业点
三、年月日,现场实测距贯通巷道相距米。
四、附贯通示意图
五、安全技术措施:
1、炮掘工作面在两巷相距20米时,必须停止一个工作面掘进作业,并做好被通巷道前后10米的维护修理,调整通风系统的准备工作。
2、贯通时必须由专人在现场统一指挥,停掘工作面必须保持正常通风,设置栅栏和警标,经常检查风筒完好状况、掘进工作面与被通巷道的瓦斯浓度,瓦斯浓度超限时必须立即处理。
3、掘进工作面每次爆破前,必须派专人和瓦检员共同检查停掘面及其回风流中的瓦斯浓度,浓度超限时必须先停止在掘进工作面的作业,然后处理瓦斯,只有在两个工作面及其回风流中瓦斯浓度都在1%以下时,掘进的工作面方可爆破。
每次爆破前两个工作面入口处必须有专人警戒。
4、巷道贯通后必须停止采区内一切工作,立即进行调整通风系统,风流稳定后方可恢复工作。
4、
5、
六、有关单位审查签字:
总工程师:
安全副矿长:
生产副矿长:
机电副矿长:
跟班副矿长:
安全员:
瓦检员:
大海子煤矿
2011年月日。
阜新达源煤矿有限公司巷道贯通通知单地质测量2012年9月14日精品队巷道贯通警戒通知单精品巷道贯通说明事项及有关建议:1.说明事项主井车场:从主副井车场联络道交岔点中心点起至36米处,中线方位340度0分0秒,与回风大巷贯通。
回风大巷:从副井车场拐旋点止向前施工12米,中线方位34度0分0秒,是与主井车场贯通位置。
2.有关建议有关段队接到通知后,根据现场实际情况严格按照贯通措施执行,确保贯通工程安全。
附:贯通平面示意图及警戒人员位置精品贯通安全措施1、巷道贯通方法:炮掘贯通。
2、被贯通地点的通风方式:局扇通风3、瓦斯检查方法:(1)瓦检员现场实测,瓦检员在贯通前5米及贯通时,每次放炮前不少于2次检查工作面及透点处的瓦斯。
(2)贯通前由通风段安排专职瓦检员现场检查瓦斯。
4、贯通警戒范围:清扫联络道、回风大巷。
5、放炮时,在辅助运输大巷、回风大巷挂好警示牌,严禁人员进入。
6、开掘时,测量准确给出透点位置。
7、在回风大巷侧施工清扫联络道与辅助运输大巷侧施工清扫联络道相距20米时,立即停止回风大巷侧施工清扫联络道工作面,但不允许停风,工作面风流瓦斯必须在允许浓度范围内,否则严禁施工。
8、差5米贯通前,施工超前探眼,超前探眼长度不少于3米。
精品9、贯通前每次放炮前后瓦斯员及时检查工作面及透点通风及瓦斯情况。
发现异常或瓦斯超限,立即停止作业。
精品9、贯通前工作面严禁空顶作业,支护必须跟迎头,打齐支护。
10、贯通前田志彬队、张平队每次放炮时由班长负责,必须派专人到回风大巷清理全部人员至贯通点85米以外。
11、贯通前放炮时由班长负责,指派专人在规定位置设岗,设岗人员未接通知不得擅自撤岗。
12、贯通放炮时,必须掩盖好风、水管路、电缆及风筒,严禁崩坏。
13、贯通后通风部门及时关闭副井风门,观察风路情况,发现异常及时处理。
14、贯通后及时补齐支护,出净存货,保证断面尺寸规格。
15、贯通后及时将贯通情况汇报调度。
如有侵权请联系告知删除,感谢你们的配合!精品。
( )煤矿
巷 道 贯 通 通 知 单
编制部门:生产技术部 时间: 编号:( )
地测技术员 地测科 总工程师
生产部 通风队 安监部
通风科 通知单 掘进队负责人
2
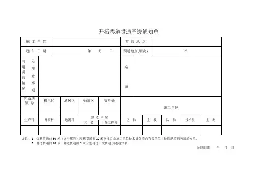
巷 道 贯 通 通 知 单
在掘巷道名称 在掘巷道标高(m) 贯通方式
被贯通巷道名称 设计贯通点标高(m) 贯通距离
日 期 班 次 煤(岩)别
中 线 方 位 腰 线 角 度 编 制 单 位
贯通巷道平面示意图
3
一、巷道贯通注意事项:
1.截止2013年3月8日早班你队掘进的 剩余 与 贯通,如图所示,请你队施工责任人必须严格控
制好距离,提前编制好贯通安全技术措施。
2.提前做好贯通前的风流调整准备工作,防止风流紊乱。
3.贯通距离≤20m,安监部、通维队必须指定专人每班在贯通地点处做好警戒,禁止任何人进入贯通位置,贯
通施工必须严格遵照执行《煤矿安全规程》有关规定。
4.各施工区队接到贯通通知单后,必须根据实际情况及时制定相应的安全技术施工措施,确保贯通安全。