XXX煤矿巷道开口通知单
- 格式:doc
- 大小:164.00 KB
- 文档页数:7
联络巷开口通知书
八冶风井项目部:
根据回风斜巷、回风斜巷配巷地质情况及矿地测科实际测量结果确定,现回风斜巷掘进位置可布置联络巷开口,具体开口数据如下:
①距最后一测点处0.7m处作为联络巷开口中心线;
②联络巷方向与斜巷垂直布置;
③开口沿斜巷顶板掘进;
④巷道断面规格:毛巷道高2.8m,宽2.8m;
⑤支护方式采用锚网索喷支护,其中顶锚杆间排距、帮锚杆间排距及锚索间排距均按原回风斜巷支护设计执行(顶按中心线向两帮排列,帮按从上向下排列)。
生产技术科
二○一三年八月二十三日。
正丰项目部
巷 道 贯 通 通 知 单
在掘巷道名称 +830m 水平辅 助运输大巷 在掘巷道标高(m ) +829.593 贯通方式 相向贯通 被贯通巷道名称 等候室通道 设计贯通点标高(m )
+829.641 贯通距离 24.2m 日 期 2011年11月152日 班 次 早班 煤(岩)别 岩巷 中 线 方 位
290°41′9″
腰 线 角 度
+0°13′40″
编 制 单 位
技术组
贯通巷道平面示意图
+830m水平辅助运输大巷
井下等候室通道
设计
贯通点
掘进
方向
掘进方向
北
巷道贯通平面示意图、说明事项及有关建议
1、道贯通平面示意图
巷道贯通平面示意图附下页
2、说明事项:
等候室通道:从等候室通道轨中一边起142.936m位置转中线,中线方位110°41 09″,往副斜井+830m水平辅助运输大巷按0°13′40″下坡掘进。
等候室通道与+830m水平辅助运输大巷之间的工程量总长度:269.691m,现已开掘245.761m,还剩24.2m.
+830m水平辅助运输大巷:从副斜井落平位置一边起105.641m位置转中线,中线方位209°41′09″,往等候室通道方向按其开掘的反向坡度掘进。
3、有关建议:
有关部门接到贯通通知单后,126队停止掘进,进行工作面永久支护,由122队负责该巷道的贯通施工,请各施工队严格执行本贯通通知单!
中煤五建公司第一工程处
正丰项目部
巷道贯通通知单(+830m水平辅助运输大巷至等候室通道)
2011-11-12。
井巷贯通通知书
处(队):
我矿井下水平与
截止年月日班为止,双方工作面相距米。
接此通知后立即停掘,并切断电源,但不得停风,并指定专人负责停掘工作的顶板检查和风筒维护等工作。
(平面位置图附后)
安全科接此通知后确定警戒范围、划定现场警戒线、预计巷道贯通后对通风系统的影响范围并采取防范措施及完成调整通风系统的准备工作;指定专人到现场负责指挥贯通工作,防止巷道贯通后造成通风系统紊乱。
每次爆破前,瓦斯检查员和当班班长必须共同到停掘工作面检查工作面及回风流中的瓦斯浓度;瓦斯超限必须停止掘进工作面工作,然后处理瓦斯;只有在两个工作面瓦斯浓度都在1%以下时,方可爆破。
每次爆破前,当班班长必须亲自在能进入两个工作面的所有通道上安设好警戒,确认警戒范围内没有人员,方可下达爆破命令;爆破结束后,只能由下达爆破命令的班组长解除警戒。
巷道贯通后必须停止采区内一切作业,立即调整通风系统,待通风系统正常后,才能恢复采区内的工作。
未尽事宜请按该区域相应掘进作业规程及《煤矿安全规程》有关规定执行。
生产技术科地测组
2007年月日
井巷贯通平面位置图。
XX矿业巷道贯通管理制度202X年某矿业巷道贯通管理制度为加强巷道贯通管理工作,确保安全生产,特制定本制度,具体内容如下:巷道贯通的全过程分为三个部分:巷道贯通前的准备工作→巷道贯通工作→巷道贯通后的完善工作。
一、巷道贯通前的准备工作1.生产技术部必须在贯通巷道相距不少于20m前,在现场准确标出明显的贯通距离起点及对方巷道贯通点的具体位置,及时向生产矿长、总工程师、安全矿长、调度室、机电班、施工班组出具书面贯通通知单。
2.在掘进施工前,贯通巷道本身设计长度炮掘不足20m时,生产技术人员出具的贯通通知单与核实现场中腰线情况按以上要求同时下达。
3. 生产技术人员必须在贯通巷道相距不少于20m前,根据现场情况组织编制贯通措施,组织相关人员进行会审,措施中要明确贯通地点加强支护情况,通风系统的调整情况等,特别是对“先探后掘”的相关要求要明确。
4.巷道贯通剩余5m时,用钻杆一次性探透。
具体探眼距离、方位、角度、位置等参数由生产技术人员提供并在措施中明确规定,生产技术人员要监督把关到位,确认贯通距离,保证安全贯通。
5.通风人员必须对贯通措施中的贯通前后通风系统及风量情况作具体规定,并在贯通巷道相距不少于20m前做好通风系统调整的准备工作。
6.施工班组接到贯通通知书后,只准一个工作面向前掘进贯通,不得对掘,被贯通的巷道必须停电、撤人、设置栅栏、保持正常通风、正常检查瓦斯,若瓦斯浓度超限时,必须停止掘进、进行处理。
7.炮掘巷道贯通剩余10m、5m、2m时,施工班组必须提出贯通申请。
8.贯通距离剩余5m时,掘进班组施工探眼,一次探透。
不打探眼或探眼不合格,严禁放炮,严禁将探眼作为炮眼进行装药爆破。
9.贯通巷道相距不少于20m前,必须对贯通点附近进行加强支护(具体规定执行贯通措施要求)。
二、巷道贯通工作1.炮掘工作面在贯通时,每次放炮前,施工当班班长必须派专人和瓦检员共同到停掘工作面检查工作面及回风流中的瓦斯浓度和局扇运转情况。
【最新整理,下载后即可编辑】
西易煤矿
巷道贯通通知单
【最新整理,下载后即可编辑】
巷道贯通平面示意图、说明事项及有关建议
1、说明事项:
从E9103运输顺槽巷道一边起388m位置转中线,中线向北转角90°01´,往E9103回风顺槽开掘,在掘进66m处,方位角360°与回风顺槽贯通。
E9103运输顺槽与回风顺槽之间的总进尺为116m贯通。
2、有关建议:
有关部门接到贯通通知单后,根据实际情况要及时制定相应的安全技术施工措施,确保贯通工程安全。
【最新整理,下载后即可编辑】
3、巷道贯通平面示意图
巷道贯通平面示意图附下页
山西朔州平鲁区西易煤矿有限公司
巷道贯通通知单
地测部
二〇一二年九月十十三日
【最新整理,下载后即可编辑】。
掘进巷道贯通措施
一、掘进巷道名称:总回风巷第三作业点
二、被贯通巷道名称:第二作业点
三、年月日,现场实测距贯通巷道相距米。
四、附贯通示意图
五、安全技术措施:
1、炮掘工作面在两巷相距20米时,必须停止一个工作面掘进作业,并做好被通巷道前后10米的维护修理,调整通风系统的准备工作。
2、贯通时必须由专人在现场统一指挥,停掘工作面必须保持正常通风,设置栅栏和警标,经常检查风筒完好状况、掘进工作面与被通巷道的瓦斯浓度,瓦斯浓度超限时必须立即处理。
3、掘进工作面每次爆破前,必须派专人和瓦检员共同检查停掘面及其回风流中的瓦斯浓度,浓度超限时必须先停止在掘进工作面的作业,然后处理瓦斯,只有在两个工作面及其回风流中瓦斯浓度都在1%以下时,掘进的工作面方可爆破。
每次爆破前两个工作面入口处必须有专人警戒。
4、巷道贯通后必须停止采区内一切工作,立即进行调整通风系统,风流稳定后方可恢复工作。
4、
5、
六、有关单位审查签字:
总工程师:
安全副矿长:
生产副矿长:
机电副矿长:
跟班副矿长:
安全员:
瓦检员:
大海子煤矿
2011年月日。
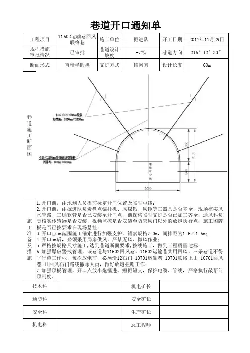
煤矿巷道开口、中腰线、停掘采、贯通及工程进度通知单制度(全文5篇)第一篇:煤矿巷道开口、中腰线、停掘采、贯通及工程进度通知单制度煤矿巷道开口、中腰线、停掘采、贯通及工程进度通知单制度1、为认真做好煤矿安全生产施工工作,确保煤矿安全生产,特制定工程施工的通知单制度。
2、坚持巷道开口、中腰线、停掘采、贯通及工程进度等通知单制度。
3、每一个工程在施工前,相关部门必须以通知单的形式下发到班组长手中,表明施工断面、尺寸、规格、方位、倾角、支护方式等。
4、在巷道开口或变更施工方案实施时,生产科应提前三天向地测科及有关单位下发《开拓掘进巷道开口通知单》,没有开口通知单地测部门不得标定开口位置及中腰线。
5、生产科按工程设计及《开口通知单》的要求,进行现场标定开口位置和中腰线,并按规定负责巷道施工过程中的施工测量及现场标定工作,新开口及变向巷道施工4—8米时应及时复测检查及重新标定,正常掘进巷道每掘进80—100米时应及时布设测点并进行检查测量。
6、施工队、技术员、验收员,负责巷道施工过程中的中腰线延伸工作,巷道的中腰点要成组设置,每组不少于3个点,点间距不小于2米,并用明显标志标记。
最前面的一组中腰线点距掘进工作面的距离不超过30—40米,在延设中腰线点时对所使用和新设的中腰线点均需进行检查。
7、班队长必须每天向技术部门提供工程的进度通知单,以便于技术部门制定出切实可行的安全措施。
第二篇:杨庄煤矿掘进巷道中腰线及贯通管理办法杨庄煤矿掘进巷道中腰线及贯通管理办法巷道的中腰线是保证巷道按设计施工的基准线,是矿井安全质量标准化的基础。
为明确责任,强化区队、技术、地测等单位和个人对巷道中腰线管理意识,抓好巷道中腰线管理,避免巷道跑线、错线,保证巷道施工质量,特制定如下补充规定:1、地测科是矿井井下中腰线管理的责任主体,负责井下各类施工标定、送线、校线、验线的日常工作。
2、施工区队是矿井井下井巷工程中腰线现场管理的行为主体,区队技术员是中腰线现场管理的第一责任人,区长是按线施工的第一管理责任人,跟班干部、班队长是现场按线施工的直接管理责任人。
金河煤矿(新井)巷道开口通知单 编号:巷道名称 采区上部车场 通知日期2013.3.2 开口点座标X :2873752.241Y :449512.404Z :+1438.5m设计长度 146米开口 方位275° 巷道 坡度-3‰支护形式 29U 环型棚+注浆 净断面积 13.8m ²净宽4.4m净高3.6m断面形状直墙半圆拱附巷道布置示意图:编 制 及 审 批 通 知 单 发 放编制人 编制日期施 工 单 位 负 责 人 签 字总工程师 审批日期 生产矿长 审批日期 机电矿长 审批日期 安全矿长 审批日期 矿 长 审批日期金河煤矿(新井)巷道开口通知单编号:巷道名称 采区上部车场 通知日期2013.5.10 开口点座标X :2873865.688Y :449398.495Z :+1449.5m设计长度 70米开口 方位275° 巷道 坡度 3‰,-16°支护形式 29U 环型棚+注浆 净断面积 13.8m ² 净宽4.4m净高3.6m断面形状直墙半圆拱附巷道布置示意图:编 制 及 审 批 通 知 单 发 放编制人 编制日期 施 工 单 位 负 责 人 签 字总工程师 审批日期 生产矿长 审批日期 机电矿长 审批日期 安全矿长 审批日期 矿 长 审批日期XXX煤矿巷道贯通通知单编号:XXX煤矿巷道工程进度通知单编号:XXX煤矿巷道停掘通知单编号:XXX煤矿巷道岩移情况记录表巷道名称:。
金河煤矿(新井)巷道开口通知单编号:
巷道名称采区上部车场通知日期2013.3.2开口点座标X:2873752.241Y:449512.404Z:+1438.5m
设计长度146米开口
方位
275°巷道
坡度
-3‰支护形式29U环型棚+注浆净断面积13.8m²
净宽 4.4m净高 3.6m
断面形状
直墙半圆拱附巷道布置示意图:
编制及审批通知单发放
编制人编制日期
施工单
位负责
人签字
总工程师审批日期
生产矿长审批日期
机电矿长审批日期
安全矿长审批日期
矿长审批日期
金河煤矿(新井)巷道开口通知单编号:
巷道名称采区上部车场通知日期2013.5.10开口点座标X:2873865.688Y:449398.495Z:+1449.5m
设计长度70米开口
方位
275°巷道
坡度
3‰,-16°支护形式29U环型棚+注浆净断面积13.8m²
净宽 4.4m净高 3.6m
断面形状
直墙半圆拱附巷道布置示意图:
编制及审批通知单发放
编制人编制日期
施工单
位负责
人签字
总工程师审批日期
生产矿长审批日期
机电矿长审批日期
安全矿长审批日期
矿长审批日期
XXX煤矿巷道贯通通知单编号:
XXX煤矿巷道工程进度通知单编号:
XXX煤矿巷道停掘通知单编号:
XXX煤矿巷道岩移情况记录表巷道名称:
制表人:审核人:总工程师:。