电机正反转电路图
- 格式:doc
- 大小:296.00 KB
- 文档页数:8
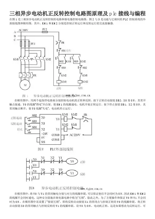
电机正反转控制电路附实际接线图The Standardization Office was revised on the afternoon of December 13, 2020三相异步电动机正反转控制电路图原理及plc接线与编程在图1是三相异步正反转控制的电路和控制,图2与3是功能与它相同的控制系统的外部接线图和梯形图,其中,KM1和KM2分别是控制正转运行和反转运行的.在梯形图中,用两个起保停电路来分别控制电动机的正转和反转。
按下正转启动按钮SB2,X0变ON,其常开触点接通,Y0的线圈“得电”并自保。
使KM1的线圈通电,开始正转运行。
按下停止按钮SB1,X2变ON,其常闭触点断开,使Y0线圈“失电”,电动机停止运行。
在梯形图中,将Y0与Y1的常闭触电分别与对方的线圈串联,可以保证他们不会同时为ON,因此KM1和KM2的线圈不会同时通电,这种安全措施在继电器电路中称为“互锁”。
除此之外,为了方便操作和保证Y0和Y1不会同时为ON,在梯形图中还设置了“按钮互锁”,即将反转启动按钮X1的常闭点与控制正转的Y0的线圈串联,将正转启动按钮X0的常闭触点与控制反转的Y1的线圈串联。
设Y0为ON,电动机正转,这是如果想改为反转运行,可以不安停止按钮SB1,直接安反转启动按钮SB3,X1变为ON,它的常闭触点断开,使Y0线圈“失电”,同时X1的敞开触点接通,使Y1的线圈“得电”,点击正转变为反转。
在梯形图中的互锁和按钮联锁电路只能保证输出模块中的与Y0和Y1对应的硬件继电器的常开触点心不会同时接通。
由于切换过程中电感的延时作用,可能会出现一个触点还未断弧,另一个却已合上的现象,从而造成瞬间短路故障。
可以用正反转切换时的延时来解决这一问题,但是这一方案会增大编程的工作量,也不能解决不述的接触触点故障引起的短路事故。
如果因主电路电流过大或者接触器质量不好,某一接触器的主触点被断电时产生的电弧熔焊而被粘结,其线圈断电后主触点仍然是接通的,这时如果另一个接触器的线圈通电,仍将造成三相短路事故。
按钮联锁正反转控制线路图2—12 按钮联锁正反转控制电路图图2-12 按钮联锁正反转控制电路图接触器联锁正反转控制线路双重联锁正反转控制线路元件安装图元件明细表1、线路的运用场合:正反转控制运用生产机械要求运动部件能向正反两个方向运动的场合。
如机床工作台电机的前进与后退控制;万能铣床主轴的正反转控制;电梯、起重机的上升与下降控制等场所。
2、控制原理分析(1)、控制功能分析:A、怎样才能实现正反转控制?B、为什么要实现联锁?这两个问题是本控制线路的核心所在,务必要透彻地理解,否则只会接线安装,那只是知其然而不知其所以然。
另外,问题的提出,一方面让学生学会去思考,另一方面也培养学生发现问题、分析问题的能力。
教学中,计划先让学生温书预习(5分钟)、寻找答案,再集中讲解。
先提问抽查,让学生能各抒己见、充分发挥,最后再总结归纳,解答所提出的问题,进一步统一全班思路。
答案如下:A、电机要实现正反转控制:将其电源的相序中任意两相对调即可(简称换相),通常是V相不变,将U相与W 相对调。
B、由于将两相相序对调,故须确保2个KM线圈不能同时得电,否则会发生严重的相间短路故障,因此必须采取联锁。
为安全起见,常采用按钮联锁和接触器联锁的双重联锁正反转控制线路(如原理图所示)(2)、工作原理分析C、停止控制:按下SB3,整个控制电路失电,接触器各触头复位,电机M失电停转(3)双重联锁正反转控制线路的优点:接触器联锁正反转控制线路虽工作安全可靠但操作不方便;而按钮联锁正反转控制线路虽操作方便但容易产生电源两相短路故障。
双重联锁正反转控制线路则兼有两种联锁控制线路的优点,操作方便,工作安全可靠。
3、怎样正确使用控制按钮?控制按钮按用途和触头的结构不同分停止(常闭按钮)、起动按钮(常开按钮)和复合按钮(常开和常闭组合按钮)。
按钮的颜色有红、绿、黑等,一般红色表示“停止”,绿色表示“起动”。
接线时红色按钮作停止用,绿色或黑色表示起动或通电。
三相异步电动机正反转控制电路图原理及plc接线与编程在图1是三相异步正反转控制的电路和控制,图2与3是功能与它相同的控制系统的外部接线图和梯形图,其中,KM1和KM2分别是控制正转运行和反转运行的.在梯形图中,用两个起保停电路来分别控制电动机的正转和反转;按下正转启动按钮SB2,X0变ON,其常开触点接通,Y0的线圈“得电”并自保;使KM1的线圈通电,开始正转运行;按下停止按钮SB1,X2变ON,其常闭触点断开,使Y0线圈“失电”,电动机停止运行;在梯形图中,将Y0与Y1的常闭触电分别与对方的线圈串联,可以保证他们不会同时为ON,因此KM1和KM2的线圈不会同时通电,这种安全措施在继电器电路中称为“互锁”;除此之外,为了方便操作和保证Y0和Y1不会同时为ON,在梯形图中还设置了“按钮互锁”,即将反转启动按钮X1的常闭点与控制正转的Y0的线圈串联,将正转启动按钮X0的常闭触点与控制反转的Y1的线圈串联;设Y0为ON,电动机正转,这是如果想改为反转运行,可以不安停止按钮SB1,直接安反转启动按钮SB3,X1变为ON,它的常闭触点断开,使Y0线圈“失电”,同时X1的敞开触点接通,使Y1的线圈“得电”,点击正转变为反转;在梯形图中的互锁和按钮联锁电路只能保证输出模块中的与Y0和Y1对应的硬件继电器的常开触点心不会同时接通;由于切换过程中电感的延时作用,可能会出现一个触点还未断弧,另一个却已合上的现象,从而造成瞬间短路故障;可以用正反转切换时的延时来解决这一问题,但是这一方案会增大编程的工作量,也不能解决不述的接触触点故障引起的短路事故;如果因主电路电流过大或者接触器质量不好,某一接触器的主触点被断电时产生的电弧熔焊而被粘结,其线圈断电后主触点仍然是接通的,这时如果另一个接触器的线圈通电,仍将造成三相短路事故;为了防止出现这种情况,应在PLC外部设置KM1和KM2的辅助常闭触点组成的硬件互锁电路见图2,假设KM1的主触点被电弧熔焊,这时它与KM2线圈串联的辅助常闭触点处于断开状态,因此KM2的线圈不可能得电;图1中的FR是作过载保护用的热继电器,异步电动机长期严重过载时,经过一定延时,热继电器的常开触点断开,常开触点闭合;其常闭触点与接触器的线圈串联,过载时接触其线圈断电,电机停止运行,起到保护作用;有的热继电器需要手动复位,即热继电器动作后要按一下它自带的复位按钮,其触点才会恢复原状,及常开触点断开,常闭触点闭合;这种热继电器的常闭触点可以像图2那样接在PLC的输出回路,仍然与接触器的线圈串联,这反而可以节约PLC的一个输入点;有的热继电器有复位功能,即热继电器动作后电机停止转,串接在主回路中的热继电器的原件冷却,热继电器的触点恢复原状;如果这种热断电器的常闭触点仍然接在PLC的输出回路,电机停止转动后果一段时间会因热继电器的触点恢复原状而自动重新运转,可能会造成设备和人身事故;因此有自动复位功能的热继电器的常闭触点不能接在PLC 的输出回路,必须将它的触点接在PLC的输入端可接常开触点或常闭触点,用梯形图来实现点击的过载保护;如果用式电机过载保护来代替热继电器,也应注意它的复位.电动机正反转实物接线图按钮联锁正反转控制电路图接触器联锁正反转控制线路。
在图1是三相异步电动机正反转控制的电路和继电器控制电路图,图2与3是功能与它相同的PLC控制系统的外部接线图和梯形图,其中,KM1和KM2分别是控制正转运行和反转运行的交流接触器.在梯形图中,用两个起保停电路来分别控制电动机的正转和反转。
按下正转启动按钮SB2,X0变ON,其常开触点接通,Y0的线圈“得电”并自保。
使KM1的线圈通电,电机开始正转运行。
按下停止按钮SB1,X2变ON,其常闭触点断开,使Y0线圈“失电”,电动机停止运行。
在梯形图中,将Y0与Y1的常闭触电分别与对方的线圈串联,可以保证他们不会同时为ON,因此KM1和KM2的线圈不会同时通电,这种安全措施在继电器电路中称为“互锁”。
除此之外,为了方便操作和保证Y0和Y1不会同时为ON,在梯形图中还设置了“按钮互锁”,即将反转启动按钮X1的常闭点与控制正转的Y0的线圈串联,将正转启动按钮X0的常闭触点与控制反转的Y1的线圈串联。
设Y0为ON,电动机正转,这是如果想改为反转运行,可以不安停止按钮SB1,直接安反转启动按钮SB3,X1变为ON,它的常闭触点断开,使Y0线圈“失电”,同时X1的敞开触点接通,使Y1的线圈“得电”,点击正转变为反转。
在梯形图中的互锁和按钮联锁电路只能保证输出模块中的与Y0和Y1对应的硬件继电器的常开触点心不会同时接通。
由于切换过程中电感的延时作用,可能会出现一个触点还未断弧,另一个却已合上的现象,从而造成瞬间短路故障。
可以用正反转切换时的延时来解决这一问题,但是这一方案会增大编程的工作量,也不能解决不述的接触触点故障引起的电源短路事故。
如果因主电路电流过大或者接触器质量不好,某一接触器的主触点被断电时产生的电弧熔焊而被粘结,其线圈断电后主触点仍然是接通的,这时如果另一个接触器的线圈通电,仍将造成三相电源短路事故。
为了防止出现这种情况,应在PLC外部设置KM1和KM2的辅助常闭触点组成的硬件互锁电路(见图2),假设KM1的主触点被电弧熔焊,这时它与KM2线圈串联的辅助常闭触点处于断开状态,因此KM2的线圈不可能得电。
三相异步电动机正反转控制电路图原理及plc接线与编程在图1是三相异步电动机正反转控制的电路和继电器控制电路图,图2与3是功能与它相同的PLC控制系统的外部接线图和梯形图,其中,KM1和KM2分别是控制正转运行和反转运行的交流接触器.在梯形图中,用两个起保停电路来分别控制电动机的正转和反转。
按下正转启动按钮SB2,X0变ON,其常开触点接通,Y0的线圈“得电”并自保。
使KM1的线圈通电,电机开始正转运行。
按下停止按钮SB1,X2变ON,其常闭触点断开,使Y0线圈“失电”,电动机停止运行。
在梯形图中,将Y0与Y1的常闭触电分别与对方的线圈串联,可以保证他们不会同时为ON,因此KM1和KM2的线圈不会同时通电,这种安全措施在继电器电路中称为“互锁”。
除此之外,为了方便操作和保证Y0和Y1不会同时为ON,在梯形图中还设置了“按钮互锁”,即将反转启动按钮X1的常闭点与控制正转的Y0的线圈串联,将正转启动按钮X0的常闭触点与控制反转的Y1的线圈串联。
设Y0为ON,电动机正转,这是如果想改为反转运行,可以不安停止按钮SB1,直接安反转启动按钮SB3,X1变为ON,它的常闭触点断开,使Y0线圈“失电”,同时X1的敞开触点接通,使Y1的线圈“得电”,点击正转变为反转。
在梯形图中的互锁和按钮联锁电路只能保证输出模块中的与Y0和Y1对应的硬件继电器的常开触点心不会同时接通。
由于切换过程中电感的延时作用,可能会出现一个触点还未断弧,另一个却已合上的现象,从而造成瞬间短路故障。
可以用正反转切换时的延时来解决这一问题,但是这一方案会增大编程的工作量,也不能解决不述的接触触点故障引起的电源短路事故。
如果因主电路电流过大或者接触器质量不好,某一接触器的主触点被断电时产生的电弧熔焊而被粘结,其线圈断电后主触点仍然是接通的,这时如果另一个接触器的线圈通电,仍将造成三相电源短路事故。
为了防止出现这种情况,应在PLC外部设置KM1和KM2的辅助常闭触点组成的硬件互锁电路(见图2),假设KM1的主触点被电弧熔焊,这时它与KM2线圈串联的辅助常闭触点处于断开状态,因此KM2的线圈不可能得电。
电机正反转互锁电路图
生产机械往往要求运行部件能向正反两个方向运行,这就要求电动可以正反转。
若将接至电动机三相电源进线中的任意两相对调接线,即可达到反转的目的。
下右图所示的控制线路中采用了两个接触器,即正转用接触器KM1 和反转用接触器KM2。
当接触器KM1的三对主触头接通时,三相电源的相序按Ll-L2-L3接入电动机。
当接触器KM2的三对主触头接通时,三相电源的相序按L1-la-LI接入电动机,电动机就向相反方向转动。
电路要求接触器KMI和接触器KM2不能同时接通电源,否则它们的主触头将同时闭合,造成、两相电源短路,为此在KM1和KM2线圈各自支路中相互串联对方的一副动断辅助触头,以保证接触器KM1和KM2不会同时接通电源, KM1和KM2这两副动断辅助触头在线路中所起的作用称为互锁或联锁作用,这两副动断触头就叫互锁触头。
接触器互锁的电机正反转控制电路动作原理与过程是:先合上电源开关QS:
正转控制:按SB2→KM1线圈通电→KM1自锁触头闭合、KM1互锁触头断开、KM1主触头闭合→电动机M运转;
反转控制:先按SB1→KM1线圈断电→KM1自锁触头断开、KM1互锁触头闭合、KM1主触头断开→电动机M断电→按下SB3→KM2线圈通
电→KM2自锁触头闭合、KM2互锁触头断开、KM2主触头闭合→电动机M反转。
这种电击正反转控制接线电路的缺点是操作不方便,因为要改变电动机的转向,必须先按停止按钮SB1,再按反转按钮SB3才能使电机反转。
三相异步电动机正反转控制电路图原理及plc接线与编程在图1是三相异步电动机正反转控制的电路和继电器控制电路图,图2与3是功能与它相同的PLC控制系统的外部接线图和梯形图,其中,KM1和KM2分别是控制正转运行和反转运行的交流接触器.在梯形图中,用两个起保停电路来分别控制电动机的正转和反转。
按下正转启动按钮SB2,X0变ON,其常开触点接通,Y0的线圈“得电”并自保。
使KM1的线圈通电,电机开始正转运行。
按下停止按钮SB1,X2变ON,其常闭触点断开,使Y0线圈“失电”,电动机停止运行。
在梯形图中,将Y0与Y1的常闭触电分别与对方的线圈串联,可以保证他们不会同时为ON,因此KM1和KM2的线圈不会同时通电,这种安全措施在继电器电路中称为“互锁”。
除此之外,为了方便操作和保证Y0和Y1不会同时为ON,在梯形图中还设置了“按钮互锁”,即将反转启动按钮X1的常闭点与控制正转的Y0的线圈串联,将正转启动按钮X0的常闭触点与控制反转的Y1的线圈串联。
设Y0为ON,电动机正转,这是如果想改为反转运行,可以不安停止按钮SB1,直接安反转启动按钮SB3,X1变为ON,它的常闭触点断开,使Y0线圈“失电”,同时X1的敞开触点接通,使Y1的线圈“得电”,点击正转变为反转。
在梯形图中的互锁和按钮联锁电路只能保证输出模块中的与Y0和Y1对应的硬件继电器的常开触点心不会同时接通。
由于切换过程中电感的延时作用,可能会出现一个触点还未断弧,另一个却已合上的现象,从而造成瞬间短路故障。
可以用正反转切换时的延时来解决这一问题,但是这一方案会增大编程的工作量,也不能解决不述的接触触点故障引起的电源短路事故。
如果因主电路电流过大或者接触器质量不好,某一接触器的主触点被断电时产生的电弧熔焊而被粘结,其线圈断电后主触点仍然是接通的,这时如果另一个接触器的线圈通电,仍将造成三相电源短路事故。
为了防止出现这种情况,应在PLC外部设置KM1和KM2的辅助常闭触点组成的硬件互锁电路(见图2),假设KM1的主触点被电弧熔焊,这时它与KM2线圈串联的辅助常闭触点处于断开状态,因此KM2的线圈不可能得电。
电动机正反转控制电路电动机正反转,看似只是一张简单的电路图,但其实里面包含了多种电工常用知识。
因此这张图常常当作电工入门教学之用,或者说,此图是许多电工的启蒙教材。
今日拿来与对电工感兴趣或刚入行的电工朋友分享。
发展到今天,很多机械实现了自动化,如数控车床等,都是使用PLC控制,但需要知道,PLC在编程过程中,程序员必须清楚其机械控制原理,才能在编程时通过控制电路通断来实现控制功能。
有机会我们会向大家分享控制电动机正反转的PLC控制程序,但在学习PLC之前,学习其机械原理是绝对必须的。
电动机正反转控制原理图中,涉及到的知识点有:1.电动机转动方向变换原因;2.电路保护装置;3.按钮和接触器的元件原理;4.自锁与互锁;5.机械互锁的用处。
电动机正反转电路图在这张图中,左侧是主回路,实际上就是给电动机提供了一个电源;右侧是控制回路,或者叫“二次回路”(控制回路属于二次回路),是通过利用按钮和接触器的特点对电路进行控制的。
为了方便对各方面知识的逐步理解,我们将电路图拆分,于是就有了下图▼电动机转动方向变换原因最左侧的电路图,与上面那张完整电路的主回路是相同的,右侧的a,b,c三张图我们会在之后讲解。
此处我们先来看主回路,从KM1和KM2可以看出,之所以电动机能够变换转动方向,是由于此处改变了电动机三相电的顺序。
即当KM1闭合时,电动机从左至右的三相为L1,L2,L3;当KM2闭合时,电动机从左至右的三相为L3,L2,L1。
下文中,均规定L1,L2,L3的顺序为正向。
电路保护装置严格意义上来讲,包括自锁和互锁,都有对电路的保护作用,此处只说保护元件。
从图1中可以更直观的看出,电路中有一个2P的熔断器FU2和一个3P的熔断器FU1以及一个热继电器FR,二者都为电路提供过载保护。
按钮和接触器的原理按钮和接触器是电气控制中用到最多的元件,在该图中更是主要角色。
按钮分为启动按钮和停止按钮,启动按钮在平时是断开状态,按下时闭合,松开后恢复,停止按钮正好相反。
正反转控制线路原理图
1、上图为电动机正反转控制线路。
其中,L1、L
2、L3为电源进
线,QS为隔离开关,FU1为主回路熔断器3个,FU2为控制回路熔断器2个。
KM1、KM2为控制负荷的主接触器,电机采用热继电器作为过负荷保护之用。
2、启动过程:合上隔离换向开关QS,按下SB1启动按钮→KM1
线圈得电→KM1自保接点闭合实现自保→KM1主触头闭合电动机正向运转→KM1联锁接点断开KM2线圈回路实现联锁。
反转时,在电动机停稳的情况下,以同样的方法启动SB2即可。
3、故障处理:无法启动时,首先检查FU1、FU2是否烧坏;其次
检查热继电器是否动作;再就是检查启动、停止按钮是否完好,主接触器线圈是否烧毁或断线等。
电动机自锁正转电气原理图
1、启动过程:合上QS→控制回路得电→按下SB2→KM线圈得电
→其主触头闭合→电动机得电运转→其辅助接点闭合自锁→电动机正常运转。
2、热继电器FR为保护电动机过负荷之用。
电机正反转电路图
三相异步电动机接触器联锁的正反转控制的电气电子原理图如图3-4所示。
线路中采用了两个接触器,即正转用的接触器KM1和反转用的接触器KM2,它们分别由正转按钮SB2和反转按钮SB3控制。
这两个接触器的主触头所接通的电源相序不同,KM1按L1—L2—L3相序接线,KM2则对调了两相的相序。
控制电路有两条,一条由按钮SB2和KM1线圈等组成的正转控制电路;另一条由按钮SB3和KM2线圈等组成的反转控制电路。
220v单相电机正反原理
单相电机不同于三相电机,三相电进入电机后,由于存在120°电角度,所以产生N S N S旋转磁场,推动转子旋转。
而单相电进入电机后,产生不了N S N S磁场,所以加了一个启动绕组,启动绕组在定子内与工作绕组错开90°电角度排列,外接离心开关和启动电容后与工作绕组并联接入电源,又因为电容有阻直通交的作用,交流电通过电容时又滞后一个电角度,这样就人为地把进入电机的单相电又分出来一相,产生旋转磁场,推动转子旋转。
反转时,只要把工作绕组或者启动绕组的两个接线对调一下就行,产生S N S N的磁场,电机就反转了。
网友完善的答案好评率:75%
单相电机的接线方法,是在副绕组中串联(不是并联)电容,再与主绕组并联接入电源;只要调换一下主绕组与副绕组的头尾并联接线,电机即反转
如果电机是3条出线的,其中一条是公共点!(分别与另外2条线的测电阻其值较小)接电源零线!然后把剩下的两条线并联电容,在电容的一端接220V电源相(火)线,就可以了!若要改变电机转向只要把220V电源相(火)线接在电容的另一端就可以了!
笼型电动机正反转的控制线路(电路图)
发布: | 作者: | 来源: jiasonghu | 查看:775次 | 用户关注:
接通电源让KMF--线圈通电其主触点闭合三相电源ABC分别通入电机三相绕组UVW,电动机正转。
KMF线圈断电,主触点打开,电机停。
让KMR线圈通电----其主触点闭合三相电源ABC通入电机三相绕组变为A—U未变,但B—W,C—V。
电动→笼型电动机正反转的控制线路要使电动机给够实现反转,只要把接到电源的任意两根联线对调一头即可。
为此用两个接触器来实现这一要求。
设KMF为实现电机正转的接触器,KMR为实现电机反转的接触器。
合上--S
笼型电动机正反转的控制线路
要使电动机给够实现反转,只要把接到电源的任意两根联线对调一头即可。
为此用两个接触器来实现这一要求。
设 KMF 为实现电机正转的接触器, KMR 为实现电机反转的接触器。
接通电源→合上--S
让 KMF--线圈通电其主触点闭合
三相电源 ABC 分别通入电机三相绕组 UVW ,电动机正转。
KMF 线圈断电,主触点打开,电机停。
让 KMR 线圈通电----其主触点闭合
三相电源 ABC 通入电机三相绕组变
为 A — U 未变,但 B — W ,C — V。
电动机将反转
采用复式按钮笼型电动机正反转的控制线路
2)
如何画电动机正反转的电路图?
初中物理,应该是永磁直流电动机吧,是这个吧:
有更简单的图吗?
回答
这个是单电源正反转最简单的了,如果是用正负电源,就可以简单一些,用一个开关就可以了。
直流电动机正反转控制电路图
时间:2010-11-25 21:57:45。