液压汽车起重机工况核算计算书
- 格式:doc
- 大小:50.50 KB
- 文档页数:4
48235520015010055001.2
15968.5
0.616124235.5
5.5
82.3
158.7
n-汽车吊支腿数量Mkmax-汽车起重机特定吊装工况下最大倾覆力矩 kN*m B-汽车起重机纵向和横向支腿间距中数值较小的支腿间距 m 1.3 支腿压力计算一:当F4≥0时,按以下公式计算a-计算角度,如图所示,当a=arctan(B/L)时最不利L-汽车起重机纵向和横向支腿间距中数值较大的支腿间距 m G6-部分汽车起重机的超起支架、塔况支架、副臂等自重 kN Gn-可能实际存在的其它类别自重 kN K-动载系数,一般取1.1~1.31.2 特定吊装工况下最大倾覆力矩计算
G1-汽车起重机裸机自重 kN G2-部分重型汽车起重机的可拆卸平衡配重自重 kN G3-实际吊载 kN G4-吊索具自重 kN G5-吊钩自重 kN 1.1 作用在支腿上的竖向荷载计算
Fvk-汽车起重机特定吊装工况下作用在支腿上的竖向总载荷 kN FGk-汽车起重机自重 kN 计算公式:F VK =G 1+G 2+K(G 3+G 4+G 5)+G 6+G n B a
M L a M n F F vk 2cos
2sin max k max k 3++=B a
M L a M n F F vk 2cos
-2sin max k max k 4-=B a
M L a
M
n F F vk 2cos -2sin max k max k 1+=B a
M L a M n F F vk 2cos
2sin -max k max k 2+=计算公式:M kmax =(0.5F vk −0.15F Gk )B
计算公式:F GK =G 1+G 2+G 5+G 6
α。
小型汽车吊上楼面验算计算书专业:结构总设计师(项目负责人):__ _审核: ____ ____ _校对: ____ __ _ ____设计计算人: ____ _________ _***********所有限公司2018年1月汽车吊上楼面施工作业存在两种工况:工况一为汽车吊在楼面上行走的工况,工况二为汽车吊吊装作业时的工况。
一、楼面行走工况1、设计荷载根据原结构设计模型,四层楼面设计恒荷载9kN/m2,楼面设计活荷载8kN/m2,四层楼面楼板厚度120mm,楼板自重恒荷载3kN/m2。
因此,汽车吊楼面行走工况下,等效均布荷载不超过(9-3)+8=14kN/m2为宜。
汽车吊行走区域如下图所示。
图1汽车吊行走区域布置图2、吊车荷载及尺寸3、汽车吊行驶相关参数15吨小型汽车吊基本尺寸、轮宽及其行驶过程中各轮位置对楼板产生的荷载如下图所示:图2汽车荷载参数4、承载力校核15吨汽车吊行走时,后两轮居于板跨中为最不利工况,如下图:图3 汽车楼面行走计算简图4.1 基本资料4.1.1 工程名称:局部承压计算4.1.2 周边支承的双向板,按上下和左右支承单向板的绝对最大弯矩等值,板的跨度Lx =3250mm,Ly =8000mm,板的厚度h =120mm4.1.3 局部荷载4.1.3.1 第一局部荷载局部集中荷载N =42kN,荷载作用面的宽度btx =200mm,荷载作用面的宽度bty =600mm;垫层厚度s =0mm荷载作用面中心至板左边的距离x =1625mm,最左端至板左边的距离x1 =1525mm,最右端至板右边的距离x2 =1525mm荷载作用面中心至板下边的距离y =3100mm,最下端至板下边的距离y1 =2800mm,最上端至板上边的距离y2 =4600mm4.1.3.2 第二局部荷载局部集中荷载N =42kN,荷载作用面的宽度btx =200mm,荷载作用面的宽度bty =600mm;垫层厚度s =0mm荷载作用面中心至板左边的距离x =1625mm,最左端至板左边的距离x1 =1525mm,最右端至板右边的距离x2 =1525mm荷载作用面中心至板下边的距离y =4900mm,最下端至板下边的距离y1 =4600mm,最上端至板上边的距离y2 =2800mm4.2 第一局部荷载4.2.1 荷载作用面的计算宽度4.2.1.1 bcx =btx + 2s + h =200+2*0+120 =320mm4.2.1.2 bcy =bty + 2s + h =600+2*0+120 =720mm4.2.2 局部荷载的有效分布宽度4.2.2.1 按上下支承考虑时局部荷载的有效分布宽度当bcy ≥bcx,bcx ≤0.6Ly 时,取bx =bcx + 0.7Ly =320+0.7*8000 =5920mm当bx >Lx 时,取bx =Lx =3250mm4.2.2.2 按左右支承考虑时局部荷载的有效分布宽度当bcx <bcy,bcy ≤2.2Lx 时,取by =2bcy / 3 + 0.73Lx =2*720/3+0.73*3250 =2853mm当0.5by >0.5ey2 时,取by =1426 + 0.5ey2 =1426+0.5*1800 =2326mm4.2.3 绝对最大弯矩4.2.3.1 按上下支承考虑时的绝对最大弯矩4.2.3.1.1 将局部集中荷载转换为Y 向线荷载qy =N / bty =42/0.6 =70kN/m4.2.3.1.2 MmaxY=qy·bty·(Ly - y)·[y1 + bty·(Ly - y) / 2Ly] / Ly=70*0.6*(8-3.1)*[2.8+0.6*(8-3.1)/(2*8)]/8 =76.76kN·m4.2.3.2 按左右支承考虑时的绝对最大弯矩4.2.3.2.1 将局部集中荷载转换为X 向线荷载qx =N / btx =42/0.2 =210kN/m4.2.3.2.2 MmaxX=qx·btx·(Lx - x)·[x1 + btx·(Lx - x) / 2Lx] / Lx=210*0.2*(3.25-1.625)*[1.525+0.2*(3.25-1.625)/(2*3.25)]/3.25=33.08kN·m4.2.4 由绝对最大弯矩等值确定的等效均布荷载4.2.4.1 按上下支承考虑时的等效均布荷载qey =8MmaxY / (bx·Ly2) =8*76.76/(3.25*82) =2.95kN/m24.2.4.2 按左右支承考虑时的等效均布荷载qex =8MmaxX / (by·Lx2) =8*33.08/(2.326*3.252) =10.77kN/m24.2.5 由局部荷载总和除以全部受荷面积求得的平均均布荷载qe' =N / (Lx·Ly) =42/(3.25*8) =1.62kN/m24.3 第二局部荷载4.3.1荷载作用面的计算宽度4.3.1.1b cx=b tx + 2s + h =200+2*0+120 =320mm4.3.1.2b cy=b ty + 2s + h =600+2*0+120 =720mm4.3.2局部荷载的有效分布宽度4.3.2.1按上下支承考虑时局部荷载的有效分布宽度当b cy≥b cx,b cx≤0.6L y时,取b x=b cx + 0.7L y=320+0.7*8000 =5920mm当b x>L x时,取b x=L x=3250mm4.3.2.2按左右支承考虑时局部荷载的有效分布宽度当b cx<b cy,b cy≤2.2L x时,取b y=2b cy / 3 + 0.73L x=2*720/3+0.73*3250 =2853mm当0.5b y>0.5e y1时,取b y=0.5e y1 + 1426 =0.5*1800+1426 =2326mm4.3.3绝对最大弯矩4.3.3.1按上下支承考虑时的绝对最大弯矩4.3.3.1.1将局部集中荷载转换为Y 向线荷载q y=N / b ty=42/0.6 =70kN/m4.3.3.1.2M maxY=q y·b ty·(L y - y)·[y1 + b ty·(L y - y) / 2L y] / L y=70*0.6*(8-4.9)*[4.6+0.6*(8-4.9)/(2*8)]/8=76.76kN·m4.3.3.2按左右支承考虑时的绝对最大弯矩4.3.3.2.1将局部集中荷载转换为X 向线荷载q x=N / b tx=42/0.2 =210kN/m4.3.3.2.2M maxX=q x·b tx·(L x - x)·[x1 + b tx·(L x - x) / 2L x] / L x=210*0.2*(3.25-1.625)*[1.525+0.2*(3.25-1.625)/(2*3.25)]/3.25=33.08kN·m4.3.4由绝对最大弯矩等值确定的等效均布荷载4.3.4.1按上下支承考虑时的等效均布荷载q ey=8M maxY / (b x·L y2) =8*76.76/(3.25*82) =2.95kN/m24.3.4.2按左右支承考虑时的等效均布荷载q ex=8M maxX / (b y·L x2) =8*33.08/(2.326*3.252) =10.77kN/m2 4.3.5由局部荷载总和除以全部受荷面积求得的平均均布荷载q e' =N / (L x·L y) =42/(3.25*8) =1.62kN/m24.4 结果汇总4.4.1 等效均布荷载qe =10.77kN/m2<14kN/m2二、汽车吊装工况1、吊车支腿压力计算根据施工方案,15t汽车吊钢架拼装过程中,最不利工况为:吊装半径12m,吊重1.2t,即起重力矩为14.4t▪m,汽车吊自重为15吨。
庆鼎精密电子(淮安)有限公司吊装计算书现场预备吊装构建重量计算图表如下:GJ-01、GJ-02均由五榀钢梁连接成一整体:重量分别L1:5420.27kg、L2:5618.37kg、L3:6241.16kg、L4:5613.79kg、L5:5275.76kg现场钢梁在地面组拼进行3+2吊装法:L1+L2+=11.03T 、L3=6.241T、L4+L5=10.89T分三组进行吊装。
GJ吊车自F轴向A轴吊装,100吨汽车吊性能表如下所示:可以看出100吨汽车吊在主臂32.468m,作业半径为9m时候可以吊装27.87T吨,满足吊装工况要求。
液压汽车起重机工况核算计算书计算依据:1、《建筑施工起重吊装安全技术规范》JGJ276-20122、《起重吊装计算及安全技术》主编卜一德3、《钢结构设计规范》GB50017-2003一、基本参数二、计算示意图参数示意图起重臂坐标示意图三、起重机核算建立平面直角坐标系:以穿过起重臂铰链中心的水平线为X轴,以穿过吊装构件中心的竖直线为Y轴,A点坐标:x A=R+b3=9+2.67=11.67my A=0mB点坐标:x B=S/2=2/2=1my B=h3-h b=24.8-3.3=21.5mC点坐标:x C=0my C=h1+h2+h3-h b=2+6.798+24.8-3.3=30.298m直线AC的倾角:α1=arctg(y C/x A)= arctg(30.298/11.67)=68.935°经过点A与(以B点为圆心,f+d/2为半径的圆)相切的点形成的直线的倾角:α2=arctg(y B/(x A-x B))+arcsin((f+d/2)/(y B2+(x A-x B)2)0.5)=arctg(21.5/(11.67-1))+arcsin((1+1/2)/(21.52+(11.67-1)2)0.5)=67.189°起重臂仰角:α=α1=68.935°最小臂长:L= x A/cosα=32.468 m幅度:R=9m液压汽车起重机智能选择计算书计算依据:1、《建筑施工起重吊装安全技术规范》JGJ276-20122、《起重吊装计算及安全技术》主编卜一德3、《钢结构设计规范》GB50017-2003一、基本参数二、计算示意图参数示意图三、起重机核算起重吊装荷载:QK=11.03×2=22.06t核算结果:起重机型号:AC100设计幅度(m):9设计臂长(m):32.468起重机额定起重能力(t):[QK]=27.872QK=22.06≤[QK]=27.872满足要求!汽车式起重机稳定性验算计算书计算依据:1、《建筑施工起重吊装安全技术规范》JGJ276-20122、《起重吊装计算及安全技术》主编卜一德一、计算参数二、计算示意图示意图三、汽车式起重机稳定性验算稳定性安全系数:K=M r/M ov=[G1(l1+a1)+G2a1+G3(l3+a1)]/[(Q1+Q2)(R-a1)+Q3x]=[35 8×(1+2.5)+15×2.5+30×(3+2.5)]/[(118.8+0.85)(9-2.5)+10×0.4]=1.862 K=1.862≥[K]=1.85满足要求!吊绳计算书计算依据:1、《建筑施工起重吊装安全技术规范》JGJ276-20122、《建筑施工计算手册》江正荣编著3、《建筑材料规范大全》钢丝绳容许拉力计算:钢丝绳容许拉力可按下式计算:[F g] = aF g/K其中: [F g]──钢丝绳的容许拉力;F g──钢丝绳的钢丝破断拉力总和,取 Fg=703.00kN;α──考虑钢丝绳之间荷载不均匀系数,α=0.85;K ──钢丝绳使用安全系数,取 K=6.00;经计算得 [F g]=703.00×0.85/6.00=99.59kN。
小型汽车吊上楼面验算计算书专业:结构总设计师(项目负责人):__ _审核: ____ ____ _校对: ____ __ _ ____设计计算人: ____ _________ _***********所2018年1月汽车吊上楼面施工作业存在两种工况:工况一为汽车吊在楼面上行走的工况,工况二为汽车吊吊装作业时的工况。
一、楼面行走工况1、设计荷载根据原结构设计模型,四层楼面设计恒荷载9kN/m2,楼面设计活荷载8kN/m2,四层楼面楼板厚度120mm,楼板自重恒荷载3kN/m2。
因此,汽车吊楼面行走工况下,等效均布荷载不超过(9-3)+8=14kN/m2为宜。
汽车吊行走区域如下图所示。
图 1汽车吊行走区域布置图2、吊车荷载及尺寸3、汽车吊行驶相关参数15吨小型汽车吊基本尺寸、轮宽及其行驶过程中各轮位置对楼板产生的荷载如下图所示:图 2汽车荷载参数4、承载力校核15吨汽车吊行走时,后两轮居于板跨中为最不利工况,如下图:图 3 汽车楼面行走计算简图4.1 基本资料4.1.1 工程名称:局部承压计算4.1.2 周边支承的双向板,按上下和左右支承单向板的绝对最大弯矩等值,板的跨度 Lx = 3250mm, Ly = 8000mm,板的厚度 h = 120mm4.1.3 局部荷载4.1.3.1 第一局部荷载局部集中荷载 N = 42kN,荷载作用面的宽度 btx = 200mm,荷载作用面的宽度 bty = 600mm;垫层厚度 s = 0mm荷载作用面中心至板左边的距离 x = 1625mm,最左端至板左边的距离x1 = 1525mm,最右端至板右边的距离 x2 = 1525mm荷载作用面中心至板下边的距离 y = 3100mm,最下端至板下边的距离y1 = 2800mm,最上端至板上边的距离 y2 = 4600mm4.1.3.2 第二局部荷载局部集中荷载 N = 42kN,荷载作用面的宽度 btx = 200mm,荷载作用面的宽度 bty = 600mm;垫层厚度 s = 0mm荷载作用面中心至板左边的距离 x = 1625mm,最左端至板左边的距离x1 = 1525mm,最右端至板右边的距离 x2 = 1525mm荷载作用面中心至板下边的距离 y = 4900mm,最下端至板下边的距离y1 = 4600mm,最上端至板上边的距离 y2 = 2800mm4.2 第一局部荷载4.2.1 荷载作用面的计算宽度4.2.1.1 bcx = btx + 2s + h = 200+2*0+120 = 320mm4.2.1.2 bcy = bty + 2s + h = 600+2*0+120 = 720mm4.2.2 局部荷载的有效分布宽度4.2.2.1 按上下支承考虑时局部荷载的有效分布宽度当 bcy ≥ bcx, bcx ≤ 0.6Ly 时,取 bx = bcx + 0.7Ly =320+0.7*8000 = 5920mm当 bx > Lx 时,取 bx = Lx = 3250mm4.2.2.2 按左右支承考虑时局部荷载的有效分布宽度当 bcx < bcy, bcy ≤ 2.2Lx 时,取by = 2bcy / 3 + 0.73Lx = 2*720/3+0.73*3250 = 2853mm 当 0.5by > 0.5ey2 时,取 by = 1426 + 0.5ey2 = 1426+0.5*1800 =2326mm4.2.3 绝对最大弯矩4.2.3.1 按上下支承考虑时的绝对最大弯矩4.2.3.1.1 将局部集中荷载转换为 Y 向线荷载qy = N / bty = 42/0.6 = 70kN/m4.2.3.1.2 MmaxY=qy·bty·(Ly - y)·[y1 + bty·(Ly - y) / 2Ly] / Ly= 70*0.6*(8-3.1)*[2.8+0.6*(8-3.1)/(2*8)]/8 =76.76kN·m4.2.3.2 按左右支承考虑时的绝对最大弯矩4.2.3.2.1 将局部集中荷载转换为 X 向线荷载qx = N / btx = 42/0.2 = 210kN/m4.2.3.2.2 MmaxX=qx·btx·(Lx - x)·[x1 + btx·(Lx - x) / 2Lx] / Lx=210*0.2*(3.25-1.625)*[1.525+0.2*(3.25-1.625)/(2*3.25)]/3.25 = 33.08kN·m4.2.4 由绝对最大弯矩等值确定的等效均布荷载4.2.4.1 按上下支承考虑时的等效均布荷载qey = 8MmaxY / (bx·Ly2) = 8*76.76/(3.25*82) = 2.95kN/m24.2.4.2 按左右支承考虑时的等效均布荷载qex = 8MmaxX / (by·Lx2) = 8*33.08/(2.326*3.252) = 10.77kN/m24.2.5 由局部荷载总和除以全部受荷面积求得的平均均布荷载qe' = N / (Lx·Ly) = 42/(3.25*8) = 1.62kN/m24.3 第二局部荷载4.3.1荷载作用面的计算宽度4.3.1.1 b cx= b tx + 2s + h = 200+2*0+120 = 320mm4.3.1.2 b cy= b ty + 2s + h = 600+2*0+120 = 720mm4.3.2局部荷载的有效分布宽度4.3.2.1按上下支承考虑时局部荷载的有效分布宽度当 b cy≥ b cx, b cx≤ 0.6L y时,取 b x= b cx+ 0.7L y= 320+0.7*8000 = 5920mm当 b x> L x时,取 b x= L x= 3250mm4.3.2.2按左右支承考虑时局部荷载的有效分布宽度当 b cx< b cy, b cy≤ 2.2L x时,取b y= 2b cy / 3 + 0.73L x= 2*720/3+0.73*3250 = 2853mm当 0.5b y> 0.5e y1时,取 b y= 0.5e y1 + 1426 = 0.5*1800+1426 =2326mm4.3.3绝对最大弯矩4.3.3.1按上下支承考虑时的绝对最大弯矩4.3.3.1.1将局部集中荷载转换为 Y 向线荷载q y= N / b ty= 42/0.6 = 70kN/m4.3.3.1.2 M maxY= q y·b ty·(L y - y)·[y1 + b ty·(L y - y) / 2L y] / L y= 70*0.6*(8-4.9)*[4.6+0.6*(8-4.9)/(2*8)]/8= 76.76kN·m4.3.3.2按左右支承考虑时的绝对最大弯矩4.3.3.2.1将局部集中荷载转换为 X 向线荷载q x= N / b tx= 42/0.2 = 210kN/m4.3.3.2.2 M maxX= q x·b tx·(L x - x)·[x1 + b tx·(L x - x) / 2L x] / L x=210*0.2*(3.25-1.625)*[1.525+0.2*(3.25-1.625)/(2*3.25)]/3.25= 33.08kN·m4.3.4由绝对最大弯矩等值确定的等效均布荷载4.3.4.1按上下支承考虑时的等效均布荷载q ey= 8M maxY / (b x·L y2) = 8*76.76/(3.25*82) = 2.95kN/m24.3.4.2按左右支承考虑时的等效均布荷载q ex= 8M maxX / (b y·L x2) = 8*33.08/(2.326*3.252) = 10.77kN/m24.3.5由局部荷载总和除以全部受荷面积求得的平均均布荷载q e' = N / (L x·L y) = 42/(3.25*8) = 1.62kN/m24.4 结果汇总4.4.1 等效均布荷载 qe = 10.77kN/m2<14kN/m2二、汽车吊装工况1、吊车支腿压力计算根据施工方案,15t汽车吊钢架拼装过程中,最不利工况为:吊装半径12m,吊重1.2t,即起重力矩为14.4t▪m,汽车吊自重为15吨。
汽车吊的选用要综合考虑安全和经济,需要根据起重物重量,结合现场情况计算出“吊车臂杆的最小长度”,再通过查询吊车性能表选用安全、经济的型号。
(后附吊装方案示例)汽车吊工作参数计算:一、吊车起重量Q 应满足:Q ≥K (Q 1+Q 2)。
式中 Q 1—吊装物重量; Q 2—绑扎索具重量; K —动载荷系数(取1.1)。
二、吊车起吊高度H 应满足H ≥h 1+h 2+h 3+h 4。
式中 h 1—安装支撑面高度;h 2—安装间隙;h 3—绑扎点至设备底面的距离; h 4—吊索高度。
三、吊车臂杆的最小长度按下式计算:ααcos Ssin h 021+=+=L L L 3Sh arctg=α 式中h 0= h 1+h 2+h 3-h 5 。
h 5—吊车吊臂下铰点离地面高度; S —主吊臂与除氧器中心距离。
四、吊车在最小臂长时起重半径R=Lcosα-F式中:F—吊车吊臂下铰点至吊车回转中心距离。
施工方案编制示例1 编制依据1.1《施工组织设计》;1.2设备厂家随机图纸及有关技术文件;1.3设计图纸;1.4《工程建设安装工程起重施工规范》;1.5《一般用途钢丝绳》;1.6《煤矿安装工程质量检验评定标准》;1.7《机械设备安装工程施工及验收通用规范》。
2工程概况原煤准备车间设备安装工程,主要内容包括:刮板输送机5台,粗破碎机3台,二次破碎机3台,除铁器1台,带式输送机1条,原煤分级筛3台。
主要设备一览表表13施工准备3.1主要材料设备准备3.1.1设备已开箱清点,零部件齐全完整,设备外表面无凹坑、划痕及机械损伤。
经查阅,厂家质量证明资料齐全。
3.1.2施工前对吊装用机具、索具及其他工器具进行检查,确保其性能良好,满足吊装要求。
测量器具已经过校验并在有效期内。
3.1.3破碎机滑道制作安装就位,并接长延伸至厂房外1米。
内齿轮固定牢固,滑车穿绳完成。
3.1.4设备吊装前用手拉葫芦调平完成,设备上绑扎两根溜绳。
3.1.5基础垫铁加工完成3.2技术准备3.2.1有关设备的设计院图纸及制造厂图纸齐全完整,图纸已经过会审,避免土建图纸与安装图纸在设计上矛盾。
小型汽车吊上楼面验算计算书专业:结构总设计师(项目负责人):__ _审核: ____ ____ _校对: ____ __ _ ____设计计算人: ____ _________ _***********所2018年1月汽车吊上楼面施工作业存在两种工况:工况一为汽车吊在楼面上行走的工况,工况二为汽车吊吊装作业时的工况。
一、楼面行走工况1、设计荷载根据原结构设计模型,四层楼面设计恒荷载9kN/m2,楼面设计活荷载8kN/m2,四层楼面楼板厚度120mm,楼板自重恒荷载3kN/m2。
因此,汽车吊楼面行走工况下,等效均布荷载不超过(9-3)+8=14kN/m2为宜。
汽车吊行走区域如下图所示。
图 1汽车吊行走区域布置图2、吊车荷载及尺寸3、汽车吊行驶相关参数15吨小型汽车吊基本尺寸、轮宽及其行驶过程中各轮位置对楼板产生的荷载如下图所示:图 2汽车荷载参数4、承载力校核15吨汽车吊行走时,后两轮居于板跨中为最不利工况,如下图:图 3 汽车楼面行走计算简图4.1 基本资料4.1.1 工程名称:局部承压计算4.1.2 周边支承的双向板,按上下和左右支承单向板的绝对最大弯矩等值,板的跨度 Lx = 3250mm, Ly = 8000mm,板的厚度 h = 120mm4.1.3 局部荷载4.1.3.1 第一局部荷载局部集中荷载 N = 42kN,荷载作用面的宽度 btx = 200mm,荷载作用面的宽度 bty = 600mm;垫层厚度 s = 0mm荷载作用面中心至板左边的距离 x = 1625mm,最左端至板左边的距离x1 = 1525mm,最右端至板右边的距离 x2 = 1525mm荷载作用面中心至板下边的距离 y = 3100mm,最下端至板下边的距离y1 = 2800mm,最上端至板上边的距离 y2 = 4600mm4.1.3.2 第二局部荷载局部集中荷载 N = 42kN,荷载作用面的宽度 btx = 200mm,荷载作用面的宽度 bty = 600mm;垫层厚度 s = 0mm荷载作用面中心至板左边的距离 x = 1625mm,最左端至板左边的距离x1 = 1525mm,最右端至板右边的距离 x2 = 1525mm荷载作用面中心至板下边的距离 y = 4900mm,最下端至板下边的距离y1 = 4600mm,最上端至板上边的距离 y2 = 2800mm4.2 第一局部荷载4.2.1 荷载作用面的计算宽度4.2.1.1 bcx = btx + 2s + h = 200+2*0+120 = 320mm4.2.1.2 bcy = bty + 2s + h = 600+2*0+120 = 720mm4.2.2 局部荷载的有效分布宽度4.2.2.1 按上下支承考虑时局部荷载的有效分布宽度当 bcy ≥ bcx, bcx ≤ 0.6Ly 时,取 bx = bcx + 0.7Ly =320+0.7*8000 = 5920mm当 bx > Lx 时,取 bx = Lx = 3250mm4.2.2.2 按左右支承考虑时局部荷载的有效分布宽度当 bcx < bcy, bcy ≤ 2.2Lx 时,取by = 2bcy / 3 + 0.73Lx = 2*720/3+0.73*3250 = 2853mm 当 0.5by > 0.5ey2 时,取 by = 1426 + 0.5ey2 = 1426+0.5*1800 =2326mm4.2.3 绝对最大弯矩4.2.3.1 按上下支承考虑时的绝对最大弯矩4.2.3.1.1 将局部集中荷载转换为 Y 向线荷载qy = N / bty = 42/0.6 = 70kN/m4.2.3.1.2 MmaxY=qy·bty·(Ly - y)·[y1 + bty·(Ly - y) / 2Ly] / Ly= 70*0.6*(8-3.1)*[2.8+0.6*(8-3.1)/(2*8)]/8 =76.76kN·m4.2.3.2 按左右支承考虑时的绝对最大弯矩4.2.3.2.1 将局部集中荷载转换为 X 向线荷载qx = N / btx = 42/0.2 = 210kN/m4.2.3.2.2 MmaxX=qx·btx·(Lx - x)·[x1 + btx·(Lx - x) / 2Lx] / Lx=210*0.2*(3.25-1.625)*[1.525+0.2*(3.25-1.625)/(2*3.25)]/3.25 = 33.08kN·m4.2.4 由绝对最大弯矩等值确定的等效均布荷载4.2.4.1 按上下支承考虑时的等效均布荷载qey = 8MmaxY / (bx·Ly2) = 8*76.76/(3.25*82) = 2.95kN/m24.2.4.2 按左右支承考虑时的等效均布荷载qex = 8MmaxX / (by·Lx2) = 8*33.08/(2.326*3.252) = 10.77kN/m24.2.5 由局部荷载总和除以全部受荷面积求得的平均均布荷载qe' = N / (Lx·Ly) = 42/(3.25*8) = 1.62kN/m24.3 第二局部荷载4.3.1荷载作用面的计算宽度4.3.1.1 b cx= b tx + 2s + h = 200+2*0+120 = 320mm4.3.1.2 b cy= b ty + 2s + h = 600+2*0+120 = 720mm4.3.2局部荷载的有效分布宽度4.3.2.1按上下支承考虑时局部荷载的有效分布宽度当 b cy≥ b cx, b cx≤ 0.6L y时,取 b x= b cx+ 0.7L y= 320+0.7*8000 = 5920mm当 b x> L x时,取 b x= L x= 3250mm4.3.2.2按左右支承考虑时局部荷载的有效分布宽度当 b cx< b cy, b cy≤ 2.2L x时,取b y= 2b cy / 3 + 0.73L x= 2*720/3+0.73*3250 = 2853mm当 0.5b y> 0.5e y1时,取 b y= 0.5e y1 + 1426 = 0.5*1800+1426 =2326mm4.3.3绝对最大弯矩4.3.3.1按上下支承考虑时的绝对最大弯矩4.3.3.1.1将局部集中荷载转换为 Y 向线荷载q y= N / b ty= 42/0.6 = 70kN/m4.3.3.1.2 M maxY= q y·b ty·(L y - y)·[y1 + b ty·(L y - y) / 2L y] / L y= 70*0.6*(8-4.9)*[4.6+0.6*(8-4.9)/(2*8)]/8= 76.76kN·m4.3.3.2按左右支承考虑时的绝对最大弯矩4.3.3.2.1将局部集中荷载转换为 X 向线荷载q x= N / b tx= 42/0.2 = 210kN/m4.3.3.2.2 M maxX= q x·b tx·(L x - x)·[x1 + b tx·(L x - x) / 2L x] / L x=210*0.2*(3.25-1.625)*[1.525+0.2*(3.25-1.625)/(2*3.25)]/3.25= 33.08kN·m4.3.4由绝对最大弯矩等值确定的等效均布荷载4.3.4.1按上下支承考虑时的等效均布荷载q ey= 8M maxY / (b x·L y2) = 8*76.76/(3.25*82) = 2.95kN/m24.3.4.2按左右支承考虑时的等效均布荷载q ex= 8M maxX / (b y·L x2) = 8*33.08/(2.326*3.252) = 10.77kN/m24.3.5由局部荷载总和除以全部受荷面积求得的平均均布荷载q e' = N / (L x·L y) = 42/(3.25*8) = 1.62kN/m24.4 结果汇总4.4.1 等效均布荷载 qe = 10.77kN/m2<14kN/m2二、汽车吊装工况1、吊车支腿压力计算根据施工方案,15t汽车吊钢架拼装过程中,最不利工况为:吊装半径12m,吊重1.2t,即起重力矩为14.4t▪m,汽车吊自重为15吨。
汽车吊吊装计算书附件:附件1:汽车吊吊装计算书根据相关规范、技术规程规定要求,根据吊装重量计算确定吊车型号应考虑安全系数,同时结合本项目特点考虑采用双机抬吊方式吊装的折减系数,复核验算如下:一、预制小箱梁吊装汽车吊工况及验算本项目后张法预应力20m ⅛预制箱梁单片边梁梁长20m,高1.176米,中板顶宽2.4米,板底宽1.0米,重量为51. 2OtO预制小箱梁计划采用汽车吊双机抬吊,吊装钢丝绳位置选择在距构件两端1.5In的位置。
运输便道及吊装平台地面标髙为20. 3m,设计桥面标高为24.207m(北Ott台)~24.427m(中1#墩)^24. 644m(南2#台),桥面结构层厚度为O. 2m,则设计小箱梁面标髙为24. 007m(北0#台)~24.227m(中1#墩)^24. 444m(南2#台)。
1・汽车吊的选型及验算(1)Ott-W跨吊装:计划采用一台130T, —台300T汽车吊吊装小箱梁,吊装钢丝绳位置选择在距构件两端1.5m的位置,130T吊车停机在0#桥台,300T吊车停机在施工平台,先吊装主梁厂主梁4四片箱梁,然后130T吊车站位不变,300T吊车收臂移车到施工便道,吊装主梁3~主梁1三片箱梁。
具体汽车吊站位详见附图。
(2)W-2#跨吊装:同0#-1#跨吊装。
最不利工况:30Ot吊车站位0#-1#跨施工平台,吊装最左侧边梁(主梁7), 边梁设计混凝土20. 5方,重51.25吨。
(3)QY130T汽车吊选型验算1)QY130K汽车起重机起升性能表表1主臂起重性能表(kg, m)2)130汽车吊起重重量计算G 总二Ql+Q2=51.25÷2=53. 25t式中:Q1—为单片小箱梁的自重,在此取QI二51. 25吨;Q2—吊车吊钩及索具的重量,Q2二2吨;双机抬吊按一台QY130T型汽车吊负荷平均分配,即单机实际承担的理论载荷为26. 63t,考虑动载系数1.2,安全吊装预制小箱梁的全重(单机承担的) =26. 63×1. 2=31. 95t o3)130t汽车吊工作半径R计算R=SQRT((Ll+L1∕2)* (L1+L1∕2)+ (L2+ L3+L0/2)* (L2+ L3+L0/2))=SQRT ((2. 95*2+2. 95/2) * (2. 95*2+2. 95/2) + (2+1. 5+7. 6/2) * (2+1. 5+7. 6/2))=10. 03m式中:Ll-相邻两片小箱梁轴心间距,Ll二2. 93m;L2—最不利工况(汽车吊停机点在围堰地面)吊装时,吊臂与小箱梁端头间的水平方向的安全距离,L2取2m;吊臂与回转机构间的间距不另计。
目录1 工程概况 (1)2 荷载分析 (4)3 模型建立 (6)4计算结果 (7)5 结论 (12)1 工程概况襄河大桥钢箱梁架设采用支架法施工:架设时从3#墩开始,先原位支架法架设B/A8/A7/A6/A5节段,然后利用拖拉轨道依次拖拉C/A’/A1/A2/A3节段至设计位置,拖拉完毕之后,在A4节段进行合龙。
桥面架设时采用一台200t汽车吊在3#墩周围地面作为提梁设备,桥面设置一台人力简易运梁车作为运梁设备。
钢梁焊接完毕之后方可上车承受荷载。
每架设完成一个横断面钢箱梁,对桥中线、标高、节间平面对角线差及构件应力等进行测量,若有偏差,及时通过柱顶抄垫箱和千斤顶进行调整。
具体施工步骤如下:步骤一:(1)采用履带式打桩机施工岸上桩基,采用80t履带吊在浮船上进行河道内桩基施工;(2)采用25t汽车吊进行岸上支架安装,采用80t履带吊在浮船上进行河道内支架安装。
图1.1 步骤图(一)步骤二:(1)清理场地,采用200t汽车吊在3#墩侧地面拼装B和A8节段钢箱梁;(2)吊装时,吊车支腿需铺设一定厚度的路基箱;梁块横向从中间向两边对称拼装。
图1.2 步骤图(二)步骤三:(1)B和A8段线型调整完毕并焊接完成后,采用350t汽车吊将130t汽车吊吊装至桥面作业;(2)采用200t汽车吊在3#墩侧提梁,130t汽车吊在桥面拼装A7节段钢箱梁;(3)吊装时,吊车支腿需按指定位置站位,并在支腿下铺设一定厚度的路基箱。
图1.3 步骤图(三)步骤四:(1)采用200t汽车吊在西大堤墩侧提梁,运梁小车在桥面运梁,130t汽车吊按照指定路线前移,进行A6~A5节段钢箱梁的吊装;(2)每个断面梁段线型调整完毕并焊接完成后方可进入吊车进行作业。
图1.4 步骤图(四)步骤五:(1)A5节段吊装完毕,开始进行拖拉准备;(2)先将拖车装在轨道上,空载运行一周,观察情况,没有问题后进行拖拉施工;(3)依次吊装C节段横向11个吊装单元块,然后按照横向四大段的方式进行焊接,并做好段间转铰设置(大段之间各留个转铰);梁块横向从中间向两边对称拼装;(4)大段内焊接、大段间转铰设置完毕之后,开始拖拉C节段。
75t汽车式起重机稳定性验算计算书1. 引言本文档旨在对一台75t汽车式起重机的稳定性进行验算,并提供详细的计算过程和结果。
稳定性是起重机设计和运行中非常重要的指标,一个稳定的起重机可以保证运行安全和效率。
2. 起重机参数在进行稳定性验算之前,我们首先需要了解起重机的参数。
根据设计要求,这台75t汽车式起重机的参数如下:•最大起重量:75t•起重臂长度:35m•起重机自重:60t•车身长宽高:10m x 3m x 3.5m3. 稳定性验算方法稳定性验算一般分为静态稳定性和动态稳定性两个方面。
静态稳定性验证了起重机在静止状态下的稳定性,即能否保持平衡。
动态稳定性验证了起重机在运行和起重过程中的稳定性,即能否保持不翻倒。
在本文档中,我们主要关注起重机在静止状态下的稳定性验算。
4. 静态稳定性验算静态稳定性验算主要涉及到起重机的重心和支撑面积。
重心位置需要计算出来,并与支撑面积进行比较,以判断起重机是否稳定。
4.1 重心位置计算起重机的重心位置需要考虑起重臂、货物、起重机本身以及其他部件的重量和位置。
重心位置计算公式如下:重心位置计算公式重心位置计算公式其中,x为起重臂长度,w为起重臂上物料的重量,L为起重机本身的长度,w1为起重机本身的重量。
4.2 支撑面积计算支撑面积是指起重机腿部支撑地面的面积,它决定了起重机是否能够稳定地支撑自身重量和起重物的重量。
支撑面积计算常采用几何法或根据厂家提供的数据进行近似计算。
4.3 稳定性判断通过比较重心位置和支撑面积,判断起重机是否稳定。
如果重心位于支撑面积内,那么起重机是稳定的,否则是不稳定的。
5. 验算结果根据上述计算方法,我们进行了75t汽车式起重机的稳定性验算。
验算结果如下:•重心位置:根据起重臂长度和物料重量计算,重心位置为27.5m。
•支撑面积:根据厂家提供的数据,支撑面积为30m x 5m。
•稳定性判断:重心位于支撑面积内,起重机是稳定的。
6. 结论通过对75t汽车式起重机的稳定性验算,我们得出了结论:该起重机在静态状态下是稳定的。
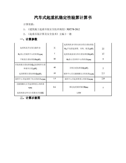
汽车式起重机稳定性验算计算书
汽车式起重机稳定性验算计算书计算依据:
1、《建筑施⼯起重吊装安全技术规范》JGJ276-2012
2、《起重吊装计算及安全技术》主编⼘⼀德
⼀、计算参数
起重机是否安装⽀腿作业是起重机机⾝可转动部分的⾃重标准值
G1(不包括起重臂、吊钩、配重)(kN)
25 G1重⼼⾄旋转中⼼的距离l1(m) 1 起重机底盘部分的⾃重标准值G2(kN) 15 平衡重⾃重标准值G3(kN) 30 G3重⼼⾄回转中⼼的距离l3(m) 3
吊装荷载⾃重标准值Q1(包括构件⾃重和索具⾃重)(kN) 40 吊钩⾃重标准值Q
2(kN)
5
起重臂臂⾃重标准值Q3(kN) 10 旋转中⼼⾄⽀腿倾翻⽀点的距离a1(m) 2.5 旋转中⼼⾄起重臂下铰点的距离a2(m) 1.4 旋转中⼼⾄起重臂重⼼的距离a3(m) 2.9 ⽀腿倾翻⽀点⾄起重臂重⼼的距离
x(m)
0.4 额定起重量时幅度R(m) 7 起重机稳定性安全系数允许值[K] 1.333
⼆、计算⽰意图
⽰意图
三、汽车式起重机稳定性验算
稳定性安全系数:
K=M r/M ov=[G1(l1+a1)+G2a1+G3(l3+a1)]/[(Q1+Q2)(R-a1)+Q3x]=[25×(1+2.5)+15×2.5+30×( 3+2.5)]/[(40+5)(7-
2.5)+10×0.4]=1.404
K=1.404≥[K]=1.333满⾜要求!。
起重吊装计算书施工方案:一、工程概况本项目为XX工程,位于XX地区,主要包括XX栋建筑物、XX配套设施以及相关室外工程。
工程占地面积XX平方米,总建筑面积XX平方米。
本次施工的重难点在于大型构件的吊装作业,其中包括钢结构的吊装、大型设备安装等。
为确保吊装作业的安全、高效进行,特制定本施工方案。
二、吊装管理(一)、吊装施工组织流程1. 吊装前准备:包括施工图纸审核、编制吊装方案、施工安全技术交底等。
2. 吊装设备选型:根据吊装物件的重量、尺寸、吊装高度等因素,选择合适的吊装设备。
3. 吊装设备检查:检查吊装设备的性能、安全性、稳定性等,确保设备正常运行。
4. 吊装作业:按照吊装方案进行吊装作业,严格执行操作规程,确保作业安全。
5. 吊装完成后验收:对吊装完成的构件进行检查、验收,确保质量合格。
(二)、现场吊装组织机构1. 项目部:负责整个吊装工程的协调、管理、监督等工作。
2. 吊装班组:负责具体的吊装作业,包括设备操作、现场指挥等。
3. 安全监督组:负责对吊装作业的安全进行监督、检查,发现问题及时整改。
(三)、管理职责1. 项目部:负责组织、协调、管理吊装工程,确保工程顺利进行;负责与甲方、监理、设计等单位的沟通协调;负责吊装方案的审批和监督实施。
2. 吊装班组:严格执行吊装方案,负责吊装作业的安全、高效完成;负责吊装设备的操作、维护、保养;参加吊装前的安全技术交底和培训。
3. 安全监督组:负责对吊装作业的安全进行全程监督,发现问题及时整改;负责组织定期、不定期的安全检查,确保吊装作业安全。
三、工器具的选用1. 吊装设备:根据工程需要,选用合适的汽车吊、履带吊、塔吊等吊装设备。
设备选型需满足以下条件:a. 吊装设备的额定起重量应大于吊装物件的重量。
b. 吊装设备的工作半径应能满足吊装物件的位置要求。
c. 吊装设备的地基承载力应满足吊装设备稳定性的要求。
d. 吊装设备的性能、安全性、稳定性等需经过严格检查。
液压汽车起重机工况核算计算书
计算依据:
1、《建筑施工起重吊装安全技术规范》JGJ276-2012
2、《起重吊装计算及安全技术》主编卜一德
3、《钢结构设计规范》GB50017-2003
一、基本参数
起重机种类 液压汽车起重机 起重机型号
QY-50
起重臂顶端至吊钩底面最小距离h1(m)
2.5 起重臂宽度d(m) 1.2
起重臂铰链中心至地面距离hb(m)
3 起重机外轮廓线至起重机回转中心距离b2(m) 2.8
起重臂铰链中心至起重机回转中心距
离b3(m)
2 吊钩底面至吊装构件顶部距离h2(m) 1
吊装构件顶部至地面距离h3(m)
5 吊装构件中心至起重机外轮廓线最小距离b1(m) 2
吊装构件直径S(m) 6.2 吊装构件与起重臂的间隙f(m)
0.4
幅度R(m)
6
二、计算示意图
参数示意图
起重臂坐标示意图
三、起重机核算
建立平面直角坐标系:以穿过起重臂铰链中心的水平线为X轴,以穿过吊装构
件中心的竖直线为Y轴,
A点坐标:
xA=R+b3=6+2=8m
yA=0m
B点坐标:
xB=S/2=6.2/2=3.1m
yB=h3-hb=5-3=2m
C点坐标:
xC=0m
yC=h1+h2+h3-hb=2.5+1+5-3=5.5m
直线AC的倾角:
α1=arctg(yC/xA)= arctg(5.5/8)=34.509°
经过点A与(以B点为圆心,f+d/2为半径的圆)相切的点形成的直线的倾角:
α2=arctg(yB/(xA-xB))+arcsin((f+d/2)/
(yB2+(xA-xB)2)0.5)=arctg(2/(8-3.1))+arcsin((0.4+1.2/2)/(22+(8-3.1)2)0.5)=33.095°
起重臂仰角:α=α1=34.509°
最小臂长:L= xA /cosα=9.708 m
幅度:R=6m