MQ100门式起重机总体计算书(附cad图)
- 格式:doc
- 大小:374.50 KB
- 文档页数:17
MQ100 门式起重机总体设计计算书一. 总体计算计算原则:MQ100门式起重机设计计算完全按《起重机设计规范》GB3811执行,并参照下列标准进行设计计算:《塔式起重机设计规范》GB/T13752-92 《法国塔式起重机设计规范》NFE52081 工作级别 A 5 利用等级 U 5 起升机构 M 5 变幅机构 M 4 回转机构 M 4 行走机构 M 4 最大幅度 13m最大起重量 8000Kg(一) 基本参数:回转速度 0.7r/min回转制动时间 5s行走速度 12.5/25m/min行走制动时间 6s 回转惯性力()Kg RM M g t Rn F 002242.0.60..25.1=⨯⨯=π回其中 g=9.81 n=0.7r/min t=5s行走惯性力: ()Kg M M g t vF 0106184.0.605.1=⨯⨯=行其中 g=9.81 V=25m/min t=6s(二) 载荷组合:自重力矩、惯性力及扭矩上表中的回转惯性力到轨顶面的力矩总计为:-1971kg.m 上表中的行走惯性力到轨顶面的力矩总计为:5378kg.m(三)起重小车、吊钩和吊重载荷起重小车265kg绳60kg吊钩230kg起升动载系数(起升机构用40RD20):=1.136, q=8tV=16m/min时,2吊重q=8000kg, 幅度R=13m(1) 吊载Q=(8000+230+60/2)×1.136+(265+60/2)×1.1=9708kgM=9708×13=126204kg.m(2) 风载(包括起重小车、吊钩和吊重)迎风面积A=5.52+1.6×82/3=11.92m2风力:F=11.92×25=298kg=298×13=3874kg.m风扭矩:Tn风力到轨道上平面的力矩:M=298×12=3576kg.m(3) 回转惯性力F=0.002242×(8000+230+265+60)×13=249kg 回转惯性扭矩: T=249×13=3237kg.mn回转惯性力到轨道上平面的力矩:M=249×12=2988kg.m (4)行走惯性力F=0.0106184×(8000+230+265+60)=91kg=91×13=1183kg.m行走惯性扭矩:Tn行走惯性力到轨道上平面的力矩:M=91×12=1092kg.m (四) 风载荷A、工作,垂直风(风向与臂架垂直)臂长jib=13m,垂直风(注:标高均指风力作用点到轨顶面的高度)上表中的风力到轨顶面的力矩总计为:14799kg.m B、工作,平行后吹风(风向与臂架平行,与底架平行)臂长jib=13m,后吹风(注:标高均指风力作用点到轨顶面的高度)上表中的风力到轨顶面的力矩总计为:11168kg.m C、工作,45︒后吹风(风向与臂架平行,与底架成45︒)臂长jib=13m,45︒后吹风(注:标高均指风力作用点到轨顶面的高度)上表中的风力到轨顶面的力矩总计为:12290kg.m D、非工作,平行后吹风(风向与臂架平行)臂长jib=13m,后吹风(注:标高均指风力作用点到轨顶面的高度)上表中的风力到轨顶面的力矩总计为:35732kg.mE、非工作,45︒后吹风(风向与臂架平行,与底架成45︒)臂长jib=13m,45︒后吹风(注:标高均指风力作用点到轨顶面的高度)上表中的风力到轨顶面的力矩总计为:-39322kg.m 二、载荷汇总MQ100门式起重机各力到轨顶面的载荷汇总如下:非工作,含小车,无系数重力:67930+495=68425kg工作,含小车,无系数重力:67930+495+60+8000=76485kg工作,含小车,有系数重力:1.1⨯67930+9708=84431kg非工作,含小车,无系数重力矩:-63443+2.9⨯495=-62008kg.m工作,含小车,无系数重力矩:-63443+8555⨯13=47772kg.m工作,含小车, 有系数重力矩:-1.1⨯63443+9708⨯13=56417kg.m工作,垂直风力:1650+298=1948kg工作,后吹风力:1422+298=1720kg工作, 45︒后吹风力:1628+298=1926kg非工作, 平行前吹风力:4550+5.52⨯80=4992kg非工作, 45︒前吹风力:5209.6+5.52⨯80=5651kg工作,垂直风力矩:14799+298⨯12=18375kg.m工作, 后吹风力矩:11168+298⨯12=14744kg.m工作, 45︒后吹风力矩:12290+298⨯12=15866kg非工作, 平行前吹风力矩:-(35732+5.52⨯80⨯12)=-41031kg.m 非工作, 45︒前吹风力矩:-(39322+5.52⨯80⨯12)=-44621kg.m 工作,回转惯性力:-142.5+249=106.5kg工作,行走惯性力:721+91=812kg工作,回转惯性力矩:-1971+249⨯12=1017kg.m工作,行走惯性力矩:5378+91⨯12=6470kg.m工作,垂直风力扭矩:146+298⨯12=3722kg工作,回转惯性力扭矩:1457+249⨯12=4445kg.m工作, 行走惯性力扭矩:-679+91⨯12=413kg.m回转离心惯性力忽略不计三、MQ100行走式门式起重机的稳定性计算(一)工作状态下的稳定性稳定力矩(kg.m)3.5m后倾翻边前倾翻边1. 工况:工作、静态、无风(R=13m,Q=8t)回转、行走M前倾=M负荷+M行走=1.5×8000×(13-1.75)+6470 =141470kg.mM前稳/M前倾=181752/141470=1.28>12. 工况:工作、动态、有风(R=13m,Q=8t)回转、后吹风M前倾=M负荷+M行走+M风=1.3×8000×(13-1.75)+6470+14744 =138214kg.mM前稳/M前倾=181752/138214=1.31>13. 工况:工作、动态、突然卸载(R=13m,Q=8t 0)无回转、无行走、风M后倾=M负荷+M风=0.3×8000×(13+1.75)+14744 =50144kg.mM后稳/M后倾=57736/50144=1.15>14. 工况:工作、动态、有风(R=13m,Q=8t)回转、行走、风M前倾=M回转+M行走+M风=1017+6470+18375=25862kg.mM稳=(67930+495+60+8000)×1.75=133849kg.mM稳/M前倾=133849/25862=5.17>15. 工况:工作、动态、无风(R=13m,Q=8t)无回转、无行走、无风 M前倾=1.6×8000×(13-1.75)=144000kg.mM前稳/M前倾=181752/144000=1.26>1(二)非工作状态下的稳定性倾翻边风M倾=1.1M风=1.2×41031=49237kg.mM稳/M倾=57736/49237=1.17>1综上所述:M100行走式门式起重机在工作状态和非工作状态下的稳定性均安全.(三)安装状态下的稳定性(1).后倾翻边M后倾=6458+481+13630-447-57-556-534=18975kg.mM后稳=(67930-1728-320-108-429-10500)×1.75=95979kg.mM后稳/M后倾=95979/18975=5.06>1(2) 装上起重臂(13m臂长时,无配重)M前倾=(63433+230×10) -64155=1578kg.mM前稳=(67930-10500)×1.75=100503kg.mM前稳/M前倾=100503/1578=63.7>1四、M100行走式门式起重机的台车支反力计算1. 工况:工作、45 后吹风(R=13m,Q=8t)、行走、风重力: 84431kg 重力力矩: 56417kg.m回转力矩: 1017kg.m 行走力矩: 6470kg.m风力矩: 15866kg.mRA=(-84431/4)+(56417+15866)/(3.5×2)+6470/(2×3.5)=-5580kgRB=(-84431/4)-1017/(3.5×2)-6470/(2×3.5)=-22238kgRC=(-84431/4)-(56417+15866)/(3.5×2)-6470/(2×3.5)=-36635kgRD=(-84431/4)+1017/(3.5×2)+6470/(2×3.5)=-19978kg2. 工况:非工作、45 前吹风(R=2.9m,Q=0)风重力: 68425kg 重力力矩: -62008kg.m风力矩: 44621kg.mRC=-68425/4+62008/(3.5×2)+44621/(3.5×2)=+4436kgRC为正,故按三点支承计算RA=-62008/(1.75×2)-44621/(1.75×2)=-43085kgRB =RD=-68425/2-62008/(2×1.75×2)-44621/(2×1.75×2)=-55755kgRC=0。
优秀设计MQ100 门式起重机总体设计计算书(共16页,含封面)XXX机械工程研究所20XX年4月一. 总体计算计算原则:MQ100门式起重机设计计算完全按《起重机设计规范》GB3811执行,并参照下列标准进行设计计算:《塔式起重机设计规范》GB/T13752-92 《法国塔式起重机设计规范》NFE52081 工作级别 A 5 利用等级 U 5 起升机构 M 5 变幅机构 M 4 回转机构 M 4 行走机构 M 4 最大幅度 13m最大起重量 8000Kg(一) 基本参数:回转速度 0.7r/min回转制动时间 5s行走速度 12.5/25m/min行走制动时间 6s 回转惯性力()Kg RM M g t Rn F 002242.0.60..25.1=⨯⨯=π回其中 g=9.81 n=0.7r/min t=5s行走惯性力: ()Kg M M g t vF 0106184.0.605.1=⨯⨯=行其中 g=9.81 V=25m/min t=6s (二) 载荷组合:自重力矩、惯性力及扭矩名称自重Kg 回转半径m对中弯矩Kg.m回转惯性力Kg回转扭矩Kg.m行走惯性力Kg行走扭矩Kg.m距行走轨顶面高度H(m)起重臂根部节 13.2m1728 7.55 13046 29.3 221 18.3 139 14.937 小车牵引机构320 8.75 2800 6.3 55 3.4 30 14.937 起重臂端部节108 14.35 1550 3.5 50 1.1 16 14.937 起重臂拉杆429 5.34 2291 6.1 33 4.6 24 16.686 平衡臂结构1656 -3.9 -6458 -14.5 57 17.6 -69 14.637 平衡臂拉杆227 -2.12 -481 -1.1 2 2.4 -5 16.353 配重10500 -6.11 -64155 -143.8 879 111.5 -681 13.762 起升机构(含钢丝绳)2350 -5.8 -13630 -30.6 177 24.9 -145 15.667 塔头2237 0.2 447 1 0.2 23.8 5 14.637 称重滑轮66 0.86 57 0.1 0.1 0.7 1 14.558 驾驶室(含电气系统)545 1.02 556 1.2 1 5.8 6 12.818 回转支承3611 0 0 0 0 38.3 0 11.417 回转机构367 0 0 0 0 3.9 0 12.217 底架10479 0 0 0 0 111.3 0 5.146 压重30800 0 0 0 0 327 0 5.146 电缆卷筒217 2 534 0 0 2.3 0 1.4 连接附件600 0 0 0 0 6.4 0 0.55 行走机构1690 0 0 0 0 17.9 0 0.26 合计67930 -63443 -142.5 1457 721 -679 上表中的回转惯性力到轨顶面的力矩总计为:-1971kg.m上表中的行走惯性力到轨顶面的力矩总计为:5378kg.m(三)起重小车、吊钩和吊重载荷起重小车265kg绳60kg吊钩230kg起升动载系数(起升机构用40RD20):=1.136, q=8tV=16m/min时,2吊重q=8000kg, 幅度R=13m(1) 吊载Q=(8000+230+60/2)×1.136+(265+60/2)×1.1=9708kgM=9708×13=126204kg.m(2) 风载(包括起重小车、吊钩和吊重)迎风面积A=5.52+1.6×82/3=11.92m2风力:F=11.92×25=298kg=298×13=3874kg.m风扭矩:Tn风力到轨道上平面的力矩:M=298×12=3576kg.m(3) 回转惯性力F=0.002242×(8000+230+265+60)×13=249kg=249×13=3237kg.m回转惯性扭矩: Tn回转惯性力到轨道上平面的力矩:M=249×12=2988kg.m (4)行走惯性力F=0.0106184×(8000+230+265+60)=91kg行走惯性扭矩:Tn=91×13=1183kg.m行走惯性力到轨道上平面的力矩:M=91×12=1092kg.m(四) 风载荷A、工作,垂直风(风向与臂架垂直)臂长jib=13m,垂直风名称迎风面积(m2) 回转半径(m)工作风力(kg)风扭矩(kg.m)标高(m)起重臂根部节 13.2m7.12 7.55 178 1343.9 14.937 小车牵引机构0.48 8.75 12 105 14.937 起重臂端部节0.22 14.35 5.5 78.9 14.937 起重臂拉杆0.78 5.34 19.5 104.1 16.686 平衡臂结构11.33 -3.9 283.3 -1104.7 14.637 平衡臂拉杆0.27 -2.12 6.8 -14.3 16.353 配重 1.36 -6.11 34 -207.7 13.762 起升机构(含钢丝绳)1.3 -5.8 32.5 -188.5 15.667 塔头3.6 0.2 90 13 14.637 称重滑轮0.2 0.86 5 4.3 14.558 驾驶室(含电气系统)0.46 1.02 11.5 11.7 12.818 回转支承 1.8 0 45 0 11.417 回转机构0.2 0 5 0 12.217 底架25.7 0 642.5 0 5.146 压重 6.62 0 165.5 0 5.146 电缆卷筒0.6 2 15 0 1.4 连接附件0.3 0 7.5 0 0.55 行走机构 3.64 0 91 0 0.26 总计 65.98 1650 146(注:标高均指风力作用点到轨顶面的高度)上表中的风力到轨顶面的力矩总计为:14799kg.mB、工作,平行后吹风(风向与臂架平行,与底架平行)臂长jib=13m,后吹风名称迎风面积(m2) 工作风力(kg标高(m)起重臂根部节 13.2m2.2 55 14.937 小车牵引机构0.5 12.5 14.937 起重臂端部节0.1 2.5 14.937 起重臂拉杆0.15 3.8 16.686 平衡臂结构 2.05 51.3 14.637 平衡臂拉杆0.5 12.5 16.353 配重 1.36 34 13.762 起升机构(含钢丝绳)1.4 35 15.667 塔头 5.6 140 14.637 称重滑轮0.12.5 14.558 驾驶室(含电气系统)1.8 45 12.818 回转支承 4 100 11.417 回转机构0.25 6.3 12.217 底架25.7 642.5 5.146 压重 6.62 165.5 5.146 电缆卷筒0.6 15 1.4 连接附件0.3 7.5 0.55 行走机构3.64 91 0.26 总计 56.87 1421.9(注:标高均指风力作用点到轨顶面的高度)上表中的风力到轨顶面的力矩总计为:11168kg.mC、工作,45︒后吹风(风向与臂架平行,与底架成45︒)臂长jib=13m,45︒后吹风名称迎风面积(m2) 工作风力(kg标高(m)起重臂根部节 13.2m2.2 55 14.937 小车牵引机构0.5 12.5 14.937 起重臂端部节0.1 2.5 14.937 起重臂拉杆0.15 3.8 16.686 平衡臂结构 2.05 51.3 14.637 平衡臂拉杆0.5 12.5 16.353 配重 1.36 34 13.762 起升机构(含钢丝绳)1.4 35 15.667 塔头 5.6 140 14.637 称重滑轮0.12.5 14.558 驾驶室(含电气系统)1.8 45 12.818 回转支承 5 125 11.417 回转机构0.25 6.3 12.217 底架30.84 771 5.146 压重7.94 198.5 5.146 电缆卷筒0.6 15 1.4 连接附件0.36 9 0.55 行走机构 4.37 109.3 0.26 总计∑65.12 1628.2(注:标高均指风力作用点到轨顶面的高度)上表中的风力到轨顶面的力矩总计为:12290kg.mD、非工作,平行后吹风(风向与臂架平行)臂长jib=13m,后吹风名称迎风面积(m2) 非工作风力(kg标高(m)起重臂根部节 13.2m2.2 176 14.937 小车牵引机构0.5 40 14.937 起重臂端部节0.1 8 14.937 起重臂拉杆0.15 12 16.686 平衡臂结构 2.05 164 14.637 平衡臂拉杆0.5 40 16.353 配重 1.36 108.8 13.762 起升机构(含钢丝绳)1.4 112 15.667 塔头 5.6 448 14.637 称重滑轮0.1 8 14.558 驾驶室(含电气系统)1.8 144 12.818 回转支承 4 320 11.417 回转机构0.25 20 12.217 底架25.7 2056 5.146 压重 6.62 529.6 5.146 电缆卷筒0.6 48 1.4 连接附件0.3 24 0.55 行走机构3.64 291.2 0.26 总计 56.87 4550(注:标高均指风力作用点到轨顶面的高度)上表中的风力到轨顶面的力矩总计为:35732kg.mE、非工作,45︒后吹风(风向与臂架平行,与底架成45︒)臂长jib=13m,45︒后吹风名称迎风面积(m2) 非工作风力(kg标高(m)起重臂根部节 13.2m2.2 176 14.937 小车牵引机构0.5 40 14.937 起重臂端部节0.1 8 14.937 起重臂拉杆0.15 12 16.686 平衡臂结构 2.05 164 14.637 平衡臂拉杆0.5 40 16.353 配重 1.36 108.8 13.762 起升机构(含钢丝绳)1.4 112 15.667 塔头 5.6 448 14.637 称重滑轮0.1 8 14.558 驾驶室(含电气系统)1.8 144 12.818 回转支承 5 400 11.417 回转机构0.25 20 12.217 底架30.84 2467.2 5.146 压重7.94 635.2 5.146 电缆卷筒0.6 48 1.4 连接附件0.36 28.8 0.55 行走机构 4.37 349.6 0.26 总计∑65.12 5209.6(注:标高均指风力作用点到轨顶面的高度)上表中的风力到轨顶面的力矩总计为:-39322kg.m二、载荷汇总MQ100门式起重机各力到轨顶面的载荷汇总如下:非工作,含小车,无系数重力:67930+495=68425kg工作,含小车,无系数重力:67930+495+60+8000=76485kg工作,含小车,有系数重力:1.1⨯67930+9708=84431kg非工作,含小车,无系数重力矩:-63443+2.9⨯495=-62008kg.m工作,含小车,无系数重力矩:-63443+8555⨯13=47772kg.m工作,含小车, 有系数重力矩:-1.1⨯63443+9708⨯13=56417kg.m工作,垂直风力:1650+298=1948kg工作,后吹风力:1422+298=1720kg工作, 45︒后吹风力:1628+298=1926kg非工作, 平行前吹风力:4550+5.52⨯80=4992kg非工作, 45︒前吹风力:5209.6+5.52⨯80=5651kg工作,垂直风力矩:14799+298⨯12=18375kg.m工作, 后吹风力矩:11168+298⨯12=14744kg.m工作, 45︒后吹风力矩:12290+298⨯12=15866kg非工作, 平行前吹风力矩:-(35732+5.52⨯80⨯12)=-41031kg.m 非工作, 45︒前吹风力矩:-(39322+5.52⨯80⨯12)=-44621kg.m 工作,回转惯性力:-142.5+249=106.5kg工作,行走惯性力:721+91=812kg工作,回转惯性力矩:-1971+249⨯12=1017kg.m工作,行走惯性力矩:5378+91⨯12=6470kg.m工作,垂直风力扭矩:146+298⨯12=3722kg工作,回转惯性力扭矩:1457+249⨯12=4445kg.m工作, 行走惯性力扭矩:-679+91⨯12=413kg.m回转离心惯性力忽略不计三、MQ100行走式门式起重机的稳定性计算(一)工作状态下的稳定性稳定力矩(kg.m)M前稳M后稳空载力矩(包括小车和吊钩)62008 -62008空载时自重对倾覆边的力矩119744(68425×1.75119744(68425×1.75181752 5773613m3.5m后倾翻边前倾翻边1. 工况:工作、静态、无风(R=13m,Q=8t)回转、行走M前倾=M负荷+M行走=1.5×8000×(13-1.75)+6470 =141470kg.mM前稳/M前倾=181752/141470=1.28>12. 工况:工作、动态、有风(R=13m,Q=8t)回转、行走、后吹风M前倾=M负荷+M行走+M风=1.3×8000×(13-1.75)+6470+14744 =138214kg.mM前稳/M前倾=181752/138214=1.31>13. 工况:工作、动态、突然卸载(R=13m,Q=8t 0)无回转、无行走、风M后倾=M负荷+M风=0.3×8000×(13+1.75)+14744 =50144kg.mM后稳/M后倾=57736/50144=1.15>14. 工况:工作、动态、有风(R=13m,Q=8t)回转、行走、风M前倾=M回转+M行走+M风=1017+6470+18375 =25862kg.mM稳=(67930+495+60+8000)×1.75 =133849kg.mM稳/M前倾=133849/25862=5.17>15. 工况:工作、动态、无风(R=13m,Q=8t)无回转、无行走、无风 M前倾=1.6×8000×(13-1.75)=144000kg.mM前稳/M前倾=181752/144000=1.26>1(二)非工作状态下的稳定性2.9m3.5m倾翻边风M倾=1.1M风=1.2×41031=49237kg.mM稳/M倾=57736/49237=1.17>1综上所述:M100行走式门式起重机在工作状态和非工作状态下的稳定性均安全.(三)安装状态下的稳定性(1).安装起重臂前(装起重臂前,在平衡臂上无配重)3.5m后倾翻边M后倾=6458+481+13630-447-57-556-534=18975kg.mM后稳=(67930-1728-320-108-429-10500)×1.75=95979kg.mM后稳/M后倾=95979/18975=5.06>1(2) 装上起重臂(13m臂长时,无配重)3.5m倾翻边M前倾=(63433+230×10) -64155=1578kg.mM前稳=(67930-10500)×1.75=100503kg.mM前稳/M前倾=100503/1578=63.7>1四、M100行走式门式起重机的台车支反力计算1. 工况:工作、45 后吹风(R=13m,Q=8t)D C回转、行走、风A B重力: 84431kg 重力力矩: 56417kg.m 回转力矩: 1017kg.m 行走力矩: 6470kg.m风力矩: 15866kg.mRA=(-84431/4)+(56417+15866)/(3.5×2)+6470/(2×3.5)=-5580kgRB=(-84431/4)-1017/(3.5×2)-6470/(2×3.5)=-22238kgRC=(-84431/4)-(56417+15866)/(3.5×2)-6470/(2×3.5)=-36635kgRD=(-84431/4)+1017/(3.5×2)+6470/(2×3.5)=-19978kg2. 工况:非工作、45 前吹风(R=2.9m,Q=0)D C风A B重力: 68425kg 重力力矩: -62008kg.m风力矩: 44621kg.mRC=-68425/4+62008/(3.5×2)+44621/(3.5×2)=+4436kgRC为正,故按三点支承计算RA=-62008/(1.75×2)-44621/(1.75×2)=-43085kgRB =RD=-68425/2-62008/(2×1.75×2)-44621/(2×1.75×2)=-55755kgRC=0。
中铁十局沈铁公路桥梁合同段100t龙门吊基础计算书
一、基本计算参数
1、起吊梁板时龙门吊单边荷载
以龙门吊将T梁横移到单边时为最不利受力考虑,则每台龙门吊每边最大承载g1=980/2=490KN。
因此龙门吊在纵向边缘上T梁梁板承载最大,承载为g1=490KN。
2、龙门吊自重(一台)按800KN计,则龙门吊单边轨道梁承载g2=800/2=400KN。
3、轨道和轨道基础偏安全取每延米自重
g3=1×(1.0×0.6+0.3×0.5)×2.5×10=18.75KN/m
二、、轨道梁地基承载力验算
轨道基础采用C30钢筋混凝土,台阶式设置,上部为宽50cm,高30cm,下部宽100cm,高60cm,龙门吊脚宽按7m计,轨道应力扩散只考虑两个脚间距离,砼应力不考虑扩散则:
轨道梁受压力验算:
P=g1+g2+g3=490+400+7×18.75=908.75KN
轨道基础砼应力为:
σ=γ0P/A=1.4×908.75/7=0.182MPa<[σ]=30MPa
轨道基础地基承载力验算
地基应力计算:
σ=( g1+g2+g3)/A= 908.75÷7÷1=181.75KPa
预制场地经换填山皮土碾压之后,承载力标准值为f k=250KPa,可见:σ=181.75KPa<f k=250KPa,轨道基础地基承载力满足要求。
四、龙门吊基础详见附图
附图:中铁十局沈铁公路桥梁合同段预制场100t龙门吊轨道基础示意图计算:复核:。
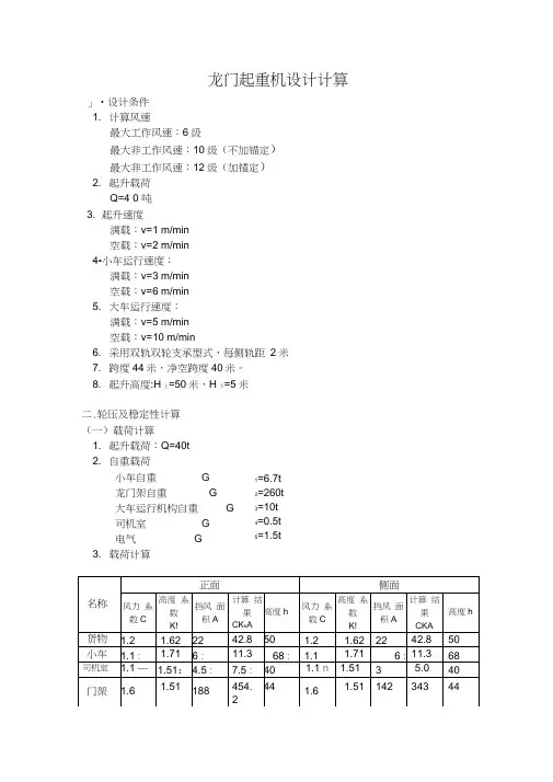
龙门起重机设计计算」•设计条件 1. 计算风速最大工作风速:6级最大非工作风速:10级(不加锚定) 最大非工作风速:12级(加锚定) 2. 起升载荷Q=4 0 吨 3. 起升速度满载:v=1 m/min 空载:v=2 m/min 4•小车运行速度:满载:v=3 m/min 空载:v=6 m/min 5. 大车运行速度:满载:v=5 m/min 空载:v=10 m/min6. 采用双轨双轮支承型式,每侧轨距 2米7. 跨度44米,净空跨度40米。
8. 起升高度:H 上=50米,H 下=5米 二.轮压及稳定性计算 (一)载荷计算1. 起升载荷:Q=40t2. 自重载荷小车自重 G 龙门架自重 G 大车运行机构自重 G 司机室 G 电气 G 3. 载荷计算1=6.7t2=260t 3=10t 4=0.5t 5=1.5t工作风压:q i =114 N/m2q n=190 N/m 2q m=800 N/m 2(10 级)q m=1000 N/m 2(12 级)正面:Fw i=518x114N=5.91 104NFw U=518x190N=9.86 104NFw m=518x800N=41.44 104N (10级)Fw m=518x1000N=51.8 104N (12级)侧面:Fw i =4.61 104NFw n=7.68 104NFw m=32.34 104N (10 级)Fw rn =40.43 104N (12 级)二)轮压计算1. 小车位于最外端,U类风垂直于龙门吊正面吹大车,运行机构起制动,并考虑惯性力的方向与风载方向相同。
龙门吊自重:G=G1+ G2+G3+G4+G5=6.7+260+10+2=278.7t 起升载荷:Q=40t水平风载荷:Fw U=9.86t 水平风载荷对轨道面的力矩:Mw U=9.86 X44.8=441.7 tm 水平惯性力:F a=(G+Q) X a=(278.7+40) X 0.2 X 1000 = 6.37 X 10000 N =6.37 t小车对中心线的力矩:M2=(6.7+40)X 16=747.2tm最大腿压:P=0.25 max=0.25 (G+Q) + M 1/2L + M q/2K318.7 + 722.0/48 + 747.2/84水平惯性力对轨道面的力矩:总的水平力力矩:M M a = 6.37 X 44=280.3tm 1 = M a+ Mw U=722 tm=79.675+15.04+8.9 =103.6t最大工作轮压:Rn a= P max/4 =25.9t =26t(三)稳定性计算工况1:无风、静载,由于起升载荷在倾覆边内侧,故满足刀M B 0 工况2:有风、动载,刀M=0.95 (278.7+40)12-628.3=3004.9 >0工况3:突然卸载或吊具脱落,按规范不需验算工况4: 10级风袭击下的非工作状态:刀M=0.95 278.7 12 - 1.15 41.44 44=3177.2-2668.7=1080.3>0飓风袭击下:刀M=0.95 278.8 12 - 1.15 51.8 44.8=508.5>0为防止龙门吊倾覆或移动,龙门吊设置风缆。
门式起重机计算书型号:MDG起重量:主钩50T 副钩10T跨度:24M有效悬臂:左9M 右9M工作级别:A5容:悬臂刚度强度校核;整机稳定性校核50/10-24M单梁门式起重机计算书起重机主参数及计算简图:计算简图小车自重:G X=.8 KN 主梁自重:G Z=554.1 KN 走台栏杆滑导支架等附件:G F=40.2 KN 桥架自重:1100.54 KN 额定起重量:G E=490 KN支腿折算惯性矩的等值截面刚性支腿折算惯性矩:4103311018.512MM bh BH I ⨯=-=主梁截面惯性矩:410332109.712MM bh BH I ⨯=-=主梁X 向截面抵弯矩:373310087.76MM H bh BH W X ⨯=-=主梁Y 向截面抵弯矩:373310089.56MM Bhb HB W Y ⨯=-=一 .悬臂强度和刚度校核。
Ⅰ. 悬臂刚度校核该门式起重机采用两个刚性支腿,故悬臂端挠度计算按一次超静定龙门架计算简图计算。
)12838(3(232)21++++=K K L L EI C L P P f K式中 C 3:小车轮压合力计算挠度的折算系数 )()(2)32()(23212222113L L L P P b P L L L b P b P C K K ++++-==1.00055K:考虑轮缘参与约束,产生横向推力 927.012=⨯=KL h I I K P 1,P 2:小车轮压 KN G G P P EX 9.321221=+== 代入数值:mmK K L L EI C L P P f K 911.22)12927.083927.08240009000(109.710102.2300055.19000)109.321109.321()12838(3(105233232)21=+⨯+⨯⨯+⨯⨯⨯⨯⨯⨯⨯⨯+⨯=++++= 按起重机设计规有效悬臂端的用挠度:mm L f K 7.253509000350][===][f f <结论:综上计算校核,该起重机的悬臂梁的刚度满足起重机械设计规的要求。
计皆算书第1章计算书 (1)1」龙门吊轨道根本、车挡设计验算 (1)龙门吊走行轨钢轨型号选取计算 (1)龙门吊轨道根本承载力验算 (2)龙门吊轨道根本地基承载力验算 (3)吊装设备及吊具验算 (3)汽车吊选型思路 (3)汽车吊负荷计算 (4)汽车吊选型 (5)钢丝绳选取校核 (5)卸扣选取校核 (6)绳卡选取校核 (7)汽车吊抗倾覆验算 (7)地基承载力验算 (8)第1章计算书龙门吊轨道根本、车挡设计验算MG85-39-11龙门吊,龙门吊跨径改装修整为37m,每台最大起吊能力为85T。
上纵梁为三角桁架,整机运营速度6m/min,小车运营速度5nVmin,整机重量60T。
1#梁场最大梁重137T,设立两台MG85龙门吊,最大起吊能力170T,可以满足使用规定。
本方案地基根本梁总计受力:M=137+60x2=257T2台龙门吊共计有8个支点,那么每个支点受力:P=F/8=315kN85T满负荷运转(吊装170T)时,Pmax= (85+60) Tx9.8N/kg/4=355kN<>龙门吊走行轨钢轨型号选取计算拟定龙门吊走行轨上钢轨,计算方式有两种,两者取较大值:方式_:依照?路桥施工计算手册?计算:gi=2P+v/8=2x3154- (6x60/1000/8) =630kN/m方式二:依照?吊车轨道联结及车挡(合用于混凝土构造)?中“总说明公式(1) 〞计算:Pd= 115=533kN/m ;满负荷运转时:gmm=2x355+ (20x60/1000/8) =710kN/m;Pdmax 二」5x355=600kN。
每种工况下,两者取较大值。
因此本方案中钢轨最小理论重量应为63kg/m,满负荷运转时钢轨最小理论重量为71kg/mo起重机生产厂家推荐使用P43钢轨,经查?GB2585-铁路用热轧钢轨?“表钢轨计算数据〞得到:P43理论米重量为44.65kg/m,不大于QU100理 论重量,综合考虑钢轨专业性用途、此后周转使用及平安性能指标,咱们以为龙门吊制造厂 家意见不利于该龙门吊此后周转使用,不予釆纳。
MQ100 门式起重机总体设计计算书(共16页,含封面)XXX机械工程研究所2004年4月一. 总体计算计算原则:MQ100门式起重机设计计算完全按《起重机设计规范》GB3811执行,并参照下列标准进行设计计算:《塔式起重机设计规范》GB/T13752-92 《法国塔式起重机设计规范》NFE52081 工作级别 A 5 利用等级 U 5 起升机构 M 5 变幅机构 M 4 回转机构 M 4 行走机构 M 4 最大幅度 13m最大起重量 8000Kg(一) 基本参数:回转速度 0.7r/min回转制动时间 5s行走速度 12.5/25m/min行走制动时间 6s 回转惯性力()Kg RM M g t Rn F 002242.0.60..25.1=⨯⨯=π回其中 g=9.81 n=0.7r/min t=5s行走惯性力: ()Kg M M g t vF 0106184.0.605.1=⨯⨯=行其中 g=9.81 V=25m/min t=6s(二) 载荷组合:自重力矩、惯性力及扭矩上表中的回转惯性力到轨顶面的力矩总计为:-1971kg.m 上表中的行走惯性力到轨顶面的力矩总计为:5378kg.m(三)起重小车、吊钩和吊重载荷起重小车265kg绳60kg吊钩230kg起升动载系数(起升机构用40RD20):=1.136, q=8tV=16m/min时,2吊重q=8000kg, 幅度R=13m(1) 吊载Q=(8000+230+60/2)×1.136+(265+60/2)×1.1=9708kgM=9708×13=126204kg.m(2) 风载(包括起重小车、吊钩和吊重)迎风面积A=5.52+1.6×82/3=11.92m2风力:F=11.92×25=298kg=298×13=3874kg.m风扭矩:Tn风力到轨道上平面的力矩:M=298×12=3576kg.m(3) 回转惯性力F=0.002242×(8000+230+265+60)×13=249kg=249×13=3237kg.m回转惯性扭矩: Tn回转惯性力到轨道上平面的力矩:M=249×12=2988kg.m (4)行走惯性力F=0.0106184×(8000+230+265+60)=91kg行走惯性扭矩:T=91×13=1183kg.mn行走惯性力到轨道上平面的力矩:M=91×12=1092kg.m(四) 风载荷A、工作,垂直风(风向与臂架垂直)臂长jib=13m,垂直风(注:标高均指风力作用点到轨顶面的高度)上表中的风力到轨顶面的力矩总计为:14799kg.mB、工作,平行后吹风(风向与臂架平行,与底架平行)臂长jib=13m,后吹风(注:标高均指风力作用点到轨顶面的高度)上表中的风力到轨顶面的力矩总计为:11168kg.mC、工作,45︒后吹风(风向与臂架平行,与底架成45︒)臂长jib=13m,45︒后吹风(注:标高均指风力作用点到轨顶面的高度)上表中的风力到轨顶面的力矩总计为:12290kg.mD、非工作,平行后吹风(风向与臂架平行)臂长jib=13m,后吹风(注:标高均指风力作用点到轨顶面的高度)上表中的风力到轨顶面的力矩总计为:35732kg.mE、非工作,45︒后吹风(风向与臂架平行,与底架成45︒)臂长jib=13m,45︒后吹风(注:标高均指风力作用点到轨顶面的高度)上表中的风力到轨顶面的力矩总计为:-39322kg.m二、载荷汇总MQ100门式起重机各力到轨顶面的载荷汇总如下:非工作,含小车,无系数重力:67930+495=68425kg工作,含小车,无系数重力:67930+495+60+8000=76485kg工作,含小车,有系数重力:1.1⨯67930+9708=84431kg非工作,含小车,无系数重力矩:-63443+2.9⨯495=-62008kg.m工作,含小车,无系数重力矩:-63443+8555⨯13=47772kg.m工作,含小车, 有系数重力矩:-1.1⨯63443+9708⨯13=56417kg.m工作,垂直风力:1650+298=1948kg工作,后吹风力:1422+298=1720kg工作, 45︒后吹风力:1628+298=1926kg非工作, 平行前吹风力:4550+5.52⨯80=4992kg非工作, 45︒前吹风力:5209.6+5.52⨯80=5651kg工作,垂直风力矩:14799+298⨯12=18375kg.m工作, 后吹风力矩:11168+298⨯12=14744kg.m工作, 45︒后吹风力矩:12290+298⨯12=15866kg非工作, 平行前吹风力矩:-(35732+5.52⨯80⨯12)=-41031kg.m 非工作, 45︒前吹风力矩:-(39322+5.52⨯80⨯12)=-44621kg.m 工作,回转惯性力:-142.5+249=106.5kg工作,行走惯性力:721+91=812kg工作,回转惯性力矩:-1971+249⨯12=1017kg.m工作,行走惯性力矩:5378+91⨯12=6470kg.m工作,垂直风力扭矩:146+298⨯12=3722kg工作,回转惯性力扭矩:1457+249⨯12=4445kg.m工作, 行走惯性力扭矩:-679+91⨯12=413kg.m回转离心惯性力忽略不计三、MQ100行走式门式起重机的稳定性计算(一)工作状态下的稳定性稳定力矩(kg.m)3.5m后倾翻边前倾翻边1. 工况:工作、静态、无风(R=13m,Q=8t)回转、行走M前倾=M负荷+M行走=1.5×8000×(13-1.75)+6470 =141470kg.mM前稳/M前倾=181752/141470=1.28>12. 工况:工作、动态、有风(R=13m,Q=8t)回转、后吹风M前倾=M负荷+M行走+M风=1.3×8000×(13-1.75)+6470+14744 =138214kg.mM前稳/M前倾=181752/138214=1.31>13. 工况:工作、动态、突然卸载(R=13m,Q=8t 0)无回转、无行走、风M后倾=M负荷+M风=0.3×8000×(13+1.75)+14744 =50144kg.mM后稳/M后倾=57736/50144=1.15>14. 工况:工作、动态、有风(R=13m,Q=8t)回转、行走、风M前倾=M回转+M行走+M风=1017+6470+18375=25862kg.mM稳=(67930+495+60+8000)×1.75 =133849kg.mM稳/M前倾=133849/25862=5.17>15. 工况:工作、动态、无风(R=13m,Q=8t)无回转、无行走、无风 M前倾=1.6×8000×(13-1.75)=144000kg.mM前稳/M前倾=181752/144000=1.26>1(二)非工作状态下的稳定性倾翻边风M倾=1.1M风=1.2×41031=49237kg.mM稳/M倾=57736/49237=1.17>1综上所述:M100行走式门式起重机在工作状态和非工作状态下的稳定性均安全.(三)安装状态下的稳定性(1).后倾翻边M后倾=6458+481+13630-447-57-556-534=18975kg.mM后稳=(67930-1728-320-108-429-10500)×1.75=95979kg.mM后稳/M后倾=95979/18975=5.06>1(2) 装上起重臂(13m臂长时,无配重)M前倾=(63433+230×10) -64155=1578kg.mM前稳=(67930-10500)×1.75=100503kg.mM前稳/M前倾=100503/1578=63.7>1四、M100行走式门式起重机的台车支反力计算1. 工况:工作、45 后吹风(R=13m,Q=8t)、行走、风重力: 84431kg 重力力矩: 56417kg.m 回转力矩: 1017kg.m 行走力矩: 6470kg.m风力矩: 15866kg.mRA=(-84431/4)+(56417+15866)/(3.5×2)+6470/(2×3.5)=-5580kgRB=(-84431/4)-1017/(3.5×2)-6470/(2×3.5)=-22238kgRC=(-84431/4)-(56417+15866)/(3.5×2)-6470/(2×3.5)=-36635kgRD=(-84431/4)+1017/(3.5×2)+6470/(2×3.5)=-19978kg2. 工况:非工作、45 前吹风(R=2.9m,Q=0)风重力: 68425kg 重力力矩: -62008kg.m风力矩: 44621kg.mRC=-68425/4+62008/(3.5×2)+44621/(3.5×2)=+4436kgRC为正,故按三点支承计算RA=-62008/(1.75×2)-44621/(1.75×2)=-43085kgRB =RD=-68425/2-62008/(2×1.75×2)-44621/(2×1.75×2)=-55755kgR=0C。
门式起重机计算书型号:MDG起重量:主钩50T 副钩10T跨度:24M有效悬臂:左9M 右9M工作级别:A5内容:悬臂刚度强度校核;整机稳定性校核MDG50/10-24A5 门式起重机计算书7-150/10-24M 单梁门式起重机计算书起重机主参数及计算简图:Lx1=11721 Lk=24000 Lx2=11421B=3600b1 b2p 1p 28541=hL=9000计算简图小车自重:G X=153.8 KN 主梁自重:G Z=554.1 KN 走台栏杆滑导支架等附件:G F=40.2 KN 桥架自重:1100.54 KN 额定起重量:G E=490 KN760 e275 1413610 0 1 2 42 12612 20 2223 221338.7 1358.7支腿折算惯性矩的等值截面14 14001426 1261主梁截面刚性支腿折算惯性矩:I3 3BH bh101 5.18 1012M M 4主梁截面惯性矩:I3 3BH bh102 7.9 1012M M 4主梁X 向截面抵弯矩:33BHbhW X 7.0876H710 MM3MDG50/10-24A5 门式起重机计算书7-2常熟市莫城起重机械制造厂主梁Y 向截面抵弯矩:33HBhbW Y 5.0896B710 MM3一. 悬臂强度和刚度校核。
Ⅰ. 悬臂刚度校核该门式起重机采用两个刚性支腿,故悬臂端挠度计算按一次超静定龙门架计算简图计算。
2(P P L C1 2) 3f (L L K3EI2 8K8K312)式中C3:小车轮压合力计算挠度的折算系数C3( P b1 1P b )L(2LK22 22(P1P )L2(3LLK)L)P b32 2 =1.00055K: 考虑轮缘参与约束,产生横向推力K II21hLK0.927P1,P2:小车轮压P 1 P2G GX E 321.9KN2代入数值:2(P P L C1 2) 3f (L L K3EI2 8K8K3)12(321.9 3103321.92.1023105102)900010107.91.00055 80.9273( 9000 24000 )80. 9271222.911mmL 9000K 25.7 按起重机设计规范有效悬臂端的许用挠度:[ f ] mm350 350f [ f ]结论:综上计算校核,该起重机的悬臂梁的刚度满足起重机械设计规范的要求。
双梁通用门式起重机MLH10T28M 设计计算书目录一、产品用途……………………………………………………………二、主要技术参数………………………………………………………三、设计计算校核………………………………………………………1.主梁设计………………………………………………………2.支腿设计校核…………………………………………………3.上下横梁设计校核…………………………………………………4.起重机刚度设计校核………………………………………………5.起重机拱度设计校核………………………………………6.减速电机的选用………………………………………设计计算校核:一、产品用途门式起重机是广泛用于工厂、建筑工地、铁路货场、码头仓库等处的重要装卸设备,按其用途不同,分为通用门式起重机,造船门式起重机和集装箱门式起重机。
本产品为双梁门式起重机,为应用最广的一种。
二、主要技术参数项目名称主要技术参数备注安全起重量10T跨距28m起升高度9m起重机等级A5起升机构等级M4起升速度5/0.83m/min大车速度32m/min 变频无级调速小车速度20m/min 变频无级调速起重机桥架质量32T起重机控制室内地面操作总功率23KW主梁形式箱形梁焊接表面处理要求抛丸处理小车质量0.7T最大轮压140KN控制电压48V电源380V/50Hz三.设计计算校核(一).主梁计算主梁的截面高度取决于强度、刚度条件,一般取h=(121~141)L=2333.3~ 2000主梁计算的最不利工况为:起重机带载(小车在任意位置)运行起、制动并发生偏斜的情况。
主梁承受的载荷有:结构重量,小车载荷,起升或运行冲击力,运行惯性力,偏斜侧向力。
1.载荷与内力主梁承受垂直载荷与水平载荷,应分别计算。
A ,垂直平面主梁在垂直平面内的计算模型应按门式起重机的各种工况分析确定。
当门式起重机静止工作时,由于超静定门架的刚性支腿下端有水平约束,而使主梁减载、支腿加载;当门式起重机带载运行工作时,却能明显地减小超静定门架支腿下端的水平约束,甚至降低到零,这时主梁受载最大。
龙门吊基础计算书一、示意图基础类型:刚性基础计算形式:验算截面尺寸剖面:二、基本参数1.依据规范《建筑地基基础设计规范》(GB 50007-2002)《混凝土结构设计规范》(GB 50010-2002)《简明高层钢筋混凝土结构设计手册(第二版)》2.几何参数:自动计算所得尺寸:B1 = 300 mm, B = 114 mmH1 = 250 mm基础埋深d = 0.40 m3.荷载值:(1)作用在基础顶部的基本组合荷载( l = 1m 范围内的荷载)F = 100.00 kNM y = 0.00 kN·mV x = 0.00 kN折减系数K s = 1.35(2)作用在基础底部的弯矩设计值绕Y轴弯矩: M0y = M y+V x·H1 = 0.00+0.00×0.25 = 0.00 kN·m(3)作用在基础底部的弯矩标准值绕Y轴弯矩: M0yk = M0y/K s = 0.00/1.35 = 0.00 kN·m 4.基础几何特性:底面积:S =(B1+B2)×l = 0.60×1.0 = 0.60 m2绕Y轴抵抗矩:W y = (1/6)·l·(B1+B2)2 = (1/6)×1.0×0.602 = 0.06 m3三、计算过程1.修正地基承载力计算公式:按《建筑地基基础设计规范》(GB 50007-2002)下列公式验算:f a = f ak+ηb·γ·(b-3)+ηd·γm·(d-0.5) (式5.2.4)式中:f ak = 150.00 kPaηb = 0.00,ηd = 1.00γ = 20.00 kN/m3γm = 20.00 kN/m3b = 0.60 m,d = 0.40 m如果b <3m,按b = 3m, 如果b > 6m,按b = 6m如果d <0.5m,按d = 0.5mf a = f ak+ηb·γ·(b-3)+ηd·γm·(d-0.5)= 150.00+0.00×20.00×(3.00-3.00)+1.00×20.00×(0.50-0.50)= 150.00 kPa修正后的地基承载力特征值f a = 150.00 kPa2.轴心荷载作用下地基承载力验算计算公式:按《建筑地基基础设计规范》(GB 50007-2002)下列公式验算:p k = (F k+G k)/A (5.2.4-1)F k = F/K s = 100.00/1.35 = 74.07 kNG k = 20S·d = 20×0.60×0.40 = 4.80 kNp k = (F k+G k)/S = (74.07+4.80)/0.60 = 131.46 kPa ≤ f a,满足要求。
双梁门式起重机设计计算书(75.0吨18.0米)太原科蓝数据技术有限公司2009年04月20日目录第一章设计初始参数-------------------------------------1 第一节基本参数--------------------------------------1 第二节选用设计参数----------------------------------1 第三节相关设计参数----------------------------------1 第四节设计许用值参数--------------------------------1 第二章起重机小车设计-----------------------------------3 第一节小车设计参数---------------------------------3 第二节设计计算(详见桥吊计算书)-------------------3 第三章门机钢结构部分设计计算---------------------------4 第一节结构型式、尺寸及计算截面---------------------4一、门机正面型式及尺寸---------------------------4二、门机支承架型式及尺寸-------------------------4三、各截面尺寸及几何特性-------------------------5第二节载荷及其组合---------------------------------7一、垂直作用载荷---------------------------------7二、水平作用载荷---------------------------------8三、载荷组合-----------------------------------12第三节龙门架强度设计计算---------------------------13一、主梁内力计算---------------------------------13二、主梁应力校核计算-----------------------------17三、疲劳强度设计计算-----------------------------19四、主梁腹板局部稳定校核-------------------------20五、主梁整体稳定性-----------------------------22六、上盖板局部弯曲应力---------------------------22第四节龙门架刚度设计计算---------------------------25一、主梁垂直静刚度计算---------------------------25二、主梁水平静刚度计算---------------------------26三、门架纵向静刚度计算---------------------------27四、主梁动刚度计算-------------------------------27第五节支承架强度设计计算---------------------------29一、垂直载荷作用下,马鞍横梁跨中截面内力计算-----29二、水平载荷作用下,马鞍横梁跨中截面内力计算-----35三、支承架各截面内力及应力-----------------------40第六节支承架刚度设计计算---------------------------45一、垂直载荷作用下,支承架的小车轨顶处位移-------45二、水平载荷作用下,支承架的小车轨顶处位移-------49第七节支腿整体稳定性计算---------------------------58 第八节连接螺栓强度计算-----------------------------60一、马鞍立柱下截面或上端梁截面的螺栓强度---------60二、支腿下截面螺栓强度计算-----------------------62 第四章大车运行机构设计计算-----------------------------65 第一节设计相关参数及运行机构形式--------------------65一. 设计相关参数---------------------------------65二. 运行机构型式---------------------------------65第二节运行支撑装置计算------------------------------66一. 轮压计算-------------------------------------66二. 车轮踏面疲劳强度校核-------------------------66三. 车轮踏面静强度校核---------------------------67第三节运行阻力计算----------------------------------67一. 摩擦阻力计算---------------------------------67二. 风阻力计算-----------------------------------68三. 总静阻力计算---------------------------------68第四节驱动机构计算----------------------------------69一. 初选电动机-----------------------------------69二. 选联轴器-------------------------------------69三. 选减速器-------------------------------------70四. 电机验算-------------------------------------70第五节安全装置计算----------------------------------71一. 选制动器-------------------------------------71二. 防风抗滑验算---------------------------------72三. 选缓冲器-------------------------------------72 第五章整机性能验算-------------------------------------74 第一节倾翻稳定性计算-------------------------------74一、稳定力矩-------------------------------------74二、倾翻力矩-------------------------------------74三、各工况倾翻稳定性计算-------------------------75第二节轮压计算-------------------------------------75一、最大静轮压-----------------------------------75一、最小静轮压-----------------------------------75第一章设计初始参数第一节基本参数:起重量 PQ=75.000 (t)跨度 S=18.000 (m)左有效悬臂长 ZS1=4.000 (m)左悬臂总长 ZS2=6.000 (m)右有效悬臂长 YS1=4.000 (m)右悬臂总长 YS2=6.000 (m)起升高度 H0=15.000 (m)结构工作级别 ABJ=5级主起升工作级别 ABZ=5级副起升工作级别 ABF=5级小车运行工作级别 ABX=5级大车运行工作级别 ABD=5级主起升速度 VZQ=5.000 (m/min)副起升速度 VFQ=9.280 (m/min)小车运行速度 VXY=38.500 (m/min)大车运行速度 VDY=32.100 (m/min)第二节选用设计参数起升动力系数 O2=1.20运行冲击系数 O4=1.10钢材比重 R=7.85 t/m^3钢材弹性模量 E=2.1*10^5MPa钢丝绳弹性模量 Eg=0.85*10^5MPa第三节相关设计参数大车车轮数(个) AH=8大车驱动车轮数(个)QN=4大车车轮直径 RM=0.800 (m)大车轮距 L2=9.000 (m)连接螺栓直径 MD=0.0240 (m)工作最大风压 q1=0/* 250 */ (N/m^2) 非工作风压 q2=0/* 600 */ (N/m^2)第四节设计许用值:钢结构材料Q235─A许用正应力〔σ〕I=156Mpa〔σ〕II=175Mpa许用剪应力〔τ〕=124Mpa龙门架许用刚度:主梁垂直许用静刚度:跨中〔Y〕x~l=S/800=22.50mm;悬臂〔Y〕l=ZS1/360=11.11mm;主梁水平许用静刚度:跨中〔Y〕y~l=S/2000=9.00mm;悬臂〔Y〕l=ZS1/700=5.71mm;龙门架纵向静刚度:主梁沿小车轨道方向〔Y〕XG=H/800=19.1mm;许用动刚度〔f〕=2.0Hz;连接螺栓材料 8.8级螺栓许用正应力〔σ〕ls=210.0Mpa;疲劳强度及板屈曲强度依GB3811-83计算许用值选取。
MG100/32-24-15 A5门式起重机计算说明书1. 主起升机构计算1.1钢丝绳选择根据起重机额定起重量,选择双联起升机构滑轮组倍率为81).钢丝绳最大静拉力: N m G Q S MAX 410956.6t 956.693.0825.31002⨯==⨯⨯+=∙+=滑钩η 2).选择钢丝绳所选钢丝绳的破断拉力应满足:,0F Sn F =≥ n ——安全系数,A5取5KN F 8.34710478.3510956.654,=⨯=⨯⨯=查钢丝绳样本可选用:26NAT6×19W+FC1670 ,其破断拉力kN F 372,0=,,0F F > ,满足要求。
1.2滑轮卷筒计算1).滑轮卷筒最小直径确定为保证钢丝绳具有一定的使用寿命,滑轮卷筒的最小直径应满足:d h D ∙=a.滑轮:D=20×26=520mm, 取630mm (A5,取h=20)b.卷筒:D=18×26=468mm, 取710mm (A5,取h=18)2).卷筒壁厚计算:初选 φ710×3400, δ=22, p=29, 材质:Q235B拉应力,由于L>3D,时安下式进行强度计算: bp u b WM σ≤=max σ mm N M M u ∙⨯=⨯+⨯=+=8272822max 1026.1)1094.4(1016.1M )(扭弯mm N ∙⨯=-⨯⨯==84MAX 1016.1260340010956.62L -L S M 光弯 mm N ∙⨯=⨯⨯==74M A X 1094.471010956.6D S M 扭 3644404101.87106667101.0D )D (1.0mm D W ⨯=-⨯=-=)( MPa b 56.15101.81026.168=⨯⨯=σMPa sbp 5.11722252==σσ ,MPa s 225=σ bp b σσ<压应力计算: cp c pS A A σδσ≤∙=max 1 MPa c 77.81292210956.675.014=⨯⨯⨯⨯=σ MPa scp 1505.12255.1===σσ cp c σσ<稳定性验算:失去稳定性的临界压应力:MPa R P W 5.123552252500525003333=⨯==δ 卷筒壁单位力:MPa Dp S P MAX 76.62971010956.6224=⨯⨯⨯== 稳定系数 5.1~3.185.176.65.12≥===P P K W 卷筒满足要求1.3根据静功率初选电动机(设计手册-铁道部1997,P95) 静功率:kW QV P 696085.010004.3)105.310100(100044=⨯⨯⨯⨯+⨯==η 初选电动机功率:kW QV G P j 2.55698.01000=⨯=∙=ηG —稳态负载平均系数查电动机产品目录,选择电动机YZR315S-10,在JC%=25%,功率N=63Kw,转速n=582r/min1.4减速器的选择起升机构总的传动比: 5.4976.11582===l n n i min /76.11736.04.380r D mV n l =⨯⨯==ππ(卷筒转速) 根据传动比5.49=i ,电机功率N=63Kw,电机转速n=582r/min,中级工作制,从减速器产品目录中选择ZQ1000-48.57,输入功率为65Kw.验算减速器被动轴的最大扭矩及最大径向力a.最大扭矩[]M M M ≤∙∙∙=ηϕi 75.0max 被式中 m N 1034582639550∙=⨯=被M (被M ——电动机额定扭矩) 1.3=ϕ (ϕ——电机最大扭矩倍数 )m N M ∙=⨯⨯⨯⨯=9925085.057.4810341.375.0max[]M ——查减速器样本,其低速轴上的最大短暂容许扭矩[]M =20900Kg.m=209000n.m[]M M ≤maxb.最大径向力 N G S P 444max max 10306.82107.210956.62⨯=⨯+⨯=+=卷 []P ——查减速器样本,其输出轴最大容许径向载荷[]N kg P 51076.117600⨯==⎣⎦P P ≤max减速器满足要求 实际起升速度:min /46.357.488582736.0n D 0m i m V =⨯⨯⨯=∙∙∙=ππ实1.5制动器的选择m N mi D Q K T Z ∙=⨯⨯⨯⨯⨯+⨯=∙≥145857.488285.0736.010)5.3100(75.12402η 从制动器产品目录选择YWZ 4B -400/E80,制动力矩为1600N.m,考虑到机构的重要性,选择2套制动器。
桥式起重机整体及零件图总汇
专业文档供参考,如有帮助请下载。
.
通用桥式起重机主梁结构图2
专业文档供参考,如有帮助请下
载。
.
焊缝大隔板上盖板小隔板腹板点焊焊接装腹板隔板装大小隔板
21焊缝焊缝焊缝下盖板43点焊接焊接变形检验矫正测量挠度腹板与盖板焊接下盖板焊接
专业文档供参考,如有帮助请下载。
.
专业文档供参考,如有帮助请下载。
.
专业文档供参考,如有帮助请下载。
.
专业文档供参考,如有帮助请下载。
.
专业文档供参考,如有帮助请下
载。
.
专业文档供参考,如有帮助请下载。
.
专业文档供参考,如有帮助请下
载。
.
专业文档供参考,如有帮助请下载。
.
专业文档供参考,如有帮助请下载。
.
专业文档供参考,如有帮助请下
载。
.
专业文档供参考,如有帮助请下
载。
.
专业文档供参考,如有帮助请下载。
.
专业文档供参考,如有帮助请下载。
.。
门式起重机计算书公司标准化编码 [QQX96QT-XQQB89Q8-NQQJ6Q8-MQM9N]门式起重机计算书型号:MDG起重量:主钩50T 副钩 10T跨度:24M有效悬臂:左9M 右9M工作级别:A5内容:悬臂刚度强度校核;整机稳定性校核50/10-24M 单梁门式起重机计算书起重机主参数及计算简图:计算简图小车自重:G X = KN 主梁自重:G Z = KN 走台栏杆滑导支架等附件:G F = KN 桥架自重: KN 额定起重量:G E =490 KN支腿折算惯性矩的等值截面刚性支腿折算惯性矩:4103311018.512MM bh BH I ⨯=-=主梁截面惯性矩:410332109.712MM bh BH I ⨯=-=主梁X 向截面抵弯矩:373310087.76MM Hbh BH W X ⨯=-=主梁Y 向截面抵弯矩:373310089.56MM Bhb HB W Y ⨯=-=一 .悬臂强度和刚度校核。
Ⅰ. 悬臂刚度校核该门式起重机采用两个刚性支腿,故悬臂端挠度计算按一次超静定龙门架计算简图计算。
)12838(3(232)21++++=K K L L EI C L P P f K式中 C 3:小车轮压合力计算挠度的折算系数 )()(2)32()(23212222113L L L P P b P L L L b P b P C K K ++++-==K:考虑轮缘参与约束,产生横向推力 927.012=⨯=KL h I I K P 1,P 2:小车轮压KN G G P P EX 9.321221=+== 代入数值:mmK K L L EI C L P P f K 911.22)12927.083927.08240009000(109.710102.2300055.19000)109.321109.321()12838(3(105233232)21=+⨯+⨯⨯+⨯⨯⨯⨯⨯⨯⨯⨯+⨯=++++= 按起重机设计规范有效悬臂端的许用挠度:mm L f K 7.253509000350][===][f f <结论:综上计算校核,该起重机的悬臂梁的刚度满足起重机械设计规范的要求。
100T龙门吊基础底承载力计算书
一、计算说明
1、根据“100t龙门吊基础图”典型断面图计算。
2、采用双层C30钢筋混凝土基础。
二、示意图
基础类型:条基计算形式:验算截面尺寸
剖面:
100t龙门吊基础截面
三、基本参数
1.依据规范
《建筑地基基础设计规范》(GB 50007-2011)
2.几何参数:
已知尺寸:
B1 = 800 mm,B2 =800mm
H1 = 500 mm,H2 = 800 mm
无偏心:
3.荷载值:
①基础砼:g1=7×1.58m3×26 kN /m3=287.56 kN
②钢轨:g2=7×43×10N /kg=3。
01 kN
③龙门吊轮压:g3=2×27×10N/kg=540 kN
作用在基础底部的基本组合荷载
F k = g2+ g3=543KN
G k = g1=287。
56KN
4.材料信息:
混凝土: C30 钢筋:HPB300
5.基础几何特性:
底面积:A =(B1+B2)×L = 1。
6×7= 11。
2 m2
四、计算过程
轴心荷载作用下地基承载力验算
按《建筑地基基础设计规范》(GB 50007-2002)下列公式验算:
p k = (F k+G k)/A = 74。
2 kPa
结论:移梁滑道基础底面的地基承载力大于74.2 kPa即满足设计要求。
MQ100 门式起重机总体设计计算书(共16页,含封面)XXX机械工程研究所2004年4月一. 总体计算计算原则:MQ100门式起重机设计计算完全按《起重机设计规范》GB3811执行,并参照下列标准进行设计计算:《塔式起重机设计规范》GB/T13752-92 《法国塔式起重机设计规范》NFE52081 工作级别 A 5 利用等级 U 5 起升机构 M 5 变幅机构 M 4 回转机构 M 4 行走机构 M 4 最大幅度 13m最大起重量 8000Kg(一) 基本参数:回转速度 0.7r/min回转制动时间 5s行走速度 12.5/25m/min行走制动时间 6s 回转惯性力()Kg RM M g t Rn F 002242.0.60..25.1=⨯⨯=π回其中 g=9.81 n=0.7r/min t=5s行走惯性力: ()Kg M M g t vF 0106184.0.605.1=⨯⨯=行其中 g=9.81 V=25m/min t=6s(二) 载荷组合:自重力矩、惯性力及扭矩上表中的回转惯性力到轨顶面的力矩总计为:-1971kg.m 上表中的行走惯性力到轨顶面的力矩总计为:5378kg.m(三)起重小车、吊钩和吊重载荷起重小车265kg绳60kg吊钩230kg起升动载系数(起升机构用40RD20):=1.136, q=8tV=16m/min时,2吊重q=8000kg, 幅度R=13m(1) 吊载Q=(8000+230+60/2)×1.136+(265+60/2)×1.1=9708kgM=9708×13=126204kg.m(2) 风载(包括起重小车、吊钩和吊重)迎风面积A=5.52+1.6×82/3=11.92m2风力:F=11.92×25=298kg=298×13=3874kg.m风扭矩:Tn风力到轨道上平面的力矩:M=298×12=3576kg.m(3) 回转惯性力F=0.002242×(8000+230+265+60)×13=249kg=249×13=3237kg.m回转惯性扭矩: Tn回转惯性力到轨道上平面的力矩:M=249×12=2988kg.m (4)行走惯性力F=0.0106184×(8000+230+265+60)=91kg行走惯性扭矩:T=91×13=1183kg.mn行走惯性力到轨道上平面的力矩:M=91×12=1092kg.m(四) 风载荷A、工作,垂直风(风向与臂架垂直)臂长jib=13m,垂直风(注:标高均指风力作用点到轨顶面的高度)上表中的风力到轨顶面的力矩总计为:14799kg.mB、工作,平行后吹风(风向与臂架平行,与底架平行)臂长jib=13m,后吹风(注:标高均指风力作用点到轨顶面的高度)上表中的风力到轨顶面的力矩总计为:11168kg.mC、工作,45︒后吹风(风向与臂架平行,与底架成45︒)臂长jib=13m,45︒后吹风(注:标高均指风力作用点到轨顶面的高度)上表中的风力到轨顶面的力矩总计为:12290kg.mD、非工作,平行后吹风(风向与臂架平行)臂长jib=13m,后吹风(注:标高均指风力作用点到轨顶面的高度)上表中的风力到轨顶面的力矩总计为:35732kg.mE、非工作,45︒后吹风(风向与臂架平行,与底架成45︒)臂长jib=13m,45︒后吹风(注:标高均指风力作用点到轨顶面的高度)上表中的风力到轨顶面的力矩总计为:-39322kg.m二、载荷汇总MQ100门式起重机各力到轨顶面的载荷汇总如下:非工作,含小车,无系数重力:67930+495=68425kg工作,含小车,无系数重力:67930+495+60+8000=76485kg工作,含小车,有系数重力:1.1⨯67930+9708=84431kg非工作,含小车,无系数重力矩:-63443+2.9⨯495=-62008kg.m工作,含小车,无系数重力矩:-63443+8555⨯13=47772kg.m工作,含小车, 有系数重力矩:-1.1⨯63443+9708⨯13=56417kg.m工作,垂直风力:1650+298=1948kg工作,后吹风力:1422+298=1720kg工作, 45︒后吹风力:1628+298=1926kg非工作, 平行前吹风力:4550+5.52⨯80=4992kg非工作, 45︒前吹风力:5209.6+5.52⨯80=5651kg工作,垂直风力矩:14799+298⨯12=18375kg.m工作, 后吹风力矩:11168+298⨯12=14744kg.m工作, 45︒后吹风力矩:12290+298⨯12=15866kg非工作, 平行前吹风力矩:-(35732+5.52⨯80⨯12)=-41031kg.m 非工作, 45︒前吹风力矩:-(39322+5.52⨯80⨯12)=-44621kg.m 工作,回转惯性力:-142.5+249=106.5kg工作,行走惯性力:721+91=812kg工作,回转惯性力矩:-1971+249⨯12=1017kg.m工作,行走惯性力矩:5378+91⨯12=6470kg.m工作,垂直风力扭矩:146+298⨯12=3722kg工作,回转惯性力扭矩:1457+249⨯12=4445kg.m工作, 行走惯性力扭矩:-679+91⨯12=413kg.m回转离心惯性力忽略不计三、MQ100行走式门式起重机的稳定性计算(一)工作状态下的稳定性稳定力矩(kg.m)3.5m后倾翻边前倾翻边1. 工况:工作、静态、无风(R=13m,Q=8t)回转、行走M前倾=M负荷+M行走=1.5×8000×(13-1.75)+6470 =141470kg.mM前稳/M前倾=181752/141470=1.28>12. 工况:工作、动态、有风(R=13m,Q=8t)回转、后吹风M前倾=M负荷+M行走+M风=1.3×8000×(13-1.75)+6470+14744 =138214kg.mM前稳/M前倾=181752/138214=1.31>13. 工况:工作、动态、突然卸载(R=13m,Q=8t 0)无回转、无行走、风M后倾=M负荷+M风=0.3×8000×(13+1.75)+14744 =50144kg.mM后稳/M后倾=57736/50144=1.15>14. 工况:工作、动态、有风(R=13m,Q=8t)回转、行走、风M前倾=M回转+M行走+M风=1017+6470+18375=25862kg.mM稳=(67930+495+60+8000)×1.75 =133849kg.mM稳/M前倾=133849/25862=5.17>15. 工况:工作、动态、无风(R=13m,Q=8t)无回转、无行走、无风 M前倾=1.6×8000×(13-1.75)=144000kg.mM前稳/M前倾=181752/144000=1.26>1(二)非工作状态下的稳定性倾翻边风M倾=1.1M风=1.2×41031=49237kg.mM稳/M倾=57736/49237=1.17>1综上所述:M100行走式门式起重机在工作状态和非工作状态下的稳定性均安全.(三)安装状态下的稳定性(1).后倾翻边M后倾=6458+481+13630-447-57-556-534=18975kg.mM后稳=(67930-1728-320-108-429-10500)×1.75=95979kg.mM后稳/M后倾=95979/18975=5.06>1(2) 装上起重臂(13m臂长时,无配重)M前倾=(63433+230×10) -64155=1578kg.mM前稳=(67930-10500)×1.75=100503kg.mM前稳/M前倾=100503/1578=63.7>1四、M100行走式门式起重机的台车支反力计算1. 工况:工作、45 后吹风(R=13m,Q=8t)、行走、风重力: 84431kg 重力力矩: 56417kg.m 回转力矩: 1017kg.m 行走力矩: 6470kg.m风力矩: 15866kg.mRA=(-84431/4)+(56417+15866)/(3.5×2)+6470/(2×3.5)=-5580kgRB=(-84431/4)-1017/(3.5×2)-6470/(2×3.5)=-22238kgRC=(-84431/4)-(56417+15866)/(3.5×2)-6470/(2×3.5)=-36635kgRD=(-84431/4)+1017/(3.5×2)+6470/(2×3.5)=-19978kg2. 工况:非工作、45 前吹风(R=2.9m,Q=0)风重力: 68425kg 重力力矩: -62008kg.m风力矩: 44621kg.mRC=-68425/4+62008/(3.5×2)+44621/(3.5×2)=+4436kgRC为正,故按三点支承计算RA=-62008/(1.75×2)-44621/(1.75×2)=-43085kgRB =RD=-68425/2-62008/(2×1.75×2)-44621/(2×1.75×2)=-55755kgR=0C。