7建筑给水排水图例与符号 (1)
- 格式:pdf
- 大小:1.57 MB
- 文档页数:20
图纸中给排水管道图形符号管道及附件图形符号说明图形符号说明管道:用于一张图内只有一种管道四通连接管道:用汉语拼音字头表示管道类别流向导管:用图例表示管道类别坡向交叉管:指管道交叉不连接,在下方和后面的管道应断开套管伸缩器三通连接波形伸缩器弧形伸缩器管道滑动支架方形伸缩器保温管也适用于防结露管防水套管多孔管软管拆除管可挠曲橡胶接头地沟管管道固定支架防护套管管道立管检查口排水明沟清扫口排水暗沟通气帽弯折管表示管道向后弯90°雨水斗弯折管排水漏斗表示管道向前弯90°存水弯圆形地漏方型地漏阀门套筒自动冲洗箱挡墩管道的连接图形符号说明图形符号说明法兰连接活接头承插连接转动接头管堵管接头法兰堵盖弯管偏心异径管正三通异径管斜三通乙字管正四通喇叭口斜四通螺纹连接阀门图形符号说明图形符号说明阀门电动阀用于一张图内只有一种阀门角阀液动阀三通阀气动阀四通阀减压阀闸阀旋塞阀截止阀底阀球阀消声止回阀隔膜阀碟阀温度调节阀弹簧安全阀压力调节阀平衡锤安全阀电磁阀自动排气阀止回阀浮球阀气开隔膜阀气闭隔膜阀延时自闭冲洗阀脚踏开关放水龙头疏水器皮带龙头室外消火栓洒水龙头室内消火栓(单口) 化验龙头室内消火栓(双口) 肘式开关水泵接合器消防喷头(开式)消防报警阀消防喷头(闭式)卫生器具及水池图形符号说明图形符号说明水盆水纸用于一张图只有一种水盆或水池立式洗脸盆洗脸盆浴盆化验盆、洗涤盆挂式小便器带蓖洗涤盆蹲式大便器盥洗槽坐式大便器污水池淋浴喷头妇女卫生盆矩形化粪池HC为化粪池代号立式小便器圆形化粪池除油池YC为除油池代号放气井沉淀池CC为沉淀池代号泄水井降温池JC为降温池代号水封井中和池ZC为中和池代号跌水井雨水口水表井本图例与流量计相同设备及仪表图形符号说明图形符号说明泵用于一张图只有一种泵管道泵离心水泵热交换器真空泵水-水热交换器手摇泵开水器定量泵喷射器磁水泵集气罐过滤器除污器上图:平面下图:立面水锤消除器暖风机浮球液位器温度计搅拌器水流指示器散热器上图:平面下图:立面压力表自动记录压力表自动记录流量计电接点压力表转子流量计流量计减压孔板企业安全生产费用提取和使用管理办法(全文)关于印发《企业安全生产费用提取和使用管理办法》的通知财企〔2012〕16号各省、自治区、直辖市、计划单列市财政厅(局)、安全生产监督管理局,新疆生产建设兵团财务局、安全生产监督管理局,有关中央管理企业:为了建立企业安全生产投入长效机制,加强安全生产费用管理,保障企业安全生产资金投入,维护企业、职工以及社会公共利益,根据《中华人民共和国安全生产法》等有关法律法规和国务院有关决定,财政部、国家安全生产监督管理总局联合制定了《企业安全生产费用提取和使用管理办法》。
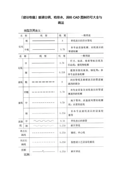
给排水、消防图纸图例符号与画法总结(干货)线型及其含义:比例:水、汽管道代号:工艺管道施工图常用图例:水、汽管道阀门和附件图例:给排水、采暖常用图例:通风空调工程常用图例:风道代号:风道、阀门及附件图例:风口和附件代号:暖通空调设备图例:调控装置及仪表图例:消防工程基本图形符号:消防工程辅助符号:消防工程灭火器符号:消防管路及配件符号:消防工程固定灭火器系统符号:消防工程灭火设备安装处符号:消防设施:消防工程自动报警设备符号:管道图例:管道附件:管道连接:管件:常见阀门:给水配件:小型给水排水构筑物:给水排水设备:仪表:管道和设备布置平面图、剖面图示例:管道和设备布置平面图应按假象除去上层板后俯视规则绘制,其相应的垂直剖面图应在平面图中表明剖切符号。
标准层平面图平、剖面示例平面图、剖面图索引符号的画法:平面图、剖面图中的局部需另绘详图时,应在平、剖面图上标注索引符号。
索引符号的画法见下图。
索引符号的画法内视符号画法:当表示局部位置的相互关系,在平面图上应标注内视符号。
内视符号画法系统编号:1、一个工程设计中同时有供暖、通风、空调等两个及以上的不同系统时,应进行系统编号。
2、暖通空调系统编号、入口编号,应由系统代号和顺序号组成。
3、系统代号用大写拉丁字母表示,顺序号用阿拉伯数字表示。
当一个系统出现分支时,可采用下图的画法。
系统代号立管号的画法竖向布置的垂直管道系统,应标注立管号,在不一致引起误解时,可只标注序号,但应与建筑轴线编号有明显区别。
立管号的画法管道相对标高的画法:1、在无法标注垂直尺寸的图样中,应标注标高。
标高应以m为单位,并应精确到cm或mm。
2、标高符号应以直角等腰三角形表示。
当面标准层较多时,可只标注与本层楼(地)板面的相对标高。
3、水、汽管道所标高未予说明时,应表示为管中心标高。
4、水、汽管道标注管道外底或顶标高时,应在数字前加“底”或“顶”字样。
5、矩形风管所注标高应表示管底标高;圆形风管所注标高应表示管中心标高。
建筑给水排水工程或者建筑给水排水设计手册管道工程图形符号管道及附件| 管道的连接 | 阀门 | 卫生器具及水池 | 设备及仪表管道及附件图形符号说明图形符号说明管道:用于一张图内只有一种管道四通连接管道:用汉语拼音字头表示管道类别流向导管:用图例表示管道类别坡向交叉管:指管道交叉不连接,在下方和后面的管道应断开套管伸缩器三通连接波形伸缩器弧形伸缩器管道滑动支架方形伸缩器保温管也适用于防结露管防水套管多孔管软管拆除管可挠曲橡胶接头地沟管管道固定支架防护套管管道立管检查口排水明沟清扫口排水暗沟通气帽弯折管表示管道向后弯90°雨水斗弯折管排水漏斗表示管道向前弯90°存水弯圆形地漏方型地漏阀门套筒自动冲洗箱挡墩管道的连接图形符号说明图形符号说明法兰连接活接头承插连接转动接头管堵管接头法兰堵盖弯管偏心异径管正三通异径管斜三通乙字管正四通喇叭口斜四通螺纹连接阀门图形符号说明图形符号说明阀门电动阀用于一张图内只有角阀液动阀三通阀气动阀四通阀减压阀闸阀旋塞阀截止阀底阀球阀消声止回阀隔膜阀碟阀温度调节阀弹簧安全阀压力调节阀平衡锤安全阀电磁阀自动排气阀止回阀浮球阀气开隔膜阀气闭隔膜阀延时自闭冲洗阀脚踏开关放水龙头疏水器皮带龙头室外消火栓洒水龙头室内消火栓(单口) 化验龙头室内消火栓(双口)肘式开关水泵接合器消防喷头(开式)消防报警阀消防喷头(闭式)卫生器具及水池图形符号说明图形符号说明水盆水纸用于一张图只有一种水盆或水池立式洗脸盆洗脸盆浴盆化验盆、洗涤盆挂式小便器带蓖洗涤盆蹲式大便器盥洗槽坐式大便器污水池淋浴喷头妇女卫生盆矩形化粪池HC为化粪池代号立式小便器圆形化粪池除油池YC为除油池代号放气井沉淀池CC为沉淀池代号泄水井降温池JC为降温池代号水封井中和池ZC为中和池代号跌水井雨水口水表井本图例与流量计相同图形符号说明图形符号说明泵用于一张图只有一种泵管道泵离心水泵热交换器真空泵水-水热交换器手摇泵开水器定量泵喷射器磁水泵集气罐过滤器除污器上图:平面下图:立面水锤消除器暖风机浮球液位器温度计搅拌器水流指示器散热器上图:平面下图:立面压力表自动记录压力表自动记录流量计电接点压力表转子流量计流量计减压孔板暖通工程图形符号线型 | 风管及部件 | 通风空调设备 | 阀门线型图形符号说明图形符号说明粗实线细虚线中实线细点划线细实线细双点划线粗虚线折断线中虚线波浪线风管及部件图形符号说明图形符号说明风管送风管上图为可见剖面下图为不可见剖面排风管上图为可见剖面下图为不可见剖面风管测定孔异径管柔性接头中间部分也适用于软风管异形管(天圆地方)弯头带导流片弯头圆形三通消声弯头矩形三通风管检查孔伞形风帽筒形风帽百叶窗锥形风帽插板阀本图例也适用于斜插板送风口蝶阀回风口对开式多叶调节阀圆形散流器上图为剖面下图为平面光圈式启动调节阀方形散流器上图为剖面下图为平面风管止回阀防火阀电动对开多叶调节阀三通调节阀通风空调设备图形符号说明图形符号说明通风空调设备左图适用于带传动部分的设备,右图适用于不带传动部分的设备加湿器空气过滤器电加热器消声器减振器空气加热器离心式通风机空气冷却器轴流式通风机风机盘管喷嘴及喷雾排管风机流向:自三角形的底边至顶点挡水板压缩机喷雾式滤水器阀门图形符号说明图形符号说明安全阀膨胀阀散热放风门手动排气阀散热器三通阀(注:文档可能无法思考全面,请浏览后下载,供参考。
3 图例3.0.1管道类别应以汉语拼音字母表示,并符合表3.0.1的要求。
表3.0.1 管道图例序号名称图例备注1 生活给水管2 热水给水管3 热水回水管4 中水给水管5 循环给水管6 循环回水管7 热媒给水管8 热媒回水管9 蒸汽管10 凝结水管11 废水管可与中水源水管合用12 压力废水管13 通气管14 污水管15 压力污水管16 雨水管17 压力雨水管18 膨胀管19 保温管20 多孔管21 地沟管22 防护套管23 管道立管X:管道类别L:立管1:编号24 伴热管25 空调凝结水管26 排水明沟27 排水暗沟注:分区管道用加注角标方式表示:如J1、J2、RJ1、RJ2……。
3.0.2管道附件的图例宜符合表3.0.2的要求。
表3.0.2 管道附件序号名称图例备注1 套管伸缩器2 方形伸缩器3 刚性防水套管4 柔性防水套管5 波纹管6 可曲挠橡胶接头7 管道固定支架8 管道滑动支架9 立管检查口10 清扫口11 通气帽12 雨水斗13 排水漏斗14 圆形地漏通用。
如为无水封,地漏应加存水弯15 方形地漏16 自动冲洗水箱17 挡墩18 减压孔板19 Y形除污器20 毛发聚集器21 防回流污染止回阀22 吸气阀3.0.3管道连接的图例宜符合表3.0.3的要求。
表3.0.3 管道连接序号名称图例备注1 法兰连接2 承插连接3 活接头4 管堵5 法兰堵盖6 弯折管表示管道向后及向下弯转90°7 三通连接8 四通连接9 盲板10 管道丁字上接11 管道丁字下接12 管道交叉在下方和后面的管道应断开3.0.4管件的图例宜符合表3.0.4的要求。
表3.0.4 管件序号名称图例备注1 偏心异径管2 异径管3 乙字管4 喇叭口5 转动接头6 短管7 存水弯8 弯头9 正三通10 斜三通11 正四通12 斜四通13 浴盆排水件3.0.5阀门的图例宜符合表3.0.5的要求。
表3.0.5 阀门序号名称图例备注1 闸阀2 角阀3 三通阀4 四通阀5 截止阀6 电动阀7 液动阀8 气动阀9 减压阀左侧为高压端10 旋塞阀11 底阀12 球阀13 隔膜阀14 气开隔膜阀15 气闭隔膜阀16 温度调节阀17 压力调节阀18 电磁阀19 止回阀20 消声止回阀21 蝶阀22 弹簧安全阀23 平衡锤安全阀24 自动排气阀25 浮球阀26 延时自闭冲洗阀27 吸水喇叭口28 疏水器3.0.6给水配件的图例宜符合表3.0.6的要求。
给排水管道图形符号管道及附件图形符号说明图形符号说明管道:用于一张图内只有一种管道四通连接管道:用汉语拼音字头表示管道类别流向导管:用图例表示管道类别坡向交叉管:指管道交叉不连接,在下方和后面的管道应断开套管伸缩器三通连接波形伸缩器弧形伸缩器管道滑动支架方形伸缩器保温管也适用于防结露管防水套管多孔管软管拆除管可挠曲橡胶接头地沟管管道固定支架防护套管管道立管检查口排水明沟清扫口排水暗沟通气帽弯折管雨水斗表示管道向后弯90°弯折管排水漏斗表示管道向前弯90°存水弯圆形地漏方型地漏阀门套筒自动冲洗箱挡墩管道的连接图形符号说明图形符号说明法兰连接活接头承插连接转动接头管堵管接头法兰堵盖弯管偏心异径管正三通异径管斜三通乙字管正四通喇叭口斜四通螺纹连接阀门图形符号说明图形符号说明阀门电动阀用于一张图内只有一种阀门角阀液动阀三通阀气动阀四通阀减压阀闸阀旋塞阀截止阀底阀球阀消声止回阀隔膜阀碟阀温度调节阀弹簧安全阀压力调节阀平衡锤安全阀电磁阀自动排气阀止回阀浮球阀气开隔膜阀气闭隔膜阀延时自闭冲洗阀脚踏开关放水龙头疏水器皮带龙头室外消火栓洒水龙头室内消火栓(单口)化验龙头室内消火栓(双口)肘式开关水泵接合器消防喷头(开式)消防报警阀消防喷头(闭式)卫生器具及水池图形符号说明图形符号说明水盆水纸用于一张图只有一种水盆或水池立式洗脸盆洗脸盆浴盆化验盆、洗涤盆挂式小便器带蓖洗涤盆蹲式大便器盥洗槽坐式大便器污水池淋浴喷头妇女卫生盆矩形化粪池HC为化粪池代号立式小便器圆形化粪池除油池YC为除油池代放气井号沉淀池CC为沉淀池代号泄水井降温池JC为降温池代号水封井中和池ZC为中和池代号跌水井雨水口水表井本图例与流量计相同设备及仪表图形符号说明图形符号说明泵用于一张图只有一种泵管道泵离心水泵热交换器真空泵水-水热交换器手摇泵开水器定量泵喷射器磁水泵集气罐过滤器除污器上图:平面下图:立面水锤消除器暖风机浮球液位器温度计搅拌器水流指示器散热器压力表上图:平面下图:立面自动记录压力表自动记录流量计电接点压力表转子流量计流量计减压孔板。
表 3.0.2 管道附件序号名称图例备注1 2 套管伸缩器方形伸缩器3 4 刚性防水套管柔性防水套管5 6 7 8波纹管可曲挠橡胶接头管道固定支架管道滑动支架9 立管检查口清扫口1011通气帽1213雨水斗排水漏斗通用。
如为无水封,地漏应加存水弯14 15圆形地漏 方形地漏1617自动冲洗水箱挡墩18 19减压孔板 Y 形除污器20 2122毛发聚集器 防回流污染止回阀吸气阀3.0.3 管道连接 的图例宜符合表 3.0.3 的要求。
表 3.0.3管道连接序 名 称 图 例 备 注号 1 法兰连接 承插连接 活接头2 3 4 5管堵 法兰堵盖表示管道向后及向6 7弯折管 三通连接 四通连接 盲板下弯转 90°8 9 10 11 12管道丁字上接 管道丁字下接 管道交叉在下方和后面 的管道应断开3.0.4 管件 的图例宜符合表 3.0.4 的要求。
表 3.0.4管件 例序号名称图备注1 2 3 4 5 6 7 8 偏心异径管 异径管 乙字管 喇叭口 转动接头 短管存水弯 弯头9 正三通斜三通1011 正四通1213斜四通浴盆排水件3.0.5阀门的图例宜符合表 3.0.5 的要求。
表 3.0.5 阀门例序号名称图备注1 2 闸阀角阀3 三通阀4 5 四通阀截止阀6 电动阀7 8 液动阀气动阀9 减压阀旋塞阀底阀左侧为高压端10111213球阀隔膜阀14 气开隔膜阀1516171819 气闭隔膜阀温度调节阀压力调节阀电磁阀止回阀2021 消声止回阀蝶阀2223 弹簧安全阀平衡锤安全阀2425 自动排气阀浮球阀延时自闭冲洗阀262728 吸水喇叭口疏水器3.0.6给水配件的图例宜符合表 3.0.6 的要求。
表 3.0.6 给水配件序号名称图例备注1 2放水龙头皮带龙头左侧为平面,右侧为系统左侧为平面,右侧为系统洒水(栓)龙头34 化验龙头5 6 7肘式龙头脚踏开关混合水龙头8 9旋转水龙头浴盆带喷头混合水龙头3.0.7消防设施的图例宜符合表 3.0.7 的要求。
表3.0.2 管道附件序名称图例备注号1 套管伸缩器2 方形伸缩器3 刚性防水套管4 柔性防水套管5 波纹管6 可曲挠橡胶接头7 管道固定支架8 管道滑动支架9 立管检查口10 清扫口11 通气帽12 雨水斗13 排水漏斗14 圆形地漏通用。
如为无水封,地漏应加存水弯15 方形地漏16 自动冲洗水箱17 挡墩18 减压孔板19 Y形除污器20 毛发聚集器21 防回流污染止回阀22 吸气阀3.0.3管道连接的图例宜符合表3.0.3的要求。
表3.0.3 管道连接序号名称图例备注1 法兰连接2 承插连接3 活接头4 管堵5 法兰堵盖6 弯折管表示管道向后及向下弯转90°7 三通连接8 四通连接9 盲板10 管道丁字上接11 管道丁字下接12 管道交叉在下方和后面的管道应断开3.0.4管件的图例宜符合表3.0.4的要求。
表3.0.4 管件序号名称图例备注1 偏心异径管2 异径管3 乙字管4 喇叭口5 转动接头6 短管7 存水弯8 弯头9 正三通10 斜三通11 正四通12 斜四通13 浴盆排水件3.0.5阀门的图例宜符合表3.0.5的要求。
表3.0.5 阀门序号名称图例备注1 闸阀2 角阀3 三通阀4 四通阀5 截止阀6 电动阀7 液动阀8 气动阀9 减压阀左侧为高压端10 旋塞阀11 底阀12 球阀13 隔膜阀14 气开隔膜阀15 气闭隔膜阀16 温度调节阀17 压力调节阀18 电磁阀19 止回阀20 消声止回阀21 蝶阀22 弹簧安全阀23 平衡锤安全阀24 自动排气阀25 浮球阀26 延时自闭冲洗阀27 吸水喇叭口28 疏水器3.0.6给水配件的图例宜符合表3.0.6的要求。
表3.0.6 给水配件序号名称图例备注1 放水龙头左侧为平面,右侧为系统2 皮带龙头左侧为平面,右侧为系统3 洒水(栓)龙头4 化验龙头5 肘式龙头6 脚踏开关7 混合水龙头8 旋转水龙头9 浴盆带喷头混合水龙头3.0.7 消防设施的图例宜符合表3.0.7的要求。
「建议收藏」暖通空调、给排水、消防CAD图例符号大全与画法线型及其含义:比例:水、汽管道代号:工艺管道施工图常用图例:水、汽管道阀门和附件图例:给排水、采暖常用图例:通风空调工程常用图例:风道代号:风道、阀门及附件图例:风口和附件代号:暖通空调设备图例:调控装置及仪表图例:各种执行机构可与风阀、水阀组合表示相应功能的控制阀门。
消防工程基本图形符号:消防工程辅助符号:消防工程灭火器符号:消防管路及配件符号:消防工程固定灭火器系统符号:消防工程灭火设备安装处符号:消防设施:消防工程自动报警设备符号:管道图例:管道附件:管道连接:管件:常见阀门:给水配件:小型给水排水构筑物:给水排水设备:仪表:管道和设备布置平面图、剖面图示例:管道和设备布置平面图应按假象除去上层板后俯视规则绘制,其相应的垂直剖面图应在平面图中表明剖切符号。
标准层平面图平、剖面示例平面图、剖面图索引符号的画法:平面图、剖面图中的局部需另绘详图时,应在平、剖面图上标注索引符号。
索引符号的画法见下图。
索引符号的画法内视符号画法:当表示局部位置的相互关系,在平面图上应标注内视符号。
内视符号画法系统编号:1、一个工程设计中同时有供暖、通风、空调等两个及以上的不同系统时,应进行系统编号。
2、暖通空调系统编号、入口编号,应由系统代号和顺序号组成。
3、系统代号用大写拉丁字母表示,顺序号用阿拉伯数字表示。
当一个系统出现分支时,可采用下图的画法。
系统代号立管号的画法竖向布置的垂直管道系统,应标注立管号,在不一致引起误解时,可只标注序号,但应与建筑轴线编号有明显区别。
立管号的画法管道相对标高的画法:1、在无法标注垂直尺寸的图样中,应标注标高。
标高应以m为单位,并应精确到cm或mm。
2、标高符号应以直角等腰三角形表示。
当面标准层较多时,可只标注与本层楼(地)板面的相对标高。
3、水、汽管道所标高未予说明时,应表示为管中心标高。
4、水、汽管道标注管道外底或顶标高时,应在数字前加“底”或“顶”字样。
表3.0.2管道附件序名称图例备注号1 套管伸缩器2 方形伸缩器3 刚性防水套管4 柔性防水套管5 波纹管6 可曲挠橡胶接头7 管道固定支架8 管道滑动支架9 立管检查口10 清扫口11 通气帽12 雨水斗13 排水漏斗14 圆形地漏通用。
如为无水封,地漏应加存水弯15 方形地漏16 自动冲洗水箱17 挡墩18 减压孔板19 Y形除污器20 毛发聚集器21 防回流污染止回阀22 吸气阀3.0.3管道连接的图例宜符合表3.0.3的要求。
表3.0.3管道连接序名称图例备注号1 法兰连接2 承插连接3 活接头4 管堵5 法兰堵盖6 弯折管表示管道向后及向下弯转90°7 三通连接8 四通连接9 盲板10 管道丁字上接11 管道丁字下接12 管道交叉在下方和后面的管道应断开3.0.4管件的图例宜符合表3.0.4的要求。
表3.0.4管件序号名称图例备注1 偏心异径管2 异径管3 乙字管4 喇叭口5 转动接头6 短管7 存水弯8 弯头9 正三通10 斜三通11 正四通12 斜四通13 浴盆排水件3.0.5阀门的图例宜符合表3.0.5的要求。
表3.0.5阀门序号名称图例备注1 闸阀2 角阀3 三通阀4 四通阀5 截止阀6 电动阀7 液动阀8 气动阀9 减压阀左侧为高压端10 旋塞阀11 底阀12 球阀13 隔膜阀14 气开隔膜阀15 气闭隔膜阀16 温度调节阀17 压力调节阀18 电磁阀19 止回阀20 消声止回阀21 蝶阀22 弹簧安全阀23 平衡锤安全阀24 自动排气阀25 浮球阀26 延时自闭冲洗阀27 吸水喇叭口28 疏水器3.0.6给水配件的图例宜符合表3.0.6的要求。
表3.0.6给水配件序名称图例备注号1 放水龙头左侧为平面,右侧为系统2 皮带龙头左侧为平面,右侧为系统3 洒水(栓)龙头4 化验龙头5 肘式龙头6 脚踏开关7 混合水龙头8 旋转水龙头9 浴盆带喷头混合水龙头3.0.7 消防设施的图例宜符合表3.0.7的要求。
表3.0.1管道图例
3.0.2管道附件的图例宜符合表3.0.2的要求。
表3.0.2管道附件
3.0.3管道连接的图例宜符合表3.0.3的要求。
表3.0.3管道连接
3.0.4管件的图例宜符合表3.0.4的要求。
表3.0.4管件
3.0.5阀门的图例宜符合表3.0.5的要求。
表3.0.5阀门
3.0.6给水配件的图例宜符合表3.0.6的要求。
表3.0.6给水配件
3.0.7 消防设施的图例宜符合表3.0.7的要求。
表3.0.7消防设施
3.0.8卫生设备及水池的图例宜符合表3.0.8的要求。
表3.0.8卫生设备及水池
3.0.9小型给水排水构筑物的图例宜符合表3.0.9的要求。
表3.0.9小型给水排水构筑物
3.0.10给水排水设备的图例宜符合表3.0.10的要求。
表3.0.10给水排水设备
3.0.11给水排水专业所用仪表的图例宜符合表3.0.11的要求。
表3.0.11仪表
FL-1(废水立管)、JL-1(给水立管)、XL-1(消火栓给水立管)、PL-1(喷淋给水立管)、HL-1(回水立管)、NL-1(凝结水立管)、RJL-1(热给水立管)、RHL-1(热水回水立管)等等。
表3.0.1 管道图例 序 号 名 称 图 例 备 注
1 生活给水管 2 热水给水管 3 热水回水管 4 中水给水管 5 循环给水管 6 循环回水管 7 热媒给水管 8 热媒回水管 9 蒸汽管 10 凝结水管
11 废水管 可与中水源水管合用
12 压力废水管 13 通气管 14 污水管 15 压力污水管 16 雨水管 17 压力雨水管 18 膨胀管
19 保温管 20 多孔管 21 地沟管
22 防护套管
23 管道立管 X:管道类别 L:立管 1:编号
24 伴热管 25 空调凝结水管 26 排水明沟
27 排水暗沟 注:分区管道用加注角标方式表示:如J1、J2、RJ1、RJ2……。
3.0.2 管道附件的图例宜符合表3.0.2的要求。 表3.0.2 管道附件 序 号 名 称 图 例 备 注
1 套管伸缩器 2 方形伸缩器
3 刚性防水套管
4 柔性防水套管 5 波纹管 6 可曲挠橡胶接头 7 管道固定支架 8 管道滑动支架
9 立管检查口 10 清扫口 11 通气帽 12 雨水斗 13 排水漏斗 14 圆形地漏 通用。如为无水封,地漏应加存水弯
15 方形地漏
16 自动冲洗水箱 17 挡墩 18 减压孔板 19 Y形除污器
20 毛发聚集器 21 防回流污染止回阀 22 吸气阀
3.0.3 管道连接的图例宜符合表3.0.3的要求。 表3.0.3 管道连接 序 号 名 称 图 例 备 注
1 法兰连接 2 承插连接 3 活接头 4 管堵 5 法兰堵盖 6 弯折管 表示管道向后及向下弯转90°
7 三通连接
8 四通连接 9 盲板 10 管道丁字上接 11 管道丁字下接 12 管道交叉 在下方和后面的管道应断开
3.0.4 管件的图例宜符合表3.0.4的要求。
表3.0.4 管件 序 号 名 称 图 例 备 注
1 偏心异径管 2 异径管 3 乙字管 4 喇叭口 5 转动接头 6 短管 7 存水弯 8 弯头 9 正三通 10 斜三通
第七章、建筑给水排水
一、图 线
建筑给水排水常用线型图例表。
二、比例
建筑给水排水专业制图常用的比例表。
名 称 比 例 备 注
区域规划图 区域位置图 1:50000、1:25000、1: 10000、1:5000、1:20000 宜与总图专业一致
总平面图 1:1000、1:500、1:300
宜与总图专业一致
管道纵断截面 竖向1:200、1:100、1:50
纵向1:1000、1:500、1:300
宜与总图专业一致
水处理(厂站)平面图 1:500、1:200、1:100
宜与总图专业一致
水处理构筑物、设备间、卫生间 泵房间、剖面图 1:100、1:50、1:40、1:30
宜与总图专业一致
建筑给水排水平面图 1:200、1:150、1:200 宜与建筑专业一致
建筑给水排水轴测图 1:150、1:100、1:50 宜与相应图纸一致
详图 1:50、1:30、1:20、1:10、1:5、1:2、1:1、2:1
。
三、标高的标注
1、室内工程应标注相对标高;室外工程宜标注绝对标高,当无绝对标高资料时,可标注相对标高,但应总图专
业一致。
2、压力管道应标注中心标高;重力流管道和沟渠宜标注管(沟)内底标高。标高单位以m计时,可注写到小数
点后第二位。
3、标高的标注方法应符合下列规定:
(1)平面图中,管道标高应按下图中的方式标注;
平面图中管道标高标注法
(2)平面图中,沟渠标高应按下图的方式标注
平面图中沟渠标高标注法
(
(3)剖面图中,管道及水位标高应按下图的方式标注
剖面图中管道及水位标高标注法
(4)、轴测图中,管道标高应按图2.3.5-4的方式标注。
轴测图中管道标高标注法
(5)建筑物内的管道也可以按本层建筑地面的标高加管道安装高度的方式标注管道标高,标注方法应为H+X,XX,H
表示本层建筑地面标高。
四、管径
1 、管径的单位应为mm。
2、管径的表达方式应符合下列规定:
(1) 水煤气输送钢管(镀锌或非镀锌)、铸铁管等管材,管径宜以工程直径DX壁厚表示;
(2) 无缝钢管、焊接钢管(直缝或螺旋缝)等管材,管径宜以外径DX壁厚表示;
(3) 钢管、薄壁不锈钢管等管材,管径宜以公称Dw表示;
(4)建筑给水排水塑料管材,管径宜以外径dn表示;
(5)钢筋混凝土(或混凝土)管,管径宜以内径d表示;
(6)复合管、结构壁塑料管等管材,管径应按产品标准的方法表示;
(7)当设计中均采用公称直径DN表示管径时,应有公称直径DN与相应产品规格对照表。
3、管径的标注方法应符合下列规定:
(1) 单根管道时,管径应按下图的方式标注;
单管管径表示方法
(2) 多根管道时,管径应按下图的方式标注。
多管管径表示方法
(3)当建筑物的给水引出入管或排水排出管的数量超过一根时,应进行编号,编号宜按图的方法表示。
给水引入(排水排出)管编号编号表示法
(4)建筑物内穿越楼层的立管,其数量超过一根时,应进行编号,编号宜按图的方法表示。
立管编号表示法
4、在总图中,当同种给水排水附属构筑物的数量超过一个时,应进行编号,并符合下列规定:
(1) 编号方法应采用构筑物代号加编号表示;
(2) 给水构筑物的编号顺序宜为从上水源到干管,再从干管到支管,最后到用户;
(3) 排水构筑物的编号顺序宜为从上游到下游,先干管后支管。
5、当给水排水工程的机电设备数量超过一台时,宜进行编号,并应有设备编号与设备名称对照表。
五、管道图例
管道类别应以汉语拼音字母表示,管道图例宜符合表的要求。
六、管道附件图例
管道附件的图例宜符合表的要求。
七、 阀门图例
阀门的图例宜符合表的要求
八、给水配件图例
给水配件的图例宜符合下表的要求
九、 消防设施图例
消防设施的图例宜符合下表的要求
十、卫生设备及水池图例
卫生设备及水池的图例宜符合表的要求
十一、 小型给水排水构筑物图例
小型给水排水构筑物的图例宜符合表的要求
十二、给水排水设备图例
给水排水设备的图例宜符合下表要求
十三、仪表图例
给水排水专业所用仪表的图例宜符合表的要求