建筑给水排水图例与符号汇总
- 格式:doc
- 大小:3.28 MB
- 文档页数:21
给排水管道图形符号
管道及附件
图形符号说明图形符号说明
管道:
用于一张图内只有一种管道
四通连接
管道:
用汉语拼音字头表示管道类别
流向
导管:
用图例表示管道类别
坡向
交叉管:
指管道交叉不连接,在下方和后
面的管道应断开
套管伸缩器三通连接波形伸缩器
弧形伸缩器管道滑动支架
方形伸缩器保温管
也适用于防结露管
防水套管多孔管软管拆除管可挠曲橡胶接头地沟管管道固定支架防护套管管道立管检查口排水明沟清扫口
排水暗沟通气帽
弯折管
雨水斗表示管道向后弯90°
弯折管
排水漏斗表示管道向前弯90°
存水弯圆形地漏
方型地漏阀门套筒
自动冲洗箱挡墩
管道的连接
图形符号说明图形符号说明
法兰连接活接头
承插连接转动接头
管堵管接头
法兰堵盖弯管
偏心异径管正三通
异径管斜三通
乙字管正四通
喇叭口
斜四通
螺纹连接
阀门
图形符号说明图形符号说明
阀门
电动阀
用于一张图内只
有一种阀门
角阀液动阀
三通阀气动阀
四通阀减压阀
闸阀旋塞阀
截止阀底阀
球阀消声止回阀
隔膜阀碟阀
温度调节阀弹簧安全阀
压力调节阀平衡锤安全阀
电磁阀自动排气阀
止回阀浮球阀
气开隔膜阀气闭隔膜阀
延时自闭冲洗阀脚踏开关
放水龙头疏水器。
给水排水图例说明1. 引言给水排水图例是给水排水工程设计的重要文档,在给水排水工程设计中起到了标明和解释各种图形符号及其含义的作用。
本文档将详细介绍给水排水图例中常见的图形符号及其含义,以供工程设计人员参考和使用。
2. 图例示意图下面是常见的给水排水图例示意图:图例示意图图例示意图3. 图例说明下面将分别对图例中的各个图形符号进行说明。
管道用来表示给水和排水系统中的水流通道。
常见的管道图形符号如下:•直线:表示直管道;•直线带箭头:表示管道的流向;•弯曲线:表示弯管;•弯曲线带箭头:表示弯管的流向。
3.2 阀门阀门用来控制给水和排水系统中的水流。
常见的阀门图形符号如下:•方形:表示截止阀;•圆形:表示调节阀;•三角形:表示止回阀;•斜线:表示可调节阀。
泵站用于将水从一个低地势区域抽到高地势区域。
常见的泵站图形符号如下:•正方形:表示泵站建筑物;•直线带箭头:表示泵站的出水方向。
3.4 排水口排水口用于排水系统中的水流的排放。
常见的排水口图形符号如下:•出水直线:表示直接排入下水道;•出水直线带箭头:表示排入外部环境。
3.5 水池水池用于储存给水和排水系统中的水。
常见的水池图形符号如下:•椭圆形:表示储水池;•直线带箭头:表示水池的水流方向。
本文档详细介绍了给水排水图例中常见的图形符号及其含义。
通过对图例的理解和应用,工程设计人员能够准确地理解和绘制给水排水系统的图纸,从而保证工程的顺利进行。
在实际项目中,设计人员应根据具体要求进行图例的设计和补充,确保图例与工程实际相符。
5. 参考文献无。
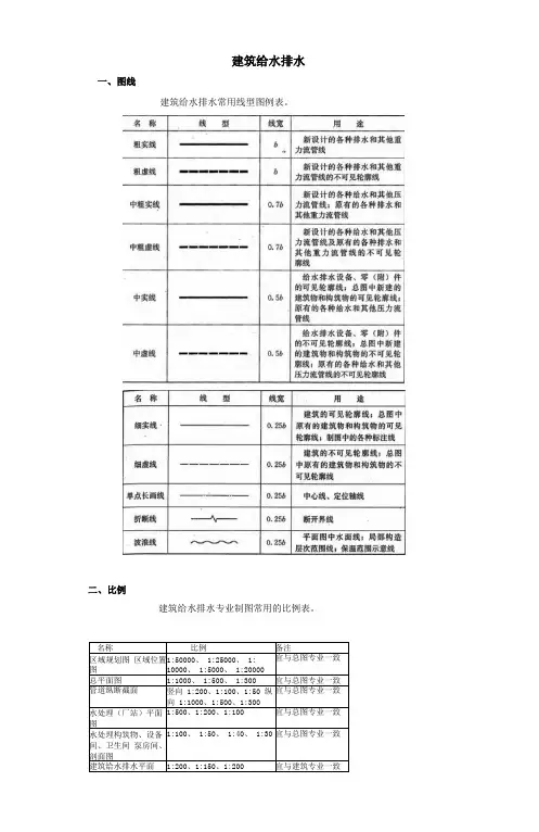
建筑给水排水一、图线建筑给水排水常用线型图例表..二、比例建筑给水排水专业制图常用的比例表....三、标高的标注1、室内工程应标注相对标高;室外工程宜标注绝对标高;当无绝对标高资料时;可标注相对标高;但应总图专业一致..2、压力管道应标注中心标高;重力流管道和沟渠宜标注管沟内底标高..标高单位以m计时;可注写到小数点后第二位..3、标高的标注方法应符合下列规定:1平面图中;管道标高应按下图中的方式标注;平面图中管道标高标注法2平面图中;沟渠标高应按下图的方式标注平面图中沟渠标高标注法剖面图中;管道及水位标高应按下图的方式标注剖面图中管道及水位标高标注法4、轴测图中管道标高标注法5建筑物内的管道也可以按本层建筑地面的标高加管道安装高度的方式标注管道标高;标注方法应为H+X;XX;H表示本层建筑地面标高..四、管径1 、管径的单位应为mm..2、管径的表达方式应符合下列规定:1 水煤气输送钢管镀锌或非镀锌、铸铁管等管材;管径宜以工程直径DX壁厚表示;2 无缝钢管、焊接钢管直缝或螺旋缝等管材;管径宜以外径DX壁厚表示;3 钢管、薄壁不锈钢管等管材;管径宜以公称Dw表示;4建筑给水排水塑料管材;管径宜以外径dn表示;5钢筋混凝土或混凝土管;管径宜以内径d表示;6复合管、结构壁塑料管等管材;管径应按产品标准的方法表示;7当设计中均采用公称直径DN表示管径时;应有公称直径DN与相应产品规格对照表..3、管径的标注方法应符合下列规定:1 单根管道时;管径应按下图的方式标注;单管管径表示方法2 多根管道时;管径应按下图的方式标注..多管管径表示方法3当建筑物的给水引出入管或排水排出管的数量超过一根时;应进行编号;编号宜按图的方法表示..给水引入排水排出管编号编号表示法4建筑物内穿越楼层的立管;其数量超过一根时;应进行编号;编号宜按图的方法表示..立管编号表示法4、在总图中;当同种给水排水附属构筑物的数量超过一个时;应进行编号;并符合下列规定:1 编号方法应采用构筑物代号加编号表示;2 给水构筑物的编号顺序宜为从上水源到干管;再从干管到支管;最后到用户;3 排水构筑物的编号顺序宜为从上游到下游;先干管后支管..5、当给水排水工程的机电设备数量超过一台时;宜进行编号;并应有设备编号与设备名称对照表..五、管道图例管道类别应以汉语拼音字母表示;管道图例宜符合表的要求..六、管道附件图例管道附件的图例宜符合表的要求..七、阀门图例阀门的图例宜符合表的要求八、给水配件图例给水配件的图例宜符合下表的要求九、消防设施图例消防设施的图例宜符合下表的要求十、卫生设备及水池图例卫生设备及水池的图例宜符合表的要求十一、小型给水排水构筑物图例小型给水排水构筑物的图例宜符合表的要求十二、给水排水设备图例给水排水设备的图例宜符合下表要求十三、仪表图例给水排水专业所用仪表的图例宜符合表的要求。
第七章、建筑给水排水一、图线建筑给水排水常用线型图例表。
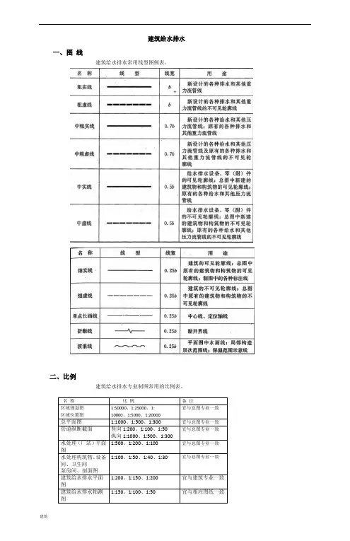
二、比例建筑给水排水专业制图常用的比例表。
名称比例备注区域规划图区域位置图1:50000、1:25000、1:10000、1:5000、1:20000宜与总图专业一致总平面图1:1000、1:500、1:300 宜与总图专业一致管道纵断截面竖向1:200、1:100、1:50纵向1:1000、1:500、1:300宜与总图专业一致水处理(厂站)平面图1:500、1:200、1:100宜与总图专业一致水处理构筑物、设备间、卫生间泵房间、剖面图1:100、1:50、1:40、1:30宜与总图专业一致建筑给水排水平面图1:200、1:150、1:200宜与建筑专业一致建筑给水排水轴测图1:150、1:100、1:50 宜与相应图纸一致详图1:50、1:30、1:20、1:10、1:5、1:2、1:1、2:1三、标高的标注1、室内工程应标注相对标高;室外工程宜标注绝对标高,当无绝对标高资料时,可标注相对标高,但应总图专业一致。
2、压力管道应标注中心标高;重力流管道和沟渠宜标注管(沟)内底标高。
标高单位以m计时,可注写到小数点后第二位。
3、标高的标注方法应符合下列规定:(1)平面图中,管道标高应按下图中的方式标注;平面图中管道标高标注法(2)平面图中,沟渠标高应按下图的方式标注平面图中沟渠标高标注法(3)剖面图中,管道及水位标高应按下图的方式标注剖面图中管道及水位标高标注法(4)、轴测图中,管道标高应按图2.3.5-4的方式标注。
轴测图中管道标高标注法(5)建筑物内的管道也可以按本层建筑地面的标高加管道安装高度的方式标注管道标高,标注方法应为H+X,XX,H表示本层建筑地面标高。
四、管径1 、管径的单位应为mm。
2、管径的表达方式应符合下列规定:(1)水煤气输送钢管(镀锌或非镀锌)、铸铁管等管材,管径宜以工程直径DX壁厚表示;(2)无缝钢管、焊接钢管(直缝或螺旋缝)等管材,管径宜以外径DX壁厚表示;(3)钢管、薄壁不锈钢管等管材,管径宜以公称Dw表示;(4)建筑给水排水塑料管材,管径宜以外径dn表示;(5)钢筋混凝土(或混凝土)管,管径宜以内径d表示;(6)复合管、结构壁塑料管等管材,管径应按产品标准的方法表示;(7)当设计中均采用公称直径DN表示管径时,应有公称直径DN与相应产品规格对照表。
建筑给水排水一、图线建筑给水排水常用线型图例表。
二、比例建筑给水排水专业制图常用的比例表。
名称比例备注区域规划图区域位置图1:50000、1:25000、1:10000、1:5000、1:20000宜与总图专业一致总平面图1:1000、1:500、1:300 宜与总图专业一致管道纵断截面竖向1:200、1:100、1:50纵向1:1000、1:500、1:300宜与总图专业一致水处理(厂站)平面图1:500、1:200、1:100 宜与总图专业一致水处理构筑物、设备间、卫生间泵房间、剖面图1:100、1:50、1:40、1:30 宜与总图专业一致建筑给水排水平面图1:200、1:150、1:200 宜与建筑专业一致建筑给水排水轴测图1:150、1:100、1:50 宜与相应图纸一致详图1:50、1:30、1:20、1:10、1:5、1:2、1:1、2:1。
三、标高的标注1、室内工程应标注相对标高;室外工程宜标注绝对标高,当无绝对标高资料时,可标注相对标高,但应总图专业一致。
2、压力管道应标注中心标高;重力流管道和沟渠宜标注管(沟)内底标高。
标高单位以m计时,可注写到小数点后第二位。
3、标高的标注方法应符合下列规定:(1)平面图中,管道标高应按下图中的方式标注;平面图中管道标高标注法(2)平面图中,沟渠标高应按下图的方式标注平面图中沟渠标高标注法((3)剖面图中,管道及水位标高应按下图的方式标注剖面图中管道及水位标高标注法(4)、轴测图中,管道标高应按图2.3.5-4的方式标注。
轴测图中管道标高标注法(5)建筑物内的管道也可以按本层建筑地面的标高加管道安装高度的方式标注管道标高,标注方法应为H+X,XX,H表示本层建筑地面标高。
四、管径1 、管径的单位应为mm。
2、管径的表达方式应符合下列规定:(1)水煤气输送钢管(镀锌或非镀锌)、铸铁管等管材,管径宜以工程直径DX壁厚表示;(2)无缝钢管、焊接钢管(直缝或螺旋缝)等管材,管径宜以外径DX壁厚表示;(3)钢管、薄壁不锈钢管等管材,管径宜以公称Dw表示;(4)建筑给水排水塑料管材,管径宜以外径dn表示;(5)钢筋混凝土(或混凝土)管,管径宜以内径d表示;(6)复合管、结构壁塑料管等管材,管径应按产品标准的方法表示;(7)当设计中均采用公称直径DN表示管径时,应有公称直径DN与相应产品规格对照表。
建筑给水排水一、图线、比例建筑给水排水专业制图常用的比例表。
三、标高的标注1、 室内工程应标注相对标高;室外工程宜标注绝对标高,当无绝对标高资料时,可标注相对标高,但应总图专 业一致。
2、 压力管道应标注中心标高;重力流管道和沟渠宜标注管(沟)内底标高。
标高单位以m 计时,可注写到小数 点后第二位。
3、 标高的标注方法应符合下歹U 规定: (1) 平■面图中,管道标高应按下图中的方式标注;平面图中管道标高标注法(2) 平■面图中,沟渠标高应按下图的方式标注2.85iO.QlO平■面图中沟渠标高标注法(3) 剖面图中,管道及水位标高应按下图的方式标注道流水位侵亲水位(最高水位) 无泵水位最低水位剖面图中管道及水位标高标注法(4)、轴测图中,管道标高应按图(5)建筑物内的管道也可以按本层建筑地面的标高加管道安装高度的方式标注管道标高, 1010 9 909一知4D9.15标注方法应为H+X,XX,H表示本层建筑地面标高。
四、管径1、管径的单位应为mm。
2、管径的表达方式应符合下列规定:(1) 水煤气输送钢管(镀锌或非镀锌)、铸铁管等管材,管径宜以工程直径DX壁厚表示;(2) 无缝钢管、焊接钢管(直缝或螺旋缝)等管材,管径宜以外径DX壁厚表示;(3) 钢管、薄壁不锈钢管等管材,管径宜以公称Dw表示;(4) 建筑给水排水塑料管材,管径宜以外径dn表示;(5) 钢筋混凝土(或混凝土)管,管径宜以内径d表示;(6) 复合管、结构壁塑料管等管材,管径应按产品标准的方法表示;(7) 当设计中均采用公称直径DN表示管径时,应有公称直径DN与相应产品规格对照表。
3、管径的标注方法应符合下列规定:(1) 单根管道时,管径应按下图的方式标注;DN20单管管径表示方法(2) 多根管道时,管径应按下图的方式标注。
an如| D108X4、DJV150 /DN\ 50多管管径表示方法(3) 当建筑物的给水引出入管或排水排出管的数量超过一根时,应进行编号,编号宜按图的方法表示。
给排水工程图形符号
说说一般常用的:
给水管道-J,如果分高低区通常用首字母表示即高区-G,低区-D。
排水管道-W,表示污水。
也有-F,就是废水。
很少见有用-P
表示的。
消火栓管道-XH。
自动喷淋管道-Z或者-ZP.
雨水管道-Y.
采暖管道-R,一般实线表示供水管,虚线表示回水管。
压力排水-PY.
冷凝水管道-N。
管道立管-L.
另外设备的型号字母:
Q-流量或者风量
H-扬程
N-功率
P-压力
QW-潜污泵
其他阀门、器具之类的都是用图形区分。
JL-给水管;
WL-污水管;
YL-雨水管;
RJL-热给水;RHL-热回水
欢迎您的下载,
资料仅供参考!
致力为企业和个人提供合同协议,策划案计划书,学习资料等等
打造全网一站式需求。
建筑给水排水、图线建筑给水排水常用线型图例表。
、比例建筑给水排水专业制图常用的比例表。
详图1: 50、1: 30、1:20、1:10、 1:5、1:2、1: 1、2:1平面图中管道标高标注法(2) 平面图中,沟渠标高应按下图的方式标注平面图中沟渠标高标注法((3) 剖面图中,管道及水位标高应按下图的方式标注剖面图中管道及水位标高标注法(4)、轴测图中,L2.65三、标咼的标注1、 室内工程应标注相对标高;室外工程宜标注绝对标高, 一致。
2、 压力管道应标注中心标高;重力流管道和沟渠宜标注管 后第二位。
3、 标高的标注方法应符合下列规定:(1) 平面图中,管道标高应按下图中的方式标注;当无绝对标咼资料时,可标注相对标咼,但应总图专业 (沟)内底标高。
标高单位以 m 计时,可注写到小数点 ,20380 3,3.22 56 CN9主0匸9 15&20"~SZ_ 8.00 -------- ^7停泵水位(最高水位)昴泵水位晟低水位> 3<;------------4. -------------10.W(5)建筑物内的管道也可以按本层建筑地面的标高加管道安装高度的方式标注管道标高,标注方法应为H+X,XX,H表示本层建筑地面标高。
四、管径1 、管径的单位应为mm2、 管径的表达方式应符合下列规定:(1) 水煤气输送钢管(镀锌或非镀锌)、铸铁管等管材,管径宜以工程直径 DX 壁厚表示; (2) 无缝钢管、焊接钢管(直缝或螺旋缝)等管材,管径宜以外径 DX 壁厚表示;(3) 钢管、薄壁不锈钢管等管材,管径宜以公称 Dw 表示; (4) 建筑给水排水塑料管材,管径宜以外径 dn 表示; (5) 钢筋混凝土(或混凝土)管,管径宜以内径 d 表示;(6) 复合管、结构壁塑料管等管材,管径应按产品标准的方法表示;(7) 当设计中均采用公称直径 DN 表示管径时,应有公称直径 DN 与相应产品规格对照表。
建筑给水排水一、图线
建筑给水排水常用线型图例表。
二、比例
建筑给水排水专业制图常用的比例表。
名称比例备注
区域规划图区域位置图1:50000、1:25000、1:
10000、1:5000、1:20000
宜与总图专业一致
总平面图1:1000、1:500、1:300宜与总图专业一致管道纵断截面竖向1:200、1:100、1:50
纵向1:1000、1:500、
宜与总图专业一致
1:300
水处理(厂站)平面图
1:500、1:200、1:100 宜与总图专业一致
水处理构筑物、设备间、卫生间 泵房间、剖面图 1:100、1:50、1:40、1:30 宜与总图专业一致
建筑给水排水平面图
1:200、1:150、1:200 宜与建筑专业一致
建筑给水排水轴测图 1:150、1:100、1:50 宜与相应图纸一致
详图
1:50、1:30、1:20、1:10、1:5、1:2、1:1、2:1。
三、标高的标注
1、室内工程应标注相对标高;室外工程宜标注绝对标高,当无绝对标高资料时,可标注相对标高,但应总图专业一致。
2、压力管道应标注中心标高;重力流管道和沟渠宜标注管(沟)内底标高。
标高单位以m 计时,可注写到小数点后第二位。
3、标高的标注方法应符合下列规定:
(1)平面图中,管道标高应按下图中的方式标注;
平面图中管道标高标注法
(2)平面图中,沟渠标高应按下图的方式标注
平面图中沟渠标高标注法
(
(3)剖面图中,管道及水位标高应按下图的方式标注
剖面图中管道及水位标高标注法
(4)、轴测图中,管道标高应按图2.3.5-4的方式标注。
轴测图中管道标高标注法
(5)建筑物内的管道也可以按本层建筑地面的标高加管道安装高度的方式标注管道标高,标注方法应为H+X,XX,H表示本层建筑地面标高。
四、管径
1 、管径的单位应为mm。
2、管径的表达方式应符合下列规定:
(1)水煤气输送钢管(镀锌或非镀锌)、铸铁管等管材,管径宜以工程直径DX壁厚表示;
(2)无缝钢管、焊接钢管(直缝或螺旋缝)等管材,管径宜以外径DX壁厚表示;
(3)钢管、薄壁不锈钢管等管材,管径宜以公称Dw表示;
(4)建筑给水排水塑料管材,管径宜以外径dn表示;
(5)钢筋混凝土(或混凝土)管,管径宜以内径d表示;
(6)复合管、结构壁塑料管等管材,管径应按产品标准的方法表示;
(7)当设计中均采用公称直径DN表示管径时,应有公称直径DN与相应产品规格对照表。
3、管径的标注方法应符合下列规定:
(1)单根管道时,管径应按下图的方式标注;
单管管径表示方法
(2)多根管道时,管径应按下图的方式标注。
多管管径表示方法
(3)当建筑物的给水引出入管或排水排出管的数量超过一根时,应进行编号,编号宜按图的方法表示。
给水引入(排水排出)管编号编号表示法
(4)建筑物内穿越楼层的立管,其数量超过一根时,应进行编号,编号宜按图的方法表示。
立管编号表示法
4、在总图中,当同种给水排水附属构筑物的数量超过一个时,应进行编号,并符合下列规定:
(1)编号方法应采用构筑物代号加编号表示;
(2)给水构筑物的编号顺序宜为从上水源到干管,再从干管到支管,最后到用户;
(3)排水构筑物的编号顺序宜为从上游到下游,先干管后支管。
5、当给水排水工程的机电设备数量超过一台时,宜进行编号,并应有设备编号与设备名称对照表。
五、管道图例
管道类别应以汉语拼音字母表示,管道图例宜符合表的要求。
六、管道附件图例
管道附件的图例宜符合表的要求。
七、阀门图例
阀门的图例宜符合表的要求
八、给水配件图例
给水配件的图例宜符合下表的要求
九、消防设施图例
消防设施的图例宜符合下表的要求
十、卫生设备及水池图例
卫生设备及水池的图例宜符合表的要求
十一、小型给水排水构筑物图例
小型给水排水构筑物的图例宜符合表的要求
十二、给水排水设备图例
给水排水设备的图例宜符合下表要求
十三、仪表图例
给水排水专业所用仪表的图例宜符合表的要求
21 / 21文档可自由编辑。