20200304 实验室安全检查表
- 格式:xlsx
- 大小:84.04 KB
- 文档页数:4
实验室安全检查表
一、实验室信息
- 实验室名称:
- 负责人:
- 实验室位置:
- 检查日期:
二、实验室安全设施
1. 检查实验室内是否配备了紧急出口标志,并确保标志清晰可见。
2. 检查实验室灭火器是否齐备,并确保其有效期未过。
3. 检查实验室内是否具备消防器材,并确保其有效性。
4. 检查实验室的紧急停电开关是否正常运作。
5. 检查实验室的安全出口是否畅通,并确保疏散路径清晰可见。
三、实验室操作安全
1. 检查实验室内是否设置了实验操作指导标识,并确保操作规
程清晰明确。
2. 检查实验室内是否配备了必要的个人防护设备,并确保其完
好无损。
3. 检查实验室内是否存在易燃、易爆、有毒等危险品,并确保
其储存和处置符合规范。
4. 检查实验室内的电气设备是否正常运行,并确保维护保养工
作到位。
5. 检查实验室内的化学品储存是否有序,并确保标识清晰可见。
四、实验室通风与废物处理
1. 检查实验室通风设备是否正常运行,并确保通风效果良好。
2. 检查实验室内是否存在废弃物,请合理处理废弃物,确保环
境卫生。
3. 检查实验室内是否配备了充足的洗眼器、洗濯器等急救设施,并确保其功能正常。
五、其他安全检查
1. 检查实验室内是否存在滑倒、绊倒等安全隐患,并及时消除。
2. 检查实验室内是否设置了应急电话,并提供相关联系人信息。
备注:
请在检查中发现的问题上进行备注,以便及时采取相应措施进行整改和纠正。
以上内容仅供参考,具体安全检查内容还需根据实验室的具体情况和相关法规进行确认。
实验室安全检查表
一、实验前的准备
•实验室内是否清洁整洁,卫生情况如何?
•操作台、仪器设备是否放置整齐、有序?
•实验所需试剂和物品是否齐全、新鲜?
•实验人员是否有相关知识和技能?
•实验人员是否有安全防护意识?
•实验人员是否接受过相应的安全培训?
二、实验过程中的注意事项
•实验过程中是否戴上涉及到的防护用品?
•实验过程中是否避免直接接触试剂和实验物品?
•实验过程中是否注意分清危险性不同的试剂和物品?
•实验过程中是否遵守实验室规定和操作规程?
•实验过程中是否有备用方案和应急措施?
•实验过程中是否有足够的通风防护?
三、实验后的清理工作
•实验结束后是否及时清理实验区和操作台?
•实验结束后是否将使用的试剂和物品正确储存?
•实验后是否注意处理废弃物和废弃液体?
•实验后是否检查所有设备是否正常关闭?
•实验后是否处理好实验数据和记录?
四、日常常规检查
•定期检查消防设备、应急设备和防护用品是否正常?
•定期检查实验室是否有过期或严重缺陷的试剂和物品?
•定期检查实验室、仪器和设备是否有损坏或需要维修的地方?
•定期检查实验室通风、电路、气源、水路等反应条件是否正常?
•定期对实验室进行整理,保持安全、整洁、有序的环境。
实验室是一个复杂的环境,实验前、实验中、实验后都需要考虑安全防护措施,制定合理的操作流程和应急计划,确保实验的顺利进行和人员的安全。
所以,实验
室安全检查表和常规检查具有非常重要的意义。
实验室人员必须严格执行,并保持持续性的评估和优化,以最大限度的保证实验室的安全和有效性。
实验室安全检查表(自查用)检查日期:地点:自查单位:实验室:责任人:检查项目检查内容自查情况(问题)自查整改方案1.对师生可否经常进行实验安全教育;安全教育2.对师生实验安全看守可否到位;3.对新分派到实验室工作人员和初次参加实验学生可否进行安全教育。
1.实验室防火、防盗、放射源、易燃易爆、有毒有害物品等各项安全管理制度;安全制度及措施2.实验室安全责任人与实验室安全检查;3.实验室人员上下班安全检查制度。
防火、防盗、防爆炸、配置的防火、防盗、防爆炸、防破坏等设施圆满可用防破坏基本设施1.易燃品保留稳当、有专人保留;2.防火器材按标准装备,有效安全、方便、安全通道畅达;防火措施3.消防器材放置合适;4.各种易燃气体有专人保留;5.仪器设施可否有漏电现象,电线可否有破坏(老化)现象。
电、水、气管道和门窗圆满,无漏电、破坏、超负荷、乱拉电等现象,电、水、气管道和门窗实验室门窗无漏洞。
使用、储蓄、搬运等管理环节吻合有关规定。
依照规定进行严实监控,化学危险品、易燃易爆成立专用库房,做到专室、专柜储蓄,专人、双人双锁保留;按制度办物品、有毒有害物品、理领用手续,追责到人,严防危险品流出实验室。
未经同意,没关人员剧毒物质等危险品不得进入危险品实验室。
(剧毒物质的名称、数量)高压容器存放安全合理,易燃气瓶分开放置,容器阀门封闭。
可否有技高压容器术督查部门的检定。
-3-检查项目检查内容自查情况(问题)自查整改方案1. 实验进行过程中,必定有人值守;2. 走开实验时,必定封闭水源、电源、气源,关锁好门窗等;实验安全 3. 空调、饮水机、计算机等不得开机过夜;4. 注意明火电炉、电吹风、气体钢瓶、压力容器、水冷却系统等的使用安全。
实验室钥匙管理实验室钥匙必定专人专管,不得擅自外借他人使用。
三废办理废气、废液、废渣如何办理,可否有办理措施。
假期安全管理可否有组织假期前实验室安全检查,可否有安排假时期专人值班,可否有值班记录本。
如有侵权请联系网站删除
日常安全检查表
检查日期检查部位检查内容检查结果检查人实验室、库房、门窗、电源、气源、水
楼道、办公
实验室、库房、源、仪器、保险柜、防门窗、电源、气源、水
精品资料楼道、办公室、
实验室、库房、
楼道、办公室、实
验室、库房、
楼道、办公室、
实验室、库房、
楼道、、办公室、
实验室、库房、
楼道、办公室、
实验室、库房、
楼道、办公室、
实验室、库房、
楼道、办公室、
实验室、库房、
楼道、办公室、
实验室、库房、
楼道、办公室、
实验室、库房、
楼道、办公至、实
验室、库房、
楼道、办公至、实
验室、库房、
楼道、办公至、
实验室、库房、
源、仪器、保险柜、防门窗、
电源、气源、水
源、仪器、保险柜、防门窗、
电源、气源、水
源、仪器、保险柜、防门窗、
电源、气源、水
源、仪器、保险柜、防门窗、
电源、气源、水
源、仪器、保险柜、防门窗、
电源、气源、水
源、仪器、保险柜、防门窗、
电源、气源、水
源、仪器、保险柜、防门窗、
电源、气源、水
源、仪器、保险柜、防门窗、
电源、气源、水
源、仪器、保险柜、防门窗、
电源、气源、水
源、仪器、保险柜、防门窗、
电源、气源、水
源、仪器、保险柜、防门窗、
电源、气源、水
源、仪器、保险柜、防门窗、
电源、气源、水。
实验室安全检查表期间实验室安全检查表实验室安全是重中之重,为了保障实验人员和设备的安全,我们需要进行定期的实验室安全检查。
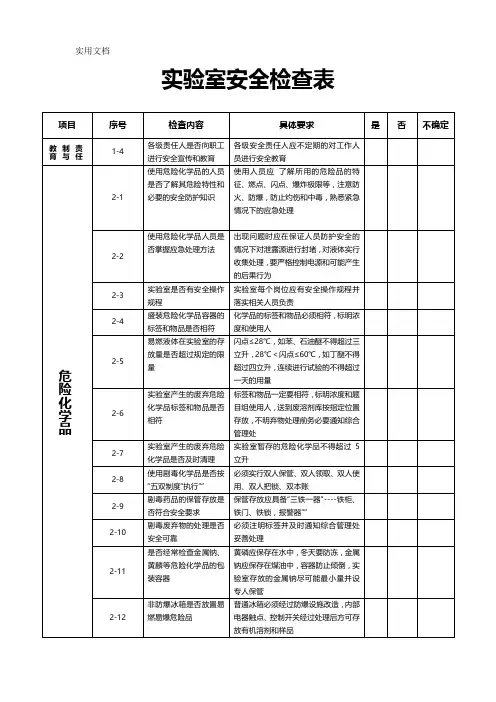
以下是实验室安全检查表的内容:1.实验室安全教育:学校和实验室是否经常对师生进行实验室安全教育?是否对新调配到实验室工作人员和初次参加实验的学生进行安全教育?指导教师和管理人员是否经常对本实验室学生进行安全教育?2.安全制度及措施:实验室防火、防盗、放射源、易燃易爆、有毒有害危险品等各项安全管理制度是否健全?措施是否明确有效?实验室安全责任人是否落实实验室安全检查措施和内容?是否严格执行实验室人员上下班安全检查制度?大型精密仪器设备履历表是否填写?3.基本设备:防火、防爆炸、防盗、防破坏等设施是否完好可用?易燃品是否保管妥善?防火器材是否按标准配备?消防器材是否放置合适?是否禁止用电炉等电器于生活使用?是否禁止在实验室烹煮食物、聚餐?各种易燃气体是否有专人保管?易燃品处是否有吸烟现象?仪器设备是否有漏电现象?电线是否有破损现象?4.电、水、气管道和门窗:电、水、气管道和门窗是否完好无漏电、破损、超负荷、乱拉电等现象?实验室门窗是否无漏洞?实验室安全通道是否畅通无障碍?5.危险品:使用、储存、搬运等管理环节是否符合上级及学院有关规定?是否严格按照规定进行严密监控?是否设立专用库房,做到专室、专柜储存,专人、双人双锁妥善保管?是否严格按制度办理领用手续,追责到人,严防危险品流出实验室?未经许可,无关人员是否不得进入危险品实验室?高压是否存放安全合理?易燃与助燃气瓶是否分开放置?阀门是否紧闭?6.实验安全:实验进行过程中是否有人值守?尤其是在进行化学反应实验、使用电加热设备时实验人员是否不得离开?离开实验室时是否必须关闭水源、电源、气源,锁好门窗,以防火灾、爆炸、溢水事故的发生?空调、饮水机、计算机等是否不得开机过夜?注意明火电炉、电吹风、气体钢瓶、压力、水冷却系统等的使用安全?7.实验室钥匙等管理:实验室钥匙是否专人专管,不得擅自外借他人使用?实验室内是否不得留宿?8.假期前与假期期间实验室安全检查:已组织假期前实验室安全检查,必要实验室已安排假期期间专人值班,已设立专门的值班记录本。
(完整版)实验室安全检查表---实验室安全是保障研究人员的人身安全和设备资产安全的重要工作。
为了有效监测实验室安全状况,我们制定了以下实验室安全检查表,以确保实验室工作环境符合安全标准。
1. 实验室建筑与设计- [ ] 实验室建筑结构是否牢固、符合安全标准并经过定期检查和维护?- [ ] 是否设置了显眼的安全标识牌,如紧急出口、疏散通道和安全出口指示等?- [ ] 实验室内是否有足够的通风设备,以确保空气质量合格及有毒气体的排放能及时被处理?- [ ] 实验室平面设计是否合理,以确保能够灵活、安全地工作?- [ ] 是否有防火、防盗、防爆等相关安全设施并经过定期检查和维护?2. 实验室设备与电源- [ ] 实验室设备是否安装牢固,固定好,不会倾倒或破损?- [ ] 实验室设备是否符合安全要求,并经过定期检查和维护?- [ ] 实验室电源线路是否合理布局,并有可靠的过载保护装置和漏电保护装置?- [ ] 实验室电气设备是否接地良好,以确保人身安全?- [ ] 实验室常用的电气设备是否有防触电措施和防火措施?3. 实验室化学品管理- [ ] 实验室化学品存放位置是否合理,并分类保存及标识完整?- [ ] 实验室内是否有足够的通风设备和消防器材,以及救援工具箱?- [ ] 实验室内是否有专门的废弃物处理区域,并遵守安全环保规范?- [ ] 是否建立了化学品事故应急预案,并经常进行实验室应急演练?- [ ] 实验室人员是否定期接受化学品安全培训,并具备相应的应急处置能力?4. 实验室个人防护- [ ] 实验室人员是否佩戴个人防护装备,如实验服、手套、眼镜、口罩等?- [ ] 实验室人员是否知晓紧急事故的应急预案,包括火警、中毒、外伤等?- [ ] 实验室人员是否接受过相关的急救培训,知晓常见急救方法?- [ ] 实验室人员是否了解有害物质的危害,知晓相关急救措施和安全操作规程?- [ ] 实验室人员是否定期进行健康体检,并记录健康状况?5. 实验室事故记录与报告- [ ] 实验室内是否建立了事故记录和报告制度,并有相应的事故报告表?- [ ] 实验室事故是否及时上报,并进行事故分析与处理?- [ ] 实验室是否建立了事故隐患排查制度,定期进行隐患排查并及时解决?- [ ] 实验室是否建立了事故防范培训制度,并定期组织实施?- [ ] 实验室事故记录是否经过归档和保存,并依法保密?以上是我们设计的实验室安全检查表,通过定期检查和整改,可以有效预防实验室安全事故的发生,并确保实验室工作环境的安全性。
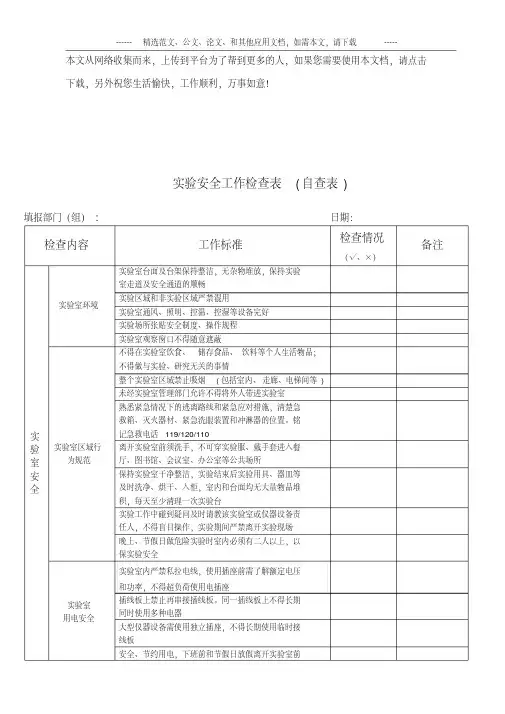
本文从网络收集而来,上传到平台为了帮到更多的人,如果您需要使用本文档,请点击下载,另外祝您生活愉快,工作顺利,万事如意!实验安全工作检查表(自查表)填报部门(组): 日期:检查内容工作标准检查情况(√、×)备注实验室安全实验室环境实验室台面及台架保持整洁,无杂物堆放,保持实验室走道及安全通道的顺畅实验区域和非实验区域严禁混用实验室通风、照明、控温、控湿等设备完好实验场所张贴安全制度、操作规程实验室观察窗口不得随意遮蔽实验室区域行为规范不得在实验室饮食、储存食品、饮料等个人生活物品;不得做与实验、研究无关的事情整个实验室区域禁止吸烟(包括室内、走廊、电梯间等)未经实验室管理部门允许不得将外人带进实验室熟悉紧急情况下的逃离路线和紧急应对措施,清楚急救箱、灭火器材、紧急洗眼装置和冲淋器的位置。
铭记急救电话119/120/110离开实验室前须洗手,不可穿实验服、戴手套进入餐厅、图书馆、会议室、办公室等公共场所保持实验室干净整洁,实验结束后实验用具、器皿等及时洗净、烘干、入柜,室内和台面均无大量物品堆积,每天至少清理一次实验台实验工作中碰到疑问及时请教该实验室或仪器设备责任人,不得盲目操作,实验期间严禁离开实验现场晚上、节假日做危险实验时室内必须有二人以上,以保实验安全实验室用电安全实验室内严禁私拉电线,使用插座前需了解额定电压和功率,不得超负荷使用电插座插线板上禁止再串接插线板。
同一插线板上不得长期同时使用多种电器大型仪器设备需使用独立插座,不得长期使用临时接线板安全、节约用电,下班前和节假日放假离开实验室前应关闭空调、照明灯具、计算机等用电器实验室用水安全节约用水,按需求量取水,根据实验所需水的质量要求选择合适的水,洗刷玻璃器皿应先使用自来水,最后用纯水冲洗;色谱、质谱及生物实验(包括缓冲液配置、水栽培、微生物培养基制备、色谱及质谱流动相等)应选用超纯水超纯水和纯水都不要存储,随用随取,若长期不用,在重新启用之前,要打开取水开关,使超纯水或纯水流出约几分钟时间后再接用,用毕切记关好水龙头安防设施实验场所内配备与工作相适应的报警设施,如:压力、温度、流量等报警设施,可燃气体、有毒气体等检测和报警设施等,确保处于工作状态实验场所内设备与工作相适应的设备安全防护设施,如:防护罩、防雷、防潮、防晒、防冻、防腐、防渗漏,确保完好实验场所内设备与工作相适应的应急处置设施,如:洗眼器、喷淋器、应急照明、灭火设施、急救箱等,确保完好个人防护实验场所内工作人员应穿工作服。
学校实验室安全检查表
说明:
本安全检查表旨在确保学校实验室的安全状况,防范潜在的危险和事故发生。
请负责检查实验室的人员按照以下要求填写。
- 在每次安全检查时,请对每一项检查项目作出确认,填写“是”或“否”。
- 若在某项检查项目中存在问题,请在“备注”栏中详细说明具
体情况。
- 检查人员应与学校工作人员一起制定整改措施,及时修复及
改善问题。
请保持实验室的安全环境,保护每位使用实验室的师生。
如有任何问题或发现异常情况,请及时向学校相关部门报告,并采取即刻的补救措施。
谢谢合作!。
实验室安全生产检查记录表格
实验室安全生产检查记录表格
对象:
检查日期:
检查人:
检查项目检查情况是否改正完成时间
1、有害物质部分:
(1)实验室应配备有关防护用品,投入使用。
√ 是
(2)实验室使用非危险物质和物品,确保入库时根据安全标准设置正确标签。
√ 是
(3)实验室应按要求对有毒、有害物质进行分类存放,并设置专用材料文件进行管理。
√ 是
(4)有害物质的使用和调拨,应遵循物质安全行为。
√ 是
2、实验室设施部分:
(1)实验室的卫生情况,应达到规定的卫生要求。
√ 是
(2)实验室应按要求设置专用照明、新风系统等设施,实验室的换气系统应运行无误。
√ 是
(3)实验室应按要求设定火灾报警系统和自动灭火设备,当发生火灾时可以及时消除火灾隐患。
√ 是
(4)实验室应至少拥有一台数据记录仪,可测量准确、及时收集实验数据。
√ 是
3、实验操作部分:
(1)实验室操作人员应接受安全培训,掌握安全基本知识,在安全装备准备妥当的情况下进行操作。
√ 是
(2)实验人员应按要求使用和管理实验设备,确保安全稳定。
√ 是
(3)实验人员应使用正确的反应容器,做到耐酸、耐碱、耐温、
耐热等要求,确保实验不会发生意外。
√ 是
(4)实验室应有责任人定期(一周至少一次)深入检查实验过程,以准确判断实验的状况,完成记录和报告。
√ 是。
部门:
区域:检查人:
日期:
检查分数:
应得分 100 =0%
符合打勾
如果不适用请打勾
得分
A. 消防
1.灭火器、消火栓位置标识明显,灭火设备型号种类标识清楚。
检查数量:
2.灭火器、消火栓前无阻挡和堆放杂物,容易取用。
需要改善处:
3.灭火器、消火栓有定期检查,设备状态良好。
4.火灾报警按钮标识明显,按钮前无阻挡和堆放杂物,有定期测试。
改善责任人:
B. 应急冲淋器和洗眼器
检查数量:
1.使用和/或存储危险化学品的区域配备了洗眼冲淋设施需要改善处:
2.定期对设施进行了检查并有记录。
0
3.位置明显标识,设施前无阻挡和堆放杂物。
改善责任人:
C. 险肇事故/不安全行为/紧急状态
检查数量:需要改善处:0
改善责任人:
D. 个人防护用品(PPE ):
1.劳保用品要求张贴在厂房入口或工作区域处。
检查数量:
2.有按规定正确使用、佩戴劳保用品。
需要改善处:
3.正确维护和保管劳保用品。
改善责任人:
E. 化学品容器:
1.所有的容器状态良好(无凹陷、变形、泄漏等)。
检查数量:
2. 使用的容器符合物料的特性。
需要改善处:
3.所有容器都有标签或等效的安全警示标签。
4.不使用时,所有化学品/溶剂容器都是盖好的。
作业场所的安全关系到您的个人安全 ITS YOUR WORK AREA- HELP TO KEEP IT SAFE!
检查内容和规范
备 注5. 所有防火门处于关闭状态,或者在必要时自动关闭。
逃生路线标示清楚。
1.员工知晓险肇事故/的定义及汇报的途径(和员工面谈)。
改善责任人:
F. 应急响应设施:
1.通道/安全出口处的应急照明灯工作正常。
检查数量:需要改善处:
4.对员工进行了应急响应(如化学品泄漏、消防等)的培训。
5.泄漏处理设施有明显的标识,设施前无阻挡和堆放杂物。
6.泄漏处理设施有清单,清单中的设备无遗漏。
改善责任人:
G. 防火柜
检查数量:2.柜门保持关闭,柜门前保持畅通。
需要改善处:0
改善责任人:
H. 电气安全
1.区域电气等级分级清楚并且有公示,电气设备符合分级要求。
检查数量:
2.电气控制柜、接线盒和分线盒外观无破损,且处于关闭状态。
需要改善处:0
4.所有手持/移动式设备已经界定了电
改善责任人:
1.柜内化学品分类整齐放置,容器密封且有标识。
3.防火柜连接接地良好,通风良好。
3.插座没有过载,所在区域没有临时电线。
2.所有的安全出口能正常开启,楼梯、安全出口和疏散通道畅通无阻碍。
3.有书面的应急响应计划,所有房间(包括会议室)都有逃生路线图。
I. 连接接地
1.所有接地夹子是尖头式的,不是犬齿式的。
检查数量:0
2.所有接地夹的尖头完好无明显磨损。
需要改善处:
3.正确执行连接接地程序。
改善责任人:
J. 化学品管理:
检查数量:需要改善处:
2.所有化学品均有当地语言的MSDS ,员工知晓从何处获取MSDS 。
改善责任人:
K. 废弃物管理
检查数量:0
需要改善处:
2. 没有化学废弃物存放容器堆积过满。
改善责任人:
L. 机械防护:
1.所有的转动/移动部件有全方位的机械防护罩,且防护罩完好。
检查数量:需要改善处:
3.机械防护和安全连锁装置有效,进行了定期检查和维护保养。
改善责任人:
M. 通风:
1. 所有通风口前均无障碍物。
检查数量:2. 通风设施运转正常。
需要改善处:
3. 通风设施有定期测试,测试结果符合设计要求。
4.不用时,关闭该通风口。
改善责任人:
N. 挂牌锁定(LOTO )
1. 有多种能源的设备有LOTO 程序或其他等效的工作许可制度。
检查数量:
2. 设备维护时,正确执行了LOTO 程序。
需要改善处:0
改善责任人:
O. 储存房和烘箱
1.储存房通风系统正常,保持微负压。
检查数量:
3.化学品存放在专门的储藏区域或地点,并且存放量不超过限额。
2.防护罩安装在机械/设备上,必须通过工具才能拆除。
1.有持续更新的化学品清单,确保所有实验用化学品都在化学品清单上。
1. 固体废弃物分类并且分开放置,废弃物容器桶上有符合要求的废物标签。
2.储存房内涂料废液或溶剂密封在容器内。
需要改善处:
改善责任人: 实验室主管
3.烘箱的使用必须满足设备说明书的要求,必须与所在区域的电气等级相匹配,必须满足防火防爆的要求,比如温度不高于设备设计的最高使用温度和工艺要求的最高温度等。
4.烘箱有烫伤警告标签和必要的SOP 。
我确认我全程参与了本次的EHS 安全检查,知晓本次安全检查存在的问题,并会负责追踪关闭所有的安全隐患。
__________________(签署人)。