拉森钢板桩设计计算书
- 格式:docx
- 大小:40.77 KB
- 文档页数:7
钢板桩支护计算书采用12m的拉森钢板桩进行基坑围护,围护示意图如下:沿钢板桩深度方向设立二道斜角400×400H型钢支撑,相应位置见上图。
根据地质勘探报告,得各土层物理参数如下:①层平均层厚为2.4m,容重取20kN/m3,粘结力c=0,主动侧压力系数取0.2;②层平均层厚为 3.0m,容重取20.3kN/m3,粘结力c=0,内摩擦角为33.33°,主动土压力系数Ka=tan2(45-33.33/2)=0.29,被动土压力系数Kp= tan2(45+33.33/2)=3.44;③层平均层厚为2.6m,容重取20.2kN/m3,粘结力c=51.3,内摩擦角为9.9°,主动土压力系数Ka=tan2(45-9.9/2)=0.71,被动土压力系数Kp= tan2(45+9.9/2)=1.42;④层平均层厚为7.4m,容重取19.7kN/m3,粘结力c=33.2,内摩擦角为11.4°,主动土压力系数Ka=tan2(45-11.4/2)=0.67,被动土压力系数Kp= tan2(45+11.4/2)=1.49;⑤层平均层厚为8.15m,容重取20.1kN/m3,粘结力c=68,内摩擦角为13.7°,主动土压力系数Ka=tan2(45-13.7/2)=0.62,被动土压力系数Kp= tan2(45+13.7/2)=1.62;一、钢板桩最小入土深度(根据C点支撑反力为零计算出最小入土深度)基坑开挖深度6m,取钢板桩单位长度为计算单元。
钢板桩为拉森III型钢板桩,围囹、支撑、锚桩均采用400×400的H型钢,相应的截面性能参数见计算书后附件。
按上图的支护方式,计算图式可简化为三点支撑的连续梁,结构简图及荷载分布图如下(采用结构力学求解器进行求解):结构弯矩图如下:剪力图如下:在此支撑模式下,坑底最小入土深度为1.2m。
此时支撑点C的反力为零。
出于安全考虑,钢板桩入土深度实际施工时按3m施工。
钢板桩设计地质状况本工程项目座落在张家港市北部长江南岸张家港化工保税区内。
厂区位于长江冲积平原的河漫滩地,地形平坦。
原自然地坪标高较底,场地平均高程,现已采用吹砂回填,将厂区地坪标高提高根据地质报告,本工程土质上层为吹填砂,以下分别为粉质粘土夹粉土;粉细砂夹粉土,土的抗压、抗剪强度均较低,且难以采取有效的降排水措施。
目前厂区内地下水位较高,土质松软,地质情况较为复杂。
该区地质结构断面如下图所示:电梯井形状本工程结构形式如下。
目前基坑结构长米,宽米,基坑底标高,基坑深度米。
池壁每一侧考虑米宽的工作面,则支护结构的尺寸为长米,宽米。
2 支撑式钢板桩挡土墙的构造本工程采用内撑钢板桩挡土墙结构。
其主要由钢板桩、支撑二部分组成,钢板桩起承受水平土压力防止土体沿滑动面滑动以及阻隔地下水的作用。
它的稳定主要靠两道钢支撑使钢板桩保持垂直、稳定,并确保两侧土体不向基坑内发生位移,钢板桩应插入土体一定深度,防止土体滑动和基坑向上隆起。
支撑式钢板桩支挡结构简单且便于施工,整个支挡系统均在基坑开挖过程中完成,作业(包括支撑和挖土)十分安全,施工质量容易保证,且较经济。
3 钢板桩设计其钢板桩和内钢支撑布置示意图如下:钢板桩钢支撑立体布置图安全围栏上下通道2000 12m 钢板桩200045002000钢板桩围檩及内支撑平面布置图工字钢400× 400 围檩φ 377 ×10 钢管支撑φ630 × 12 钢管支撑45004500本工程钢板桩采用Ⅳ型拉森钢板桩,长度为12m,宽度400mm。
(即每块1m)。
钢板桩水平围檩采用40 号工字钢,内支撑采用Φ630×12 的直撑钢管和Φ 377×10 的斜撑钢管。
为此,共需12 米长的钢板桩数量:N =(A+B)× 2÷ =(+)× 2÷ = 160根。
本方案基坑开挖深度最深按计算,设二道水平支撑。
水中墩钢板桩围堰计算书一、 计算总说明1.计算水位取+2.5m。
2.钢板桩采用IV型拉森桩,长21m,重量75kg/m,截面模量W=2037cm3,允许应力为[σ]=180Mpa。
3.土质按图纸提供参数。
4.钢板桩中支撑不按等反力和等跨弯矩布置,依施工需要安排,即板桩按跨度不等的连续梁计算。
二、 入土深度验算本地质土层为两层较厚的亚粘土中夹了一层粉砂层,且粉砂层较薄,所以本围堰有较好的地质土层。
为安全起见,现按粉砂、细砂土质中不出现涌砂的情况来验算。
不出现涌砂情况时,如图所示基坑内抽水后水头差为h’,由此引起的水渗流,其最短流程为紧靠板桩的h1+h2,故在此流程中,水对土粒渗透的力,其方向应是垂直向上。
现近似地以此流程的渗流来检算坑底的涌砂问题,要求垂直向上的渗透力不超过土在水中的密度,故安全条件如公式所示:K s iρw=K s h’/(h1+h2)×ρw≤ρb式中:K s—安全系数;i—水力梯度;ρb—分别为水的密度及土在水中的密度,g/cm3ρw、ρb=(G-1)(1-n)其中G为土粒的比重;n为土的孔隙率以小数计。
土层按第④层土均质土层计算,入土深等数值见图1.地质剖面图,其中h’=11.7m、h1=10.7m、h2=7.3m、G=2.725g/cm3、安全系数取1.4:K s iρw=1.4×11.7/(7.3+10.7)=0.91ρb=(G-1)(1-n)=(2.725-1)(1-0.78/(1+0.78))=0.970.91<0.97满足要求。
三、 土压力计算按照静止土压力计算钢板桩后土压力:p0=K0rzK0—静止土压力系数,K0=1-sinθ’A点:p0a=r w×h=10×8.3=83kpaB点:p0a=K0(q+r’2h2)=0.778(83+9.4×5.3)=103 kpaC点:p0a= K0(q+r’2h2+r’3h3)=0.669(83+9.4×5.3+8.8×2.2)=102kpaD点:p0a=K0(q+r’2h2+r’3h3+r’4h4)=0.748(83+9.4×5.3+8.8×2.2+9.6×3.2)=137kp 四、 钢板桩计算钢板桩顶标高+4.5m,入土深度7.3m,设置四道支撑,各支撑的中心标高分别为+2.0m、-1.0m、-3.4m、-5.5m。
目录1设计资料 (1)2钢板桩入土深度计算 (1)2.1内力计算 (1)2.2入土深度计算 (2)3钢板桩稳定性检算 (3)3.1管涌检算 (3)3.2基坑底部隆起验算 (4)4围囹检算 (5)4.1工况分析与计算 (5)4.1.1工况一 (5)4.1.2工况二 (6)4.1.3工况三 (7)4.1.4工况四 (8)4.1.5工况五 (9)4.1.6工况七 (11)4.1.7工况八 (12)4.1.8工况九 (13)4.2围囹计算 (14)4.2.1顶层围囹 (15)4.2.2第一层围囹 (16)4.2.3第二层围囹 (17)nd impr ove idle l and of utilizati on, real a chieve d envir onment im proved a nd productivity development mutual prom oting total wi n. Five, firmly implement, promoti ng work ahead, to create hig hlights. T hird depl oyment, impl ementation of seven, the n it is imperative to stre ngthen re sponsibility a nd impr ove the mecha nisms and impleme ntation. All localities a nd departments m ust be convi nce d that goal s, goi ng all out, mustering spirit, w ork together t o ensure that thi s year's obje ctives carry out tasks, at t he forefront. First, w e must strengt hen t he leader shi p to impleme nt. Departments at all level s shoul d always w ork and rural "five water treatment", "three to split" in an im portant position, and carry the mai n responsibi lity, main lea der personally, leaders arre sted and layers of responsi bility rank transmissi on pre ssur e establi she d hierarchica l accountabil ity, and w ork together to promote the work of the mecha nism, a concerte d effort pay attention to im plementation. County nongba n, flood, thre e to one down t o further play a lea ding catch t otal, integrated a ndcoor dinate d role of all kinds is "long", "Sheriff" "Inspector" to effectively fulfill t heir responsibilities, formed t he alig nment on the f ire line and management a lively situati on. Se cond, w e must stre ngthen t he test impleme ntation of the Governor. Role play the Governor got the baton, for agricultural and rural focus and "five water treatment", "three to split" work, refine im prove assessm nt methods a nd eval uation system, accurate a ssessment. Combi ned wit h "dare pla y, tree benchmark" style buil ding five major operations, carry on and gain firstha nd experience of supervi sion, in particular, to strengthe n the focus on t he "long" signs "go left", "names" such a s supervisi on, urged all l evels longer on duty in pl ace. Through the supervisory assessme nt, to pr omote ha bits, stimulating power. Thir d, we must stre ngthe n impleme ntation style. De partments at all level s to work i n rural areas and "five water treatment", "three to split" as traini ng ca dres for major platforms, compete agai nst large examination room, i nspecti on cadres work performance of the ring, water control a nd t heJapanese pulle d a work out, traini ng, di scovery and sele ction of cadre s. Than good catch up, first to excell ence-oriente d. Party members and cadres at all lev els must a dhere t o the rural, w ater control and the Japanese pulled a grass-roots, "put dow n the shelf, leane d" pragmatic style, t he spirit of play, be come a benchmark model. Four, w e must strengt hen propaga nda im plementation. Compre hensive utili zation of micro-credit, micro-bl ogging, new media, mining, summarizi ng, good publ icity work i n the countrysi de and "five water treatment", "three to split" advanced models, poi nt to gather positive energy for the community to see t he result s of our w ork in time, i ncrease public a warene ss, parti cipati on rates, sati sfaction and support. Play gongqi ngfu, a mass organizati on and grass-roots such a s schools, communityThe role of4.2.4第三层围囹 (17)4.2.5第四层围囹 (18)5对撑和斜撑检算 (19)nd impr ove idle l and of utilizati on, real a chieve d envir onment im proved a nd productivity development mutual promoti ng total wi n. Five, firmly implement, promoting w ork ahe ad, to create hig hlights. T hird depl oyment, impleme ntation of seven, then it i s imperative to strengt hen re sponsibility a nd impr ove the mechanisms and impleme ntation. All localities a nd departments m ust be convi nce d that goal s, goi ng all out, mustering spirit, w ork together t o ensure that thi s year's obje ctives carry out tasks, at the forefront. First, we m ust strengthen the leader shi p to implement. Departments at all level s shoul d always w ork and rural "five water treatment", "thr ee to split" in a n important position, and carry the mai n responsibi lity, main lea der personally, leaders arre sted and layers of responsi bility rank transmissi on pre ssure e stabli she d hierarchical a ccountabilit y, and work together to pr omote the w ork of the mechani sm, a concerted effort pay attention to impleme ntation. County nong ban, flood, three to one dow n to further play a leadi ng catch total, integrate d andcoor dinate d role of all ki nds i s "long", "Sheriff" "Inspe ctor" to effectively fulfill their responsi bilities, formed the alig nment on the fire line a nd ma nagement a lively sit uation. Second, we must strengthe n the test impl ementation of the Governor. Role play the Governor got the baton, for agri cult ural and rural focus and "five water treatment", "three to split" work, refine impr ove asse ssment methods and evaluati on system, a ccurate assessment. Combi ned wit h "dare pla y, tree benchmark" style buildi ng five major operations, carry on a nd gain firstha nd ex perie nce of supe rvision, in particul ar, to strengt hen the focus on the "long" signs "go left", "names" such as supervisi on, urged all level s longer on duty in place. Through the supervi sory assessme nt, to pr omote ha bits, stimulati ng power. T hird, w e must strengt hen im plementation style. Department s at all levels to w ork in rural areas and "five water treatment", "three to split" as traini ng ca dres for major platforms, com pete against large examination r oom, inspe ction ca dres work performance of the ri ng, water control a nd t he Japanese pulle d a work out, traini ng, di scovery and sele ction of cadre s. Than good catch up, first to excell ence-oriente d. Party members and cadres at all lev els must a dhere t o the rural, w ater control and the Japanese pulled a grass-roots, "put dow n the shelf, leane d" pragmatic style, t he spirit of play, be come a benchmark model. Four, w e must strengt hen propaga nda im plementation. Compre hensive utili zation of micro-credit, micro-bl ogging, new media, mining, summarizi ng, good publ icity work i n the countrysi de and "five water treatment", "three to split" advanced models, poi nt to gather positive energy for the community to see t he result s of our w ork in time, i ncrease public a warene ss, parti cipati on rates, sati sfaction and support. Play gongqi ngfu, a mass organizati on and grass-roots such a s schools, communityThe role of2ocusing on ways and mea ns of impr oving a nd upgra ding w ork, furt her dev elopment of "three t o split". (A) fully grasp "no unaut hori sed" create d. T he tow nship "no una uthor ised" created t he existing buildi ng "one household, one document" survey and file storage work must be unconditi onal and full coverage. Mai n corridor leadi ng to t he town (roa d, river) village, t he Central built-up area of the tow n on both sides must be to create a "no unaut hori sed vil lage". Accordi ng to "five hundre d village s" cr eated and shanty tow ns, v illages, old house s, reconstructi on of ol d pla nt, expand create, upgradi ng creates files, t he real "no unaut hori sed vill age" created i nto t he benefit of the pe opl e of very good thing. (B) to stri ctly manage count a s unaut horise d contr ols. Promoti ng the "new" control work to move the ce nter of gravity, ma nagement mea sures t o the front, a nd ear nestly pipe s effectively. A strict new una uthorise d netw ork responsi bility. Sect ors such as l and, housing a nd basi c stations (stations) and the Townshi p of gri daccounta bility mechani sms must be strictly in a ccorda nce with the new reg ulatory requirements, effective implementation of the area of responsibility of the new i nspecti ons, suppre ssion, demolition work to ensure that the new "zer o tolerance". Second, publi c se curit y, water, el ectricit y, water, ocea ns and fisheries, tourism collaboration, market supervisi on departments shoul d strictly enfor ce the illegal constr ucti on of di sposal of relevant provi sions of the reg ulations, effective fulfilment of responsi bilities, particularly in el ectri city and water supply, and other units may not be new illegal buil dings t o supply water a nd ele ctricity supply. While more reg ulation to preve nt personal privacy violati ons. Illi cit trading i n illegal constr ucti on i n the Mi nistry of publi c se curity se ctor to stri ctly from the bl ow. Three i s to create a dditi onal offence reporting system of i nce ntives. According to buil ding law a nd covers a n area of nat ure, to re port timely degree divide d report grade, effective after the removal of certain i nce ntives. (C) integrated impleme ntation ", buil ding demoliti on, modification,use" combi nation. Demoliti on is the means and purpose built is. To adhere to the building demoli she d, combination of constr ucti on and demolition waste, demoli she d with combi ned efforts to improve the scientific level of three to split; second, we must pay attention to "three to split" an d "five hundred" and "five water treatment", "three of the four sides", the shackDistri ct transformation, and danger ous ol d room transformation and "two road sides", serie work organic combine d up, active do River, and along dem olition work, and manpower adva nce village in the, and old residential dem olition work, to improved masses housi ng conditi ons and live environme nt; three to put "three modified a split" as traditional low and small, and bulk industry structure transformation upgrade of important initiatives to caught, speed up adva nce industry Park, effective optimization park environment 中铁四局集团有限公司合肥铁路枢纽南环线工程项目经理部 南淝河特大桥承台钢板桩nd impr ove idle l and of utilizati on, real a chieve d envir onment im proved a nd productivity development mutual promoti ng total wi n. Five, firmly implement, promoting w ork ahe ad, to create hig hlights. T hird depl oyment, impleme ntatio n of seven, then it i s imperative to strengt hen re sponsibility a nd impr ove the mechanisms and impleme ntation. All localities a nd departments m ust be convi nce d that goal s, goi ng all out, mustering spirit, w ork together t o ensure that thi s year's obje ctives carry out tasks, at the forefront. First, we m ust strengthen the leader shi p to implement. Departments at all level s shoul d always w ork and rural "five water treatment", "three to split" in a n important position, and carry the mai n responsibi lity, main lea der personally, leaders arre sted and layers of responsi bility rank transmissi on pre ssure e stabli she d hierarchical a ccountabilit y, and work together to pr omote the w ork of the mechani sm, a concerted effort pay attention to impleme ntation. County nong ban, flood, three to one dow n to further play a leadi ng catch total, integrate d andcoor dinate d role of all ki nds i s "long", "Sheriff" "Inspe ctor" to effectively fulfill their responsi bilities, formed the alig nment on the fire line a nd ma nagement a lively sit uation. Second, we must strengthe n the test impl ementation of the Governor. Role play the Governor got the baton, for ag cult ural and rural focus and "five water treatment", "three to split" work, refine impr ove asse ssment methods and evaluati on system, a ccurate assessment. Combi ned wit h "dare pla y, tree benchmark" style buildi ng five major operations, carry on a nd gain firstha nd ex perie nce of supe rvision, in particul ar, to strengt hen the focus on the "long" signs "go left", "names" such as supervisi on, urged all level s longer on duty in place. Through the supervi sory assessme nt, to pr omote ha bits, stimulati ng power. T hird, w e must strengt hen im plementation style. Department s at all levels to w ork in rural areas and "five water treatment", "three to split" as traini ng ca dres for major platforms, com pete against large examination r oom, inspe ction ca dres work performance of the ri ng, water control a nd t heJapanese pulle d a work out, traini ng, di scovery and sele ction of cadre s. Than good catch up, first to excell ence-oriente d. Party members and cadres at all lev els must a dhere t o the rural, w ater control and the Japanese pulled a grass-roots, "put dow n the shelf, leane d" pragmatic style, t he spirit of play, be come a benchmark model. Four, w e must strengt hen propaga nda im plementation. Compre hensive utili zation of micro -credit , micro-bl ogging, new media , mining , summarizi ng, good publ icity work i n the countrysi de and "five water treatment", "three to split" advanced models, poi nt to gather positive energy for the community to see t he result s of our w ork in time, i ncrease public a warene ss, parti cipati on rates, sati sfaction and support. Play gongqi ngfu, a mass organizati on and grass -roots such a s schools, communityThe role of 1 南淝河特大桥连续梁主墩承台钢板桩围堰施工计算书1设计资料(1)桩顶高程H1:8.0m ,汛期施工水位:7.0m 。
目录1设计资料 (1)2钢板桩入土深度计算 (1)2.1内力计算 (1)2.2入土深度计算 (2)3钢板桩稳定性检算 (3)3.1管涌检算 (3)3.2基坑底部隆起验算 (4)4围囹检算 (5)4.1工况分析与计算 (5)4.1.1工况一 (5)4.1.2工况二 (6)4.1.3工况三 (7)4.1.4工况四 (8)4.1.5工况五 (9)4.1.6工况七 (11)4.1.7工况八 (12)4.1.8工况九 (13)4.2围囹计算 (14)4.2.1顶层围囹 (15)4.2.2第一层围囹 (16)4.2.3第二层围囹 (17)4.2.4第三层围囹 (17)4.2.5第四层围囹 (18)5对撑和斜撑检算 (19)南淝河特大桥连续梁主墩承台 钢板桩围堰施工计算书1设计资料(1)桩顶高程H1:8.0m ,汛期施工水位:7.0m 。
(2)地面标高H 0:8m ;基坑底标高H3:-1.54m ;开挖深度H :9.54m 。
(3)封底混凝土采用C30混凝土,封底厚度为1m 。
(3)坑内、外土的天然容重加权平均值1r 、2r 均为:18.9KN/m 3;内摩擦角加权平均值 8.18=ϕ;粘聚力C :24KPa 。
(4)地面超载q :按70吨考虑,换算后为10KN/m 2。
(5)钢板桩采用国产拉森钢板桩,选用鞍IV 型(新)(见《施工计算手册》中国建筑工业出版社P290页)钢板桩参数 A=98.70cm 2,W=2043cm 3,[]δ=200Mpa ,桩长18m 。
2钢板桩入土深度计算 2.1内力计算(1)作用在钢板桩上的土压力强度及压力分部见图2.1根据《简明施工计算手册》中国建筑工业出版社,P284页(5-89、5-90)公式得:51.028.1845tg K o o2a =-=)(95.128.1845tg K oo2pi =+=)(钢板桩均布荷载换算土高度0h :m r q h 53.09.18/10/0===(2)支撑层数及间距按等弯矩布置确定各层支撑的间距,则拉森Ⅳ型钢板桩顶部悬臂端的最大允许跨度,根据《简明施工计算手册》中国建筑工业出版社,P284页(5-96)公式得:[]35351.09.182043102006r W 6h ⨯⨯⨯⨯==a K δ=2940mm=2.9mh1=1.11h=1.11*2.9=3.2m h2=0.88h=0.88*2.9=2.6m h3=0.77h=0.77*2.9=2.2m根据施工需要调整支撑布置h1=2.1m ,h2=2.1m ,h3=1.6层数为3层。
拉森钢板桩计算范文首先,拉森钢板桩的计算主要包括以下几个方面:1.桩长计算2.桩身截面计算3.钢板的选择和计算4.连接机构的计算首先,桩长的计算需要根据具体工程的要求进行。
通常根据挡土高度、土壤条件等因素来确定。
桩长的计算可以采用经验公式或者数值计算方法。
经验公式可以根据挡土高度进行估算,但对于复杂的地质条件和土质情况,还需要进行数值计算。
在进行桩身截面计算时,需要根据工程要求的桩身横截面形状和尺寸来确定。
常见的桩身横截面形状有直线形、梯形形和锯齿形等。
在确定桩身横截面形状后,需要进行相关计算,包括抗弯强度、剪切强度等计算。
这些计算可以通过材料力学公式、截面力学平衡等原理进行。
关于钢板的选择和计算,需要根据桩身截面形状和尺寸来确定。
钢板需要具备足够的强度和刚度,才能够满足工程要求。
在钢板计算中,需要考虑其破坏形式、承载力和刚度等因素。
钢板的计算可以根据经验公式或者有限元方法进行。
最后,连接机构的计算是确保拉森钢板桩系统能够正常工作和承受荷载的重要一环。
连接机构包括桩身之间的连接和桩身与基础之间的连接。
在连接机构的计算中,需要根据桩身截面形状和尺寸,结合工程要求,考虑连接的刚度和强度等因素。
连接机构的计算可以通过弹性理论、塑性理论等进行。
综上所述,拉森钢板桩的计算是一个综合性的过程,需要考虑桩长、桩身截面、钢板选择和计算以及连接机构等方面。
在进行计算时,需要根据具体工程要求的土壤条件、挡土高度等进行合理的选择和计算。
通过合理的计算和设计,可以确保拉森钢板桩系统能够满足工程要求,并具备足够的抗荷能力和稳定性。
拉森钢板桩(扣板)受力验算由于没有地质资料图,根据现场实际开挖获取的地质资料提取验算参数。
因本工程钢板桩施工区地质情况复杂,且无明显变化界限,为确保安全,选有代表性的地质断面分别计算荷载,取最不利荷载对拉森扣板桩支护进行验算,代表性地质断面情况如下表(按11.5m深度统计),场地狭窄,大部分是填筑土,以表1的地质情况验算。
1、土层参数内摩擦角φ取值见建筑施工计算手册第77页表2-1表1 地质断面情况表地层名称层厚(m)土的容重r(KN/m3)内摩擦角φ(°)凝聚力c(KPa)备注人工回填土 1.919.1 23 参考同类土质试验成果淤泥质粉质粘土 1.616.9 4.4 5.5 参考同类土质试验成果粉质粘土820.1 22.2 17.3 参考同类土质试验成果2、拉森钢板桩参数表2 拉森钢板桩参数表钢板桩型号每延米截面积cm2每延米惯矩Ix(cm4)每延米抵抗矩Wx(cm3)容许弯曲应力[σw](MPa)容许剪应力[τ](MPa)备注拉森Ⅳ236 36551 2037 210 1203、汽车荷载换算成等代均布荷载的土层厚:装土车安排1台在坑边,装土后总重=自重20+土重20=40t装土时汽车荷载分布示意图(单位:m)荷载换算成的土层厚度:H=ΣP/(BLr)=40×10/(3.55×8.05×18.4)=0.77m4、拉森钢板桩最大悬臂长度的计算:4.1 土体参数计算根据现场调查,安设钢板桩的地段,最小开挖深度h=3m以上,取3m范围的土层计算土体参数加权平均值。
土平均容重r=(18.4×1.9+16.9×1.1)/3=17.85 KN/m3土平均摩擦角φ=(23×1.9+4.4×1.6)/3=16.91主动土压力系数Ka=tga2(45°-φ/2)=0.553m深度处的最大主动土压力荷载:主动土压力荷载q=r×(h+0.77)×Ka=17.85×3.77×0.55=37.02 KN/m钢板桩悬臂部分受力图(单位:m)4.2拉森钢板桩最大悬臂长度计算拉森IV型钢板桩(用于开挖深度3~6.6m的管道)M≦Wx×[σw]max1/6×(h+0.77)×(h+0.77)×17.85×(h+0.77)×0.55×10000)≦2037×210由上式得出h≦2.2m因拉森IV型钢板桩用于开挖的深度均大于2.2m,大于其最大悬臂长度,故都需加支撑。
拉森钢板桩计算公式拉森钢板桩是一种常用于土木工程中的基础支护材料,其计算公式是基于拉森钢板桩的力学性能和土壤力学参数进行推导得出的。
本文将介绍拉森钢板桩的计算公式及其应用。
拉森钢板桩的计算公式主要包括桩长计算公式、桩尖阻力计算公式和桩身抗弯承载力计算公式。
首先是桩长计算公式。
拉森钢板桩的桩长可以根据土壤的力学参数以及工程要求来进行计算。
通常情况下,拉森钢板桩的桩长为总挡墙高度减去挡墙顶部的固定高度。
桩长计算公式如下:L = H - Hf其中,L为拉森钢板桩的桩长,H为总挡墙高度,Hf为挡墙顶部的固定高度。
其次是桩尖阻力计算公式。
拉森钢板桩在承载荷载时,桩尖所受到的阻力是很重要的。
桩尖阻力可以根据土壤的侧限状态和桩尖形状来进行计算。
桩尖阻力计算公式如下:Qb = c * Ab其中,Qb为桩尖阻力,c为土壤的侧限抗剪强度,Ab为桩尖底面积。
最后是桩身抗弯承载力计算公式。
拉森钢板桩在受到荷载时,桩身需要承受弯矩,因此桩身的抗弯承载力是非常重要的。
桩身抗弯承载力可以根据拉森钢板桩的几何形状和材料力学性能来进行计算。
桩身抗弯承载力计算公式如下:M = W * e其中,M为桩身所受到的弯矩,W为作用在拉森钢板桩上的荷载,e 为拉森钢板桩的截面形心至中性轴的距离。
根据拉森钢板桩的计算公式,可以对其进行合理的设计和选用。
在实际工程中,需要根据具体情况来确定拉森钢板桩的尺寸、材料和桩间距等参数,以满足工程的要求。
拉森钢板桩的计算公式是根据力学原理和土壤力学参数推导得出的,具有一定的科学性和可靠性。
然而,在实际应用中,还需要考虑其他因素,如土壤的特性、荷载的大小和方向等,以确保拉森钢板桩能够正常工作并满足工程的要求。
拉森钢板桩的计算公式是基于其力学性能和土壤力学参数进行推导得出的。
通过合理地应用这些公式,可以对拉森钢板桩进行设计和选用,以实现工程的需求。
然而,在实际工程中,还需要综合考虑其他因素,以确保拉森钢板桩能够安全可靠地工作。
XX特大桥主墩深基坑专项施工方案一、编制依据(1)工程设计图纸(2)对施工现场的调查情况(3)主要适用标准、规范《建筑地基基础设计规范》(GB50007-2002)《钢结构设计规范》(GB50017-2003)《混凝土结构工程施工及验收规范》(GB50204-2002)《建筑地基基础工程施工质量验收规范》(GB50202-2002)《地下防水工程质量验收规范》(GB50208-2002)《地下工程防水技术规范》(GB50108-2001)《建筑基坑支护技术规程》(JGJ120-99)二、工程概况2.1、本桥跨XX重要支流XX,主跨设计为90m,主墩采用群桩基础,12m*12m*3.5m钢筋砼承台,22#、23#墩处筑岛后高程为8.5米,四个主墩承台顶标高4.2米,承台底标高0.7米,分别需要开挖7.8米。
2.2、22、23#承台开挖范围内各土层由上而下依次为:0-1.5米回填土,1.5-5.3米粉质粘土,5.3-8.3米淤泥质粉质粘土,8.3-14米粉质粘土。
承台开挖高程示意图现地面高程(0.000)承台顶高程(4.600)承台底高程(8.100)2.3、根据本工程地质实际情况,如:地下水位高、渗水量大等不利因素,决定主墩承台基坑采用多支撑拉森4型钢板桩支护。
钢板桩具有重量轻、强度高、锁口紧密、重复使用、施工方便、施工速度快等优点。
钢筋砼承台尺寸12m*12m*3.5m,支护根据施工的需要及钢板桩模数,设计围堰平面尺寸为14m×14m。
拉森4型钢板桩图片见下图三、现场施工组织管理及进度安排3.1、现场组织机构为了统一协调指挥,确保工程高效、有序的进行,确保按期、优质、安全地完成工程范围内的各项工程。
承台施工由项目经理、总工程师、副经理直管。
工程部、安全部、质量部、合同部、材料部、试验室、办公室等其业务部门协同配合。
3.2、施工进度计划施工进度计划编制原则(1)本着先重点后一般、全面组织平行流水作业的原则,结合本标段工程实物量的分布情况,合理安排工期,以响应业主对本标段工程总工期要求。
3、拉森钢板桩基坑支护方案设计和计算3.1、基本情况城展路环城河桥桥台位于河岸上,基坑开挖深度较小;桥墩长24m,宽1.7m,右偏角90°,系梁底标高为0.0m,河床底标高0.0m,因此基坑底部尺寸考虑1m施工操作面要求,布置为长26m,宽3.7m,不需土方开挖。
环城河常水位2.6m,1/20洪水位3.27m,河床底标高0.0m,河底为淤泥土。
考虑选择枯水期施工,堰顶标高为3.5m。
3.2、支护方案设计支护采用拉森钢板桩围堰支护,围堰平行河岸布置,平面布置详见附图。
堰体采用拉森钢板桩Ⅳ型,桩长12米,内部水平围檩由单根(500×300mm)H型钢组成,支撑杆设置在钢板桩顶部,由直径为600mm,壁厚为8mm钢管组成。
整个基坑开挖完成后,沿基坑四周挖出一条200×200mm排水沟,在基坑对角设500×500×500mm集水坑,用泥浆泵将集水坑内渗水及时排出基坑。
布置图:4、基坑稳定性验算4.1、桥墩基坑稳定性验算钢板桩长度为12米,桩顶支撑,标高3.5米,入土长度8.5米。
基坑开挖宽度26米,坑底标高0.0米。
基坑采用拉森钢板桩支护,围檩由单根(500×300mm)H型钢组成,设单道桩顶支撑,支撑采用直径为600mm,壁厚为8mm钢管作为支撑导梁,钢管与H型钢进行嵌固相连并焊接。
验算钢板桩长度,选择钢板桩和导梁型号,验算基底稳定性。
采用理正深基坑软件对支护结构和围囹支撑体系等变形与内力整体计算分析;支护结构的抗倾覆稳定性、抗隆起、抗管涌、嵌固深度采用理正深基坑支护结构设计软件单元计算进行分析。
4.1.1、设计标准及参数1、基坑设计等级及设计系数二级,重要性系数:1.0;支护结构结构重要性系数:1.0;构件计算综合性系数:1.25。
2、材料力学性能指标1、单元分析工况定义(1)、工况1:打钢板桩,水面以下3.5m;(2)、工况2:在桩顶以下0.5m处安装第一道内支撑;(3)、工况3:抽水;2、单元计算[支护方案]----------------------------------------------------------------------连续墙支护---------------------------------------------------------------------- [基本信息]---------------------------------------------------------------------- [附加水平力信息]-------------------------------------------------------------------------------------------------------------------------------------------- [土层信息]---------------------------------------------------------------------- [土层参数]---------------------------------------------------------------------- [支锚信息]---------------------------------------------------------------------- [土压力模型及系数调整]---------------------------------------------------------------------- 弹性法土压力模型: 经典法土压力模型:---------------------------------------------------------------------- [工况信息]-------------------------------------------------------------------------------------------------------------------------------------------- [设计结果]---------------------------------------------------------------------- ---------------------------------------------------------------------- [结构计算]---------------------------------------------------------------------- 各工况:内力位移包络图:地表沉降图:----------------------------------------------------------------------[抗倾覆稳定性验算]----------------------------------------------------------------------:p,对于内支撑支点力由内支撑抗压力决定;对于锚杆或锚索,支点力为锚杆或锚索的锚固力和抗拉力的较小值。
新建广州至珠海铁路复工工程一标DK07+293.11 白坭河特大桥40#墩钢板桩围堰检算中铁二十五局集团有限公司新建广州至珠海铁路复工工程一标工程指挥部二00九年一月十六日目录一、工程概况 (19)二、地基承载力验算 (19)三、抗隆稳定验算 (20)四、支撑的布置和计算 (22)五、钢板桩受力分析 (24)白坭河特大桥40#墩钢板桩围堰计算书一、工程概况新建广州至珠海铁路正线于DK4+444.75~DK10+141.465之间设白坭河特大桥,本桥为铁路双线桥,桥中心里程为DK7+293.11,桥全长5696.715m,共157墩2台158跨;本桥位于广州市白云区江高镇至佛山市南海区和顺镇境内,特大桥横跨白坭河和西南涌,区内主要为耕地、鱼塘、苗圃,地形平坦,交通条件较好。
40#墩承台平面尺寸为15.0×19.9m,厚度为 5.0m,拟采用德国拉森(Larseen)Ⅳ型锁口钢板桩施工。
桥位处施工水位+3.194m,计算水位按+3.694米考虑。
钢板桩顶标高按+3.694米设置。
因该墩岸侧地面标高较河侧高,对钢板桩的压力较大,所以计算取岸侧地质条件作为计算地质。
二、地基承载力验算40#墩封底混凝土采用C25,厚度为6.5米,承台厚度为5.0m,分两次浇注,每次厚度为2.5米。
1、验算基底承载力,基底荷载为σ=6.5×24=156kPa<[σ]=250kPa。
故基底承载力满足要求。
基底完全能承受封底混凝土的重量。
承台混凝土重量由封底混凝土抗拉来承受。
2、验算利用封底混凝土抗拉强度是否能承受5米厚的承台混凝土重量。
计算底层混凝土强度达到80%设计强度的承载力,容许抗拉应力[σ]=1.2MPa。
因为主墩承台为群桩,底层混凝土为双向板,但为简化计算(且偏于安全),按桩的最大间距7.64m单向简支板计算,取板宽1m。
计算封底混凝土达到强度后能否承受承台混凝土的重量:q=24×5.0(5.0米高承台混凝土重量)+2.0(振捣荷载)=122kPa/m则最大弯矩Mmax=1/8×122×7.642=890kN·m以混凝土作为受力截面,其最大拉应力为σl=M/(bh2/6)=6×890/(1×6.52)=126kPa=0.126MPa<[σ]=1.2MPa,故安全,底层混凝土不会出现裂缝。
钢板桩围堰复核计算(混凝土围檩)一、设计依据二、钢板桩围堰结构说明及施工工艺流程简单说明钢板桩采用拉森Ⅳ型钢板桩。
钢板桩设计长度24米,插入河床以下约18米,承台底面以下10.78米。
表3:拉森Ⅳ型钢板桩技术规格施工简单流程1、插打靠近围堰内壁的12根钢护筒,护筒壁厚10mm,长9米,入土深度3米,采用[20a作平联,连成稳定的框架。
2、安装[20a内、外围导向定位架,定位架与钢护筒之间连接牢靠,然后进行钢板桩插打,承台为圆形,钢板桩围堰为圆形,考虑预留1.5m的施工空间,钢板桩围堰内径定为φ23.5m。
3、先插打河上游的第1根钢板桩,余下钢板桩在第1根钢板桩两边插打,逐渐向两边分,将河中的钢板桩全部打完。
4、施工临时防护结构,拆除墩位处河堤。
5、测量放样,继续插打钢板桩围堰直到合拢。
6、安装外围檩对围堰进行加固。
7、堰内分层填土(约40cm一层),每层基本找平后再填上一层,采用透水性好的砂土,一边填土,一边抽水,确保堰内外压力基本平衡。
8、拆除钢平台桥面及纵梁。
9、将岛面填筑成中间比周边高1米的隆起,理顺排水,防止岛面积水,围堰填筑成型后,在填土顶面铺一层渣石以增强其承载能力。
10、进行钻孔施工11、桩基全部施工完成并全部检验合格后,进行承台开挖,大面开挖到标高+1.1m时,安装第一道围檩(0.4×0.4m双室钢箱)。
围檩安装在牛腿上。
第一层内围檩安装完毕后,进行内支撑安装,内支撑与围檩间采用焊接。
内支撑安装完毕,方可进行下层开挖。
12、边开挖边抽水,分层开挖,大面开挖到标高-2.25m时,安装钢筋、模板、焊锚固钢筋、安装塑料隔膜,浇注C40围檩混凝土(1.1×1.1m)。
13、大面开挖到标高-5.021m(6#墩-5.221m)时,安装钢筋、模板、焊锚固钢筋、安装塑料隔膜,浇注C40围檩混凝土(1.1×1.1m)。
14、5#墩大面开挖到标高-7.021m时(6#墩开挖到标高-7.221m),安装模板、钢筋、焊锚固钢筋、安装塑料隔膜,浇注1米高、1米宽C40砼(连续墙第一次浇筑)。
3、拉森钢板桩基坑支护方案设计和计算3.1、基本情况城展路环城河桥桥台位于河岸上,基坑开挖深度较小;桥墩长24m,宽1.7m,右偏角90°,系梁底标高为0.0m,河床底标高0.0m,因此基坑底部尺寸考虑1m施工操作面要求,布置为长26m,宽3.7m,不需土方开挖。
环城河常水位2.6m,1/20洪水位3.27m,河床底标高0.0m,河底为淤泥土。
考虑选择枯水期施工,堰顶标高为3.5m。
3.2、支护方案设计支护采用拉森钢板桩围堰支护,围堰平行河岸布置,平面布置详见附图。
堰体采用拉森钢板桩Ⅳ型,桩长12米,内部水平围檩由单根(500×300mm)H型钢组成,支撑杆设置在钢板桩顶部,由直径为600mm,壁厚为8mm钢管组成。
整个基坑开挖完成后,沿基坑四周挖出一条200×200mm排水沟,在基坑对角设500×500×500mm集水坑,用泥浆泵将集水坑内渗水及时排出基坑。
布置图:4、基坑稳定性验算4.1、桥墩基坑稳定性验算钢板桩长度为12米,桩顶支撑,标高3.5米,入土长度8.5米。
基坑开挖宽度26米,坑底标高0.0米。
基坑采用拉森钢板桩支护,围檩由单根(500×300mm )H 型钢组成,设单道桩顶支撑,支撑采用直径为600mm,壁厚为8mm钢管作为支撑导梁,钢管与H型钢进行嵌固相连并焊接。
验算钢板桩长度,选择钢板桩和导梁型号,验算基底稳定性。
采用理正深基坑软件对支护结构和围囹支撑体系等变形与内力整体计算分析;支护结构的抗倾覆稳定性、抗隆起、抗管涌、嵌固深度采用理正深基坑支护结构设计软件单元计算进行分析。
4.1.1、设计标准及参数1、基坑设计等级及设计系数二级,重要性系数:1.0;支护结构结构重要性系数:1.0;构件计算综合性系数:1.25。
2 、材料力学性能指标1、单元分析工况定义(1)、工况1:打钢板桩,水面以下3.5m;(2)、工况2:在桩顶以下0.5m处安装第一道内支撑;(3)、工况3:抽水;2、单元计算[ 支护方案 ]----------------------------------------------------------------------连续墙支护---------------------------------------------------------------------- [ 基本信息 ]---------------------------------------------------------------------- [ 附加水平力信息 ]---------------------------------------------------------------------- [ 土层信息 ]---------------------------------------------------------------------- [ 土层参数 ]---------------------------------------------------------------------- [ 支锚信息 ]---------------------------------------------------------------------- [ 土压力模型及系数调整 ]----------------------------------------------------------------------弹性法土压力模型:经典法土压力模型:---------------------------------------------------------------------- [ 工况信息 ]-------------------------------------------------------------------------------------------------------------------------------------------- [ 设计结果 ]---------------------------------------------------------------------- ---------------------------------------------------------------------- [ 结构计算 ]---------------------------------------------------------------------- 各工况:内力位移包络图:地表沉降图:---------------------------------------------------------------------- [ 抗倾覆稳定性验算 ]---------------------------------------------------------------------- 抗倾覆安全系数:p , 对于内支撑支点力由内支撑抗压力 决定;对于锚杆或锚索,支点力为锚杆或锚索的锚固力和抗拉力的较小值。
K86+094.6拉森Ⅳ钢板桩深基坑支护计算书K86+094.6 1-5.0m钢筋混凝土盖板箱涵接长防护计算书一、工程概况K86+094.6为1-5.0m钢筋混凝土盖板接长箱涵。
涵洞在接长时,要先拆除入口梯形节盖板、翼墙及基础,利用入口梯形节墙身和基础,反拼梯形节墙身及基础。
在拆除前,要对路基本体进行钢板桩防护和对轨道进行加强。
二、水文地质情况1、地质情况2涵位出地面高程为40.22m,稳定地下水位为29.02m。
三、拉森Ⅳ钢板桩防护既有线露肩标高为45.44m,新旧涵洞接缝距既有线中心2.99m,拉森钢板桩从新旧涵洞接缝处往外插打,防护高度与既有线路肩高度一致,并在桩顶设置地锚,较少路基变形。
考虑到列车经过的动载完全由D型钢便梁承受,所以在建模时,不考虑钢板桩顶上的荷载。
1、防护示意图钢板桩桩顶距地面6m,考虑到挡土的效果,桩顶外露土体0.2m,所以钢板桩外露量为6.2m。
既有线填料按照碎石图考虑,层厚6.0m。
2、模型基本参数1)基本信息2)放坡信息3)超载信息4)附加水平力信息5)土层信息6)土层参数弹性法土压力模型: 经典法土压力模型:9)工况信息1)各工况:2)内力位移包络图:3)地表沉降图:4)嵌固深度计算嵌固深度计算参数:嵌固深度计算过程:按《建筑基坑支护技术规程》 JGJ 120-99单支点结构计算支点力和嵌固深度设计值h d:1) 按e a1k = e p1k确定出支护结构弯矩零点h c1 = 1.0722) 支点力T c1可按下式计算:h T1 = 6.000mT c1 = 17.313 kN3) h d按公式:h p∑E pj + T c1(h T1+h d) - βγ0h a∑E ai>=0确定β = 1.200 ,γ0 = 1.000h p = 2.511m,∑E pj = 752.245 kPah a = 3.719m,∑E ai = 469.786 kPa得到h d = 6.472m,h d采用值为:8.000m综上所述,采用15m长拉森Ⅳ钢板桩进行支挡。
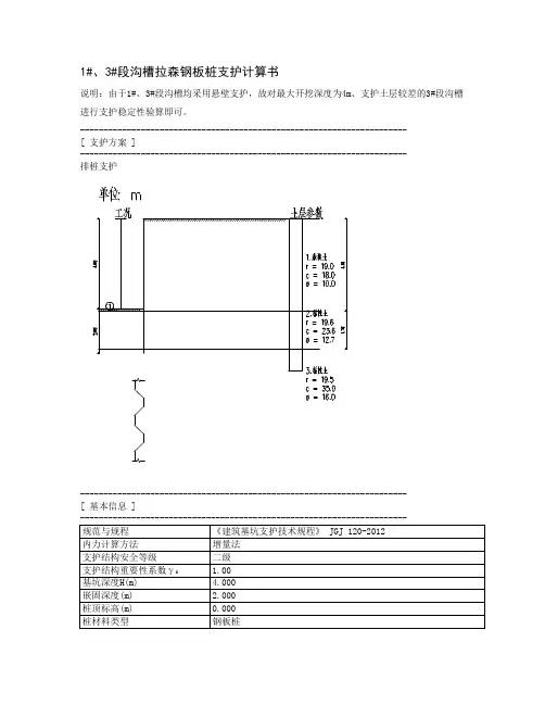
拉森钢板桩设计计算书
1钢板桩的设置位置要符合设计要求,便于基础施工,即在基础最突出的边缘外留有支模、拆模的余地;
2基坑护壁钢板桩的平面布置形状应尽量平直整齐,避免不规则的转角,以便标准钢板桩的利用和支撑设置;各周边尺寸尽量符合板桩模数;
3整个基础施工期间,在挖土、吊运、扎钢筋、浇筑混凝土等施工作业中,严禁碰撞支撑,禁止任意拆除支撑,禁止在支撑上任意切割、电焊,也不应在支撑上搁置重物;
差的钢板桩应尽量不用;
---------------------------------------------------------------------- 弹性法土压力模型: 经典法土压力模型:
----------------------------------------------------------------------
工况信息
----------------------------------------------------------------------
---------------------------------------------------------------------- 设计结果
---------------------------------------------------------------------- ---------------------------------------------------------------------- 结构计算
---------------------------------------------------------------------- 各工况:
内力包络图:
2、拉森钢板桩型号的选择与验算
=·m;
由上节弯矩图可见钢板桩桩身最大弯矩标准值为M
max
选取SP-Ⅳ型号的拉森钢板桩,每延米W=2270cm3;由钢结构设计规范3.4.1条知钢板桩的强度设计值为215N/mm2,安全系数取2;由于地下水较丰富,所以采用双层拉森钢板桩,每延米W=4540cm3;考虑两层钢板桩的折减系数为;则桩身最大应力为:
由于<215××=86MPa,所以满足要求
拉森钢板桩技术参数表
3、钢支撑及围檩内力的计算
第一道钢支撑及围檩采用单层形式,第二道钢支撑及围檩均采用双拼形式;对钢支撑进行平面布置,布置时考虑到钢管桩的操作空间;见下图:
钢支撑平面布置图
利用结构力学求解器求解钢支撑及围檩的内力;
计算简图m、kN/m
M图kN·m
V图kN
N图kN
4、水平对撑及水平斜撑的验算
由于计算方法采用的是极限平衡方法,所以要将支撑反力增加85%,故水平对撑承受的最大轴力设计值为:N=××=;
设计时应该考虑支撑自重及在支撑中心作用10kN的竖向偶然荷载偶然荷载可按照突加荷载计算,弯矩放大系数取2;荷载分项系数:钢材自重=,活载=;有效长度系数=;计算长度取l=,选择莱钢生产的Q235国标H型钢400×400×13×21mm,A=,
g=172kg/m,W x =3340cm 3,W y =1120cm 3
,i x = cm,i y = cm,f=205MPa;λy =l/i y =,查表得φ=;
水平对撑按偏心受压构件计算;杆件弯矩除由竖向荷载产生的弯矩外,尚应考虑轴向力对杆件的附加弯矩,附加弯矩可按轴向力乘以初始偏心距确定;偏心距按实际情况确定,且对钢支撑不小于40mm,一般取10%截面深度且不宜小于支撑计算长度的1/1000,此处取40mm;
由以上可知:水平对撑跨中弯矩最大
M y =×+×5××2+×1/8××
=·m
验算弯矩作用平面内的稳定性:
N ——所计算构件段范围内的轴心压力,N=;
'y E N ——参数,kN 6866083.761.1219500
1006.214.3)1.1/(EA 2
522y
2
'y
=⨯⨯⨯⨯==λ E N
;
φy ——弯矩作用平面内的轴心受压构件稳定系数,φy =;
M y ——所计算构件段范围内的最大弯矩,M y = kN ·m ;
γy ——与截面模量相应的截面塑性发展系数,对于H 型截面γy =; W y ——在弯矩作用平面内对较大受压纤维的毛截面模量,W y =1120cm 3;
βmy ——等效弯矩系数,有端弯矩和横向荷载同时作用时,使构件产生同向
考虑到双拼支撑的下道支撑承受的力较大,故考虑20%的放大系数;
由于×= N/mm 2<205 N/mm 2
,故满足要求
水平斜撑与水平对撑采用同一种截面形式,斜撑的力较小,故不必重复计算 5、型钢围檩的验算
莱钢生产的Q235国标H 型钢400×400×13×21mm,A=,
g=172kg/m,W x =3340cm 3,W y =1120cm 3,i x = cm,i y = cm,f=205MPa;
计算长度取,λx =l/i x =20,查表得φx =;
由内力图可知围檩内力设计值为:
M x =××=·m;N=××=
验算弯矩作用平面内的稳定性:
N ——所计算构件段范围内的轴心压力,N=;
'Ex N ——参数,kN 10132320
1.121950
1006.214.3)1.1/(EA 2
5222
'=⨯⨯⨯⨯==x
Ex
N
λ ; φx ——弯矩作用平面内的轴心受压构件稳定系数,φx =;
M x ——所计算构件段范围内的最大弯矩,M x =·m;
γx ——与截面模量相应的截面塑性发展系数,对于H 型截面γx =; W 1x ——在弯矩作用平面内对较大受压纤维的毛截面模量,W 1x =3340cm 3;
βmx ——等效弯矩系数,有端弯矩和横向荷载同时作用时,使构件产生同向
考虑到双拼支撑的下道支撑承受的力较大,故考虑20%的放大系数;
由于×= N/mm2<205 N/mm2,满足要求
由于钢板桩紧贴在围檩翼缘上,故可不必对平面外稳定性进行计算;
围檩角部应力明显比中间部位的小,采取构造措施,焊接两道三角形钢板即可,不必重复计算
6、牛腿的验算
牛腿采用莱钢生产的国标300的槽钢,牛腿在围檩下承受两道围檩以及支撑的自重荷载,设置在每个水平支撑与围檩连接节点下方;
一圈围檩及支撑自重为:
q=×2+×2+4×+2×+++10×172×10×2=
牛腿与钢板桩采用角焊缝为6mm的围焊形式,一圈围檩及支撑需要的焊缝长度为:l=×1000/×6×160=550mm
所以牛腿的设置满足要求。