ACR120E多功能电力仪表
- 格式:pdf
- 大小:101.02 KB
- 文档页数:3
E系列多功能电力仪表(42型) 用户手册(V10.0)本手册适用于以下型号的产品XL294E-2S4/2S7/2S9/2S9A扬州新菱电器仪表有限公司感谢您选择扬州新菱电器仪表有限公司研发的E系列多功能电力仪表,为了方便您安全、正确、高效的使用本装置,请仔细阅读本说明书并在使用时务必注意以下几点。
注意CAUTION:◆该装置必须由专业人员进行安装与检修◆在对该装置进行任何内部或外部操作前、必须隔离输入信号和电源◆始终使用合适的电压检测装置来确定仪表各部位有无电压◆ 提供给该装置的电参数需在额定范围内下述情况会导致装置损坏或装置工作的异常:◆辅助电源电压超范围◆配电系统频率超范围◆电流或电压输入极性不正确◆带电拨通信插头◆未按要求连接端子连线一、产品简介1.1 引用标准引用国家标准GB/T 17883-1999 0.2S级和0.5S级静止式交流有功电度表GB/T 17882-1999 2级和3级静止式交流无功电度表DL/T 614-1997 多功能电能表GB/T17626-1998 电磁兼容性实验相应国际标准IEC 62053-22:2003电量测量设备(交流)- 特殊要求第22部分静态电度表(0.2S和0.5S)IEC 62053-23:2003电量测量设备(交流)- 特殊要求第23部分静态无功表(2级和3级)IEC 61010-1:2001测量、控制以及实验室用电气设备的安全要求第1部分一般要求IEC 61000-2-11 电磁兼容性(EMC)- 第2-11部分IEC 60068-2-30 环境测试-第2-30部分1.2产品概述E系列多功能电力仪表可测量各种常用电力参数、电能计量,并具有数字通讯、电能脉冲输出功能。
E系列多功能电力仪表有极高的性价比,可以直接取代常规测量指示仪表、电能计量表以及相关的辅助单元。
作为一种先进的智能化、数字化的电网前端采集元件,该仪表可以应用于各种控制系统,能源管理系统,变电站自动化,配电网自动化,小区电力监控,工业自动化,智能建筑,智能配电盘,开关柜中,具有安装方便,接线简单,维护方便,工程量小,现场可编程输入参数的特点。
ACR230ELH多功能谐波仪表ACR230ELH多功能谐波仪表是上海安科瑞电气股份有限公司自主研发生产的产品,该网络仪表针对电力系统、工矿企业、公共设施、智能大厦的电力监控需求而设计的。
它具有全面的三相交流电量测量、复费率电能计量、四象限电能计量、谐波分析、电网质量分析、遥信输入、遥控输出以及网络通讯等功能,其中ACR230ELH/ACR330ELH同时还具有电网波形实时跟踪显示和SOE事件记录功能,主要用于对电网供电质量的综合监控诊断及电能管理。
多功能网络仪表国外知名品牌有溯高美DIRIS A20,国内知名品牌有上海安科瑞ACR220ELH、ACR230ELH、ACR320ELH、ACR330ELH,江苏斯菲尔PD194-E4,珠海派诺PMAC503,深圳中电电力PMC-530A,美国电气控制QP650,华通测控PDM-803HE等。
下面以上海安科瑞ACR230ELH产品为例,介绍ACR230ELH多功能网络仪表的功能及技术参数。
ACR230ELH多功能网络仪表LCD显示、全电参量测量(U、I、P、Q、PF、F、S);四象限电能计量、最大需量、复费率电能统计;THDu,THDi、2-31次各次谐波分量;电压波峰系数、电话波形因子、电流K系数、电压与电流不平衡度计算;电网电压电流正、负、零序分量(含负序电流)测量;4DI+2DO;RS485通讯接口、Modbus协议或DL/T645规约。
适用环境●工作温度:-10℃~+45℃●储存温度:-25℃~+70℃●相对湿度:≤95%不结露●海拔高度:≤2500m电磁兼容●静电抗干扰实验Ⅲ级(IEC61000-4-2)●辐射抗干扰试验Ⅲ级(IEC61000-4-3)●电快速瞬变脉冲群干扰试验Ⅳ级(IEC61000-4-4)●浪涌抗干扰试验Ⅳ级(IEC61000-4-5)●射频传导干扰试验Ⅲ级(IEC61000-4-6)●电磁场抗干扰试验Ⅲ级(IEC61000-4-8)技术参数◆网络三相三线、三相四线◆精度等级电流、电压:0.2级,功率、有功电能:0.5级,频率:0.05Hz,无功电能:1级◆输入电流额定值:AC1A、5A过负荷: 1.2倍额定值(连续);10倍额定值/1秒功耗:<0.2VA(每路)◆输入电压额定值:AC57.7V/100V、220V/380V(400V)过负荷: 1.2倍额定值(连续);2倍额定值/1秒功耗:<0.2VA(每路)◆工作电源工作范围AC85-270V频率45-65Hz功耗≤6VA(点阵式液晶)功耗≤4VA(字段式液晶)◆工频耐压2kV/1min交流有效值◆开关量输入4路干接点输入,内置+5V电源◆开关量输出输出方式:2或3路继电器常开触点输出触点容量:AC 250V/3A、DC 30V/3A◆脉冲输出输出方式:集电极开路的光耦脉冲,2路输出脉冲常数: 10000、40000、160000 imp/kWh◆通讯RS485接口MODBUS-RTU协议波特率38400、19200、9600、4800可设定外形及安装尺寸(mm)ACR220ELH的面框尺寸为96mm*96mm,开孔尺寸为88mm*88mm, 安装深度为85mm。
ACR网络电力仪表用户手册一、概述该系列产品是一种具有可编程测量、显示、数字通讯和电能脉冲变送输出等多功能智能仪表,能够完成电量测量、电能计量、数据显示、采集及传输,可广泛应用变电站自动化、配电自动化、智能建筑、企业内部的电能测量、管理、考核。
测量精度为0.5级,实现LCD现场显示和远程RS-485数字接口通讯,采用MODBUS-RTU通讯协议。
二、技术参数性能参数输入测电压显示网络三相三线、三相四线电压额定值AC400V过负荷持续:1.2倍瞬时:2倍/10s功耗<1V A(每相)阻抗>300kΩ精度RMS测量,精度等级0.5电流额定值AC5A过负荷持续:1.2倍瞬时:2倍/10s功耗<0.4V A(每相)阻抗<20MΩ精度RMS测量,精度等级0.5 频率40~60Hz,精度0.1Hz功能有功、无功、视在功率,精度0.5级电能四相限计量,有功精度0.5级,无功精度1级显示可编程、切换、循环的LCD显示电源工作范围AC、DC 80~270V 功耗≦5V A输出数字接口RS-485、MODBUS-RTU协议脉冲输出2路电能脉冲输出,光耦隔离环境工作环境-10~55℃储存环境-20~75℃安全耐压输入和电源>2kV,输入和输出>2kV,电源和输出>1kV 绝缘输入、输出、电源对机壳>5MΩ外形尺寸120×120 96×96(长、宽、)重量0.6kg三、安装与接线1. 安装尺寸:2. 安装方法:1)在固定的配电柜上,选择合适的地方开一个开孔尺寸的安装孔。
2)取出DCE仪表,松开定位螺丝,取下固定夹。
3)将仪表安装插入配电柜的仪表孔中。
4)插入仪表的固定夹,固定定位螺丝。
3.端子接线:注:L-N为辅助电源具体接线及仪表参数(脉冲常数等)见仪表所带接线图。
3)辅助电源:DCE系列网络电力仪表具备通用的(AC/DC)开关电源输入接口,若不作特殊声明,提供的是220V(AC/DC)或110V(AC/DC)电源接口的标准产品,仪表极限的工作电源电压为AC/DC:80-270V,请保证所提供的电源适用于该系列产品,以上防止损坏产品。
智能多功能电力仪表ACR110EL安科瑞徐孝峰江苏安科瑞电器制造有限公司江苏江阴2144051概述ACR智能多功能电力仪表是针对电力系统、工矿企业、公共设施、智能大厦的电力监控需求而设计的。
它能测量所有的常用电力参数,如三相电流、电压,有功、无功功率,电度、谐波等。
由于该电力仪表还具备完善的通信联网功能,所以我们称之为智能多功能电力仪表。
它非常适合于实时电力监控系统。
该表具有很高的性能价格比,可以直接取代常规电力变送器及测量仪表。
作为一种先进的智能化、数字化的前端采集元件,该系列网络仪表已广泛应用于各种控制系统、SCADA系统和能源管理系统中。
2产品说明2.1特点ACREL公司集多年电力测量产品设计之经验,采用现代微处理器技术和交流采样技术设计而成了该系列智能多功能电力仪表。
产品的设计充分考虑了成本效能化、智能性和可靠性,有以下特点:●可直接从电流、电压互感器接入信号;●可任意设定PT/CT变比;●仪表显示可滚动设置;●I/O开关量,继电器报警输出,4~20mA模拟量等功能模块化设计;●多块仪表可设置不同地址;●可通讯接入SCADA、PLC系统中;可与业界多种软件通讯(Intouch,Fix,Citec,组态网等);●LED或蓝屏背光LCD显示,可视度高;●方便安装,接线简单,工程量小;●仪表采用专用失电保护电路,在失电情况下,数据保存不丢失,恢复电源后,仪表继续运行;●四象限电能计量,分时计费,最大需量纪录及12个月电能统计。
2.2应用该系列智能多功能电力仪表的应用领域非常广泛而且便于系统集成,凡是有电力供应的地方都有它们的用武之地,特点是在对电力品质、电力安全有较高要求的场合以及有自动化需要的场合。
它适用于如下领域,并且已有众多成功应用经验。
●能源管理系统●变电站自动化●配电网自动化●小区电力监控●工业自动化●智能建筑●智能型配电盘、开关柜2.3功能ACREL公司集多年的专业经验,推出了智能多功能电力仪表。
智能型马达控制监测管理系统在石油钻机井场的应用吴德明江苏安科瑞电器制造有限公司摘要:近年来,智能马达控制系统迅速发展,钻机井场规模也逐步扩大,为了确保对钻机井场智能马达控制系统能耗实现可靠的监控,需要设计一套专门的智能型马达控制能耗监测管理系统,本文介绍基于人机界面和PZ48交流检测仪表、ACR330ELH谐波仪表、ACR120E 电力仪表、ARD3电动机保护器[1]及开关量输入模块设计实现的钻井机场智能型马达控制能耗监测管理系统,系统可以实现采集总进线回路、生活区负荷、软启动回路、出线回路用电设备三相电压、电流、功率、电能等参数并显示、设备运行故障的记录、数据的存盘及导出,整个系统保证了钻机井场智能马达控制系统电网能耗自动监测管理水平,具有广泛的应用前景。
关键词:钻机井场、智能马达控制系统、能耗监测管理、人机界面0引言目前大部分石油钻机井场进行能耗管理、获取数据通常做法是采用各种仪器、仪表对能耗进行计量,工作人员对仪器仪表采集的数据进行现场维护并统计,导致工作效率低,不能满足大范围的数据采集需要,同时,统计数据不全面、不及时,甚至会出现不准确的情况,为了能更好完成能耗统计、分析、改善,需要建立一套有效的自动化能源消耗数据获取系统,对系统运行过程中的能源供应、能耗设备运行及能耗情况进行实时监测管理,以便用户实时掌握能源消耗状况,及时采取应对措施,为实现能耗管理自动化打下坚实的数据基础,因此,随着钻机井场规模的不断扩大,为钻机平台智能马达控制系统提供可靠的能耗监测管理系统,对保证钻井机场的安全运行有着重要的意义,对钻机井场节能降本也具有重要现实意义。
本文以钻机井场智能马达控制系统能耗监测管理为例,提出利用触摸屏和交流检测仪表、谐波仪表、电力仪表、电动机保护器及开关量输入模块等设计一套智能智能马达控制能耗监测管理系统应用于钻井机场中,对钻机井场用电设备提供高质量电网电能并对系统能耗实现实时监测、管理。
ACR网络电力仪表用户手册一、概述该系列产品是一种具有可编程测量、显示、数字通讯和电能脉冲变送输出等多功能智能仪表,能够完成电量测量、电能计量、数据显示、采集及传输,可广泛应用变电站自动化、配电自动化、智能建筑、企业内部的电能测量、管理、考核。
测量精度为0.5级,实现LCD现场显示和远程RS-485数字接口通讯,采用MODBUS-RTU通讯协议。
二、技术参数三、安装与接线1. 安装尺寸:2. 安装方法:1)在固定的配电柜上,选择合适的地方开一个开孔尺寸的安装孔。
2)取出DCE仪表,松开定位螺丝,取下固定夹。
3)将仪表安装插入配电柜的仪表孔中。
4)插入仪表的固定夹,固定定位螺丝。
3.端子接线:注:L-N为辅助电源具体接线及仪表参数(脉冲常数等)见仪表所带接线图。
3)辅助电源:DCE系列网络电力仪表具备通用的(AC/DC)开关电源输入接口,若不作特殊声明,提供的是220V(AC/DC)或110V(AC/DC)电源接口的标准产品,仪表极限的工作电源电压为AC/DC:80-270V,请保证所提供的电源适用于该系列产品,以上防止损坏产品。
A、采用交流电源建议在火线一侧安装1A的保险丝。
B、对于电力品质较差的地区中,建议在电源回路安装浪涌抑制器防止雷击,以及快速脉冲群抑制器。
4).输入信号:DCE采用了每个测量通道单独采集的计算方式,保证了使用时完全一致、对称,其具有多种接线方式,适用于不同的负载形式。
说明:A、电压输入:输入电压应不高于产品的额定输入电压(100V或400V),否则应考虑使用PT,在电压输入端须安装1A 保险丝。
B、电流输入:标准额定输入电流为5A,大于5A的情况应使用外部CT。
如果使用的CT上连有其它仪表,接线应采用串接方式,去除产品的电流输入连线之前,一定要先断开CT一次回路或者短接二次回路。
建议使用接线排,不要直接接CT,以便于拆装。
C、要确保输入电压、电流相对应,相序一致,方向一致;否则会出现数值和符号错误!!(功率和电能)D、仪表输入网络的配置根据系统的CT个数决定,在2个CT的情况下,选择三相三线两元件方式;在3个CT的情况下,选择三相四线三元件方式。
ACR测量项目及面板说明ACR网络电力仪表面板右侧V123指示灯点亮时三排数码管分别显示三相电压;I123指示灯点亮时三排数码管分别显示三相电流;PQλ指示灯点亮时三排数码管分别显示总有功功率、总无功功率、总功率因数;面板上左边三个灯为功率负号指示灯,当任一负号灯点亮时表明该排显示值为负值;EPQ指示灯点亮表示显示项目为电能, ACR 网络电力仪表可以计量四象限电能数据:EPI--吸收有功电能EPE--释放有功电能EQL--感性无功电能EQC--容性无功电能。
右侧k、M代表所显示项目的单位数量级为千或兆。
例:如下图所示,EPQ指示灯亮,第一排数码管显示EPI,表示当前显示吸收有功电能,k指示灯亮,表示电能单位为kWh,读电能时将第二排数码管和第三排数码管连读,如下图所示电能为123456.78kWh.注:1、通常情况下,用户都是用电状态,此时应读取EPI值(吸收有功电能);发电厂向外发电时读取EPE值(释放有功电能)。
如果用户既有用电情况、又有发电机向外发电情况,则仪表EPI和EPE里都会有电能显示。
2、ACR仪表显示电能值时,LED(数码管)型指示的电能数据为一次侧电能,此值无须再乘以电流、电压变比。
LCD(液晶)型指示的电能数据为二次侧电能值,该值乘以电流、电压变比才是一次侧电能值。
3、当用户发现电能或功率指示明显不正常时,可通过查看三个分相功率的数值和符号确认有无接线错误。
切换到PQλ指示灯亮,三排数码显示总有功功率、总无功功率、三相功率因数时长时按住回车键,此时三排数码分别显示PA、PB、PC三个分相有功功率,若用电状态时存在任一分相功率为负(负号指示灯亮)均属不正常。
检查该相电流电压接线,观察是否存在CT进出线反,或电压与电流相序不对应等情况。
若用户采用3相3线接线方式(2CT接法),长时按住回车键时显示两个分相功率,不能使用上述方法判断,建议客户咨询我司技术支持人员。
按键功能说明ACR网络电力仪表四个按键从左至右依次为SET键、左键、右键、回车键。
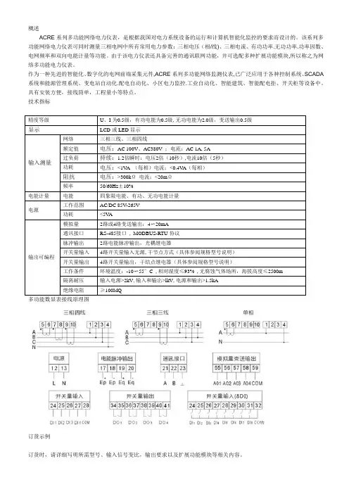
概述ACRE 系列多功能网络电力仪表,是根据我国对电力系统设备的运行和计算机智能化监控的要求而设计的。
该系列多功能网络电力仪表可同时测量三相电网中所有常用电力参数:三相电压(相/线)、三相电流、有功功率.无功功率.功率因数、电网频率和双向电能计量等功能。
由于该电力仪表还具备完善的通讯联网功能,并可选配多种扩展功能模块,所以称之为网络多功能电力仪表。
作为一种先进的智能化、数字化的电网前端采集元件,ACRE 系列多功能网络监测仪表,已广泛应用于各种控制系统、SCADA 系统和能源管理系统、变电站自动化.配电自动化、小区电力监控.工业自动化、智能建筑、智能配电拒、开关柜等设备中。
具有安装方便,接线筒单,工程量小等特点。
技术指标精度等级U 、I 为0.5级,有功电能为0.5级,无功电能为2.0级,变送输出0.5级显示 LCD 或LED 显示输入测量 网络三相三线、三相四线 额定值 电压:AC 100V 、AC380V ;电流:AC 1A, 5A过负荷 持续:1.2倍瞬时:电压2倍(10秒),电流10倍(5秒)功耗 电压:<1V A (每相)电流:<0.4V A (每相)阻抗 电压:>300k Ω 电流:<20m Ω频率 50/60Hz ±10%电能计量 电能 四象限电能、有功、无功电能计量电源 工作范围 AC/DC 85V-265V功耗 <5V A输出可编程 模拟量 2路或4路变送输出:4〜20mA通讯接口 RS-485接口 , MODBUS-RTU 协议脉冲输出 2路电能脉冲输出,光耦继电器开关量输入 4路开关量输入无源,干节点方式(具体参阅规格型号说明)开关量输出 4路开关量输出,干结点继电器(具体参阅规格型号说明)工作条件 环境温度:-10〜55°C ,相对湿度≤93% ,无腐蚀气体场所,海拔高度≤2500m隔离耐压 输入电源>2kV ,输入和输出>lkV ,电源和输出>1.5kA绝缘电阻≥100MQ 多功能数显表接线原理图订货示例订货时,请详细写明所需型号、输入信号变比,输出要求以及扩展功能模块等相关内容。
ACR120EL电力测控仪表ACR120EL电力测控仪表是针对电力系统、工矿企业、公共设施、智能大厦的电力监控需求而设计的。
它能测量所有的常用电力参数,如三相电流、电压,有功、无功功率,电度、谐波等。
由于该电力仪表还具备完善的通信联网功能,所以我们称之为网络电力仪表。
它非常适合于实时电力监控系统,是上海安科瑞电气股份有限公司自主研发生产的产品。
该表具有很高的性能价格比,可以直接取代常规电力变送器及测量仪表。
作为一种先进的智能化、数字化的前端采集元件,该系列网络仪表已广泛应用于各种控制系统、SCADA 系统和能源管理系统中。
电力测控仪表国外知名品牌有溯高美DIRIS A20,国内知名品牌有上海ACREL的ACR120E、ACR120EL、ACR220E、ACR220EL,江苏斯菲尔PD194-E4,珠海派诺PMAC503,深圳中电电力PMC-530A,美国电气控制QP650,华通测控PDM-803HE等。
下面以上海ACREL的ACR120EL产品为例, 介绍了ACR120EL多功能网络仪表的功能及技术参数。
LCD显示、全电参量测量(U、I、P、Q、PF、F);四象限电能计量、复费率电能统计、最大需量统计;2DI+2DO;RS485通讯接口、Modbus协议,适用于动力柜中。
适用环境l 工作温度:-10℃~+45℃l 储存温度:-25℃~+70℃l 相对湿度:≤95%不结露l 海拔高度:≤2500m电磁兼容l 静电抗干扰实验Ⅲ级(IEC61000-4-2)l 辐射抗干扰试验Ⅲ级(IEC61000-4-3)l 电快速瞬变脉冲群干扰试验Ⅳ级(IEC61000-4-4)l 浪涌抗干扰试验Ⅳ级(IEC61000-4-5)l 射频传导干扰试验Ⅲ级(IEC61000-4-6)l 电磁场抗干扰试验Ⅲ级(IEC61000-4-8)功能l 可直接从电流、电压互感器接入信号;l 可任意设定PT/CT变比;l 仪表显示可滚动设置;l I/O开关量,继电器报警输出,4~20mA模拟量等功能模块化设计;l 多块仪表可设置不同地址;l 可通讯接入SCADA、PLC系统中;可与业界多种软件通讯(Intouch, Fix, Citec,组态网等);l LED或蓝屏背光LCD显示,可视度高;l 方便安装,接线简单,工程量小;l 仪表采用专用失电保护电路,在失电情况下,数据保存不丢失,恢复电源后,仪表继续运行;l 四象限电能计量,分时计费,最大需量纪录及12个月电能统计。
◆产品概述E系列多功能电力仪表是一种具有可编程测量、显示、数字通讯和电能脉冲变送输出等功能的多功能电力仪表,能够完成电量测量、电能计算、数据显示、采集及传输,可广泛应用变电站自动化、配电自动化、智能建筑、企业内部电能测量、管理、考核。
测量精度为0.5级,实现LED/LCD现场显示和远程RS-485数字接口通讯、采用MODBUS-RTU通讯协议。
型号测量 显示外围功能(可选项, 订货时说明)数字通讯电能脉冲APD194E-2SYU 、I 、kW 、kVar 、KVAkVarh 、kWh 、Hz 、cosφ 蓝色背光LCD 显示RS-485 MODBUS-RTU2路电能脉冲输出APD194E-2S4U 、I 、kW 、kVar 、kVarh 、kWh 、Hz 、cosφ3排LED 显示APD194E-2S9 I 、kWh 4排LED 显示 APD194E-2S9A U 、I 、kWh 、kVarh 3排LED 显示 APD194E-2S7kWh 、kVarh2排LED 显示型号 测量 显示外围功能数字通讯电能脉冲APD194E-9SY U 、I 、kW 、kvar 、KVA kvarh 、kwh 、Hz 、cosφ 蓝色背光LCD 显示RS-485 MODBUS-RTU2路电能脉冲输出APD194E-9S4 U 、I 、kW 、kvar 、kvarh 、kwh 、Hz 、cosφ3排LED 显示 APD194E-9S9I 、kWh4排LED 显示 APD194E-9S9AU 、I 、kWh 、kVarh 3排LED 显示 APD194E-9S7 kWh 、kVarh2排LED 显示型号 测量 显示外围功能(可选项, 订货时说明)数字通讯电能脉冲APD194E-3S4 U 、I 、kW 、kVar 、kVarh 、kWh 、Hz 、cosφ3排 LED 显示RS-485 MODBUS-RTU2路电能脉冲输出APD194E-3S9 I 、kWh 3排 LED 显示APD194E-3S9A U、I、kVarh、kWh3排LED显示APD194E-3S7 kVarh、kWh3排LED显示型号测量显示外围功能(可选项, 订货时说明)数字通讯电能脉冲APD194E-AS4 U、I、kW、kVar、kVarh、kWh、Hz、cosφ3排LED显示RS-485 MODBUS-RTU1路有功电能脉冲输出APD194E-AS9 I、kWh 3排LED显示APD194E-AS9A U、I、kVarh、kWh 3排LED显示APD194E-AS7 kVarh、kWh 3排LED显示◆功能特点◎集全面的三相交流电量测量、电能计量、综合显示、越限控制、电能脉冲输出、网络通讯于一体。
安科瑞能耗监测专用电能表型号ACR220EL 1概述ACR网络电力仪表是针对电力系统、工矿企业、公共设施、智能大厦的电力监控需求而设计的。
它能测量所有的常用电力参数,如三相电流、电压,有功、无功功率,电度、谐波等。
由于该电力仪表还具备完善的通信联网功能,所以我们称之为网络电力仪表。
它非常适合于实时电力监控系统。
该表具有很高的性能价格比,可以直接取代常规电力变送器及测量仪表。
作为一种先进的智能化、数字化的前端采集元件,该系列网络仪表已广泛应用于各种控制系统、SCADA系统和能源管理系统中。
2技术指标3产品规格3.180型产品规格注:1.J(继电器越限报警输出)与第二路开关量输出复用;2.ACR10E(L)在选配K(2DI/2DO)功能时无脉冲信号输出端口;3.ACR120E(L)在选配K(4DI)功能时具备1路有功电能脉冲信号输出端口,在选配K(2DI/2DO、5DI/2DO)功能时无脉冲信号输出端口。
3.296型产品规格注:1.J(继电器越限报警输出)与第二路开关量输出复用;2.ACR220E(L)在选配K(4DI)功能时具备1路有功电能脉冲信号输出端口,在选配K(2DI/2DO、4DI/2DO)功能时无脉冲信号输出端口;3.ACR220(230)ELH在选配K(4DI/2DO)功能时具备1路有功电能脉冲信号输出端口,在选配K(4DI/4DO)功能时无脉冲信号输出端口;4.ACR220E(L)最多可带2路模拟量输出。
3.342型产品规格注:1.ACR320E(L)在选配K(4DI/4DO、8DI/4DO)功能时无脉冲信号输出端口;2.ACR320(330)ELH在选配K功能时具备1路有功电能脉冲信号输出端口;3.ACR320E(L)最多可带4路模拟量输出;4.ACR330ELH最多可带2路模拟量输出。
4接线端子注1:适用于ACR320E(L)选配8DI/4DO场合;注2:适用于ACR10E(L)带2路脉冲输出场合。
能源计量在管理系统中的应用夏丽平上海安科瑞电气股份有限公司嘉定2018011概述企业竞争逐日激烈,能源作为企业的重要核算成本之一,对其进行有效监测和管理的要求也逐步被重视。
同时,随着通讯技术、计算机技术、仪表智能化技术的发展,如何将这些技术应用到能源计量的管理方法中,使能源消耗的监测和管理更加方便、及时、有效,将是我们21世纪新一代工控人的历史使命。
Acrel(安科瑞)公司的Acrel-2000系统的提出,将成为企业能源在线实时监测新兴的解决方案。
能源计量是节能减排量化数据的体现,起着举足轻重的作用。
同时作为一种管理工具和手段,利用能源计量数据的采集,诊断,分析,实施有效管理,科学准确的计量数据能够指导建筑能源的利用,由此达到节能降耗的目的。
此外能源计量还是一种工艺手段,一种测量技术,帮助建筑节能建立科学合理的节能流程,为今后的建筑节能提供科学准确的基础条件。
E MS智能能源管理系统是为了满足用户在生产过程中对能源的规划、计量、分析、调度等进行实时监控的需要而设计开发的能源综合管理系统。
2 系统软件2.1系统软件的结构安科瑞Acrel-2000型电力监控组态软件是上海安科瑞总结多年的开发、实践经验和大量的用户需求而设计开发的高端产品。
安科瑞Acrel-2000型电力监控组态系列软件以计算机、通讯设备、测控单元为基本工具,为配电系统的实时数据采集、开关状态监测及远程控制提供了基础平台,它可以和检测、控制设备构成任意复杂的监控系统,在变配电监控中发挥了核心作用,可以帮助企业消除信息孤岛,降低运作成本,提高生产效率,加快变配电过程中异常的反应速度。
经过多年的实践与开发,安科瑞电力监控组态系列软件可以为企业提供“监控一体化”的整体解决方案,为企业MES系统提供核心历史数据“引擎”,安科瑞电力监控组态系列软件包括企业级实时历史数据库AcrSpace、工业自动化组态软件AcrControl、电力自动化软件AcrNetPower、“软”控制策略软件AcrStrategy、通信网关服务器AcrFieldComm、OPC产品、Web门户工具等,它们是一个应用规模可以自由伸缩的体系结构,整个软件系统都是按照软件标准而严格设计的,其中实时历史数据库是产品数据的核心,分布式的网络应用是安科瑞电力监控组态软件的最大特点,该产品可以广泛的应用于企业信息化、DCS系统、PLC系统、SCADA系统、楼宇IBMS等监控系统中。
多功能电力仪表用户手册适用型号:PD194E/Z-2H4PD194E/Z-9H4/9H1PD194E/Z-3H4/3H1PD194E/Z-AH4/AH1安全须知感谢您选择江苏斯菲尔电气股份有限公司研发的产品,为了方便您选购和安全、正确、高效的使用本产品,请仔细阅读本手册并在使用时务必注意以下几点。
注意CAUTION:◆该装置必须有专业人员进行安装与检修◆在对该装置进行任何内部或外部操作前、必须切断输入信号和电源◆始终使用合适的电压检测装置来确定仪表各部位无电压◆提供给该装置的电参数需在额定范围内下述情况会导致装置损坏或装置工作的异常:◆辅助电源电压超范围◆配电系统频率超范围◆电流或电压输入极性不正确◆带电拨通信插头◆未按要求连接端子连线本手册可以在本公司的主页上下载到最新版本,同时也提供一些相应的测试软件下载。
如果您需要电子版用户手册可以向本公司的技术服务部门索取。
目录1产品简介 (1)1.1概述 (1)1.2选型 (1)2技术规格 (3)2.1技术参数 (3)2.2测量参数 (5)3安装与接线 (6)3.1尺寸 (6)3.2安装 (7)3.3接线 (8)4操作 (10)4.1面板 (10)4.2显示 (10)4.2.1电量 (11)4.2.2电能 (13)4.2.3谐波 (14)4.3设置 (16)4.3.1系统设置 (20)4.3.2信号输入设置 (21)4.3.3通信设置 (22)4.3.4继电器输出设置 (23)4.3.5模拟量输出设置 (24)5功能 (25)5.1需量记录 (25)5.2电能脉冲输出 (25)5.3开关量输入 (26)5.4继电器输出 (27)5.5模拟量输出 (29)6通信 (31)6.1物理层 (31)6.2通信协议MODBUS-RTU (31)6.3报文指令格式 (32)6.4数据格式 (38)附录1MODBUS-RTU通信寄存器信息表 (39)一次电网数据 (39)二次电网数据 (40)极值需量数据 (41)谐波数据 (43)参数设置 (48)附录2DL/T645-1997通信协议 (52)电能通信协议 (52)瞬时电量量通信协议 (52)总谐波畸变率(THD)通信协议 (53)通信参数协议 (54)附录3DL/T645-2007通信协议 (54)电能通信协议 (54)瞬时电量量通信协议 (55)总谐波畸变率(THD)通信协议 (57)通信参数协议 (57)1产品简介1.1概述H系列多功能电力仪表可测量全电量参数、谐波、电能,并具有数字通信、开关量输入、继电器输出、电能脉冲输出和模拟量输出等功能。
ACR120E多功能电力仪表
安科瑞王长幸
ACR120E多功能网络仪表是上海ACREL电气股份有限公司自主研发生产的产品,该网络仪表针对电力系统、工矿企业、公共设施、智能大厦的电力监控需求而设计的。
它能测量所有的常用电力参数,如三相电流、电压,有功、无功功率,电度、谐波等。
由于该电力仪表还具备完善的通信联网功能,所以我们称之为网络电力仪表。
它非常适合于实时电力监控系统。
技术支持:安科瑞王长幸Q28802633230510-86179961该表具有很高的性能价格比,可以直接取代常规电力变送器及测量仪表。
作为一种先进的智能化、数字化的前端采集元件,该系列网络仪表已广泛应用于各种控制系统、SCADA 系统和能源管理系统中。
多功能网络电力仪表国外知名品牌有溯高美DIRIS A20,国内知名品牌有上海ACREL 的ACR120E、ACR120EL、ACR220E、ACR220EL、ACR320E、ACR320EL,江苏斯菲尔PD194-E4,珠海派诺PMAC503,深圳中电电力PMC-530A,美国电气控制QP650,华通测控PDM-803HE等。
下面以上海ACREL的ACR120E产品为例,介绍ACR120E多功能网络仪表的功能及技术参数。
功能:LED显示、全电参量测量(U、I、P、Q、PF、F);四象限电能计量;2DI+2DO;RS485通讯接口、Modbus协议。
适用环境
l工作温度:-10℃~+45℃
l储存温度:-25℃~+70℃
l相对湿度:≤95%不结露
l海拔高度:≤2500m
电磁兼容
l静电抗干扰实验Ⅲ级(IEC61000-4-2)
l辐射抗干扰试验Ⅲ级(IEC61000-4-3)
l电快速瞬变脉冲群干扰试验Ⅳ级(IEC61000-4-4)
l浪涌抗干扰试验Ⅳ级(IEC61000-4-5)
l射频传导干扰试验Ⅲ级(IEC61000-4-6)
l电磁场抗干扰试验Ⅲ级(IEC61000-4-8)
功能
l可直接从电流、电压互感器接入信号;
l可任意设定PT/CT变比;
l仪表显示可滚动设置;
l I/O开关量,继电器报警输出,4~20mA模拟量等功能模块化设计;
l多块仪表可设置不同地址;
l可通讯接入SCADA、PLC系统中;可与业界多种软件通讯(Intouch,Fix,Citec,组态网等);
l LED或蓝屏背光LCD显示,可视度高;
l方便安装,接线简单,工程量小;
l仪表采用专用失电保护电路,在失电情况下,数据保存不丢失,恢复电源后,仪表继续运行;
l四象限电能计量,分时计费,最大需量纪录及12个月电能统计。
应用领域
l能源管理系统
l变电站自动化
l配电网自动化
l小区电力监控
l工业自动化
l智能建筑
l智能型配电盘、开关柜
技术参数
u网络
三相三线、三相四线
u精度等级
电流、电压:0.2级,
功率、有功电能:0.5级,
频率:0.05Hz,
无功电能:1级
u输入电流
额定值:AC1A、5A
过负荷: 1.2倍持续,瞬时10倍/10秒
功耗:<0.2VA
阻抗:<0.1Ω
u输入电压
额定值:AC100V、400V
过负荷: 1.2倍持续,瞬时2倍/1秒
功耗:<0.2VA
阻抗:>200kΩ
u工作电源
工作范围AC85-270V
频率50±5Hz,60±5Hz
功耗<1W
u工频耐压
2kV/1min交流有效值
u开关量输入
2、4或8路路干接点输入,内置+5V电源
u开关量输出
输出方式:2或4路继电器常开触点输出
触点容量:AC250V/3A、DC30V/3A
u脉冲输出
输出方式:集电极开路的光耦脉冲,2路输出脉冲常数:10000、40000、160000imp/kWh u通讯
RS485接口
MODBUS-RTU协议
波特率38400、19200、9600、4800可设定
外形及安装尺寸(mm)
ACR120E的面框尺寸为80mm*80mm,开孔尺寸为76mm*76mm,安装深度为91mm。
安装方式为嵌入式,固定方式为挤压式。
LED显示
ACR120EL的面框尺寸为80mm*80mm,开孔尺寸为76mm*76mm,安装深度为
91mm。
安装方式为嵌入式,固定方式为挤压式。
LCD显示
ACR220E的面框尺寸为96mm*96mm,开孔尺寸为88mm*88mm,安装深度为85mm。
安装方式为嵌入式,固定方式为挤压式。
LED显示。
ACR220EL的面框尺寸为96mm*96mm,开孔尺寸为88mm*88mm,安装深度为
85mm。
安装方式为嵌入式,固定方式为挤压式。
LCD显示。
ACR320EL的面框尺寸为120mm*120mm,开孔尺寸为108mm*108mm,安装深度为85mm。
LCD显示。
专利及著作权
ACR120E专利:可编程智能表LCD液晶显示面板(80型)--外观专利号200730082423.3;一种小体积的网络电力仪表--实用新型专利号200720071534.9 ACR120E著作权登记号:沪DGY-2007-1338《ACRXXE综合测控软件V1.0》
范例
型号:ACR120E
辅助电源:AC/DC220V
输入信号:380V600A/5A2DI/2DO
电网:三相四线
通讯:RS485/Modbus-RTU。