2、路灯自动控制开关电路
- 格式:ppt
- 大小:1.10 MB
- 文档页数:22
路灯控制器的设计路灯控制器的设计是为了实现对路灯的自动化控制,能够根据不同的场景需求和时间要求,自动调节路灯的亮度和开关状态,从而达到节约能源和提高路灯使用寿命的目的。
本文将从硬件设计和软件设计两个方面进行路灯控制器的详细设计。
1.硬件设计1.1.功能模块设计感应模块主要用于感应周边环境的亮度和车辆行驶情况,可以通过光敏传感器感应周围环境的亮度,通过雷达传感器感应车辆行驶情况。
亮度调节模块可以根据感应模块获取的亮度信息,通过PWM技术来控制路灯的亮度,实现智能调光功能。
时间控制模块用于设置和控制路灯的开关时间,可以根据需求设置每天的开关时间段。
通信模块可以通过无线通信技术,实现与云端或地面设备的远程通信,实现集中管理和监控。
1.2.硬件电路设计根据上述功能模块的需求,硬件电路设计需要包括微控制器、传感器、PWM模块、时钟模块、无线通信模块等。
微控制器是整个电路的核心,负责控制各个模块的工作,可以选择具有较高计算能力和丰富接口资源的单片机。
传感器需要选择适合于感应模块的光敏传感器和雷达传感器,以及其他可能需要的传感器。
PWM模块需要根据路灯亮度调节的需求,选择合适的PWM芯片或芯片组,用于控制路灯的亮度。
时钟模块可以选择实时时钟芯片,用于控制路灯的开关时间。
无线通信模块可以选择Wi-Fi模块、蓝牙模块或其他具有远程通信功能的无线模块。
2.软件设计2.1.系统架构设计软件设计需要考虑系统的可扩展性和实时性。
可以采用多任务调度的方式,将每个模块的功能放在不同的任务中实现。
系统架构设计可以分为感应任务、控制任务和通信任务。
感应任务负责采集传感器数据,如环境亮度和车辆行驶情况等。
控制任务根据感应任务获取的数据,并根据设定的算法进行开关控制和亮度调节。
通信任务负责与云端或地面设备进行通信,将路灯的状态和数据传输到远程端。
2.2.算法设计控制任务中的算法设计主要包括开关控制算法和亮度调节算法。
开关控制算法可以根据感应任务获取的车辆行驶情况和开关时间进行判断,从而决定路灯的开关状态。
人教版2023初中物理九年级物理全册第二十章电与磁重点归纳笔记单选题1、电流的磁效应被发现后,科学家笃信自然力的统一,以逆向的思想,开始在磁生电的研究中进行艰辛的探索。
下列科学家与其重要发现对应正确的是()A.法拉第——电磁感应现象B.奥斯特——电流的热效应C.安培——通电导体周围存在磁场D.焦耳——磁场对通电导体的作用答案:AA.1831年,一位叫迈克尔·法拉第的科学家发现了磁与电之间的相互联系和转化关系。
闭合电路的部分导体在磁场中做切割磁感线运动,闭合电路中就会产生感应电流。
这种利用磁场产生电流的现象称为电磁感应,故A正确;B.焦耳发现了通过电阻时,电流做功而消耗电能,产生了热量,这种现象叫做电流的热效应,故B错误;C.1820年,丹麦物理学家奥斯特发现了电流的磁效应,即通电导线周围存在磁场,故C错误;D.安培发现了磁场对通电导体的作用,故D错误。
故选A。
2、“探究电磁铁磁性强弱与哪些因素有关”实验时,实验装置如图所示,下列说法错误的是()A.当滑动变阻器滑片向左移动时,电磁铁甲、乙吸引大头针的个数增加,电磁铁磁性增强B.电磁铁吸引的大头针下端分散的原因是同名磁极相互排斥C.根据图示的情景可知,电流一定时,线圈匝数越多,电磁铁的磁性越强D.电磁铁在生活中的其中一个应用是电磁继电器,电磁继电器磁性强弱与电流方向有关答案:D知道,电路中的电流A.当滑动变阻器滑片向左移动时,滑动变阻器接入电路的电阻变小,总电阻变小,由I=UR变大,电磁铁磁性增强,电磁铁甲、乙吸引大头针的个数增加,故A正确;B.实验发现被电磁铁吸引的大头针下端是分散的,其原因是大头针被磁化后同名磁极互相排斥,故B正确;C.由图示的情景知道,两个电磁铁串联接入电路中,通过的电流是相同的,线圈匝数越多,吸引的大头针的个数越多,电磁铁的磁性越强,故C正确;D.电磁继电器磁性强弱与电流方向无关,与电流大小、线圈的匝数的多少有关,故D错误。
如图所示是一个简单易作的光控路灯电路,只要夜幕来临,电灯自动点亮,白天,灯自行熄灭。
该电路具有软启动功能,因为夜幕降临时,自然光线是逐渐缓慢变弱的,所以光敏电阻rl的阻值是逐渐变大,vt门极电平也是逐渐升高。
故晶闸管由关断变为开通是经历一个微导通与弱导通阶段,所以电灯e有一个逐渐变亮的软启动过程。
如图所示是一种简易的光控开关。
在一些公共场所,如楼道、路灯等装上自动光控开关,不仅方便而且也节电。
它在天黑时会自动开灯,天亮时自动熄灭。
调节4.7MΩ电位器,可适用于不同型号的光敏电阻及在一定的条件(黑暗程度)下亮灯。
如图所示的光控路灯,电路简单,使用方便,且流过灯泡的电流为全波交流电,所以电灯处于正常发光状态。
其亮度要比半压供电要亮得多,而且电子电路与灯泡采用二线制接法,以简化安装如图所示是一个性能较好的采用单向晶闸管的简易光控路灯电路。
vdp为光敏二极管,白天它呈低电阻,阻值≤1kω,三极管vt2截止,晶闸管vt1因门极无触发电流而处于关断态,路灯e不亮。
夜晚,vl无光照射呈高电阻,阻值≥ 100kω,vt2导通,发射极可输出正向触发电流流经vt1的门极,使vt1开通,e点亮发光。
调节rp可使电路在需要开灯的光照度下使灯e点亮。
该电路设置了稳压管vs,使电路工作比较稳定可靠。
电路安装时,光敏二极管vdp同样应注意避免灯e 的自身光线照射。
如图所示是一个采用双向晶闸管制作的光控路灯电路,且它也采用二线制接法,所以安装比较简便。
白天,光敏电阻器rl因受自然光线照射,rl呈现低电阻,它与r1分压后,获得的电压低于双向触发二极管vdh的折转电压,故双向晶闸管vth阻断,电灯e不亮。
当夜幕来临时,rl上分得电压逐渐升高,当高于vdh的折转电压时,vth开通,路灯e点亮。
该电路具有软启动过程,有利于延长灯泡的使用寿命。
增减r1的阻值可以改变电路的光控灵敏度,但一般情况下可以不必调整。
vdh可用转折电压为20~40v的双向触发二极管,如2cts、db3型等。
基本逻辑门电路典型练习题101.监控系统控制电路如图所示,电键S闭合时,系统白天和晚上都工作;电键S断开时,系统仅晚上工作.在电路中虚框处分别接入光敏电阻(受光照时阻值减小)和定值电阻,则电路中,C是____________(选填“与门”、“或门”或“非门”),光敏电阻是__________(选填“A”或“B”)【答案】或门B【详解】由题意可知:S断开时监控系统晚上光线较暗时自动开始工作,白天光线不暗时不工作,所以滑动变阻器与光敏电阻相连,即光敏电阻是B;S闭合时,监控系统白天和晚上都能工作,所以电键S应与定值电阻相连,C中两个条件有一个满足就工作,所以C是或门.考点:逻辑电路.2.如图是一个应用某逻辑电路制作的简单车门报警电路图.图中的两个按钮S1、S2分别装在汽车的两道门上.只要其中任何一个开关处于开路状态,发光二极管(报警灯)就发光.则该逻辑电路是___门电路,并在图中画出这种门电路的符号;当S1、S2都闭合时,A、B的输入都为___,Y端输出为____;当S1断开时,___端的输入为1,Y端输出为____.(门电路有输入电压或有输出电压都记为1,无输入电压或无输出电压都记为0)【答案】或00A1【详解】驾驶员离开汽车后,两个车门均处于关闭状态,与两个车门对应的开关S1和S2均闭合,这时发光二极管不会发光报警.因为S1和S2闭合后,电流不通过发光二极管.当有其他人打开了某一个门时,S1或S2就处于断开状态,这时就有电流通过发光二极管,使其发光报警.可见,这一装置实际上是一个“或”门电路.. 当S1、S2都闭合时,A、B的输入都为0时,,Y端输出为0,当S1断开时,A端的输入为1,Y端输出为1考点:考查了逻辑电路的应用点评:关键是理解或门逻辑电路的特点3.逻辑电路在电子线路中有着重要的应用.某词学利用“非”门电路设计了一个路灯自动控制R,是一个光敏电阻,门电路.天黑了,让路灯自动接通;天亮了,让路灯自动熄灭,图中G与有光线照射时,光敏电阻的阻值会显着减小,R是可调电阻,起分压作用.“非”门电路能将输入的商电平转变为低电平,或将低电平转变为高电平,J为路灯总开关控制继电器,它在获得高电压时才启动(图中未画路灯电路)(1)当天黑时,G R变大还是变小?“非”门电路获得高电平还是低电平?J得到高电压还是低电压?(2)如果路灯的开关自动接通时天色还比较亮,现要调节自动控制装置,使得它在天色较黑时才会自动接通开关,应将R调大一些还是调小一些?【答案】(1)大,低,高(2)大【详解】(1)天黑时,光线减弱,光敏电阻RG变大,A端输入低电压,Y端输出高压信号,J得到高压,开始控制路灯工作。
基于PLC的路灯控制系统设计
陈涛
【期刊名称】《软件》
【年(卷),期】2024(45)2
【摘要】本文设计了一种基于施耐德PLC的路灯控制系统。
此系统根据外界的明暗对路灯进行控制。
为了控制准确,设计安装了3处光控开关电路。
同时,为了更好地确保日常使用,设计、安装了分区手动启动、关闭开关,用于路灯的手动控制。
此系统投运后,可以很好地完成路灯的自动控制,达到既节约能源,又节约人力成本的目的。
【总页数】3页(P83-85)
【作者】陈涛
【作者单位】国家广播电视总局呼和浩特地球站
【正文语种】中文
【中图分类】TP29
【相关文献】
1.校园路灯的PLC控制系统设计
2.基于PLC技术LED路灯控制系统设计
3.基于PLC的路灯智能节能控制系统设计
4.基于PLC的GPRS路灯远程监控系统设计
5.基于PLC和ZigBee的路灯智能控制系统设计
因版权原因,仅展示原文概要,查看原文内容请购买。
2020—2021教科版物理选修3—1第2章直流电路含答案教科版选修3—1第二章直流电路1、一只标有“4 V 3 W”的小灯泡,两端加上电压U,在U由0逐渐增加到4 V 过程中,电压U和电流I的关系可用图像表示,在如图所示的四个图像中,符合实际的是()A BC D2、两根材料相同的均匀导线x和y串联在电路中,两导线沿长度方向的电势变化情况分别如图中的ab段和bc段图线所示,则导线x和y的横截面积之比为()A.2∶1B.1∶2C.6∶1 D.1∶63、两个定值电阻R1、R2串联后接在输出电压U稳定于12 V的直流电源上,有人把一个内阻不是远大于R1、R2的电压表接在R1两端,如图所示,则电压表的示数为8 V,如果他把此电压表改接在R2的两端,则电压表的示数将()A.小于4 V B.等于4 VC.大于4 V,小于8 V D.大于或等于8 V4、(双选)电源、开关S、定值电阻R1、R2、光敏电阻R3和电容器连接成如图所示电路,电容器的两平行板水平放置.当开关S闭合,并且无光照射光敏电阻R3时,一带电液滴恰好静止在电容器两板间的M点,当用强光照射光敏电阻R3时,光敏电阻的阻值变小,则()A.液滴向下运动B.液滴向上运动C.电容器所带电荷量减少D.电容器两极板间电压变大5、额定电压为4.0 V的直流电动机的线圈电阻为1.0 Ω,正常工作时,电动机线圈每秒产生的热量为4.0 J,下列计算结果正确的是()A.电动机正常工作时的电流强度为4.0 AB.电动机正常工作时的输出功率为8.0 WC.电动机每分钟将电能转化成机械能为240.0 JD.电动机正常工作时的输入功率为4.0 W6、如图为含逻辑电路的一个简单电路图,L为小灯泡.光照射光敏电阻时,其阻值R′将变得远小于R.当光照射光敏电阻时,则()A.R两端的电势差变小B.R′两端的电势差变大C.小灯泡L发光D.小灯泡L不发光7、某个由导电介质制成的电阻截面如图所示.导电介质的电阻率为ρ,制成内、外半径分别为a和b的半球壳层形状(图中阴影部分),半径为a、电阻不计的球形电极被嵌入导电介质的球心为一个引出电极,在导电介质的外层球壳上镀上一层电阻不计的金属膜成为另外一个电极.设该电阻的阻值为R,下面给出R的四个表达式中只有一个是合理的,试判断合理的表达式为()A.R=ρ(b+a)2πab B.R=ρ(b-a)2πabC.R=ρab2π(b-a)D.R=ρab2π(b+a)8、一个电流表由小量程的电流表G与电阻R并联而成.若在使用中发现此电流表读数比准确值稍小些,下列采取的措施正确的是()A.在R上串联一个比R小得多的电阻B.在R上串联一个比R大得多的电阻C.在R上并联一个比R小得多的电阻D.在R上并联一个比R大得多的电阻9、如图所示为测量某电源电动势和内阻时得到的U-I图线.用此电源与三个阻值均为3 Ω的电阻连接成电路,测得路端电压为4.8 V.则该电路可能为()10、如图所示,直线OAC为某一直流电源上总功率随电流I的变化图线,曲线OBC表示同一直流电源内部热功率随电流I变化的图线.若A、B的横坐标为1 A,那么AB段表示的功率为()A.1 W B.6 WC.2 W D.2.5 W11、(双选)某同学设计了一个路灯自动控制门电路,如图所示,天黑了,让路灯自动接通,天亮了,让路灯自动熄灭.图中R G是一个光敏电阻,当有光照射时,光敏电阻的阻值会显著地减小,R是可调电阻,起分压作用.J为路灯总开关——控制继电器(图中未画路灯电路).关于此电路,下列说法正确的是()A.天黑时,R G增大,A为高电位,Z为低电位,J使路灯亮B.天黑时,R G增大,A为低电位,Z为高电位,J使路灯亮C.R调大时,傍晚路灯亮得早一些D.R调大时,傍晚路灯亮得晚一些12、欲用伏安法测定一段阻值约为5 Ω的金属导线的电阻,要求测量结果尽量准确,现备有以下器材:A.电池组(3 V,内阻1 Ω)B.电流表(0~3 A,内阻约0.012 5 Ω)C.电流表(0~0.6 A,内阻约0.125 Ω)D.电压表(0~3 V,内阻约3 kΩ)E.电压表(0~15 V,内阻约15 kΩ)F.滑动变阻器(0~20 Ω,额定电流1 A)G.滑动变阻器(0~2 000 Ω,额定电流0.3 A)H.开关、导线(1)上述器材中应选用的是________.(填写各器材前的字母代号)(2)实验电路应采用电流表________(填“内”或“外”)接法.(3)设实验中,电流表、电压表的某组示数如图所示,图中I=________A,U=________V.(4)为使通过待测金属导线的电流能在0~0.5 A范围内改变,请按要求在虚线框中画出测量待测金属导线的电阻R x的原理电路图,然后根据你设计的原理电路图将图中所给定的器材连成实验电路.13、电动机的自动控制电路如图所示,其中R H为热敏电阻,R L为光敏电阻.当温度升高时,R H的阻值远小于R1;当光照射R L时,其阻值远小于R2,为使电动机在温度升高或受到光照时能自动启动,电路中虚线框内应选________门逻辑电路;若要提高光照时电动机启动的灵敏度,可以________(选填“增大”或“减小”)R2的阻值.2020—2021教科版物理选修3—1第2章直流电路含答案教科版选修3—1第二章直流电路1、一只标有“4 V 3 W”的小灯泡,两端加上电压U,在U由0逐渐增加到4 V 过程中,电压U和电流I的关系可用图像表示,在如图所示的四个图像中,符合实际的是()A BC DB[本题应考虑灯丝的电阻随温度的变化,随着电压升高,电流增大,灯丝的电功率增大,温度升高,电阻率也将随之增大,电阻增大.]2、两根材料相同的均匀导线x和y串联在电路中,两导线沿长度方向的电势变化情况分别如图中的ab段和bc段图线所示,则导线x和y的横截面积之比为()A.2∶1B.1∶2C.6∶1 D.1∶6B[两导线串联,电流相等,I1=I2,从两段图线上截取相同的电压,ΔU1=ΔU2,保证电阻是相等的,此时长度之比为L1∶L2=1∶2,由电阻定律知,横截面积之比等于长度之比,则S1∶S2=1∶2,B正确,A、C、D错误.]3、两个定值电阻R1、R2串联后接在输出电压U稳定于12 V的直流电源上,有人把一个内阻不是远大于R1、R2的电压表接在R1两端,如图所示,则电压表的示数为8 V,如果他把此电压表改接在R2的两端,则电压表的示数将()A.小于4 V B.等于4 VC.大于4 V,小于8 V D.大于或等于8 VA[并联电路的电阻小于任何一个支路的电阻,又因为串联电路的电压与电阻成正比,所以把电阻并联在R2的两端,则电压表的示数小于4 V,故选A.]4、(双选)电源、开关S、定值电阻R1、R2、光敏电阻R3和电容器连接成如图所示电路,电容器的两平行板水平放置.当开关S闭合,并且无光照射光敏电阻R3时,一带电液滴恰好静止在电容器两板间的M点,当用强光照射光敏电阻R3时,光敏电阻的阻值变小,则()A.液滴向下运动B.液滴向上运动C.电容器所带电荷量减少D.电容器两极板间电压变大BD[电路稳定时电容器两端电压等于电阻R1两端电压,当用强光照射光敏电阻R3时,光敏电阻的阻值变小,电路中的电流变大,电阻R1两端电压变大,电容器继续充电,所带电荷量增加,并且带电液滴所受电场力增大,液滴向上运动,A、C项错误,B、D项正确.]5、额定电压为4.0 V的直流电动机的线圈电阻为1.0 Ω,正常工作时,电动机线圈每秒产生的热量为4.0 J,下列计算结果正确的是()A.电动机正常工作时的电流强度为4.0 AB.电动机正常工作时的输出功率为8.0 WC.电动机每分钟将电能转化成机械能为240.0 JD.电动机正常工作时的输入功率为4.0 WC[电动机正常工作时的电流强度为I=Qrt=41×1A=2 A,选项A错误;电动机正常工作时的输出功率为P出=IU-P内=2×4 W-4 W=4 W,选项B错误;电动机每分钟将电能转化成机械能为E机=P出t=4×60 J=240 J,选项C正确;电动机正常工作时的输入功率为P=UI=2×4 W=8 W,选项D错误.] 6、如图为含逻辑电路的一个简单电路图,L为小灯泡.光照射光敏电阻时,其阻值R′将变得远小于R.当光照射光敏电阻时,则()A.R两端的电势差变小B.R′两端的电势差变大C.小灯泡L发光D.小灯泡L不发光C[当电阻R′受到光照时,其阻值将变得远小于R.则R两端的电势差大,R′两端间的电势差小.故A、B错误;该逻辑电路为“非”门电路.“非”门的特点是输出状态和输入状态相反,当电阻R′受到光照时,其阻值将变得远小于R,则输入端为低电势,输出端为高电势,故a点电势为高电势,小灯泡L发光.故C正确,D错误.]7、某个由导电介质制成的电阻截面如图所示.导电介质的电阻率为ρ,制成内、外半径分别为a和b的半球壳层形状(图中阴影部分),半径为a、电阻不计的球形电极被嵌入导电介质的球心为一个引出电极,在导电介质的外层球壳上镀上一层电阻不计的金属膜成为另外一个电极.设该电阻的阻值为R,下面给出R的四个表达式中只有一个是合理的,试判断合理的表达式为()A.R=ρ(b+a)2πab B.R=ρ(b-a)2πabC.R=ρab2π(b-a)D.R=ρab2π(b+a)B[A项等式左边的单位是Ω,右边的单位是Ω,单位是合理的,将b=a代入得到R≠0,因为电阻是很薄的一层,电阻应该很小,这个等式是不合理的,故A 错误;B项等式左边的单位是Ω,右边的单位是Ω,单位是合理的,将b=a代入得到R=0,根据上面分析是合理的,故B正确;C项等式左边的单位是Ω,右边的单位是Ω·m2,左右两边单位不同,则此式不合理,故C错误;D项等式左边的单位是Ω,右边的单位是Ω·m2,左右两边单位不同,则此式不合理,故D错误.]8、一个电流表由小量程的电流表G与电阻R并联而成.若在使用中发现此电流表读数比准确值稍小些,下列采取的措施正确的是()A.在R上串联一个比R小得多的电阻B.在R上串联一个比R大得多的电阻C.在R上并联一个比R小得多的电阻D.在R上并联一个比R大得多的电阻A[电流表读数比准确值稍小些,是由于并联的电阻R的阻值偏小,而使流经小量程的电流表的电流偏小造成的,所以应该给电阻R串联一个阻值比R小得多的电阻,从而使改装后的电流表读数准确些.]9、如图所示为测量某电源电动势和内阻时得到的U-I图线.用此电源与三个阻值均为3 Ω的电阻连接成电路,测得路端电压为4.8 V.则该电路可能为()B[由图可知,E=U m=6 V,U=4 V时,I=4 A,因此有6 V=4 V+4r,解得r=0.5 Ω.当路端电压为4.8 V时,U内=6 V-4.8 V=1.2 V,由于U外U内=Rr,所以R=U外U内r=4.81.2×0.5=2 Ω,由电阻的串、并联知识可知,该电路可能为B.]10、如图所示,直线OAC为某一直流电源上总功率随电流I的变化图线,曲线OBC表示同一直流电源内部热功率随电流I变化的图线.若A、B的横坐标为1 A,那么AB段表示的功率为()A.1 W B.6 WC.2 W D.2.5 WC[在C点,电源的总功率等于电源内耗功率,所以电源电动势的大小为E=3 V,短路电流的大小为I=3 A,所以电源的内阻为r=EI=1 Ω,图像上AB段所代表的功率为P AB=P总-I2r=1×3 W-12×1 W=2 W,故选C.]11、(双选)某同学设计了一个路灯自动控制门电路,如图所示,天黑了,让路灯自动接通,天亮了,让路灯自动熄灭.图中R G是一个光敏电阻,当有光照射时,光敏电阻的阻值会显著地减小,R是可调电阻,起分压作用.J为路灯总开关——控制继电器(图中未画路灯电路).关于此电路,下列说法正确的是()A.天黑时,R G增大,A为高电位,Z为低电位,J使路灯亮B.天黑时,R G增大,A为低电位,Z为高电位,J使路灯亮C.R调大时,傍晚路灯亮得早一些D.R调大时,傍晚路灯亮得晚一些BD[当光照变弱时光敏电阻R G的阻值变大,分担的电压大,则门电路获得的电势低,“非”门电路输入端电压变小,继电器得到的电压变高,路灯被点亮,所以B对,A错;在相同的光照情况下,若电阻R增大,使得R分得的电压变大,使“非”门电路的输入端电压变大,继电器得到的电压偏低,路灯不被点亮.只有更晚一些,天色更暗时,光敏电阻更大一些,门电路获得的电势低,“非”门电路输入端电压变小,继电器得到的电压变高,路灯才能被点亮,故C错,D对.]12、欲用伏安法测定一段阻值约为5 Ω的金属导线的电阻,要求测量结果尽量准确,现备有以下器材:A.电池组(3 V,内阻1 Ω)B.电流表(0~3 A,内阻约0.012 5 Ω)C.电流表(0~0.6 A,内阻约0.125 Ω)D.电压表(0~3 V,内阻约3 kΩ)E.电压表(0~15 V,内阻约15 kΩ)F.滑动变阻器(0~20 Ω,额定电流1 A)G.滑动变阻器(0~2 000 Ω,额定电流0.3 A)H.开关、导线(1)上述器材中应选用的是________.(填写各器材前的字母代号)(2)实验电路应采用电流表________(填“内”或“外”)接法.(3)设实验中,电流表、电压表的某组示数如图所示,图中I=________A,U=________V.(4)为使通过待测金属导线的电流能在0~0.5 A范围内改变,请按要求在虚线框中画出测量待测金属导线的电阻R x的原理电路图,然后根据你设计的原理电路图将图中所给定的器材连成实验电路.解析:电池组电压为3 V,待测电阻约为5 Ω,流过待测电阻的最大电流约为3 V5 Ω=0.6 A,故应选量程为0~0.6 A的电流表、量程为0~3 V的电压表.滑动变阻器应选阻值小、额定电流大的,安全又易于调节.由于待测电阻与电流表、电压表内阻比较有50.125<3×1035,故采用电流表外接法.为使流过金属导线的电流在0~0.5 A范围内改变,则滑动变阻器应采用分压式接法.原理电路图和实物连线图如图(a)、(b)所示.答案:(1)A、C、D、F、H(2)外(3)0.48 2.20(4)见解析13、电动机的自动控制电路如图所示,其中R H为热敏电阻,R L为光敏电阻.当温度升高时,R H的阻值远小于R1;当光照射R L时,其阻值远小于R2,为使电动机在温度升高或受到光照时能自动启动,电路中虚线框内应选________门逻辑电路;若要提高光照时电动机启动的灵敏度,可以________(选填“增大”或“减小”)R2的阻值.解析:电路中的逻辑关系是“或”逻辑关系,故虚线框内应选“或”门电路.增大R2的阻值,可增大电动机两端的电压,此时R L的阻值改变较小时,就可以使电动机启动,故增大R2的阻值可提高光照时电动机启动的灵敏度.答案:或增大。
路灯是怎样组成的原理
路灯的组成原理主要包括以下几个方面:
1. 光源:常见的路灯光源有白炽灯、LED灯、钠灯等。
其中LED灯最常用于现代路灯,由多个小颗粒组成,通过半导体材料的电子能级跃迁来发光。
2. 电路:路灯的电路主要由电源、开关和控制电路组成。
电源提供电能,开关用于控制灯的开关状态,控制电路可实现灯光的自动控制和亮度调节。
3. 散热器:路灯的灯头部分需要散热器来散热,保证灯的长时间运行不发热过高。
4. 支架:支架用于固定路灯的各个部件,使其能够牢固地安装在路灯杆上。
5. 灯罩:灯罩用于遮挡灯源,使灯光产生方向性,提高照明效果,同时还能起到保护作用。
6. 光学系统:光学系统主要是通过设计灯罩和反射片等,将光线聚焦、改变光线的投射角度,提高路灯的照明效果和均匀度。
总之,路灯的组成原理是通过合适的光源和电路,经过散热、支架、灯罩和光学系统等部件的配合,实现对道路和周围环境的照明。
同时,通过电路的控制,也
能实现对路灯的开关和亮度的调节。
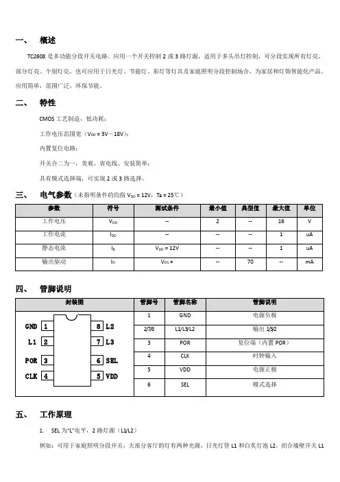
一、概述TC2608是多功能分段开关电路。
应用一个开关控制2或3路灯源,适用于多头吊灯控制,可分段实现所有灯亮、部分灯亮、个别灯亮。
也可应用于日光灯、节能灯、彩灯等灯具及家庭照明分段控制场合,为家居和灯饰智能化产品。
应用简单,范围广泛,环保节能。
二、特性CMOS工艺制造,低功耗;工作电压范围宽(V DD = 3V~18V);内置复位电路;开关合二为一,美观、省电线、安装简单;具有模式选择端,可实现2或3路选择。
三、电气参数(未指明条件的均指V= 12V,Ta = 25℃)DD亮;断开再闭合L2亮;再次操作墙壁开关,两者一起亮。
2.SEL为“H”电平,3路灯源(L1/L2/L3)例如:三路灯源,连续控制按键,依次为L1路通电;L2路通电;L3路通电;L1/L2/L3路通电。
3.特别注意:按键的时间间隔应该在5秒钟之内,大于5秒在按键会自动回复到L1路通电的状态。
C2处电容建议使用10uF~100uF/50V,请客户依照实际产品进行调整。
(推荐值使用22uF / 50V)C6处电容建议使用50V规格。
七、应用说明图中开关S接L为“H”为三路灯源,接R为“L”为两路灯源,不可能悬空。
图中C1、C2的值根据继电器的吸合所需电压、电流来确定的。
如图:当C1=、C2=100uF时,电源提供最大电流为104mA,所以接两路输出时,继电器的吸合电流小于50mA;接三路输出时,继电器的吸合电流小于35mA,R2为C2的放电电阻,决定连续操作按键的时间间隔。
可以调整5Pin端的电解电容和电阻来控制连续操作按键的时间间隔。
3Pin端的电容可根据需要选择或不接。
现象描述参考工作原理。
八、选择参数的计算方法电路设计时应先测定负载电流的准确值,然后参考示例来选择降压电容器的容量。
因为通过降压电容C1向负载提供的电流I O,实际上是流过C1的充放电电流I C。
C1容量越大,容抗X C越小,则流经C1的充放电电流越大。
当负载电流I O小于C1的充放电电流时,多余的电流就会流过稳压管,若稳压管的最大允许电流Idmax小于I C-I O时易造成稳压管烧毁。
太阳能路灯控制器电路图2010-11-14 14:00太阳能路灯控制器电路图1 .工作原理电路原理见图 1 所示。
该电路由以 U5 为核心组成的蓄电池过充电控制电路、以 U 4A ~U4D为核心组成的蓄电池电压指示电路及显示电压按钮开关 KS1 电路、以 U1B 组成的蓄电池过放电控制电路、以 U1A组成的开灯检测控制电路、以 U2 组成的开灯及延时熄灯及二次开灯定时控制电路,以及以控制三极管Q2驱动继电器组成的输出控制电路等组成。
现分别介绍如下。
(1) 过充电、过放电检测保护部分太阳能电池组件板或阵列由插口 CZ1 的①脚输入,加至防反充电二极管 D2 的正极.D2的负极接 12V 蓄电池的正极,即 CZ1 的③脚。
控制器在初始上电时,由于 C4 的作用使U5②脚为低电平,③脚输出高电平,Q7 导通; Q8 截止,允许太阳能电池给蓄电池充电。
当蓄电池所充的电压小于 14 . 4V 时,由R13 、 (R38 十R39) 组成的串联分压电路送至 U5 ②、⑥电压低于 2 / 3 U5 的供电电压时,即小于6V,电路维持充电状态;随着充电时间的延长,蓄电池电压逐渐升高,当U5 ②、⑥的电压高于 2 / 3 U5 供电电压时,U5③脚输出低电平, Q7 截止、 Q8 导通,给太阳能电池板泄放电流,停止对蓄电池充电。
在U5③脚输出低电平的状态下,其⑦脚导通,相当于将 1140 并入电路中。
此时电路的分压比为: R38+ R39 // R40/IRl3+(R38+R39) // R40 ,不难算出,当蓄电池电压低于设定值 13V 时.电路状态再次翻转,U5③脚输出高电平,允许蓄电池充电。
(2) 开灯检测方法与控制太阳能电池板是一个很好的光敏元件,其输出电流、电压能随着接受光的强度和照度变化而变化,本控制器就是利用这一原理实现开、关灯控制的。
太阳能电池板PVin 输入电压经 R5 、 R6 串联分压后;加至运放U 1A ②脚,其③脚接于 R9 、R8+VR1的分压点上。
光敏电阻典型练习题8注意事项:1.答题前填写好自己的姓名、班级、考号等信息2.请将答案正确填写在答题卡上1.电磁继电器在各种自动化装置中有很多应用,街道路灯自动控制就是其应用之一、模拟电路如图所示,其中A为电磁继电器,B为照明电路,C为路灯,D为光敏电阻(白天光照强时,电阻变小;夜晚光照弱时,电阻变得很大)。
请你将电路连接完整,达到白天灯熄、夜晚灯亮的效果。
(连线时导线不能交叉)【答案】【详解】为了使照明电路白天断开,就需要电磁铁吸引衔铁,电路中电流大。
夜间电磁铁磁性小,不吸引衔铁。
电路中电流的变化要通过电阻的变化来控制。
所以要将光敏电阻与电磁铁串联在一起,以此来调节电路中的电流。
故设计电路如图2.如图甲所示为一利用光敏电阻测量储液罐中液面高度装置的示意图。
当罐中装满液体时,液面与出液口高度差为h,罐外有一竖直放置的管,管内一侧有沿竖直线排列的多个光敏电阻,另一侧有一列光强稳定的光源。
液面上一浮块与一块遮光板通过定滑轮相连,遮光板可随浮块的升降在管内上下运动,光敏电阻的总长度和遮光板的总长度都为h。
当储液罐内装满液体时,遮光板的上沿与最下面的光敏电阻的下边缘等高,管内的光均匀地照射在光敏电阻上,光敏电阻和仪表相连。
现要求设计一电路以利用上述装置测量液面的高度。
为将问题简化,假设管内只有3个光敏电阻R1、R2、R3,分别位于管的上端、下端和中央;它们的暗电阻均为R=10kΩ,被管内光源照亮时电阻均为R′=1.0kΩ。
给定的仪器还有:直流电源E(电动势为9V,电阻不计),3个定值电阻,阻值分别为R4=2.5kΩ,R5=1.8kΩ,R6=1.5kΩ;电压表V(量程为0~3V,内阻可视为无穷大),开关一个,导线若干。
要求:当罐内装满液体时,电压表恰好为满量程。
(1)如图乙所示为某次电压表的示数为________V。
(2)选择合适的定值电阻,在如图丙所示虚线框内画出电路图,并用题中给定的符号标明图中各元件________。
TWH8751组成的路灯自动控制器实验一、电路工作原理电路原理如图一所示。
路灯控制器由电源电路、光照取样电路、电子开关电路构成。
1、电源电路电源电路由电源变压器T、整流二极管D1~D4和滤波电容器C1组成。
220V交流电压经变压器T降压,经Dl~D4桥式整流,电解电容C1滤波后,为光控电路提供稳定的+12V工作电源。
2、光照取样电路取样电路如图二所示,由电阻器R1、光敏电阻器RG、可变电阻器RP组成分压电路。
白天,RG受光照射而呈低阻状态,A点电位升高;夜晚,RG无光照射呈高阻状态,A点电位降低。
3、电子开关电路由开关集成电路TWH8751和直流继电器K组成。
开关集成电路TWH8751介绍:TWH8751功率开关集成电路采用TOP-220封装形式,内电路由输入级,缓冲放大器和达林顿功率输出级组成,并设有反馈环路和减流型输出保护电路,通用性强。
共有5个引出脚,从左至右有五个引脚,1脚:IN输入端;2:ST选通;3:GND电源地;4:OUT输出端;5:VDD电源端(电压范围6~24V)。
在3脚和4脚的内部是一个达林顿电子开关,这个开关导通和截止由1脚(2脚)来控制的。
当1脚为高电平时,开关就闭合,否则开关就断开。
当1脚固定为高电平,2脚为高电平时,内部电子开关就断开;2脚为低电平时(≤1.2V),内部电子开关就闭合。
内部达林顿电子开关闭合时,电流只能单方向从4脚向3脚流动。
白天A点高电平通过R2到达IC的2脚,输出端4脚为高电平,其内部的电子开关处于截止状态,继电器K不吸合,路灯EL不亮。
夜晚A点低电平通过R2到达IC的2脚,其内部的电子开关接通,输出端4脚为低电平,继电器K吸合,其动合触点K-1闭合,EL通电发光。
R2、C2为干扰脉冲吸收电路,可消除夜间短暂光线对电路的影响。
二、元器件选择R1(10k)和R2(22k)R3(560)选用1/4W金属膜电阻器或碳膜电阻器。
RP(100k)选用3296W多圈精密可调电阻。
一、实验目的1. 熟悉路灯控制系统的基本原理和安装流程。
2. 掌握光敏电阻、继电器等元器件在路灯控制系统中的应用。
3. 提高动手实践能力,学会独立完成路灯控制系统的安装与调试。
二、实验原理路灯控制系统通过光敏电阻感知环境光线强度,当光线强度低于设定阈值时,系统自动开启路灯;当光线强度高于设定阈值时,系统自动关闭路灯。
本实验采用光敏电阻作为光强传感器,通过继电器控制路灯的开关。
三、实验器材1. 光敏电阻2. 继电器3. 路灯4. 电源5. 连接线6. 开关7. 滑动变阻器8. 电路板四、实验步骤1. 搭建电路:- 将光敏电阻、继电器、路灯、电源、开关、滑动变阻器等元器件按照电路图连接。
- 光敏电阻的一端连接到电源正极,另一端连接到继电器的输入端。
- 继电器的输出端连接到路灯的正极,路灯的负极连接到电源负极。
- 滑动变阻器连接在光敏电阻与继电器输入端之间,用于调节亮度触发点。
2. 调试电路:- 将电路板放置在实验台上,确保所有连接正确无误。
- 打开电源,观察光敏电阻和继电器的工作状态。
- 调节滑动变阻器,观察路灯的开关情况,直至达到预期效果。
3. 测试与验证:- 在白天和晚上分别测试路灯的开关情况,确保系统在光线变化时能自动控制路灯的开关。
- 调节滑动变阻器,观察路灯亮度的变化,确保亮度触发点设置合理。
五、实验结果与分析1. 实验成功搭建了路灯控制系统,实现了光线强度低于设定阈值时自动开启路灯,高于设定阈值时自动关闭路灯的功能。
2. 通过调节滑动变阻器,可以方便地调整亮度触发点,满足不同环境下的照明需求。
3. 实验过程中,所有元器件工作正常,电路连接牢固,系统稳定可靠。
六、实验总结1. 本实验使我们对路灯控制系统的基本原理和安装流程有了深入了解。
2. 通过动手实践,提高了我们的动手能力和独立解决问题的能力。
3. 在实验过程中,我们学会了如何使用光敏电阻、继电器等元器件,为今后进行相关实验奠定了基础。
《传感器》综合评估限时:90分钟总分:100分答题表小题6分,共53分)1.关于传感器,下列说法正确的是()A.光敏电阻和热敏电阻都是由半导体材料制成的B.金属材料不可以制成传感器C.传感器主要是通过感知电阻的变化来传递信号的D.以上说法都不正确2.电子秤使用的是()A.超声波传感器B.压力传感器C.温度传感器D.红外传感器3.在电梯门口放置一障碍物,会发现电梯门不停地开关,这是由于在电梯门上装有的传感器是()A.光传感器B.温度传感器C.声传感器D.压力传感器4.下列器件不是应用温度传感器的是()A.电熨斗B.话筒C.电饭锅D.测温仪5.对于常见的可燃气体浓度的检测,现在一般用催化燃烧检测器.它的原理如下:传感器的核心为一惠斯通电桥,其中一桥臂上有催化剂,当与可燃气体接触时,可燃气体在有催化剂的电桥上燃烧,该桥臂的电阻发生明显变化,其余桥臂的电阻不变化,从而引起整个电路的输出发生变化,而该变化与可燃气体的浓度成比例,从而实现对可燃气体的检测.由此可推断有催化剂的桥臂上的电阻材料为()A.铜B.合金C.半导体D.绝缘体6.如图所示,R T为金属热电阻,其他电阻都是普通的电阻,当灯泡L的亮度变暗时,说明()A.环境温度变高B.环境温度变低C.环境温度不变D.都有可能7.如图所示是一个路灯自动控制门电路.天黑了,路灯自动接通,天亮了,路灯自动熄灭.R G是光敏电阻(有光照射时,阻值会显著减小),R是分压电阻,J是路灯总开关控制继电器(路灯电路未画),虚线框内应安装的门电路是()A.“与”门电路B.“非”门电路C.“或”门电路D.前面三种电路都可以8.当前传感器被广泛应用于各种电器、电子产品之中,下述关于常用的几种家用电子器件所采用传感器说法中,正确的是() A.电视机对无线遥控信号的接收主要是采用了光电传感器B.电子体温计中主要是采用了温度传感器C.电脑所用的光电鼠标主要是采用声波传感器D.电子秤中主要是采用了力电传感器9.电吉他之所以能以其独特的魅力吸引众多的音乐爱好者,是因为它的每一根琴弦下面都安装了一种叫做“拾音器”的装置,能将琴弦的振动转化为电信号,电信号经扩音器放大,再经过扬声器就能播出优美的音乐.如右图是“拾音器”的结构示意图,多匝绕制的线圈置于永久磁铁与钢质的琴弦之间,当琴弦沿着线圈振动时,线圈中就会产生感应电流,关于感应电流以下说法正确的是()A.琴弦振动时,线圈中产生的感应电流是变化的B.琴弦振动时,线圈中产生的感应电流大小变化,方向不变C.琴弦振动时,线圈中产生的感应电流大小和方向都会发生变化D.琴弦振动时,线圈中产生的感应电流大小不变,方向变化答案1.A 2.B3.D当电梯门碰到人或其他障碍物时立即停止关门以防挤伤人,故为压力传感器.4.B5.C可燃气体燃烧后电阻发生变化,是由于温度升高造成的,所以此电阻应属于热敏电阻,而能够随温度变化其电阻有较明显变化的材料只可能是选项中的半导体材料,故选C.6.A灯泡L的亮度变暗,由P=I2R L可知电流变小,其他电阻不变,说明金属热电阻R T变大,环境温度变高,故A选项正确.7.B有光照时,R G变小,R两端电压增大,即输入的为高电势,而J上电压必须小继电器才不工作,路灯是不亮的,所以应为非门电路.8.BD电视机对无线遥控信号的接收采用了红外线传感器,电脑所用的光电鼠标主要采用了光传感器,所以A、C项错误.9.AC由题意及图可知,电吉他是利用振动的钢质琴弦使线圈切割磁感线而产生感应电流,再将该电流放大并与扩音器相连从而发出声音,属于法拉第电磁感应现象.因琴弦在振动时速度的大小和方向均变化,故感应电流不是恒定的,故A、C正确.———————————————————————————10.如图是自动调温式电熨斗,下列说法正确的是()A.常温工作时上下触点是接触的B.双金属片温度升高时,上金属片形变较大,双金属片将向下弯曲C.原来温度控制在80 ℃断开电源,现要求60 ℃断开电源,应使调温旋钮下调一些D.由熨烫丝绸衣物状态转化为熨烫棉麻衣物状态,应使调温旋钮下移一些二、填空题(共12分)11.有自动控制功能的蔬菜大棚,要靠传感器感知作物生长所需的各种信息.下图为蔬菜大棚内信息采集与自动控制示意图.试结合图上信息,分析讨论:(1)在种植蔬菜大棚中要用到________、________、________、________等传感器.(2)为了控制大棚中的蔬菜的生长条件,还需要调节光照的遮阳棚,调整温度的________装置与________装置,调整湿度的通风装置和________,调整________的自动排气装置等设施与传感器配合使用.12.电饭煲的工作原理如图所示,可分为两部分,即控制部分,由S2、R1和黄灯组成;工作(加热)部分,由发热电阻R3、R2和红灯组成,S1是一个磁钢限温开关,手动闭合,当此开关的温度达到居里点(103 ℃)时,自动断开,且不能自动复位(闭合),S2是一个双金属片自动开关,当温度达到70 ℃~80 ℃时,自动断开,低于70 ℃时,自动闭合,红灯、黄灯是指示灯,通过其电流必须较小,所以R1、R2起________作用,R3是发热电阻,由于煮饭前温度低于70 ℃,所以S2是________(填“断开的”或“闭合的”).接通电源并按下S1后,黄灯熄而红灯亮,R3发热,当温度达到70 ℃~80 ℃时,S2断开,当温度达到103 ℃时饭熟,S1断开,当温度降到70 ℃以下时,S2闭合,电饭煲处于保温状态,由以上描述可知R2________R3(填“<”、“=”、“>”),若用电饭煲烧水时,直到水被烧干S1才会断开,试解释此现象.答案10.ABD常温工作时,上下触点是接通的,当温度升高时,上层金属片形变大,向下弯曲,切断电源.温度要升高则应使调温旋钮下移一些,A、B、D对,C错.11.(1)光敏传感器湿度传感器温度传感器浓度传感器(2)加热通风喷淋器二氧化碳浓度解析:(1)在蔬菜大棚中要用到检测光照的光敏传感器;检测温度的温度传感器;检测空气湿度和土壤湿度的湿度传感器;检测二氧化碳浓度的二氧化碳浓度传感器等.(2)配套设施有:调节光照的遮阳棚,调整温度的加热装置与通风装置,调整湿度的通风装置和喷淋器,调整二氧化碳浓度的自动排气装置.12.限流闭合的>由于开关S1必须当温度达到103 ℃时才自动断开,而水的沸点只有100 ℃,因此用电饭煲烧水时,直到水被烧干后S1才会断开.解析:R1、R2起的作用是限流,防止指示灯(氖泡)因电流过大而烧毁,S2是自动控制温度开关,当温度低于70 ℃时自动闭合,当温度高于70 ℃~80 ℃时又自动断开,使电饭煲处于保温状态,由于R3的功率较大,因此R2>R3.由于开关S1必须当温度达到103 ℃时才自动断开,而水的沸点只有100 ℃,因此用电饭煲烧水时,直到水被烧干后S1才会断开.———————————————————————————13.如图(a)是汽车过桥时对不同类型桥面压力变化的实验.采用DIS方法对模型进行测量,其结果如图(b)中电脑屏幕所示.(1)图(a)中的传感器为________传感器;(2)图(a)中甲、乙、丙分别为三种不同类型的桥面.对于凸形桥甲,其相对应的压力图线应是图(b)电脑屏幕上的________(填a、b 或c);(3)如增大小球在斜槽上的高度,则在图(b)中大致画出小球通过凸形桥甲时的压力图线.三、计算、论述题(共35分)14.如图所示为一监测锅炉内的压力大小的报警器,在压力小于某个安全值时,绿灯常亮.当压力超过安全值时,红灯亮、电铃响而报警.试说明其工作原理.15.图(甲)为某同学研究自感现象的实验电路图,用电流传感器显示各时刻通过线圈L的电流.电路中电灯的电阻R1=6.0 Ω,定值电阻R=2.0 Ω,AB间电压U=6.0 V.开关S原来闭合,电路处于稳定状态,在t1=1.0×10-3 s时刻断开开关S,此时刻前后电流传感器显示的电流随时间变化的图线如图(乙)所示.(1)求出线圈L的直流电阻R L;(2)指出图(甲)中断开开关后通过电灯的电流方向;(3)在t2=1.6×10-3s时刻线圈L中的感应电动势的大小是多少?答案13.(1)力电(2)c(3)图略解析:该传感器把力信号转化为电信号,属于力电传感器;小球经过凸形桥甲的最高点时,压力小于重量,其相对应的压力图线应是电脑屏幕上的c;增大小球在斜槽上的高度,小球经凸形桥甲的最高点时压力更小,其图线与c相比较,最低点更低一点.本题的要求不高,但具有时代气息,物理的学习也必须跟上时代的要求,这既是新课标的要求,也是物理学自身发展的需要,在平时的学习中,要注意对新情景问题的研究,提高分析处理实际问题的能力.14.当锅炉内压力超过安全值时,活塞推动金属片使1、2触点连接,电磁铁通电把衔铁吸下来,使3、5点接通,红灯亮,铃响,从而起到报警作用.15.(1)2 Ω(2)电流方向向左(3)3.0 V解析:(1)由图读出,开始时流过电感线圈L的电流I0=1.5 A由欧姆定律I0=UR L+R,解得R L=UI0-R=2 Ω.(2)电流方向向左.(3)由图读出,t2=1.6×10-3 s时刻线圈L的电流I=0.30 A线圈L此时是一个电源,由全电路欧姆定律E=I(R L+R+R1),得E=3.0 V. ———————————————————————————如图所示是一种悬球式加速度仪,它可以用来测定沿水平轨道运动的列车的加速度.金属球的质量为m,它系在金属丝的下端,金属丝的上端悬挂在O点,AB是一根长为L的均匀电阻丝,其阻值为R,金属丝与电阻丝接触良好,摩擦不计,电阻丝的中心C焊接一根导线,从O点也引出一根导线,两线之间接入一个电压表(金属丝和导线电阻不计).图中虚线OC与AB垂直,且OC=h,电阻丝AB 接在电压为U的直流稳压电源上,整个装置固定在列车中使AB与车前进的方向保持水平.列车静止时金属丝呈竖直状态,当列车加速或减速前进时,金属丝将偏离竖直方向,从电压表的读数变化可以测出加速度的大小.(1)当列车向右做匀加速直线运动时,试推导出加速度a与电压表读数U′的关系式(a用U′、U、L、h及重力加速度g等表示);(2)用推导出的a与U′的关系式说明表盘上a的刻度是否均匀?(3)C点设置在电阻丝AB中点的原因是什么?对电压表的选择应有什么特殊要求?有一种测量压力的电子秤,其原理如图所示.E是内阻不计、电动势为6 V的电源.R0是一个阻值为300 Ω的限流电阻.G是由理想电流表改装成的指针式测力显示器.R是一个压敏电阻,其阻值可随压力大小变化而改变,其关系如下表所示.C是一个用来保护显示器的电容器.秤台的重力忽略不计.试分析:(2)若电容器的耐压值为5 V,该电子秤的最大称量值为多少?(3)如果把电流表中电流的刻度变换成压力刻度,则该测力显示器的刻度是否均匀?答案16.(1)a =U ′Lg Uh (2)是均匀的 (3)原因是列车可能加速运动也可能减速运动;所选择的电压表中间刻度应为零解析:(1)设列车加速度为a 时,小球偏离竖直方向θ角,此时小球受力情况如图所示,根据牛顿第二定律得mg tan θ=ma .①因为tan θ=DC h ②由①②两式得a =DC h g ③又设列车加速度为a 时,电压表读数为U ′U ′U =R DC R AB =DC L ④由④式得DC =U ′L U ⑤将⑤式代入③式得a =U ′Lg Uh .⑥(2)由⑥式可知,g 、L 、U 、h 均为常数,则列车加速度a 与电压表读数U′成正比,可将电压表中刻度一一对应地改成加速度a的数值,因而可知表盘上加速度a的刻度与电压表的刻度一样,是均匀的.(3)原因是列车可能加速运动也可能减速运动(加速度方向随之变化);所选择的电压表中间刻度应为零.17.(1)R=(300-0.4F) Ω(2)600 N(3)不均匀解析:(1)由表中数据可知,K=ΔRΔF=20 Ω50 N=0.4 Ω/N所以电阻R随压力F变化的函数表达式为R=(300-0.4F) Ω(2)R上受到的压力越大,R的阻值越小,电容器两极板电压越大,但不能超过5 V,所以5 V R0=6 VR+R0解得R=60 Ω又因为R=(300-0.4F) Ω得F=600 N(3)电流表中的电流I=ER0+R=E600-0.4F,电流I与压力F不是线性关系,则该测力显示器的刻度不均匀.。
1光控开关CDGK-18系列光控开关额定冲击耐受电压Uimp:2500VCDGK -18110V ~240VCD GK光控开关CDGK-18采用塑料外壳35mm 导轨安装方式,可方便安装于控制柜内.100V ~240V8单位:(mm)UnUn RRIN IN CDGK-18CDGK-18外形尺寸接线图控制逻辑图CDGK安装在控制柜内或路灯的电线杆的基座内,感光探头应能接收到自然光的照射。
CDGK 开关拨至〝O N 〞时灯常亮〝O F F 〞时灯长灭;〝A U T O 〞时依据光亮情况自动接通或关断控制负载,S B 开关只有在〝A U T O 〞状态时有效,灯亮时按下SB 开关灯立即熄灭,松开SB 开关灯亮。
;SB负载面板上的旋钮是调节感光灵敏度的,可顺时与逆时针调节,逆时针调节路灯开的早,关的晚;顺时针调节路灯开的晚,关的早;当旋钮调至当前光亮强度控制点时,R 指示灯闪亮,延时2分钟开灯。
电源指示运行指示开关感光度调节自动亮暗面板说明负载类型及功率德力西集团有限公司2.2 电路中装有延时电路,具有防止偶然间的闪电或手电筒、汽车及其它灯光照射光电头,落叶短暂遮挡光电头产生误动作的抗干扰能力。
2.3 工作原理概述:路灯自动开关由光电转换装置即光电头及集成电路,电子元件,执行继电器构成。
白天光照较强,光敏件阻值减小,继电器处于释放状态,当夜晚光照减弱,光敏电阻值增大继电器吸合路灯亮,直到次日晨,光照加强集成触发器自动再次动作,路灯灭。
地址: 浙江省乐清市柳市镇站东路155号 邮编: 325604电话: (86-577)6177 8888传真: (86-577)6177 8000客服热线: 400-826-8008本使用说明书自2024年06月 第二版生产厂:。
一、实验目的1. 理解光控路灯的工作原理。
2. 掌握光控电路的设计与搭建方法。
3. 体验光控技术在实际应用中的节能效果。
二、实验原理光控路灯是一种根据环境光线强度自动控制路灯亮度的照明设备。
其基本原理是利用光敏电阻(或光敏二极管)检测环境光线强度,当光线强度低于设定阈值时,路灯自动开启;当光线强度高于设定阈值时,路灯自动关闭。
光控路灯系统主要由光敏电阻、放大电路、比较电路、执行电路等组成。
三、实验仪器与材料1. 光敏电阻2. 运放IC(如LM358)3. 继电器4. 电阻、电容5. 电源6. 路灯7. 电路板8. 万用表四、实验步骤1. 设计光控电路根据实验要求,设计光控电路原理图。
光控电路主要由光敏电阻、运放IC、比较电路、执行电路等组成。
2. 搭建光控电路根据原理图,在电路板上搭建光控电路。
首先,将光敏电阻与运放IC的输入端相连,再将运放IC的输出端与比较电路相连。
比较电路用于将光敏电阻检测到的光线强度与设定阈值进行比较,当光线强度低于阈值时,比较电路输出高电平,点亮路灯;当光线强度高于阈值时,比较电路输出低电平,熄灭路灯。
3. 调试光控电路使用万用表测量光敏电阻在不同光线强度下的阻值,并根据实验要求设定阈值。
调整比较电路中的电阻和电容,使比较电路在光线强度低于阈值时输出高电平,在光线强度高于阈值时输出低电平。
4. 测试光控路灯将搭建好的光控电路与路灯连接,并接通电源。
观察路灯在不同光线强度下的开关情况,验证光控路灯的工作原理。
五、实验结果与分析1. 实验结果通过实验,成功搭建了光控路灯电路,并实现了路灯的自动开关。
在光线强度低于阈值时,路灯自动点亮;在光线强度高于阈值时,路灯自动熄灭。
2. 实验分析本实验成功验证了光控路灯的工作原理。
光控电路通过光敏电阻检测环境光线强度,并根据设定阈值自动控制路灯的开关。
光控路灯具有以下优点:- 节能:光控路灯在光线充足时自动熄灭,避免浪费电能。
- 环保:光控路灯可根据实际需要调整亮度,降低能耗,减少对环境的影响。