卷绕机说明书中文版
- 格式:pdf
- 大小:10.26 MB
- 文档页数:271
操作图示核准:审核:2013年11月26日制表:周俊杰1.开启控制箱电源开关,指示亮2.依照《设备点检保养记录表》点检机器且在表 单项目中记录相应点检结果3.检查各齿轮,链条的润滑状况是否良好,检查 皮带有无断裂,检查放线张力架状态,检查各 导轮状况是否良好,有无破损或运转不灵活现 象4.依工单及工程图纸设计要求装上规格相符的芯 线和缠绕铜线,将每根铜丝均匀分布于布线器 上的线槽中5.装好收线轴,更换相匹配的节距齿轮,用一根 引线从主机上方布线器中心穿入主机内,将引 线绕过导轮固定在收线轴上6.选择适当的眼模,将所有缠绕铜丝扭成一股穿 过眼模接在引线上,固定眼模,开启主机慢慢 运转,确认缠绕铜丝分布是否均匀,各股铜丝 张力是否一致性,调整好后将芯线线头经过导 轮拉下插入眼模孔,调整好芯线张力7.缠绕出大约5~10米线后停机检验芯线缠绕效 果怎样,如不好需进步调整铜丝张力和布线均 匀性,必要时知会工程是否更改节距8.如缠绕效果OK时,将引线和调机不良线拉出, 将缠绕良品线绕在收线轴上并固定好9.关好主机门,启动主机量产;作业员需认真填 写《首件检验记录表》和《生产日报表》并留 取首件检验品给品保确认10.缠绕好的线用PE膜包好,贴上标签卸下放到 指定存放点(标签上需注明品名规格,数量, 日期及生产人姓名)11.完单后需卸下放线架上未用完的铜线,芯线 和机台上的空轴并放到指定地点;未用完的芯 线和铜丝需用PE膜包好并贴上相应的标签,卸 下模具归还模具室12.清理机台内外杂物及油污,清扫周边环境13.关闭主机电源开关 缠绕机台操作说明书操作说明图片说明文件编号:SOP-SD-002版本:A0页次:1/1检查各齿轮状况检查皮带状况检查放线张力架状况检查各导轮状况,打开电源总装好铜线,芯线装眼模,布线,穿线开启机台量产关闭电源总闸 装收线轴,换绞距拆下铜线,空轴,眼模,清扫,清洁缠绕机 电源总闸 指示灯 控制箱 皮带 放线张力架 缠绕铜丝 收线导轮 收线轴固定销 轴线轴锁紧螺丝 绞距齿轮 绞距表 芯线轴锁紧螺丝,张力皮带 收线轴固定保险卡销 布线排位器启动 调速开关 装收线轴 导轮 张力皮带 锁紧螺丝。
摘 要本次毕业设计是关于金属蜂窝载体卷绕机的机械结构设计、主要零件的力分析、 完成卷绕机三维建模及仿真,运动控制系统的设计等工作。
研究内容涉及一种具有多 个基本上互相平行的通道蜂窝结构,所述蜂窝结构包括至少局部形成有结构的薄板的 至少一个层和一个壳体。
此外还涉及一种用于制造这种蜂窝结构的方法。
这种蜂窝结 构优选用作用于对汽车内燃机的废气进行处理的部件。
本次设计提出一种金属蜂窝卷 绕机,目的在于自动卷绕金属蜂窝,取代人工卷绕,提高产品质量及劳动效率。
伴随 着社会车辆不断的增加,尾气排放的净化还待进一步的提高,本次设计的蜂窝卷绕机 可满足基本的尾气净化。
控制采用单片机的控制,可实现自动化的生产,对卷绕机的 出料进行了设计,使得出料可实现自动。
关键词:金属蜂窝,载体,卷绕机ABSTRACTThe graduation design is about the transportation and steering system design, the main task is to design the chain conveyor and steering device. Topics include the following content:The research content deals with a basically parallel to each other with multiple channels of cellular structure, the cellular structure of including at least partial form a structure of sheet of at least a layer and a shell. In addition, it also involves a used to make this cellular structure method. The cellular structure optimization for the internal combustion engine used car waste gas processing components.This design presents a metal honeycomb winding machine, the purpose is to be automatic winding metal honeycomb, replace artificial winding, improve product quality and work efficiency. This topic research for improving students' ability of engineering, expand the living space has a very important significance, and for the future of the metal honeycomb deep research do a the preparation work, has the important social significance.Key words: Metal Cellular, Carrier, Winding Machine目 录1 绪论 (1)1.1 金属蜂窝载体概述 (1)1.2 金属蜂窝载体行业背景及发展历史 (1)1.3 金属蜂窝载体的应用 (3)1.4金属蜂窝结构模型 (8)2 金属蜂窝载体的生产工艺及设备 (9)2.1 金属蜂窝载体的生产工艺 (9)2.2 金属蜂窝载体的生产设备 (11)3 金属蜂窝卷绕机方案及计算 (14)3.1金属蜂窝卷绕机夹持装置 (15)3.2金属蜂窝卷绕机卷绕装置 (16)3.3金属蜂窝卷绕机的结构参数 (21)4金属蜂窝卷绕机的控制 (26)4.1电源模块 (26)4.2最小控制系统 (29)4.3伺服电机系统 (32)5.金属蜂窝卷绕机总体尺寸设计 (36)结 论 (37)参考文献 (38)致 谢 (39)1 绪论近几十年来,人们仍然关注污染环境的排放,并继续推广电动汽车,混合动力和 燃料电池汽车和低排放或零排放汽车技术创新。
目录一:拉伸薄膜缠绕包装机⋯⋯⋯⋯⋯⋯2二:主要技术参数⋯⋯⋯ ⋯⋯⋯⋯2三:产品保修⋯⋯⋯⋯⋯⋯3四:拆箱、安装、调试⋯⋯⋯⋯⋯⋯3五:控制板操作说明⋯⋯⋯⋯⋯⋯5六:设备维护⋯⋯⋯⋯⋯⋯7七:使用⋯⋯⋯⋯⋯⋯9八:功能使用及其它⋯⋯⋯⋯⋯⋯98-1、记数误差108-2、光电开关的使用108-3、薄膜操作简图118-4、预拉伸薄膜导出118-5、可移动限位块118-6、薄膜拉伸12九:使用安全⋯⋯⋯⋯⋯⋯13附设备可能出现的故障及排除方法电气原理图一:拉伸薄膜缠绕包装机1.拉伸薄膜缠绕包装机是以 LLDPE 拉伸薄膜为包装材料,对多种货物进行裹包的专业包装机器。
2.使用我公司出品的系列薄膜缠绕拉伸包装机器,可以降低包装成本,方便存储与运输,易于对包装材料(薄膜)进行回收,减少环境污染。
这是一种现今较普遍流行的绿色运输包装方式之一。
3.这种包装方式已经广泛应用于玻璃制造业、纸业、化工业、机械制造业、食品业等各种不同行业,特别是在出口贸易货物运输中的集装箱已经得到广泛的应用。
4.我公司出品全面的拉伸薄膜裹包机,除托盘基本型外,还出品圆筒纸/帘子布型,线缆型,水平型、圆筒径向包装等多种机型。
另外我们还出品牛皮纸、珍珠棉、普通 PE 膜等裹包机,如有需要请向我们的销售部门索取更详尽的说明和资料。
二:主要技术参数1.包装规格 :型号最大货高(mm)最大托板尺寸(mm)TP1650F-L20001200 ╳ 12002.承重:≤ 2000 kg3.使用包装材料:材料宽度厚度膜卷内芯孔膜卷外径LLDPE拉伸膜500 mm17-35 μm76.2mm(3英吋)≤ 280 mm 4.工作电源: AC220V/50HZ 20A -1p 。
务必使用单独固定电源,严禁使用临时线或与其他设备合用电源,电压不得低于200V ,或高于250V,接线时请核对火线零线和地线(因电源不正确引起的电气损坏和其他损坏不在保修之列)。
卷绕机安全操作及保养规程前言卷绕机(以下简称“机器”)是一种广泛应用于各种卷绕领域的设备,包括纸张、塑料薄膜、金属箔等等。
但正如其他各种机器一样,每年也有许多人因操作不当而导致意外伤害或事故。
因此,本文旨在提供有关卷绕机安全操作和保养的规程,以保证工作人员在使用该机器时的安全性和机器的长期使用寿命。
安装及设置安装位置机器应放置在离墙壁和其他障碍物至少2.5米(8英尺)的空间内。
这将确保机器可以适当地运转,并防止伤害和损害。
同时,机器应放置在防滑、平整的表面上,以确保安全作业。
电源连接在将机器连接到电源之前,请确认一下以下信息:•电压与机器匹配•电线和插头都是符合电气安全标准的•所有电气工作都应由合格电工进行开始操作之前在开始使用卷绕机之前,务必确认以下几点:•机器不会受到任何损坏或破解且安装妥当•所有保护设备,如安全门、栏杆以及其他重要附件,都已正确安装•操作人员已接受过相关的培训,了解如何使用和操作机器,并熟悉使用手册。
操作规程预约操作在使用机器之前,应规定一位经验丰富的操作人员完成所有操作。
在保证一个人持续操作单元的同时,应使用監控技术,在不影响正常生产的情况下,監控单元的运行。
遵循相关手册在操作机器之前,一定要阅读并了解相关的手册和使用手册。
在整个操作过程中,各项操作步骤都需要依据它们执行,以免造成不可逆转的损失。
安全保护操作人员应确保所有安全附件和保护设备都已正常安装。
在操作过程中,不允许打开任何防护门。
如果必须多次以及频繁地打开它们,则需要更加仔细地检查机器是否能够正常运行。
机器清洁在操作过程中,不允许使用手或脚直接接触机器。
尤其是在需改变机器的朝向时,不能使用任何力量直接去推或拉机器。
在操作过程中严禁使用水管或清洁剂来清理机器。
维护点检要定期检查伸缩杆、轴承和链条是否需要润滑剂及机器是否存在故障或损伤,并及时采取措施加以修复。
同时,定期对机器进行维护和点检,以确保机器的正常运转和操作人员的安全。
摘要卷扬机又称绞车。
是起重垂直运输机械的重要组成部分,配合井架、桅杆、滑轮组等辅助设备,用来提升物料、安装设备等作业,由人力或机械动力驱动卷筒、卷绕绳索来完成牵引工作的装置。
垂直提升、水平或倾斜曳引重物的简单起重机械。
分手动和电动两种。
现在以电动卷扬机为主。
本次设计的5吨电动卷扬机是由电动机、连轴器、制动器、减速器、卷筒、导向滑轮、起升滑轮组、吊钩等组成。
本次设计的步骤是从钢丝绳开始入手,然后依次对卷扬机的卷筒、卷筒心轴、电动机、减速器齿轮、减速器轴、制动器、联轴器以及卷筒机的导向滑轮设计与选取。
其中卷筒、卷筒轴、卷筒毂、减速器的设计最为主要,本设计重点做了介绍,其余部分有得只是略作分析。
本次设计的卷筒机由于它结构简单、搬运安装灵活、操作方便、维护保养简单、对作业环境适应能力强等特点,可以应用于冶金起重、建筑、水利作业等方面,但是此次设计的卷筒机主要运用于用于5吨桥式吊车起升机构。
提升重物是卷扬机的一种主要功能,各类卷扬机的设计都是根据这一要求为依据的。
关键词:卷扬机,卷筒,卷筒轴,减速器第一章绪论1.2卷扬机的常见类型:常见的卷扬机吨位有:0.3T卷扬机 0.5T卷扬机 1T卷扬机 1.5T卷扬机 2T卷扬机 3T 卷扬机 5T卷扬机 6T卷扬机 8T卷扬机 10T卷扬机 15T卷扬机 20T卷扬机 25T卷扬机 30T 卷扬机。
从是否符合国家标准的角度:卷扬机可分为国标卷扬机、非标卷扬机常见卷扬机型号有1、JK0.5-JK5单卷筒快速卷扬机2、JK0.5-JK12.5单卷筒慢速卷扬机3、JKL1.6-JKL5溜放型快速卷扬机4、JML5、JML6、JML10溜放型打桩用卷扬机5、2JK2-2JML10双卷筒卷扬机6、JT800、JT700型防爆提升卷扬机7、JK0.3-JK15 电控卷扬机9、非标卷扬机其中Jk表示快速卷扬机,jm表示慢速卷扬机,jt表示防爆卷扬机,单卷筒表示一个卷筒容纳钢丝绳,双卷筒表示两个卷筒容纳钢丝绳。
1.0目的:为了延长机器使用寿命,正确使用卷绕机,避免各类事故的发生,特制定此规范。
2.0适用范围:本公司所有卷绕机操作人员。
3.0相关文件和资料:无。
4.0职责:4.1机电科负责设备的大、中、小修及定期维护保养工作;4.2生产科负责设备的操作和日常维护保养工作。
5.0工作原理:5.1通过活动卷针和转动卷针将极片压紧并翻转使正负极片及隔膜按一定的顺序卷绕起来;5.2卷绕完毕后并用胶水将末端粘结。
6.0 开机前的准备:6.1清洁台面,放置好要卷绕的极片以及粘结胶水;6.2踩下脚踏开关,看电机运行声音及转轴是否正常;6.3检查卷针是否变形是否有锋边并将活动卷针插入转轴开口中,看配合是否良好;7.0 开机操作:7.1插上插头,打开电源开关;7.2踩动脚踏开关,隔膜纸卷绕半圈后,将负极朝上(刮片处朝下),然后将隔膜纸折对齐;7.3放正极片于隔膜纸正中位置转动半圈,再放入负极片;7.4卷绕结束后,将末端用胶水粘好;7.5 将活动卷针及成品一起从转动卷针上取出,再将活动卷针从成品中轻轻取出即可。
8.0 停机操作:8.1 关闭电源;8.2清洁桌面,摆放好桌面物品。
9.0 日常维护保养:9.1经常检查电机转动时声音是否正常;9.2每次使用时应检查卷针变形情况;9.4检查电路各接线,如有外漏,应及时报机修,尤其是桌面下方电容接线部分,同时要保证接地良好。
10.0定期维护保养10.1检查电气系统是否完好,周期为1个月;10.2检查电机是否完好,周期为1个月;10.3检查脚踏开关是否完好,周期为1个月;10.4检查连接螺丝是否松动,周期为1个月;10.5检查紧固螺丝是否损坏,周期为1个月;10.6各润滑点加相应的润滑剂,周期为1个月;10.7检查地线是否良好,周期为1个月.11.0注意事项:11.1停止使用时应切断电源;11.2发现声音异常应及时检修,以免损坏电机;11.3安装的卷针不应变形及有锋边,以免割破极片或卷绕不齐。
自动薄膜缠绕机使用说明书目录一、设备名称及型号介绍 (1)二、整机参数设备概述及应用领域 (1)三、设备工作原理介绍 (1)四、工作站位置说明 (1)五、设备性能参数 (2)六、设备安全注意事项 (3)七、设备安装及调试 (3)八、机器操作 (8)1) 装膜操作步骤 (8)2) 控制面板 (9)3) 人机界面操作说明 (10)九、维护保养 (13)十、维修说明 (14)十一、常见故障及排除 (15)十二、图纸资料 (16)1) 设备总组立图 (16)2)底座单元组立图 (18)3)立柱单元组立图 (19)4)膜架单元组立图(预拉型) (20)一、设备名称及型号介绍:设备名称:自动薄膜缠绕机设备型号:SM-1517R二、设备概述及应用领域:该机器采用PLC控制,选购电气件为世界品品牌产品,日本“松下”、韩国“LG”、法国“施耐德”等,该机器设计合理,动作协调,可靠性高,并且使用方便,能提高生产效率,又能防止货物在搬运过程中损坏,并起到防尘、防潮及保洁作用;应用范围广,适用于化纤、烟草、制药、出版、、制冷、家电、陶瓷、五金、化工、制罐等行业。
三、设备工作原理介绍:被缠绕物体放置于转盘中央处,首先转盘电机转动,带动转盘转动,使物体实现外周方向的缠绕,同时升降电机转动,带动升降组合体做上下运动,使物体实现高度方向的缠绕。
四、、工作站位置说明(参见图1-1)工作时,操作人员站立于机器操作面板前方五、设备性能参数六、设备安全注意事项1、请确认机器所使用的电源,勿插错电源,本机采用单相AC220V,双色线为接地线,起保护接作用2、机器运转时,严禁将脚踏在机器上面3、不允许在松软的场地安装该机器4、不允许将需缠绕的物体放在转盘边缘5、紧急情况时,可按急停开关,断开电机电源,使机器紧急停转6、完成当日工作后,应请洁机器一次7、为保证安全,请不要随意拆开电气设备8、只有电气技术人员才能对电器设备进行检修七、设备安装及调试1、制造日期:见合格证2、装卸、安装、搬运及储存条件2.1 机器结构及主要部件图(附图)膜架立柱转盘底盘2.2 装卸缠绕机出厂时,拆分成三个部件:底座及转盘、立柱、升降体。
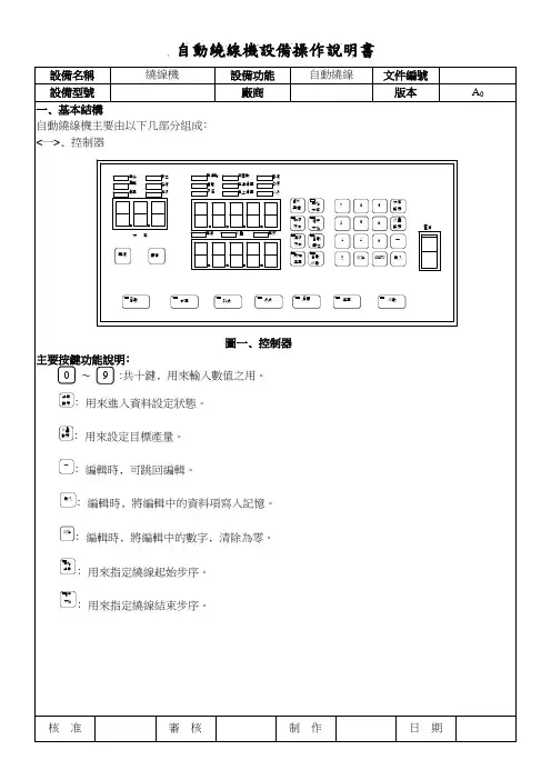
第 1 页共2页仪器名称绕线机仪器功能绕线文件编号
仪器型号WK-20 厂商广州成汉版本
1 2
3
一﹑按钮开关说明﹕
1、显示器
2、夹嘴
3、按键面板
核准审核制作日期
第 2 页共2页仪器名称绕线机仪器功能绕线文件编号
仪器型号WK-20 厂商广州成汉版本
二﹑操作步骤﹕
1﹑打开绕线机电源开关。
2﹑设置机器。
A﹑设置绕线圈数:
按产品设置按键→移动光标至(T)→设置产品绕线圈数(T)→设置刹车时间(t) →
B、恢复出厂状态模式:请注意使用此功能!!!
此模式用于清除存储器内所有设置数据,即机器恢复为出厂时的数据状态。
清空后,系统将在1号产品内放置一套默认的产品数据作为当前产品。
C、机器参数设置模式:
用户可根据自己的需求对控制系统进行个性化设置,设置方法只需按“转换”键在“Y”
(yes)与“N”(no)之间转换。
3.关机
产品绕线完成以后关闭电源。
三﹑注意事项
1﹑保持设备表面清洁﹐每天不定时对其表面进行抹擦。
2﹑如非必要﹐请勿打开设备门。
3﹑机器在转动时请勿将手放在转动处﹐应注意安全操作。
4﹑非相关专业技朮人员严禁修改仪器的各项参数设置。
5﹑本仪器的接入电压为220V。
6、气压规格0.45Mpa~0.68Mpa
核准审核制作日期。
TMT卷绕机参数设定1. 引言TMT卷绕机是一种用于将各种材料进行卷绕和包装的设备。
在使用TMT卷绕机之前,需要进行参数设定,以确保机器能够正常运行并达到预期的效果。
本文将详细介绍TMT卷绕机参数设定的要点和步骤。
2. 参数设定要点在进行TMT卷绕机参数设定时,需要注意以下几个要点:2.1 卷绕速度卷绕速度是指卷绕机每分钟完成一次完整的卷绕过程所需的时间。
在设置卷绕速度时,需要考虑到被包装材料的特性以及生产效率的要求。
过快的卷绕速度可能导致材料损坏或者不牢固,而过慢则会降低生产效率。
2.2 卷绕张力卷绕张力是指在包装材料上施加的拉力。
合适的卷绕张力能够确保包装材料牢固而紧密地包裹在一起,避免在运输和储存过程中出现松动或脱落。
不同类型的被包装材料对于卷绕张力的要求可能不同,因此需要根据具体情况进行调整。
2.3 卷绕层数卷绕层数是指在卷绕过程中包装材料的叠加层数。
合理的卷绕层数能够确保包装材料具有足够的强度和稳定性,防止在运输和储存过程中发生变形或破损。
需要根据被包装材料的特性和使用要求来确定合适的卷绕层数。
2.4 卷绕方向卷绕方向是指包装材料在卷绕过程中的旋转方向。
根据具体情况,可以选择顺时针或逆时针方向进行卷绕。
正确选择合适的卷绕方向能够确保包装材料紧密地固定在一起,提高包装质量。
2.5 其他参数除了以上几个要点外,还需要考虑其他一些参数,如初始位置、结束位置、停机时间等。
这些参数会对整个卷绕过程产生影响,需要根据具体情况进行设定。
3. 参数设定步骤进行TMT卷绕机参数设定时,可以按照以下步骤进行操作:3.1 确定被包装材料的特性首先需要了解被包装材料的特性,如材质、尺寸、重量等。
不同的材料可能对参数设定有不同的要求。
3.2 设置卷绕速度根据生产效率要求和被包装材料的特性,设定合适的卷绕速度。
可以进行试验和调整,直到达到最佳效果。
3.3 调整卷绕张力根据被包装材料的特性和使用要求,逐步调整卷绕张力。
服务手册Service BookACW5T 1380/12卷绕头Winder用户Customer项目Project订货Order编辑Edition /Inhaltsverzeichnis概要. . . . . . . . . . . . . . . . . . . . . . . . . . . . . . . . . . . . . . . . . . . . . . . . . . . . . . . . . . . . 11. 基本操作/设置. . . . . . . . . . . . . . . . . . . . . . . . . . . . . . . . . . . . . . . . . . . . . . . . . . 7 1.1 基本操作. . . . . . . . . . . . . . . . . . . . . . . . . . . . . . . . . . . . . . . . . . . . . . . . . . . . . . . . . . . . 9 1.1.1 概要. . . . . . . . . . . . . . . . . . . . . . . . . . . . . . . . . . . . . . . . . . . . . . . . . . . . . . . . . . . . . . . . . 9 1.1.2 装配组成. . . . . . . . . . . . . . . . . . . . . . . . . . . . . . . . . . . . . . . . . . . . . . . . . . . . . . . . . . . . 11 1.1.3 基本设置(技术数据). . . . . . . . . . . . . . . . . . . . . . . . . . . . . . . . . . . . . . . . . . . . . . . . . . 13 1.2 检查. . . . . . . . . . . . . . . . . . . . . . . . . . . . . . . . . . . . . . . . . . . . . . . . . . . . . . . . . . . . . . . . . 19 1.2.1 启动前的检查. . . . . . . . . . . . . . . . . . . . . . . . . . . . . . . . . . . . . . . . . . . . . . . . . . . . . . . . . 19 1.2.2 基本设置的检查. . . . . . . . . . . . . . . . . . . . . . . . . . . . . . . . . . . . . . . . . . . . . . . . . . . . . . . 19 1.2.3 安全开关的检查. . . . . . . . . . . . . . . . . . . . . . . . . . . . . . . . . . . . . . . . . . . . . . . . . . . . . . . 19 1.2.4 压缩空气. . . . . . . . . . . . . . . . . . . . . . . . . . . . . . . . . . . . . . . . . . . . . . . . . . . . . . . . . . . . . 19 1.2.5 冷却空气. . . . . . . . . . . . . . . . . . . . . . . . . . . . . . . . . . . . . . . . . . . . . . . . . . . . . . . . . . . . . . 19 1.2.6 压辊的缠丝检测器在原始位置. . . . . . . . . . . . . . . . . . . . . . . . . . . . . . . . . . . . . . . . . . 19 1.3 在长时间停车后的驱动. . . . . . . . . . . . . . . . . . . . . . . . . . . . . . . . . . . . . . . . . . . . . . . . . 21 1.3.1 概要. . . . . . . . . . . . . . . . . . . . . . . . . . . . . . . . . . . . . . . . . . . . . . . . . . . . . . . . . . . . . . . . . 21 1.3.2 在长时间停车后的重新操作. . . . . . . . . . . . . . . . . . . . . . . . . . . . . . . . . . . . . . . . . . . . 21 1.4 工艺参数的设定. . . . . . . . . . . . . . . . . . . . . . . . . . . . . . . . . . . . . . . . . . . . . . . . . . . . . . 23 1.4.1 概要. . . . . . . . . . . . . . . . . . . . . . . . . . . . . . . . . . . . . . . . . . . . . . . . . . . . . . . . . . . . . . . . 23 1.4.2 设定所要修改的工作. . . . . . . . . . . . . . . . . . . . . . . . . . . . . . . . . . . . . . . . . . . . . . . . . . . 23 1.5 不带丝的测试运行. . . . . . . . . . . . . . . . . . . . . . . . . . . . . . . . . . . . . . . . . . . . . . . . . . . . . 31 1.5.1 测试运行的条件. . . . . . . . . . . . . . . . . . . . . . . . . . . . . . . . . . . . . . . . . . . . . . . . . . . . . . . 31 1.5.2 安全装置的检查. . . . . . . . . . . . . . . . . . . . . . . . . . . . . . . . . . . . . . . . . . . . . . . . . . . . . . 31 1.5.3 测试运行前的视觉检查. . . . . . . . . . . . . . . . . . . . . . . . . . . . . . . . . . . . . . . . . . . . . . . . 31 1.5.4 不驱动时功能顺序的检查 . . . . . . . . . . . . . . . . . . . . . . . . . . . . . . . . . . . . . . . . . . . . . . 33 1.5.5 在驱动时功能顺序的检查. . . . . . . . . . . . . . . . . . . . . . . . . . . . . . . . . . . . . . . . . . . . . . 55 1.6 设备带丝测试运行. . . . . . . . . . . . . . . . . . . . . . . . . . . . . . . . . . . . . . . . . . . . . . . . . . . . . 83 1.6.1 产品参数的设置. . . . . . . . . . . . . . . . . . . . . . . . . . . . . . . . . . . . . . . . . . . . . . . . . . . . . 83 1.6.2 丝道的设置. . . . . . . . . . . . . . . . . . . . . . . . . . . . . . . . . . . . . . . . . . . . . . . . . . . . . . . . . . 83 1.6.3 生产最优化. . . . . . . . . . . . . . . . . . . . . . . . . . . . . . . . . . . . . . . . . . . . . . . . . . . . . . . . . 83 1.7 生产线的关停 . . . . . . . . . . . . . . . . . . . . . . . . . . . . . . . . . . . . . . . . . . . . . . . . . . . . . . . . . 85 1.7.1 概要. . . . . . . . . . . . . . . . . . . . . . . . . . . . . . . . . . . . . . . . . . . . . . . . . . . . . . . . . . . . . . 852. 培训资料"操作". . . . . . . . . . . . . . . . . . . . . . . . . . . . . . . . . . . . . . . . . . . . . . . . . 87 2.1 培训人员的注意事项 . . . . . . . . . . . . . . . . . . . . . . . . . . . . . . . . . . . .. . . . . . . . . . . . . . . . 89 2.1.1 概要. . . . . . . . . . . . . . . .. . . . . . . . . . . . . . . . . . . . . . . . . . . . . . . . . . . . . . . . . . . . . . . . . . 89 2.2 操作顺序. . . . . . . . . . . . . . . . . . . . . . . . . . . . . . . . . . . . . . . . . . . . . . . . . .. . . . . . . . . . . 91 2.2.1 各部分零件的功能描述. . . . . . . . . . . . . . . . . . . . . . . . . . . . . . . . . . . . . . . . . . . . . . . . . . 91 2.3 全负荷运转的卷绕头的管理说明. . .. . . . . . . . . . . . . . . . . . . . . . . . . . . . . . . . . . . . . . . . . 97 2.3.1 安全装置. . . . . . . . . . . . . . . . . . . . . . . .. . . . . . . . . . . . . . . . . . . . . . . . . . . . . . . . . . . . . 97 2.3.2 卷绕头的操作面板. . . . . . . . . . . . . . . . . . . . . . . . . . . . . . . . . . . . . . . . . . . . . . . . . . . . 99 2.3.3 按键的描述. . . . . . . . . . . . . . . . . . . . . . . . . . . . . . . . . . . . . . . . . . . . . . . . . . . . . . . . . . . 101 2.3.4 必要的检查. . . . . . . . . . . . .. . . . . . . . . . . . . . . . . . . . . . . . . . . . . . . . . . . . . . . . . . . . . 107 2.3.5 工作中卷绕头的管理. . . . . . . . . . . . . . . . . . . . . . . . . . . . . . . . .. . . . . . . . . . . . . . . . . . . . 107Inhaltsverzeichnis2.4 启动说明. . . . . . . . . . . . . . . . . . . . . . . . . . . . . . . . . . . . . . . . . . . . . . . . . . . . . . . . . . . . 109 2.4.1 电源中断后的启动. . . . . . . . . . . . . . . . . . . . . . . . . . . . . . . . . . . . . . . . . . . . . . . . . . . . . 109 2.4.2 电源没有断开时的启动. . . . . . . . . . . . . . . . . . . . . . . . . . . . . . . . . . . . . . . . . . . . . . 109 2.4.3 在机器急停或停位后的启动 . . . . . . . . . . . . . . . . . . . . . . . . . . . . . . . . . . . . . . . . . . . . 109 2.5 卷绕头操作 . . . . . . . . . . . . . . .. . . . . . . . . . . . . . . . . . . . . . . . . . . . . . . . . . . . . . . . . . . . . . . . . . . 111. . . . . . . . . . . . . . 111 2.5.1 操作位置-卷绕头. . . . . . . . . . . . . . . . . . . . . . . . . . . . . . . . . . . . . .2.5.2 卷绕头操作初次生头和自动模式. . . . . . . . . . . . . . . . . . . . . . . . . . . . . . . . . . . . . . . . 119 2.5.3 落筒模式. . . . . . . . . . . . . . . . . . . . . . . . . . . . . . . . . . . . . . . . . . . . . . . . . . . . . . . . . . . 143 2.6 关停的说明 . . . . . . . . . . . . . . . . . . . . . . . . . . . . . . . . . . . . . . . . . . . . . . . . . . . . . . . . . 145 2.6.1 用停位键停止. . . . . . . . . . . . . . . . . . . . . . . . . . . . . . . . . . . . . . . . . . . . . . . . . . . . . . . . 145 2.6.2 长时间的停车 . . . . . . . . . . . . . . . . . . . . . . . . . . . . . . . . . . . . . . . . . . . . . . . . . . . . . . . 145 2.7 维护工作的说明. . . . . . . . . . . . . . . . . . . . . . . . . . . . . . . . . . . . . . . . . . . . . . . . . . . . . . 147 2.7.1 概要. . . . . . . . . . . . . . . . . . . . . . . . . . . . . . . . . . . . . . . . . . . . . . . . . . . . . . . . . . . . . . . . 147 2.7.2 整体的视觉检查/噪音检查. . . . . . . . . . . . . . . . . . . . . . . . . . . . . . . . . . . . . . . . . . . . . 147 2.7.3 除去缠丝. . . . . . . . . . . . . . . . . . . . . . . . . . . . . . . . . . . . . . . . . . . . . . . . . . . . . . . . . . . . 149 2.7.4 卷绕头的清洁 . . . . . . . . . . . . . . . . . . . . . . . . . . . . . . . . . . . . . . . . . . . . . . . . . . . . . . . . 149 2.7.5 导丝器的更换. . . . . . . . . . . . . . . . . . . . . . . . . . . . . . . . . . . . . . . . . . . . . . . . . . . . . . . . 1492.8 设备的移交. . . . . . . . . . . . . . . . . . . . . . . . . . . . . . . . . . . . . . . . . . . . . . . . . . . . . . . . . . 1513. 操作故障. . . . . . . . . . . . . . . . . . . . . . . . . . . . . . . . . . . . . . . . . . . . . . . . . . . . . . 153 3.1 故障. . . . . . . . . . . . . . . . . . . . . . . . . . . . . . . . . . . . . . . . . . . . . . . . . . . . . . . . . . . . . 155 3.1.1 电路和气路的故障 . . . . . . . . . . . . . . . . . . . . . . . . . . . . . . . . . . . . . . . . . . . . . . . . . . . . . 155 3.1.2 机械故障. . . . . . . . . . . . . . . . . . . . . . . . . . . . . . . . . . . . . . . . . . . . . . . . . . . . . . . . . . . . . 155 3.1.3 卷绕顺序的故障. . . . . . . . . . . . . . . . . . . . . . . . . . . . . . . . . . . . . . . . . . . . . . . . . . . . . . 1633.1.4 由于临近开关和速度传感器引起的故障. . . . . . . . . . . . . . . . . . . . . . . . . . . . . . . . . . . 1754. 服务. . . . . . . . . . . . . . . . . . . . . . . . . . . . . . . . . . . . . . . . . . . . . . . . . . . . . . . . . . . 185 4.1 概要. . . . . . . . . . . . . . . . . . . . . . . . . . . . . . . . . . . . . . . . . . . . . . . . . . . . . . . . . . . . . . . . 187 4.1.1 人员培训. . . . . . . . . . . . . . . . . . . . . . . . . . . . . . . . . . . . . . . . . . . . . . . . . . . . . . . . . . . . . 187 4.1.2 在保养和维修工作中的安全预防. . . . . . . . . . . . . . . . . . . . . . . . . . . . . . . . . . . . . . . . 189 4.1.3 辅助装置. . . . . . . . . . . . . . . . . . . . . . . . . . . . . . . . . . . . . . . . . . . . . . . . . . . . . . . . . . . . . 189 4.2 备件. . . . . . . . . . . . . . . . . . . . . . . . . . . . . . . . . . . . . . . . . . . . . . . . . . . . . . . . . . . . . . . . 191 4.2.1 概要. . . . . . . . . . . . . . . . . . . . . . . . . . . . . . . . . . . . . . . . . . . . . . . . . . . . . . . . . . . . . . . . 191 4.2.2 备件的订购. . . . . . . . . . . . . . . . . . . . . . . . . . . . . . . . . . . . . . . . . . . . . . . . . . . . . . . . . . . 191 4.2.3 机械零件和装置的处理. . . . . . . . . . . . . . . . . . . . . . . . . . . . . . . . . . . . . . . . . . . . . . . . . 193 4.2.4 电器零件和装置的处理. . . . . . . . . . . . . . . . . . . . . . . . . . . . . . . . . . . . . . . . . . . . . . . . . 195 4.3 检查. . . . . . . . . . . . . . . . . . . . . . . . . . . . . . . . . . . . . . . . . . . . . . . . . . . . . . . . . . . . . . . . . 197 4.3.1 检查. . . . . . . . . . . . . . . . . . . . . . . . . . . . . . . . . . . . . . . . . . . . . . . . . . . . . . . . . . . . . . . . . . 197 4.3.2 故障判断. . . . . . . . . . . . . . . . . . . . . . . . . . . . . . . . . . . . . . . . . . . . . . . . . . . . . . . . . . . . . . 197 4.4 维护. . . . . . . . . . . . . . . . . . . . . . . . . . . . . . . . . . . . . . . . . . . . . . . . . . . . . . . . . . . . . . . . . . 199 4.4.1 保养间期. . . . . . . . . . . . . . . . . . . . . . . . . . . . . . . . . . . . . . . . . . . . . . . . . . . . . . . . . . . . . 199 4.4.2 新涂层/铬面. . . . . . . . . . . . . . . . . . . . . . . . . . . . . . . . . . . . . . . . . . . . . . . . . . . . . . . . . . 203. . . . . . . . . . . . . . . . . . . . . . . . . . . . . . . . . . . . . . . . . . . . . . . . . . . . . . . . . . . . . . . .4.4.3 试验台 t203 4.5 维修/概要 . . . . . . . . . . . . . . . . . . . . . . . . . . . . . . . . . . . . . . . . . . . . . . . . . . . . . . . . . . . . 205 4.5.1 工具的清单. . . . . . . . . . . . . . . . . . . . . . . . . . . . . . . . . . . . . . . . . . . . . . . . . . . . . . . . . . 205 4.5.2 从机器上拆下卷绕头. . . . . . . . . . . . . . . . . . . . . . . . . . . . . . . . . . . . . . . . . . . . . . . . . . 233 4.5.3 卷绕头的拆解 . . . . . . . . . . . . . . . . . . . . . . . . . . . . . . . . . . . . . . . . . . . . . . . . . . . . . . . . . 241Inhaltsverzeichnis4.6 安装支架. . . . . . . . . . . . . . . . . . . . . . . . . . . . . . . . . . . . . . . . . . . . . . . . . . . . . . . . . . . . 245 4.7 维修/外壳. . . . . . . . . . . . . . . . . . . . . . . . . . . . . . . . . . . . . . . . . . . . . .. . . . . . . . . . . . . 247 4.7.1 转动传送通道的拆解. . . . . . . . . . . . . . . . . . . . . . . . . . . . . . . . . . . . . . . . . . . . . . . . . . 247 4.7.2 安装转动传送通道. . . . . . . . . . . . . . . . . . . . . . . . . . . . . . . . . . . . . . . . . . . . . . . . . . . . . 251 4.7.3 安装并张紧辊子链. . . . . . . . . . . . . . . . . . . . . . . . . . . . . . . . . . . . . . .. . . . . . . . . . . . . . . 255 4.7.4 卡盘驱动. . . . . . . . . . . . . . . . . . . . . . . . . . . . . . . . . . . . . . . . . . . . . . . . . . . . . . . . . . . . 257 4.8 维修/横动系统. . . . . . . . . . . . . . . . . . . . . . . . . . . . . . . . . . . . . . . . . . . . . . . . . . . . . . . . 261 4.8.1 概要. . . . . . . . . . . . . . . . . . . . . . . . . . . . . . . . . . . . . . . . . . . . . . . . . . . . . . . . . . . .. . . . . . 261 4.8.2 拆除双转子盘. . . . . . . . . . . . . . . . . . . . . . . . . . . . . . . . . . . . . . . . . . . . . . . . . . . . . . . . . . 261 4.8.3 拆除齿形带. . . . . . . . . . . . . . . . . . . . . . . . . . . . . . . . . . . . . . . . . . . . . . . . . . .. . . . . . . . . . 263 4.8.4 拆除双转子齿轮单元. . . . . . . . . . . . . . . . . . . . . . . . . . . . . . . . . . . . . . . . . . . . . . . . . . 263 4.8.5 双转子齿轮单元,更换轴承. . . . . . . . . . . . . . . . . . . . . . . . . . . . . . . .. . . . . . . . . . . . . . 265 4.8.6 双转子盘 ,更换叶片. . . . . . . . . . . . . . . . . . . . . . . . . . . . . . . . . . . . .. . . . . . . . . . . . . . 267. . . . . . . . . . . . . . . . . . . . . . . . . . . . . . . . . . . . . . . . . . . . . . .4.8.7 安装双转子齿轮单元 275 4.8.8 安装齿形带. . . . . . . . . . . . . . . . . . . . . . . . . . . . . . . . . . . . . . . . . . . . . . . . . . .. . . . . . . . . 277 4.8.9 安装转盘. . . . . . . . . . . . . . . . . . . . . . . . . . . . . . . . . . . . . . . . . . . . . . . . .. . . . . . . . . . . 281 4.8.10 更换薄膜气缸的薄膜. . . . . . . . . . . . . . . . . . . . . . . . . . . . . .. . . . . . . . . . . . . . . . . . . . . 291 4.9 维修/卡盘. . . . . . . . . . . . . . . . . . . . . . . . . . . . . . . . . . . . . . . . . . . . . . . . . . . . . . . . . . . . 295 4.9.1 拆除卡盘. . . . . . . . . . . . . . . . . . . . . . . . . . . . . . . . . . . . . . . . . . . . . . . . .. . . . . . . . . . . . 295 4.9.2 更换球形轴承,卡盘. . . . . . . . . . . . . . . . . . . . . . . . . . . . . . . . . . . . . .. . . . . . . . . . . . . 299 4.9.3 拆解卡盘轴. . . . . . . . . . . . . . . . . . . . . . . . . . . . . . . . . . . . . . . .. . . . . . . . . . . . . . . . . . . 303 4.9.4 装配卡盘轴. . . . . . . . . . . . . . . . . . . . . . . . . . . . . . . . . . . . . . . . . . .. . . . . . . . . . . . . . . 313 4.9.5 组装卡盘. . . . . . . . . . . . . . . . . . . . . . . . . . . . . . . . . . . . . . . . . . . . . . . . . . . . . . . . . . . . . 319 4.9.6 平衡卡盘/检查卡盘. . . . . . . . . . . . . . . . . . . . . . . . .. . . . . . . . . . . . . . . . . . . . . . . . . . . . 331 4.9.7 卡盘的安装. . . . . . . . . . . . . . . . . . . . . . . . . . . . . . . . . . . . . . . . . . . . . . . . . .. . . . . . . . . . 341 4.10 维修/压辊. . . . . . . . . . . . . . . . . . . . . . . . . . . . . . . . . . . . . . . . . .. . . . . . . . . . . . . . . . . . . . 343 4.10.1 拆除压辊. . . . . . . . . . . . . . . . . . . . . . . . . . . . . . . . . . . . . . . . . . . . . . .. . . . . . . . . . . . . . 343 4.10.2 压辊轴承的更换. . . . . . . . . . . . . . . . . . . . . . . . . . . . . . . . . .. . . . . . . . . . . . . . . . . . . . . . . . 345 4.10.3 压辊的平衡. . . . . . . . . . . . . . . . . . . . . . . . . . . . . . . . . . . . . . . . . . . . . . . . . . . . . . . . . . . . . 359 4.10.4 安装压辊. . . . . . . . . . . . . . . . . . . . . . . . . . . . . . . . . . . . . . . . . . . . . . . . . . . . . . . . . . . . . 373 4.10.5 齿形带张紧的措施. . . . . . . . . . . . . . . . . . . . . . . . . . . . . . . . . . . . . . . .. . . . . . . . . . . . . . 375 4.11 设置. . . . . . . . . . . . . . . . . . . . . . . . . . . . . . . . . . . . . . . . . . . . . . . . . . . . . . . . . . . . .. . . . . 377 4.11.1 概要. . . . . . . . . . . . . . . . . . . . . . . . . . . . . . . . . . . . . . . . . . . . . . . . . . . . . . . . . . . . 377 4.11.2 平行度与几何关系 379. . . . . . . . . . . . . . . . . . . . . . . . . . . . . . . . . . . . . . . . . . . . . . .4.11.3 接触压力. . . . . . . . . . . . . . . . . . . . . . . . . . . . . . . . . . . . . . . . . . . . . . . . . . . . . . . . . . . . 395 4.11.4 双转子板. . . . . . . . . . . . . . . . . . . . . . . . . . . . . . . . . . . . . . . . . . . . . . . . . . . . . . . . . . . . . 399 4.11.5 横动系统. . . . . . . . . . . . . . . . . . . . . . . . . . . . . . . . . . . . . . . . . . . . . . . . . . . . . . . . . . . . . . 405 4.11.6 拆除和安装推出汽缸. . . . . . . . . . . . . . . . . . . . . . . . . .. . . . . . . . . . . . . . . . . . . . . . . . . 419 4.11.7 更换可动保护板的齿型带. . . . . . . . . . . . . . . . . . . . . . . . . . . . .. . . . . . . . . . . . . . . . . . . 423 4.11.8 在可动保护板上测量齿型带的张力. . . . . . . . . . . . . . . . . . . . . . . . . . . . . . . . . . . . . . . . 439 4.11.9 调整生头装置的丝梳. . . . . . . . . . . . . . . . . . . . . . . . . . . . . . . . . . . . . . . . . . . . . . . . . . . . 443 4.11.10 调整生头装置. . . . . . . . . . . . . . . . . . . . . . . . . . . . . . . . . . . . . . . . . . . . .. . . . . . . . . . . . . . 443 4.11.11 生头装置的轴向调节. . . . . . . . . . . . . . . . . . . . . . . . . . . . . . . . . . . . . . . . . . . . . . . . . . . . 443 4.11.12 可动保护板的调整. . . . . . . . . . . . . . . . . . . . . . . . . . . . . . . . . . . . . . . . . . . .. . . . . . . . . . 445 4.11.13 调节调整临近开关"B50"可动保护板的收回. . . . . . . . . . . . . . . . . . . . . . . . . . . . . . . . . 449 4.11.14 底部切换单元导丝钩的更换. . . . . . . . . . . . . .. . . . . . . . . . . . . . . . . . . .. . . . . . . . . . . 451 4.11.15 调整底部切换单元. . . . . . . . . . . . . . . . . . . . . . . . . . . . . . . . .. . . . . . . . . . . . . . . . . . . . 453 4.11.16 调整断丝传感器. . . . . . . . . . . . . . . . . . . . . . . . . . . . . . . . . . . . . . . . . . . . . . . . . . . . . . . . 455Inhaltsverzeichnis4.12 临近开关和速度传感器的综述和设置 . . . . . . . . . . . . . . . . . . . . . . . . . . . . . . . . . . . . . . 457 4.12.1 概要. . . . . . . . . . . . . . . . . . . . . . . . . . . . . . . . . . . . . . . . . . . . . . . . . . . . . . . . . . . .. . . . . 457 4.12.2 速度传感器"卡盘速度"(B1和B2). . . . . . . . . . . . . . . . . . . . . . . . . .. . . . . . . . . . . . . . . 457 4.12.3 速度传感器(压辊)(B4). . . . . . . . . . . . . . . . . . . . . . . . . . . . . . . . . . . . . . . . . . . . . 457 4.12.4 调节转动机构的最大横动. . . . . . . . . . . . . . . . . . . .. . . . . . . . . . . . . . . . . . . . . . . . . . . 459 4.12.5 调节临近 开关"B72". . . . . . . . . . . . . . . . . . . . . . . . . . . . . . . . . . . . . .. . . . . . . . . . . . . . 461 4.12.6 调节BOX-气缸. . . . . . . . . . . . . . . . . . . . . . . . . . . . . . . . . . . . . . . . . . . . . . . . . . . . . . . . 461 4.12.7 调节临近开关"B71"汽缸外伸. . . . . . . . . . . . . . . . . . . . . . .. . . . . . . . . . . . . . . . . . . . 461 4.12.8 调节临近开关"B70"工作点. . . . . . . . . . . . . . . . . . . . . . . . . . . . . . . . . .. . . . . . . . . . . . 463 4.12.9 调节转动机构的最小横动. . . . . . . . . . . . . . . . . . . . . . . . . . . . . . . . .. . . . . . . . . . . . . . 465 4.12.10 调节临近开关"B65"缠丝检测器. . . . . . . . . . . . . . . . . . . . . . . . . . . . . . . .. . . . . . . . . . 467 4.12.11 调节临近开关"B40"推出装置外伸. . . . . . . . . . . . . . .. . . . . . . . . . . . . . . . . . . . . . . . . .. 467 4.12.12 调节临近开关"B41"推出装置收回. . . . . . . . . . . . . .. . . . . . . . . . . . . . . . . . . . . . . . . . 467 4.12.13 调节临近开关"B63"生头装置的原始位置. . . . . . . . . . . . . . . .. . . . . . . . . . . . . . . . . . . . 469 4.12.14 调节临近开关"B80"捕丝装置的原始位置. . . . . . . . . . . . . . . . .. . . . . . . . . . . . . . . . . . . 469 4.12.15 调节临近开关"B81"捕丝装置的捕丝位置. . . . . . . . . . . . . . . . . .. . . . . . . . . . . . . . . . . . 469 4.12.16 调节开关"S54"可动保护板. . . . . . . . . . . . . . . . . . . . . . . . . . . . . . . . . . . . .. . . . . . . . . . 471 4.12.17 调节开关"S55"可动保护板. . . . . . . . . . . . . . . . . . . . . . . . . . . . . . . . . . . . .. . . . . . . . . . . 473 4.12.18 安装外壳 . . . . . . . . . . . . . . . . . . . . . . . . . . . . . . . . . . . . . . . . . . . . . . . . . . . . . . . . . .. . . 475 4.13 功能检查. . . . . . . . . . . . . . . . . . . . . . . . . . . . . . . . . . . . . . . . . . . . . . . . . . . . . . . . . . . . . . 477 4.14 修改. . . . . . . . . . . . . . . . . . . . . . . . . . . . . . . . . . . . . . . . . . . . . . . . . . . . . . . . . . . . . . . . . . 477 4.15 设备的管理. . . . . . . . . . . . . . . . . . . . . . . . . . . . . . . . . . . . . . . . . . . . . . . . . . . . . . . . . . . . 477 4.15.1 卷绕头的清洁. . . . . . . . . . . . . . . . . . . . . . . . . . . . . . . . . . . . . . . . . . . . . . . . . . . . . . . . . 477 4.16 在机器上安装卷绕头. . . . . . . . . . . . . . . . . . . . . . . . . . . . . . . . . . . . . . . . . . . . .. . . . . . .5. 图纸,表格,曲线. . . . . . . . . . . . . . . . . . . . . . . . . . . . . . . . . . . . . . . . . . . . . . .5.1 卷绕头ACW-5-23A. . . . . . . . . . . . . . . . . . . . . . . . . . . . . . . . . . . . . . . . . . . . . . . . . . . . . . 483 5.2 双转子ACW-5-151Z. . . . . . . . . . . . . . . . . . . . . . . . . . . . . . . . . . . . . . . . . . . . . . . . . . . . .. 485 5.3 双转子ACW-5-152Z. . . . . . . . . . . . . . . . . . . . . . . . . . . . . . . . . . . . . . . . . . . . . . . . . . . . . 487 5.4 卡盘ACW-5-27A. . . . . . . . . . . . . . . . . . . . . . . . . . . . . . . . . . . . . . . . . . . . . . . . . . . . . . . . . . 489 5.5 卡盘轴ACW-5-24Z. . . . . . . . . . . . . . . . . . . . . . . . . . . . . . . . . . . . . . . . . . . . . . . . . . . . . .. 491 5.6 压辊ACW-5-13A . . . . . . . . . . . . . . . . . . . . . . . . . . . . . . . . . . . . . . . . . . . . . . . . . . . . . . . . . 493 5.7 气路图ACW-49-5P. . . . . . . . . . . . . . . . . . . . . . . . . . . . . . . . . . . . . . . . . . . . . . . . .. . . . . . 495 5.8 气路识别符号. . . . . . . . . . . . . . . . . . . . . . . . . . . . . . . . . . . . . . . . . . . . . . . . . . . . . . . . 497 5.9 卷绕头OHP幻灯片. . . . . . . . . . . . . . . . . . . . . . . . . . . . . . . . . . . . . . . . . . . . . . . . . . . . . . 499 5.10 表格:返运说明和装箱单. . . . . . . . . . . . . . . . . . . . . . . . . . . . . . . . . . . . . . . . .. . . . . . 507Inhaltsverzeichnis. . . . . . . . . . . . . . . . . . . . . . . . . . . . . . . . . . . . . . . . . . . . . . . . . . . . . . . . .6. 补充 513. . . . . . . . . . . . . . . . . . . . . . . . . . . . .6.1 点机(转盘) A–D35–9170 Flender–Himmel515. . . . . . . . . . . . . . . . . . . . . . . . . . .6.2 电机 (双转子) A–D35–9167 Fa. Arnold Müller517. . . . . . . . . . . . . . . . . . . . . . . . . . .6.3 电机(卡盘) A–D35–6754 Fa. Siemens519. . . . . . . . . . . . . . . . . . . . . . .6.4 电机(压辊) A–D35–9196 Dietz–Motoren521. . . . . . . . . . . . . . . . . . . . . . .6.5 温度控制器 A–D89–0399 Fa. Ihne und 523. . . . . . . . . . . . . . . . . . . . . . . . . .6.6 温度显示器 A–523–7739 Fa. Juchheim525. . . . . . . . . . . . . . . . . . . . . . . . . . . . . .6.7 热电偶 A–D36–8140 Fa. Juchheim527. . . . . . . . . . . . . . . . . . . . . . . . . . . . .6.8 双转子齿轮单元,更换轴承 529概述General如果由于维修等原因,有零件需要返运,我们要求运送到下列地址北京巴马格技术服务部北京市朝阳区甜水园东街18号6楼北京市2015信箱 邮编: 100026电话: 010- 65018821传真: 010- 65019014请确认装箱单随运单返回。