金风变桨系统培训教程
- 格式:ppt
- 大小:8.03 MB
- 文档页数:36
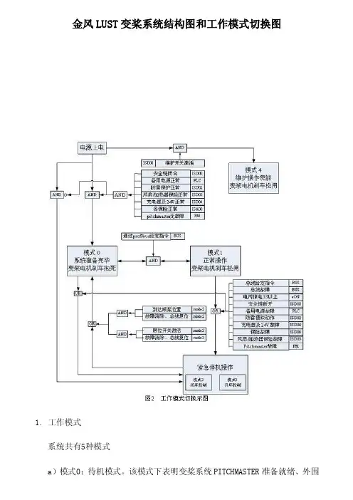
金风LUST变桨系统结构图和工作模式切换图1. 工作模式系统共有5种模式a)模式0:待机模式。
该模式下表明变桨系统PITCHMASTER准备就绪、外围传感器状态正常、驱动与执行器正常待机。
b)模式1:变桨模式。
该模式下,变桨系统将通过Profibus DP总线接收来自主控的变桨指令。
并根据给定的位置、速度值驱动变桨电机,直至到达位置目标值。
c)模式2;急停模式1。
该模式执行过程采用闭环急停控制。
模式2中,变桨速度为7°/s,停机位置87.5°。
该模式在如下条件成立时执行:主控通过Profibus DP总线给定紧急停机命令或系统安全链故障。
d)模式3:急停模式2。
该模式执行过程采用开环控制,当变桨系统发生主旋转编码器或变桨变频器电源故障时,系统将启用该模式,以最快10度/秒的变桨速度顺桨,直至撞到91°限位开关。
e)模式4:维护模式。
在该模式下可以分别对各桨叶进行手动变桨。
金风VENSYS变桨系统结构图风机变桨系统有两个工作任务。
一是通过程序控制变桨来保持叶轮一直能够从风中获得最大的风能,并在变化的风速中调节均匀的转速;二是作为风机的一级刹车系统,当风机出现故障或其他原因需要停机时,通过增大桨距角实现风机空气动力制动。
因此,叶片由风吹动旋转,不会有过多的机械能量传递到转子轴上。
每个叶片通过滚珠轴承旋转外缘与轮毂连接,轴承外圈安装在轮毂上。
可转动的轴承内环与变桨齿轮箱小齿圈啮合。
变桨电机通过法兰与齿轮箱连接,驱动小齿轮带动大齿圈旋转变桨。
变桨电机为串励直流电机,附带编码器和刹车及风扇。
所有的变桨驱动单元都安装在轮毂内。
轴控柜中变桨驱动器直接控制变桨电机运行。
另外,电池柜中还有一组电池用于在严重故障或断电时直接驱动变桨。
轴控柜中的变桨PLC控制器可接收从主控系统发来的变桨信号,输出变桨驱动器控制三个叶片同步变桨。
变桨系统的电源和信号线通过齿轮箱中空轴由滑环传入轮毂。
当变桨系统出现故障时,有变桨柜内的PLC给出停机信号,送到主控PLC,执行脱网操作,同时向三个叶片的发出顺桨命令,执行安全顺桨停机。
1.5MW风力发电机组 变浆系统培训教材 实用标准文案
精彩文档 国电联合动力技术有限公司
(内部资料严禁外泄)
1. 概述 风轮:风轮一般由叶片、轮毂、盖板、连接螺栓组件和导流罩组成。风轮是风力机最关键的部件,是它把空气动力能转变成机械能。大多数风力机的风轮由三个叶片组成。叶片材料有木质、铝合金、玻璃钢等。风轮在出厂前经过试装和静平衡试验,风轮的叶片不能互换,有的厂家叶片与轮毂之间有安装标记,组装时按标记固定叶片。组装风轮时要注意叶片的旋转方向,一般都是顺时针。固定扭矩要符合说明书的要求。 风轮的工作原理:风轮产生的功率与空气的密度成正比。风轮产生的功率与风轮直径的平方成正比;风轮产生的功率与风速的立方成正比;风轮产生的功率与风轮的效率成正比。风力发电机风轮的效率一般在0.35—0.45之间(理论上最大值为0.593)。贝兹(Betz)极限
风机四种不同的控制方式: 1. 定速定浆距控制(Fixed speed stall regulated) 发电机直接连到恒定频率的电网,在发电时不进行空气动力学控制 2. 定速变浆距控制(Fixed speed pitch regulated) 发电机直接连到恒定频率的电网,在大风时浆距控制用于调节功率 3. 变速定浆距控制(Variable speed stall regulated) 变频器将发电机和电网去耦(decouples),允许转子速度通过控制发电机的反实用标准文案 精彩文档 力矩改变.在大风时,减慢转子直到空气动力学失速限制功率到期望的水平. 4. 变速变浆距控制(Variable speed pitch regulated) 变频器将发电机和电网去耦(decouples), 允许通过控制发电机的反力矩改变转子速度.在大风时,保持力矩, 浆距控制用于调节功率.
双馈风机 实用标准文案
精彩文档 实用标准文案
精彩文档 实用标准文案
精彩文档 二.基本知识 实用标准文案