钢包的烘烤
- 格式:ppt
- 大小:201.50 KB
- 文档页数:13
钢包烘烤管理制度1、⽬的:为规范钢包、铁⽔包烘烤⼯作,避免因⽇常检查不到位或操作不当造成安全事故或影响钢铁包烘烤效果,特制定本制度。
2、适⽤范围:运转车间管理的钢包、铁⽔包(含兑铁包,下同)的烘烤。
3、职责划分:3.1⼤包组烤包⼯:负责钢铁包烘烤,烤包设备⽇常卫⽣清理,⽇常点检。
4、管理细则4.1进⼊煤⽓区域要2⼈作业,1⼈携带煤⽓报警仪在前⽅⾏⾛。
4.2⾏⾛要⾛安全通道,并观察上⽅,防⽌落物伤⼈。
4.3检查烤包器钢丝绳是否有断股.是否磨损超标(10%),卷扬系统是否正常,双道阀门是否关闭,包盖耐材有⽆松动或较⼤裂纹,以上项⽬有异常禁⽌使⽤4.4烤包器下⽅地⾯保持⼲净,不得有杂物4.5检查煤⽓压⼒是否符合烤包要求(⼤于等于61cpa),若压⼒不满⾜烤包要求时禁⽌点⽕。
4.6关闭阀门时,依次关闭助燃氧⽓阀门,煤⽓阀门,风机阀门。
煤⽓阀门要关俩道。
4.7升包盖时要缓慢升起,不能依靠线位停⽌,待包盖接近停⽌时应点动操作。
4.8指挥天车挂链时,要⼀⼈指挥⼀⼈⽤专⽤丁型铁钩挂链,并观察包沿及包壁上活动物体,防⽌挂链时掉落砸伤。
4.9钢包离开地⾯前指挥⼈员和附近座作业⼈员应离开到距包体10⽶外,当包吊起天车开始⾏⾛后,指挥⼈员应跟包⾏⾛并及时喊开⾏⾛路线上其他⼈员。
4.10根据不同包类按照作业标准控制烘烤时间。
5、考核5.1进⼊煤⽓区域,单⼈作业的考核100元/次,没有携带或未正确使⽤煤⽓报警仪考核100元/次;5.2进⼊煤⽓区域没有⾛安全通道的,考核责任⼈50元/次;5.3 操作原因造成烤包器熄⽕或煤⽓泄漏的考核100元/次。
5.4其它违反本制度导致烘烤安全隐患或影响烤包效果,依据造成的损失程度进⾏考核。
6、本制度⾃下发之⽇起开始执⾏,本制度最终解释权归运转车间。
炼钢⼚运转车间⼆0⼀三年⼆⽉⼀⽇。
蓄热式钢包烘烤器原理蓄热式钢包烘烤器是一种常见的工业烘烤设备,其原理是利用钢包的蓄热能力来实现物料的加热和干燥。
钢包烘烤器通常由烘烤腔、加热元件、控制系统等部分组成。
下面将详细介绍蓄热式钢包烘烤器的工作原理与应用。
蓄热式钢包烘烤器的原理基于物料与热媒之间的热交换过程。
热媒一般采用热水、蒸汽等介质,通过加热元件传导热能到钢包内,使钢包内的物料得到加热。
物料在钢包内进行烘烤过程中,会释放出大量的水分和挥发物,而热媒通过与物料接触,将其吸收,并带走。
这样循环往复,使物料逐渐干燥。
蓄热式钢包烘烤器的烘烤腔通常由内外两层构成,内层为钢包,外层为保温层。
钢包的材质通常选择具有良好导热性能的金属材料,如不锈钢。
钢包内部有一定的容积,可以容纳一定量的物料。
加热元件通常位于钢包的外侧,以充分利用钢包的蓄热能力。
加热元件可以是电加热管、燃气燃烧器等,通过加热元件向钢包传导热能,使钢包内的物料加热。
控制系统是蓄热式钢包烘烤器的重要组成部分,用于实现对加热温度、烘烤时间等参数的控制。
控制系统通常包括温度传感器、控制器和执行器等。
温度传感器用于实时监测钢包内的温度,将温度信号传送给控制器。
控制器根据设定的加热温度和烘烤时间,通过控制执行器调节加热元件的工作状态,以实现对钢包内温度的控制。
蓄热式钢包烘烤器具有以下优点。
首先,由于钢包具有较大的热容量,可以实现较长时间的持续加热,使物料得到充分的烘烤。
其次,钢包的材质具有良好的导热性能,可以实现快速的热传导,提高烘烤效率。
此外,蓄热式钢包烘烤器可以根据不同的物料和工艺要求进行灵活的调节和控制,具有较高的适应性和可操作性。
蓄热式钢包烘烤器在许多领域中有广泛的应用。
在食品工业中,蓄热式钢包烘烤器可以用于面包、饼干等烘烤食品的生产过程中,使其具有更好的口感和风味。
在化工工业中,蓄热式钢包烘烤器可以用于颗粒状物料的干燥、烘烤,提高产品质量和生产效率。
在医药工业中,蓄热式钢包烘烤器可以用于药品的干燥、烘烤等工艺过程中,确保药品的质量和安全性。
精炼钢包烘烤安全技术操作规程精炼钢包烘烤是钢铁生产中的一个重要环节,正确的操作可以保证钢包的质量和安全性。
为了确保操作的安全性,制定一份详细的操作规程非常重要。
以下是一份针对精炼钢包烘烤的安全技术操作规程,共计2000字。
一、操作前的准备工作1. 定期检查钢包的炉衬状况,确保炉衬没有炸裂、脱落等现象。
2. 确认烘烤设备(如烘炉)的工作状态良好,无损坏或漏气现象。
3. 查看烘烤设备是否有足够的供电能力,避免超负荷使用。
4. 进行安全交底,确保所有操作人员都了解操作规程并掌握安全操作技能。
二、操作过程中的安全措施1. 穿戴个人防护用品,包括防火隔热服、耐高温手套、防护面罩等。
2. 在操作区域设置明显的安全警示标志,禁止无关人员靠近。
3. 确保操作环境通风良好,防止有害气体积聚。
4. 将钢包内的残留物清理干净,特别是锈渣、油污等易燃物。
5. 确保烧结矿、喷吹剂等燃料储存安全可靠,避免火灾和爆炸危险。
6. 加热烘烤设备前,先检查设备是否密封良好,以避免燃气泄漏。
7. 如需对烘炉内的气体进行排放,应确保排气管道畅通,防止气体积聚。
8. 在烘烤过程中,操作人员应保持警觉,注意观察烘炉内的气体变化。
9. 钢包烘烤过程中禁止吸烟,并严禁在钢包附近进行明火操作。
10. 操作人员应掌握应急处理措施,如发生火灾或气体泄漏等情况的应对方法。
三、烘烤结束后的处理1. 在烘烤完成后,关闭烘炉并确认设备停止工作。
2. 将烘炉内的残留物清理干净,包括烧结矿、锈渣等。
3. 对烘炉进行定期的维护保养,确保设备的正常运行。
4. 记录烘烤过程中的关键数据,包括烘炉温度、气体压力等,并进行归档保存。
5. 对操作人员进行安全教育,总结经验教训,不断改进操作规程。
以上是一份针对精炼钢包烘烤的安全技术操作规程,操作人员在进行烘烤作业时应严格按照规程要求进行操作,并且随时保持警觉,确保操作的安全性和高效性。
精炼钢包烘烤安全技术操作规程一、前言精炼钢包是冶金行业中的一种重要设备,用于对钢水进行二次精炼,提高钢水质量。
在精炼过程中,需要对钢包进行烘烤处理,以确保设备安全运行。
本文就精炼钢包烘烤安全技术操作规程进行详细介绍。
二、烘烤前准备工作1、对钢包进行清洗,清除积存在钢包内的杂物。
2、检查钢包的各个配件,如闸门、阀门、传感器等,确保其正常运行。
3、检查钢包温度计和控制仪表,调整到合适的温度和控制范围。
4、检查燃烧器和热风炉等烘烤设备的清洁和维护情况,确保设备没有故障。
5、确定烘烤时间和温度。
三、烘烤操作流程1、关闭钢包内的排气孔。
2、将烤箱中的燃烧器点火,放入精炼钢包内烘烤。
3、根据设备需求,调整温度和烤炉操作。
4、在烤炉操作过程中进行监视,观察钢包周围的温度变化。
5、烘烤过程中必须有专人监视,发现异常情况应立即停止烘烤操作。
6、在烘烤完成后,打开钢包内的排气孔,散热。
四、烘烤安全操作要点1、烘烤过程中,严禁烤箱内出现任何燃烧物。
2、在烘烤时,应注意通风,防止钢包内积聚的气体爆炸。
3、在烘烤时,应严密关闭烤箱门,防止热气外泄,避免意外伤害。
4、操作过程中,必须穿戴好相应的劳动保护用品。
5、烤炉应安装有防火设施,一旦发生火灾应立即采取相应的避险措施。
6、在操作过程中,应定期检查燃烧器和热风炉等设备,确保设备正常运行。
7、烘烤时间和温度必须按照设备使用说明书的要求进行调整,不得随意更改温度和烤炉操作。
五、总结精炼钢包是冶金行业中非常重要的设备,其安全稳定的运行对于钢铁企业生产具有重大意义。
在烘烤过程中,必须严格遵守安全操作规程,制定详细的操作方案,定期进行设备维护、检修,确保设备的安全稳定运行。
精炼钢包烘烤安全技术操作规程范本一、概述精炼钢包的烘烤是确保钢水温度在合适范围内的关键环节,同时也是一个潜在的安全风险。
为了保障烘烤作业的安全性和效果,制定本规程。
二、烘烤前的准备工作1. 确保烘烤设备和设施的正常运行,包括烘烤炉、燃烧器、热风系统等;2. 定期检查烘烤炉、通风设施和防爆安全装置的性能,确保其完好;3. 准备充足的燃料和助燃剂,并按照规定存放;4. 确保煤气、电力等供应设施稳定可靠;5. 对烘烤设备和现场进行清洁,并移除可能影响烘烤效果的物品。
三、烘烤作业的操作程序1. 启动烘烤设备前,确认所有操作人员都佩戴个人防护装备,包括防火服、安全帽、安全鞋等;2. 检查烘烤设备的燃烧器,确保其连接正常、喷嘴通畅,并且没有燃气泄漏的迹象;3. 打开烘烤炉的排污阀门,确保炉内无积水;4. 启动烘烤炉的通风设备,确保烟气排放通畅;5. 打开燃气阀门,点火,注意观察火焰情况是否正常,如异常应立即关闭燃气阀门,并进行维修;6. 当炉内温度达到预定值时,停止燃烧炉的供热,并关掉所有阀门,完成烘烤作业;7. 关闭烘烤炉的通风和排污设备;8. 检查烘烤设备和设施是否关闭和锁定。
四、烘烤作业中的安全注意事项1. 在烘烤作业期间,操作人员不得擅自离开岗位,必要时需进行交接班;2. 严禁吸烟、使用明火或其他可能引起火灾的物品;3. 维持烘烤作业现场的整洁,防止杂物和油污积累;4. 烘烤炉温度监控设备应处于正常工作状态,若发生异常,应及时停止烘烤作业,并通知维修人员进行检查;5. 严禁在烘烤作业期间进行设备维修和保养;6. 任何时候都不得超负荷使用烘烤设备,且应按规定操作和使用;7. 如发生燃气泄漏、烟雾积聚等情况,应立即停止烘烤作业,并按照应急预案进行处理;8. 严禁操作人员擅自调整燃气和通风设备,如需调整应有专人负责并记录;9. 操作人员必须熟悉使用烘烤设备的操作步骤和安全规范,不得擅自操作或试验。
五、事故应急处理措施1. 如发生火灾等紧急情况,操作人员应立即启动紧急停机装置,并按照应急预案进行疏散和报警;2. 防止有毒气体外泄到周围环境,必要时应切断燃气供应和通风设备;3. 报警后,操作人员应按照应急预案迅速采取相应措施,避免火势扩大,并等待专业人员到达现场进行处置;4. 在事故处理过程中,切勿随意操作设备,以免加剧事故风险;5. 担任急救人员的应及时对伤员进行救治,并协助送医院进行进一步治疗。
钢包烘烤器安装施工方案1. 引言钢包烘烤器是一种用于预热钢包的设备,它可以提高钢水温度的均匀性,减少浸渣、夹杂物等缺陷的产生。
本文档描述了钢包烘烤器的安装施工方案,包括施工准备、设备安装、电气接线等内容。
2. 施工准备在进行施工之前,需要进行以下准备工作:2.1 现场勘察施工前,需要对施工现场进行细致的勘察,包括现场尺寸、基础状况、供电情况等。
根据勘察结果,编制详细的施工方案。
2.2 材料和设备准备根据施工方案,准备必要的施工材料和设备,包括钢包烘烤器本体、支撑架、电气设备等。
2.3 人员安排按照施工方案,安排施工人员和相关负责人员,确保施工过程的安全与顺利进行。
3. 设备安装3.1 钢包烘烤器本体的安装1.根据施工方案,确定钢包烘烤器的安装位置和高度。
2.在安装位置上进行测量,确保钢包烘烤器与基础之间的水平度和垂直度。
3.将钢包烘烤器本体放置在安装位置上,并用螺栓将其固定。
确保固定牢固。
3.2 支撑架的安装1.根据施工方案,确定支撑架的安装位置和高度。
2.在安装位置上进行测量,确保支撑架与基础之间的水平度和垂直度。
3.将支撑架安装在预定位置上,并用螺栓将其固定。
确保固定牢固。
3.3 电气设备的安装1.根据施工方案和电气布置图,确定电气设备的安装位置和连接方式。
2.安装电气设备,包括电控柜、电热元件等,按照电气布置图进行连接。
4. 电气接线4.1 电源接入1.根据现场供电情况,确定电源接入点。
2.进行电源接线,确保接线牢固可靠。
4.2 控制接线1.根据电气布置图,将电控柜与其他电气设备进行连接。
2.检查接线是否正确,确保电气系统正常运行。
5. 安全与质量控制在施工过程中,应注意以下安全和质量控制要点:•施工人员必须佩戴符合要求的安全防护装备。
•施工现场必须保持整洁,杂物要及时清除。
•安装过程中,对设备进行必要的检查和测试,确保质量符合要求。
•完成施工后,进行最终的检查和测试,确保设备安装正确、运行正常。
关于钢包烘烤装置及其控制系统的设计分析摘要:钢包是炼钢一连铸生产工艺流程中的关键设备。
钢包烘烤温度的高低对整个工艺生产有重要影响,同时钢包的结构类型及烘烤效率也将直接关系到炼钢企业的生产成本与品质。
钢包又称钢水包,用于炼钢厂、铸造厂在平炉、电炉或转炉前承接钢水,配合连铸机进行浇注作业,但是在钢包使用之前必须将钢包内烘干,若钢包内存在水迹,加入高温钢水时,会造成钢包损坏或炸裂,存在安全风险。
但现有的钢包烘烤装置在烘烤时,喷射的火焰经常无法到达钢包底部,很可能造成钢包底部未完全烘干,且在烘干过程中存在一些安全隐患,容易造成安全事故。
因此,有必要设计一种更好的钢包烘烤装置,以解决上述问题。
关键词:钢包烘烤装置;控制系统;烘干;钢铁安全生产技术领域引言:安全是企业的基础,是正常生产的前提,更是企业生存的命脉。
对于钢铁企业来说,安全工作尤其重要。
钢铁产业本身就是一个高温高压、易燃易爆、有毒有害的高风险行业。
因此,提高钢铁工业发展的安全性是一件重要的、迫在眉睫的事情。
而作为钢铁行业一部分的钢包烘烤装置及其控制系统也常常面临着安全隐患。
众所周知,钢包烘烤是炼钢生产工序中的主要环节之一。
烘烤装置的性能对转炉出钢温度、炼钢作业率、炉龄等都有很大影响。
钢包烘烤介于炼钢和铸钢两道工序之间,钢包烘烤温度的高低对协调整个生产有重要作用,对连铸生产的意义更加重大。
因此,为了钢铁产业能够安全顺利地发展,设计出一种更好、更安全的钢包烘烤装置也是企业发展的必然趋势。
1、钢包烘烤装置及其控制系统的发展历程国内的钢包烘烤经历了从仅用一支煤气管至使用普通烧嘴、高速烧嘴、热风烧嘴、自身预热式烧嘴、蓄热式烧嘴的一系列发展过程。
50~60年代国内兴建的炼钢厂中,大多数都没有钢包烘烤设备或仅用一支煤气管插入钢包内进行烘烤。
由于钢包烘烤的温度低,要求出钢温度高,炉子的炉龄低,冶炼时间长限制了钢的产量,并使成本增加。
“七五”期间,冶金部提出推广钢包烘烤的新装置、新技术,使我国钢包烘烤水平提高许多,多数企业已经改变了过去只用燃气不配风的烘烤工艺,相应出现燃气、燃油的钢包烘烤装置。
钢包烘烤器制造方法一、引言钢包烘烤器是冶金行业中常用的设备之一,用于预热钢包以提高炼钢效率。
本文将介绍钢包烘烤器的制造方法,包括设计、材料选择、制造工艺等方面的内容。
二、设计1. 钢包烘烤器的设计需要考虑以下因素:(1) 钢包的尺寸和形状;(2) 烘烤温度和时间;(3) 热源的选择和布置。
2. 钢包烘烤器的设计原则:(1) 结构合理:钢包烘烤器应具有良好的稳定性和承载能力,能够适应长时间高温条件下的工作。
(2) 热效率高:钢包烘烤器应能够将热能均匀地传递给钢包,提高烘烤效果。
(3) 操作方便:钢包烘烤器的使用和维护应简便易行。
三、材料选择1. 钢包烘烤器的主要组成部分应选用耐高温、耐腐蚀的材料,如耐火陶瓷、高温合金等。
2. 热源部分应选用高温耐热的材料,如耐火砖、耐火浇注料等。
四、制造工艺1. 制造钢包烘烤器的工艺包括以下步骤:(1) 材料准备:根据设计要求,准备所需的材料,并进行相应的加工处理。
(2) 钢包制造:根据设计图纸,将准备好的材料进行焊接或铸造,制作成钢包的形状。
(3) 热源布置:根据设计要求,将热源布置在钢包烘烤器的适当位置,并确保热能能够均匀传递给钢包。
(4) 绝缘层施工:在钢包烘烤器的外壳表面涂覆一层绝缘材料,以减少热量损失。
(5) 温度控制系统安装:根据需要安装温度控制系统,以便监测和控制钢包烘烤器的温度。
(6) 质量检验:对制造好的钢包烘烤器进行质量检验,确保其符合设计要求和相关标准。
五、使用与维护1. 使用钢包烘烤器时,应按照操作规程进行操作,确保安全。
2. 定期检查和维护钢包烘烤器,保持其正常工作状态。
3. 如发现钢包烘烤器存在故障或损坏,应及时进行维修或更换。
六、结论通过合理的设计、适当的材料选择和严格的制造工艺,可以制造出高质量的钢包烘烤器。
钢包烘烤器在冶金行业中扮演着重要的角色,能够提高炼钢效率,降低能耗。
在使用和维护过程中,需要注意安全和定期维护,以确保钢包烘烤器的正常运行。
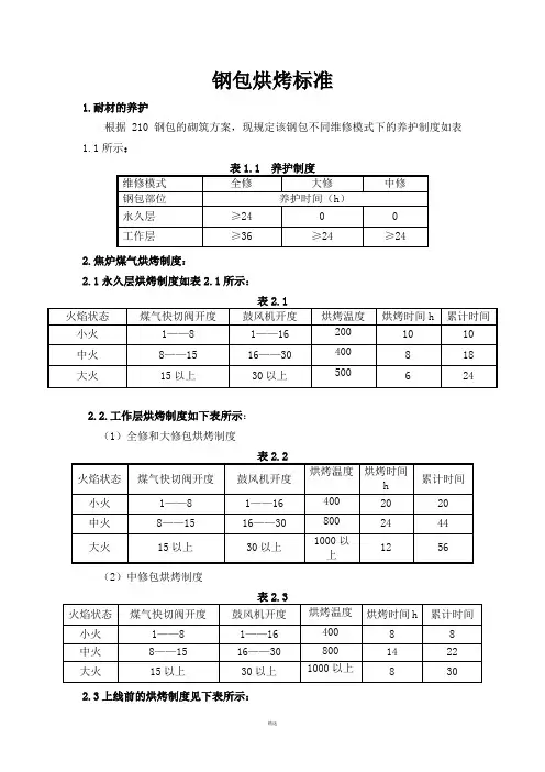
钢包烘烤标准
1.耐材的养护
根据210钢包的砌筑方案,现规定该钢包不同维修模式下的养护制度如表1.1所示:
2.焦炉煤气烘烤制度:
2.1永久层烘烤制度如表2.1所示:
2.2.工作层烘烤制度如下表所示:
(1)全修和大修包烘烤制度
(2)中修包烘烤制度
2.3上线前的烘烤制度见下表所示:
3.转炉煤气烘烤制度:
3.1.永久层烘烤制度如下表所示:
3.2.工作层烘烤制度如下表所示:
(1)全修和大修烘烤制度
(2)中修包烘烤制度
3.3.上线前烘烤制度见下表所示:
4.钢包烘好的标志:
4.1包壳无蒸汽冒出。
4.2内衬温度达到1000度以上。
生产间隙、计划检修时煤气使用管理规定(暂行)1、钢包烘烤(上线使用温度大于800℃)1.1炼钢停产时间小于2小时,钢包下线后做保温烘烤。
要求包沿必须清理干净,放包时包中心轴和包盖中心轴尽量重合(相距不得大于100mm),包盖和包沿间距不大于100mm,烘烤时采用中火(煤气参考流量:钢包在线烘烤器0.5~0.55t/h)。
根据包的使用时间,提前1小时(卧式烘烤器提前1.5小时)开到大火(煤气流量≥0.9t/h)烘烤到使用。
1.2停产时间大于2小时小于4小时,提前90分钟大火烘烤,停产时间大于4小时小于6小时,提前2小时大火烘烤,停产时间大于6小时小于8小时,提前3小时大火烘烤。
大于8小时小于24小时,提前4小时烘烤,停产时长大于24小时小于72小时,提前5小时大火烘烤,当钢包停烤时间大于72小时,包耐材温度已经降到环境温度时,应提前8小时(小火1小时、中火2小时、大火5小时)逐渐升温到使用(卧式烘烤器将大火延长至7小时)。
冬季将烘烤时间在以上基础上提前30分钟。
1.3烘烤时间根据各个钢包上线的顺序依次延迟烘烤30分钟。
2、铁包烘烤:停产时间小于3小时,采取落盖保温措施,大于3小时,兑铁前提前1小时大火烘烤。
大于6小时,提前2小时烘烤,大于12小时,提前3小时烘烤,大于24小时,提前4小时烘烤。
冬季在此基础上提前30分钟烘烤。
3、中包烘烤:(上线使用温度大于1000℃)提前3.5小时。
冬季小火烘烤时间在此基础上提前30分钟。
4、大火烘烤煤气压力大于4000pa,煤气流量大于0.9 t/h(约700m3/h)。
如烘烤压力低,调度室必须向煤气柜反馈信息进行调整。
5、正常情况下,只允许离线烘烤一个备用包,耕生公司必须合理调配上线钢包,避免生产过程中一个以上的钢包同时下线。
6、如果由于各种原因(如天气潮冷、煤气压力不足等)造成冷修包烘烤周期延长影响钢包周转,现场管理人员在向调度室汇报并征得同意后可以启用全部离线钢包烘烤器。
第1篇一、目的为确保钢包烘烤器安全、高效、稳定运行,防止设备损坏和人员伤害,特制定本操作规程。
二、适用范围本规程适用于所有型号的钢包烘烤器操作人员。
三、操作前的准备1. 检查钢包烘烤器各部位是否完好,包括加热元件、控制系统、防护装置等。
2. 检查电源线路是否正常,接地是否可靠。
3. 检查钢包烘烤器内是否有异物,确保清洁。
4. 确认钢包烘烤器操作说明书和设备参数。
四、操作步骤1. 启动钢包烘烤器:a. 打开电源开关,确保电源接通。
b. 启动控制系统,进入操作界面。
c. 根据钢包规格和烘烤要求,设置烘烤温度、时间和功率等参数。
2. 调节烘烤温度:a. 根据钢包烘烤要求,调整加热元件的功率。
b. 通过控制系统实时监控烘烤温度,确保温度稳定。
3. 烘烤过程:a. 烘烤过程中,密切观察钢包烘烤器运行状态,如发现异常,立即停止烘烤。
b. 定期检查钢包烘烤器内钢包的位置,确保烘烤均匀。
4. 烘烤结束:a. 达到烘烤时间后,关闭加热元件。
b. 降低烘烤温度,使钢包缓慢冷却。
c. 烘烤结束后,关闭控制系统和电源。
五、操作注意事项1. 操作人员应熟悉钢包烘烤器的操作规程和设备性能。
2. 操作过程中,严禁触摸高温部位,防止烫伤。
3. 严禁在钢包烘烤器内进行无关操作,如清洗、擦拭等。
4. 遇到设备故障,应立即停止操作,并通知维修人员处理。
5. 严禁操作人员擅自拆卸、改装设备。
六、操作后的维护1. 清理钢包烘烤器内外部,保持设备清洁。
2. 检查加热元件、控制系统等部位,如有损坏,及时更换。
3. 定期对钢包烘烤器进行保养,确保设备正常运行。
七、附则1. 本规程由设备管理部门负责解释。
2. 本规程自发布之日起实施。
通过以上规程,旨在规范钢包烘烤器的操作流程,确保设备安全、高效运行,同时保障操作人员的人身安全。
操作人员应严格遵守本规程,确保生产安全。
第2篇一、概述钢包烘烤器是炼钢过程中用于加热钢包的一种设备,其主要作用是提高钢包温度,确保钢水在运输过程中的温度稳定,防止钢水过快冷却。
蓄热式钢包烘烤器的原理和优点
一、原理
蓄热式钢包烘烤器是一种机电一体化的烘烤设备。
其原理是利用坩埚内部的温度差异,从而形成气流,使被加热的材料在坩埚中流动,以达到加热的目的。
这种烤箱的坩埚壁材采用优质隔热材料,内置加热装置,能够在短时间内将内部空气温度提升至设定温度。
加热装置的类型可以有许多,包括电加热和燃气加热等。
同时,烤箱配有气流循环系统,以使热力在内部均匀扩散。
二、优点
蓄热式钢包烘烤器相较于传统烘烤设备,具有如下优点:
1. 快速加热
蓄热式钢包烘烤器的加热速度较快,因为它的坩埚材质和热源的设置使得它可以在很短的时间内将内部温度提升到所需的加热温度水平。
2. 加热效率高
由于该烘烤器内部配有气流循环系统,整个坩埚内部可以在短时间内达到较高温度。
这使得该设备的加热效率较高,加热过程中的温度均匀性也大大提高。
3. 结构简单
蓄热式钢包烘烤器的结构相对简单,由于坩埚材质和热源设计原因,设备的体积较小而且重量轻。
在使用和维护方面也相对简单,非常容易清洗。
4. 自动控制
该设备具有自动化控制功能,可以实现精确的加热控制。
在使用过程中,用户只需设置所需的加热温度和时间,设备便能够自动完成加热过程,非常方便。
5. 安全保障
蓄热式钢包烘烤器有非常好的安全保障。
设备内部是一个密闭式结构,能够避免加热过程中产生灰尘富氧引发火灾。
三、结论
总之,蓄热式钢包烘烤器在烘烤加热中的速度、效率、精度、稳定性等方面都有着卓越的表现,能够提高生产效率和产品质量。
同时因其结构简单,使用方便,也是一种非常实用的加热设备。
钢包烘烤方案
煤气工作压力≥0.13MPa时,煤气与空气配比0.77,烧嘴交换时间=50S。
当煤气压力较低时要适当增大煤气的配比。
大火:煤气开启77%,空气100%,烧嘴交换时间50S;
中火:煤气开启50%,空气60%,烧嘴交换时间50S;
小火:煤气开启27%,空气35%,烧嘴交换时间50S;
考虑到煤气能源节约,将钢包按季节规定烘烤时间。
1.1永久层烘烤
脱模后,自然干燥24小时
烘烤6小时升温300℃(小火),保持10小时
(注:自然温度0℃以下不易打永久层)
2.1工作层全新的大包烘烤33小时-冬季(1月、2月、3月、10月、11月、12月):
3小时升温到300℃(小火),保持5小时
3小时升温到800℃(中火),保持5小时
3小时升温到1000℃(大火),保持14小时
2.2工作层全新的大包烘烤27小时-夏季(4月~9月)
3小时升温到300℃(小火),保持3小时
3小时升温到800℃(中火),保持3小时
3小时升温到1000℃(大火),保持12小时
3.1挖补渣线的大包烘烤22小时-冬季(1月、2月、3月、10月、11月、12月):
3小时升温到800℃(中火),保持3小时
3小时升温到1000℃(大火)保持13小时
3.2挖补渣线的大包烘烤小时20小时-夏季(4月~9月):
3小时升温到800℃(中火),保持3小时
3小时升温到1000℃(大火)保持11小时
3.4换透气砖的大包烘烤18小时:。
精炼钢包烘烤安全技术操作规程范文精炼钢包烘烤是钢铁冶炼过程中的关键环节,也是一项重要的工艺操作。
为了确保烘烤过程的安全性,提高工作效率和产品质量,根据相关规定和经验总结,制定了以下的精炼钢包烘烤安全技术操作规程。
1. 确保操作人员安全1.1 操作人员应穿戴完整的防护服,戴好安全帽和耳塞,同时佩戴防护手套和安全鞋。
1.2 在烘烤过程中,操作人员禁止靠近高温区域,应保持一定的安全距离。
1.3 严禁在烘烤过程中用手触摸炉体或烘烤设备,以防烫伤和电击事故的发生。
1.4 严禁擅自调整烘烤设备和工艺参数,必须经过专人指导和批准,确保操作安全。
2. 检查和维护设备2.1 在烘烤开始前,必须对烘烤设备进行全面检查,确保设备完好无损。
2.2 检查电气设备的接地情况,确保设备接地良好,避免电击事故的发生。
2.3 确保烘烤设备的排气通道畅通,防止积聚的有害气体影响烘烤效果和操作人员的健康。
2.4 定期对烘烤设备进行维护和保养,保证设备的正常运行和使用寿命。
3. 烘烤操作流程3.1 将待烘烤的钢包放置在烘烤台上,并确保钢包与台面之间的接触牢固,避免烘烤过程中的移位和倾斜。
3.2 启动烘烤设备,设置合适的温度和时间,根据工艺要求进行烘烤。
3.3 在烘烤过程中,注意观察钢包表面的变化,及时调整烘烤温度和时间,保证钢包的烘烤质量。
3.4 在烘烤结束后,关闭烘烤设备,待钢包冷却后进行后续操作。
4. 废气处理4.1 在烘烤过程中产生的废气需要进行有效处理,确保环境安全和操作人员的健康。
4.2 废气处理设备应处于正常运行状态,定期清理和维护,保证废气排放的安全性和有效性。
4.3 禁止将废气排放到人员密集区域,避免有害气体的直接接触和吸入。
5. 灭火和应急处理5.1 在烘烤过程中,如发生火灾,操作人员应立即报警,并采取相应的灭火措施,避免火灾蔓延和扩大。
5.2 在烘烤过程中,如有其他意外情况发生,操作人员应立即停止烘烤操作,并按照应急处理程序进行处理。
钢包烘烤装置的作用于类型A 钢包烘烤装置的作用钢包在受钢前必需在钢包烘烤装置的工位上,按规定的钢包烘烤制度进行烘烤作业。
通过烘烤处理,既能够去除钢包耐火衬中的水分,提高耐火衬的耐冲刷,耐侵蚀性能;又能够提高钢包耐火衬的使用温度,削减耐火衬的破损,削减钢包的钢水温降。
B 钢包烘烤装置的类型钢包烘烤装置的形式有立式钢包烘烤装置和卧式钢包烘烤装置两种:(1)立式钢包烘烤装置。
立式钢包烘烤装置烘烤时,钢包以直立状态落地放置,烘烤火焰从钢包口中心处向下喷射钢包内部。
它的特点足烘烤温度比较匀称,钢包耐火衬易烧结成一个整体,有利于耐火衬中水分的挥发,烘烤操作也比较便利。
但烘烤火焰产生的热量没有被充分的利用,钢包需要较长时间的烘烤,造成烘烤介质的铺张。
另外为便利钢包的吊装,要求有较大的使用环境空间。
(2)卧式钢包烘烤装置。
卧式钢包烘烤装置烘烤时,钢包以横卧状态翻转放置,烘烤火焰是从钢包口中心处以水平横向喷射钢包内部。
它的特点是烘烤火焰燃烧比较充分,烘烤热量利用率较高,钢包烘烤时间削减,烘烤介质消耗可以削减,对使用环境空间的要求也削减。
但由于横向喷出的火焰会向上窜动,致使钢包的烘烤温度不匀称,造成钢包耐火衬局部烘烤不足,钢包在翻转时会造成新砌耐火衬的松动和局部塌落等问题,因此新砌耐火衬的钢包应在立式钢包烘烤装置上进行烘烤。
C 烘烤介质烘烤介质是指供应钢包烘烤装置火焰燃烧所需要的燃料介质及助燃介质。
a燃料介质燃料介质主要有燃油类燃料介质和燃气类燃料介质:(1)燃油类燃料介质。
燃油类燃料介质主要有重油和轻柴油两种。
1)重油的烘烤特点是燃烧发热值大,烘烤效果好,烘烤时间短,但需设置储存与预热重油的设施,重油在燃烧时烟雾较大,需留意平安操作。
2)轻柴油的烘烤特点是燃烧发热值比重油大,烘烤效果好,烘烤时间短,操作使用简便,适用于快速烘烤的需要;需设置储油设施,燃油成本较高,不相宜烘烤耐急冷急热性差的耐火材料,但需留意平安操作。
钢包烘烤安全管理制度
1、钢包烘烤前应对钢包维修情况进行确认;
2、小修钢包,更换水口座砖和透气砖,小火烘烤4-6小时后,根据煤气压力加大煤气量和开启增压风机,大火烘烤4小时后可以使用;
3、大修钢包,更换水口座砖,透气砖,挖补底部冲钢区或渣线砖,小火烘烤4-6小时后,根据煤气压力加大煤气量和开启增压风机,大火烘烤8小时后方可使用;
4、全修包(新包不包括永久层),小火烘烤24小时后,转开中火,增压风机也开至中档,最短时间不低于12小时。
然后大火烘烤,时间保证8小时以上可以使用;
5、全新包(永久层全新浇筑),新浇筑好的钢包必须放置15天左右,方可用小火烘烤36小时以上,再用中火烘烤24小时。
然后用大火烘烤12小时以上即可使用;
6、加大煤气用量和开启增压风机前,必须升起烤包器盖距钢包沿口40-50cm,防止煤气燃烧能量不能完全释放,在包膛内发生爆炸引发安全事故。
7、烘烤钢包注意事项:
(1)严格遵守煤气安全使用作业标准烘烤钢包。
(2)冷包、新包在没烤红之前,每半小时安排人员携带煤气检测仪巡检一次,防止点火后熄灭发生煤气泄漏,引发安全事故。
(3)新永久层钢包必须小火,中火长时间烘烤,以便蒸发尽永久层
水分并使钢包内受热匀衡,防止永久层产生裂缝,影响钢包安全使用。
新展望集团钢包打结烘烤操作规程一、打结前准备工作1、打结前检查钢包壳要求无变形,包壳内铆固钉是否按要求布置焊接牢固,残渣、冷钢等是否清理干净,必须确认后才能投入打结。
2、打结小修包前必须将打结部位干净,再检查其余部位,必须将残钢,残渣清理干净,以保证衬胎模安放到位。
3、先将待浇包壳放置平整,然后放置座砖模,其中心要求与水口中心对正,误差≤5㎜,并固定牢靠。
4、根据要求测量出包底厚度,并用粉笔划线,以保证包底厚度≥380㎜。
5、在钢包胎模表面均匀的涂抹一层润滑油待用。
6、检查混合料有无结块,如有结块不得投入使用。
7、检查所用风管有无漏气、振动器等设备是否正常,确认正常后才能使用。
8、做好各类操作记录,确保施工中的数据的真实性。
二、养护与脱模1、打结好的钢包,用行车将胎模脱松,即可脱模。
2、脱模时用行车主钓垂直吊出衬胎模,严格禁歪拉斜吊。
3、如果衬胎模不易脱出,可将包体随衬胎模吊离地面50~80mm 高,用铁锤击打钢包外壳,帮助脱模,包体离地面不得超过100mm高,严禁采用碰撞脱模。
4、钢包放置在松软地坪位置,防止脱模后震送打结料;胎模脱出后静置养2小时以上才能投入烘烤。
三、钢包烘烤1、静养好的钢包放置钢包离线烘烤架上,按规定用小火(200~300℃)烘烤2小时,中火(400~450℃)烘烤2小时,加大火(>800℃)烘烤2小时后,可投入使用。
2、烘烤过程中应经常观察火势,要求小火一中大一大火一次性完成烘烤。
3、烘干的判定应按规定方法进行,以烘烤到钢包排气孔不再排气为判定标准,烘干后才能投入使用。
4、烘烤钢包的时间段、包号等均须做好真实记录。
四、使用1、钢包交付使用应有打结、连铸双方共同验收确认,连铸专人负责签字确保,打结烘烤方可交付使用。
2、上线使用前应对钢包进行洗包,洗包后静置24小时充分排出钢包内的水分。
五、备注本规程仅限于石英砂打结钢包。
新展望集团炼钢厂钢包制作流程表。