Y221封隔器说明书
- 格式:doc
- 大小:68.50 KB
- 文档页数:5
封隔器1、概述:封隔器是在套管里封隔油层的重要工具。
它的主要元件是胶皮筒,通过水力或机械的作用,使胶皮筒鼓胀密封油管和套管的环形空间,把上下油层分开,达到某种施工目的,这就是封隔器的主要作用。
2、分类:封器的型式很多,按其工作原理分为八种类型,即支撑式、卡瓦式、皮碗式、水力扩张式(水力压差式)、水力自封式、水力密闭式、水力压缩式、水力机械式。
按封隔元件的工作原理分为四种,即自封式、压缩式、楔入式、扩张式。
3、编号:旧编号是用油田代号、型式代号、公称尺寸、结构代号、设计次数。
部定型油田代号型式代号适用套管公称直径结构设计产品代号代号代号大庆DQ 支撑式 1 41/2套管43/4裸眼 4胜利SL 卡瓦式 2 5、51/2、53/4套管51/4裸眼 5四川SC 皮碗式 3 65/8套管 6大港DG 水力扩张式 4 7、75/8套管73/4、71/2裸眼7华北HB 水力自封式 5 85/8套管81/2裸眼8D 江汉JH 水力密闭式 6 93/4裸眼9玉门YM 水力压缩式7 113/4裸眼11新疆XJ 水力机械式8 121/4裸眼12青海QH长庆ZQ辽河LH江苏IS河南HN吉林JL海洋HY如上述方法表达不清时可适当加用文字,例如HB671型裸眼封隔器;石油部定型产品可在油田代号前加D,如DSL151型封隔器,表示部定型的胜利油田研制的支撑式封隔器,适用127套管。
1.新编号是按封隔元件分类代号、支撑代号、座封代号、解封代号、及封隔器钢体最大外径五个参数依次排列进行编号的。
分类代号支撑方式代号座封方式代号解封方式代号钢体最大外径自封式Z 尾管 1 提放管柱 1 提放管柱 1 mm压缩式Y 单向卡瓦 2 旋转管柱 2 旋转管柱 2楔入式X 无支撑 3 自封 3 钻铣 3扩张式K 双向卡瓦 4 液压 4 液压 4锚瓦 5 下工具 5 下工具 5应用本标准时,可将油田名称加到封隔器型号的前面,特殊用途加到封隔器型号的后面。
井下工具类——封隔器Y111系列封隔器规格型号Y111-110Y111-114最大外径110mm 114mm通径60mm 62mm总长790mm 790mm工作压力25~35MPa 25~35MPa工作温度120℃120℃坐封力60~80KN 60~80KN2.结构简单,性能稳定可靠;3.使用方便,成本低。
主要由上接头、胶筒、中心管、下接头、限位体等部分组成。
该封隔器是用尾管或卡瓦封隔器为支点支撑,下放管柱时上接头和中心管下行压缩胶筒使封隔器坐封,封隔油套环形空间。
解封时上提管柱封隔器胶筒回收,封隔器解封。
该工具单独使用或与Y211、Y221或Y521型联用,进行分层试油,分层采油,分层卡水等作业,该工具的主要优点在于结构简单,工具长度短,坐封可靠,操作特别方便。
井下工具类——封隔器Y221A 系列封隔器摩擦换向器等组成。
该封隔器采用单向卡瓦支撑,上提正转管柱后下放,轨道销钉从短槽滑入长槽,从而卡瓦与锥体楔形面产生相对运动,张开的卡瓦紧紧地卡在套管内壁上,实现锚定。
同时下放时管柱的部份重量使胶筒轴向压缩径向膨胀,达到密封油、套环空之目的。
解封时上提管柱即可解封。
2.坐、解封灵活,操作方便;3.可重复坐封、解封、多点卡封。
砂、分层注水等井下作业,该工具具有结构简单,操作使用方便等优点。
井下工具类——封隔器Y221B系列封隔器管、胶筒、下接头等组成。
该型封隔器坐封可靠,操作比较方便。
坐封时,先上提并正转管柱,然后下放管柱,轨道销钉从短槽滑入长槽,从而卡瓦与锥体楔形面产生相对运动,张开的卡瓦紧紧地卡在套管内壁上,实现锚定。
同时下放时管柱的部份重量使胶筒轴向压缩径向膨胀,达到密封油套环空的目的。
解封时上提管柱即可解封。
2.坐、解封灵活,操作方便;3.可重复坐封、解封、多点卡封。
该封隔器主要用于分层试油、分层采油、卡水、防砂、分层注水等井下作业,该工具具有结构简单,操作使用方便等优点。
井下工具类——封隔器Y341系列封隔器构四大部份组成。
常⽤封隔器使⽤说明各型号封隔器使⽤说明书⼀、DY245-150型封隔器1、技术参数:最⼤外径:150mm;座封压⼒:20MPa;最⼤内径:36mm;解封⼒:40-60KN丢⼿后通径:100mm;总长:1200mm;⼯作压⼒:上压〈15MPa;下压〈10MPa使⽤温度:350℃(⾼温)2、结构:封隔器采⽤⽔⼒座封,上提解封、丢⼿同时完成的结构。
结构可分为座封、丢⼿、主体、解封四部分。
座封部分主要是液动系统,可以产⽣⾜够的座封⼒。
丢⼿部分由弹性⽖、滑阀及⽀撑等部件组成,滑阀移动由销钉控制,剪断锁钉后滑阀将⽀撑件分开可保证准确的座封压⼒和⾜够的推动⼒,使丢⼿准确可靠。
主体部分包括密封件、卡⽡、锥体及缩紧机构,密封件在350℃⾼温下长期使⽤密封可靠,卡⽡为单向卡⽡,锥体在上⾯解封容易,锁紧机构为双级锁紧,⼀级为单向锯齿⽛块锁紧,由⽚状箍簧压紧,箍簧为耐⾼温材料制造,具有体积⼩、强度⾼、锁紧⼒⼤的特点;另⼀级为⽆级内卡⽡锁紧,可保证锥体只能单项移动,使封隔器能承受双向压差。
解封部分由分瓣接头、解封打捞套组成,只有在下⼊专⽤⼯具才能解封,解封可以上提,也可以正转管柱来实现。
3、⼯作原理:将管柱下到设计位置,投⼊钢球,⽤⽔泥车憋压,当压⼒达到⼀定值时,座封机构开始动作,推动密封件和锥体下移,紧锁机构锁紧,压⼒继续升⾼到23MPa,将滑阀销钉剪断,滑阀下移推出⽀撑部件,弹性⽖失去⽀撑,同时管柱压⼒突然下降,上提管柱和封隔器丢⼿部分。
4、特点:1) 可以承受上下压差;2)能够承受较⼤的管柱负荷,遇阻时可承受较⼤的上提和下放吨位;3)丢⼿简单可靠;4)丢⼿后通径100mm,应⽤⼴范;5)采⽤⾼温密封件在350℃及⾼温下长期⼯作。
5、⽤途:1)⽤于管内防砂作悬挂器;2)与其它封隔器⼀起使⽤可分层采油、分层注汽、调层,实现过泵⼯艺。
⼆、FXy445-114E可捞式压裂桥塞1、技术参数:最⼤刚体外径:114mm;座封压⼒:22+2MPa;⼯作套管内径:121-124mm;解封⼒:70+10KN丢⼿后通径:100mm;总长:1200mm;⼯作压⼒:上压差70MPa;下压差35MPa⼯作温度:<120℃联接扣型:上端2 7/8 TBG母扣2、⼯作原理:该⼯具把送封⼯具和封堵⼯具设计为⼀体。
封隔器解封失效原因分析及打捞工艺探讨——以黄34-1井打捞Y221封隔器为例何彦荣【摘要】在黄34-1井打捞Y221-114封隔器施工中,封隔器上接头倒扣起出,捞矛杆断在中心管内,中心管外胶皮未回收、隔环等配件完好,卡瓦未收回。
套磨铣时井下落鱼一起转动,造成封隔器无法进行内捞和外捞。
通过对井下落鱼结构的分析研究,对套磨铣工具进行改进,研制出特殊的磨铣工具,创造了打捞条件,在很短的时间内完成了该井的打捞施工。
%In the process of fishing Y221-114 packer in Huang 34-1 well,after packer’s topconnection is tripped out via reversing,fishing rod breaks inside the central casing and the rubber around it is not retrieved.Slips are not taken back although retainer and other parts are in good condition.While casing milling,the fish in the hole is turning together,which makes it difficult to fish the packer inside or outside.Base on analytical research of downhole fish configuration,casing milling tools have been improved and special milling tools have been developed,thus ensuring the fishing completion of the well in a short time.【期刊名称】《江汉石油职工大学学报》【年(卷),期】2012(025)003【总页数】4页(P22-25)【关键词】封隔器;打捞;解卡;工艺【作者】何彦荣【作者单位】中国石化集团江汉石油管理局井下测试公司,湖北武汉430040【正文语种】中文【中图分类】TE38在油田开发过程中,常用各种封隔器来卡堵水,分层产油,从而降低油井含水,增加产油量,达到改善开发效果的目的。
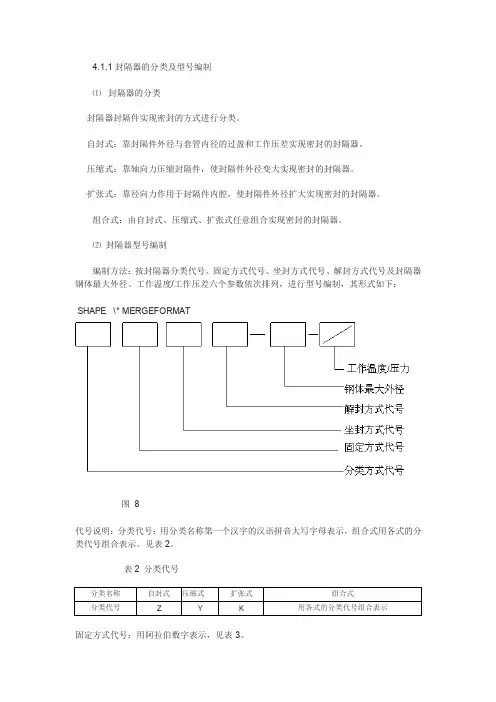
4.1.1封隔器的分类及型号编制⑴封隔器的分类封隔器封隔件实现密封的方式进行分类。
自封式:靠封隔件外径与套管内径的过盈和工作压差实现密封的封隔器。
压缩式:靠轴向力压缩封隔件,使封隔件外径变大实现密封的封隔器。
扩张式:靠径向力作用于封隔件内腔,使封隔件外径扩大实现密封的封隔器。
组合式:由自封式、压缩式、扩张式任意组合实现密封的封隔器。
⑵封隔器型号编制编制方法:按封隔器分类代号、固定方式代号、坐封方式代号、解封方式代号及封隔器钢体最大外径、工作温度/工作压差六个参数依次排列,进行型号编制,其形式如下:SHAPE \* MERGEFORMAT图8代号说明:分类代号:用分类名称第一个汉字的汉语拼音大写字母表示,组合式用各式的分类代号组合表示。
见表2。
表2 分类代号固定方式代号:用阿拉伯数字表示,见表3。
表3 固定方式代号坐封方式代号:用阿拉伯数字表示,见表4。
表4 坐封方式代号解封方式代号:用阿拉伯数字表示,见表5。
表5 解封方式代号钢体最大外径:用阿拉伯数字表示,单位为毫米(mm)。
工作温度:用阿拉伯数字表示,单位为摄氏度(℃)。
工作压差:用阿拉伯数字表示,单位为兆。
4.2常用分层注水工具的结构、原理4.2.1封隔器随着现场井况的变化,封隔器也随之逐步改进,形成了多种多样的、满足各种条件的封隔器。
但其最基本的原理都是相通的。
下面介绍几种最基本的封隔器的结构和原理。
⑴Y211封隔器①结构:见图9。
图9 Y211封隔器1-上接头2-调节环3-“O”型圈4-边胶筒5-隔环6-中胶筒7-中心管8-楔形体帽9-档环10-防松螺钉11- 楔形体12-防松螺钉13-限位螺钉14-卡瓦15-大卡瓦档环16-固定螺钉17-连接环18-小卡瓦档块19-防松螺钉20-护罩21-弹簧22-锁环套23-档球套24-档球25-顶套26-扶正体27-压环28-摩擦块29-压簧30-限钉压环31-滑环32-轨道销钉33-防松螺钉34-下接头②工作原理:坐封:按所需坐封高度上提管柱后下放管柱,由件26~30组成的扶正器依靠弹簧29的弹力造成摩擦块28与套管壁的摩擦力,扶正器则沿中心管7轨迹槽运动,轨道销钉32从原来的短槽上死点A经过B到达长槽上死点C的坐封位置。
目前压裂常用的井下工具有那些?各有什么作用?目前压裂常用的井下工具主要有:封隔器、导压喷砂器、水力锚、直嘴子及其它辅助工具。
它们的作用是:封隔器:用于分层压裂,将其下入射孔段底部1.5米左右。
对于上部套管需要保护的井,要下入保护上部套管的封隔器,使封隔器上部套管在压裂时不承受高压。
导压喷砂器:是与封隔器配套使用一次完成多层分压的喷砂工具。
作用:控制施工排量、产生压差。
改变压裂液流动方向。
水力锚:用于压裂施工时,固定管柱,防止管柱由于高压断脱在井内造成事故。
固定管柱,防止油管受压后上顶、产生弯曲、变形。
帮助封隔器工作,保护封隔器胶筒不因油管位移产生破裂失封,致使压裂失败。
直嘴子:控制施工排量。
产生压差,利于封隔器工作。
井下处常用压裂井下工具压裂施工井下工具分类•封隔器•控制类工具第一部分:封隔器1、K344型封隔器1)作用:该封隔器适用于中深井的合层、任意一层或分层的压裂与酸化作业,可以组成一次分压多层的压裂管柱和一次分酸多层的酸化施工管柱。
2)结构主要有上接头、胶筒座、胶筒、中心管、“O”型胶圈、滤网、下接头等。
(如图1所示)图1 K344型封隔器结构图3)工作原理封隔器下入井下设计深度后,从油管内加液压,高压液体经过滤网、下接头的孔眼和中心管的水槽作用在胶筒的内腔。
由于此压力大于油、套管环形空间的压力而形成压力差。
在此压差的作用下,胶筒胀大将油套管环形空间封隔住。
解封时只需泄掉油管内的高压,使油管与油套管环形空间的压力平衡,胶筒靠本身的弹力收回便可解封。
4)K344-115型封隔器主要技术参数(见表1)表1 K344-115主要技术参数表最大外径,mm φ115最小通径,mm φ55长度,mm 926坐封压力,MPa 0.5~1.5工作压力,MPa 35工作温度,℃902、Y344型封隔器1)作用:该封隔器主要用于分层压裂、分层酸化、以及实现某种技术目的进行的地层封隔作业。
2)结构主要有上接头、压帽、梯形盘根、中心管、衬套、胶筒、隔环、下胶筒座、上活塞、上缸套、中间接头A、短中心管、下活塞、下缸套、中间接头B、“O”型胶圈、和下接头等组成。
Y221封隔器
使
用
说
明
书
濮阳市信宇石油机械化工有限公司
一、产品简介
Y221封隔器是我公司引进国外先进产品技术和大专院校、油田使用单位,通过实践研制的一种新的封隔器。该封隔器是一种高温
高压封隔器,适用于卡封压裂、挤堵、验封、高压注水等措施施工,该封隔器具有易座封、易解封、操作简单等特点。
二、工作原理
Y221封隔器为单向卡瓦支撑,上提正转管柱后下放压缩座封,上提管柱解封封隔器。
三、结构特点
该工具主要有以下几部分组成:
1、胶筒
胶筒材料为改性氟性橡胶72小时硫化制成,具有耐高温,抗老化,抗高压差的特点,长期座封压缩解封后,复原性能好。
2、卡瓦总成
设计上有用T型槽导向限位伸缩滑动六卡瓦结构,工作灵活可靠,卡瓦咬合面镶嵌硬质合金牙,使卡瓦可以轻易抓咬住任何钢级
的套管,克服因卡瓦与套管咬合不牢使封隔器座封困难或中途解封。
3、摩擦换向总成
摩擦片体嵌硬质合金,防止井下作业过程中摩擦片的过度磨损,摩擦片顶紧弹簧为高弹力不锈钢叠簧,在井下高温,腐蚀介质的
长期作用下性能不受影响,便于工具座封不解封。
四、主要技术参数
工具型号 Y221-114
适用套管外径(mm) 139.7
适用套管壁厚(mm) 7.22 9.17
工具最大外径(mm) 115
工具长度(mm) 1100
最大工作压差(Mpa) 35
耐温 120
推荐座封压力(KN) 100±20
水限内径(㎜) 48
接头扣型 27/8TBG
五、Y221封隔器操作要求
1、施工注意事项
A、搬运过程中,轻搬轻放。
B、卡封管柱下井前必须丈量准确,确保封隔器下到设计位置,如需要应准备管柱的调整短节。
C、卡封管柱必须逐根用φ59㎜的标准内径规通过,丝扣清洁,涂密封脂,上紧丝扣。
D、在起下封隔器作业过程中,井口安装防掉装置。
E、安全环保按有关规定执行。
2、施工准备
A、按要求检查下井封隔器
B、上提升负荷大于封隔器管柱悬约200KN作业机。
C、大钩应在提起全部管柱负荷情况下转动灵活,否则应备旋转短节。
D、指重表灵敏、可靠。
E、推荐采用液压钳上卸封隔器管起下管柱。
F、依据施工设计选择卡封下井管柱尺寸与钢级。
G、依据设计选择封隔器。
3、作业施工步骤
A、起出原井管柱。
B、选用合适的通径规下通井管柱,通至卡封井段以下10-20米。
C、下套管刮削器,在卡点上下10米反复刮削。
D、在工具下井全部过程中尽量防止管柱猛提猛放,防止在下井过程中工具重复多次座封导致工具损坏,使胶筒失效,一旦出现中
途座封,不可继续下放管柱加压,应下提管柱2-3米,确保工具解封后再进行下井管柱作业。
E、如需封隔器卡点深度精确定位,需采用电测校深,依据电测解释结果调整井下封隔器深度。
F、工具座封:
上提管柱——下放管柱,加压密封。
管柱加压下放长度S的参数确定:计算公式为:S=F*L*K*10
-4
S-管柱对封隔器加压过程中,管柱悬挂器下放就位下行的距离
F-封隔器加压座封力(KN),对于139.7㎜套管推荐80-120KN。
L-封隔器管柱长度,单位:米
K-管柱弹性伸长系数,
Y221-115封隔器
1、结构:由密封、轨道换向和卡瓦总成三部分组成,包括上部接头、防松销钉、调节环、胶皮筒、垫片、中心管、锥体帽、锥体、卡瓦、卡瓦托、连接环、直接套、槽体、摩擦块、
弹簧、托环、摩擦弹簧、轨道销钉、下部接头。
2、用途:Y221-115封适用于51/2套管井的分层试油、采油。找水、堵水、压裂、酸化、防砂。也可于Y111-114配套组成多级封隔管柱。
3、工作原理:封隔器在下井过程中换向机构的转动销钉始终在短轨道上死点内,当封隔器下到设计位置后,上提座封所需高度,再连续进行不间断的正转管柱,此时中心管也不
停的旋转。这时慢放管柱,转动销钉就进入长轨道然后停止转动油管,继续下放管柱,在扶正块与套管内壁摩擦力的作用下,托住卡瓦牙,椎体下移撑开卡瓦,卡在套管壁上,并
且在油管的重量作用下使胶筒轴向压缩、径向扩张,从而封隔油套环空。解封时,上提油管,中心管上移,转动销钉沿轨道斜壁移至短轨道下死点,胶筒和卡瓦牙收回,从而解封。
4、技术参数:
(1)规格型号:Y221-115、
(2)
最大外径:115mm
(3)最小通径:48mm
(4)卡瓦牙张开最小外径:136mm、(5)座封载荷:60-80KN、(6)适用套管内径:Φ121-127mm
一、用途:
该封隔器主要用于分层试油、分层采油、卡水、防砂、分层注水等井下作业,该工具具有结构简单,操作使用方便等优点。
二、技术参数:
1. 钢体最大外径(mm):Ф115
2. 扶正块张开最大外径(mm):Ф134~Ф136
3. 扶正块并紧最大外径(mm):Ф116
4. 承受压差(Mpa):正向25,反向8
2-1/2”油管0.4777*10
-4
3’油管0.3123*10-4
5. 工具两端连接螺纹:27/8 TBG
6. 坐封力(KN):80~100
7. 适用套管:51/2″
三、工作原理:
下入: 将该工具直接连在管柱上,此时定位凸耳位于下死点,上提油管至一定高度右旋,在保持右旋扭矩的同时下放管柱,锥体撑开卡瓦,卡住套管壁,
压缩胶筒密封于油套环形空间。
解封:上提管柱直接解封。
1.上接头 2. 中心管 3 .限位套 4 .剪钉 5 .锥体 6 .卡瓦 7.扶正器
8 .圆柱销 9.弹簧 10. 扶正块 11.座封套 12.销子 13.下接头
四、注意事项:
1.封隔器下井前应用相应的通井规通井,用套管
刮 削器进行 刮削作业。
2.所选用的封隔器是否与所适用的套管规格相符。
3.封隔器的坐封位置要避开套管接箍。
4.封隔器的下入速度应维持在每根不应少于10秒,
且速度要 均匀。
5.下井前要检查封隔器换轨是否灵活、可靠。