封隔器型号讲解
- 格式:doc
- 大小:742.50 KB
- 文档页数:8
4.1.1封隔器的分类及型号编制⑴封隔器的分类封隔器封隔件实现密封的方式进行分类。
自封式:靠封隔件外径与套管内径的过盈和工作压差实现密封的封隔器。
压缩式:靠轴向力压缩封隔件,使封隔件外径变大实现密封的封隔器。
扩张式:靠径向力作用于封隔件内腔,使封隔件外径扩大实现密封的封隔器。
组合式:由自封式、压缩式、扩张式任意组合实现密封的封隔器。
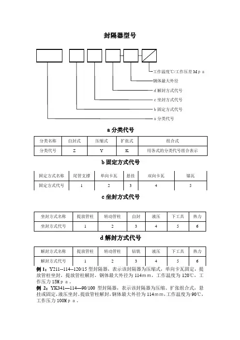
⑵封隔器型号编制编制方法:按封隔器分类代号、固定方式代号、坐封方式代号、解封方式代号及封隔器钢体最大外径、工作温度/工作压差六个参数依次排列,进行型号编制,其形式如下:SHAPE \* MERGEFORMAT图 8代号说明:分类代号:用分类名称第一个汉字的汉语拼音大写字母表示,组合式用各式的分类代号组合表示。
见表2。
表2 分类代号固定方式代号:用阿拉伯数字表示,见表3。
表3 固定方式代号坐封方式代号:用阿拉伯数字表示,见表4。
表4 坐封方式代号解封方式代号:用阿拉伯数字表示,见表5。
表5 解封方式代号钢体最大外径:用阿拉伯数字表示,单位为毫米(mm)。
工作温度:用阿拉伯数字表示,单位为摄氏度(℃)。
工作压差:用阿拉伯数字表示,单位为兆。
4.2常用分层注水工具的结构、原理4.2.1封隔器随着现场井况的变化,封隔器也随之逐步改进,形成了多种多样的、满足各种条件的封隔器。
但其最基本的原理都是相通的。
下面介绍几种最基本的封隔器的结构和原理。
⑴ Y211封隔器①结构:见图9。
图9 Y211封隔器1-上接头 2-调节环 3-“O”型圈 4-边胶筒 5-隔环 6-中胶筒 7-中心管 8-楔形体帽 9-档环 10-防松螺钉 11- 楔形体12-防松螺钉 13-限位螺钉 14-卡瓦 15-大卡瓦档环 16-固定螺钉 17-连接环 18-小卡瓦档块 19-防松螺钉 20-护罩 21-弹簧 22-锁环套 23-档球套24-档球 25-顶套 26-扶正体 27-压环 28-摩擦块 29-压簧 30-限钉压环 31-滑环 32-轨道销钉 33-防松螺钉 34-下接头②工作原理:(运动轨迹是花键槽,短槽上死点A,长槽上死点C,B过渡点)坐封:按所需坐封高度上提管柱后下放管柱,由件26~30组成的扶正器依靠弹簧29的弹力造成摩擦块28与套管壁的摩擦力,扶正器则沿中心管7轨迹槽运动,轨道销钉32从原来的短槽上死点A经过B到达长槽上死点C的坐封位置。
•各型号封隔器使用说明书一、DY245-150型封隔器1、技术参数:最大外径:150mm;座封压力:20MPa;最大内径:36mm;解封力:40-60KN丢手后通径:100mm;总长:1200mm;工作压力:上压〈15MPa;下压〈10MPa使用温度:350℃(高温)2、结构:封隔器采用水力座封,上提解封、丢手同时完成的结构。
结构可分为座封、丢手、主体、解封四部分。
座封部分主要是液动系统,可以产生足够的座封力。
丢手部分由弹性爪、滑阀及支撑等部件组成,滑阀移动由销钉控制,剪断锁钉后滑阀将支撑件分开可保证准确的座封压力和足够的推动力,使丢手准确可靠。
主体部分包括密封件、卡瓦、锥体及缩紧机构,密封件在350℃高温下长期使用密封可靠,卡瓦为单向卡瓦,锥体在上面解封容易,锁紧机构为双级锁紧,一级为单向锯齿牙块锁紧,由片状箍簧压紧,箍簧为耐高温材料制造,具有体积小、强度高、锁紧力大的特点;另一级为无级内卡瓦锁紧,可保证锥体只能单项移动,使封隔器能承受双向压差。
解封部分由分瓣接头、解封打捞套组成,只有在下入专用工具才能解封,解封可以上提,也可以正转管柱来实现。
3、工作原理:将管柱下到设计位置,投入钢球,用水泥车憋压,当压力达到一定值时,座封机构开始动作,推动密封件和锥体下移,紧锁机构锁紧,压力继续升高到23MPa,将滑阀销钉剪断,滑阀下移推出支撑部件,弹性爪失去支撑,同时管柱压力突然下降,上提管柱和封隔器丢手部分。
4、特点:1) 可以承受上下压差;2)能够承受较大的管柱负荷,遇阻时可承受较大的上提和下放吨位;3)丢手简单可靠;4)丢手后通径100mm,应用广范;5)采用高温密封件在350℃及高温下长期工作。
5、用途:1)用于管内防砂作悬挂器;2)与其它封隔器一起使用可分层采油、分层注汽、调层,实现过泵工艺。
二、FXy445-114E可捞式压裂桥塞1、技术参数:最大刚体外径:114mm;座封压力:22+2MPa;工作套管内径:121-124mm;解封力:70+10KN丢手后通径:100mm;总长:1200mm;工作压力:上压差70MPa;下压差35MPa工作温度:<120℃联接扣型:上端2 7/8 TBG母扣2、工作原理:该工具把送封工具和封堵工具设计为一体。
封隔器型号编制方法
(1)编制方法
按封隔器分类代码、固定方式代号、坐封方式代号、解封方式代号以及封隔器刚体最大外径、工作温度/工作压差六个参数依次排列,进行型号编制。
(2)代号说明
①分类代号:用分类名称第一个汉字的汉语拼音大写字母表示,组合式用各式的分类代号组合表示。
分类名称自封式压缩式扩张式组合式
分类代号Z Y K 用各式的分类代号组合
表示
②固定方式代号:用阿拉伯数字表示。
固定方式名称尾管支撑单向卡瓦悬挂双向卡瓦锚瓦
固定方式代号12345
③坐封方式代号:用阿拉伯数字表示。
坐封方式名称提放管柱转动管柱自封液压下工具热力坐封方式代号123456
④解封方式代码:用阿拉伯数字表示。
解封方式名称提放管柱转动管柱钻铣液压下工具热力解封方式代号123456
长庆油田油井完井主要应用了Y111、Y221、Y211、Y341、Y141、Y453、Y445等封隔器类型;水井完井主要应用了K344、Y341、Y342封隔器等类型;气井完井主要应用Y344、Y443、Y241等封隔器;压裂主要应用了K344、Y344、Y241、Y341等封隔器类型。
(七) Y221-115型封隔器
(一)规格型号:
Y221-115型封隔
器, 外径114mm, 长
度:1070 mm, 内径48mm
(二)结构:
上接头, 定位销钉, 调节环,
胶筒, 隔环, 限位套, 锥体, 卡瓦座, 坐封剪钉, 卡瓦, 扶正块, 扶正器座, 弹簧, 滑环套, 滑环, 下接头.
(三)原理:
下井时,轨道销钉位于”J”形轨道内, 卡瓦被限制作较小的轴向移动, 其外径始终小于锥体, 不坐封.
当封隔器下至预定位置后, 上提坐封高度, 边旋转油管, 边下放管柱, 使轨道销钉进入长轨道, 整个轨道总成部分上移, 推动卡瓦牙上移, 在锥体作用下, 卡瓦扩张, 卡于套壁上形成支点, 胶筒受油管重量压缩胀大, 密封环空.
解封时, 上提油管, 卡瓦在锥体燕尾槽作用下缩回, 同时轨道销钉进入短轨道. 胶筒在自身弹力作用下恢复原状, 即可起出.
(四)用途:
分采, 分处理, 适用于: 122-132mm套管内.
单级使用
井下条件允许时, 封隔器下部应接30-40m尾管
(五)技术要求:
(1)下管柱过程中和坐封前, 都不能正转管柱, 否则会中途坐封, 如坐封, 可
上提管柱1m 左右解封.
(2)下井管柱丝扣须上紧.
(3)坐封隔器坐封高度, 决定于下入深度, 坐封载荷和胶筒密封压缩距等因
素.。
封隔器编码解释分类代号:固定方式代号坐封方式代号解封方式代号性能代号设计单位代号设计单位代号采用代表设计单位的头两个汉语拼音字母,设计单位为采油厂采用大写字母C 开头,阿拉伯数字代表采油厂。
工作温度及压力温度单位为℃,压力单位为MPa应用举例Y341-114-X-C4-90/15型封隔器,表示该封隔器为压缩式,悬挂固定,液压坐封,提放管柱解封,注水井用可洗井封隔器,设计单位为采油四厂,工作温度为90℃,工作压力为15MPa。
Y341-114-D-CY-90/15型封隔器,表示该封隔器为压缩式,悬挂固定,液压坐封,提放管柱解封,油井用堵水封隔器,设计单位为采油工艺研究所,工作温度为90℃,工作压力为15MPa。
工艺室方案一:井下封隔器一、比赛内容对目前常用几种封隔器代码表示的意义及工具特点进行描述,考察职工对井下封隔器情况的熟悉程度。
二、比赛规则1、每名参赛人员随机抽取一张,并根据内容对每道题进行分析。
2、由评委对照答案进行评分。
三、比赛时间及地点工程技术大队后四楼会议室,时间待定。
请说出以下封隔器代码表示的意义及工具特点一、Y344-114-D-CY-90/15封隔器答案:代码:压缩式悬挂固定液压坐封液压解封外径114堵水封隔器,采研生产,油管正打压15Mpa释放,油管正打压18-20Mpa解封,工作温度90℃,工作压力为15Mpa。
主要用于机械堵水。
封隔器特点:无支撑,利用液压坐封和解封的液压式封隔器。
二、K344-110-CY-90/15 (475-8)封隔器答案:代码:扩张式悬挂固定液压坐封液压解封外径110封隔器,采研生产,工作温度90℃,工作压力为15Mpa。
油管正打压0.5-1.5Mpa释放,油管卸压解封。
主要用于分层注水,分层压裂、酸化,验窜等工艺。
封隔器特点:扩张式封隔器必须与节流器配套使用,其优点是结构简单,不能单独坐封封隔器;缺点是必须在油管内外造成一定压差才能正常工作。
三、Y341-114-X-JH-90/15(Y341-114ML)封隔器答案:代码:压缩式悬挂固定液压坐封上提解封外径114可洗井封隔器,景洪生产,工作温度90℃,工作压力为15Mpa。
各型号封隔器使用说明书一、DY245-150型封隔器1、技术参数:最大外径:150mm;座封压力:20MPa;最大内径:36mm;解封力:40-60KN丢手后通径:100mm;总长:1200mm;工作压力:上压〈15MPa;下压〈10MPa使用温度:350℃(高温)2、结构:封隔器采用水力座封,上提解封、丢手同时完成的结构。
结构可分为座封、丢手、主体、解封四部分。
座封部分主要是液动系统,可以产生足够的座封力。
丢手部分由弹性爪、滑阀及支撑等部件组成,滑阀移动由销钉控制,剪断锁钉后滑阀将支撑件分开可保证准确的座封压力和足够的推动力,使丢手准确可靠。
主体部分包括密封件、卡瓦、锥体及缩紧机构,密封件在350℃高温下长期使用密封可靠,卡瓦为单向卡瓦,锥体在上面解封容易,锁紧机构为双级锁紧,一级为单向锯齿牙块锁紧,由片状箍簧压紧,箍簧为耐高温材料制造,具有体积小、强度高、锁紧力大的特点;另一级为无级内卡瓦锁紧,可保证锥体只能单项移动,使封隔器能承受双向压差。
解封部分由分瓣接头、解封打捞套组成,只有在下入专用工具才能解封,解封可以上提,也可以正转管柱来实现。
3、工作原理:将管柱下到设计位置,投入钢球,用水泥车憋压,当压力达到一定值时,座封机构开始动作,推动密封件和锥体下移,紧锁机构锁紧,压力继续升高到23MPa,将滑阀销钉剪断,滑阀下移推出支撑部件,弹性爪失去支撑,同时管柱压力突然下降,上提管柱和封隔器丢手部分。
4、特点:1) 可以承受上下压差;2)能够承受较大的管柱负荷,遇阻时可承受较大的上提和下放吨位;3)丢手简单可靠;4)丢手后通径100mm,应用广范;5)采用高温密封件在350℃及高温下长期工作。
5、用途:1)用于管内防砂作悬挂器;2)与其它封隔器一起使用可分层采油、分层注汽、调层,实现过泵工艺。
二、FXy445-114E可捞式压裂桥塞1、技术参数:最大刚体外径:114mm;座封压力:22+2MPa;工作套管内径:121-124mm;解封力:70+10KN丢手后通径:100mm;总长:1200mm;工作压力:上压差70MPa;下压差35MPa工作温度:<120℃联接扣型:上端2 7/8 TBG母扣2、工作原理:该工具把送封工具和封堵工具设计为一体。
精品文档
.
封隔器型号编制方法
(1)编制方法
按封隔器分类代码、固定方式代号、坐封方式代号、解封方式代号以及封隔器刚体最大
外径、工作温度/工作压差六个参数依次排列,进行型号编制。
(2)代号说明
①分类代号:用分类名称第一个汉字的汉语拼音大写字母表示,组合式用各式的分类代
号组合表示。
固定方式名称尾管支撑单向卡瓦悬挂双向卡瓦锚瓦
固定方式代号12345
②固定方式代号:用阿拉伯数字表示。
固定方式名称尾管支撑单向卡瓦悬挂双向卡瓦锚瓦
固定方式代号12345
③坐封方式代号:用阿拉伯数字表示。
坐封方式名称提放管柱转动管柱自封液压下工具热力
坐封方式代号123456
④解封方式代码:用阿拉伯数字表示。
解封方式名称提放管柱转动管柱钻铣液压下工具热力
解封方式代号123456
长庆油田油井完井主要应用了Y111、Y221、Y211、Y341、Y141、Y453、Y445等封隔器类型;水井完井主要应用了K344、Y341、Y342封隔器等类型;气井完井主要应用Y344、Y443、Y241等封隔器;压裂主要应用了K344、Y344、Y241、Y341等封隔器类型。
封隔器(广汉丰业的数据在后面)封隔器是在井筒中把不同的油层、水层分隔开并且能承受一定的压力差的井下工具。
这种工具满足采油工艺要求,既能下到井筒预定位置,封隔得严密,又能在井下具有耐久性,需要时可顺利起到地面,而且还能多级联用。
每一种封隔器都可在给定的方法和载荷作用下产生动作,使封隔件始终处于工作状态,这种操作叫封隔器的坐封。
需要起出封隔器时,按给定的方法和载荷解除封隔件的工作状态,叫解封。
封隔器在井下预定位置坐封后是否起到封隔作用,验证其密封性能的操作叫验封。
一、封隔器的分类及代号的意义油气田封隔器按封隔件的工作原理分为四类:①自封式:靠封隔件外径与套管内径的过盈和压差实现密封。
②压缩式:靠轴向力压缩封隔件,使封隔件直径变大实现密封。
③楔入式:靠楔入件楔入封隔件,使封隔件直径变大实现密封。
④扩张式:一定压力的液体,作用于封隔件内腔,使封隔件直径扩大实现密封。
二、封隔器的型号封隔器的型号由五个参数组成,依次排列如下:工作原理分类代号:自封式—Z压缩式—Y楔入式—X扩张式—K支撑方式代号:尾管—1单向支撑—2无支撑—3 双向卡瓦—4锚瓦—5坐封方式代号:提放管柱—1转管柱—2自封—3液压—4下工具—5解封方式代号:提放管柱—1转管柱—2钻铣—3液压—4下工具—5钢体的最大外径,用阿拉伯数字表示,单位为mm。
应用时,可将油田名称加到封隔器型号前面,特殊用途说明加到型号后面,用文字说明。
例如:华北K341—140型裸眼封隔器,表示为华北油田封隔器,封隔件的工作原理是扩张式,无支撑、液压坐封,提放管柱解封,钢体最大外径为140mm,适用于裸眼井。
三、压缩式Y111封隔器压缩式Y111封隔器是以井底(或卡瓦封隔器和支撑卡瓦)为支点,加压一定管柱重量来坐封。
这种封隔器的结构较简单,各油田的封隔器也基本相同。
用途:用于分层试油、采油、找水、堵水和酸化。
不仅能单独使用,也可和卡瓦式封隔器或支撑卡瓦配套使用。
工作原理:坐封时按所需坐封高度(油管挂距顶丝法兰的高度)下入管柱。
封隔器型号及工作原理封隔器(Isolator)型号及工作原理:1. 光学隔离器(Optical Isolator):工作原理:光学隔离器是一种非对称设计的光学元件。
它通常由线偏振器、磁光晶体、磁场以及另一个线偏振器组成。
线偏振器可以选择性地允许特定方向的偏振光通过。
当光线通过第一个线偏振器时,只有特定方向的光能够通过,然后进入磁光晶体。
磁光晶体在施加磁场时会导致光线发生旋光,改变其偏振方向。
最后,经过线偏振器的光线会再次被过滤,只有特定方向的光能够通过,而其他方向的光则被阻隔。
这样,光学隔离器可以实现单向传输光信号,防止反射和回波。
2. 微波隔离器(Microwave Isolator):工作原理:微波隔离器采用磁铁和非对称传输线的组合来实现信号的单向传输。
在正向传输方向,传输线可以有效地传输信号,而在反向传输方向,由于磁铁的阻挡作用,信号会被衰减或反射掉,从而达到隔离的效果。
3. RF隔离器(Radio Frequency Isolator):工作原理:RF隔离器利用非线性元件的性质,将输入信号的频率分成两个频段。
其中一个频段被频率倍频,而另一个频段则被通过。
在输出端,倍频的频段具有较高的功率,而通过的频段功率较低。
由于非线性元件的特性,输入信号的反向传输被有效地阻止,实现了信号的单向传输和隔离。
4. 电气隔离器(Electrical Isolator):工作原理:电气隔离器通常由电压或电流输入端和输出端之间的电气隔离元件构成。
这种隔离元件可以阻止电流或电压的双向传输,从而实现输入和输出之间的电气隔离。
常见的电气隔离器包括光耦合器、变压器等。
以上是一些常见的封隔器型号及其工作原理,它们在不同领域的电子、光电和通信等应用中发挥着重要的作用。
4.1.1封隔器的分类及型号编制⑴封隔器的分类封隔器封隔件实现密封的方式进行分类。
自封式:靠封隔件外径与套管内径的过盈和工作压差实现密封的封隔器。
压缩式:靠轴向力压缩封隔件,使封隔件外径变大实现密封的封隔器。
扩张式:靠径向力作用于封隔件内腔,使封隔件外径扩大实现密封的封隔器。
组合式:由自封式、压缩式、扩张式任意组合实现密封的封隔器。
⑵封隔器型号编制编制方法:按封隔器分类代号、固定方式代号、坐封方式代号、解封方式代号及封隔器钢体最大外径、工作温度/工作压差六个参数依次排列,进行型号编制,其形式如下:SHAPE \* MERGEFORMAT图8代号说明:分类代号:用分类名称第一个汉字的汉语拼音大写字母表示,组合式用各式的分类代号组合表示。
见表2。
表2 分类代号固定方式代号:用阿拉伯数字表示,见表3。
表3 固定方式代号坐封方式代号:用阿拉伯数字表示,见表4。
表4 坐封方式代号解封方式代号:用阿拉伯数字表示,见表5。
表5 解封方式代号钢体最大外径:用阿拉伯数字表示,单位为毫米(mm)。
工作温度:用阿拉伯数字表示,单位为摄氏度(℃)。
工作压差:用阿拉伯数字表示,单位为兆。
4.2常用分层注水工具的结构、原理4.2.1封隔器随着现场井况的变化,封隔器也随之逐步改进,形成了多种多样的、满足各种条件的封隔器。
但其最基本的原理都是相通的。
下面介绍几种最基本的封隔器的结构和原理。
⑴Y211封隔器①结构:见图9。
图9 Y211封隔器1-上接头2-调节环3-“O”型圈4-边胶筒5-隔环6-中胶筒7-中心管8-楔形体帽9-档环10-防松螺钉11- 楔形体12-防松螺钉13-限位螺钉14-卡瓦15-大卡瓦档环16-固定螺钉17-连接环18-小卡瓦档块19-防松螺钉20-护罩21-弹簧22-锁环套23-档球套24-档球25-顶套26-扶正体27-压环28-摩擦块29-压簧30-限钉压环31-滑环32-轨道销钉33-防松螺钉34-下接头②工作原理:坐封:按所需坐封高度上提管柱后下放管柱,由件26~30组成的扶正器依靠弹簧29的弹力造成摩擦块28与套管壁的摩擦力,扶正器则沿中心管7轨迹槽运动,轨道销钉32从原来的短槽上死点A经过B到达长槽上死点C的坐封位置。
封隔器编码解释
分类代号:
固定方式代号
坐封方式代号
解封方式代号
性能代号
设计单位代号
设计单位代号采用代表设计单位的头两个汉语拼音字母,设计单位为采油厂采用大写字母C 开头,阿拉伯数字代表采油厂。
工作温度及压力
温度单位为℃,压力单位为MPa
应用举例
Y341-114-X-C4-90/15型封隔器,表示该封隔器为压缩式,悬挂固定,液压坐封,提放管柱解封,注水井用可洗井封隔器,设计单位为采油四厂,工作温度为90℃,工作压力为15MPa。
Y341-114-D-CY-90/15型封隔器,表示该封隔器为压缩式,悬挂固定,液压坐封,提放管柱解封,油井用堵水封隔器,设计单位为采油工艺研究所,工作温度为90℃,工作压力为15MPa。
工艺室方案一:井下封隔器
一、比赛内容
对目前常用几种封隔器代码表示的意义及工具特点进行描述,考察职工对井下封隔器情况的熟悉程度。
二、比赛规则
1、每名参赛人员随机抽取一张,并根据内容对每道题进行分析。
2、由评委对照答案进行评分。
三、比赛时间及地点
工程技术大队后四楼会议室,时间待定。
请说出以下封隔器代码表示的意义及工具特点
一、Y344-114-D-CY-90/15封隔器
答案:
代码:压缩式悬挂固定液压坐封液压解封外径114堵水封隔器,采研生产,油管正打压15Mpa释放,油管正打压18-20Mpa解封,工作温度90℃,工作压力为15Mpa。
主要用于机械堵水。
封隔器特点:无支撑,利用液压坐封和解封的液压式封隔器。
二、K344-110-CY-90/15 (475-8)封隔器
答案:
代码:扩张式悬挂固定液压坐封液压解封外径110封隔器,采研生产,工作温度90℃,工作压力为15Mpa。
油管正打压0.5-1.5Mpa释放,油管卸压解封。
主要用于分层注水,分层压裂、酸化,验窜等工艺。
封隔器特点:扩张式封隔器必须与节流器配套使用,其优点是结构简单,不能单独坐封封隔器;缺点是必须在油管内外造成一定压差才能正常工作。
三、Y341-114-X-JH-90/15(Y341-114ML)封隔器
答案:
代码:压缩式悬挂固定液压坐封上提解封外径114可洗井封隔器,景洪生产,工作温度90℃,工作压力为15Mpa。
封隔器特点:
1)采用空气腔释放封隔器,实现了免投捞堵塞器的功能。
2)胶筒带保护伞,承压性能好。
3)洗井活塞使用骨架盘根过孔,不被刺坏,保证密封性能。
4)释放封隔器的注水压力必须达到10Mpa以上。
答案:
代码:压缩式悬挂固定液压坐封上提解封外径114堵水封隔器,景洪生产,工作温度90℃,工作压力为15Mpa。
封隔器特点:
1)双坐封缸释放,坐封推力大,胶筒与套管壁的接触力大,密封可靠。
2)胶筒采用硫化刚性保护伞式结构,提高了胶筒的承压能力及使用寿命。
3)封隔器带双平衡缸,平衡上压,保证密封和解封性能。
答案:
代码:压缩式双向卡瓦固定液压坐封下工具解封外径114堵水封隔器,采研生产,工作温度90℃,工作压力为15Mpa。
封隔器特点:
1)该封隔器具有封隔油层、锚定、丢手功能。
2)双向卡瓦,双向锚定。