动脉压迫止血器
- 格式:doc
- 大小:52.00 KB
- 文档页数:2
桡动脉压迫止血器流程下载温馨提示:该文档是我店铺精心编制而成,希望大家下载以后,能够帮助大家解决实际的问题。
文档下载后可定制随意修改,请根据实际需要进行相应的调整和使用,谢谢!并且,本店铺为大家提供各种各样类型的实用资料,如教育随笔、日记赏析、句子摘抄、古诗大全、经典美文、话题作文、工作总结、词语解析、文案摘录、其他资料等等,如想了解不同资料格式和写法,敬请关注!Download tips: This document is carefully compiled by theeditor. I hope that after you download them,they can help yousolve practical problems. The document can be customized andmodified after downloading,please adjust and use it according toactual needs, thank you!In addition, our shop provides you with various types ofpractical materials,such as educational essays, diaryappreciation,sentence excerpts,ancient poems,classic articles,topic composition,work summary,word parsing,copy excerpts,other materials and so on,want to know different data formats andwriting methods,please pay attention!按照[桡动脉压迫止血器流程]为主题,以实际应用情况写一篇流程,回答要求步骤详细,回答字数不少于800字。
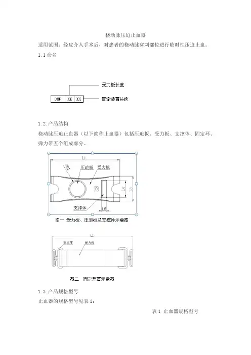
桡动脉压迫止血器
适用范围:经皮介入手术后,对患者的桡动脉穿刺部位进行临时性压迫止血。
1.1命名
1.2.产品结构
桡动脉压迫止血器(以下简称止血器)包括压迫板、受力板、支撑体、固定环、弹力带五个组成部分。
1.3.产品规格型号
止血器的规格型号见表1:
表1 止血器规格型号
2.1外观
各组件应清洁、无杂质、无加工缺陷和表面缺陷。
2.2 各组件尺寸及允差
表2 各组件尺寸及允差
2.3 连接强度
弹力带的粘合力应能承受水平方向15N的静态拉力,持续15s,不得出现断裂或脱落现象。
2.4 环氧乙烷残留量
止血器经环氧乙烷灭菌,环氧乙烷残留量应≤10μg /g。
2.5 生物学性能
止血器经环氧乙烷灭菌后,应无菌。
动脉止血器使用流程
一、准备工具
1.检查动脉止血器
(1)确保止血器完好无损
(2)检查止血器有效期
2.准备消毒器具
(1)消毒酒精
(2)消毒棉球或纱布
二、停止出血
1.确定出血部位
(1)定位出血动脉
(2)停止出血方向
2.使用止血器
(1)将止血器夹在动脉上
(2)调节止血器压力
三、固定止血器
1.固定止血器位置
(1)使用绷带固定止血器
(2)确保止血器位置正确
2.观察出血情况
(1)监测出血情况
(2)注意观察止血效果
四、就医处理
1.包扎伤口
(1)使用消毒纱布包扎伤口
(2)确保伤口干净
2.就医救治
(1)尽快送患者就医
(2)向医护人员提供使用止血器情况。
动脉压迫止血器市场分析报告1.引言1.1 概述概述:动脉压迫止血器是一种常用的医疗器械,用于在外科手术或创伤情况下对动脉进行临时性的压迫止血。
随着人们对医疗技术和器械的要求不断提高,动脉压迫止血器市场也得到了迅速的发展。
本报告旨在对动脉压迫止血器市场进行全面分析,从定义和市场现状到市场发展趋势进行预测,以期为相关医疗行业提供参考和指导。
通过本报告的分析,我们将更好地了解动脉压迫止血器在医疗领域的地位和作用,同时为市场参与者提供有益的决策依据。
1.2 文章结构文章结构部分的内容应包括对整篇文章的结构和各部分内容的简要介绍。
具体可以包括如下内容:本报告将分为引言、正文和结论三个部分。
引言部分将概述动脉压迫止血器市场分析报告的背景和意义,并介绍文章的结构。
正文部分将包括动脉压迫止血器的定义和作用、市场现状分析以及市场发展趋势预测。
结论部分将总结动脉压迫止血器市场的潜力和在医疗领域的重要性,并提出相应的结论和建议。
通过这样的结构安排,读者可以清晰地了解文章的内容和逻辑结构,全面了解动脉压迫止血器市场的分析情况。
1.3 目的:本报告旨在对动脉压迫止血器市场进行深入分析,包括对其定义和作用的解释,市场现状的详细分析以及市场发展趋势的预测。
通过对市场的分析,我们旨在揭示动脉压迫止血器在医疗行业中的潜力和重要性,并为相关行业提供发展建议。
希望通过本报告的撰写,能够为医疗设备制造商、医疗机构和投资者提供有益的参考和决策依据。
1.4 总结总结:通过对动脉压迫止血器市场的分析,我们可以看到该产品在医疗领域的重要性和市场潜力。
随着医疗技术和应用领域的不断拓展,动脉压迫止血器的需求将持续增长。
在未来的发展趋势中,我们预测动脉压迫止血器市场将呈现出稳定增长的态势,并且在医疗行业中将扮演着重要的角色。
因此,对动脉压迫止血器的研发和生产具有重要意义,同时医疗机构和使用者也应该充分重视动脉压迫止血器的作用和价值。
我们建议相关企业和机构应加大对动脉压迫止血器的投入和研发,以满足市场需求,并为医疗行业的发展作出更大贡献。
2024年动脉压迫止血器市场前景分析1. 引言动脉压迫是一种重要的止血技术,用于控制外出血和内出血。
动脉压迫止血器是一种用于施加压力以止血的装置,广泛应用于紧急救治、手术和其他医疗场景中。
本文旨在分析动脉压迫止血器市场的发展前景,并提出相应的建议。
2. 市场规模和趋势动脉压迫止血器市场在过去几年中呈现稳定增长的趋势。
随着人们对急救和医疗设备的需求增加,市场规模有望进一步扩大。
此外,全球老龄化人口的增加也为市场提供了机会,因为老年人更容易发生出血问题。
预计未来几年内,动脉压迫止血器市场将保持稳定增长的态势。
3. 市场主要驱动因素3.1 医疗行业的发展随着医疗技术的进步和人们对医疗服务的需求增加,医疗行业持续发展。
这将为动脉压迫止血器市场提供稳定需求。
越来越多的急救中心、医院和诊所将采用动脉压迫止血器,以提供更好的救治和治疗服务。
3.2 外伤事故发生率的增加外伤事故的发生率不断增加,特别是交通事故、工地事故等。
动脉压迫止血器作为急救的重要工具,可以在事故现场减少出血并争取更多的救援时间。
这促使了动脉压迫止血器市场的增长。
3.3 运动和军事领域的需求运动和军事领域对急救设备的需求较大,而动脉压迫止血器是一种紧急救治装置,常用于处理运动和军事中的出血情况。
随着全球体育赛事和军事活动的增加,动脉压迫止血器市场的需求也将相应增长。
4. 挑战和机遇4.1 激烈的市场竞争动脉压迫止血器市场竞争激烈,存在许多制造商和品牌。
为了在市场中脱颖而出,企业需要不断创新,提供高质量的产品,并建立稳定的销售渠道和客户关系。
4.2 相关产品的竞争除了动脉压迫止血器,还有其他治疗出血的产品和技术,如止血带、药物等。
这些产品和技术也是市场上的竞争对手,企业需要应对这些竞争,同时寻找自身的差异化优势。
4.3 国内外市场差异动脉压迫止血器市场在国内外有着差异化的需求和标准。
企业需要了解不同市场的特点,调整产品设计和营销策略,以便更好地满足各地市场的需求,并扩大自身市场份额。
桡动脉压迫止血器适用范围:适用于经皮介入术后,桡动脉穿刺处的压迫止血。
1.1 组成桡动脉压迫止血器由旋杆、中心杆、椭圆压脚、支撑板和绑带组成,其结构如图1所示:1.旋杆2.中心杆3..椭圆压脚4.支撑板5.绑带图1桡动脉压迫止血器结构图1.2 材料桡动脉压迫止血器材料采用高分子材料,具体见下表1:表 11.3 尺寸表2 关键结构尺寸单位:mm2.1 外观桡动脉压迫止血器表面应清洁无杂质,无加工缺陷和表面缺陷。
2.2 绑带粘扣剥离强度按附录A.3.1试验时,剥离强度应大于12N。
2.3 绑带粘扣剪切强度按附录A.3.2试验时,剪切强度应大于100N。
2.4 旋杆旋转进程及范围产品加工成型后,旋杆进程应为3㎜±0.3㎜/周,旋动最大距离应为21.5㎜±2㎜。
2.5 连接强度支撑板与绑带之间的连接处应能承受15N的静态轴向拉力,持续15s不脱开。
2.6 尺寸桡动脉压迫止血器尺寸应符合表2的规定,椭圆压脚的长轴和短轴尺寸公差应在±1mm以内,旋杆的螺距的尺寸公差应在±0.3mm以内,旋杆有效螺纹长度和支撑板螺纹深度尺寸公差应在±1mm以内。
2.7化学要求2.7.1 引言本产品临床使用过程中,不与人体皮肤直接接触。
但为保证产品使用的安全性,只对椭圆压脚作化学要求。
2.7.2 还原物质检验液与空白液所消耗的高锰酸钾(0.002mol/L)的体积之差不超过2.0mL。
2.7.3 酸碱度检验液与同批空白液对照,pH值之差不得超过1.5。
2.7.4 蒸发残渣50mL检验液中,不挥发物总重量不得超过2mg。
2.8 环氧乙烷残留量环氧乙烷灭菌处理后,环氧乙烷残留量不大于10µg/g。
2.9 无菌经环氧乙烷灭菌后,应无菌。
动脉压迫止血器在股动脉穿刺后止血的应用观察目的:探讨动脉压迫止血器在经皮股动脉行脑血管病介入术后止血的安全性和有效性方法:选择接受经皮股动脉穿刺脑血管病介入治疗后应用动脉压迫止血器的患者91例例随机分为2组:A组43例采YL-1型动脉压迫止血器压迫止血,B组48例采用传统人工手法压迫止血。
比较2组止血时间及制动时间,并观察患者不适及并发症结果:A组术后止血操作及制动时间分别为(9.30±2.50)min 和(12.30 ± 1.96)h,B组术后止血操作及制动时间分别为(11.50 ± 3.50)min 和(13.30 ±2.56)h,患者术后不适症状的发生率与传统人工压迫止血相比无差异。
结论:经股动脉脑血管病介入术后应用动脉压迫止血器止血的效果良好,并发症较少,患者舒适度较好,可以临床使用。
关键词:动脉压迫止血器脑血管病股动脉穿刺术介入手术脑血管介入术在临床上广泛被应用于脑血管病检查和治疗。
全脑血管造影检查可全面的评估脑部血管的病变及供血状况,特别对于颈部及脑部动脉狭窄、动脉瘤、血管畸形等诊断有重要价值,堪称为脑血管病确诊的金标准。
另一方面脑血管病介入治疗具有微创、可重复治疗和较好的疗效已被广大患者接受。
目前脑血管介入诊疗的入路仍采用股动脉穿刺为主,股动脉血管直径大,体表投影清楚,且成功穿刺率高,易于压迫止血。
但此处穿刺也存在一定的并发症,特别是术后针对穿刺部位的处理,也成为困扰介入医生与病人的一大难题[1-2]。
本研究通过观察91例患者,通过应用传统人工手法压迫止血和应用YL-1 型动脉压迫止血器止血,比较两种方法止血时间、制动时间、卧床不适和并发症情况,探讨压迫止血器对脑血管病介入诊断和治疗的股动脉穿刺点并发症及疗效的影响,讨论使用压迫止血器过程的注意事项,总结经验现报道如下:1 资料与方法1.1 研究对象选取2012年12月~2014年12月在我院接受经股动脉脑血管病介入术患者共计91例,其中男51例,女40例,年龄(58.6±9.5)岁;血常规、凝血功能检查均正常。
桡动脉压迫止血器流程英文回答:The process of using a radial artery compression device for hemostasis involves several key steps.Step 1: Identify the radial artery.The first step is to identify the radial artery, which is located on the thumb side of the wrist. Palpate the area to locate the pulse and identify the precise location of the artery.Step 2: Apply pressure.Once the radial artery is identified, apply firm pressure to the area using the radial artery compression device. The device should be positioned directly over the artery to ensure effective compression.Step 3: Adjust pressure.The pressure applied should be sufficient to stop the bleeding, but not so much that it restricts blood flow to the hand. The compression device should allow for easy adjustment of pressure to achieve the right balance.Step 4: Monitor and maintain.After applying the device, it is important to monitor the patient and ensure that the bleeding has stopped. The compression device should be maintained in place until hemostasis is achieved.Step 5: Remove the device.Once hemostasis is achieved and the bleeding has stopped, the radial artery compression device can be carefully removed. It is important to do this slowly and monitor the area for any signs of re-bleeding.中文回答:使用桡动脉压迫止血器进行止血的流程包括几个关键步骤。
巧用橄榄油解除动脉压迫止血器自黏性无纺布绷带刘力洁;鲁晶;郝莉燕【期刊名称】《护理研究》【年(卷),期】2012(026)014【总页数】1页(P1251)【作者】刘力洁;鲁晶;郝莉燕【作者单位】100039,中国人民解放军第三○二医院;100039,中国人民解放军第三○二医院;100039,中国人民解放军第三○二医院【正文语种】中文动脉压迫止血器(型号NZ-1)利用机械压迫与自黏性无纺布绷带粘连固定相结合的原理,通过自黏性无纺布绷带粘连作用于螺旋手柄组件和压板,对穿刺点形成合适的压力,促使穿刺点附近的血小板增加,达到体外闭合压迫止血目的。
解除动脉压迫止血器自黏性无纺布绷带时因压迫时间长(8h~10h),自黏性无纺布绷带与皮肤粘连牢固,易出现红肿、水疱、破溃等皮肤损害。
我中心自2009年应用橄榄油解除动脉压迫器固定胶布,效果较好。
现介绍如下。
1 方法在解除自黏性无纺布绷带时,先用剪刀沿动脉压迫器基座剪断无纺布绷带,将橄榄油均匀地涂抹在胶布表面,完全浸润5 min,再将胶布轻轻揭去。
2 优点橄榄油所含的角鲨稀、类黄酮、多酚等成分能保护细胞免受自由基的侵害,对肌肉及韧带等损伤或者皮肤擦伤具有加速疗效的作用,可以促进急性皮肤伤口的愈合,可使伤区的血小板衍化生长因子(PDGF)、转化生长因子(TGF-β)和血管内皮生长因子(VEGF)等生长因子增加,从而加速伤口的愈合[1]。
压迫止血器自黏性无纺布绷带为多孔设计,橄榄油容易被绷带吸收,可以降低绷带黏性,在皮肤表面形成保护作用。
橄榄油是科室常备物品,使用橄榄油无副反应、无异味、经济实用,病人易接受,且取材容易,操作方法简单。
参考文献:[1] 李荟元.国外美容医学最新动态[J].中国美容医学,2010,19(2):302.。
动脉压迫止血器税收编码
摘要:
1.动脉压迫止血器的定义和分类
2.动脉压迫止血器的结构和功能
3.动脉压迫止血器的使用注意事项
4.动脉压迫止血器的税收编码
5.搜狗百科对于动脉压迫止血器的描述
正文:
1.动脉压迫止血器的定义和分类
动脉压迫止血器是一种用于止血的医疗器械,主要通过压迫动脉来达到止血的目的。
根据压迫的动脉不同,动脉压迫止血器可以分为股动脉压迫止血器(nz-1 型)和桡动脉压迫止血器(nz-2 型)。
2.动脉压迫止血器的结构和功能
动脉压迫止血器主要由螺旋手柄、自粘无纺布绷带和粘合部位组成。
螺旋手柄应转动灵活,无卡滞、卡死、滑牙现象。
自粘无纺布绷带能承受100n 的拉力,粘合部位无拉脱、断裂现象。
与皮肤接触的无纺布皮肤刺激不大于稍微刺激、细胞毒性不大于轻度、无迟发型超敏反应。
此外,产品应无菌,经环氧乙烷灭菌放置7 天后,其残留量不大于10m。
3.动脉压迫止血器的使用注意事项
在使用动脉压迫止血器时,需要注意以下几点:
(1)正确选择型号:根据压迫的动脉类型选择相应的止血器型号。
(2)正确操作:使用时,将止血器置于适当位置,保证螺旋手柄能够紧密
压迫动脉。
(3)注意卫生:使用前应检查止血器是否干净、无菌,避免造成感染。
4.动脉压迫止血器的税收编码
根据我国税收编码规定,动脉压迫止血器属于医疗器械类别,编码为17。
5.搜狗百科对于动脉压迫止血器的描述
搜狗百科对动脉压迫止血器的描述较为简略,主要强调了其用于止血的功能,并未涉及详细信息。
关于桡动脉压迫止血器学术活动一、什么是桡动脉压迫止血器?你知道桡动脉吗?简单来说,就是我们手腕上的那根“跳跳脉”,就是那根你能在手腕上摸到的血管。
很多人可能觉得它没啥了不起,但它可是一个非常重要的地方,尤其是在做手术或者紧急抢救时。
如果我们不小心伤到这根动脉,血液可就“喷泉式”地喷出来了,真是够麻烦的。
好在医学界有了一个聪明的发明——桡动脉压迫止血器。
这个小工具,看起来不大,但作用可不小。
它能通过简单的压迫,帮助医生迅速止血,减少大出血的风险,说白了,就是能在关键时刻给你“稳稳的保护”。
相信我,这种小玩意儿的作用可大着呢。
二、它到底怎么止血?讲道理,止血的原理其实挺简单的。
就好比你想让水管停水,你得关上水龙头。
桡动脉压迫止血器就像是一个“小水龙头”,它的工作原理就是通过夹住或者压迫桡动脉,阻止血液流动,从而减少出血。
看着好像很简单,对吧?但关键是它得准确又迅速,因为血流一旦被切断,几秒钟内如果没有得到及时处理,情况可就糟糕了。
所以,医生们使用这种止血器时,不仅要考虑到压力的大小,还要注意施力的位置。
就像开车一样,不能踩油门也不能死抠刹车,要找到那个“最佳速度”,才能让整个过程顺利进行。
三、学术活动:说到底就是“技艺”与“智慧”的碰撞每次提到学术活动,总让人觉得好像是一堆书生在讲大道理。
其实不然!学术活动最重要的其实是“交流”和“分享”。
这些年,关于桡动脉压迫止血器的研究和讨论一直没有停过,越来越多的医护人员开始关注这种器械的使用技巧。
最近的学术活动,就是大家围坐在一起,互相分享自己在实际操作中的经验和心得。
这不仅是技术的分享,更是智慧的碰撞。
一个医疗技术再先进,操作不熟练,那也就是个摆设。
所以,这些活动的意义就在于,通过大家的互动、讨论和实操训练,能够把这项技术更好地应用到临床工作中,避免因为操作失误造成更大的伤害。
四、普通医生如何从中获益?说实话,有些医生可能会觉得,嗯,这种活动离自己有点远,反正我做的是普通的诊疗工作,跟这种高大上的学术活动没啥关系。
2024年动脉压迫止血器市场环境分析1. 简介动脉压迫止血器是一种用于迅速止血的医疗器械,通过对受伤部位进行高压力的压迫,有效控制出血。
随着人们对安全和健康的重视增加,以及对医疗器械的需求增加,动脉压迫止血器的市场需求也在不断增长。
本文将针对动脉压迫止血器市场的环境进行分析,以帮助企业了解市场趋势和机会。
2. 市场规模与增长趋势当前,动脉压迫止血器市场正处于快速发展阶段。
据市场研究数据显示,过去几年该市场的年复合增长率超过10%,预计在未来几年内将继续保持较高速度增长。
主要原因包括:人们对健康和安全的重视增加、医疗器械技术的不断创新和提升、救护车和急救中心的装备更新等。
3. 市场竞争环境动脉压迫止血器市场的竞争环境相对激烈。
目前,市场上存在着多家知名品牌和制造商。
其中,一些大型医疗器械企业在该领域具有较高的市场占有率和品牌认知度。
同时,一些新兴企业也开始涉足该市场并且在一些细分领域表现出较强的竞争力。
竞争优势是企业在市场竞争中获得成功的关键因素。
一些企业在产品技术研发、品质控制、市场推广等方面具有独特的优势,能够吸引更多客户和合作伙伴。
此外,客户的需求多样化也是市场竞争中的一个重要因素,一些企业能够通过不同产品类型和定制化服务来满足客户需求。
4. 市场发展机会与挑战动脉压迫止血器市场存在着一些发展机会和挑战。
市场机会主要包括:医疗器械技术的不断创新和进步、急救和预防意识的提高、新兴市场的开拓等。
这些机会为企业带来了市场扩张和发展的空间。
然而,市场发展也面临一些挑战。
一方面,法规和政策的限制对市场进入和产品销售造成了一定的影响。
另一方面,市场竞争激烈,新兴企业需要与现有品牌和制造商竞争,同时需提供更好的产品性能和服务。
5. 市场前景与趋势分析随着健康意识的提高和对医疗器械需求的增加,动脉压迫止血器市场的前景广阔。
预计在未来几年内,市场规模将继续扩大,更多的企业将进入市场。
同时,随着技术的不断创新和进步,产品性能和质量将得到更大提升。
《动脉压迫止血器》
适用症:介入治疗后,患者血管穿刺部位的闭合止血。
适用范围:心血管科,脑血管科,肿瘤科,介入科。
特点:压力点稳定,不偏移,压力大小可调节,可提供最大精确压力,减少病人卧床时间。
压头采用透明质,全程观察止血情况,操作简便。
临床意义:解决患者术后24小时制动问题,避免严重并发症。
前期给予精确压力,减轻医生负担,减少人为失误。
动脉压迫止血器临床试验结果
《动脉压迫止血器》临床试验结果
时间:2009-8-7 15:47:18 来源: 点击:963
气管插管固定器能确保ET管(气管插管)的定位,能方便快速的通过固定旋钮实现;特别设计的咬合板取代了传统的牙垫,用以保护ET管及病人;宽裕的捆扎带用以保证舒适安全的固定;即使在湿润的情况下也能保持固定效果。
本气管插管固定器系专利产品,为一次性使用物品。
替代传统胶布固定对病人面部造成不适,减少病人痛苦;并保证气管插管的稳定性。
适用于成人、儿童。
适用于麻醉科、急症科、ICU等科室麻醉及急救时使。