桡动脉压迫止血器产品技术要求dimake
- 格式:docx
- 大小:48.46 KB
- 文档页数:3
压脉止血带技术是一种常见的急救措施,用于在出血较为严重时临时停止或减少出血。
其技术要求如下:
使用合适的止血带:止血带应具有足够的长度和宽度,以固定并施加压力于出血部位。
常见的止血带材料包括橡皮绳、绷带等。
选择适当的位置:应将止血带置于出血部位之上,远离创伤区域,并尽量靠近心脏。
对于肢体出血,一般选择在肢体根部或关节处。
确保正确的压迫力度:止血带应施加适度的压力,能够有效阻止血液流动,但又不会导致组织缺血坏死。
一般建议施加足够的压力,使动脉完全闭塞,然后松开一些以保持血液供应。
控制时间:停止出血后,应及时向医院寻求进一步的治疗。
持续使用止血带的时间一般不宜超过2小时,以避免组织缺血。
进行紧急救治:除了使用止血带外,还应采取其他适当的急救措施,如进行紧急包扎、提升伤肢、保持伤员平卧等,以减少出血量并促进伤口愈合。
请注意,压脉止血带技术只应在紧急情况下使用,并且应在专业人士的指导下进行。
不正确的使用或过度使用止血带可能会导致严重的并发症,如组织损伤、缺血坏死等。
因此,在实施该技术前,应尽量寻求专业医疗人员的帮助和指导。
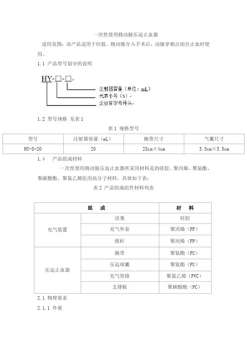
一次性使用桡动脉压迫止血器适用范围:该产品适用于经股、桡动脉介入手术后,动脉穿刺点闭合止血时使用。
1.1 产品型号划分的说明1.2 型号规格见表1表1 规格型号1.4 产品组成材料一次性使用桡动脉压迫止血器所采用材料是的硅胶、聚丙烯、聚氨酯、聚碳酸酯、聚氯乙烯医用高分子材料。
具体如下表:表2 产品组成组件材料列表2.1 物理要求2.1.1 外观2.1.1.1压迫止血器各部件外观应整洁、光滑、色泽均匀。
不得有严重划痕、毛刺、锋棱、裂纹等缺陷。
2.1.1.2腕带表面应不得有破损、污迹。
2.1.2 各部件尺寸见表3表3 尺寸2.1.3压迫止血器与充气装置配合充气装置与压迫止血器的充气管路配合时,插拔顺畅、配合紧密。
2.1.4 密封性压迫止血器的压迫球囊、充气管路(含单向充气阀),以及压迫球囊与充气管路之间无漏气现象。
2.1.5 连接强度压迫球囊与腕带,充气管路与压迫球囊,充气管路的气管与单向阀之间的连接处应能承受20N的静态轴向拉力,持续15s不得断裂和脱落。
2.1.6 压迫球囊最大承压力压迫球囊最大承压力在1ATM情况下,应无破裂。
2.1.7 压迫球囊充气量与压强压迫球囊充气量25mL时,气囊膨胀时产生的压强应大于0.3ATM,且不超过1ATM。
2.1.8 耐久性向压迫止血器中注入20mL气体,经过12小时后,压迫止血器应无泄漏现象。
2.1.9充气装置性能2.1.9.1 外观2.1.9.1.1在300 lx-700 lx的照度下,充气装置的外观清洁、无微粒和异物。
2.1.9.1.2充气装置不得有毛边、毛刺、塑流、缺损等缺陷。
2.1.9.1.3充气装置外套应有足够的透明度,能清晰地看到基准线。
2.1.9.1.4充气装置内表面(包括橡胶活塞),不得有明显可见的润滑剂汇聚的要求。
2.1.9.2 标尺2.1.9.2.1充气装置的标尺有一个或一个以上的标尺,标尺应符合表4的规定。
表4 公称容量及对应要求2.1.9.2.2充气装置允许在公称容量标尺外延长附加标尺,其延长的附加标尺与公称容量标尺应加以区别,其区别方法如:a)把公称容量的计量数字用圆圈圈起来;b)附加标尺的计量数字用更小的计量数字来表示;c)附加标尺的分度容量线用更短的刻度线表示;d)附加标尺长度的垂直线用虚线表示。
桡动脉压迫止血带组成:产品包括止血带和充气装置两个部件,止血带主要由主体、压迫气囊、魔术贴、气管、检验气囊、衬板和气阀组成。
充气装置主要由充气推杆、充气筒、胶塞、充气针、针帽组成。
适用范围:桡动脉压迫止血带是用于桡动脉穿刺介入手术后,对穿刺介入部位进行临时压迫止血的辅助性装置。
1.1命名1.2 规格型号DP-RT-011.3 结构组成产品包括止血带和充气装置两个部件,如下图所示1.4制作材料桡动脉压迫止血带制作材料见下表:2.1 物理性能2.1.1 外观:(1)各组件应清洁光滑、色泽均匀、无明显异物;(2)各组件应无明显波纹、凝胶、麻点,不得有大面积缺损、堵塞等加工缺陷;(3)止血带应具有良好的透明度,能够看到标记点及内表面;(4)充气装置标尺的分度容量线及计量数字印刷应完整,字迹清楚,充气装置的外套应有透明度,能看到基准线。
推杆推、拉应顺畅。
2.1.2 尺寸和规格:尺寸和规格应符合下表要求2.1.3 撕脱力:解开腕带魔术贴时所需的撕脱力≤20N,且魔术贴与主体不分离。
2.1.4 松脱力:腕带魔术贴贴合时所需的松脱力≥35N,且魔术贴与主体不分离。
2.1.5 气管及连接处性能:气管本身、气管与气囊连接处不得有漏气裂缝,充气后不得从气管及连接处迅速漏气。
2.1.6 气路通透性:充气装置能够插入气阀,可充气。
2.1.7 气密性:充气20mL,8小时后剩余气体不少于12mL。
2.1.8 气阀与检验气囊连接强度:气阀与检验气囊连接强度≥15N。
2.1.9 充气装置性能:抽拉顺畅能够实现充气功能。
2.2 化学性能(仅适用于止血带压迫气囊部位)2.2.1重金属含量:浸取液与同批空白対照液对照,铅、锌、锡、铁的总含量应≤5ug/mL,镉含量应≤0.1ug/mL。
2.2.2 酸碱度:浸提液的pH值与同批空白对照液对照,pH值之差应不大于1.5。
2.2.3易氧化物:易氧化物浸取液与等体积的同批空白对照液相比,0.002mol/L 的高锰酸钾溶液消耗量之差应≤2.0mL。
桡动脉止血器适用范围:本品供桡动脉导管插管术后压迫止血用。
1.1 命名1.2 规格型号规格型号见表1:表1 规格型号1.3 结构组成桡动脉止血器包括调节螺母、固定板、止血垫、增压杆、固定带部件。
1.4 制作材料桡动脉止血器各组件的制作材料见表2:表2 制作材料2.1 物理性能2.1.1 外观(1)当正常视力或矫正视力在自然光的条件下检查固定板、调节螺母、增压杆时,该产品应清洁,无明显划痕、气泡、异物,色泽均匀,不得有毛边、毛刺、塑流、不饱满等注塑缺陷;(2)该产品平面放置上时应保持水平;(3)止血垫应柔软,透明度好。
2.1.2 尺寸尺寸见表3表3 组件尺寸2.1.3 伸长率止血垫的伸长率不得低于1000%。
2.1.4 拉伸强度止血垫的拉伸强度不得低于1MPa。
2.1.5 粘接强度固定带在15N的拉力下保持1min不被崩开。
2.1.6 止血压力桡动脉止血器止血最大压迫力压力不得低于0.35Kgf/cm2。
2.2化学性能2.2.1可萃取金属含量桡动脉止血器的可萃取金属含量与同批空白对照液对照,铅、锌、锡、铁的总含量应≤5μg/mL,镉含量应≤0.1μg/mL。
2.2.2 酸碱度桡动脉止血器浸取液的pH值与同批空白对照液对照,pH值之差应不大于1.0。
2.2.3易氧化物桡动脉止血器的易氧化物浸取液与等体积的同批空白对照液相比,0.002mol/L 的高锰酸钾溶液消耗量之差应≤0.5mL。
2.2.4环氧乙烷残留量经环氧乙烷灭菌,环氧乙烷残留量应≤10μg/g。
2.3 无菌桡动脉止血器经环氧乙烷灭菌后应无菌。
一次性使用桡动脉压迫止血器适用范围:该产品适用于经股、桡动脉介入手术后,动脉穿刺点闭合止血时使用。
1.1 产品型号划分的说明1.2 型号规格见表1表1 规格型号1.4 产品组成材料一次性使用桡动脉压迫止血器所采用材料是的硅胶、聚丙烯、聚氨酯、聚碳酸酯、聚氯乙烯医用高分子材料。
具体如下表:表2 产品组成组件材料列表2.1 物理要求2.1.1 外观2.1.1.1压迫止血器各部件外观应整洁、光滑、色泽均匀。
不得有严重划痕、毛刺、锋棱、裂纹等缺陷。
2.1.1.2腕带表面应不得有破损、污迹。
2.1.2 各部件尺寸见表3表3 尺寸2.1.3压迫止血器与充气装置配合充气装置与压迫止血器的充气管路配合时,插拔顺畅、配合紧密。
2.1.4 密封性压迫止血器的压迫球囊、充气管路(含单向充气阀),以及压迫球囊与充气管路之间无漏气现象。
2.1.5 连接强度压迫球囊与腕带,充气管路与压迫球囊,充气管路的气管与单向阀之间的连接处应能承受20N的静态轴向拉力,持续15s不得断裂和脱落。
2.1.6 压迫球囊最大承压力压迫球囊最大承压力在1ATM情况下,应无破裂。
2.1.7 压迫球囊充气量与压强压迫球囊充气量25mL时,气囊膨胀时产生的压强应大于0.3ATM,且不超过1ATM。
2.1.8 耐久性向压迫止血器中注入20mL气体,经过12小时后,压迫止血器应无泄漏现象。
2.1.9充气装置性能2.1.9.1 外观2.1.9.1.1在300 lx-700 lx的照度下,充气装置的外观清洁、无微粒和异物。
2.1.9.1.2充气装置不得有毛边、毛刺、塑流、缺损等缺陷。
2.1.9.1.3充气装置外套应有足够的透明度,能清晰地看到基准线。
2.1.9.1.4充气装置内表面(包括橡胶活塞),不得有明显可见的润滑剂汇聚的要求。
2.1.9.2 标尺2.1.9.2.1充气装置的标尺有一个或一个以上的标尺,标尺应符合表4的规定。
表4 公称容量及对应要求2.1.9.2.2充气装置允许在公称容量标尺外延长附加标尺,其延长的附加标尺与公称容量标尺应加以区别,其区别方法如:a)把公称容量的计量数字用圆圈圈起来;b)附加标尺的计量数字用更小的计量数字来表示;c)附加标尺的分度容量线用更短的刻度线表示;d)附加标尺长度的垂直线用虚线表示。
一次性使用桡动脉止血器适用范围:经皮介入手术后,对患者的桡动脉穿刺部位进行压迫止血。
1.1 组成止血器由旋杆、中心杆、滚珠、支撑板、压脚和绑带组成,其结构如图1所示:1. 旋杆2.中心杆3.滚珠4.支撑板5.绑带6.压脚图1桡动脉止血器结构图1.2 材料止血器材料采用高分子材料,具体见下表1:表 11.3 规格及尺寸规格:CR型(成人型),关键尺寸见表2表2 关键结构尺寸单位:mm2.1 物理要求2.1.1 外观止血器表面应清洁无杂质,无加工缺陷和表面缺陷。
2.1.2 绑带粘扣剥离强度按附录A.3.1试验时,剥离强度应大于12N。
2.1.3 绑带粘扣剪切强度按附录A.3.2试验时,剪切强度应大于100N。
2.1.4 旋杆旋转进程及范围产品加工成型后,中心杆进程应为(1.3±0.2)㎜/周,旋动最大距离应为23.5±2㎜。
注:旋动最大距离应为中心杆从旋杆脱离时的距离。
2.1.5 连接强度支撑板与绑带之间的连接处应能承受15N的静态轴向拉力,持续15s不脱开。
2.2 化学要求2.2.1 引言本产品临床使用过程中,不与人体皮肤直接接触。
但为保证产品使用的安全性,只对压脚作化学要求。
2.2.2 还原物质检验液与空白液所消耗的高锰酸钾(0.002mol/L)的体积之差不超过2.0mL。
2.2.3 酸碱度检验液与同批空白液对照,pH值之差不得超过1.5。
2.2.4 蒸发残渣50mL检验液中,不挥发物总重量不得超过2mg。
2.2.5 环氧乙烷残留量环氧乙烷灭菌处理后,环氧乙烷残留量不大于10µg/g。
2.3 无菌经环氧乙烷灭菌后,应无菌。
桡动脉压迫止血器适用范围:适用于经皮介入术后,桡动脉穿刺处的压迫止血。
1.1 组成桡动脉压迫止血器由旋杆、中心杆、椭圆压脚、支撑板和绑带组成,其结构如图1所示:1.旋杆2.中心杆3..椭圆压脚4.支撑板5.绑带图1桡动脉压迫止血器结构图1.2 材料桡动脉压迫止血器材料采用高分子材料,具体见下表1:表 11.3 尺寸表2 关键结构尺寸单位:mm2.1 外观桡动脉压迫止血器表面应清洁无杂质,无加工缺陷和表面缺陷。
2.2 绑带粘扣剥离强度按附录A.3.1试验时,剥离强度应大于12N。
2.3 绑带粘扣剪切强度按附录A.3.2试验时,剪切强度应大于100N。
2.4 旋杆旋转进程及范围产品加工成型后,旋杆进程应为3㎜±0.3㎜/周,旋动最大距离应为21.5㎜±2㎜。
2.5 连接强度支撑板与绑带之间的连接处应能承受15N的静态轴向拉力,持续15s不脱开。
2.6 尺寸桡动脉压迫止血器尺寸应符合表2的规定,椭圆压脚的长轴和短轴尺寸公差应在±1mm以内,旋杆的螺距的尺寸公差应在±0.3mm以内,旋杆有效螺纹长度和支撑板螺纹深度尺寸公差应在±1mm以内。
2.7化学要求2.7.1 引言本产品临床使用过程中,不与人体皮肤直接接触。
但为保证产品使用的安全性,只对椭圆压脚作化学要求。
2.7.2 还原物质检验液与空白液所消耗的高锰酸钾(0.002mol/L)的体积之差不超过2.0mL。
2.7.3 酸碱度检验液与同批空白液对照,pH值之差不得超过1.5。
2.7.4 蒸发残渣50mL检验液中,不挥发物总重量不得超过2mg。
2.8 环氧乙烷残留量环氧乙烷灭菌处理后,环氧乙烷残留量不大于10µg/g。
2.9 无菌经环氧乙烷灭菌后,应无菌。
桡动脉止血器技术要求
桡动脉止血器是一种用于在意外事故中止血的器械,主要用于紧急情况下止血。
以下是一些常见的技术要求:
1. 结构安全可靠:桡动脉止血器的结构应具备足够的强度和稳定性,以确保在使用过程中不会发生断裂或松动等安全问题。
2. 刺激产生止血效果:桡动脉止血器应当能够通过适当的压迫和刺激产生止血效果,紧紧固定住受伤部位,以避免血液继续流出。
3. 适应不同大小的手臂:桡动脉止血器应该设计成可以适应不同大小的手臂,以便在紧急情况下能够适用于不同的人群。
4. 操作简便:桡动脉止血器的使用应当简单明了,便于急救人员或非专业人士使用,以确保及时有效的止血。
5. 无创造伤害:桡动脉止血器在使用过程中应当尽量减少对伤口周围组织的刺激和伤害,避免脉搏被禁断。
6. 可重复使用:桡动脉止血器应当设计成可重复使用的,以便在多次紧急情况下使用,并进行适当的清洁和消毒。
以上是一些常见的技术要求,实际桡动脉止血器的设计和要求可能会因厂商和产品线的不同而有所差异。
止血时间:下表为压迫时间的参照表。
注意止血时间应根据具体临床应用肝素的用量、操作时间、鞘管种类、患者生理条件不同而定。
一般情况下按照表1时间处理即可。
使用导管直径加压时间4Fr、5Fr ①从加压开始1.5小时后,将压力减半(实际操作时将旋钮反向旋转1~3圈)。
②从弹力绷带放松一半后开始,1.5小时后,可视情况完全解压。
6Fr ①从加压开始2小时后,将压力减半(实际操作时将旋钮反向旋转1~3圈)。
②从压力减半开始计算,2-4小时后,可视情况完全解压。
注意在使用中出现迷走反射,应重新调整或停止使用止血器,并立即请医生到场诊治。
止血过程结束止血过程结束后,放松弹力绷带,确认无出血后再取下止血器,并用无菌纱布保护穿刺点。
注意放松弹力绷带后,为放置再次出血,应告知患者在一定时间内避免弯曲穿刺侧的手指。
止血器使用不当导致止血失败1,压迫部位过低,未能准确压迫实际的动脉穿刺点。
2,患者过渡活动腕关节,扭转前臂导致止血器压迫点移位。
3,松解止血器时,压迫点压力减低过快,导致动脉出血,需二次压迫。
腕管综合症1)疼痛:创伤后肢体持续剧烈疼痛,且进行性加剧,为本征最早期的症状。
至晚期,感觉消失,可无疼痛。
2)指或趾呈屈曲状态,肌力减弱。
被动伸指或趾时可引起剧痛。
3)患室表面皮肤略红,皮温稍高,有严重压痛,触诊可感到室内张力增高。
4)远侧脉搏和毛细血管充盈时间正常。
若不及时处理,将发展成缺血性肌挛缩。
其主要表现为:①由疼痛转为无痛;②苍白或发绀、大理石花纹等;③感觉异常;④肌肉瘫痪;⑤无脉。
可能发生的并发症:血肿出血桡动脉闭塞、末梢血管血流障碍局部感染皮肤过敏局部皮肤坏死一、①加压扎紧止血带;②调整旋钮压迫出血点;③拔除鞘管二、①左手适度加压,拔除鞘管;②加压扎紧止血带;③调整旋钮致穿刺点不出血1.5~2小时止血带减压时,只须反向旋转1~3圈,即可达到效果。
桡动脉压迫止血器
适用范围:经皮介入手术后,对患者的桡动脉穿刺部位进行临时性压迫止血。
1.1命名
1.2.产品结构
桡动脉压迫止血器(以下简称止血器)包括压迫板、受力板、支撑体、固定环、弹力带五个组成部分。
1.3.产品规格型号
止血器的规格型号见表1:
表1 止血器规格型号
2.1外观
各组件应清洁、无杂质、无加工缺陷和表面缺陷。
2.2 各组件尺寸及允差
表2 各组件尺寸及允差
2.3 连接强度
弹力带的粘合力应能承受水平方向15N的静态拉力,持续15s,不得出现断裂或脱落现象。
2.4 环氧乙烷残留量
止血器经环氧乙烷灭菌,环氧乙烷残留量应≤10μg /g。
2.5 生物学性能
止血器经环氧乙烷灭菌后,应无菌。