自保护药芯焊丝的特点及使用要求
- 格式:wps
- 大小:12.00 KB
- 文档页数:3
1.0mm不锈钢药芯焊丝焊接工艺参数一、引言在现代工业生产中,焊接技术作为一种常见的连接方法,在各种材料的加工中都有着广泛的应用。
而在焊接过程中,焊丝的选择和焊接工艺参数的设定,尤其是1.0mm不锈钢药芯焊丝的焊接工艺参数,对焊接质量和效率有着重要的影响。
本文将就此主题展开深入探讨,以帮助读者更深入地理解和应用该焊接工艺。
二、1.0mm不锈钢药芯焊丝的特点1. 不锈钢药芯焊丝的材质:不锈钢药芯焊丝通常采用本人SI 304或本人SI 316L不锈钢丝作为芯材,外包覆有焊剂。
这种设计使得焊接过程中的气体保护更加充分,有利于提高焊接接头的质量。
2. 适用范围:1.0mm的不锈钢药芯焊丝适用于不锈钢材料的焊接,如不锈钢板、管道等的连接。
3. 检测要求:选用此种焊丝进行焊接时,需要加强焊接接头的质量检测,包括焊缝的成形、裂纹的检测等。
三、1.0mm不锈钢药芯焊丝的焊接工艺参数1. 焊接电流:在选择1.0mm不锈钢药芯焊丝的焊接工艺参数时,需要考虑到焊接电流的大小。
一般来说,较大的焊接电流会使焊接速度加快,但过大的电流也容易导致焊接接头的热变形和气孔等缺陷,因此需要根据具体的焊接材料和厚度来调整电流的大小。
2. 焊接电压:焊接电压是影响焊接电弧稳定性和热量传递的重要参数,对于1.0mm不锈钢药芯焊丝的焊接来说,适当的电压可以保证焊接接头的质量和稳定性。
3. 焊接速度:焊接速度是指焊枪在焊接过程中的移动速度,对1.0mm 不锈钢药芯焊丝的焊接来说,适当的焊接速度可以保证焊接接头形成良好的凝固组织,避免出现焊缝气孔等缺陷。
4. 氩气流量:氩气是1.0mm不锈钢药芯焊丝常用的保护气体,适当的氩气流量可以保证焊接过程中的气氛稳定,避免氧化和气孔等缺陷的产生。
四、文章总结研究1.0mm不锈钢药芯焊丝的焊接工艺参数对于提高焊接质量和效率有着重要的意义。
在选择焊接工艺参数时,需要考虑到不锈钢材料的性质、板厚和焊接位置等因素,合理调整焊接电流、电压、速度和保护气体流量等参数,以确保焊接接头的质量和稳定性。
研究药芯焊丝焊接操作技术要点20世纪50年代末、60年代初美国已开始使用药芯焊丝,并被广泛地用于重型机械、建筑机械、桥梁、石油、化工、核电站设备、大型发电设备及采油平台等制造业中,并取得了很好的效果。
近年来,随着社会经济的不断发展,我国生产药芯焊丝的技术和质量得到了不断提高,应用范围也不断地扩大,以船舶制造和海洋结构行业使用药芯焊丝量为最大。
药芯焊丝是继焊条电弧焊和实芯焊丝CO2气体保护焊的又一个被广泛应用的焊接方法。
药芯焊丝的单面焊双面成形操作技术,近年来被世界技能大赛、国内各类技能大赛列为竞赛的考核项目之一,它是电弧焊难度较大的一种操作技术。
尽快地掌握单面焊双面成形技术的操作要领和技巧,这也是每个参加技能考试、技能竞赛的指导教师及学生十分关心的问题。
2.药芯焊丝电弧焊的特点及应用药芯焊丝也称为管状焊丝,是利用薄钢板卷成圆形钢管或异形钢管,或用无缝钢管,在管中填满一定成分的药粉,经拉制而成的焊丝。
可通过调整药芯添加物的种类和比例,很方便地设计各种不同用途的焊接材料,因为它的合金成分可灵活方便的调整,所以药芯焊丝的许多品种是实芯焊丝无法冶炼和轧制的。
2.1特点药芯焊丝电弧焊与气体保护焊非常相似,差别在药芯焊丝采用的是管状焊丝,其中装有粒状的焊剂。
药芯焊丝是很有发展前途的新型焊接材料,与实芯焊丝相比药芯焊丝有如下优缺点。
2.1.1优点:⑴采用气渣联合保护,焊缝成形美观,电弧稳定性好,飞溅少易脱渣、焊道成形美观。
⑵焊丝熔敷速度快,熔敷效率(大约为85%~90%)和生产效率都较高(比焊条电弧焊高3~5倍)。
⑶焊接各种钢材的适应性强,通过调整焊剂的成分与比例可提供要求的焊缝金属化学成分。
2.1.2缺点:⑴焊丝制造过程复杂。
⑵烟雾大,焊接时烟雾较实芯焊丝大。
⑶焊丝外表容易锈蚀,粉剂易吸潮,因此对焊丝的保存-管理的要求更为严格。
⑷焊渣多,较实芯焊丝CO2气体保护焊多,故多层焊时要注意清渣、防止产生夹渣缺陷。
芯焊丝编辑本词条缺少信息栏、名片图,补充相关内容使词条更完整,还能快速升级,赶紧来编辑吧!药芯焊丝也称为管状焊丝,可以通过调整药芯添加物的种类和比例,很方便地设计各种不同用途的焊接材料,因为它的合金成分可灵活方便的调整,所以药芯焊丝的许多品种是实心焊丝无法冶炼和轧制的。
目录1简介2分类▪耐磨系列▪碳钢和低合金系列3制备4特性5历史沿革6其它相关1简介编辑早在1950年代初气保护药芯焊丝便已开始开发问市,但至1957年才开始广为药芯焊丝图片商业上使用。
此种方法可说是取自埋弧焊与CO2焊接(指实心)的优点组合而成,焊剂包在焊丝内并藉外围CO2气体的保护可使焊接时产生较柔和且稳定的电弧以及低飞溅为其特点。
开发之初只有大丝径焊丝(2.0—4.0mm),用于重大工件的平焊与横焊。
直至1972年小丝径焊丝开始发展才大大的扩展了药芯焊丝使用的领域。
自保护药芯焊丝是在气保护药芯焊丝问市不久便被发展出来而且也很快的被工业界广为认同于特定的用途上。
两者最大的不同点在第二单元便已有所述明,本单元将做整体的探讨。
另据资料介绍:日本从1985年至今其焊条占整个焊材的比例从45%下降到20%;而药芯焊丝所占比例已达到近30%。
在美国焊条比例下降到不足40%,药芯焊丝则接近40%;西欧各国焊条约占30%,药芯焊丝约占20%。
由此可见。
药芯焊丝与手工焊条和氩弧焊丝相比有明显的优势,主要是把断续的焊接过程变为连续的生产方式,从而减少了焊接接头的数目,提高了焊缝质量,也提高了生产效率,节约了能源。
2分类编辑药芯焊丝又分为有缝和无缝药芯焊丝,无缝药芯焊丝的成品丝可进行镀铜处理,焊丝保管过程中的防潮性能以及焊接过程中的导电性均优于有缝药芯焊丝。
药芯焊丝按不同的情况有不同的分类方法。
按保护情况可分为气体保护(CO2、富Ar混合气体)和自保护以及埋弧堆焊三种。
按焊丝直径可分为细直径(2.0mm以下)和粗直径(2.0mm以上)。
按焊丝断面可分为简单断面和复杂断面。
药芯焊丝气体保护焊使用药芯焊丝作为填充金属的各种电弧焊方法称为药芯焊丝电弧焊。
分类:1、药芯焊丝气体保护焊的原理及特点 (1).药芯焊丝气体保护焊的原理采用可熔化的药芯焊丝作电极及填充材料,在外加气体如CO2的保护下进行焊接的电弧焊方法。
这种焊接方法是一种气渣联合保护的方法。
(2)药芯焊丝气体保护焊的特点综合了焊条电弧焊和普通熔化极气体保护焊的优点。
①气渣联合保护,保护效果好,抗气孔能力强,成形美观,电弧稳定,飞溅少且颗粒细小。
①药芯焊丝气体保护电弧焊药芯焊丝CO 2气体保护电弧焊药芯焊丝熔化极惰性气体保护焊药芯焊丝混合气体保护焊②药芯焊丝埋弧焊 ③药芯焊丝自保护焊应用最多的是:药芯焊丝CO 2气体保护电弧焊②焊丝的熔敷速度快,明显高于焊条,略高于实芯焊丝,熔敷效率和生产率都较高,生产率比焊条电弧焊高3~4倍,经济效益显著。
③焊接各种钢材的适应性强。
④药粉改变了电弧特性,对焊接电源无特殊要求,交、直流,平缓外特性均可。
⑤缺点:焊丝制造过程复杂;送丝困难。
焊丝外表易锈蚀,药粉易受潮。
故焊前应对焊丝表面进行清理,并进行250~300℃的烘烤。
2、药芯焊丝及焊接工艺 (1)药芯焊丝的组成组成:由金属外皮(如08A )和芯部药粉组成。
截面形状有:E 形、O 形、梅花形、中间填丝形、T 形等。
药粉的成分与焊条的药皮类似,目前国产CO2气保焊药芯焊丝多为钛型药粉焊丝。
规格有2.0、2.4、2.8、3.2等几种。
(2)药芯焊丝的型号根据GB/T10045-2002《碳钢药芯焊丝》标准规定,碳钢药芯焊丝型号是根据熔敷金属力学性能、焊接位置及焊丝类别特点(如保护类型、电源类型及渣系特点等)进行划分的。
例如:E 50 1 T -1 M L表示保护气体为氩气含量为75%~80%的Ar 气+CO2混合气体表示焊丝类别特点:外加保护气,直流电源,焊丝接正极,用于单道焊和多道焊。
表示药芯焊丝表示焊丝熔敷金属V 形缺口冲击功在-40℃时不小于27J(3)药芯焊丝的牌号(字母及数字含义见(表4—13、14)字母钢类别字母钢类别L 结构钢用G 铬不锈钢R 低合金耐热钢A 奥氏体不锈钢D堆焊例如:编号 焊接时保护类型编号 焊接时保护类型 YJXX —1气体保护YJXX —3 气体保护、自保护两用YJXX —2 自保护 YJXX —4 其他保护形式 表4—13药芯焊丝类别表4—14药芯焊丝的保护类型表示保护形式。
药芯焊丝的特点生产效率与手工焊条相比,由于药芯焊丝采用了连续焊接方式,因此生产效率高;与实心焊丝相比,由于药芯焊丝焊接飞溅少、焊缝成形好,所以减少了清除飞溅与修磨焊缝表面的时间。
对钢材的适应性与实心焊丝相比,由于药芯焊丝一般是通过药芯过渡合金元素,因此可以像手工焊条那样方便地从配方中调整合金成分,以适应被焊钢材的要求.而实芯焊丝每调整一次合金成分,就要重新冶炼,其工序多,难控制,因此难以满足用量少而品种多的要求.而且有的合金钢实芯焊丝拉拔性能差,很难拉拔成所需的焊丝。
此时药芯焊丝更显其独特之优点.工人操作要求药芯焊丝对工人的操作水平要求低:与手工焊条比,省去了向下运条的操作;与实芯焊丝比,其电流、电压适应范围宽。
使用成本与手工焊条及实芯焊丝相比,药芯焊丝本身的价格很高。
但对于大型企业来讲,使用药芯焊丝后,生产周期缩短且焊缝质量容易保证,所以带来的综合效益是很高的。
抗潮性普通的药芯捍丝由于其制造形式的约束,在其钢皮的侧边有一条连续的缝隙。
所以药芯焊丝在打开包装之后的搁置时间不能太长,以防吸潮过多而影响焊接质量。
1.焊丝选用的要点焊丝的选择要根据被焊钢材种类、焊接部件的质量要求、焊接施工条件(板厚、坡口形状、焊接位置、焊接条件、焊后热处理及焊接操作等)、成本等综合考虑。
焊丝选用要考虑的顺序如下。
①根据被焊结构的钢种选择焊丝对于碳钢及低合金金高强钢,主要是按“等强匹配”的原则,选择满足力学性能要求的焊丝.对于耐热钢和耐候钢,主要是侧重考虑焊缝金属与母材化学成分的一致或相似,以满足对耐热性和耐腐蚀性等方面的要求。
②根据被焊部件的质量要求(特别是冲击韧性)选择焊丝与焊接条件、坡口形状、保护气体混合比等工艺条件有关,要在确保焊接接头性能的前提下,选择达到最大焊接效率及降低焊接成本的焊接材料。
③根据现场焊接位置对应于被焊工件的板厚选择所使用的焊丝直径,确定所使用的电流值,参考各生产厂的产品介绍资料及使用经验,选择适合于焊接位置及使用电流的焊丝牌号. 焊接工艺性能包括电弧稳定性、飞溅颗粒大小及数量、脱渣性、焊缝外观与形状等.对于碳钢及低合金钢的焊接(特别是半自动焊),主要是根据焊接工艺性能来选择焊接方法及焊接材料.采用实芯焊丝和药芯焊丝进行气体保护焊的焊接工艺性能的对比见表1。
焊丝分类实芯焊丝及药芯焊丝特性2..3.1 焊丝分类按制造方法可分为实芯焊丝和药芯焊丝两大类,其中药芯焊丝又可分为气保护和自保护两种。
按焊接工艺方法可分为埋弧焊焊丝、气保焊焊丝、电渣焊丝、堆焊焊丝和气焊焊丝等。
按被焊材料的性质又可分为碳钢焊丝、低合金钢焊丝、不锈钢焊丝、铸铁焊丝和有色金属焊丝等。
焊丝实芯焊丝药芯焊丝埋弧焊、电渣焊气体保护焊自保护焊惰性气体保护焊(TIG,MIG)活性气体保护焊(MAG)埋弧焊气体保护焊(CO2焊,Ar+CO2焊)自保护焊2.3.2 实芯焊丝实芯焊丝是热轧线材经拉拔加工而成的。
产量大而合金元素含量少的碳钢及低合金钢线材,常采用转炉冶炼;产量小而合金元素含量多的线材多采用电炉冶炼,分别经开坯、轧制而成。
为了防止焊丝生锈,除不锈钢焊丝外都要进行表面处理。
目前主要是镀铜处理,包括电镀、浸铜及化学镀铜等方法。
不同的焊接方法应采用不同直径的焊丝。
埋弧焊时电流大,要采用粗焊丝,焊丝直径在 2.4~6.4mm;气保焊时,为了得到良好的保护效果,要采用细焊丝,直径多为0.8~1.6mm。
1.埋弧焊用焊丝埋弧焊接时,焊缝成分和性能主要是由焊丝和焊剂共同决定的。
另外,埋弧焊接时焊接电流大,熔深大,母材熔合比高,母材成分的影响也大,所以焊接规范变化时,也会给焊缝成分和性能带来较大影响。
埋弧焊焊丝的选择既要考虑焊剂成分的影响,又要考虑母材的影响。
为了得到不同的焊缝成分,可以采用一种焊剂(主要是熔炼焊剂)与几种焊丝配合F也可以采用一种焊丝与几种焊剂(主要是烧结焊剂)配合。
对于给定的焊接结构,应根据钢种成分、对焊缝性能的要求指标及焊接规范大小的变化等进行综合分析之后,再决定所采用的焊丝和焊剂。
低碳钢用焊丝由于焊缝中合金成分不多,故可采用焊丝渗合金,也可采用焊剂渗合金。
通过焊剂向焊缝中过渡时,有利于改善焊缝的抗热裂纹能力和抗气孔性能;通过焊丝向焊缝中过渡时,有利于提高焊缝的低温韧性。
焊接低碳钢时多采用低碳焊丝(H08A等),当母材含碳量较高或强度要求较高、而对焊缝韧性要求不高时,也可采用含碳量较高的焊丝,如H15A或H15Mn等。
不锈钢药芯焊丝的优特点及使用注意事项1. 不锈钢药芯焊丝的焊接效果那可真是牛啊!就像给金属来了一场完美的“变身术”!比如焊接一个架子,用它焊完后特别牢固,不容易开焊。
优点多多呢,它的熔敷效率高,能让你更快地完成焊接工作,节省时间呀!2. 嘿,不锈钢药芯焊丝的适应性强得很咧!不管什么复杂的环境都能应对自如,简直就像个“全能战士”!就拿在户外焊接来说吧,它也能稳定发挥。
它的焊缝质量也超棒,平整光滑,这多让人放心呐!3. 哇塞,不锈钢药芯焊丝的操作还很简单呢!就跟搭积木一样容易上手。
你看那些新手焊工,用它很快就能掌握技巧啦。
而且它还很稳定,不会轻易出现问题,这不是让人很省心嘛!4. 不锈钢药芯焊丝可是很耐用的哟!就像一位忠诚的“老伙计”,长期陪伴着你。
你想想,用了它好久好久都还好好的,能为你省不少钱呢!但使用的时候可得注意啦,要保持焊接区域干净啊,不然可会影响效果的哟。
5. 哎呀呀,不锈钢药芯焊丝的兼容性也很不错呢!能和各种设备完美配合,像找到了最佳“拍档”!就好像手机和充电器一样,适配得很好。
但一定要注意正确的存储方式哦,可别让它受潮啦。
6. 嘿哟,不锈钢药芯焊丝的性价比超高的咧!花一份钱,能得到这么多好处,多划算呐!好比去市场买菜买到了既便宜又新鲜的,心里乐开了花。
不过用的时候要做好防护措施呀,保护好自己的眼睛和皮肤呢。
7. 不锈钢药芯焊丝的稳定性那也是杠杠的!就如同坚实的堡垒一般可靠。
不管遇到什么情况,它都能稳住阵脚。
然而,使用时也要严格按照要求来哦,不能马虎大意。
8. 哇哦,不锈钢药芯焊丝真的是太棒啦!它的这些优特点让焊接工作变得轻松又高效。
但记住使用时要注意安全,要细致对待。
反正我是觉得不锈钢药芯焊丝是焊接的好帮手呀!。
一、模具堆焊药芯焊丝所用的C02自保护堆焊药芯焊丝是在药芯焊丝成形机上轧制的,该焊丝型号为KB968,碳化铝焊丝,堆焊层光滑美观。
优秀的母材结合性能,良好的韧性,不会发生掉块脱落。
国内首创硬度(应该加上HRC)>60同时焊后无裂纹。
二.模具焊接工艺及注意事项1.焊接参数KB968模具焊丝直径1.6mm,焊接电流220-280A、焊接电压22-28V、保护气体为纯二氧化碳或纯氮气、保护气体量20L/min、焊丝伸出长度15-2Omm、焊接速度35cm∕min x焊枪倾角80度、电流类型为直流反接。
2、模具焊接工艺严格执行正确的堆焊工艺,是保证堆焊质量的好坏及成功与否的决定性因素。
堆焊过程包括以下几个步骤:Q)焊前准备堆焊前采用机械加工方法,对堆焊孔型进行粗加工,去除基体表面的疲劳层及缺陷,特别是裂纹必须彻底清除,对多次堆焊的部件,应经超声波探伤,检查内部情况,在确认无裂纹情况下方可进行焊接。
(2)预热为了防止裂纹的发生,堆焊前必须对其进行预热,预热温度由基体及堆焊材料成分而定。
为了使表面得到均匀的硬度,预热温度应在材料的Ms点以上。
为了减少热应力,加热速度也应当控制,升温速度开始100。
C采用约20o C∕h,之后可为40。
C/h。
要求均匀加热。
(3)焊接焊接是堆焊成败的关键环节,要获得理想的堆焊层必须综合考虑某些可变因素,如焊接电压、焊接速度、焊接电流、焊接材料等。
(4)焊后处理为了减少由于表面和内部冷速不一造成体积应力而引起裂纹,要控制冷速。
为了消除焊接残余应力,必须进行回火处理,回火温度视热锻模使用条件,一般控制在450-600o C之间。
回火温度高,内应力消除彻底,但硬度降低。
因而回火温度的选择,既要保证热锻模表面一定的硬度,又要尽量消除内应力。
回火保温时间通常取3~10小时。
3、注意事项(1)焊接前必须彻底清除,否则在焊接过程中会产生气孔;(2)堆焊开始后必须连续进行,中途不能停止;(3)焊缝搭接宽度不得少于5mm,否则在使用时会出现条形磨损在角焊时,要注意焊缝的位置焊接时,焊丝导前距离要合适;(4)堆焊时,堆焊材料(母材)都应保持在一定温度,且层间温度保持在150。
气电焊用药芯焊丝1范围本文件规定了气电焊用药芯焊丝的型号、技术要求、试验方法、修约规则、检验规则和供货技术条件等内容。
本文件适用于焊缝金属最小抗拉强度要求值不低于430MPa的气体保护和自保护气电焊用药芯焊丝(以下简称“焊丝”)。
2规范性引用文件下列文件中的内容通过文中的规范性引用而构成本文件必不可少的条款。
其中,注日期的引用文件,仅该日期对应的版本适用于本文件;不注日期的引用文件,其最新版本(包括所有的修改单)适用于本文件。
GB/T2650—2022金属材料焊缝破坏性试验冲击试验(ISO9016:2022,MOD)GB/T2652金属材料焊缝破坏性试验熔化焊接头焊缝金属纵向拉伸试验(GB/T2652—2022,ISO 5178:2019,IDT)GB/T3323.1焊缝无损检测射线检测第1部分:X和伽玛射线的胶片技术(GB/T3323.1—2019,ISO17636-1:2013,MOD)GB/T3375焊接术语GB/T8170—2008数值修约规则与极限数值的表示和判定GB/T25775焊接材料供货技术条件产品类型、尺寸、公差和标志(GB/T25775—2010,ISO 544:2003,MOD)GB/T25778焊接材料采购指南(GB/T25778—2010,ISO14344:2010,MOD)GB/T37910.1—2019焊缝无损检测射线检测验收等级第1部分:钢、镍、钛及其合金(ISO 10675-1:2016,MOD)GB/T39255焊接与切割用保护气体(GB/T39255—2020,ISO14175:2008,MOD)3术语和定义GB/T3375界定的以及下列术语和定义适用于本文件。
3.1气电焊electrogas welding一种利用连续送进焊丝与熔池之间的电弧,按照近似垂直或水平方向通过成型器具约束焊缝成型的焊接方法。
焊接过程中不施加外部压力,可使用实心焊丝或药芯焊丝,可选用气体保护或自保护。
气体自保护药芯焊丝半自动焊摘要:介绍了STT 气保护半自动根焊,自保护药芯焊丝半自动焊填充盖面工艺的特点及其焊接工艺。
此工艺具有焊接速度快、质量好、易于操作等优点,在长输管道工程中具有良好的应用前景。
关键词:STT ;药芯焊丝;半自动焊接;长输管道随着石油工业的不断发展, 管道输送油气以其安全、经济、高效、环保而得到了迅猛的发展。
长距离、大管径、高压力正成为陆上油气输送管线的发展方向。
目前, 我国的长输管道建设也正处于发展的高峰期。
迄今为止, 我国已建成各类长输管道两万多km , 承担着全国90 %以上的油气运输任务。
特别是近年来, 随着“西气东输工程”、“涩宁兰管道工程”、“兰成渝管道工程”等几项国家重点工程的上马, 在很大程度上促进了管道施工技术的发展与进步。
我国长输管道现场焊接所采用的焊接工艺方法已由传统的手工向下焊工艺, 逐步向半自动化、全自动化迈进。
但由于诸多因素的限制, 全自动焊在我国的发展比较缓慢,只是在“西气东输”等工程中进行了部分试用, 目前半自动焊正以其独特的优势在大口径长输管道建设中得到广泛应用。
本文主要介绍了STT 气保护半自动根焊, 自保护药芯焊丝半自动焊填充盖面工艺的特点及其焊接工艺。
1 工艺特点简介1. 1 STT 气保护半自动焊STT 气保护半自动焊是一种以表面张力为主要熔滴过渡力的熔化极气体保护焊, 它采用独特的波形控制技术,可以根据熔滴的不同过渡过程, 自动调节焊接电流和电弧电压波形,在整个焊接周期里精确控制流过焊丝的电流,从而达到电弧所需的瞬时热量, 同时解决了CO2 气体保护焊短路过渡飞溅大的技术难题, 确保焊接电弧的稳定燃烧和有效控制焊缝成形。
与纤维素焊条下向焊相比, STT 气保护半自动焊具有以下优点: ①引弧容易, 电弧燃烧稳定; ②飞溅极小, 焊接烟尘少, 噪声小; ③焊缝成形美观, 焊接质量好, 可有效地减少管道打底焊道的未熔合缺陷; ④精确的热输入控制可以减少焊接变形和烧穿; ⑤焊接成本较低, 在焊接碳钢和低合金钢时可采用100 % CO2 气体保护; ⑥焊接速度快, 焊接效率高; ⑦焊后不需清渣, 节省了层间清理时间;⑧操作容易, 焊工不需要经过太长时间的培训。
实心焊丝和药芯焊丝的用途实心焊丝和药芯焊丝的用途如下,仅供参考:实心焊丝主要用于埋弧焊、熔化极保护电弧焊以及钨极氩弧焊、等离子电弧焊和电渣焊等工艺的填充焊丝。
一般都是通过冷拉工艺制成圆形截面,并以圆盘的形式供应,但也可以以条状的冷轧带的形式制造。
实芯焊丝是一种没有焊剂的焊丝,又称“光焊丝”,由塑性良好的低碳钢或低合金钢制成。
焊接过程中需要通过外部加热源提供足够的热量,将焊丝和工件熔化并形成焊缝,可以满足如抗氧化、耐磨损和高温下耐腐蚀等特殊性能要求,提高焊接效率和堆焊层质量,同时还能适用于风大、湿度大等环境下的焊接。
不过焊接过程中不含焊剂,实芯焊丝焊接过程中容易产生气孔,焊缝质量不稳定,因此,对焊接工件的表面处理要求高。
药芯焊丝主要用于二氧化碳气体保护焊、埋弧焊和自保护焊等焊接工艺,一般应用于堆焊行业,比如钢铁冶金、水泥建材、煤矿、电力、化工、环保等行业的磨损件修复。
此外,药芯焊丝还用于大型焊接结构工程的施工。
在焊接时,药芯焊丝内部填充相应成分的焊剂混合物和焊丝、焊件会在高温下发生作用,同时形成较薄的液态溶渣包裹溶滴并覆盖溶池,从而对熔池形成保护。
药芯焊丝是一种内部带有焊剂的焊丝,用薄钢带卷成圆形或异形钢管,内填一定成分的药粉,经拉制成的有缝药芯焊丝,或用钢管填满药粉拉制成的无缝药芯焊丝。
焊机与手弧焊焊条的药皮类似,成分中含有稳弧剂、脱氧剂等,其中稳弧剂使得电弧更稳定,熔滴过渡均匀,且采用气渣联合保护,获得良好成形,焊接质量稳定。
药芯焊丝熔敷速度快,生产效率高在相同焊接电流下药芯焊丝的电流密度大,熔化速度快,其熔敷率约为85%-90%,生产率比焊条电弧焊高约3-5倍,从而起到保护和净化焊缝的作用。
总的来说,实心焊丝和药芯焊丝在应用场景上存在差异。
选择使用哪种类型的焊丝取决于具体的焊接需求和场景。
第7讲药芯焊丝电孤焊简介1概述药芯焊丝是继焊条、实芯焊丝之后广泛应用的又一类焊接材料,它是由金属外皮和芯部药粉两部分构成的。
使用药芯焊丝作为填充金属的各种电弧焊方法统称为药芯焊丝电弧焊。
通常用英文简称FCAW(Flux-Cored Arc Welding)表示。
1.1药芯焊丝的发展药芯焊丝最早出现在20世纪20年代的美国和德国。
但真正大量应用于工业生产是在50年代,特别是60、70年代以后,随着细直径(φ2.0mm以下)全位置药芯焊丝的出现,药芯焊丝进入高速发展阶段。
近几年发达国家药芯焊丝的用量约占焊接材料总量的20%~30%,且仍处在稳步上升阶段。
焊条、实芯焊丝、药芯焊丝3大类焊接材料中,焊条年消耗量呈逐年下降趋势,实芯焊丝年消耗量进入平稳发展阶段,而药芯焊丝无论是在品种、规格还是在用量等各方面仍具有很大的发展空间。
我国在60年代开始有关药芯焊丝的相关技术以及制造设备的研究。
80年代初,国内一些重大工程项目开始大量使用药芯焊丝(几乎全部为国外产品),对药芯焊丝的推广使用起到了推动作用。
80年代中期,我国开始引进药芯焊丝生产线以及产品配方,90年代初期,国产药芯焊丝生产线也具备了批量生产的能力。
近年来,国内药芯焊丝年消耗量接近万吨,占焊接材料总量的1%左右。
但国产药芯焊丝年产量仅2000t左右,不足焊材总产量的0.3%。
国产药芯焊丝无论是在品种还是产量都不能满足国内目前市场的需求。
然而从近几年国产药芯焊丝的发展趋势可以看出,国产药芯焊丝及其相关技术已经成熟,今后几年我国的药芯焊丝技术及应用也将进入高速发展阶段。
总之,药芯焊丝以其明显的技术和经济方面的优势将逐步成为焊接材料的主导产品,是21世纪最具发展前景的高技术焊接材料。
1.2药芯焊丝的分类药芯焊丝目前尚无统一的分类方法,一般公认的分类方法如下:l)按横截面形状分药芯焊丝的横截面形状可分为简单O形截面和复杂截面两大类(见图l)。
O形截面的药芯焊丝又分为有缝和无缝药芯焊丝。
A T-71Ni1 自保护药芯焊丝
符合标准: AWS A5.36 E71T8-A2-Ni1, AWS A5.36M E491T8-A3-Ni1;
GB/T17493 E491T8-Ni1
☆说明:
该焊丝为可以全位置焊接的自保护药芯焊丝。
在-30℃焊态情况下有良好的冲击韧性。
该焊丝操作工艺性优异,脱渣容易,适应于野外等严苛的自然环境下焊接。
☆用途:
适用于低温区域作业的海洋平台结构、对低温韧性要求高的APIX42-X65油气管道现场环焊,也可用于普通钢、耐大气腐蚀钢及高强钢的自动、半自动焊接。
☆使用特点:
1) 自保护焊接,不需要保护气;
2) 适应野外焊接;
3) 管线焊接前需要预热,预热温度90-150℃;
4) 采用直流电源,焊丝接负极施焊。
☆熔敷金属化学成分(%)
☆熔敷金属的力学性能
☆参考规范(直流,焊丝接负极)
☆供货包装
1.塑料盘,净重6Kg/盘
2.桶装,4盘,净重24KG。
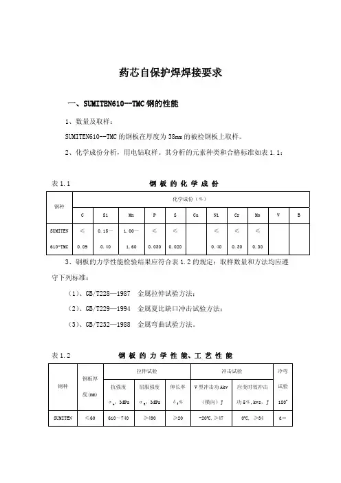
自保护药芯焊丝的特点及使用要求
一自保护药芯焊丝的特点1958年,美国和前苏联同时研制成一种不需外加气体保护的药芯焊丝,即目前的自保护药心焊丝。
在随后的50余年时间,自保护药芯焊丝以其特有优越性得到了很大的发展。
在美国,自保护药芯焊丝占药芯焊丝总量的30%。
目前,自保护药芯焊丝广泛用于管线建设、海洋工程、户外大型钢结构制造、高层钢结构建筑、表面堆焊等。
自保护药芯焊丝通过焊丝药芯中的造渣剂、造气剂在电弧高温作用下产生的气、渣对熔滴和熔池进行保护。
自保护药芯焊丝电弧焊方法具有以下优点:
1.不需外加保护气源,焊枪结构简单、重量轻,便于操作;
2.抗风抗气孔性能良好,在焊接中由该焊丝自身冶金反应造气形成保护气氛,可在四级风力下施焊,只要风速不超过8m/s,可不采取任何防护措施,特别适用于野外施工作业;
3.电弧穿透力要大,
熔滴要呈喷射状过渡,飞溅小;4.具有优良的全位置立向下焊操作工艺性能,操作工艺性能好;5.脱渣性能良好;6.熔敷金属能在低温和大风等各种恶劣条件下同样获得较高的低温韧性。
二自保护药芯焊丝的使用要求 1.焊接电源采用专用的直流电源和逆变电源。
⒉应采用直流正接(DC-):焊件接电源正极,焊枪接电源负极。
极性接反,容易飞溅大,熔深浅,无法焊接。
⒊焊丝的角度在下向焊时,一般要求焊丝与工件保持800~900,避免靠近垂直位置时熔渣和铁水的下淌,从而影响焊接操作的顺利进行,以及容易出现夹渣和气孔等缺陷。
4.自保护药芯焊丝的干伸长度,一般应控制在6~10倍焊丝直径为宜,如干伸长度过长,会使焊丝熔化过快,降低电弧吹力。
⒌被焊接表面应均匀、光滑,不得有铁锈、渣垢、油脂和其他影响焊接质量的有害物质。
⒍焊接地线尽量靠近焊接区,而且要确认导电良好,(地线是否氧化,接的是否牢固,地线与母材接触的地方不能有铁锈),如导电不好,会引起电弧不稳。
⒎焊接参数调整的好坏,直接影响焊接质量。
电。