一次性使用麻醉呼吸机用过滤器产品技术要求天地和协
- 格式:docx
- 大小:98.01 KB
- 文档页数:4
编订:__________________单位:__________________时间:__________________消防过滤式自救呼吸器技术性能要求(正式) Standardize The Management Mechanism To Make The Personnel In The Organization Operate According To The Established Standards And Reach The Expected Level.Word格式 / 完整 / 可编辑文件编号:KG-AO-4221-91 消防过滤式自救呼吸器技术性能要求(正式)使用备注:本文档可用在日常工作场景,通过对管理机制、管理原则、管理方法以及管理机构进行设置固定的规范,从而使得组织内人员按照既定标准、规范的要求进行操作,使日常工作或活动达到预期的水平。
下载后就可自由编辑。
消防过滤式自救呼吸器是用于紧急逃生的呼吸辅助装置,一般由防护面罩和过滤装置组成,针对呼吸器的各项性能,国家作出了各项技术要求规定,只有全部满足这些指标,才能够称为合格的消防过滤式自救呼吸器产品。
消防过滤式自救呼吸器消防过滤式自救呼吸器技术性能要求:1、材料阻燃性能消防过滤式自救呼吸器在耐燃试验后,所有可能接触到火焰的材料均不应出现继续燃烧、熔融等现象,不应对人体产生附加的伤害。
2、防护头罩材料抗辐射热渗透性能消防过滤式自救呼吸器的防护头罩材料在抗辐射热渗透试验后,其内表面温升不应大于25'C。
3、抗机械碰撞及环境变化性能消防过滤式自救呼吸器对于规定的机械负荷、环境温度和湿度变化,应具有足够的稳定性,不应有裂纹、爆开、破碎等能导致失效的损坏,且仍应符合技术要求。
4、防护性能消防过滤式自救呼吸器的防护时间(厂方公布值)应不小于15min。
5、一氧化碳防护性能在防护时间内,任何单个10min过程中,一氧化碳透过浓度的时间加权平均值应不大于200mL/m,至防护时间终了,透过装置的一氧化碳总累积量应不大于200mL。
2.性能指标2.1外观2.1.1 一次性使用呼吸道用吸引导管的病人端的端口和侧孔眼边缘应光滑,无锐边。
2.1.2 一次性使用呼吸道用吸引导管的内外表面应光滑、清洁、无不规则、无裂纹、塑化均匀。
2.1.3 一次性使用呼吸道用吸引导管管身应透明或半透明,无扭结。
2.1.4 一次性使用呼吸道用吸引导管接头应无明显机械杂质、污迹、黑点、毛刺。
2.2尺寸2.2.1吸引导管的规格尺寸和识别色标应符合表1的要求。
2.2.2头部的最小内径宜不小于表1规定的最小内径的90%。
2.3物理性能2.3.1连接牢固度吸引导管的机器端应永久性地连接于管身,断开任何永久性连接于管身的零件所需的力,应不小于表2规定。
表2 断开永久性连接于管身的零件所需的最小力2.3.2管身耐负压在(23±2)℃下施加40 kPa(300mmHg)负压15s,管身应不发生扁瘪。
2.3.3 X射线不透性吸引导管应能被X射线探测到。
吸引导管与标准品(2mm±0.15mm厚铝板,纯度≥99%)在X射线下同时曝光,吸引导管成像附近的背景像素强度与吸引导管显影线成像的像素强度之差的绝对值应不小于标准品成像附近的背景像素强度与标准品成像的像素强度之差的绝对值。
2.3.4真空控制装置残留真空应不超过0.33kPa(3.4cmH2O)。
注:胃管接头不适用。
2.4化学性能2.4.1酸碱度浸取液的PH值与同批空白对照液对照,PH值之差不得超过 1.5。
2.4.2重金属浸取液呈现的颜色不应超过质量浓度ρ(Pb2+)=1μg/mL的标准对照液。
2.4.3还原物质消耗高锰酸钾溶液〔c(KmnO4)=0.002mol/L〕的总量应不超过2.0mL。
2.4.4环氧乙烷残留量经环氧乙烷灭菌出厂时, 环氧乙烷残留量应不大于5μg/g。
2.5无菌产品经环氧乙烷灭菌后应无菌。
2.6其它附件要求2.6.1 管腔2.6.1.1吸引导管的外表面应无会阻碍其插入所有类型的塑料、橡胶和金属经口和经鼻气管插管、气管切开插管和相应接头的结构特征。
中华人民共和国劳动和劳动安全行业标准电动送风过滤式防尘呼吸器通用技术条件LD6—91中华人民共和国劳动部1991—08—06批准1992—07—01实施1 主题内容与适用范围本标准规定了电动送风过滤式防尘呼吸器的性能、试验方法及检验规则等。
本标准适用于空气中含粉尘及微粒作业现场使用的电动送风过滤式防尘呼吸器。
本标准不适用于空气中含氧量低于18%、空气中含有毒微粒超过TJ36规定的场所及可能引起爆炸场所使用的电动送风过滤式防尘呼吸器。
2 引用标准GB2811 安全帽GB2812 安全帽试验方法GB3929 标准电池GB6220~GB6221 长管面具及其性能试验方法3 术语3.1 电动送风过滤式防尘呼吸器(以下简称“呼吸器”)经电动风机过滤除尘,使佩戴者呼吸到清洁空气的个体防护装置。
3.2 一体型电动送风过滤式防尘呼吸器。
不带导气管的电动送风过滤式防尘呼吸器。
3.3 分离型电动送风过滤式防尘呼吸器带导气管的电动送风过滤式防尘呼吸器。
3.4 防护率呼吸器滤除粉尘及微粒的百分率。
4 分类及分级4.1 分类呼吸器按结构及风机、过滤器放置位置分类(见表1)。
4.2 分级按防护率分级(见表2)。
4.3 结构4.3.1 密合型密合型电动送风过滤式防尘呼吸器,必须具有电动风机向呼吸器内送入经过滤的干净空气和从排气阀排出佩戴者的呼气及剩余空气的结构(见图1)。
图1 密合型电动送风过滤式防尘呼吸器a 分离型b 一体型1—目镜;2—排气阀;3—导气管;1—过滤器;2—电动风机;3—目镜;4—电池;5—过滤器;6—电动风机;4—排气阀;5—电池4.3.2 开放型除具备供干净空气的结构外,佩戴者呼气能从颜面与面罩之间排出而粉尘和微粒难于进入的结构(见图2)。
图2 开放型电动送风过滤式防尘呼吸器a 分离型b 一体型1—面罩;2—目镜;3—导气管;1—面罩;2—目镜;3—风机;4—电池;5—过滤器;6—风机4—过滤器;5—电池4.3.3 头罩型除具备供干净空气的结构外,佩戴者呼气能从人体与头罩之间或排气阀排出而粉尘和微粒难于进入的结构(见图3)。
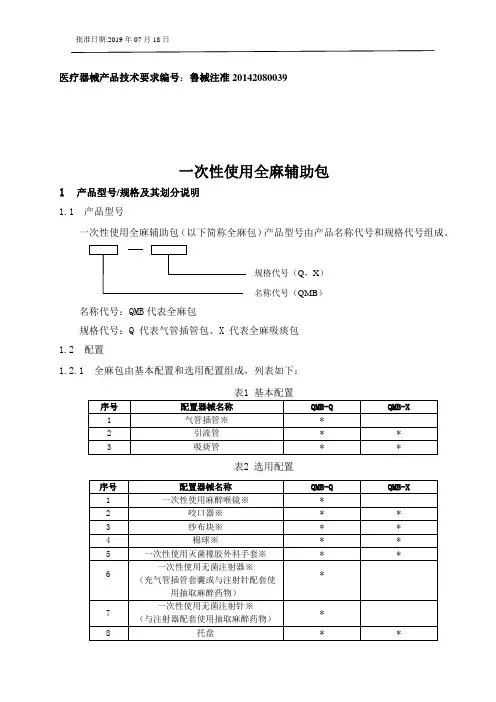
医疗器械产品技术要求编号:鲁械注准20142080039
一次性使用全麻辅助包
1 产品型号/规格及其划分说明
1.1 产品型号
一次性使用全麻辅助包(以下简称全麻包)产品型号由产品名称代号和规格代号组成。
规格代号(Q ,X ) 名称代号(QMB )
名称代号:QMB 代表全麻包
规格代号:Q 代表气管插管包、X 代表全麻吸痰包 1.2 配置
1.2.1 全麻包由基本配置和选用配置组成,列表如下:
表1 基本配置
表2 选用配置
注:表1、2中带※的产品为有医疗器械注册证的产品。
1.2.2 配置中的器械应按YY 0033-2000《无菌医疗器具生产管理规范》的要求生产。
1.2.3 配置的器械均为一次性使用,不得重复使用或回收利用。
1.3 材料
全麻包中各配置的主要原材料符合表2 的规定。
选用配置(表2)中带“※”的产品为有医疗器械注册证的产品。
表2。
目录前言 (III)1 范围 (1)2 规范性引用文件 (1)3 术语和定义 (1)4 分类、分级和标记 (3)4.1 分类 (3)4.2 分级 (3)4.3 标记 (3)5 技术要求 (3)5.1 设计要求 (3)5.2 材料要求 (4)5.3 外观质量 (4)5.4 泄漏性 (4)5.5 过滤元件 (4)5.6 呼吸阻力 (5)5.7 呼气阀 (5)5.8 吸入气体中的二氧化碳含量 (5)5.9 视野 (5)5.10 头带 (5)5.11 面屏 (5)5.12 气密性 (5)5.13 可燃性 (5)5.14 通话性能 (6)5.15 连接和连接部件 (6)5.16 质量 (6)5.17 实用性能 (6)5.18 制造商应提供的信息 (6)5.19 包装 (7)6 试验方法 (7)6.1 试验样品和试验环境条件 (7)6.2 表观检查 (7)6.3 质量 (8)6.4 防护时间 (8)6.5 泄漏性 (8)6.6 呼吸阻力 (8)6.7 呼气阀气密性 (8)6.8 吸入气体中二氧化碳含量 (8)6.9 视野 (8)6.10 头带 (8)6.11 连接和连接部件 (9)6.12 面屏 (9)6.13 气密性 (9)6.14 可燃性试验 (9)6.15 实用性能测试 (9)7 标识与包装 (10)7.1 标识 (10)7.2 包装 (11)前言本文件的全部技术内容为强制性。
本文件按照GB/T 1.1—2020《标准化工作导则第1部分:标准化文件的结构和起草规则》的规定起草。
本文件由中华人民共和国国家应急管理部提出。
本文件由全国个体防护装备标准化技术委员会(SAC/TC 112)归口。
本文件起草单位:。
本文件主要起草人:。
呼吸防护自吸过滤式逃生呼吸器1 范围本文件规定了自吸过滤式逃生呼吸器(以下简称呼吸器)的分类、分级、技术要求、试验方法、标识和包装。
本文件适用于逃生时防护有毒气体、蒸气以及颗粒物的一次性使用呼吸器。
YY ICS 11.040.10 C 46 中华人民共和国医药行业标准 YY 0600.3—2007 医用呼吸机基本安全和主要性能专用要求第3部分:急救和转运用呼吸机 Lung ventilators for medical use—Particular requirements for basic safety and essential performance—Part 3:Emergency and transport ventilators (ISO 10651-3:1997,MOD) 2007-01-31发布 2008-02-01实施 国家食品药品监督管理局 发布.j—r_-!■,刖 禹 YY 0600总标题为《医用呼吸机基本安全和主要性能专用要求》,由下列部分组成: ——第1部分:家用呼吸支持设备; ——第2部分:依赖呼吸机患者使用的家用呼吸机; ——第3部分:急救和转运用呼吸机。
YY 0600的其他部分将陆续制定: ——第4部分:人工呼吸设备; ——第5部分:气动急救复苏设备。
本部分为YY 0600的第3部分,修改采用国际标准ISO 1065]一3:1997{医用呼吸机…一第3部分:急救和转运用呼吸机的专用要求》,本部分与ISO 10651—3:1997的主要差异如下: ——本部分将ISO 10651—2:2004第2章“规范性引用文件”调整为1.101;将第3章“术语和定义” 调整为第2章,与通用标准编号保持一致; 一~第10.2.1 a)环境温度范围修改为“除非制造厂另有说明,环境温度范围为一18℃~+5()℃’’。
本条修改的主要原因是此条款按目前的国内水平实现难度较大,但也不宜于修改原标准的技 术参数,所以确定在该条款中增加“除非制造厂另有说明”表述; 一一第36.202.2.1修改为“除非制造商另有说明,将等级由3 V/m更改为30 V/re'’。
本条修改的 主要原因是原标准要求比一般医疗器械产品增大了一个数量级,按目前的国内水平实现难度 较大,但也不宜于修改原标准的技术参数,所以确定在该条款中增加“除非制造厂另有说明” 表述。
医疗器械产品技术要求编号:一次性使用热湿交换过滤器1. 产品型号/规格及其划分说明1.1产品型号规格见附录A。
1.2划分说明按产品外型、结构及功能不同划分。
2. 性能指标2.1 521-001、521-002、521-003、521-004适用2.1.1 外观外观应平整光洁,无飞边、刮痕、污渍、杂质等现象。
2.1.2 泄漏泄漏速率应符合表1的要求。
2.1.3 压降压降应符合表1的要求。
2.1.4 细菌过滤效能细菌过滤效能,应符合表1的要求。
2.1.5 热湿交换效能当采取试验条件3(潮气量为1000mL、频率为15次/min、呼吸比为1:1)时,521-001、521-002水分损失应≤9.5mg/L;当采取试验条件3(潮气量为500mL、频率为15次/min、呼吸比为1:1)时,521-003、521-004水分损失应≤12mg/L,如表1的要求。
表12.1.6 圆锥接头预期与呼吸麻醉回路连接的圆锥接头尺寸应符合YY/T 1040.1-2015 中5.1的要求。
2.1.7 鲁尔接头鲁尔接头尺寸应符合GB/T 1962.1-2015的要求。
2.1.8 死腔量死腔量应小于表2的要求表22.1.9 顺应性产品的顺应性应少于3 mL/kPa。
2.2 522-001、522-002适用2.2.1 外观外观应平整光洁,无飞边、刮痕、污渍、杂质等现象。
2.2.2 压降压降应符合表1的要求。
2.2.3 热湿交换效能当采取试验条件3(潮气量为500mL、频率为15次/min、呼吸比为1:1)时,522-001、522-002水分损失应≤18mg/L,如表1的要求。
2.2.4 圆锥接头预期与呼吸麻醉回路连接的圆锥接头尺寸应符合YY/T 1040.1-2015中5.1的要求。
2.2.5 死腔量死腔量应小于表2的要求。
2.3 微生物限度产品在洁净车间生产,应符合以下规定:a、大肠菌群、致病性化脓菌、真菌不得被检出。
b、洁净菌落总数应≤20cfu/g。
1、哈德逊人工鼻人工鼻/过滤器厂家品牌规格型号HUDSON(哈德逊)加湿呼吸过滤器/人工鼻17732HUDSON(哈德逊)加湿呼吸过滤器/人工鼻11112HUDSON(哈德逊)加湿呼吸过滤器/人工鼻41312HUDSON(哈德逊)加湿呼吸过滤器/人工鼻19402;18402TYCO(泰科)加湿呼吸过滤器/人工鼻352/5877TYCO(泰科)加湿呼吸过滤器/人工鼻350/5879TYCO(泰科)加湿呼吸过滤器/人工鼻352/5996TYCO(泰科)加湿呼吸过滤器/人工鼻353/19004哈德逊Hudson加温加湿过滤器型号:19402紧凑型加温加湿过滤器150-1000潮气量范围湿度输出31mgH2O/L,Vt 0.6L细菌病毒清除率99.9999%型号:11132I型口温湿交换器50-600潮气量范围30.5mgH2O/L,Vt 0.2L型号: 41312用于气管切开插管和气管插管自主通气病人的气道加温加湿包括自动封闭吸痰孔和供氧接口27毫克水柱/升,潮气量Vt500死腔10毫升,气流阻力0.25厘米,30升/分钟加强型气管插管、一次性喉罩、呼吸回路(螺纹管)、麻醉回路、面罩(麻醉/吸氧)、插管导丝、全身麻醉气管插管包、桡动脉压迫止血带、股动脉压迫止血带、一次性使用气管插管固定器、一次性使用咽喉镜片、吸痰管、口咽通气道2、双腔支气管插管双腔支气管插管厂家品牌型号规格Mallinckrodt(万灵科)双腔支气管插管28Fr 32Fr 35Fr 37Fr 39Fr 41Fr左肺Mallinckrodt(万灵科)双腔支气管插管35Fr 37Fr 39Fr 41Fr右肺Mallinckrodt(万灵科)双腔支气管插管带隆突钩35Fr 37Fr 39Fr 左右肺HUDSON(哈德逊/希尔顿)双腔支气管插管 28Fr 35Fr 37Fr 39Fr 41Fr左、右肺RUSCH(德国鲁西)双腔支气管插管35Fr 37Fr 39Fr 左右肺RUSCH(德国鲁西)双腔支气管插管带隆突钩35Fr 37Fr 39Fr 左、右肺加强型气管插管、一次性喉罩、呼吸回路(螺纹管)、麻醉回路、麻醉面罩(麻醉/吸氧)、插管导丝、全身麻醉气管插管包、桡动脉压迫止血带、股动脉压迫止血带、一次性使用气管插管固定器、一次性使用咽喉镜片、吸痰管、口咽通气道3、口咽通气道产品型号:美国哈德逊口咽通气道HUDSON(哈德逊)口咽通气道 1154 40mmHUDSON(哈德逊)口咽通气道 1155 50mmHUDSON(哈德逊)口咽通气道 1156 60mmHUDSON(哈德逊)口咽通气道 1157 70mmHUDSON(哈德逊)口咽通气道 1158 80mmHUDSON(哈德逊)口咽通气道 1159 90mmHUDSON(哈德逊)口咽通气道 1160 100mmHUDSON(哈德逊)口咽通气道 1161 110mm美国泰科鼻咽通气道鼻咽通气道8888247015 6.0mm鼻咽通气道8888247023 6.5mm鼻咽通气道8888247031 7.0mm鼻咽通气道8888247049 7.5mm鼻咽通气道8888247056 8.0mm鼻咽通气道8888247064 8.5mm加强型气管插管、一次性喉罩、呼吸回路(螺纹管)、麻醉回路、麻醉面罩(麻醉/吸氧)、插管导丝、全身麻醉气管插管包、桡动脉压迫止血带、股动脉压迫止血带、一次性使用气管插管固定器、一次性使用咽喉镜片、吸痰管、口咽通气道4、麻醉面罩氧气面罩哈德逊公司面罩规格型号HUDSON(哈德逊)小容量喷雾面罩1882HUDSON(哈德逊)小容量喷雾面罩1884HUDSON(哈德逊)小容量喷雾面罩1885HUDSON(哈德逊)小容量喷雾面罩1886HUDSON(哈德逊)小容量喷雾面罩1710HUDSON(哈德逊)小容量喷雾面罩1724HUDSON(哈德逊)麻醉面罩 15800 1# 新生儿型15mm HUDSON(哈德逊)麻醉面罩 15802 2# 幼儿型15mm HUDSON(哈德逊)麻醉面罩 15804 3# 儿童型15mm HUDSON(哈德逊)麻醉面罩 15806 4# 成人小号22mm HUDSON(哈德逊)麻醉面罩 15808 5# 成人中号22mm HUDSON(哈德逊)麻醉面罩 15810 6# 成人大号22mmHUDSON(哈德逊)氧气和溶剂面罩1009成人型带储气袋2M氧气导管HUDSON(哈德逊)氧气和溶剂面罩1035儿童型2M氧气导管HUDSON(哈德逊)氧气和溶剂面罩1040成人型2M氧气导管HUDSON(哈德逊)氧气和溶剂面罩1041加长成人型2M氧气导管HUDSON(哈德逊)氧气和溶剂面罩1042加长儿童型2M氧气导管HUDSON(哈德逊)氧气和溶剂面罩1059成人型2M氧气导管带有安全通气孔HUDSON(哈德逊)氧气和溶剂面罩1060成人型2M氧气导管带有3片活瓣通气孔HUDSON(哈德逊)氧气和溶剂面罩1075气管切开雾化面罩HUDSON(哈德逊)氧气和溶剂面罩1088文丘里氧气面罩成人型HUDSON(哈德逊)氧气和溶剂面罩1089文丘里氧气面罩儿童型加强型气管插管、一次性喉罩、呼吸回路(螺纹管)、麻醉回路、麻醉面罩(麻醉/吸氧)、插管导丝、全身麻醉气管插管包、桡动脉压迫止血带、股动脉压迫止血带、一次性使用气管插管固定器、一次性使用咽喉镜片、吸痰管、口咽通气道5、气管切开套管德国鲁西气管切开套管万灵科气管切开套管RUSCH(德国鲁西)气管切开套管 4.0#------------9.0#Euromedical(欧洲医学)气管切开套管 4.0#-------------9.0#全套包括:气切套管带低压气囊,导向球囊,注射器接口带锁定和阀门装置,舒适的颈部固定带,引导拴6、英国LMA喉罩英国LMA喉罩第一代、第二代、第三代一次性喉罩(英国LMA)规格:1号,适用于新生儿婴儿1.5号,适用于婴儿2号,适用于小儿和儿童2.5号,适用于儿童3号,适用于儿童较小成人4号,适用于普通成人加强型气管插管、一次性喉罩、呼吸回路(螺纹管)、面罩(麻醉/吸氧)、插管导丝、全身麻醉气管插管包、桡动脉压迫止血带、股动脉压迫止血带、一次性使用气管插管固定器、一次性使用咽喉镜片、吸痰管、口咽通气道7、台湾升望人工简易呼吸器PVC成人、儿童、婴儿台湾升望人工简易呼吸器硅胶成人、儿童、婴儿包含以下配件:可选面罩规格:#0(新生儿);#1(新生儿/儿童); #2(儿童);#3(儿童/成人);#5(成人)人工气道:100mm,90mm,80mm(成人)80mm,70mm,60mm(儿童)60mm,50mm,40mm(新生儿)其他配件:氧气连接管、储气袋、透明收纳盒注册证号:国食药监械(许)字2008第2540093号8、麻醉呼吸回路美国Hudson麻醉回路泰科呼吸回路TYCO麻醉回路50425097 成人带细菌过滤器及备用管3L皮囊TYCO麻醉回路50430097 成人带备用管2L皮囊TYCO麻醉回路50415197 成人可伸缩型TYCO麻醉回路50415797 成人可伸缩管带3L皮囊TYCO麻醉回路50415897 成人可伸缩管带细菌过滤器及3L皮囊TYCO麻醉回路50414297 小儿1L皮囊TYCO呼吸回路340/6085 成人TYCO呼吸回路306/6848 成人带集水杯45cm延长一根TYCO呼吸回路370/8445 小儿哈德逊麻醉回路/螺纹管352103哈德逊麻醉回路/螺纹管351103哈德逊麻醉回路/螺纹管356113哈德逊麻醉回路/螺纹管358103 成人哈德逊麻醉回路/螺纹管351200哈德逊麻醉回路/螺纹管351203哈德逊麻醉回路/螺纹管351403哈德逊麻醉回路/螺纹管353801哈德逊麻醉回路/螺纹管353901哈德逊麻醉回路/螺纹管354007 儿童哈德逊麻醉回路/螺纹管7145 成人哈德逊呼吸回路及附件1615哈德逊呼吸回路及附件1617哈德逊呼吸回路及附件1642加强型气管插管、一次性喉罩、麻醉回路、呼吸回路(螺纹管)、麻醉面罩(麻醉/吸氧)、插管导丝、全身麻醉气管插管包、桡动脉压迫止血带、股动脉压迫止血带、一次性使用气管插管固定器、一次性使用咽喉镜片、吸痰管、口咽通气道9、可来福无针密闭输液接头适用人群1.长期输液治疗患者;2.老人、儿童及限制水分输入患者;3.肿瘤病人、血管条件不良者4.手术中、危重抢救患者;5.有凝血机制障碍者;6.血液、腹膜透析者。
消防过滤式自救呼吸器的执行标准下载提示:该文档是本店铺精心编制而成的,希望大家下载后,能够帮助大家解决实际问题。
文档下载后可定制修改,请根据实际需要进行调整和使用,谢谢!本店铺为大家提供各种类型的实用资料,如教育随笔、日记赏析、句子摘抄、古诗大全、经典美文、话题作文、工作总结、词语解析、文案摘录、其他资料等等,想了解不同资料格式和写法,敬请关注!Download tips: This document is carefully compiled by this editor. I hope that after you download it, it can help you solve practical problems. The document can be customized and modified after downloading, please adjust and use it according to actual needs, thank you! In addition, this shop provides you with various types of practical materials, such as educational essays, diary appreciation, sentence excerpts, ancient poems, classic articles, topic composition, work summary, word parsing, copy excerpts, other materials and so on, want to know different data formats and writing methods, please pay attention!1. 简介在应对火灾等紧急情况时,消防过滤式自救呼吸器是一种关键的生命救援装备。
过滤器技术协议协议名称:过滤器技术协议一、协议目的本协议旨在明确过滤器技术的使用范围、技术要求、测试方法等相关事项,确保过滤器技术的稳定性和可靠性。
二、定义1. 过滤器技术:指用于过滤和分离物质的技术,包括但不限于物理过滤、化学过滤、电子过滤等。
2. 过滤器:指用于过滤和分离物质的设备或装置,包括但不限于滤纸、滤网、滤芯等。
3. 使用者:指购买过滤器技术并使用的个人或组织。
三、技术要求1. 过滤效率a. 根据不同过滤器技术的使用目的和物质特性,过滤效率应达到相应的标准。
例如,对于空气过滤器技术,过滤效率应满足国家标准GB/T 18801-2015中的相关要求。
b. 过滤效率测试方法:使用标准颗粒物进行实验,测量颗粒物进入和离开过滤器的浓度,计算过滤效率。
2. 透气性能a. 对于空气过滤器技术,透气性能应满足国家标准GB/T 5453-2017中的相关要求。
b. 透气性能测试方法:使用气体流量计测量单位时间内通过过滤器的气体流量。
3. 耐压性能a. 过滤器应具备一定的耐压性能,能够承受正常使用条件下的压力。
b. 耐压性能测试方法:将过滤器置于特定压力下,观察其是否出现破损或泄漏。
4. 使用寿命a. 过滤器的使用寿命应满足设计要求,确保在正常使用条件下能够达到预期的使用寿命。
b. 使用寿命测试方法:在特定条件下进行长时间连续使用实验,观察过滤器的性能变化。
四、质量控制1. 过滤器技术的生产商应建立完善的质量控制体系,确保产品的质量稳定。
2. 过滤器技术的生产商应进行产品质量检测,包括但不限于过滤效率、透气性能、耐压性能等指标的检测。
3. 过滤器技术的生产商应建立产品追溯体系,能够追溯产品的生产批次、生产日期等相关信息。
五、责任与义务1. 过滤器技术的生产商应按照相关法律法规的要求,确保产品的质量和安全性。
2. 过滤器技术的生产商应提供产品的技术说明书、使用方法和注意事项等相关信息,以便使用者正确使用和维护过滤器技术。
ICS13.340.30C 73团体标准T/BAOSPTS 001—2020呼吸追随型动力送风过滤式呼吸器技术规范Technical code for breath-following powered air-purifying respirator(征求意见稿)2020-XX-XX发布2020-XX-XX实施北京市安全生产技术服务协会发布目次前言 (II)1范围 (1)2规范性引用文件 (1)3术语和定义 (1)4分类和标记 (3)4.1 呼吸追随型动力送风过滤式呼吸器(BF-PAPR)分类和标记 (3)4.2 BF-PAPR过滤元件的分类、标记和标色 (3)5技术要求 (5)5.1 一般要求 (5)5.2 制造商设计风量(MMDF)和制造商设计持续使用时间 (5)5.3 呼吸追随响应时间 (5)5.4 过滤元件 (5)5.5 其他技术要求 (6)6测试 (6)6.1 试验条件、表观检查与预处理 (6)6.2 实际送风量 (6)6.3 持续使用时间 (6)6.4 呼吸追随响应时间 (7)7标识 (7)7.1 标识内容 (7)7.2 标识位置 (8)前言本标准按照GB/T1.1-2009给出的规则起草。
本标准由中国安全生产科学研究院提出。
本标准由北京市安全生产技术服务协会归口。
本标准起草单位:中国安全生产科学研究院、北京市安全生产技术服务协会、军事科学院防化研究院、中车长春轨道客车股份有限公司、东方电气集团东方电机有限公司、浙江安全生产科学研究院、北京市劳动保护科学研究所。
本标准主要起草人:陈建武、杨斌、张明明、刘宝龙、孙艳秋、孙萌、刘维江、曹雅媛、满风捷、闫雪飞、杨小兵、赵东蘶、盛立刚、王莹、谢洁、张金锋、陈倬为。
呼吸追随型动力送风过滤式呼吸器技术规范1 范围本标准规定了呼吸追随型动力送风过滤式呼吸器分类和标记、技术要求、检测方法和标识。
本标准适用于防护颗粒物和有毒有害气体或蒸气的呼吸追随型动力送风过滤式呼吸器。
麻醉机和呼吸机用呼吸管路
适用范围:该产品用于与麻醉机、呼吸机、潮化器、喷雾器配套使用,为病人建立一个呼吸连接通道。
麻醉机和呼吸机用呼吸管路(以下简称呼吸管路)主要由医用硅橡胶制成。
主要由簿壁管、缠条、接头组成。
规格尺寸见表1
表1 呼吸管路的规格尺寸单位: mm
2.1气流阻力 a)额定流量为20L/min 0.2kPa 。
b)按标称的额定流量,呼吸管路的压力增量不应超过0.2kPa。
2.2接头要求 a)对于预期与22mm外圆锥接头锁接的呼吸管路路,接头的轴向长度应不小于21mm; 对于预期与15mm外圆锥接头锁接的呼吸管路路,接头的轴向长度应不小于14mm。
b)在小于40N的力值下, 接头不应与相应的外圆锥接头分离。
2.3泄漏呼吸管路在正常使用状态下,泄漏速度应不超过25mL/min。
2.4弯曲气流阻力增加呼吸管路在弯曲的状态下,额定流量的压力值不应超过伸直呼吸管路测量值的150%。
2.5顺应性在6kPa的压力下,呼吸管路的顺应性应不超过每米长度管路10mL/kPa。
2.6外观呼吸管路的表面外观应光滑、无明显斑点;眼孔及内腔应保持清洁通畅。
一次性使用麻醉呼吸机用过滤器
组成:
本产品由上盖、滤膜、下盖三部分组成,分为机械式和静电式两种类型。
一次性使用麻醉呼吸机用过滤器壳体采用医用聚碳酸酯(PC),滤膜孔径为0.45μm
机械式过滤器采用聚丙烯纤维微孔滤膜,静电式过滤器滤膜分为聚丙烯纤维微孔滤膜和驻极聚丙烯超细纤维过滤纸两层,均为疏水性滤膜材料。
适用范围:本产品与麻醉呼吸机或呼吸机配套使用,作为截留气体或管路中的各种有效物质进入患者体内的过滤介质。
1.1产品规格/型号及其划分说明
一次性使用麻醉呼吸机用过滤器规格型号及相关尺寸由表1确定,特殊规格尺寸按合同规定。
表1一次性使用麻醉呼吸机用过滤器规格型号
一次性使用麻醉呼吸机用过滤器是连接麻醉机或呼吸机气体管路,过滤进入人体气体灰尘和细菌的装置。
因其原理不同分为机械式和静电式两种型号,划分说明按图1规定的方法。
图2~图4给出了一次性使用麻醉呼吸机用过滤器的示意图,图5给出了延长管的示意图。
图 1 一次性使用麻醉呼吸机用过滤器的规格编号
图 2 22F-22M规格一次性使用麻醉呼吸机用过滤器示意图
图3 22F/15M-22M/15F 规格一次性使用麻醉呼吸机用过滤器示意图
图4 22F-22M/15F 规格一次性使用麻醉呼吸机用过滤器示意图
图5 延长管示意图
1.2 一次性使用麻醉呼吸机用过滤器材料
一次性使用麻醉呼吸机用过滤器壳体采用医用聚碳酸脂(PC),滤膜孔径为0.45μm机械式过滤器采用聚丙烯纤维微孔滤膜,静电式过滤器滤膜分为聚丙烯纤维微孔滤膜和驻极聚丙烯超细纤维过滤纸两层,均为疏水性滤膜材料。
2.1 外形尺寸
一次性使用麻醉呼吸机用过滤器端口规格应符合表1的要求,相应规格的外形尺寸应符合YY 1040.1-2015标准第5节非金属材料圆锥接头的规定,配置的延长
管应具有符合YY 1040.1-2015标准第5节非金属材料圆锥接头规定的15mm圆锥接头。
2.2 外观
一次性使用麻醉呼吸机用过滤器外表面应光洁、无毛刺,无明显的气泡、杂质、裂痕等缺陷。
2.3 滤除率
一次性使用麻醉呼吸机用过滤器滤除空气中0.5μm以上微粒的滤除率应不小于90%。
2.4 壳体密封性
一次性使用麻醉呼吸机用过滤器壳体在0.08MPa的气体压力作用下,15s内不应有渗漏现象。
如果一次性使用麻醉呼吸机用过滤器配置延长管,作为一个整体,过滤器应符合密封性要求。
2.5 气体阻力
一次性使用麻醉呼吸机用过滤器在30L/min 的气体流量下,气体阻力应不超过0.5Kpa,如果一次性使用麻醉呼吸机用过滤器配置延长管,作为一个整体,一次性使用麻醉呼吸机用过滤器应符合密封性要求。
2.6 环氧乙烷残留量
过滤器灭菌处理后环氧乙烷残留量不大于10μg/g。
2.7 无菌
过滤器经环氧乙烷灭菌处理后应无菌。