东京理化CA-2610S冷却水循环装置EYELA冷却水循环机
- 格式:doc
- 大小:27.50 KB
- 文档页数:2
冷却水循环机工作原理一、引言冷却水循环机是一种用于工业和商业建筑物中的重要设备,主要用于调节环境温度。
它通过循环输送冷却水,将热量从建筑或设备中带走,从而实现冷却效果。
本文将详细介绍冷却水循环机的工作原理。
二、冷却水循环机的组成部分冷却水循环机主要由压缩机、冷凝器、蒸发器和扩散阀等组成。
1. 压缩机:压缩机是冷却水循环机的核心部件,负责提供压力和能量。
它将低温低压的制冷剂气体吸入,经过压缩后变成高温高压气体。
2. 冷凝器:冷凝器是将压缩机排出的高温高压气体冷却成高温高压液体的部件。
冷却水从冷却水塔中流过冷凝器,与高温高压液体进行热交换,使其冷却并转化成高压液体。
3. 蒸发器:蒸发器是将高压液体转化为低压蒸汽的部件。
高压液体通过扩散阀进入蒸发器,与蒸发器内的冷却水进行热交换,使其蒸发并吸收热量。
4. 扩散阀:扩散阀是控制制冷剂流量和压力的装置。
它通过调节阀门的开启程度,控制高压液体进入蒸发器的流量,从而实现温度的调节。
三、冷却水循环机的工作原理冷却水循环机的工作原理可以分为四个阶段:压缩、冷凝、膨胀和蒸发。
1. 压缩阶段:压缩机吸入低温低压的制冷剂气体,通过压缩将其转化为高温高压气体。
这个阶段需要消耗一定的能量。
2. 冷凝阶段:高温高压气体通过冷凝器排出热量,与冷却水进行热交换。
冷却水吸收热量后变热,高温高压气体则冷却成高压液体。
冷却水在冷却过程中会被加热,需要通过冷却水塔排出热量。
3. 膨胀阶段:高压液体通过扩散阀进入蒸发器,压力和温度骤降,使制冷剂变成低压蒸汽。
在膨胀过程中,制冷剂吸收蒸发器内冷却水的热量,从而起到冷却的作用。
4. 蒸发阶段:低压蒸汽通过蒸发器与冷却水进行热交换,将热量带走。
冷却水在与蒸发器内的低压蒸汽进行热交换后变冷,低压蒸汽则转化为低温低压的制冷剂气体。
制冷剂再次进入压缩机,循环往复。
四、冷却水循环机的应用冷却水循环机广泛应用于工业和商业建筑物的空调系统中,用于调节室内环境温度。
冷却水循环机又名小型冷水机,冷却水循环机也是通过压缩机进行制冷,再与水进行热交换,使水的温度降低,通过循环泵送出。
同时使用温度控制器进行温度控制,具备恒温、恒流、恒压的三种功能。
其广泛应用于科学仪器配套使用。
制冷原理
1.该冷却水循环机采用的制冷剂是R22,R22 的标准蒸发温度为-48.8℃,蒸发压力为
0.625MPa,凝固温度为-160℃,冷凝压力一般不超过1.6MPa,使用范围-50——+10℃。
2、制冷剂在压缩机产生的机械能的作用下,在制冷系统内循环流动,并重复工作在气态、液态。
在这过程中,制冷剂通过板式换热器不断地吸收冷却水的热量,并通过冷凝器将热量排出。
通过设定温控板的温度,控制压缩机的工作,达到设定的水温温度。
应用领域
◆分析仪器:光谱仪质谱仪粘度计旋光仪发酵装置旋转蒸发仪
◆真空获得及医疗:分子泵扩散泵降温毯X光机核磁共振加速器
◆工业设备及其他:激光设备真空镀膜设备生物制药模具机床真空炉焊接机反应釜。
化工装置循环水冷却塔的风机故障及预防措施摘要:化工装置循环水冷却塔风机几大重要组成部件的故障均会造成设备损坏无法正常运行。
只有对发生故障的原因认真剖析和总结,有针对性地制定出设备维护和管理方面的防范措施以及出现问题时高效对症处理,才能实现风机安全、稳定、低耗运行。
文章对风机常见故障原因进行分析,有针对性的采取措施进行预防。
关键词:化工装置;循环水;冷却塔的风机;故障预防1化工循环水冷却塔风机结构形式我公司有五座循环冷却水装置,均采用的是开放式的抽风式冷却塔。
通过风机强制对流抽风,空气在与循环水回水喷头喷出的水雾逆向接触时,实现降低水温的目的。
循环水风机主要组成结构如图1所示,分别为:风筒、风机叶片、减速机、传动轴、电动机、以及各自的支撑结构和建筑。
图1 循环水冷却塔风机结构示意图设备安装结构如下:电机安装在风筒外边的电机基础上,通过传动轴与处在风筒正中央位置的减速机连接,传动轴采用的是轻质碳纤维材料,既减轻重量又保证了刚性。
减速机内部采用圆锥齿轮和圆柱斜齿轮咬合传动,将水平转动方向转变为垂直转动方向,风机叶片安装在减速机上,组合后安装在风筒正中央基础上。
风机叶片安装在转动轴上有一定的角度,来调整风机叶片受力及风量大小,也决定了风机叶片承受荷载能力,一半倾斜角度固定不变。
2循环水冷却塔风机的故障原因2.1减速机故障分析2.1.1检修组装精度不够减速机结构看似简单,但在检修过程中更换齿轮最关键的就是齿轮间隙的调整,如果间隙调整不达标,组装精度不够,联轴器找正对中不合格,亦或是减速机发生较大故障后,减速机本体受到损伤,检修只对齿轮进行更换,减速机本体不更换,虽然齿轮更换了但是仍然达不到应有的组装精度,不能很好地咬合,造成设备振动异响严重,不能稳定长周期运行,容易导致轴承温度和振动偏高。
为此,在化工企业减速机检修作业时,要安排有资质和有经验的维修工进行检修,以确保检修质量。
2.1.2减速机地脚螺栓松动或断裂长时间的运转和轻微振动会造成减速机地脚螺栓松动,加上设备连续运转未能及时发现,造成螺栓完全松开,减速机失去固定作用,振动随之更加严重,有时会造成地脚螺栓断裂现象,致使风机运行声音和振动异常增大,无法正常运行。
循环冷却水空冷节水装置
1.技术所属领域及适用范围
适用于工业循环冷却水系统。
2.技术原理及工艺
该技术采用空冷和水冷干湿联合冷却技术,在开式或闭式循环水冷却系统中增设空冷节水装置。
空冷节水装置是一种高效空冷换热设备,具有传热效率高、占地面积小、耐腐蚀性好、成本低的优势。
冬季气温低时,开启V2、V3、V5 阀门,关闭V1、V4 阀门,循环水通过空冷节水装置被冷却后循环使用,不耗水;春秋季时,开启V2、V4、V5 阀门,关闭V1、V3 阀门,循环水通过空冷节水装备冷却后再进入冷却塔冷却,部分耗水;在夏季温度较高时,关闭V2、V3、V4 阀门,系统湿式冷却运行。
实现秋、冬、春三季度节水,全年节水率达40-65%。
工艺流程如下图所示:
该节水技术的关键设备为针对干湿联合运行条件开发的专用KLV 型空冷节水装备,该装备散热器采用V 型水平结构布置,翅片为开窗扰流结构,散热片与换热管采用胀接工艺技术,散热器两侧联箱均为可拆卸盖板式联箱。
散热器的传热效率较传统的双金属轧制管散热器高15%,结构布置紧凑,模块化设计(可根据。
冷却水循环泵工作原理
冷却水循环泵是一种用于将冷却水循环输送的泵装置。
其工作原理包括以下几个步骤:
1. 启动:首先,冷却水循环泵需要通过电动机启动。
电动机的启动可以通过按下按钮、旋转开关或自动控制系统来完成。
2. 吸入冷却水:启动后,冷却水循环泵的叶轮开始旋转。
叶轮在旋转的同时,产生负压,从冷却水箱或冷却水源中吸入冷却水。
3. 输送冷却水:冷却水被吸入冷却水循环泵后,通过叶轮的旋转动力被推动,沿着泵的管道系统被输送到需要冷却的设备或工艺中。
4. 冷却水循环:到达设备或工艺后,冷却水通过换热器或直接接触冷却设备,从而带走设备内部的热量,并将其自身温度提高。
随后,冷却水被输送回冷却水循环泵的冷却水箱或循环系统中。
5. 关闭:当设备或工艺不需要再进行冷却时,冷却水循环泵的电动机可以关闭。
冷却水的循环也随之停止。
总的来说,冷却水循环泵利用电动机驱动叶轮旋转,通过吸入、输送和循环冷却水来实现冷却设备或工艺中的热量传递,从而实现冷却效果。
冷却水循环系统原理一、引言冷却水循环系统是一种常见的工业设备,用于控制机器或设备的温度,以保持其正常运行。
本文将介绍冷却水循环系统的原理和工作流程。
二、冷却水循环系统的组成冷却水循环系统主要由冷却器、泵、水箱、管道和控制装置等组成。
冷却器用于将热量从机器或设备中传递到水中,泵负责将水从水箱中抽取并通过管道送回冷却器,水箱用于存储冷却水,管道则连接冷却器、泵和水箱,控制装置用于监测和调节系统的温度和流量。
三、工作原理1. 冷却器的工作原理:冷却器通过内部的换热器将机器或设备产生的热量传递给循环水,从而使其温度升高。
冷却器内部的换热器通常由一系列的管道和鳍片组成,通过这些管道流动的水与鳍片接触,实现热量交换。
2. 泵的工作原理:泵起到将冷却水从水箱中抽取并送回冷却器的作用。
当泵工作时,它会产生一定的压力,使得冷却水能够顺利地流动。
泵的选择应根据系统的流量和压力需求进行。
3. 水箱的作用:水箱用于存储冷却水,并起到平衡系统压力和温度的作用。
在冷却水循环系统中,水箱的容量应足够大,以确保系统能够稳定运行。
4. 管道的作用:管道连接冷却器、泵和水箱,起到传输冷却水的作用。
为了保证系统的流动平稳,管道应具备足够的直径和合理的布局。
5. 控制装置的作用:控制装置用于监测和调节系统的温度和流量。
通过传感器采集冷却水的温度和流量数据,并根据设定的参数进行控制,以保持系统的稳定运行。
四、冷却水循环系统的工作流程冷却水循环系统的工作流程可以分为以下几个步骤:1. 泵将冷却水从水箱中抽取出来;2. 冷却水经过管道流向冷却器;3. 冷却器内部的换热器将机器或设备产生的热量传递给冷却水;4. 冷却水通过管道返回水箱;5. 控制装置监测冷却水的温度和流量,并根据设定的参数进行调节;6. 循环上述步骤,以保持冷却水的循环流动和温度控制。
五、总结冷却水循环系统通过冷却器、泵、水箱、管道和控制装置等组成,实现对机器或设备的温度控制。
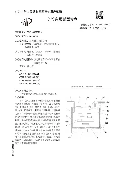
(19)中华人民共和国国家知识产权局(12)实用新型专利(10)授权公告号 (45)授权公告日 (21)申请号 201920367272.3(22)申请日 2019.03.21(73)专利权人 君顶酒庄有限公司地址 265600 山东省烟台市蓬莱市南王山谷君顶大道1号(72)发明人 赵金展 张正文 邵学东 李顺庆 石松竹 高景良 (74)专利代理机构 济南诚智商标专利事务所有限公司 37105代理人 刘乃东(51)Int.Cl.F25D 17/02(2006.01)F25D 3/02(2006.01)F25D 29/00(2006.01)B01D 46/10(2006.01)(54)实用新型名称一种实验室冷却水的自动循环冷却装置(57)摘要本实用新型公开了一种实验室冷却水的自动循环冷却装置,冷凝管上设有用于冷却水循环的出水口与进水口,包括进水管、保温水箱、冰框、水泵,所述保温水箱设有双层箱壁,双层箱壁之间设有聚氨酯保温层,所述保温水箱内设有冰框,所述冰框内设有用于装冰块的冰袋,保温水箱的上端中部设有箱盖,所述箱盖的两侧分别设有进水管、水泵,所述水泵上设有抽水管与出水管,所述抽水管设于保温水箱内,所述进水管的进水端与出水口连通,进水管的出水端设于保温水箱内,所述出水管的出水端与进水口连通。
解决了目前使用流动自来水进行降温带来的水资源浪费的问题,减少了水的用量,节省了成本,实现了水资源的循环利用。
权利要求书1页 说明书4页 附图3页CN 209655664 U 2019.11.19C N 209655664U权 利 要 求 书1/1页CN 209655664 U1.一种实验室冷却水的自动循环冷却装置,冷凝管上设有用于冷却水循环的出水口与进水口,其特征在于:包括进水管、保温水箱、冰框、水泵,所述保温水箱设有双层箱壁,双层箱壁之间设有聚氨酯保温层,所述保温水箱内设有冰框,所述冰框内设有用于装冰块的冰袋,保温水箱的上端中部设有箱盖,所述箱盖的两侧分别设有进水管、水泵,所述水泵上设有抽水管与出水管,所述抽水管设于保温水箱内,所述进水管的进水端与出水口连通,进水管的出水端设于保温水箱内,所述出水管的出水端与进水口连通。
冷阱的基本结构冷阱是串联于低温再生及检漏真空系统的<160管道上, 主要用于防止前级泵的返油,因此要求:(1) 冷阱的流导不小于同样长度管道的流导;(2) 对低温泵的返油率小于2×10- 8 g/(cm2*h) , 或用四极质谱计分析残余气体时基本无油分子谱线;(3) 热损失要小, 一次灌满液氮后可连续工作几小时;(4) 漏气率小于5×10- 5 Pa.L/S。
冷阱的基本结构图1:冷阱结构示意图根据冷阱的用途和设计要求, 设计的冷阱如图1所示。
这种冷阱的基本类型属于中心带障板的冷阱, 其优点是捕油性能好, 既能挡住一次束流, 又能防止油分子的爬移, 在内胆和上法兰之间的薄壁筒, 作为表面油分子的爬移垒, 也用来阻挡从胆和外壳之间进入真空容器一端的油分子。
内腔凸起和使用人字型障板, 流导大。
结构简单, 冷阱的注液管和排气管同时起支承内胆的作用, 操作费用、制造成本都较低, 是一种性能优良的冷阱。
CT-2000H冷阱冷阱处理是一种冷却装置,用来收集某一熔点范围内的物质.把一支U形管放在冷冻剂中,当气体通过U形管时,熔点高的物质变成液体,熔点低的物质通过U形管,起到分离的作用。
冷阱CT-2000H产品工作原理:捕集从真空干燥箱或者减压浓缩装置中排放出的水蒸气及有害气体,提高真空系统的使用效率,大幅度减少真空泵的蒸汽吸入量,延长真空泵的使用寿命。
产品特点:●冷阱CT-2000H冷阱温度显示,便于控制真空泵开起时间,防止配管内的水分被抽到泵中。
●冷阱CT-2000H冷阱槽采用ANSI 304不锈钢,可以用于水系和乙醇系实验,配备玻璃冷凝器后,可应用于酸系和有机溶媒系实验。
●冷阱CT-2000H可以作为预冻槽、低温槽使用。
●冷阱CT-2000H装备排水阀,便于排水。
冷阱CT-2000H技术参数:冷阱CT-2000H产品图片:冷阱CT-2000H工作示意图:东京理化EYELA冷阱装置UT型UT-1000 UT-2000捕集方式空冷冷阱、玻璃冷阱(选用)空冷冷阱、玻璃冷阱(选用)除湿容量Max.0.5kg(水)Max.0.4kg(水)最低温度-50℃-100℃冷却槽缸体冷却缸体冷却槽内尺寸Ф90×225HФ90×225H容量 1.4L 1.4L-不锈钢液氮冷阱(填充液氮型)点击放大产品型号:产品报价:产品特点:冷阱材质:不锈钢液氮容量:500mL真空系统适配性:<33L/s,DN25 ISO-KF接口-不锈钢液氮冷阱(填充液氮型)的详细资料:本冷阱适合于给各种真空泵用作前级保护装置。
冷却水循环机工作原理
冷却水循环机是一种用于工业设备冷却的装置,它能够有效地将热量从设备中带走,保持设备的正常工作温度。
其工作原理主要涉及以下几个部分。
1. 水泵:冷却水循环机内部装有一台水泵,其作用是将水从冷却水储罐中抽取出来,并通过管道送入设备的冷却部件。
2. 冷却器:冷却水进入设备后,通过与设备接触,吸收设备产生的热量。
冷却器通常由一系列的金属片或管道组成,以增加与冷却水的接触面积,从而提高散热效果。
3. 冷却风扇:在一些冷却水循环机中,还会装备有冷却风扇。
这些风扇通过吹拂冷却器表面,增加冷却效果。
尤其对于高温设备,冷却风扇能够迅速将热空气排出,增加散热效率。
4. 冷却水循环:冷却后的水经过热交换器或冷却塔将余热散出,在其中流通。
与此同时,冷却水也会对设备产生的热量进行吸收,保持设备的工作温度。
5. 控制系统:冷却水循环机通常配备有一个控制系统,可以监测设备的温度并调节冷却水的流量和速度,以维持设备在合适的温度范围内工作。
总的来说,冷却水循环机通过水泵将冷却水送入设备,冷却器吸收设备产生的热量后,冷却水重新循环并在这个过程中带走热量,使设备保持在较低的温度,从而确保设备的正常运行。
冷却水循环机工作原理首先,冷却水从循环泵中抽出,通过输送管道输送至待冷却装置。
循环泵是冷却水循环机中最关键的部件之一,其工作原理是通过电机驱动,使泵的叶轮转动,将水吸入泵内并提供足够的压力将冷却水送至待冷却装置。
接下来,冷却水进入待冷却装置,开始进行传热过程。
常见的待冷却装置有散热器、换热器、冷却塔等。
在传热过程中,冷却水与装置内部的热源进行热交换,吸收装置内部的热量,使装置得到有效的冷却。
最后,冷却水经过传热后,温度升高,流入再循环装置。
再循环装置通常由过滤器、水处理设备和冷却塔等组成。
过滤器的作用是去除冷却水中的杂物和颗粒物,防止对设备产生不良影响。
水处理设备则用于调节冷却水的水质,保持冷却水的清洁度和稳定性。
冷却塔是通过水的蒸发散热的一种装置,用于将温度升高的冷却水冷却至合适的温度,然后再送回循环泵。
整个冷却水循环过程是一个闭环系统,通过不断地循环、传热和再循环,实现对待冷却装置的冷却作用。
冷却水循环机的工作原理可以保证冷却装置在工作过程中能够保持合适的温度,避免因过热而导致设备故障或工艺出现异常。
在冷却水循环机的运行过程中,需要注意以下几个问题:首先,要保证循环泵的正常运行,定期检查电机和泵的润滑情况,及时更换磨损的零件;其次,定期检查和清洗待冷却装置,清除附着在装置表面的污垢和颗粒物,以免影响传热效果;此外,需要定期对冷却水进行处理和更换,以保持冷却水的清洁和稳定性。
总之,冷却水循环机通过循环、传热和再循环三个过程,实现对待冷却装置的冷却作用。
其工作原理简单明了,但运行时需要注意对循环泵、待冷却装置和冷却水的维护和管理,以确保冷却水循环机的正常工作和待冷却装置的有效冷却。
冷却水循环机安全操作规定冷却水循环机是一种广泛应用于各种工业和商业领域的设备,旨在维持机器运行温度,以确保其正常运行。
然而,由于其使用了高压、高温和易燃液体,所以在操作和维护过程中存在潜在的危险。
为了确保人员的安全和设备的正常运行,以下是一些冷却水循环机的安全操作规定。
1. 操作前的准备在使用冷却水循环机之前,操作人员必须接受专业的培训,并了解其工作原理和安全风险。
同时,还要对设备进行检查,确保其工作状态良好、清洁、无漏水等问题。
特别是要检查制冷剂的储存状况,防止因制冷剂外泄导致爆炸风险。
2. 操作过程中的安全措施在操作过程中,一定要遵循操作规程,细心操作,严格遵循以下安全规范:2.1. 空气循环必须遵循空气循环原理,将冷却水循环机与周围空气环境隔离。
操作人员在操作前务必将设备密封,并在操作过程中确保它始终处于密封状态。
2.2. 设备排放冷却循环机每隔一段时间需要排放管道中的水,以确保设备正常工作。
在这个过程中,必须确保操作人员有防护措施,并避免操作人员的皮肤直接接触水分。
2.3. 防爆措施由于设备中运用了高压和易燃的制冷剂,冷却水循环机的操作过程中发生爆炸的危险也比较大。
因此,设备在操作过程中必须加入防爆措施,确保人员和设备的安全。
2.4. 安全装置设备中必须配备完备的安全装置,限制机器加热、高压造成的危害。
同时,在机器发生故障和突发情况时,设备必须自动急停并通知操作人员。
操作人员必须保持警觉,及时介入并采取有效的控制措施。
2.5. 少量操作如果有重要的配置需要进行小量操作(运行、调整等操作),必须进行循序渐进调整,并稳步进行,以避免异常情况的发生。
3. 操作后的处理在操作后,操作人员必须将设备关闭,并清洁和检查设备的状态。
如果发现设备在操作过程中有问题,必须及时向上级领导汇报,及时解决问题。
结论冷却水循环机是一种必不可少的机器,它的正常操作关系到工业和商业领域的各种生产活动。
但是,由于其操作过程中存在的一些安全风险,必须遵循上述安全操作规定,确保设备在任何情况下都能够稳定、安全地运行。
循环冷却水原理引言循环冷却水是一种常见的热交换技术,广泛应用于工业领域和建筑设备中。
它的原理是通过将冷却水循环流动来降低热交换设备的温度,以确保设备正常运行。
本文将深入探讨循环冷却水的原理、应用及其优缺点。
一、循环冷却水的原理循环冷却水的原理基于热传导和冷却效应。
其工作原理可以概括如下: 1. 水泵将冷却水从冷却塔或冷却设备的进水口抽入系统。
2. 冷却水通过管道输送至需要降温的设备,例如冷却塔。
3. 冷却水与设备接触,吸收设备产生的热量。
4. 热量被冷却水吸收后,冷却水的温度升高。
5. 升温的冷却水回流至冷却塔或其他冷却设备进行冷却。
6. 冷却塔或冷却设备将热量释放到大气中,使冷却水温度降低。
7. 冷却水再次循环回到设备,重复上述过程。
二、循环冷却水的应用循环冷却水广泛应用于以下领域: ### 1. 工业制造循环冷却水在工业制造中起着重要作用。
它常用于降低工业生产设备的温度,如石化行业、电力行业等。
通过循环冷却水可以确保设备正常运行并提高生产效率。
2. 建筑设备大型建筑设备,如空调系统、冷却装置等,通常需要使用循环冷却水来降低温度。
这些设备会产生大量热量,如果不及时降温,会导致设备过热甚至损坏。
循环冷却水系统能够有效地将热量带走,保持设备稳定运行。
3. 催化剂冷却在一些化学反应过程中,需要使用催化剂进行加热,为了保证反应效果和催化剂的寿命,需要及时进行冷却。
循环冷却水可通过与催化剂接触吸收热量,起到冷却作用。
4. 机械加工在机床冷却中,循环冷却水可用于冷却刀具和工件,防止因高温引起的加工质量下降和工具损坏。
冷却水流动可带走切削过程中产生的热量,以保持加工质量和工具寿命。
三、循环冷却水的优缺点循环冷却水作为一种常见的热交换技术,具有如下优缺点:优点:1.高效降温:循环冷却水能有效吸收设备产生的热量,将设备温度降低至合适的范围,保证设备的正常运行。
2.低成本:相较于其他冷却方式,如制冷剂冷却,循环冷却水系统的建设和运行成本较低。
东京理化 CA-2610S冷却水循环装置 EYELA冷却水循环机
【产品名称】东京理化冷却水循环装置
【产品品型】CA-2610S
产品特点:
1、冷却能力3000W的中型功率冷却水循环装置,除了给大中型研究仪器冷却,还可以给分析设备,机床,半导体制造设备的发热部分冷却;
2、使用范围广,拥有使用中需要的各种安全机能,配有外部分度传感器输出端口,温度记录仪输出端口,感知冷冻机异常,传感器异常等警报输出;
3、CA-2610S型上更设有紧急停止按钮,配有从远程进行控制的端口,可以符合机械产业领域方面的需求;
4、温度调节范围-10℃~室温,温度调节精度±2以下,扩大使用用途;
5、最大扬程标准值9.5m,使用选配的高压泵可以达到20m,如果有需要可特别订制扬程40m的产品;
6、使用密封盖可以进行开放系的循环;
7、通过特别定做,可以生产油浴循环型、高压型、纯水循环型等。
技术参数:。