隐形眼镜验配任务1 透气硬镜的试戴和评估(练习)
- 格式:doc
- 大小:75.00 KB
- 文档页数:3
摘要:硬性透气性角膜接触镜(Rigid Gas Permeable Contact Lens,RGPCL)具有良好的透氧性、生理相容性、抗沉淀性,镜片弹性模量高[1]。
由于材质特殊也让其具备了一些特殊作用:如矫正高度近视、角膜性大散光[2]、改善屈光参差带来的视觉差异[3]、有效控制圆锥角膜的发展[4]、矫正准分子术后的不规则散光[5]等,为广大患者带来良好的矫正效果。
1 RGP的材料特性①硅氧烷甲基丙烯酸酯(S M A):提高强度、光学性、透氧性;② 氟硅丙烯酸酯(FSA):提高透氧性、湿润性和抗沉淀性;③ 氟多聚体(FA):增加透氧性,提高强度、湿润性和抗沉淀性。
2 RGP的适应症与禁忌症2.1 RGP的适应症① 高度近视、远视、近视控制;② 角膜散光较高者,少量内部散光;③ 因镜片蛋白质沉淀或角膜缺氧等眼部反应而不能再戴普通软片者;④ 因屈光性角膜手术、角膜外伤、角膜移植术后的角膜不规则散光者;⑤ 无晶体眼(白内障术后、外伤后);⑥ 早期、中期圆锥角膜。
2.2 RGP的禁忌症① 眼部禁忌症:干眼症、眼睑闭合不全、眼病患者、超过隐形眼镜矫正范围的屈光不正。
② 全身禁忌症:急性慢性鼻窦炎、严重糖尿病、正在使用激素阿托品等对隐形眼镜有影响的药物、类风湿性关节炎等胶原性疾病、孕期。
③ 个体条件禁忌症:年幼及年老或因残疾不能操作镜片者、个人卫生不良者及依从性差者。
④ 环境条件禁忌症:生活环境有灰尘及烟雾等,工作环境有酸碱及挥发性化学物质等。
3 RGP的验配3.1 问诊顾客基本资料、配镜目的、全身健康情况、药物过敏史、戴镜史、建立档案并完整保存档案。
3.2 眼前节检查眼外观、眼睑、泪器、泪液、球睑结膜、角膜、前房和房水、虹膜和瞳孔、晶状体等。
3.3 眼部特殊检查眼轴、角膜地形图、内皮细胞检查、干眼检查。
3.4 验光电脑验光(度数和角膜曲率)、综合验光仪(视功能)。
3.5 选片直径:镜片的总直径应小于角膜横径2mm。
隐形眼镜的配适及评估
检查者:刘建丽被检者:武哲监督者:庞姗姗
一、实验目的:通过对顾客试戴片的配适评估,为顾客选择合适的隐形眼镜。
二、实验仪器:裂隙灯显微镜、试戴片、纸巾、洗手设施
该顾客的试戴片-5.00DS/-0.75DC*180,基弧8.5mm,直径14mm
三、实验步骤:
1、检查者洗手,调低室内光线。
2、让被检者取舒适坐姿,调整升降台,使被检者的外眦部与头部操纵杆的黑色
刻度线相平。
3、调整目镜焦距和间距,保证检查者双眼同时观察。
4、利用弥散照明法来观察顾客的外眼各部。
5、检查完毕为顾客摘下隐形眼镜。
四、实验结果:
1、初戴镜片时有轻微的异物感。
2、配戴后,视力比较稳定。
3、镜片与角膜的匹配情况:
a.中心定位:镜片中心与瞳孔中心重合,周边均匀延出。
b.角膜覆盖:镜片完全覆盖角膜。
c.移动度:用拇指在下睑中央部向下牵引,嘱被检者先前平时,缓慢顺目,可
以看见在睁眼瞬间镜片移动0.2mm。
d.松紧度:嘱被检者向上注视,拇指依靠下眼睑边缘推动镜片的下边缘,发现
镜片复位的速度正常,镜片正好。
e.下垂度:嘱被检者向上看,发现镜片下垂0.2mm。
f.散光标记:该顾客的散光标记在六点钟和十二点钟方向。
五、结果分析:
该患者轴位未发生变化,所以散光隐形眼镜的处方为-5.00DS/-0.75DC*180
六、注意事项:
1、检查需要在暗室中进行。
2、在调节弥散光线时,需先加纸巾,尽量缩短集中光线照射的时间,避免过强的光线给被检者的眼镜带来不适。
学习情境三:RGP隐形眼镜的验配项目3.3.1RGP隐形眼镜的验配及配适评估—RGP的验配一、教学目标设计本次课标题: RGP隐形眼镜的配适评估—RGP的验配授课班级略上课时间课时:2上课地点略能力(技能)目标知识目标教学目标1.能正确选择RGP隐形眼镜试戴片2.能进行RGP隐形眼镜配适的评估要求3.能评估散光镜片的轴位的稳定状态1、掌握RGP隐形眼镜试戴片选择方法2、掌握影响RGP镜片配适的因素及RGP镜片配适评估的要点和方法能力训练任务及案例1、通过对角膜直径、瞳孔直径、角膜曲率半径、眼睑形状、眼睑张力及泪液的测试,为患者选取合适的球面RGP隐形眼镜。
2、通过对数据的分析,确定其散光类型,判断其适合的球面RGP隐性眼镜试戴片进行矫正。
3、掌握验配步骤及基弧的测定、度数的确定、角膜覆盖、移动度、松紧度、和下垂度及验配时的注意事项。
案例1:选一名同学,将其搭档完整的检查资料写在黑板上,让同学们根据资料进行分析,并确定最终处方,并让其配戴试戴片。
英文词汇cornea角膜Base curve 基弧Keratometry 角膜曲率计参考资料1.《验光配镜》—中国轻工业出版社2.《角膜接触镜学》—人民卫生出版社工具媒体教学课件、题库、实训指导书动画、视频二、课程进度设计步骤教学内容教学方法教学手段学生活动时间分配告知(教学内容、目的) 1、了解RGP隐形眼镜的优缺点2、适合RGP隐形眼镜的配戴者3、进行RGP眼镜的验配4、进行RGP软性隐形眼镜的配适评估通过告知教学内容,提高学生学习自主性。
通过复习和预习,提高学生本次课学习和实验的效率。
积极做好复习和预习的工作,进行有针对性的学习。
10分钟引入(任务项目) 问班里戴隐形眼镜的同学验配过程及平时摘戴隐形眼镜的步骤和护理程序选取现实中常见的现象进行调查。
以问题形式引出教学内容对老师所提问题积极作答10分钟操练(掌握初步或基本能力) 1、验配RGP隐形眼镜2、做好配戴前的准备工作3、熟练掌握RGP隐形眼镜摘戴方法4、熟练掌握RGP隐形眼镜护理方法课件演示结合重点指导通过观察学生们操作的过程,对他们进行有针对性的指导。
测试练习11透气硬镜的试戴和评估一、填空题1.透气硬镜试戴片的基弧和角膜性散光度数有关,一般当散光≤K值+ mm,当散光时,选平K值减。
D,选平K值或平2.透气硬镜试戴片的直径选择一般为HVID-mm或〔周边弧宽度〕。
3.当透气硬镜镜片基弧和角膜曲率半径不匹配时,会产生正或负的泪液透镜,补偿的法那么是平加,陡加。
一般的基弧改变会产生的度数改变。
4.在透气硬镜的动态配适中,5.透气硬镜的配适评估分镜片的运动方式主要有、配适和配适。
静态配适采用、、染色,四种。
光源投照,倍率。
主要观察区和区。
二、单项选择题1.一患者左眼眼镜处方为–,角膜曲率读数为7.85@170(43.00D) 和7.42@80(45.50D),那么此眼最好的矫正方法为〔〕。
A、双薄法的散光软镜 B 、球性RGP镜片C、后外表托力克设计RGP镜片 D 、球性软镜2.一患者配戴RGP镜片多年,前来就诊。
你检查后发现镜片活动度小、边缘翘起过高。
裂隙灯检查还发现角膜周边变薄,荧光素有着色和浸润,你的诊断是〔〕。
A、红斑痤疮 B 、Dellen C 、基内幕胞癌 D 、睑板腺炎3.一患者配戴的RGP镜片,参数如下:基弧mm,总直径mm,后顶点屈光度–DS,配适的荧光素图显示为中央区轻微荧光素积聚,所以你想重新订镜片,直径不变,基狐平坦mm, 那么新镜片的后顶点屈光度为〔〕。
A、–D B 、–D C 、–D D 、–D4.一患者配戴RGP镜片,基弧为8.00mm, 屈光度为DS,此镜片屈光度矫正理想,荧光素图示镜片中央接触,如你想订一相同直径的镜片,但基弧为7.90mm, 那么镜片的屈光度必须为〔〕A、 B 、 C 、 D 、5.在RGP设计中,一般周边弧比基弧平坦〔〕。
A、 B 、 C 、D、6.在平行配适的RGP荧光素图评估中,大致镜片边缘的宽度是〔〕。
A、 B 、 C 、 D 、7.一平行配适的RGP镜片,镜片周边弧宽度为~mm,镜片边缘的翘起高度应是〔A、 B 、 C 、 D 、8.按照LaHood(1988) 的研究,下述RGP镜片的边缘形态设计中最舒适的是〔〕。
测试练习9 散光软镜的试戴和评估
附:参考答案
一、名词解释
1.散光眼:平行光线通过调节静息眼的屈光系统后,不能形成焦点,而是形成一前一后两条焦线。
2.规则散光:两屈光不同的子午线互相垂直。
3.散光隐形眼镜:隐形眼镜的内外曲面或双曲面的两个相互垂直的子午方位的曲率半径不同称为复曲面隐形眼镜或散光隐形眼镜、托力克隐形眼镜。
4.周围平衡稳定法:将镜片自上边缘自整个光学区削薄,利用下方和侧方剩余部分的厚度使镜片保持稳定的轴定的轴方位。
5.片标:当验配散光软镜时,为了评估散光软镜轴方位的稳定程度,通常在镜片上制作各种类型的标记,作为镜片的方位的参照物,称为片标。
二、填空题
1.≤0.75、中; 2.内复外球、内球外复、内外双复;3.5~10 4.棱镜垂重法(棱镜稳定法)、截平稳定法(截边法)、周围平衡稳定法(周边棱镜垂重法)、双边削薄法(动力性稳定法)、反转棱镜设计;
5.顺加逆减(左加右减)、>25°、20°;
三、单选题
1.D 2.A 3.A 4.B 5.B 6.C 7.C 8.A 9.C 10.B 11.D 12.C 13.B 14.A 15.C
四、判断题
1.√2.×3.√4.√5.×6.√7.√8.√。
RGP隐形眼镜验配方法RGP隐形眼镜验配简易程序: 用试戴片选定BC,在试戴片上验光-先确定光度-一般选9.0mm的直径数字化RGP—首创免试戴1.测量:角膜上可见到虹膜水平直径,低光度时的瞳孔大小,角膜中央最大及最小的弧度(角膜计)。
2.确定隐形眼镜的参数:镜片中央光学区曲率:⊙若散光<1.50D:镜片BC应等于最大角膜弧度或加大0.05mm。
⊙若散光>1.50D:镜片BC应小于最大角膜弧度0.05mm至0.15mm。
镜片光学区直径:至少要2mm大过平均光度时的瞳孔直径。
镜片直径:至少要2mm小于角膜上可见的,虹膜水平直径,通常是9.0mm~9.6mm。
3.选择镜片类型:镜片材料的透氧率适中,表面的湿润性较高为好。
4.利用荧光素评定镜片的配适。
(戴后15分钟泪水稳定下来后)⊙静式配适:镜片定位在中间,不受眼睑影响。
⊙荧光染色样式:镜片中间,镜片内边缘,镜片宽度和距隙。
⊙动式配适:镜片中心定位,镜片移动(程度速度和类式),若配式不适合,选配其他的试镜片。
(重复类似的评估)5.视力评定。
6.确定戴镜验光及视力。
RGP镜片的特性∙能有效矫正中、高度近视及散光;∙能有效控制和预防青少年近视的加深;∙透氧性、光学性、生理相溶性远远高于传统软镜;∙镜片的高透氧性,能大大减少发生眼睛疾病的可能性;∙视觉效果良好,具有高效防紫外线功能;∙护理方法简单,使用寿命长;∙适用于各种屈光不正,以及圆锥角膜轻度干眼患者和部分传统软镜不适应者。
RGP镜片主要指标▓RGP隐形眼镜(无散光角膜)的配适比较理想的配适镜片中间染色均匀;镜片内边缘挤压很少;镜片条带是0.4mm;镜片定位在中心;镜片移动顺畅,1.0mm~1.5mm。
过紧的配适镜片染色聚集于中间;镜片内边缘的挤压大;镜片定位在中心,镜片移动有限(很小);要达到理想的配适,可试配弧度比较大(大0.15mm)的镜片。
过松的配适镜片中间触及角膜;染色液聚集于镜片内边缘;镜片条带很宽(会出现气泡);镜片的中心定位差,不稳定;镜片移动过度和旋转;要达到理想的配适,可试配弧度比较小(小0.15mm)的镜片数字化MCT /RGP 验配工作流程顾客咨询:热情耐心地回答顾客的询问2.新病人接待(1)问诊,了解病人的基本情况及目的和要求,与患者商讨并作出初步治疗方案。
测试练习11 透气硬镜的试戴和评估附:参考答案一、填空题1.1.50D、0.05、>、0.05~0.15mm 2.2、角膜水平曲率半径3.正、负、0.50D 4.垂直顺滑型、动摇不定型、顶部转动型、眼睑控制型5.动态、静态、荧光素钠、钴蓝光、低、中心区、周边区二、单选题1.D 2.B 3.B 4.A 5.C 6.C 7.B 8.B 9.C 10.D 11.D 12.C 13.B 14.A 15.A 16.D 17.C 18.B 19.C 20.A 21.C 22.D 23.C 24.A 25.B 26.C 27.B 28.C 29.B 30.A三、简答题1.(1)理想的配适:静态配适:很小的中央空隙、轻微的周边接触、理想的边缘宽度和中等边缘空隙。
动态配适:中心定位好且稳定,上眼睑略覆盖镜片上边缘,运动呈垂直顺滑运动型,垂直方向上有1~2mm的垂直顺滑运动。
(2)过松的镜片配适:过松的静态配适:过多的中央接触;平坦的旁周边区;过宽的边缘、过大的边缘空隙(即中央有明显的黑色暗区,边上有较宽的荧光素染色带)。
过松的动态配适:镜片偏位过大,呈高跨或侧向偏位;镜片位置不稳定。
(3)过紧镜片的配适:过紧的静态配适:过多的中央空隙,很明显的周边接触;狭窄的边缘宽度;边缘空隙减少(即中央有明显的荧光素染色带,边上有较宽的黑色暗区)。
过紧的动态配适:中央定位好、稳定、上眼睑略覆盖于镜片上边缘。
镜片运动量很少,通常小于1mm,运动速度快,常在垂直方向上摇摆运动。
2.RGP镜片弹性模量较大,形成的泪液透镜很充分,即泪液透镜的屈光度对矫正效果的影响不能忽略。
配适较紧时,形成正的泪液透镜,配适较松时,形成负的泪液透镜。
当镜片的基弧比角膜前表面平坦时,形成负的泪液透镜,镜片的度数除了要矫正眼睛的度数外,还需一个正度数的镜片来中和形成的负的泪液透镜的度数,即平加正。
当镜片的基弧比角膜前表面陡峭时,形成正的泪液透镜,镜片的度数除了要矫正眼睛的度数外,还需一个负度数的镜片来中和形成的正的泪液透镜的度数,即陡加负。
测试练习12 透气硬镜的配发
附:参考答案
一、简答题
1、配戴者把手充分洗干净,摘下镜片后,将其放在左手掌心,滴上3~5滴透气硬镜多功能护理液,用右手食指将镜片的外表面和内表面分别放射状轻揉20~30次。
然后用左手食指和拇指松松捏住镜片,用护理液冲洗镜片,边冲边轻轻搓动镜片,浸泡在含有护理液的镜盒中,先右后左,依次处理。
2、第一天戴1h,以后每天增加1h至全天配戴。
若停戴3天以上,须按此重新进行适应性配戴。
3、
正常适应的症状有:流泪、轻微的刺激、间歇性的视物模糊、轻度眼红及对光、风、烟和灰尘敏感等。
一般10~14天可以完全适应,没有异物感,个别配戴者可能持续一个月左右时间。
日戴型镜片一周适应后可每天配戴16h左右。
长戴型镜片在完成日戴型镜片的适应期后,即可配戴过夜,如无异常,可连续配戴,每3~4天,取镜一夜。
异常症状主要有:突然的疼痛和烧灼感、严重持久的虹视、严重的红眼、眼分泌物、换戴框架眼镜后视物持续模糊1h以及、镜片与眼睛粘连等。
二、透气硬镜配戴手册
(略)。
项目六透气硬镜的验配
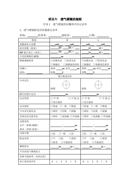
任务1 透气硬镜的试戴和评估工作任务单
一、课前学生任务
●上课前学生准备实践教学材料:手指甲剪短、修光滑,不涂指甲油;实验报告纸若干●教师发学生学习材料:实验指导书;工作任务单;数据记录单及评价表
●学生预习:以小组为单位,通过教师发的材料或上网、图书馆查阅透气硬镜的品牌、透
气硬镜的性能参数等。
●解决问题:透气硬镜静态配适的不同类型分析。
二、本次课学习目标
●了解透气硬镜的材料及加工工艺;
●掌握透气硬镜配戴者及试戴片的选择方法;
●熟练地给配戴者戴镜、摘镜及配适评估(动态、静态配适);
●能进行度数补偿并开具合适的处方。
三、本次课工作任务
1、要完成的任务
●能熟练地给配戴者选择合适的试戴片;
●能熟练地给配戴者戴镜、摘镜和配适评估;
●能熟练地进行片上验光并开具处方。
2、条件和要求
●条件:裂隙灯显微镜;中性肥皂;无屑纸巾;硬镜多功能护理液;透气硬镜试戴片;验
光设备完好。
●要求:以小组为单位,分别完成组内每位成员的戴镜、摘镜、配适评估及开具最终处方。
四、本次课结果评价
要求:按照数据记录单记录相应数据及正确判断、开具合适处方。
五、课后任务
1、完成本项目的实践报告。
2、通过上网查阅收集本次课的相关材料。
○1弥散投照法【方法】在投照光源上加覆毛面滤光镜,投射与观察夹角30º~50º,裂隙宽度宽大,放大程度低或中倍,投照亮度中至高度。
【观察内容】观察外眼各部,包括眼睑、眼缘、睫毛、球结膜、睑结膜、泪小点、泪液、角巩膜的配适评估,包括覆盖度、中心定位、移动度、下垂度和松紧度的观察等。
○2直接投照法【方法】光源焦点与显微镜焦点处在同一观察部位。
投射与观察夹角30º~50º,裂隙宽度0.2~1.5mm或圆锥光束,放大程度中至高倍,投照亮度中至高度。
【观察内容】窄裂隙称为光切片,可用于观察角膜弧度(如圆锥角膜),角膜厚度(如水角膜水肿),以及角膜创伤的深度和异物的位置等。
宽裂隙光可用于观察角膜上皮层、基质层、内皮层的病变;镜片表面的异物和沉淀物;以及镜片的移动度和松紧度的状况等。
圆锥光束用于观察房水闪辉现象。
○3间接投照法【方法】光源投射显微镜焦点的旁侧,藉在组织的分散和折射的光线照亮观察目标。
投射与观察夹角45º~60º,裂隙宽度0.2~1.5mm,放大程度中至高倍,投照亮度低至中度。
【观察内容】用于观察角膜上皮微囊、微泡等。
○4背面投照法【方法】又称后映法。
光源投射于显微镜焦点后的虹膜上,利用组织被投照光照亮后发出的弥散反光从背面照亮观察目标。
投射与观察夹角根据需要进行调整,裂隙宽度根据需要进行调整,放大程度中至高倍,投照亮度低至中度。
【观察内容】分为直接观察法和间接观察法。
直接观察法目标以照亮的虹膜为背景,用于观察角膜新生血管、异物。
间接法观察目标以照亮的虹膜旁侧的暗区为背景,利用从背面照亮的角膜发出的弥散光观察角膜浸润、角膜基质层的水肿皱纹和镜片表面的沉淀物等。
○5镜面反射投照法【方法】又称平行光切法。
显微镜的焦点落在光源在角膜表面的反光区上,利用光线照亮的界面必然发生反射的原理,当角膜的前表面或后表面的组织密度稍不均匀,即可在镜面的反光中反应出来。
测试练习7 球面软镜的试戴和评估附:参考答案一、名词解释1.单体:组成高分子量化合物分子的每一个原始单位。
2.单聚物:相同的单体以化学键聚合成的单体链。
3.共聚物:不相同的单体构成的单体链。
4.弹性模量:材料受力发生变形后所产生的应力。
5.可塑性:材料依照环境的形态塑造自身形态的能力。
6.亲水性:材料的水合能力。
7.湿润性:水分覆盖材料表面的程度。
8.极性:材料表面的负离子基团的数量。
9.固化:紫外线辐照旋转状态中的材料,使单体聚合,液态的单体聚合成固态的聚合体的过程。
10.移动度:眼睑力导致的镜片相对位置变化的程度。
二、填空题1.1.1、0.7(0.4~0.8)、2; 2.紧、增大、减小 3.反比、差、差、高含水量、薄4.轻度的异物感、干燥感、视近模糊、畏光、雾视、粘液性分泌物增加5.0.5~1.0、40%~60%三、单选题1.D 2.D 3.C 4.A 5.C 6.B 7.C 8.B 9.D 10.B 11.D 12.B 13.B 14.C 15.A四、简答题1.物质的稳定状态为能量最低,极性强的镜片表面所带的负离子基团数量多,为使能量最低即电中性,要吸附带正电荷的物质来中和电中性,达到稳定状态。
2.扒开配戴眼的下眼睑,嘱配戴眼向前注视。
绶慢瞬目,可以见到在睁眼瞬间,镜片受到上眼睑的牵引向上移动,而后恢复原位。
观察测定镜片下边缘向上移动的量。
3.配适紧的表现:1)下睑上推试验不动;2)镜片边缘结膜压痕;3)镜片边缘下角巩膜缘周边血管收缩;4)低度炎症;5)瞬目后瞬间视力好转。
配适松的表现:1)镜片无法在眼睛中定位2)镜片运动过度3)镜片边缘皱缩/卷曲4)视力波动,瞬目后变差5)第一眼位时镜片向下偏位6)镜片在上视/上视瞬目时可能偏离角膜7)镜片过多运动,病人感到不舒服五、案例分析1.适合配戴隐形眼镜(眼睛健康、BUT正常);镜片类型:球面软镜(角膜性散光度数很小,验光处方无散光,可用球面镜片矫正);完整的镜片处方:R BC:8.5mm ;直径:14mm ;屈光度:-5.25DSL BC:8.5mm ;直径:14mm ;屈光度:-6.00DS理由:BC R:(7.67+7.75)/2×1.1=8.48,取8.5mm;BC L:(7.75+7.71)/2×1.1=8.50,取8.5mm;直径:HVID+2mm=14 mm屈光度:用经验法得,R:-5.75+(+0.50)=-5.25D,取-5.25DSL:-6.50+(+0.50)=-6.00D,取-6.00DS(具体镜片的基弧和直径还需结合所选品牌的参数作适当调整,往最接近的参数上靠)2.适合配戴隐形眼镜(眼睛健康、BUT稍偏小一点,但由于其职业的特点,戴隐形眼镜更方便,但其上夜班,可能会超时配戴,选透氧性更好的镜片,可选硅水凝胶镜片。
测试练习13 护理产品一、填空题1.镜片护理的基本程序包括、、、、。
清洁的目的是消除镜片上的异物如、、等。
2.软镜多功能护理液中缓冲剂的作用是用于控制护理液的浓度,以适应眼环境的酸度。
渗透压调整剂的作用是用于控制护理液的离子浓度,以适应眼环境的。
软镜多功能护理液的消毒剂主要是消毒剂,如就是其中之一。
3.润眼液中的润滑剂主要有、、甘油和萄聚糖;增粘剂主要有、。
二、单选题1.一个软镜配戴者在试图戴镜时镜片脱落了,此时首先采取的措施是()。
A、用消毒的生理盐水冲洗,不需要揉搓B、用表面活性剂清洁剂揉搓镜片C、用蒸馏水揉搓和冲洗镜片D、用双氧水揉搓镜片2.下述各种软镜更换周期方式的镜片都需要镜片的护理,但除外的是()。
A、通常型B、频繁更换型C、抛弃型D、日抛型3.下述关于软镜清洁与冲洗的陈述,错误的是()。
A、日抛弃型镜片不需要清洁与冲洗B、使用多功能护理液时,不再需要揉搓与冲洗镜片C、长戴型镜片每次摘取后都必须清洁D、高渗可能提高镜片清洁效率4.下列不能用作软镜冲洗液的是()。
A、无防腐剂、小剂量生理盐水B、多功能护理液C、有防腐剂生理盐水D、蒸馏水5.在选择接触镜护理系统时,下述哪些特性是必须考虑,但除外的是()。
A、镜片后表面屈光度B、眼的敏感性C、镜片材料D、配戴和更换周期6.下述关于接触镜护理液的特性中与镜片戴入时的舒适度关系最小的是()。
A、液体张力B、PH值C、液体粘性 d 、防腐剂浓度7.在下列的陈述中,说法错误的是()。
A、离子型镜片比非离子形镜片更易吸附蛋白沉淀B、日抛型镜片不需要使用表面清洁剂C、人角膜可耐受0.6 ~1.5%的氯化钠浓度D、低含水镜片比高含水镜片更易吸附沉淀8.在下列氯化钠浓度中,其中氯化钠浓度与人泪液相同的是()。
A、0.09%B、0.5%C、0.9%D、5.0%9.下述关于软镜使用双氧水消毒系统的陈述中,说法错误的是()。
A、适合于所有种类的镜片B、在消毒前,不必进行镜片的清洁与冲洗C、建议在3% H2O2中消毒6小时D、可以不用防腐剂10.去除RGP镜片表面脂质沉淀最有效的方式是()。
测试练习11 透气硬镜的试戴和评估
一、填空题
1.透气硬镜试戴片的基弧和角膜性散光度数有关,一般当散光≤D,选平K值或平
K值+ mm,当散光 1.50D时,选平K值减。
2.透气硬镜试戴片的直径选择一般为HVID- mm或+1.4mm(周边弧宽度)。
3.当透气硬镜镜片基弧和角膜曲率半径不匹配时,会产生正或负的泪液透镜,补偿的法则
是平加,陡加。
一般0.1mm的基弧改变会产生的度数改变。
4.在透气硬镜的动态配适中,镜片的运动方式主要有、、、四种。
5.透气硬镜的配适评估分配适和配适。
静态配适采用染色,光源投
照,倍率。
主要观察区和区。
二、单选题
1.一患者左眼眼镜处方为–5.75DS,角膜曲率读数为7.85@ 170(43.00D) 和7.42@80
(45.50D),则此眼最好的矫正方法为()。
A、双薄法的散光软镜
B、球性RGP镜片
C、后表面托力克设计RGP镜片
D、球性软镜
2.一患者配戴RGP镜片多年,前来就诊。
你检查后发现镜片活动度小、边缘翘起过高。
裂隙灯检查还发现角膜周边变薄,荧光素有着色和浸润,你的诊断是()。
A、红斑痤疮
B、Dellen
C、基底细胞癌
D、睑板腺炎
3.一患者配戴的RGP 镜片,参数如下:基弧7.75 mm, 总直径9.30 mm, 后顶点屈光度–6.50 DS, 配适的荧光素图显示为中央区轻微荧光素积聚,所以你想重新订镜片,直径不变,
基狐平坦0.05 mm, 则新镜片的后顶点屈光度为()。
A、–6.00 D
B、–6.25 D
C、–6.75 D
D、–7.00 D
4.一患者配戴RGP镜片,基弧为 8.00mm, 屈光度为 +8.00 DS, 此镜片屈光度矫正理想,荧光素图示镜片中央接触,如你想订一相同直径的镜片,但基弧为 7.90mm, 则镜片的屈光
度必须为()
A、+7.50D
B、+7.75D
C、+8.25D
D、+8.50D
5.在RGP设计中,一般周边弧比基弧平坦()。
A、1.6mm
B、2.5mm
C、3.8mm
D、6.0mm
6.在平行配适的RGP荧光素图评估中,大致镜片边缘的宽度是()。
A、0.05mm
B、0.25mm
C、0.50mm
D、1.00mm
7.一平行配适的RGP镜片,镜片周边弧宽度为0.30 ~ 0.50 mm, 镜片边缘的翘起高度应是()。
A、0.05mm
B、0.10mm
C、0.50mm
D、1.00mm
8.按照La Hood (1988) 的研究,下述RGP镜片的边缘形态设计中最舒适的是()。
A、前后面方的形态
B、前后面圆的形态
C、前面为方形,后面为圆形
D、前面为圆形,后面为方形
9.一三弧设计的RGP镜片,其过渡区为中等混合程度,则后表面光学区直径可接受的误差为()。
A、0.10mm
B、0.20mm
C、0.30mm
D、0.40mm
10.在RGP镜片评估前必须作的事是()。
A、镜片在蒸馏水中水合4~6小时
B、镜片前表面抛光
C、干燥镜片贮存装置8小时
D、镜片在浸渍溶液中水合12~24小时
11.一RGP镜片,旁周边弧比角膜平坦,镜片边缘翘起过高,下列最可能出现的情况是()。
A、角膜压痕
B、镜片活动度降低
C、随瞬目每次很少的泪液交换
D、镜片定位差。