锻件的热处理
- 格式:ppt
- 大小:1.11 MB
- 文档页数:21
锻件热处理锻件是一种金属成形加工方法,在完成锻造后需要经过热处理。
锻件热处理是指将锻件加热到一定的温度,使之发生一系列物理或化学变化,达到改变其组织结构和性能的目的。
本文将针对锻件热处理的流程、方法和机理进行阐述。
锻件热处理的流程锻件热处理流程通常包括三个步骤:加热、保温和冷却。
其中,加热和冷却的过程都非常关键,因为这两个步骤会直接影响到锻件的微观组织和力学性能。
1.加热加热是指将锻件加热到一定的温度,使之发生晶粒长大、变形、晶格缺陷消失、相变等变化,从而获得一定的机械性能。
加热温度和时间是通过锻件的成分、形状和尺寸等因素来决定的。
一般来说,锻件加热到一定温度后,其冷却速度直接影响到锻件的性能。
常见的加热方式包括电阻加热、燃气加热、电弧加热、激光加热等。
2.保温保温是指将已经加热到一定温度的锻件保持在一个固定的温度下一定时间,以使锻件内部保持均匀温度,从而达到热处理的效果。
保温时间和温度取决于锻件的材质和尺寸。
优化中间温度和时间会对晶粒尺寸和锻件性能有着直接的影响。
相较于加热和冷却,保温过程是一个相对简单的步骤。
3.冷却冷却是指将经过加热和保温过程的锻件缓慢冷却至室温,使之形成相应的组织结构和力学性能。
冷却方式和速度对锻件的性能有着直接的影响。
常用的冷却方式包括空气冷却、水冷却等。
锻件热处理的方法和机理1.灭火热处理灭火热处理是指将经过加热处理的锻件,迅速放入冷却介质中,使其迅速冷却达到强化锻件的目的。
灭火热处理可以分为水淬火、油淬火、高温淬火和空气冷却等多种方式,其中以水淬火的强度最大,油淬火次之,在高温淬火和空气冷却中最低。
灭火热处理的机理是利用快速冷却的方式,使锻件内部的物理性能和化学性能发生变化,形成更加细小的晶粒和组织结构。
从而达到提高锻件材质的强度和硬度的目的。
2.回火热处理回火热处理是指在灭火热处理完成后,对锻件进行再次加热并显著降低冷却速度,从而提高锻件的韧性和塑性。
对于某些硬度较高的锻件,为了兼顾强度与韧性的要求,通常需要进行回火处理。
目录1.钢质自由锻件加热工艺规范2.钢锭(坯)加热规范若干概念3.加热操作守则4.锻造操作守则5.锻件锻后冷却规范6.锻件锻后炉冷工艺曲线7.锻件锻后热装炉工艺曲线8.冷锻件校直前加热、校直后(补焊后)回火工艺曲线9.锻件各钢种正火(或退火)及高温回火温度表10.锻件有效截面计算方法钢质自由锻件加热工艺规范一.范围:本规范规定了钢质自由锻件的通用加热技术条件。
本规范适用于碳素钢、合金钢、高合金钢、高温合金钢(铁基、镍基)的冷、热、半热钢锭(坯)的锻造前加热二.常用钢号分组和始、终锻加热温度范围:注1:始锻温度为锻前加热允许最高炉温,由于钢锭的铸态初生晶粒加热时过热倾向比同钢号钢坯小,故两者的锻前加热温度相差20℃~30℃;注2:根据产品的特性、锻件技术条件、变形量等因素,始锻温度可以适当调整;注3:本规范未列入的钢种,可按化学成分相近的钢号确定;注4:重要的、关键产品的、特殊材质的钢号,其加热工艺曲线由技术部编制;注5:几种不同的钢种,不同尺寸的钢锭(或坯料),在同一加热炉加热时,要以合金成分高的,尺寸大的钢锭(或坯料)为依据编制加热工艺曲线。
三.冷钢坯。
钢锭加热规范:钢锭(坯)加热规范若干概念1.钢锭(坯)入炉前的表面温度≥550℃的称为热钢锭,400~550℃的称为半热钢锭(坯),≤400℃的称为冷钢锭。
2.锻件半成品坯料的加热平均直径计算原则:δ -壁厚H- 高度或长度D- 外径1)实心圆类:当D>H时,按H计算;当D<H时,按D计算。
2)筒类锻坯:H>D 当H>δ时,按1.3δ计算。
3)空心盘(环)类:H<D当H>δ时,按δ计算;当H<δ时,按H计算。
3.为了避免锻件粗晶组织,最后一火的始锻温度可按其剩余锻造比(Y)确定:Y=1.3~1.6 最高加热温度1050℃Y<1.3 最高加热温度950℃4.不同钢种不同规格的坯料同炉加热时,装炉温度和升温速度均按较低的选用,保温时间按较长的选用。
304不锈钢法兰的锻造和热处理工艺流程包括以下步骤:
1. 材料准备:选择合适的304不锈钢材料,并进行表面清洁和预处理。
2. 加热:将304不锈钢材料加热至适当的温度。
通常情况下,加热温度在1000°C到1200°C之间,具体温度取决于材料的精确要求和锻造工艺。
3. 锻造:将加热后的304不锈钢材料放入锻造设备中,通过锤击或压力形成需要的形状。
锻造一般分为自由锻造、模锻和冷锻等不同形式,根据实际需要进行选择。
4. 冷却和退火:锻件完成后,将其冷却至室温。
随后,可以对锻件进行退火处理以消除内部应力,并提高材料的机械性能和耐腐蚀性。
5. 修整和加工:对锻造后的304不锈钢法兰进行修整和加工,包括切割、磨削、钻孔等工序,以达到最终的尺寸和质量要求。
6. 清洁和检查:对锻造和加工后的304不锈钢法兰进行清洁,确保其表面没有污垢和缺陷。
随后,进行质量检查,包括外观检查、尺寸测量和材料性能测试等。
7. 表面处理:根据具体要求,可以对304不锈钢法兰进行表面处理,例如抛光、电镀或喷涂等,以增加其美观性和耐腐蚀性。
8. 包装和出厂:最后,将304不锈钢法兰进行适当的包装,确保其在运输和储存过程中不受损坏。
随后,发货给客户或仓库。
这是一般的304不锈钢法兰锻造和热处理工艺流程,具体的工艺流程可能因制造商和产品要求而有所不同。
在实际生产中,应根据具体情况进行调整和优化。
锻件工艺流程锻件是一种通过将金属材料加热至一定温度后进行机械加工的工艺,常用于制造各种金属零件。
下面将介绍一下锻件的工艺流程。
首先,锻件的准备工作很重要。
选择合适的金属材料,如碳钢、合金钢等,并根据零件的要求进行切割、去除杂质等预处理工作。
还需要准备好相应的模具和锻压设备。
接下来是对金属材料进行加热处理。
将金属材料放入加热炉中加热,使其达到适合锻造的温度。
不同的金属材料需要不同的加热温度和时间,以确保锻件的质量。
加热后,金属材料进入锻造机进行锻造。
锻造分为冷锻和热锻两种方式。
冷锻是将金属材料加热至室温以下进行锻造,适用于一些脆性材料。
热锻是将金属材料加热至高温进行锻造,适用于大多数金属材料。
锻造时,使用锻道将金属材料置于模具中,然后用锻压设备施加压力,使金属材料变形并填充模具。
锻造完成后,锻件需要进行热处理。
热处理是通过加热和冷却的方式改变锻件的组织结构和性能。
常见的热处理方式包括退火、淬火和回火。
退火可以消除锻造过程中的应力和变形,提高锻件的塑性和韧性。
淬火可以使锻件的硬度增加,但也使其脆性增加。
回火可以降低锻件的硬度和脆性,提高其韧性。
最后,对锻件进行机械加工。
机械加工是为了使锻件达到最终的尺寸和形状要求。
常见的机械加工方式包括车削、铣削、钻孔等。
通过这些加工方式,可以去除锻件表面的氧化皮和毛刺,并使锻件的尺寸和形状精确到达到设计要求。
锻造工艺流程是一个复杂的过程,需要各个环节的密切配合和精确操作。
只有在合适的温度和压力条件下进行锻造,才能得到质量好的锻件。
通过热处理和机械加工,可以进一步提高锻件的性能和外观。
总结起来,锻件的工艺流程包括准备工作、材料加热、锻造、热处理和机械加工。
锻件工艺的正确操作和控制对于获得高质量的锻件非常重要,也对提高产品质量和使用寿命有着至关重要的影响。
锻件的热处理1.热处理常用设备及其使用热处理加热的专用设备称为热处理炉,根据热处理方法的不同,所用的加热炉也不同,常用的有箱式电阻炉等。
箱式电阻炉如图所示。
按工作温度可分为高温、中温及低温炉三种,其中以中温箱式电阻炉应用最广,其最高工作温度为950℃,可用于碳素钢、合金钢的退火、正火、淬火。
操作电阻炉时应注意炉衬严禁掩击,进料时不得随意乱抛,不要触碰电阻丝,以免引起短路。
电阻炉本体及温度控制系统应经常保持清洁,勤检查,防止烧毁电热元件。
炉内的氧化铁屑必须经常清除干净,以防粘在电热元件上发生短路。
Array 2.锻件的热处理工艺及其基本操作热处理是指将钢在固态下加热、保温、冷却,以改变钢的内部组织结构,从而获得所需性能的一种工艺。
锻件在热处理时,要根据零件的形状、大小、材料及其成分和性能要求,采用不同的热处理方法,如退火、正火、淬火、回火及表面热处理等。
1.退火将锻件或加热到某个温度(碳钢为740〜880℃),保温一定时间,随后缓慢冷却(一般随炉冷却约100℃/h)的处理工艺称为退火。
退火的主要目的是降低硬度,消除内应力,改善组织和性能,为后续的机械加工和热处理做好准备。
2.正火将钢加热到某个温度,(碳钢为760〜920℃),保温一定时间,随后从炉中取出,在静止空气中冷却的处理工艺称为正火。
锻件正火的目的与退火基本相似,但正火的冷却速度比退火稍快,故能得到较细密的组织,机械性能较退火好。
正火后的钢硬度比退火高,对于低碳钢的工件更具存良好的切削加工性能(实践表明,硬度在HB170〜HB230范围内的钢锻件,切削加工性能较好,硬度过高或过低,切削加工性能均会下降)。
而对于中碳合金钢和高碳钢的工件,则因正火后硬度偏高,切削加工性能较差,以采用退火为宜。
正火难以消除内应力,为防止工件的裂纹和变形,对大件和形状复杂件仍多采用退火处理。
从经济方面考虑,正火比退火的生产周期缩短,设备利用率提高,节约能源,降低成本,操作简便,所以在可能条件下,应尽量以正火代替退火。
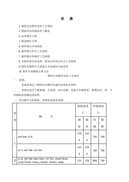
目录1.钢质自由锻件加热工艺规范2.钢锭(坯)加热规范若干概念3.加热操作守则4.锻造操作守则5.锻件锻后冷却规范6.锻件锻后炉冷工艺曲线7.锻件锻后热装炉工艺曲线8.冷锻件校直前加热、校直后(补焊后)回火工艺曲线9.锻件各钢种正火(或退火)及高温回火温度表10.锻件有效截面计算方法钢质自由锻件加热工艺规范一.范围:本规范规定了钢质自由锻件的通用加热技术条件。
本规范适用于碳素钢、合金钢、高合金钢、高温合金钢(铁基、镍基)的冷、热、半热钢锭(坯)的锻造前加热二.常用钢号分组和始、终锻加热温度范围:组号钢别Q195~Q255, 10~30Ⅰ35~45,15Mn~35Mn ,15Cr~35Cr50,55,40Mn~50Mn ,35Mn2-50Mn2 ,40Cr~55Cr ,20SiMn~35SiMn ,12CrMo~50CrMo ,34CrMo1A ,30CrMnSi , 20CrMnTi ,20MnMo ,Ⅱ12CrMoV~35CrMoV , 20MnMoNb , 14MnMoV~42MnMoV,38CrMoAlA ,38CrMnMo34CrNiMo~34CrNi3Mo,PCrNi1Mo~PCrNi3Mo,30Cr1Mo1V,25Cr2Ni4MoV ,22Cr2Ni4MoV ,5CrNiMo ,5CrMnMo ,37SiMn2MoV 30Cr2MoV ,40CrNiMo ,18CrNiW ,50Si2~60Si2 ,65Mn ,50CrNiW ,50CrMnMo ,60CrMnMo ,60CrMnVT7~T10 , 9Cr,9Cr2, 9Cr2Mo , 9Cr2V ,9CrSi ,70Cr3Mo ,Ⅲ1Cr13~4Cr13 ,86Cr2MoV ,Cr5Mo , 17-4PH0Cr18Ni9~2Cr18Ni9 ,0Cr18Ni9Ti , Cr17Ni2 , F316LN50Mn18Cr4 , 50Mn18Cr4N , 50Mn18Cr4WN , 18Cr18Mn18NGCr15,GCr15SiMn , 3Cr2W8V ,CrWMo , 4CrW2Si~6CrW2SiCr12MoV1 , 4Cr5MoVSi(H11) , W18Cr4VGH80, GH901, GH904 ,GH4145 ,WR26 ,ⅣNiCr20TiAl , incone1600, incone1800始锻温度终锻温度℃℃钢锭钢坯终锻精整12501220750700 1220120075070012201200800750 12001180850800 120011808508001200 1180 850 800 1180 1160 950 900 1130 1100 930 930注 1:始锻温度为锻前加热允许最高炉温,由于钢锭的铸态初生晶粒加热时过热倾向比同钢号钢坯小,故两者的锻前加热温度相差 20℃~30℃;注 2:根据产品的特性、锻件技术条件、变形量等因素,始锻温度可以适当调整;注 3:本规范未列入的钢种,可按化学成分相近的钢号确定;注 4:重要的、关键产品的、特殊材质的钢号,其加热工艺曲线由技术部编制;注 5:几种不同的钢种,不同尺寸的钢锭(或坯料),在同一加热炉加热时,要以合金成分高的,尺寸大的钢锭(或坯料)为依据编制加热工艺曲线。
目录1.钢质自由锻件加热工艺规范2.钢锭坯加热规范若干概念3.加热操作守则4.锻造操作守则5.锻件锻后冷却规范6.锻件锻后炉冷工艺曲线7.锻件锻后热装炉工艺曲线8.冷锻件校直前加热、校直后补焊后回火工艺曲线9.锻件各钢种正火或退火及高温回火温度表10.锻件有效截面计算方法钢质自由锻件加热工艺规范一.范围:本规范规定了钢质自由锻件的通用加热技术条件;本规范适用于碳素钢、合金钢、高合金钢、高温合金钢铁基、镍基的冷、热、半热钢锭坯的锻造前加热二.常用钢号分组和始、终锻加热温度范围:注1:始锻温度为锻前加热允许最高炉温,由于钢锭的铸态初生晶粒加热时过热倾向比同钢号钢坯小,故两者的锻前加热温度相差20℃~30℃;注2:根据产品的特性、锻件技术条件、变形量等因素,始锻温度可以适当调整;注3:本规范未列入的钢种,可按化学成分相近的钢号确定;注4:重要的、关键产品的、特殊材质的钢号,其加热工艺曲线由技术部编制;注5:几种不同的钢种,不同尺寸的钢锭或坯料,在同一加热炉加热时,要以合金成分高的,尺寸大的钢锭或坯料为依据编制加热工艺曲线;三.冷钢坯;钢锭加热规范:钢锭坯加热规范若干概念1.钢锭坯入炉前的表面温度≥550℃的称为热钢锭,400~550℃的称为半热钢锭坯,≤400℃的称为冷钢锭;2.锻件半成品坯料的加热平均直径计算原则:δ -壁厚 H- 高度或长度 D- 外径1)实心圆类:当D>H时,按H计算;当D<H时,按D计算;2)筒类锻坯:H>D 当H>δ时,按δ计算;3)空心盘环类:H<D当H>δ时,按δ计算;当H<δ时,按H计算;3.为了避免锻件粗晶组织,最后一火的始锻温度可按其剩余锻造比Y确定:Y=~ 最高加热温度1050℃Y< 最高加热温度950℃4.不同钢种不同规格的坯料同炉加热时,装炉温度和升温速度均按较低的选用,保温时间按较长的选用;对要求加热温度低或保温时间短的坯料,可先出炉锻造;注:Y--锻造比加热操作守则1.钢锭坯装炉前,加热工应校对其冶炼炉号及锭件号,钢锭坯重量,尺寸以及钢锭坯的状态,并检查其表面质量,清除表面缺陷,不合格严禁装炉;2.重要的、关键产品的特殊材质的钢号,在进炉前由技术部向操作工进行技术交底;3.根据装炉实际情况,画好装炉图,记录装炉位置,做好实际操作记录,钢锭坯出炉顺序,及返回炉内锻坯位置要记录正确;4.钢锭坯加热过程中必须精心操作,严格控制装炉温度、升温或冷却速度,炉气应保持微正压,炉床上的氧化皮应定期清理;5.钢锭坯完成了加热保温时间之后因故不能出炉锻造时,可将炉温降至900~1050℃保温,若等到可出炉锻造时,则需将钢锭坯再加热至锻造温度下保温一段时间后方可出炉锻造;6.钢锭坯经炉内长时间保温之后因故不需再加热时,必须随炉以≤80℃/h 的降温速度将钢锭冷至250℃以下方可出炉;7.加热炉喷嘴要避免火焰直接喷射在钢锭坯的表面上,经常检查热电偶、热工仪表,使其正常运行,并维护和保养加热炉设备;锻造操作守则1.锻造前应熟悉锻造工艺卡的内容,重要、关键锻件,技术部门需要进行技术交底;2.锻造生产是集体操作,一定要开好班前会,了解加热情况,做好设备、工具准备工作,做到分工明确,指挥者应对生产的质量和安全负责;3.在生产中应做到“三勤”:勤量、勤卡、勤查;“四准”:标尺要定准、样棒要划准、卡钳要量准、尺寸要记准;4.生产时必须按照工艺卡进行锻造,不得任意改动,如工艺卡不合理或因特殊情况不能按照工艺卡执行,应及时向技术部反映,及时解决;5.锻造指挥者必须认真执行确保锻造工艺卡上各项工艺参数到位、锻造尺寸到位,确保锻件的锻造比镦粗比、拔长比,重要关键锻件做好生产过程的记录;6.严格控制终锻温度,特别是关键、重要锻件、高合金钢、高温合金钢;7.锻件完工后,锻件必须在相当于钢锭的底部端打上钢印钢号、冶炼炉号和锻件号,钢印必须正确、清楚;8.料头应用油漆写明分类标记,以便回收回炉;9.对于关键、重要锻件,或试制新产品钢种的锻件,有关技术人员必须跟班在现场,及时处理可能遇到的问题;锻件锻后冷却规范1.锻件锻后冷却必须按规范执行;若有特殊情况不能按规范执行须由技术部同意,并有书面意见;2.沙冷锻件,必须将沙子全部覆盖在锻件上,而不是将锻件置于沙坑中;3.锻件炉冷要根据不同钢种炉冷曲线工艺规范执行;4.锻件热装炉是按锻件锻后热处理曲线工艺规范执行锻件锻后正火、回火或退火;5.钢锭或钢坯冶炼工艺是采用EF+LF+VD或VODC方法;锻件锻后冷却规范按截面尺寸向下调低一档;锻件锻后炉冷工艺曲线一.一般锻件锻后炉冷工艺曲线Ⅰ:按锻件锻后冷却规范的炉冷钢号确定保温时间Ⅰ:1.Ⅱ类钢号炉冷保温时间按有效截面尺寸计算:~2h/100mm;2.Ⅲ类钢号炉冷保温时间按有效截面尺寸计算:~3h/100mm;3.Ⅳ类钢号炉冷保温时间按有效截面尺寸计算:4~5h/100mm; 二.重要锻件、有特殊要求的锻件锻后炉冷工艺曲线Ⅱ:一.一般锻件锻后热装炉——正火+回火热处理工艺曲线:2.640~660℃保温时间Ⅰ按2-3h保温时间计算;3.正火温度保温时间Ⅱ按有效截面尺寸计算:1~100mm;4.350~400℃过冷保温时间Ⅲ按有效截面尺寸计算:~1h/100mm;5.高温回火保温时间Ⅳ按有效截面尺寸:Ⅱ类钢号高温回火保温时间~2h/100mm,Ⅲ类钢号高温回火保温时间~100mm,Ⅳ类钢号高温回火保温时间4~5h/100mm;二.滚珠轴承钢、冷轧辊钢锻后热装炉球化退火工艺曲线:~650℃保温时间Ⅰ按3-4h保温时间计算;~800℃保温时间Ⅱ按有效截面尺寸计算:mm;~720℃650~670℃保温时间Ⅲ按有效截面尺寸计算:2h/mm;冷锻件校直前加热、校直补焊后回火工艺曲线。
HG 20603-1977之3.0.3有规定,锻件.......暂符合JB 4726~4728的相应要求。
JB4726-2000之5.5有规定,锻件应按表3中规定的热处理状态交货。
那么,请看5.5和表3吧,表比较大。
锻件按照标准来说全部应该是要热处理的,但是我们国家的实际情况是,一般的锻件分为一级锻件,二级锻件,三级锻件一级锻件一般情况下如果用户不要求是不热处理的二级锻件必须要热处理三级锻件除热处理外,还需要100%探伤.金属热处理是将金属材料(其中包括黑色金属材料和有色金属材料及其加工后的工件)在固态范围内,通过一定的加热,保温和冷却,使金属或合金的内部组织发生变化,从而获得预期的性能(如力学性能、加工性能、物理和化学性能)、组织和结构的工艺过程的总称。
一、退火(一)、概念:把钢加热到适当温度(一般Ac1以上),保温一定的时间,然后缓慢冷却,以获得接近平衡状态的组织的热处理方法。
(二)、目的:1、降低硬度,以利于切削加工;2、提高钢的塑性和韧性,以便于冷变形加工;3、改善或消除钢在铸造、轧制、锻造和焊接等过程中所造成的各种组织缺陷;4、细化晶粒,改善钢中碳化物的形态及分布,为最终热处理做好组织准备;5、消除内应力,以减少变形和防止开裂。
二、淬火(一)、概念:将钢加热到临界温度(Ac3或Ac1)以上,保温一定时间使之奥氏体化后,以大于临界冷却速度的冷速进行冷却,以得到高硬度的马氏体或下贝氏体的热处理工艺方法。
(二)、目的:1、提高工件的硬度和耐磨性;2、提高工件的综合力学性能或使工件获得较高的弹性;3、获得特殊的物理化学性能(磁性、耐蚀性、耐热性等)。
三、回火(一)、概念:将工件加热到钢的A1以下某一温度,保温一段时间,然后进行冷却(一般冷至室温)的热处理工艺。
(二)、目的:1、使工件获得所要求的力学性能;2、减少或消除残余应力;3、稳定工件的组织和尺寸。
(三)、分类:1、低温回火(150~250℃),如渗碳和碳氮共渗件,低合金超高强度钢等;2、中温回火(300~450℃),如各种弹簧钢等;3、高温回火(500~650℃),如螺栓、轴等。
16MnⅢ级锻件热处理工艺16MnⅢ级锻件的锻造工艺,16MnⅢ级锻件的热处理工艺16MnⅢ级锻件、法兰主要是在原材料选用上选取可以保证探伤的原材料,锻造过程与普通的锻件基本相同,采用镦粗,拔长。
锻造温度应控制在1200°-900°之间。
锻件、法兰的热处理工艺要严格按照要求,公称厚度>100-200mm,采用正火+回火,公称厚度>200-300mm,采用淬火+回火。
16MnⅢ级锻件需要提供试样,试样的材料与锻件采用相同炉号,热处理要与锻件同炉。
在验收中,要对试样做化学分析、硬度试验、拉伸试验、冲击试验和硬度检测。
所有试验需要符合16Mn Ⅲ级锻件相应规定的要求。
对锻件做超声波检测应按JB4730.3的相关规定。
压力容器16MnⅢ级法兰检测与以上检测方法相同。
相关知识:锻造工艺过程对锻件质量的影响锻件组织对热处理后的锻件组织和性能的影响下料(切除夹杂偏析较重的原料锭尾部)、镦粗(扩大变形横截面)、冲孔、芯轴扩孔;筒形件的锻造工艺为压钳把、下料、镦粗、冲孔、芯轴拔长。
当原料锭采用电渣炉电渣重熔生产时,称为电渣锭。
由于重熔过程钢锭自上而下地顺序凝固,熔池中的钢液一边结晶,一边得到自耗电极补充,至钢锭头部时又采用低熔速工艺补缩。
所以,电渣锭没有大冒口,头部也是平的。
出结晶器后,去掉头部渣子后,电渣锭两端平整,很适合在锻压机的平台上直接镦粗,这对于空心类锻件生产来说,不会对后续操作带来不便。
相反,以往采用传统工艺压制钳把,不仅工序较多而且浪费料,切损量大。
原传统工艺压钳把、下料为一火,做完操作即需要回加热炉提高温度,等温度提升方可进行镦粗后续操作,改此工艺为直接镦粗法,即镦粗、冲孔、芯轴拔长。
这样,一方面冲脱料占用的是钢锭芯部相对疏松的部分,大幅度提高了成材率;另一方面,减少了锻造火次,减少了原料的烧损,节约了能源,提高了生产效率。
以上措施在国内东北特殊钢实行,用于生产该企的GCr15类环形空心锻件及PCrNi3MoV类筒形锻件。
锻造及锻后热处理工艺规范标准化管理部编码-[99968T-6889628-J68568-1689N]目录1.钢质自由锻件加热工艺规范2.钢锭(坯)加热规范若干概念3.加热操作守则4.锻造操作守则5.锻件锻后冷却规范6.锻件锻后炉冷工艺曲线7.锻件锻后热装炉工艺曲线8.冷锻件校直前加热、校直后(补焊后)回火工艺曲线9.锻件各钢种正火(或退火)及高温回火温度表10.锻件有效截面计算方法钢质自由锻件加热工艺规范一.范围:本规范规定了钢质自由锻件的通用加热技术条件。
本规范适用于碳素钢、合金钢、高合金钢、高温合金钢(铁基、镍基)的冷、热、半热钢锭(坯)的锻造前加热二.常用钢号分组和始、终锻加热温度范围:注1:始锻温度为锻前加热允许最高炉温,由于钢锭的铸态初生晶粒加热时过热倾向比同钢号钢坯小,故两者的锻前加热温度相差20℃~30℃;注2:根据产品的特性、锻件技术条件、变形量等因素,始锻温度可以适当调整;注3:本规范未列入的钢种,可按化学成分相近的钢号确定;注4:重要的、关键产品的、特殊材质的钢号,其加热工艺曲线由技术部编制;注5:几种不同的钢种,不同尺寸的钢锭(或坯料),在同一加热炉加热时,要以合金成分高的,尺寸大的钢锭(或坯料)为依据编制加热工艺曲线。
三.冷钢坯。
钢锭加热规范:钢锭(坯)加热规范若干概念1.钢锭(坯)入炉前的表面温度≥550℃的称为热钢锭,400~550℃的称为半热钢锭(坯),≤400℃的称为冷钢锭。
2.锻件半成品坯料的加热平均直径计算原则:δ -壁厚 H- 高度或长度 D- 外径1)实心圆类:当D>H时,按H计算;当D<H时,按D计算。
2)筒类锻坯:H>D 当H>δ时,按δ计算。
3)空心盘(环)类:H<D当H>δ时,按δ计算;当H<δ时,按H计算。
3.为了避免锻件粗晶组织,最后一火的始锻温度可按其剩余锻造比(Y)确定:Y=~ 最高加热温度1050℃Y< 最高加热温度950℃4.不同钢种不同规格的坯料同炉加热时,装炉温度和升温速度均按较低的选用,保温时间按较长的选用。
锻件热处理标准《锻件热处理标准:铸就卓越的关键密码》嘿,你知道吗?在工业的奇幻世界里,锻件就像是英勇的战士,而热处理标准就是它们的无敌秘籍!要是不了解这个标准,那制造出来的锻件可就像没头苍蝇一样,到处乱撞还不知道为啥不行呢!今天,就让我们一起揭开这神秘的锻件热处理标准的面纱,看看它到底有多重要!一、“火候大师:温度的精确掌控”在热处理的舞台上,温度那可是绝对的主角呀!“温度就像是锻件的魔法调料,多一度太老,少一度太嫩。
”温度的精确掌控简直太重要啦!就好比厨师做菜,火候不到位,菜就不好吃。
如果温度过高,锻件可能会变形甚至报废;温度过低,又达不到预期的性能效果。
比如在对钢铁锻件进行热处理时,不同的温度区间会导致不同的组织结构变化,从而影响其硬度、韧性等关键性能。
所以呀,一定要像大师级厨师一样,精准把握温度这个“魔法调料”的用量!二、“时间魔法师:时长的巧妙拿捏”时间在热处理中也是一位厉害的魔法师哟!“时间就像一场和锻件的浪漫约会,太短没感觉,太长会厌倦。
”可不是嘛,时间太短,热处理效果不充分;时间太长,不仅浪费能源,还可能对锻件造成不良影响。
就像烤面包一样,时间太短里面还是生的,时间太长就烤焦啦!比如铝合金锻件的固溶处理,需要在特定温度下保持一定的时间,才能使合金元素充分溶解和均匀分布,达到最佳性能。
这就需要我们巧妙地拿捏时间这个“浪漫约会”的时长啦!三、“冷却大侠:冷却方式的智慧选择”冷却这一环节可是个厉害的大侠呢!“冷却方式就像是锻件的乘凉秘籍,选对了就舒爽,选错了就难受。
”不同的冷却方式会给锻件带来截然不同的效果。
快速冷却可以获得较高的硬度和强度,但可能会导致较大的内应力;缓慢冷却则可以减少内应力,但可能会降低硬度。
这就好比夏天选择乘凉方式,吹空调太猛会感冒,扇扇子太慢又不解热。
所以呀,要根据锻件的材料和性能要求,智慧地选择冷却方式这个“乘凉秘籍”!四、“介质精灵:介质的神奇魔力”介质在热处理中就像一群可爱的精灵,有着神奇的魔力哟!“介质就像是锻件的魔法伙伴,找对了一起变强,找错了一起遭殃。