大型锻件锻后热处理基本要求
- 格式:doc
- 大小:34.00 KB
- 文档页数:2
大型锻件锻后热处理基本要求大型锻件锻后热处理基本要求大型锻件锻后热处理基本要求一.锻后热处理的目的锻后热处理,又称为第一热处理或预备热处理,通常是紧接在锻造过程完成之后进行的,有正火、回火、退火、球化、固溶等几种形式。
其主要目的是:1. 消除锻造应力,降低锻件的表面硬度,提高切削加工性能和防止变形。
2. 对于不再进行调质处理的工件,应使锻件达到技术条件所要求的各种性能指标,如强度、硬度、韧性等。
这类工件大多属于碳钢或低合金钢。
3. 调整与改善大型锻件在锻造过程中所形成的过热与粗大组织,减少其内部化学成分与金相组织的不均匀性,细化晶粒。
4. 提高锻件的超声波探伤性能,消除草状波,使锻件中其它内部缺陷能够清晰地显示出来,以利于准确判别和相应地处理。
5. 对于含氢量高的钢种延长回火时间,以避免产生白点或氢脆开裂的危险。
对于绝大多数大型锻件来说,防止白点是锻后热处理的首要任务,必须完成。
正火主要目的是细化晶粒。
将锻件加热到相变温度以上,形成单一奥氏体组织,经过一段均温时间稳定后,再出炉空冷。
正火时的加热速度为:在700℃以下应缓慢,以减少锻件中的内外温差和瞬时应力,最好在650~700℃之间加一个等温台阶;在700℃以上,尤其在Ac1(相变点)以上,应提高大型锻件的加热速度,争取获得更好一些的晶粒细化效果。
正火的温度范围通常在760~950℃之间,根据成分含量不同的相变点不同而定。
通常,碳与合金含量越低,正火温度越高,反之则越低。
有些特殊钢种可达1000~1150℃范围。
但不锈钢及有色金属的组织转变却是靠固溶处理来实现的。
应力及降低硬度,使锻件易于加工并不产生变形。
回火的温度范围有三种,即高温回火(500~660℃)、中温回火(350~490℃)和低温回火(150~250℃)。
常见的大锻件生产都采用高温回火方式。
回火一般紧跟在正火之后进行,当正火锻件空冷至220~300℃左右时,重新入炉加热、均温、保温,然后随炉冷至锻件表面250~350℃以下出炉即可。
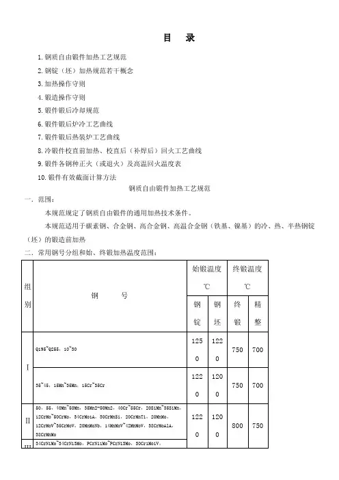
目录1.钢质自由锻件加热工艺规范2.钢锭(坯)加热规范若干概念3.加热操作守则4.锻造操作守则5.锻件锻后冷却规范6.锻件锻后炉冷工艺曲线7.锻件锻后热装炉工艺曲线8.冷锻件校直前加热、校直后(补焊后)回火工艺曲线9.锻件各钢种正火(或退火)及高温回火温度表10.锻件有效截面计算方法钢质自由锻件加热工艺规范一.范围:本规范规定了钢质自由锻件的通用加热技术条件。
本规范适用于碳素钢、合金钢、高合金钢、高温合金钢(铁基、镍基)的冷、热、半热钢锭(坯)的锻造前加热二.常用钢号分组和始、终锻加热温度范围:注1:始锻温度为锻前加热允许最高炉温,由于钢锭的铸态初生晶粒加热时过热倾向比同钢号钢坯小,故两者的锻前加热温度相差20℃~30℃;注2:根据产品的特性、锻件技术条件、变形量等因素,始锻温度可以适当调整;注3:本规范未列入的钢种,可按化学成分相近的钢号确定;注4:重要的、关键产品的、特殊材质的钢号,其加热工艺曲线由技术部编制;注5:几种不同的钢种,不同尺寸的钢锭(或坯料),在同一加热炉加热时,要以合金成分高的,尺寸大的钢锭(或坯料)为依据编制加热工艺曲线。
三.冷钢坯。
钢锭加热规范:钢锭(坯)加热规范若干概念1.钢锭(坯)入炉前的表面温度≥550℃的称为热钢锭,400~550℃的称为半热钢锭(坯),≤400℃的称为冷钢锭。
2.锻件半成品坯料的加热平均直径计算原则:δ -壁厚H- 高度或长度D- 外径1)实心圆类:当D>H时,按H计算;当D<H时,按D计算。
2)筒类锻坯:H>D 当H>δ时,按1.3δ计算。
3)空心盘(环)类:H<D当H>δ时,按δ计算;当H<δ时,按H计算。
3.为了避免锻件粗晶组织,最后一火的始锻温度可按其剩余锻造比(Y)确定:Y=1.3~1.6 最高加热温度1050℃Y<1.3 最高加热温度950℃4.不同钢种不同规格的坯料同炉加热时,装炉温度和升温速度均按较低的选用,保温时间按较长的选用。
水压机锻件锻造加热规范一表1是常用锻钢的锻造温度范围,表2是常用锻钢的分组。
对表1,表2 中未列入的钢种,按化学成份相近的钢号确定。
二表3是热锻钢锻造加热规范。
热锻钢是指表面温度》550'C的钢锭或钢坯。
对于温度在400至550E之间者,应先按下表规定均热后,再按热锻钢加热。
表面温度低于400C,截面大于1000mm的热锻钢,由车间技术组或现场值班人员临时制定专用加热曲线。
注:钢锭表面温度采用高温计或红外线测温仪测量。
测量部位在钢锭冒口线以下100mm左右的凹面上。
三、表4至衰6是各组冷锻钢锻造加热规范冷锻钢是指在常温下存放的钢锭或钢坯,对于放在露天跨的冷锻钢,冬季(当年11月至下年2月)入炉加热前,需先吊至车间内避风处放2至3天后再入炉加热。
I.表列升温时间是总加热时间组成部份(总加热时间=升温时间+保温时间)。
对于热锻钢加热,在保证总加热时间的前提下,升温时间可根据实际加热情况缩短,但保温时间则应相应增长。
2•当具备采用高温计(或红外线测温仪)测定料温的条件时,对于热锻钢加热的升温时间及冷锻钢加热经750C保温后的升温时间的确定,可按实际升温时间计。
实际升温时间是指从开始升温到采用高温计测定料温的确达到始锻温度止这一段加热时间。
保温时间仍按表列值要求。
3.采用“ WHF '法锻造时转子及与转子质量要求相当(主要是指超声波探伤要求)的重要锻件,保温时间按表列值的2 倍计,其余锻件按表列值的1.5 倍计,采用“ JTS”法锻造时保温时间均按表列值的1. 2倍计。
4•进行镦粗的I、U、川组钢,,保温时间应按表列值增加30% .对于压钳口工序,各组钢的保温时间均可按表列值减少30-40%。
5、热锻钢的再加热,返炉时其表面温度》1100C时,,保温时间可按表列值减少40—50%,若表面温度在1000-1100C时,保温时间可按表刮值减少30-40%。
当需要执行此规定时,锻坯返炉的表面温度,由车间现场值班人员和中间检查人员共同确认。
目录1.钢质自由锻件加热工艺规范2.钢锭(坯)加热规范若干概念3.加热操作守则4.锻造操作守则5.锻件锻后冷却规范6.锻件锻后炉冷工艺曲线7.锻件锻后热装炉工艺曲线8.冷锻件校直前加热、校直后(补焊后)回火工艺曲线9.锻件各钢种正火(或退火)及高温回火温度表10.锻件有效截面计算方法钢质自由锻件加热工艺规范一.范围:本规范规定了钢质自由锻件的通用加热技术条件。
本规范适用于碳素钢、合金钢、高合金钢、高温合金钢(铁基、镍基)的冷、热、半热钢锭(坯)的锻造前加热二.常用钢号分组和始、终锻加热温度范围:注1:始锻温度为锻前加热允许最高炉温,由于钢锭的铸态初生晶粒加热时过热倾向比同钢号钢坯小,故两者的锻前加热温度相差20℃~30℃;注2:根据产品的特性、锻件技术条件、变形量等因素,始锻温度可以适当调整;注3:本规范未列入的钢种,可按化学成分相近的钢号确定;注4:重要的、关键产品的、特殊材质的钢号,其加热工艺曲线由技术部编制;注5:几种不同的钢种,不同尺寸的钢锭(或坯料),在同一加热炉加热时,要以合金成分高的,尺寸大的钢锭(或坯料)为依据编制加热工艺曲线。
三.冷钢坯。
钢锭加热规范:钢锭(坯)加热规范若干概念1.钢锭(坯)入炉前的表面温度≥550℃的称为热钢锭,400~550℃的称为半热钢锭(坯),≤400℃的称为冷钢锭。
2.锻件半成品坯料的加热平均直径计算原则:δ -壁厚 H- 高度或长度 D- 外径1)实心圆类:当D>H时,按H计算;当D<H时,按D计算。
2)筒类锻坯:H>D 当H>δ时,按1.3δ计算。
3)空心盘(环)类:H<D当H>δ时,按δ计算;当H<δ时,按H计算。
3.为了避免锻件粗晶组织,最后一火的始锻温度可按其剩余锻造比(Y)确定:Y=1.3~1.6 最高加热温度1050℃Y<1.3 最高加热温度950℃4.不同钢种不同规格的坯料同炉加热时,装炉温度和升温速度均按较低的选用,保温时间按较长的选用。
锻件锻后冷却技术规范(锻工应知应会培训教材及工艺规定)锻造车间主任及全体锻工:锻件的锻后处置是影响其最终机械性能的重要环节。
均匀冷却的锻件会产生均匀的内部组织和均匀的机械性能,给下步热处理提供良好的先决条件。
好的锻件尤如生出一个又聪明、又健康、又漂亮的娃娃,后续的教育能够顺利培养其上大学深造。
否则,如果生出一个带有先天性体内和智力缺陷的孩子,那么后续的热处理工序是难以保证其考试及格、顺利上大学的。
一.常见锻件成形后的冷却方式1.高碳钢和高合金钢,为了防止表面开裂,需要锻后堆冷、炉冷、埋沙冷或炉前烘烤缓冷,然后及时进行热处理。
2.奥氏体不锈钢需要锻后立即入水。
目的是尽快保持住其现有晶粒尺寸,不要发生长大。
同时,也不希望有更多的内部组织或质点析出,然后再固溶处理。
3.所有其它常规的中低碳钢和中低合金钢锻件,锻后必须垫起空冷。
目的是使其冷却均匀、组织均匀和性能均匀,防止晶粒长大和出现混晶,便于书写标识。
黑色金属锻件入炉热处理前的表面温度不能小于50℃,防止出现白点。
二.常规中低碳钢、合金钢锻件的冷却要求1.大型锻件(通常重量大于500kg或平面尺寸大于300mm),一般都不允许直接放在地面上冷却,因为会产生上下两面冷却不均匀、组织性能不均匀。
2.对于常规大型锻件的锻后冷却,合理的方法有下列三种:①垫起空冷;②搭起空冷,比如搭在垫铁上或先前锻造的较冷锻件上;③摞放时上下层间要垫起,通常按10%高度计算,即1000mm截面要垫高100,2000mm垫高200等。
常见形状的锻件锻后冷却方式如附图所示。
以上规范望各班组认真学习,大锤班组要在沙坑改造后严格执行。
公司生产技术部、品保部2010.03.20附图锻后堆放示意图(避免局部着地、性能不匀)。
大型锻件的最终热处理大型锻件经粗加工进行的热处理称为最终热处理。
多采用淬火、正火及随后的高温回火等工艺,以达到技术条件所要求的性能,或为后续热处理过程准备良好的组织条件。
1 大锻件淬火、正火时的加热1.1 加热温度为使负偏析区在加热时达到淬火或正火温度,大锻件的淬火或正火温度应取规定温度的上限。
对于碳偏析比较严重的锻件,可根据不同锭节的实际化学成分,采用不同的加热温度。
大锻件用钢的淬火加热温度如表1 所示。
▼表1 常用大锻件用钢的淬火加热温度1.2 加热方式大锻件加热时,为了避免过大的热应力,应该控制装炉温度和加热速度。
截面大、合金元素含量高的重要锻件,多采用阶梯式加热。
即在但温装炉后按规定速度加热,在升温中间进行一次或两次中间保温。
有些锻件采用较低的加热速度而不进行中间保温。
只有截面尺寸较小、形状简单、原始残留应力较小的碳钢和低合金结构钢锻件,才允许高温装炉、不限制加热速度或在低温装炉后采用最大功率升温。
高温装炉直接加热时,锻件中不同部位的升温曲线,如图1 7-13所示。
可以看出,在这种情况下锻件表面与中心的最大温差很大,出现最大温差时工件心表部温度低于200℃, 钢仍处于冷硬状态,易因巨大的温差应力而产生内部裂纹。
▲图1 Φ800mm 40CrNi钢坯加热曲线(炉温950℃装炉)阶梯式加热时锻件中不同部位的升温曲线,如图2 所示。
可以看出,由于采取了中间保温,在加热中出现了两次最大温差。
第一个出现在心部温度为≈350℃时,数值仅为图1 7-13曲线的1/3。
出现第二个最大温差时,锻件心部温度已升高至≈700°C, 钢已处于塑性状态,无开裂危险。
当锻件尺寸很大时,加热中第一个最大温差的数值仍会较大,这时要在≈400°℃等温一段时间,待工件表面和心部都升至较高温度时再继续加热。
这样可以减小第一个最大温差的数值和使其在更高些的温度范围出现。
▲图2 Φ900mm 42CrMoV锻件加热曲线1.3 升温速度锻件在加热过程的低温阶段,升温速度要控制在30~70°C/h 。
车轮锻件热处理注意事项
一、大锻件加热时一定要缓慢,分段加热是必须的,奥化保温要充分,一般用台车炉干为主。
二、低碳低合金钢直接淬盐水,中碳合金结构钢以水油双液淬比较稳妥,在水停留的时间以有效厚度计算,一般技术资料书里都有。
三、新的水剂冷却介质适合形状简单、材料和产品单一的锻件,个人的意见是有条件的可以上,条件不具备的还是不上为妙。
四、务须了件大锻件的原始状态,检测其显微组织是必需的,尤其魏氏组织严重的必须用正确的工艺消除。
车轮锻件公司企业哪家好,推荐山西永鑫生锻造有限公司。
山西永鑫生锻造有限公司大量生产供应车轮锻件。
山西永鑫生锻造热处理技术全国知名。
大型锻件热处理基本知识大型锻件的热处理分为锻后热处理和性能热处理两种。
一.锻后热处理(一)锻后热处理的目的锻后热处理,又称为第一热处理或预备热处理,通常是紧接在锻造过程完成之后进行的,有正火、回火、退火、球化、固溶等几种形式。
其主要目的是:1.消除锻造应力,降低锻件的表面硬度,提高切削加工性能和防止变形。
2.对于不再进行调质处理的工件,应使锻件达到技术条件所要求的各种性能指标,如强度、硬度、韧性等。
这类工件大多属于碳钢或低合金钢锻件。
3.调整与改善大型锻件在锻造过程中所形成的过热与粗大组织,减少其内部化学成分与金相组织的不均匀性,细化晶粒。
4.提高锻件的超声波探伤性能,消除草状波,使锻件中其它内部缺陷能够清晰地显示出来,以利于准确判别和相应地处理。
5.对于含氢量高的钢种延长回火时间,以避免产生白点或氢脆开裂的危险。
对于绝大多数大型锻件来说,防止白点是锻后热处理的首要任务,必须完成。
(二)正火正火主要目的是细化晶粒。
将锻件加热到相变温度以上,形成单一奥氏体组织,经过一段均温时间稳定后,再出炉空冷。
正火时的加热速度为:在700℃以下应缓慢,以减少锻件中的内外温差和瞬时应力,最好在650~700℃之间加一个等温台阶;在700℃以上,尤其在Ac1(相变点)以上,应提高大型锻件的加热速度,争取获得更好一些的晶粒细化效果。
正火的温度范围通常在760~950℃之间,根据成分含量不同的相变点不同而定。
通常,碳与合金含量越低,正火温度越高,反之则越低。
有些特殊钢种可达1000~1150℃范围。
但不锈钢及有色金属的组织转变却是靠固溶处理来实现的。
正火后的空冷应尽量使锻件散开和垫起,以促进快速实现相变并冷却均匀,减少组织应力。
大型锻件正火后可以空冷至表面100~200℃,然后在220~300℃之间设一个台阶,保温一段时间再加热回火。
(三)回火回火的主要目的是扩氢。
并且还可以稳定相变后的组织结构,消除组织转变应力及降低硬度,使锻件易于加工并不产生变形。
目录1.钢质自由锻件加热工艺规范2.钢锭(坯)加热规范若干概念3.加热操作守则4.锻造操作守则5.锻件锻后冷却规范6.锻件锻后炉冷工艺曲线7.锻件锻后热装炉工艺曲线8.冷锻件校直前加热、校直后(补焊后)回火工艺曲线9.锻件各钢种正火(或退火)及高温回火温度表10.锻件有效截面计算方法钢质自由锻件加热工艺规范一.范围:本规范规定了钢质自由锻件的通用加热技术条件。
本规范适用于碳素钢、合金钢、高合金钢、高温合金钢(铁基、镍基)的冷、热、半热钢锭(坯)的锻造前加热二.常用钢号分组和始、终锻加热温度范围:组号钢别Q195~Q255, 10~30Ⅰ35~45,15Mn~35Mn ,15Cr~35Cr50,55,40Mn~50Mn ,35Mn2-50Mn2 ,40Cr~55Cr ,20SiMn~35SiMn ,12CrMo~50CrMo ,34CrMo1A ,30CrMnSi , 20CrMnTi ,20MnMo ,Ⅱ12CrMoV~35CrMoV , 20MnMoNb , 14MnMoV~42MnMoV,38CrMoAlA ,38CrMnMo34CrNiMo~34CrNi3Mo,PCrNi1Mo~PCrNi3Mo,30Cr1Mo1V,25Cr2Ni4MoV ,22Cr2Ni4MoV ,5CrNiMo ,5CrMnMo ,37SiMn2MoV 30Cr2MoV ,40CrNiMo ,18CrNiW ,50Si2~60Si2 ,65Mn ,50CrNiW ,50CrMnMo ,60CrMnMo ,60CrMnVT7~T10 , 9Cr,9Cr2, 9Cr2Mo , 9Cr2V ,9CrSi ,70Cr3Mo ,Ⅲ1Cr13~4Cr13 ,86Cr2MoV ,Cr5Mo , 17-4PH0Cr18Ni9~2Cr18Ni9 ,0Cr18Ni9Ti , Cr17Ni2 , F316LN50Mn18Cr4 , 50Mn18Cr4N , 50Mn18Cr4WN , 18Cr18Mn18NGCr15,GCr15SiMn , 3Cr2W8V ,CrWMo , 4CrW2Si~6CrW2SiCr12MoV1 , 4Cr5MoVSi(H11) , W18Cr4VGH80, GH901, GH904 ,GH4145 ,WR26 ,ⅣNiCr20TiAl , incone1600, incone1800始锻温度终锻温度℃℃钢锭钢坯终锻精整12501220750700 1220120075070012201200800750 12001180850800 120011808508001200 1180 850 800 1180 1160 950 900 1130 1100 930 930注 1:始锻温度为锻前加热允许最高炉温,由于钢锭的铸态初生晶粒加热时过热倾向比同钢号钢坯小,故两者的锻前加热温度相差 20℃~30℃;注 2:根据产品的特性、锻件技术条件、变形量等因素,始锻温度可以适当调整;注 3:本规范未列入的钢种,可按化学成分相近的钢号确定;注 4:重要的、关键产品的、特殊材质的钢号,其加热工艺曲线由技术部编制;注 5:几种不同的钢种,不同尺寸的钢锭(或坯料),在同一加热炉加热时,要以合金成分高的,尺寸大的钢锭(或坯料)为依据编制加热工艺曲线。
水压机锻件锻造加热规范一表1是常用锻钢的锻造温度范围,表2是常用锻钢的分组。
对表1,表2中未列入的钢种,按化学成份相近的钢号确定。
二表3是热锻钢锻造加热规范。
热锻钢是指表面温度≥550'C的钢锭或钢坯。
对于温度在400至550℃之间者,应先按下表规定均热后,再按热锻钢加热。
表面温度低于400℃,截面大于1000mm的热锻钢,由车间技术组或现场值班人员临时制定专用加热曲线。
注:钢锭表面温度采用高温计或红外线测温仪测量。
测量部位在钢锭冒口线以下100mm左右的凹面上。
三、表4至衰6是各组冷锻钢锻造加热规范冷锻钢是指在常温下存放的钢锭或钢坯,对于放在露天跨的冷锻钢,冬季(当年11月至下年2月)入炉加热前,需先吊至车间内避风处放2至3天后再入炉加热。
l. 表列升温时间是总加热时间组成部份(总加热时间=升温时间+保温时间)。
对于热锻钢加热,在保证总加热时间的前提下,升温时间可根据实际加热情况缩短,但保温时间则应相应增长。
2.当具备采用高温计(或红外线测温仪)测定料温的条件时,对于热锻钢加热的升温时间及冷锻钢加热经750℃保温后的升温时间的确定,可按实际升温时间计。
实际升温时间是指从开始升温到采用高温计测定料温的确达到始锻温度止这一段加热时间。
保温时间仍按表列值要求。
3. 采用“WHF’法锻造时转子及与转子质量要求相当(主要是指超声波探伤要求)的重要锻件,保温时间按表列值的2倍计,其余锻件按表列值的1.5倍计,采用“JTS”法锻造时保温时间均按表列值的1.2倍计。
4.进行镦粗的Ⅰ、Ⅱ、Ⅲ组钢,,保温时间应按表列值增加30%.对于压钳口工序,各组钢的保温时间均可按表列值减少30-40%。
5、热锻钢的再加热,返炉时其表面温度≥1100℃时,,保温时间可按表列值减少40—50%,若表面温度在1000-1100℃时,保温时间可按表刮值减少30-40%。
当需要执行此规定时,锻坯返炉的表面温度,由车间现场值班人员和中间检查人员共同确认。
锻件热处理工艺操作规程锻件热处理工艺操作规程一、前期准备:1. 准备工艺文件:根据锻件材料、尺寸和要求,编制热处理工艺文件,包括锻件的加热温度、保温时间、冷却方式等。
2. 准备设备:检查热处理设备的运行状态和性能,确保设备正常工作。
3. 准备材料:检查锻件的尺寸和质量,选择合适的热处理料、保护气氛和保护罩。
4. 安全措施:检查热处理设备的安全措施,包括液氮罐、电源线路、紧急停机按钮等。
二、加热处理:1. 加热设备:根据工艺文件要求,将锻件放入适当的加热设备,保证加热设备的温度和稳定性。
2. 加热温度:根据锻件材料和工艺文件要求,控制加热温度在合适的范围内,避免过高或过低。
3. 加热时间:根据工艺文件要求,控制加热时间,保证锻件完全加热到设定温度。
4. 保温时间:根据工艺文件要求,保持锻件在设定温度下的保温时间,保证锻件内部组织的均匀化和稳定化。
三、冷却处理:1. 冷却方式:根据工艺文件要求,选择合适的冷却方式,如水淬、油淬、盐渍淬等。
2. 冷却时间:根据工艺文件要求,控制冷却时间,保证锻件在冷却过程中的均匀冷却。
3. 冷却速率:根据工艺文件要求,控制冷却速率,避免过快或过慢引起组织不均匀或产生应力。
四、补偿措施:1. 处理后的锻件可能会出现尺寸和形状的变化,根据实际情况,采取合适的补偿措施,如修磨、再加工等。
2. 对于出现裂纹、变形等质量问题的锻件,及时采取相应的修复措施,保证产品质量。
五、记录和检验:1. 记录:对每一批锻件的热处理过程进行详细的记录,包括加热温度、保温时间、冷却方式、冷却时间等。
2. 检验:对处理后的锻件进行检验,包括金相组织观察、硬度测试、化学成分分析等,确保锻件达到设计和规范要求。
六、后期清理:1. 清理设备和工作场所:对加热设备、冷却设备和工作场所进行清理,清除杂物和残留物。
2. 存储锻件:对处理后的锻件进行妥善存放,防止锻件受潮、腐蚀或损坏。
以上是锻件热处理工艺操作规程的主要内容,通过合理的操作,可以保证锻件在热处理过程中获得良好的组织和性能,提高产品的质量和使用寿命。
锻造及锻后热处理工艺规范标准化管理部编码-[99968T-6889628-J68568-1689N]目录1.钢质自由锻件加热工艺规范2.钢锭(坯)加热规范若干概念3.加热操作守则4.锻造操作守则5.锻件锻后冷却规范6.锻件锻后炉冷工艺曲线7.锻件锻后热装炉工艺曲线8.冷锻件校直前加热、校直后(补焊后)回火工艺曲线9.锻件各钢种正火(或退火)及高温回火温度表10.锻件有效截面计算方法钢质自由锻件加热工艺规范一.范围:本规范规定了钢质自由锻件的通用加热技术条件。
本规范适用于碳素钢、合金钢、高合金钢、高温合金钢(铁基、镍基)的冷、热、半热钢锭(坯)的锻造前加热二.常用钢号分组和始、终锻加热温度范围:注1:始锻温度为锻前加热允许最高炉温,由于钢锭的铸态初生晶粒加热时过热倾向比同钢号钢坯小,故两者的锻前加热温度相差20℃~30℃;注2:根据产品的特性、锻件技术条件、变形量等因素,始锻温度可以适当调整;注3:本规范未列入的钢种,可按化学成分相近的钢号确定;注4:重要的、关键产品的、特殊材质的钢号,其加热工艺曲线由技术部编制;注5:几种不同的钢种,不同尺寸的钢锭(或坯料),在同一加热炉加热时,要以合金成分高的,尺寸大的钢锭(或坯料)为依据编制加热工艺曲线。
三.冷钢坯。
钢锭加热规范:钢锭(坯)加热规范若干概念1.钢锭(坯)入炉前的表面温度≥550℃的称为热钢锭,400~550℃的称为半热钢锭(坯),≤400℃的称为冷钢锭。
2.锻件半成品坯料的加热平均直径计算原则:δ -壁厚 H- 高度或长度 D- 外径1)实心圆类:当D>H时,按H计算;当D<H时,按D计算。
2)筒类锻坯:H>D 当H>δ时,按δ计算。
3)空心盘(环)类:H<D当H>δ时,按δ计算;当H<δ时,按H计算。
3.为了避免锻件粗晶组织,最后一火的始锻温度可按其剩余锻造比(Y)确定:Y=~ 最高加热温度1050℃Y< 最高加热温度950℃4.不同钢种不同规格的坯料同炉加热时,装炉温度和升温速度均按较低的选用,保温时间按较长的选用。
40cr锻件热处理工艺
40Cr锻件热处理工艺是一项重要的工程技术,旨在通过控制物料的结构和性能,提高其强度和耐磨性。
这种工艺对于许多机械制造领域都具有重要意义,包括航空航天、汽车、机械工程等。
热处理是通过加热和冷却的过程来改变40Cr锻件的晶体结构和性能。
首先,锻件会被加热到特定的温度,以消除内部应力和改变晶体结构。
然后,通过冷却过程来固定新的晶体结构,以增强锻件的强度和硬度。
在40Cr锻件热处理工艺中,温度和冷却速率是关键因素。
根据锻件的具体要求,可以选择不同的温度和冷却速率。
例如,淬火是一种快速冷却的方法,可以产生高硬度和强度。
而回火则是一种较慢的冷却方法,可以减少脆性并提高韧性。
除了温度和冷却速率,热处理工艺还需要考虑锻件的尺寸和形状。
较大的锻件需要更长的加热和冷却时间,以确保整个锻件达到所需的温度。
同时,形状复杂的锻件可能需要采用局部加热和冷却的方法,以保证整个锻件的均匀性。
40Cr锻件热处理工艺的成功与否,往往取决于对温度、冷却速率和锻件特性的准确把握。
只有在合适的温度和冷却速率下,锻件才能达到理想的结构和性能。
因此,在进行热处理前,需要进行严密的实验和测试,以确定最佳的工艺参数。
40Cr锻件热处理工艺在提高锻件强度和耐磨性方面具有重要作用。
通过合理的温度和冷却速率控制,可以改变锻件的晶体结构,使其具有更好的性能。
然而,热处理工艺的成功需要准确的实验和测试,以确保最佳的工艺参数。
只有这样,我们才能生产出高质量的40Cr 锻件,满足各种工程需求。
30cr2ni2mo钢大型环类锻件的热处理工艺研究钢件的热处理工艺是在其加工完成后,通过物理或化学方法对钢件进行加热或冷却处理,以改变其组织结构和性能,达到预期的材料性能。
30Cr2Ni2Mo钢是一种高强度和高韧性的合金钢,适用于制造大型环类锻件。
下面是30Cr2Ni2Mo钢大型环类锻件的热处理工艺研究:1. 回火处理:30Cr2Ni2Mo钢锻件在进行精整后,先进行回火处理。
回火是将钢件加热至适当温度(通常在500℃-700℃之间),保持一定时间后冷却。
回火可以消除锻造过程中的残余应力,提高钢件的韧性和塑性。
2. 淬火处理:在进行回火处理后,对30Cr2Ni2Mo钢大型环类锻件进行淬火处理。
淬火是将钢件加热至临界温度(通常为800℃-900℃),然后迅速冷却至室温。
淬火可以使钢件的组织变为马氏体,提高钢件的硬度和强度。
3. 低温回火处理:淬火后的30Cr2Ni2Mo钢大型环类锻件可能会存在残余应力和脆性。
为了消除这些问题,可进行低温回火处理。
低温回火是将钢件加热至低于回火温度的温度(一般在150℃-300℃之间),保持一定时间后冷却。
低温回火可以降低钢件的硬度,提高其韧性。
4. 时效处理:30Cr2Ni2Mo钢大型环类锻件在经过回火和淬火处理后,还可以进行时效处理。
时效处理是将钢件在一定温度下保持一段时间,以调整其组织结构和性能。
时效处理可以进一步提高钢件的强度和耐久性。
根据具体的工艺需求和钢件设计要求,以上热处理工艺可以进行适当的组合和调整,以达到最佳的性能和效果。
在进行热处理时,应注意加热温度、保温时间和冷却方式的控制,以确保钢件的质量和性能。
同时,热处理后的钢件还应进行适当的检测和试验,以验证其性能和质量。
大型锻件锻后热处理基本要求
一.锻后热处理的目的
锻后热处理,又称为第一热处理或预备热处理,通常是紧接在锻造过程完成之后进行的,有正火、回火、退火、球化、固溶等几种形式。
其主要目的是:
1.消除锻造应力,降低锻件的表面硬度,提高切削加工性能和防止变形。
2.对于不再进行调质处理的工件,应使锻件达到技术条件所要求的各种性
能指标,如强度、硬度、韧性等。
这类工件大多属于碳钢或低合金钢。
3.调整与改善大型锻件在锻造过程中所形成的过热与粗大组织,减少其内
部化学成分与金相组织的不均匀性,细化晶粒。
4.提高锻件的超声波探伤性能,消除草状波,使锻件中其它内部缺陷能够
清晰地显示出来,以利于准确判别和相应地处理。
5.对于含氢量高的钢种延长回火时间,以避免产生白点或氢脆开裂的危险。
对于绝大多数大型锻件来说,防止白点是锻后热处理的首要任务,必须
完成。
二.正火
正火主要目的是细化晶粒。
将锻件加热到相变温度以上,形成单一奥氏体组织,经过一段均温时间稳定后,再出炉空冷。
正火时的加热速度为:在700℃以下应缓慢,以减少锻件中的内外温差和瞬时应力,最好在650~700℃之间加一个等温台阶;在700℃以上,尤其在Ac1(相变点)以上,应提高大型锻件的加热速度,争取获得更好一些的晶粒细化效果。
正火的温度范围通常在760~950℃之间,根据成分含量不同的相变点不同而定。
通常,碳与合金含量越低,正火温度越高,反之则越低。
有些特殊钢种可达1000~1150℃范围。
但不锈钢及有色金属的组织转变却是靠固溶处理来实现的。
三.回火
回火的主要目的是扩氢。
并且还可以稳定相变后的组织结构,消除组织转变应力及降低硬度,使锻件易于加工并不产生变形。
回火的温度范围有三种,即高温回火(500~660℃)、中温回火(350~490℃)和低温回火(150~250℃)。
常见的大锻件生产都采用高温回火方式。
回火一般紧跟在正火之后进行,当正火锻件空冷至220~300℃左右时,重新入炉加热、均温、保温,然后随炉冷至锻件表面250~350℃以下出炉即可。
回火后的冷却速度应足够缓慢,以防在冷却过程中因瞬时应力过大而产生白点,并尽量减少锻件中的残余应力。
通常将冷却过程分为两个阶段:在400℃以上,因钢处于塑性较好、脆性较低的温度范围,冷速可稍快一点;在400℃以下,因钢已进入冷硬和脆性较大的温度范围,为了避免开裂和减少瞬时应力,应采取更为缓慢的冷却速度。
对于白点和氢脆较敏感的钢,需要根据氢当量和锻件有效截面尺寸大小,确定延长回火时间扩氢,以便将钢中的氢扩散溢出,使其降低到安全的数值范围。
四.退火
退火的温度包括了正火和回火的整个范围(150~950℃),采用炉冷的方式,做法与回火差不多。
加热温度在相变点以上(正火温度)的退火叫完全退火。
没有发生相变的退火叫不完全退火。
退火的主要目的是为了消除应力和稳定组织结构,包括冷变形后的高温退火和焊接后的低温退火等等。
正火+回火是比单纯退火更高级的手段,因为相变充分、组织转变充分,并且有恒温扩氢的过程。
公司技术部2012.12.13。