板料折弯机液压传动系统设计
- 格式:doc
- 大小:783.50 KB
- 文档页数:24
第1 章任务分析1.1技术要求设计制造一台立式板料折弯机,该机压头的上下运动用液压传动,其工作循环为:快速下降、慢速加压(折弯)、快速退回。
给定条件为:折弯力1000000N滑块重量15000N快速下降速度23mm/s慢速加压(折弯)速度12mm/s快速上升速度53mm/s快速下降行程180mm慢速加压(折弯)行程20mm快速上升行程200mm1.2任务分析根据滑块重量为15000N,为了防止滑块受重力下滑,可用液压方式平衡滑块重量,滑块导轨的摩擦力可以忽略不计。
设计液压缸的启动、制动时间为△t=0.2s。
折弯机滑块上下为直线往复运动,且行程较小(200mm),故可选单杆液压缸作执行器,且液压缸的机械效率ηcm=0.91。
因为板料折弯机的工作循环为快速下降、慢速加压(折弯)、快速回程三个阶段。
各个阶段的转换由一个三位四通的电液换向阀控制。
当电液换向阀工作在左位时实现快速回程。
中位时实现液压泵的卸荷,工作在右位时实现液压泵的快速和工进。
其工进速度由一个调速阀来控制。
快进和工进之间的转换由行程开关控制。
折弯机快速下降时,要求其速度较快,减少空行程时间,液压泵采用全压式供油。
其活塞运动行程由一个行程阀来控制。
当活塞以恒定的速度移动到一定位置时,行程阀接受到信号,并产生动作,实现由快进到工进的转换。
当活塞移动到终止阶段时,压力继电器接受到信号,使电液换向阀换向。
由于折弯机压力比较大,所以此时进油腔的压力比较大,所以在由工进到快速回程阶段须要一个预先卸压回路,以防在高压冲击液压元件,并可使油路卸荷平稳。
所以在快速回程的油路上可设计一个预先卸压回路,回路的卸荷快慢用一个节流阀来调节,此时换向阀处于中位。
当卸压到一定压力大小时,换向阀再换到左位,实现平稳卸荷。
为了对油路压力进行监控,在液压泵出口安装一个压力表和溢流阀,同时也对系统起过载保护作用。
因为滑块受自身重力作用,滑快要产生下滑运动。
所以油路要设计一个液控单向阀,以构成一个平衡回路,产生一定大小的背压力,同时也使工进过程平稳。
二、设计性能要求欲设计制造一台立式板料折弯机,其滑块(压头)的上下运动拟采用液压传动,要求通过电液控制实现的工作循环为:1.自动实现空载下降--慢速下压折弯--快速退回的工作过程。
2.压头下降时速度均匀。
已知:折弯力1000F KN =;滑块重力G=15KN,快速空载下降的速度123/v mm s =,慢速下压折弯的速度212/v mm s =,快速退回的速度353/v mm s =;快速空载下降行程1180L mm =,慢速下压折弯的行程220L mm =,快速退回的行程3200L mm =;启动、制动时间均为0.2t s ∆=。
要求用液压方式平衡滑块重量,以防自重下滑;压头导轨上的摩擦力可以忽略不计。
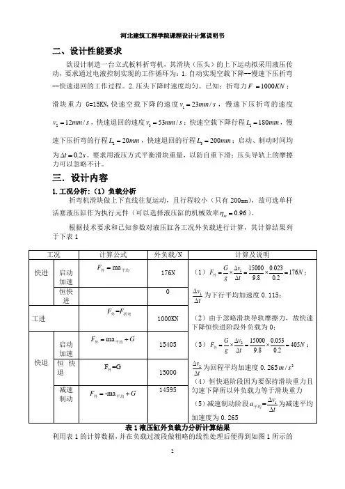
三.设计内容1.工况分析:(1)负载分析折弯机滑块做上下直线往复运动,且行程较小(只有200mm ),故可选单杆活塞液压缸作为执行元件(可以选择液压缸的机械效率0.96m η=)。
根据技术要求和已知参数对液压缸各工况外负载进行计算,其计算结果列于下表1利用表1的计算数据,并在负载过渡段做粗略的线性处理后便得到如图1所示的折弯机液压缸负载循环图。
图1折弯机液压缸负载循环图(2)运动分析:根据已知参数,各个工况持续时间近似计算结果见表2表2折弯机各工况情况利用表2中的计算数据,并在速度过渡段做粗略的线性处理后便得到如图2所示的折弯机液压缸速度循环图。
图2 折弯机液压缸速度循环图2.确定液压缸参数根据文献1表8—7表8-6,预选液压缸的设计压力1P =24Mpa 。
将液压缸的无杆腔作为主工作腔,考虑到液压缸下行时,滑块自重采用液压式平衡,则可计算出液压缸无杆腔的有效面积。
21611000KN 0.0430.962410mF A m P η===⨯⨯⨯外 液压缸内径0.234234D m mm ====按GB/T2348—1993,取标准值D=250mm=25cm 。
根据快速下行和快速上升的速度比确定活塞杆直径d2322153 2.323V D V D d ===- 0.7520.752250187.95d D mm ==⨯=,取标准值d=180mm 。
题目:板料折弯机液压系统设计设计一台板料折弯机液压系统。
该机压头的上、下运动用液压传动,其工作循环为快速下降、慢速下压(折弯)、快速返回。
给定的条件为:折弯力 ;6101.1⨯ N 滑块重量 4102.1⨯ N ;快速空载下降 行程 180mm 速度(1v ) 23/mm s ; 工作下压(折弯) 行程 20mm 速度(2v ) 12/mm s ; 快速回程 行程 200mm 速度(3v ) 53/mm s 液压缸采用V 型密封圈,其机械效率91.0=cm n ,启动、制动、增速、减速时间均为0.2s 。
要求拟定液压系统原理图,计算选择液压元件并对系统性能进行验算。
(注:折板时压头上的工作负载可分为两个阶段。
第一阶段负载力缓慢增加,达到最大折弯力的5%左右,其行程为15mm 。
第二阶段负载力急剧上升到最大折弯力,其上升规律近似于线性。
) 主要内容:1、液压系统设计要求工况分析2、负载与运动分析3、确定液压系统主要参数4、拟定液压系统原理图目录摘要1 任务分析1.1技术要求1.2任务分析2 方案的确定2.1运动情况分析3 负载与运动分析4 负载图和速度图的绘制5 液压缸主要参数的确定6 系统液压图的拟定7 压元件的选择7.1 液压泵的选择7.2 阀类元件及辅助元件7.3 油管元件7.4 油箱的容积计算7.5 油箱的长宽高确7.6 油箱地面倾斜度7.7 吸油管和过滤器之间管接头的选择7.8 过滤器的选取7.9 堵塞的选取7.10空气过滤器的选取7.11液位/温度计的选取8 液压系统性能的运算8.1 压力损失和调定压力的确定8.1.1沿程压力损失8.1.2局部压力损失8.1.3压力阀的调定值计算8.2 油液温升的计算8.2.1 快进时液压系统的发热量8.2.2 快退时液压缸的发热量8.2.3 压制时液压缸的发热量8.3油箱的设计8.3.1系统发热量的计算8.3.2 散热量的计算9 参考文献1 任务分析1.1技术要求设计制造一台立式板料折弯机,该机压头的上下运动用液压传动,其工作循环为:快速下降、慢速加压(折弯)、快速退回。
设计题目: WE67K‐500/4000液压板料折弯机目 录一、 设计的意义 (2)二、 设计计算步骤 (6)三、 使用说明 (24)四、 设计收获与体会 (43)五、 参考文献 (44)一、 设计的意义板料折弯机是一种使用最广泛的板料弯曲设备,用最简单的通用模具对板料进行各种角度的直线弯曲,操作简单,通用性好,模具成本低,更换方便,机器本身只有一个 基本运动---上下往复直线运动。
凡是大量使用金属板料的部门,大都需要使用折弯机。
因此折弯机的品种规格繁 多,结构形式多样,功能不断增加,精度日益提高,已经发展成为一种精密的金属成形 机床。
本次所需设计折弯机,用户是电力机车厂车箱分厂,用户本身已有多台板料折弯 机,有机械式,也有液压式,都是普通电气控制。
现用户为提高产品精度和工作效率, 扩大加工能力,要求定购在4m宽度能折弯20mm厚度板料的折弯机,所加工产品精度要 高过国家标准一级,加工过程半自动化(工作人员只需踩按开关就能加工出所需工件)。
根据用户的具体要求,计划设计 WE67K500/4000数控电液同步折弯机。
折弯机的传动形式有气动、液压和机械三种。
气动折弯机一般应用于小吨位。
对 于本机来说已不适合。
机械板料折弯机是由机械压力机演变而成的,基本结构特征与机 械压力机相同,采用曲柄连杆机构、离合器和制动器,通过飞轮释放能量产生折弯压力。
机械折弯机的优点是滑动与工作台平行精度高,能承受偏载,比较适合冲孔工序。
机械 折弯机的缺点是:1)行程和速度都是固定的,不能调整;2)压力不能控制,在滑块下 行程中从曲轴转角的最后15度~20度开始到行程下死点之间,才能达到额定压力,而在 行程的中间位置,有效压力只有额定压力的 65%左右;3)机器结构布局灵活性差,难 以实现数控化和半自动化操作。
由于以上分析, 机械式折弯机也不适合本机的设计要求。
随着液压折弯机的发展,机械式折弯机的这些优点已不明显,液压折弯机的平行 精度更高,也更能承受偏载,并能进行冲孔。
另有设计图纸cad.proe.Qq275673028.一、设计一台板料折弯机的液压系统。
该机压头的上下运动用液压传动,其工作循环为快速下降、慢速下压(折弯)、快速退回。
给定条件为:折弯力 107.16⨯N滑块重量 109.14⨯N快速空降下降 行程 170mm速度 (v 1) s m m 23工作压力(折弯) 行程 30mm速度 (v 2) s m m 12快速回程 行程 200mm速度 (v 3) s m m 53液压缸采用V 密封圈,其机械效率。
要求拟定液压系统图,计算和选择液压元件。
二、分析工况工况分析主要是指对液压执行元件的工作情况的分析,分析的目的三是了解在工作过程中执行元件的速度、负载的变化的规律,并将此规律用曲线形式表现出来,作为拟定液压系统方案确定系统主要参数(压力和流量)的依据。
若液压执行元件动作比较简单,也可以不作图,只需要找出最大负载和最大的速度即可。
1.运动分析按照设备的工艺要求,把所研究的执行元件在完成一个工作循环时的运动规律用图表示出来,即速度图。
由题目可以知道根据给定条件,空载快速下降行程170mm ,速度为smm 23,折弯行程30mm ,在开始15mm 内等速运动,速度为s mm 12,最后5mm 内速度均匀地减至为0,回程以s mm 53的速度上升。
利用以上的数据即可以画出速度循环图,见附图1—1a附图1—1a2. 负载分析折弯机的液压缸和压头垂直放置,其重量较大,为防止因自重而自行下滑,系统中应没有平衡回路,因此在对压头向下运动作负载分析时,压头自重所产生的向下作用力不再计入。
另外,为了简化问题,并且压头导轨上的摩擦力对整体影响较小,可忽略不计。
液压缸驱动执行机构进行直线往复运动时,所受到的外负载为:F F F F a f L ++=(1)工作负载F L 工作负载与设备的工作情况有关,对于折弯机来说所移动的滑块的重量就是工作负载,工作负载可以是定量,也可以是变量,可以是正值,也可以是负值,有时还可能是交变的。
板料折弯机液压系统1.1.1 折弯机简介折弯机在折弯金属板料薄板的作用中有较高的效率还有折弯精度。
折弯机采用的机构是钢板连接,这种机构具有较好的的刚度还和强度,液压传动中要保证工作运行中不至于因为板料的下模V形槽的选择不适或者是厚度的变化而引起超载事故。
折弯机是指折弯专用机械(弯曲半径极小,一般小于R10) [1]。
另外本机器工作运作中,操作起来比较便捷,具有点动、单次行程的功用,并且平稳安全可靠,能够保压,用户只须要准备好不同的模具,就能将金属板料或者薄板折弯成满足不同要求形状的工件,当配备相应的配件后,并且应用范围广,可用于飞机、造船、汽车、机械及轻工业等等。
折弯机的主要零件都是由钢板或者是锻钢焊接制造而成的,这种材料具有强度高,刚性好的效果,而且性能也相对可靠。
目前,中型或者小型吨位的折弯机大多是扭轴,它使两油缸同时运行。
油缸机架、柱塞与滑块都采用的刚性固连,这种方式在运动过程中柱塞受到一定约束。
由于存在一定的加工误差,也可能造成密封圈挤向一边造成油的泄漏[2]。
由油箱、左右立柱、内撑挡等组成的框形结构,工作台联接于立柱的下方。
滑块是用一块钢板制造而成的,并连接于左右气缸中的活塞杆。
左右两列分别固定有两个平行的圆柱体。
活塞的上下移动是通过液压驱动带动滑块的形成的。
同步方法采用的是电液伺服同步法。
由数控系统控制运行的,两个同步流有自动调整的功能,用来保证滑块运行的同步精度。
检测滑块的位置的工具是光栅尺,引导滑块运行的装置是导轨。
在工作台的右侧,由蜗杆减速器,制动电机,螺母,斜垫,弧形块和拉杆组成,垫块可以向左偏移40mm,工作台的最大加凸量是20mm。
电动机安装在油箱的上部,油泵安装在油箱的内部,泵组的位置在油箱上部,左右油缸的顶面上安装两个同步块。
采用的冲洗阀结构,可以确保快速降下滑块时油缸中有足够的油,这种结构提高了滑块行程速度并且能节省能源。
5前托料架、后挡料前托料架是由手动调节。
后置仪表位置通过电动机,齿轮,皮带,编码器和向后和仪表架向前移动。
目录1 绪论 (1)1.1 引言 (1)1.2 板料折弯冲剪机发展概况 (1)1.3 本课题研究的意义、目的及内容 (2)1.4 所属领域的发展状况 (3)2 设计过程 (4)2.1 确定对液压系统的工作要求 (4)2.2 拟定液压系统工作原理图 (4)2.2.1 板料折弯冲剪机液压系统原理图 (4)2.2.2 板料折弯冲剪机各机构动作执行及回油路分析 (6)3 进行工况分析 (8)3.1 载荷的组成 (8)3.2 惯性阻力的计算 (8)3.3 各机构的负载计算 (9)3.3.1 推料机构的负载计算 (9)3.3.2 顶压板料机构的负载计算 (9)3.3.3 折弯机构的负载计算 (9)3.3.4 冲剪机构负载计算 (9)3.4 速度 (10)3.5 绘制负载与速度图 (10)3.5.1 负载﹙F﹚与时间﹙T﹚的关系图 (10)3.5.2 速度﹙V﹚与时间﹙T﹚的关系图 (12)3.6 绘制液压系统的工况图 (14)4 确定系统的主要参数 (16)4.1 确定工作压力和背压力 (16)4.2 推料机构液压缸的参数计算 (16)4.2.1 推料机构液压缸的内径1D的计算 (16)4.2.2 推料缸活塞杆直径1d的计算 (17)4.3 夹紧机构液压缸的参数计算 (18)4.3.1 夹紧机构液压缸的内径2D的计算 (18)4.3.2 夹紧缸活塞杆直径2d的计算 (19)4.4 折弯机构液压缸的参数 (20)4.4.1 折弯机构液压缸的内径3D的计算 (20)4.4.2折弯缸活塞杆直径3d的计算 (20)4.5 冲剪机构液压缸的参数计算 (21)4.5.1 冲剪机构液压缸的内径4D的计算 (21)4.5.2 冲剪缸活塞杆直径4d的计算 (22)4.6 各机构中各液压缸的外径、缸壁厚度、油口直径的计算 (23)5 液压元件的选择 (25)5.1液压泵参数计算 (25)5.2 电动机的选择 (25)5.3 其他元件 (26)5.4 油管的选择 (26)5.4.1管道内径的计算 (26)5.4.2 壁厚 的计算 (26)5.5 油箱容积的确定 (27)5.6 蓄能器的选择 (28)5.7 执行元件的选择 (28)参考文献 (29)1 绪论1.1 引言传统机械切削加工方法包括车削、铣削、刨削、磨削、铿削、插削、钻削、冲削、锯切、剪切、锉削、刮削、攻丝和套扣等常用工艺,它们基本上是通过单台设备来完成一种切削加工方法。
唐 山 学 院毕 业 设 计设计题目:多功能棒料折弯机液压系统设计系 别:_________________________班 级:_________________________姓 名:_________________________指 导 教 师:_________________________2009年5月18 日魏雪丽 陈志行 06液压02班 机电工程系折弯机液压系统设计摘要折弯机属于锻压机械中的一种,主要作用就是金属加工行业。
产品广泛适用于:轻工、航空、船舶、电器、不锈钢制品、钢结构建筑及装潢行业。
液压传动系统采用压力补偿型柱塞泵供油,回油节流调速,能量利用合理,立式液压缸设有平衡和锁紧措施,工作安全可靠;同时以液压缸作为执行元件,夹紧力大,折弯动力也大,系统进行棒料折弯时工作性能好。
这次对棒料折弯系统、液压泵站等液压系统进行了回路设计,并对泵站的结构、布局以及一些非标准零件进行了设计,在设计过程中,力求结构紧凑,布局合理,制造简单。
关键词:液压折弯机系统设计柱塞泵锁紧立式液压缸the Design of Folding Machine HydraulicSystemAbstractThe folding machine belongs to a kind of forging Machinery.It is a major role in the metal processing industry. Products are widely applied to: light industry, aviation, shipping, metallurgy, instruments, electrical appliances, stainless steel products, steel structure construction and decoration industries.Hydraulic system uses piston pump of pressure compensation to supply oil, the oil return throttle control, rational use of energy. Vertical hydraulic cylinder uses balance and locking measures, so it works safly and reliablely. At the same time hydraulic cylinders as the implementation of components haves great clamping force and shear force . When system shear plate material ,its performance is goodThe design of the press pinched systems, sheet metal shear system and hydraulic pump stations system have the circuit design and structure of the pumping station, layout and some non-standard components design. In the design process , it achieves structure compact and layout rational and manufacture simple.Key words:hydraulic folding machine; the design of system; piston pump;locking;vertical hydraulic cylinder目录1.前言 (6)2.绪论 (7)2.1液压技术概况 (7)2.2本课题主要研究内容 (7)2.3设计步骤 (7)3.液压系统的工作要求 (10)3.1液压系统的组成 (10)3.2液压折弯机的工作原理 (10)3.3折弯机的技术要求 (10)3.4液压系统参数计算 (11)4拟订液压系统图 (16)4.1确定液压系统方案 (16)4.2绘制液压系统图 (17)4.3液压元件的计算和选择 (18)4.3.1确定液压泵的压力、流量和选择泵的规格 (18)4.3.2确定管道尺寸 (19)4.4液压系统性能验算及确定压力阀调整值 (20)4.4.1验算压力损失 (20)4.4.2确定压力阀的调整值 (21)5液压缸的设计 (21)5.1液压缸主要尺寸的确定 (21)5.2液压缸的结构设计 (23)6液压站的设计 (26)6.1液压站简介 (26)6.2油箱设计 (27)6.2.1油箱有效容积的确定 (27)6.2.2油箱的结构设计 (28)6.2.3油箱的结构: (30)6.3液压站的结构设计 (31)6.3.1液压泵的安装方式 (31)6.3.2液压泵与电动机的连接 (31)6.4辅助元件 (32)6.4.1滤油器 (32)6.4.2液压油 (32)6.4.3液压控制装置的集成 (33)6.5绘制装配图 (34)6.6液压系统清洗、使用与维护 (34)6.6.1清洗液压系统 (34)6.6.2系统的使用和维护 (35)7.结论 (36)谢辞 (37)参考文献 (38)外文资料 (39)译文 (4544)毕业设计是我们在学完大学全部课程及进行完生产实习和《机械设计制造》、《液压元件与系统》、《液压传动》等多门课程设计之后进行的,它是对我们大学三年学习的一次深入的综合性考察,也是我们步入社会所要从事工作的提前预测,同时还是我们将在校期间所学到的理论基础知识运用到实践中去解决问题的一次很好的锻炼。
折弯机液压系统设计摘要:本文对折弯机液压系统的设计进行了分析和探讨。
首先介绍了折弯机液压系统的基本原理和工作流程,然后详细讨论了各个液压元件的选择和设计参数的计算,最后给出了一个折弯机液压系统的设计示例。
通过本文的研究,可以为折弯机的液压系统设计提供一定的参考。
关键词:折弯机,液压系统,设计,液压元件1.引言折弯机是一种常见的金属加工设备,广泛应用于汽车、航空、电子、机床等行业。
折弯机的液压系统是实现机械运动的重要部分,它主要负责提供液压能量以及控制机械元件的移动。
本文对折弯机液压系统的设计进行了全面的研究。
2.折弯机液压系统的基本原理液压泵负责将机械能转化为液压能,它通过驱动活塞的运动将液体压力升高。
液压缸是系统的执行机构,它通过气体的压缩和膨胀实现机械部件的运动。
液压阀负责控制液压系统的流量和压力,以实现对机械运动的精确控制。
油液是液压系统的媒介,它在液压泵的作用下,通过液压管道传递能量和信号。
3.液压元件的选择和设计参数的计算3.1液压泵的选择液压泵是液压系统的核心部件,其选择应根据折弯机的工作要求和性能参数来确定。
常用的液压泵有齿轮泵、齿轮泵、叶片泵等。
应根据工作压力、流量和效率等要求进行选择。
3.2液压缸的选择液压缸是实现机械运动的主要执行元件,其选择应满足工作压力、行程和承载能力等要求。
应根据折弯机的工作情况和折弯的需求确定液压缸的规格和型号。
3.3液压阀的选择液压阀主要负责控制液压系统的流量和压力,以实现对机械运动的控制。
根据液压系统的工作要求和工作方式,选择适当的液压阀,如单向阀、调压阀、溢流阀等。
3.4油液的选用油液是液压系统的传动介质,其选用应满足润滑性能、耐磨性能和工作温度等要求。
常用的液压油有矿物油、合成油和生物油等。
应根据液压系统的工作条件和要求进行选择。
4.折弯机液压系统的设计示例根据上述设计参数和要求,设计一个折弯机液压系统的示例。
该折弯机的工作压力为20MPa,工作流量为30L/min,活塞直径为100mm,活塞行程为150mm,液压缸的承载能力为5t。
摘要立式板料折弯机是机械、电气、液压三者紧密联系,结合的一个综合体。
液压传动与机械传动、电气传动并列为三大传统形式,液压传动系统的设计在现代机械的设计工作中占有重要的地位。
因此,《液压传动》课程是工科机械类各专业都开设的一门重要课程。
它既是一门理论课,也与生产实际有着密切的联系。
为了学好这样一门重要课程,除了在教学中系统讲授以外,还应设置课程设计教学环节,使学生理论联系实际,掌握液压传动系统设计的技能和方法。
液压传动课程设计的目的主要有以下几点:1、综合运用液压传动课程及其他有关先修课程的理论知识和生产实际只是,进行液压传动设计实践,是理论知识和生产实践机密结合起来,从而使这些知识得到进一步的巩固、加深提高和扩展。
2、在设计实践中学习和掌握通用液压元件,尤其是各类标准元件的选用原则和回路的组合方法,培养设计技能,提高学生分析和嫁接生产实际问题的能力,为今后的设计工作打下良好的基础。
3、通过设计,学生应在计算、绘图、运用和熟悉设计资料(包括设计手册、产品样本、标准和规范)以及进行估算方面得到实际训练。
关键词板料折弯机,液压传动系统,液压传动课程设计。
目录摘要1任务分析 (1)1.1 技术要求 (1)1.2 任务分析 (1)2 方案的确定 (2)2.1运动情况分析 (2)2.1.1变压式节流调速回路 (2)2.1.2容积调速回路 (2)3 负载与运动分析 (3)4 负载图和速度图的绘制 (4)5 液压缸主要参数的确定 (4)6系统液压图的拟定 (6)7 液压元件的选择 (8)7.1 液压泵的选择 (8)7.2 阀类元件及辅助元件 (8)7.3 油管元件 (9)7.4油箱的容积计算 (10)7.5油箱的长宽高确 (10)7.6油箱地面倾斜度 (11)7.7吸油管和过滤器之间管接头的选择 (11)7.8过滤器的选取 (11)7.9堵塞的选取 (11)7.10空气过滤器的选取 (12)7.11液位/温度计的选取 (12)8 液压系统性能的运算 (13)8.1 压力损失和调定压力的确定 (13)8.1.1沿程压力损失 (13)8.1.2局部压力损失 (13)8.1.3压力阀的调定值计算 (14)8.2 油液温升的计算 (14)8.2.1快进时液压系统的发热量 (14)8.2.2 快退时液压缸的发热量 (14)8.2.3压制时液压缸的发热量 (14)8.3油箱的设计 (15)8.3.1系统发热量的计算 (15)8.3.2 散热量的计算 (15)9 参考文献 (17)致谢 (18)1 任务分析1.1技术要求设计制造一台立式板料折弯机,该机压头的上下运动用液压传动,其工作循环为:快速下降、慢速加压(折弯)、快速退回。
给定条件为:折弯力 61.910N ⨯滑块重量 42.310N ⨯快速空载下降 行程 210mm速度(1v ) 23/mm s慢速下压(折弯) 行程 30mm速度(2v ) 12/mm s快速回程 行程 240mm速度(3v ) 52/mm s1.2任务分析根据滑块重量为42.310N ⨯,为了防止滑块受重力下滑,可用液压方式平衡滑块重量,滑块导轨的摩擦力可以忽略不计。
设计液压缸的启动、制动时间为0.2t s =。
折弯机滑块上下为直线往复运动,且行程较小(240mm ),故可选单杆液压缸作执行器,且液压缸的机械效率0.91cm η=。
因为板料折弯机的工作循环为快速下降、慢速加压(折弯)、快速回程三个阶段。
各个阶段的转换由一个三位四通的电液换向阀控制。
当电液换向阀工作在左位时实现快速回程。
中位时实现液压泵的卸荷,工作在右位时实现液压泵的快速和工进。
其工进速度由一个调速阀来控制。
快进和工进之间的转换由行程开关控制。
折弯机快速下降时,要求其速度较快,减少空行程时间,液压泵采用全压式供油。
其活塞运动行程由一个行程阀来控制。
当活塞以恒定的速度移动到一定位置时,行程阀接受到信号,并产生动作,实现由快进到工进的转换。
当活塞移动到终止阶段时,压力继电器接受到信号,使电液换向阀换向。
由于折弯机压力比较大,所以此时进油腔的压力比较大,所以在由工进到快速回程阶段须要一个预先卸压回路,以防在高压冲击液压元件,并可使油路卸荷平稳。
所以在快速回程的油路上可设计一个预先卸压回路,回路的卸荷快慢用一个节流阀来调节,此时换向阀处于中位。
当卸压到一定压力大小时,换向阀再换到左位,实现平稳卸荷。
为了对油路压力进行监控,在液压泵出口安装一个压力表和溢流阀,同时也对系统起过载保护作用。
因为滑块受自身重力作用,滑快要产生下滑运动。
所以油路要设计一个液控单向阀,以构成一个平衡回路,产生一定大小的背压力,同时也使工进过程平稳。
在液压力泵的出油口设计一个单向阀,可防止油压对液压泵的冲击,对泵起到保护作用。
2方案的确定2.1运动情况分析由折弯机的工作情况来看,其外负载和工作速度随着时间是不断变化的。
所以设计液压回路时必须满足随负载和执行元件的速度不断变化的要求。
因此可以选用变压式节流调速回路和容积式调速回路两种方式。
2.1.1变压式节流调速回路节流调速的工作原理,是通过改变回路中流量控制元件通流面积的大小来控制流入执行元件或自执行元件流出的流量来调节其速度。
变压式节流调速的工作压力随负载而变,节流阀调节排回油箱的流量,从而对流入液压缸的的流量进行控制。
其缺点:液压泵的损失对液压缸的工作速度有很大的影响。
其机械特性较软,当负载增大到某值时候,活塞会停止运动,低速时泵承载能力很差,变载下的运动平稳性都比较差,可使用比例阀、伺服阀等来调节其性能,但装置复杂、价格较贵。
优点:在主油箱内,节流损失和发热量都比较小,且效率较高。
宜在速度高、负载较大,负载变化不大、对平稳性要求不高的场合。
2.1.2容积调速回路容积调速回路的工作原理是通过改变回路中变量泵或马达的排量来改变执行元件的运动速度。
优点:在此回路中,液压泵输出的油液直接进入执行元件中,没有溢流损失和节流损失,而且工作压力随负载的变化而变化,因此效率高、发热量小。
当加大液压缸的有效工作面积,减小泵的泄露,都可以提高回路的速度刚性。
综合以上两种方案的优缺点比较,泵缸开式容积调速回路和变压式节流调回路相比较,其速度刚性和承载能力都比好,调速范围也比较宽,工作效率更高,而发热却是最小的。
考虑到最大折弯力为6,数值比较大,故选用泵缸1.910N开式容积调速回路。
23 负载与运动分析 要求设计的板料折弯机实现的工作循环是:快速下降工作下压(折弯)快速回程停止。
主要性能参数与性能要求如下:折弯力F=61.910⨯N ;板料折弯机的滑块重量G =42.310⨯N ;快速空载下降速度123/v mm s ==0.023m/s ,工作下压速度12/mm s =0.012m/s ,快速回程速度352/v mm s ==0.052m/s ,板料折弯机快速空载下降行程1210L mm ==0.21m ,板料折弯机工作下压行程230L mm ==0.03m ,板料折弯机快速回程:H=240mm=0.24m ;启动制动时间s t 2.0=∆,液压系统执行元件选为液压缸。
液压缸采用V 型密封圈,其机械效率0.91cm η=。
由式 m v F m t∆=∆ 式中 m —工作部件总质量 v ∆—快进或快退速度 t ∆—运动的加速、减速时间求得惯性负载 42.3100.0232709.80.2m v G v F m N t g t ∆∆⨯==•=⨯=∆∆下 再求得阻力负载 静摩擦阻力 40.2 2.3104600sf F N =⨯⨯=动摩擦阻力 40.1 2.3102300fd F N =⨯⨯=表一 液压缸在各工作阶段的负载值 (单位:N)工况 负载组成 负载值F 推力/cm F η起动sf F F = 4600 5055 加速fd m F F F =+ 2570 2824 快进fd F F = 2300 2527 工进fd F F F =+ 1902300 2113667 快退fd F F = 2300 2527 注:液压缸的机械效率取0.91cm η=34 负载图和速度图的绘制负载图按上面数据绘制,如下图a)所示。
速度图按己知数值123/v mm s =,212/v mm s =,352/v mm s =,1210L mm =,230L mm =,快速回程3240L mm =图一 板料折弯机液压缸的负载图和速度图a)负载图 b)速度图5 液压缸主要参数的确定由表11-2和表11-3可知,板料折弯机液压系统在最大负载约为211KN 时工作压力130P MPa =。
将液压缸的无杆腔作为主工作腔,考虑到缸下行时,滑块自重采用液压方式平衡,则可计算出液压缸无杆腔的有效面积,取液压缸的机械效率ηcm =0.91。
2max 16121136670.0770.913010cm F A m p η===⨯⨯⨯ 液压缸内径: 1440.0770.3300A D m mm ππ⨯⨯==== 参考[1],按GB/T2348-1993,取标准值D=320mm=32cm根据快速下降与快速上升进的速度比确定活塞杆直径d:22252 2.2623V D V D d ===-快上快下 22122.1d mm cm ⇒== 取标准值d=220mm=22cm4则:无杆腔实际有效面积222130706.544A D cm ππ==⨯= 有杆腔实际有效面积222222()(3222)326.5644A D d cm ππ=-=⨯-=液压缸在工作循环中各阶段的压力和流量计算见表5.1。
液压缸在工作循环中各阶段的功率计算见表5.25根据以上分析与计算数据处理可绘出液压缸的工况图5.1:图5.1 液压缸的工况图6 系统液压图的拟定考虑到液压机工作时所需功率较大,固采用容积调速方式;(1)为满足速度的有极变化,采用压力补偿变量液压泵供油,即在快速下降的时候,液压泵以全流量供油。
当转化成慢速加压压制时,泵的流量减小,最后流量为0;(2)当液压缸反向回程时,泵的流量恢复为全流量供油。
液压缸的运动方向采用三位四通Y型电磁换向阀和二位二通电磁换向阀控制。
停机时三位四通换向阀处于中位,使液压泵卸荷;(3)为了防止压力头在下降过程中因自重而出现速度失控的现象,在液压缸有杆腔回路上设置一个单向阀;(4)为了压制时保压,在无杆腔进油路上和有杆腔回油路上设置一个液控单向阀;(5)为了使液压缸下降过程中压力头由于自重使下降速度越来越快,在三位四通换向阀处于右位时,回油路口应设置一个溢流阀作背压阀使回油路有压力而不至于使速度失控;(6)为了使系统工作时压力恒定,在泵的出口设置一个溢流阀,来调定系统压力。
由于本机采用接近开关控制,利用接近开关来切换换向阀的开与关以实行自动控制;6(7)为使液压缸在压制时不至于压力过大,设置一个压力继电器,利用压力继电器控制最大压力,当压力达到调定压力时,压力继电器发出电信号,控制电磁阀实现保压;综上的折弯机液压系统原理如下图:图6.1折弯机液压系统原理1-变量泵 2-溢流阀 3-压力表及其开关 4-单向阀5-三位四通电液换向阀 6-单向顺序阀 7-液压缸8-过滤器 9-行程阀10-调速阀 11-单向阀 12-压力继电器77 液压元件的选择7.1 液压泵的选择由液压缸的工况图,可以看出液压缸的最高工作压力出现在加压压制阶段时127.88P MPa =,此时液压缸的输入流量极小,且进油路元件较少故泵到液压缸的进油压力损失估计取为0.5P MPa ∆=。