【洞察暖通】风机风管设计中5个常见问题及解答汇总
- 格式:doc
- 大小:108.50 KB
- 文档页数:10
暖通工程施工中暖通设计常见问题及解决对策暖通工程是建筑工程中不可或缺的一部分,它包括供暖、通风、空调和给排水系统等,是保证建筑物内部空气质量和舒适度的关键。
在暖通工程施工中,暖通设计常见问题是工程师和施工人员需要关注和解决的重要内容。
本文将结合实际案例,针对暖通工程施工中常见的设计问题进行分析,并提出解决对策,以期对相关行业人士提供一定的参考和帮助。
一、暖通设计常见问题1. 风管设计不合理在暖通工程施工中,风管设计不合理是常见的问题之一。
风管设计不合理可能会导致空调系统运行效果不佳,甚至出现系统噪音大、风速不均匀等问题。
造成这种问题的原因主要有设计人员的经验不足、对风管系统的流动特性不了解等。
2. 温度控制不准确在供暖系统的设计中,温度控制不准确是一个常见的问题。
温度控制不准确可能导致室内温度不均匀,或者过热、过冷等问题。
造成这种问题的原因可能是设计人员对建筑物的热负荷估算不准确,或者选择的供暖设备性能不匹配等。
3. 管道布局不合理在给排水系统的设计中,管道布局不合理是一个常见的问题。
管道布局不合理可能导致给排水系统出现漏水、堵塞等问题,影响建筑物的正常使用。
造成这种问题的原因可能是设计人员对建筑物内部空间结构不熟悉,或者对管道的流体力学特性不了解等。
以上所述,是暖通工程施工中常见的设计问题,接下来将针对这些问题提出对策。
二、解决对策针对风管设计不合理的问题,首先需要设计人员对建筑物的空间结构进行充分的了解,包括各个房间的面积、高度、形状等。
设计人员需要掌握风管系统的流动特性,合理选择风口位置、布置方式,确保风管系统能够将空调风力均匀地输送到各个房间,从而保证室内舒适度。
对于温度控制不准确的问题,设计人员需要通过充分的热负荷估算,合理选择供暖设备的型号和数量,保证供暖系统的运行效果。
设计人员还需要合理选择控制设备和控制方式,确保温度能够稳定控制在设计要求范围内。
针对管道布局不合理的问题,设计人员需要充分了解建筑物内部空间结构,合理选择管道的布置方式和坡度,确保给排水系统的顺利运行。
暖通设计中存在的问题及改善措施暖通设计是建筑工程中至关重要的一环,它涉及建筑物内部的供暖、通风、空调及管道系统等各项设备的规划和设计。
一个良好的暖通设计能够为建筑物提供舒适的室内环境,减少能源消耗并提高生活质量。
在实际的工程中,暖通设计中存在着一些问题,这些问题可能会影响建筑物的整体性能和使用效果。
本文将从实际情况出发,分析暖通设计中常见的问题,并提出改善措施,以期对暖通设计的实际应用起到一定的参考作用。
一、暖通设计中存在的问题1. 能源浪费在一些建筑物的暖通设计中,存在着能源消耗过大的问题。
这主要是由于一些设计师在规划供暖和空调系统时,未考虑建筑物的实际情况和节能设计原则,导致能源被大量浪费。
一些建筑物的供暖设备配置不当,导致了能源的浪费。
一些空调系统的设计也存在着同样的问题,空调系统设计不合理会导致能源的大量损耗。
2. 设备运行效率低3. 系统调试不到位在一些建筑物的暖通设计中,存在着系统调试不到位的问题。
这主要表现在设计师在系统设计后,对系统的调试工作不够重视,导致系统运行效果不佳。
一些系统的风量、水流量调节不当,会导致系统的运行效果不佳,同时也会增加能源的消耗。
4. 设备选型不合理在一些建筑物的暖通设计中,存在着设备选型不合理的问题。
这主要是由于一些设计师在选择暖通设备时未考虑设备的实际使用需求,导致了选型不合理。
一些供暖设备的选型不合理会导致供暖效果不佳,一些空调设备的选型不合理会导致空调效果不佳。
5. 设备维护保养不到位二、改善措施1. 加强设计前的规划在进行暖通设计时,需要充分考虑建筑物的实际情况,合理规划供暖和空调系统的布局、设备选型及管道铺设。
还需要从节能的角度出发,考虑如何减少能源的消耗,提高建筑物的能源利用效率。
在进行暖通设计时,需要选择高效的供暖设备和空调设备,并且合理规划他们的布局。
这样不仅可以提高设备的运行效率,还可以减少能源的浪费和环境的污染。
在进行暖通设计时,需要加强对系统的调试工作,确保系统的运行效果和能源的利用效率。
探讨暖通工程设计中常见问题及解决方法随着经济的发展,人们对建筑暖通空调设计的要求越来越高,其可能直接关系到建筑工程项目的成败,给企业经济效益带来直接影响。
因此,一定要在实践设计过程中严格遵守各项设计规范与标准,在工程设计和图纸设计方面严格把关,及时解决设计中出现的问题,只有这样才能避免在具体施工中出现质量问题,最终满足工程的质量要求。
一、暖通工程设计中遇到的问题1、图纸设计不规范设计图纸是指导工程施工的重要技术性文件,设计图纸的科学性和合理性在很大程度上影响着工程施工质量。
但是,当前设计人员在设计暖通工程的施工图纸时,往往由于各种因素造成设计图纸规范性差,或者对工程的关键部分没有进行有效备注和说明,或者对规格的计算不准确,往往造成工程施工材料浪费大的问题;此外,也存在设计图纸与计算结果相冲突的情况。
这些问题的出现都会在很大程度上影响暖通工程的施工进度,危害暖通工程的工程效果,甚至会对建筑物的质量和安全性造成威胁。
2、不能有效控制工程进度暖通工程是建筑工程的重要组成部分,但是一部分施工人员或者施工单位简单地认为暖通工程只是一项辅助工程,因此对暖通工程的重要性认识不足,往往造成暖通工程进度缓慢的问题。
但是,暖通工程的工程进度在很大程度上直接影响着整个建筑工程的工程进度,而且可能会对建筑的工程质量造成直接的影响。
因此,暖通工程施工单位和人员首先要从思想上加强对暖通工程重要性的认识,科学规划工程进度,并做好每个环节的进度控制,确保施工的安全性和工程质量不受影响,对工程施工过程中的各种影响因素做好预案,尽量消除它们的不利影响。
此外,把控好工程材料的供应问题,确保工程材料的质量和供应时效性,以免影响到工程进度。
3、项目方案设计存在问题设计人员在设计暖通工程的项目方案时,往往只注重方案在纸面上的可行性,对暖通工程施工的实际情况缺乏充分有效的预估和思考,造成项目方案可行性差,很难实际应用到暖通工程的实际施工过程中,最后既耽误了工程进度,也造成了工程成本的增加。
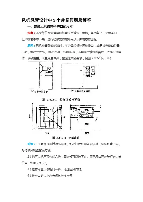
风机、风管设计问题、及处理方法一、暗装风机盘管检查口的尺寸现象:不少单位发现客房风机盘应当清洗、检修。
虽然留了一个检查口,但风机管拿不下来,进行检修就得破坏吊顶,影响客房出租。
原因:风机盘管卧式暗装时,不少单位设计无检修口,或是检查修口位置不对,或尺寸太小。
700×300,600×600,不能满足维修的需要,造成不好操作,以致堵塞。
风量冷量减少,室温达不到要求,见图2.9.2-1(a)、(b)。
对策:1)最好是用活动小吊顶。
如小门厅处用轻钢铝板一条条可拿下来,对维修风机盘管很方便。
2)也可以把吊顶分成几块,每块都可以拆下来。
而回风口开在壁柜旁边等位置。
如图2.9.2-2。
3)也有用合页像柜门一样,处理回风口的。
4)检查口的大小应考虑其拆换方便。
二、防振基础偏斜水泵产生噪声现象:吸入口径为65mm的水泵,钢架基础下设橡胶减振器,如图2.6.3-1(a),投入运行一个月后,水泵的噪声,振动开始产生。
一端橡胶压下比另一端多2m m。
水泵的电机联轴器偏移,振动加剧,直至挠坏。
原因:水泵的进出水立管的吊架位置不妥,使管道及阀门的重量压在水泵上,故泵一侧的重量大于电机一侧,将橡胶减振器压扁,使水泵的轴偏移。
振动噪声随之而来,以致不能正常运转。
对策:将管道的支吊架移至立管拐弯处,并将钢架上增加重量,以求稳定。
三、分体式空调机的风冷冷凝器失效现象:某用户发现室外温度35℃,而室内温度高达28~30℃,热得受不了。
于是不得不检查空调系统,为什么冷不下来?本例主要是风冷冷凝器的原因。
原因:风冷冷凝器选配不当。
冷凝器规格和尺寸的选用是否恰当,就看它能否将制冷剂中的蒸发和压缩热都排除出去。
如果冷凝(或压力)升高,则说明冷凝器不能把全部蒸发和压缩热从制冷剂中排除出去,使系统制冷量下降。
更有甚者会使压缩机的排气压力升高,压缩机的耗能量和压缩热增大,有导致损坏压缩机的可能。
反之,若风冷冷凝器选得有一定余量,则冷凝温度会较低,以致压缩机的排气压力也相应降低,而压缩机便能压送更多的制冷剂。
暖通工程施工中暖通设计常见问题及解决对策暖通工程是建筑工程中非常重要的一环,它关乎着建筑物内部的空气流通、温度控制和舒适度。
在暖通工程施工中,暖通设计常见问题是不可避免的,但只要我们及时解决,就能够确保暖通系统的正常运行和建筑物内部的舒适度。
本文将探讨暖通工程施工中常见的暖通设计问题以及解决对策。
一、管道敷设不当在暖通工程中,管道的敷设是非常重要的一环。
如果管道敷设不当,就会影响暖通系统的正常运行。
管道过于弯曲或出现不当倾斜,就会导致水流速度不均匀、水压损失加大,从而影响供暖效果。
解决对策是在敷设管道时,要严格按照设计要求进行,保证管道的水平、垂直和倾斜度符合要求,确保管道畅通无阻。
二、风管连接不严密在暖通工程中,风管连接不严密也是一个常见问题。
风管连接不严密会造成风管内部漏风,从而导致供暖效果降低,甚至影响室内空气质量。
解决对策是在连接风管时,要使用专业的连接件,并进行严密的连接和检测,确保风管连接无漏风现象。
三、设备选型不合理在暖通工程中,设备选型不合理也是一个常见问题。
设备选型不合理会导致设备在使用过程中性能不佳、能耗高、寿命短等问题。
解决对策是在进行设备选型时,要充分考虑建筑物的实际情况和需求,选择性能稳定、能效高、寿命长的设备,确保设备的正常运行和使用寿命。
四、通风系统设计不合理通风系统设计不合理也是暖通工程施工中常见的问题。
通风系统设计不合理会导致室内空气流通不畅、室内空气质量不佳等问题。
解决对策是在进行通风系统设计时,要充分考虑建筑物的朝向、周围环境、人员密度等因素,合理设计通风系统,确保室内空气流通畅通、空气质量良好。
五、维护保养不到位在暖通工程施工完成后,维护保养不到位也是一个常见问题。
如果暖通系统长期没有得到有效的维护保养,就会导致设备老化、管道堵塞等问题,从而影响暖通系统的正常运行。
解决对策是要建立健全的暖通系统维护保养制度,定期进行设备检查、管道清洗等工作,确保暖通系统的正常运行和使用寿命。
暖通专业设计常见问题汇总
1. 风管系统设计中的风速选择问题:风速过高会增加系统的运行成本,风速过低会影响系统的运行效果。
2. 利用太阳能进行供暖的系统设计问题:如何合理利用太阳能进行供暖,并与传统的供暖系统进行衔接。
3. 地热系统设计问题:地热系统的设计需要考虑地热井的布置和深度、地热泵的选择和配套设备等问题。
4. 涂料选择问题:暖通系统中的管道和设备需要选择适合的涂料进行保护,以防止腐蚀和漏水。
5. HVAC系统节能设计问题:如何设计节能的暖通系统,包括采用高效设备、合理利用余热等方法。
6. 管道布局问题:暖通系统中的管道布局需要考虑到设备的安装位置、管道的连通性和维修保养等因素。
7. 空调系统设计问题:如何选择适当的空调系统、合理布置室内机和室外机等。
8. 通风系统设计问题:通风系统需要考虑到新风的供应、排气口的设置和噪音控制等问题。
9. 暖通系统与建筑结构的协调问题:暖通系统的设计需要与建筑结构进行协调,包括通风管道的穿越、设备的安装空间等。
10. 设备选型问题:根据项目的需求和气候条件,选择适合的暖通设备,包括散热器、换热器、风机等。
暖通设计中存在的问题及改善措施暖通设计在建筑领域中具有重要的作用,主要是保障建筑物内部的温度、湿度和空气品质,提高人们的舒适度和生活质量。
然而,在实践中,暖通设计也存在一些问题。
本文将从设计理念、技术标准、施工质量等方面分析问题所在,并提出相应的改善措施。
问题一:设计理念不合理目前,暖通设计在一些项目中仍然存在“平衡式”设计理念,即在室内设置大量的排风口和进风口,通过风量平衡的方式来达到环境调节的目的。
这种设计方法不仅造成能源的极大浪费,也降低了室内空气品质,同时还会给用户带来不舒适的感受。
解决方法:采用“集中式”设计针对“平衡式”设计的问题,我们可以采用“集中式”设计方法,即按照建筑物的整体运行特点,确定少数几个进风和排风口的位置,并采取基于新风和新风回收技术的方法,优化室内空气品质,减少能源浪费,提高舒适度。
问题二:技术标准滞后暖通设计的技术标准与时俱进是提高设计质量的基础。
但是,现实中很多项目的暖通设计技术标准比较滞后,适用的是早期的标准或者没有标准。
解决方法:采用现代化的技术标准针对技术标准滞后的问题,我们可以采用现代化、智能化的技术标准,如《建筑暖通空调设计规范》、《建筑节能设计标准》等,保证了设计方案的合理性和可行性。
问题三:施工质量难以保证在暖通系统的施工过程中,缺乏严格的检测、整改、验收等环节,导致一些施工质量难以保证。
例如,管道的连接不紧密、隔热措施不到位等问题。
解决方法:加强施工管理和质量监管针对施工质量难以保证的问题,我们可以加强施工管理和监管,建立严格的附属户施工质量考核标准,针对不同的工艺和区域制定相应的监管措施,加强现场检测和验收,确保暖通系统运行效果和质量。
总的来说,暖通设计在保障建筑物内部的舒适度和生活质量方面发挥着重要作用,但是在实践中仍然存在着一些问题。
设计方面应该采用集中式设计方法,注重舒适度和节能性;技术方面应该采用现代化、智能化的技术标准,提高设计质量和可行性;施工方面应该加强管理和监管,确保暖通系统的运行效果和质量。
1、现象风管不平直,中心偏移,法兰的接口间距不均匀,风管系统的漏风量过大。
2、原因分析(1)风管系统的支、吊架预留、预埋的位量和标高不一致,间距不等,风管受力不均产生扭曲或者弯曲。
(2)圆形风管的同心度、平整度和矩形风管的平整度及法兰对角线长超过允许偏差。
(3)法兰与风管中心轴线不垂直。
(4)法兰互换性、平整度差,螺栓间距大,螺母拧的松紧度不一致。
3、防治措施(1)水平风管安装后的水平度的允许偏差为每米不应大于 3mm,总偏差不应大于 20mm。
垂直风管安装后的不垂直度允许偏差为每米不应大于 2mm,总偏差不应大于 20mm。
输送产生凝结水或者空气湿度较大的风管,应按设计要求的坡度安装。
为了保证风管安装后的上述要求,支、吊、托架应按设计或者规范要求的间距等距离罗列,但遇有风口、风阀等部件时,应适当地错开一定距离。
支、吊、托架的预埋件或者膨胀螺栓的位置应正确坚固。
各吊杆或者支架的标高调整后应保持一致;对于有坡度要求的风管,其标高按其坡度保持一致。
(2)圆形风管用法兰管口翻边宽度调整风管的同心度。
矩形风管可调整或者更换法兰,使其对角线相等,并保证风管表面的平整度控制在 5~10mm 范围内。
在进行风管平整度检验时,对于矩形风管应在横向拉线,用尺测量其凹凸的高度;对圆形风管应纵向拉线,用尺测量其凹凸的高度。
(3)法兰与风管垂直度可按实际偏差情况来处理。
如偏差较小,可用增加法兰垫片厚度,并调整法兰螺母拧紧度来调整;如偏差较大,则需要返工重新找方,翻边铆接。
(4)法兰互换性差,可对螺栓孔进行扩孔处理,普通可扩大 1~2mm。
如误差过大,则另行钻孔。
法兰平整度差,可用增大法兰垫片厚度进行调整,但增厚的法兰垫片必须保证完整性,对接的垫片必须用密封胶粘结,以保证风管连接后的严密性。
但各个螺栓的螺母必须保持松紧度一致。
1、现象风管系统摆动;圆形风管变形;支架间距不等;保温风管浮现“冷桥”现象。
2、原因分析(1)整个风管系统无固定点。
风机风管设计中5个常见问题及解答一、暗装风机盘管检查口的尺寸现象:不少单位发现客房风机盘应当清洗、检修。
虽然留了一个检查口,但风机管拿不下来,进行检修就得破坏吊顶,影响客房出租原因:风机盘管卧式暗装时,不少单位设计无检修口,或是检查修口位置不对,或尺寸太小。
700×300,600×600,不能满足维修的需要,造成不好操作,以致堵塞。
风量冷量减少,室温达不到要求,见图2.9.2-1(a)、(b)对策:1)最好是用活动小吊顶。
如小门厅处用轻钢铝板一条条可拿下来,对维修风机盘管很方便。
2)也可以把吊顶分成几块,每块都可以拆下来。
而回风口开在壁柜旁边等位置。
如图2.9.2-2。
3)也有用合页像柜门一样,处理回风口的。
4)检查口的大小应考虑其拆换方便二、防振基础偏斜水泵产生噪声现象:吸入口径为65mm的水泵,钢架基础下设橡胶减振器,如图2.6.3-1(a),投入运行一个月后,水泵的噪声,振动开始产生。
一端橡胶压下比另一端多2mm。
水泵的电机联轴器偏移,振动加剧,直至挠坏。
原因:水泵的进出水立管的吊架位置不妥,使管道及阀门的重量压在水泵上,故泵一侧的重量大于电机一侧,将橡胶减振器压扁,使水泵的轴偏移。
振动噪声随之而来,以致不能正常运转。
对策:将管道的支吊架移至立管拐弯处,并将钢架上增加重量,以求稳定。
如图2.6.3-1(b)三、分体式空调机的风冷冷凝器失效现象:某用户发现室外温度35℃,而室内温度高达28~30℃,热得受不了。
于是不得不检查空调系统,为什么冷不下来?本例主要是风冷冷凝器的原因。
原因:风冷冷凝器选配不当。
冷凝器规格和尺寸的选用是否恰当,就看它能否将制冷剂中的蒸发和压缩热都排除出去。
如果冷凝(或压力)升高,则说明冷凝器不能把全部蒸发和压缩热从制冷剂中排除出去,使系统制冷量下降。
更有甚者会使压缩机的排气压力升高,压缩机的耗能量和压缩热增大,有导致损坏压缩机的可能。
反之,若风冷冷凝器选得有一定余量,则冷凝温度会较低,以致压缩机的排气压力也相应降低,而压缩机便能压送更多的制冷剂。
暖通工程施工中暖通设计常见问题及解决对策暖通工程是保证建筑物内部温度、湿度、空气品质的重要设施,它的设计和施工都需要严格遵循规范和标准。
然而,在实践中,会遇到一些常见的问题,需要及时采取对策。
1、设计容量偏小某些暖通设计师为了节能和减少建设成本,会将整个暖通系统的容量设计偏小。
这可能导致系统无法达到设计要求,影响室内的舒适度。
解决对策:应该在设计时考虑房间面积、高度、朝向、地区气候等因素,合理确定系统的容量,并在施工前进行充分的计算和确认。
2、通风系统噪音过大通风系统如果噪音过大,不仅会影响到人们的正常工作和生活,也可能导致设备损坏。
解决对策:在进行通风系统设计时,应该注重降噪和使用符合标准的降噪材料,定期维护和清洗设备,保证通风系统的正常运转。
3、管道漏水管道漏水可能导致设备损坏、墙壁和天花板受损、甚至造成水浸室内。
这是暖通工程中常见的问题。
解决对策:在施工过程中,应该注意管道连接点的密封、管道的固定和安装高度的合理安排,防止管道受到物理损坏。
同时,在日常维护中,应该及时发现和修复漏水问题。
4、系统运转效率低下暖通系统如果运转效率低下,可能导致室内温度过高或过低、空气不畅通等问题。
这也可能导致能源浪费,进而带来经济和环境损失。
解决对策:在设计暖通系统时应当充分考虑气候、房型、室内需求等因素,合理选用设备和材料。
施工过程中,应该严格按照设计方案实施,确保系统的正常运转。
如果系统存在效率低下的问题,需要及时进行检修和修缮。
1、质量不合格质量不合格包括未达到国家相关技术标准、规范和要求的问题,比如设备漏电、管道连接不良等。
这可能导致系统运转不正常甚至出现危险。
解决对策:在施工前应该制定详细的施工方案、预算、施工时间表,选用合格材料、设备,确保项目符合相关标准和规范。
同时,应该加强现场监督和管理,严格按照标准要求施工,确保工程质量合格。
2、施工延误施工延误可能导致工程进度拖延,增加工程成本。
这是暖通工程常见的施工问题。
暖通设计常见知识点问题汇总及解决(图文分析)(一)系统设计问题1、水泵在系统的设计位置:一般而言,冷冻水泵应设在冷水机组前端,从末端回来的冷冻水经过冷冻水泵打回冷水机组;冷却水泵设在冷却水进机组的水路上,从冷却塔出来的冷却水经冷却水泵打回机组;热水循环泵设在回水干管上,从末端回来的热水经过热水循环泵打回板式换热器。
2、冷却塔上的阀门设计:2、1冷却塔进水管上加电磁阀(不提倡使用手动阀)2、2管泄水阀应该设置于室内,(若放置在室外,由于管内有部分存水,冬天易冻)3、电子水处理仪的安装位置放置于水泵后面,主机前面。
4、过滤器前后的阀门过滤器前后放压力表。
5、水泵前后的阀门5、1水泵进水管依次接:蝶阀-压力表-软接5、2水泵出水管依次接:软接-压力表-止回阀-蝶阀6、分\集水器6、1分\集水器之间加电动压差旁通阀和旁通管(管径一般取DN50)6、2集水器的回水管上应设温度计.7、各种仪表的位置:布置温度表,压力表及其他测量仪表应设于便于观察的地方,阀门高度一般离地1.2-1.5m,高于此高度时,应设置工作平台。
8、机组的位置:两台压缩机突出部分之间的距离小于1.0m,制冷机与墙壁之间的距离和非主要通道的距离不小于0.8m, 大中型制冷机组(离心,螺杆,吸收式制冷机)其间距为1.5-2.0m。
制冷机组的制冷机房的上部最好预留起吊最大部件的吊钩或设置电动起吊设备。
(二)、水路设计问题点汇总问题点一:水管的坡度要合理1、水平支、干管,沿水流方向应保持不小于0.002的坡度;2、机组水盘的泄水支管坡度不宜小于0.01。
3、因条件限制时,可无坡度敷设,但管内流速不得小于0.25m/s。
问题点二:冷凝水干管的设计1、冷凝水应就近排放,一般排于卫生间地漏2、凝水干管的长度设计要考虑因坡降引起的高度,管两端高低落差距离不能大于吊顶高度问题点三:选择合适的管路阀件1、立管与水平管连接处装调节阀3、水管路的每个最高点设排气装置(当无坡度敷设时,在水平管水流的终点)3、立管最低处连接关断阀,便于维修立管4、水管的热力补偿可以利用弯头自然补偿,不足时也可加设膨胀补偿器问题点四:水管布置1、立管在管道井内不宜乱放,宜靠墙靠角安放(见附图)2、管道在水平面内禁止穿越楼梯、剪力墙、配电室等问题点五:水管保温1 保温结构一般由保温层和保护层组成2 保温层厚度要根据热力计算确定,经验值可参考《民用建筑空调设计》P2793 保温材料可因地制宜,就近取材,应采用非燃或难燃材料,必须符合《建筑设计防火规范》。
暖通工程施工中暖通设计常见问题及解决对策随着现代建筑技术的不断发展,暖通工程在建筑设计和施工中的地位变得越来越重要。
暖通工程是指对建筑室内环境中的空气温度、湿度、气流速度、净化度、气味等因素进行调节和控制的工程。
暖通工程的设计和施工质量直接影响到建筑内部的温度、湿度和空气质量,因此在暖通工程的设计和施工中往往会出现一些常见问题。
为了提高暖通工程的设计和施工质量,这里将探讨一些暖通工程施工中常见的问题及解决对策。
一、暖通工程施工中常见的问题1. 设计不合理:暖通工程设计不合理往往会导致施工中出现问题,例如送风口和回风口布置不当、风管设计不合理等问题。
2. 施工质量低:暖通工程施工质量低往往表现为焊接接头不牢固、风管漏风、保温材料缺失等问题。
3. 材料不合格:暖通工程所使用的材料不合格会直接影响到施工的质量和工程的使用性能。
4. 工期拖延:由于各种原因导致的施工工期拖延也是暖通工程施工中的常见问题之一。
5. 管理混乱:暖通工程施工管理混乱会导致施工中出现各种问题,如材料损耗、工人配合不力等。
以上这些问题在暖通工程施工中都是比较常见的,而且这些问题一旦出现都会对暖通工程的使用性能和安全性造成影响。
二、解决对策针对上述问题,可以提出一些解决对策:1. 设计阶段:在设计阶段就要保证暖通工程设计的合理性,首先要根据建筑的结构和用途来合理布局送风口和回风口。
其次要合理设计风管系统和设备,确保系统运行的效率和稳定性。
还要对建筑进行合理的热负荷计算,确保室内温度的适宜。
2. 施工质量:在施工过程中,要严格按照暖通工程的规范和标准来执行施工,选择正规的暖通工程承包商,确保施工质量。
避免焊接接头不牢固、风管漏风等问题的出现。
4. 工期控制:严格控制工期,合理安排施工任务和流程,避免因为工期拖延而导致暖通工程施工问题。
5. 管理规范:在施工管理上,要规范施工流程、管理人员和施工人员,保证施工过程有序进行,杜绝管理混乱。
暖通工程施工中暖通设计常见问题及解决对策
暖通工程是指供热、通风、空调和给排水等设备的安装和调试工程。
在暖通工程的施工过程中,常常会出现一些设计上的常见问题,给工程施工带来诸多困难和挑战。
为了解决这些问题,我们需要对常见问题进行分析和总结,并提出相应的解决对策。
下面就让我们来看看暖通工程施工中暖通设计常见问题及解决对策。
一、暖通设计常见问题
1. 管道布置不合理
在暖通工程施工中,常常会出现管道布置不合理的情况。
一些管道的走向不够直,导致管道阻力增大,影响了正常的供热和通风效果。
2. 设备选型不合理
有时在暖通设计中,可能会出现设备选型不合理的情况,比如选用的风机功率太小、制冷量不足等,导致设备无法满足工程需要。
3. 空调系统设计问题
在暖通工程中,空调系统设计问题也较常见。
空调系统的负荷计算不准确,导致设备选错型号,影响空调效果。
4. 管道及设备材料选用问题
有时在暖通工程中,可能会出现管道及设备材料选用不合理的情况,比如材料质量不达标,导致设备寿命缩短,影响使用效果。
5. 排水系统设计问题
在暖通工程中,排水系统设计问题也比较突出。
排水管道不够畅通,导致排水不畅,影响了设备正常运行。
二、解决对策
1. 合理布置管道
针对管道布置不合理的问题,我们需要在设计阶段就充分考虑到管道的布置和走向,确保管道的走向尽量保持直线,减小管道的阻力,提高供热和通风效果。
2. 合理选型设备
在暖通设计中,我们需要充分考虑工程需要,合理选型设备,并根据需求计算好设备的容量,确保设备满足工程的需要,提高设备的使用效果。
暖通工程施工中暖通设计常见问题及解决对策暖通工程施工中,常常会遇到一些设计问题,这些问题可能会影响工程的正常进行和最终的效果,需要及时解决。
以下是一些常见的暖通设计问题及解决对策。
1. 暖通系统的尺寸设计不合理:暖通系统的尺寸设计不合理可能导致供暖不足或者能量浪费。
解决对策是进行合理的负荷计算,确保系统的供暖能力和节能效果。
还应根据实际情况对管道和设备进行合理的布置和选择,以提高系统的运行效率。
2. 管道布局设计不合理:管道布局设计不合理可能导致管道过长、回水不畅等问题。
解决对策是根据建筑物的结构和功能需求进行合理的管道布局设计,避免管道的过长和回水不畅的问题。
还应注意管道的施工质量和保温措施,以降低能量损失。
3. 管道绝热处理不到位:管道绝热处理不到位可能导致能量浪费和供暖不足。
解决对策是对管道进行绝热处理,选择合适的保温材料和方法,确保管道的保温效果。
还应注意管道的施工质量和绝热层的完整性,以提高系统的能效。
4. 设备选择不当:设备选择不当可能导致系统能量效率低下和设备运行故障。
解决对策是根据负荷计算和设计要求选择合适的设备,确保设备的效率和可靠性。
还应注意设备的安装和调试,以保证系统的正常运行。
暖通工程施工中常见的问题主要包括尺寸设计不合理、管道布局设计不合理、管道绝热处理不到位、设备选择不当、控制系统设计不合理等。
解决这些问题需要进行合理的计算和设计,并结合实际情况进行调整和优化,以确保系统的运行效果和能效。
还应注意施工质量和维护保养,以提高系统的稳定性和可靠性。
暖通工程施工中暖通设计常见问题及解决对策暖通工程是建筑工程中一个非常重要的方面,它关系到建筑物的舒适度、耗能和安全性等方面。
在暖通工程中,暖通设计是必不可少的,设计是否合理直接关系到工程质量和建筑使用效果。
然而,在暖通工程施工中,常常会出现一些问题,这些问题可能是由于设计上的不足或是工程施工中出现了一些突发状况。
下面就为大家总结了暖通工程施工中常见问题及相应的解决对策。
1、管道断面和安装位置不合理这种情况通常出现在设计阶段,设计师没有考虑到管道周围的环境情况,导致管道断面和位置不合理。
例如,管道和墙体之间的距离太小,所以安装后可能会出现管道挤压、变形或是漏水等问题。
为了解决这个问题,需要对设计方案进行重新评估和调整,重新安排管道的安装位置和路径,确保管道的安全性和可靠性。
2、空调风口造型和数量不足或不恰当在设计暖通工程时,气流量、气流方向和风口的数量必须考虑到建筑本身的结构和空间布局,以确保室内空气的流通和温度的均衡。
如果设计师考虑不周,可能会造成空调风口数量不足或设置位置不当,导致室内气流不畅或部分区域温度过高/过低的问题。
为了解决这个问题,可以通过重新规划空调风口的数量和位置,采用风口带有调节阀门或调节叶片的设计,确保室内空气流通和舒适度。
3、暖通设备的选型不当选择暖通设备时,需要考虑到建筑的实际用途和需求,例如,制冷/制热面积、环境温度变化、建筑物的负荷、节能需求等。
如果选错了设备,可能会导致设备运行不稳定、能效降低或是损坏等问题。
为了解决这个问题,需要对设备的选型和安装进行全面评估,尽可能选择适合建筑物的暖通设备,并且定期进行维护和保养。
4、水路系统的设计和施工水路系统是暖通系统中比较重要的一部分,如果设计上不合理或施工不规范,可能会导致水路系统漏水或停水等问题。
为了解决这个问题,需要考虑到建筑本身的排水系统和节能需求,并且采用高质量的管道材料进行施工,同时定期检查水路系统的运行状况,及时进行维护和保养。
暖通设计中存在的问题及改善措施暖通设计是建筑工程中不可或缺的一部分,它直接影响着建筑物内部的温度、湿度和空气质量,因此对于建筑物的舒适性和能源消耗也有很大影响。
在暖通设计中常常存在一些问题,这些问题可能影响着建筑物的使用效果和能耗情况,因此需要采取相应的改善措施。
本文将探讨暖通设计中存在的问题以及改善措施。
一、存在的问题1. 不合理的供暖和通风系统布局供暖和通风系统的布局直接影响着建筑物内部的温度和空气流通情况,但是有些设计中存在着布局不合理的问题。
在一些建筑物中,供暖设备布局不合理导致了一些区域温度不均匀,通风系统设计不合理导致一些区域的空气质量不达标。
2. 能源消耗过高一些暖通设计存在着能源消耗过高的问题,主要表现在供暖、通风和空调系统使用能源大,效率低下,导致了建筑物能耗过高,不符合可持续发展的要求。
3. 管道设计不合理在一些建筑物中,管道的设计不合理导致了漏水、堵塞等问题,影响了供暖和通风系统的正常运行。
4. 维护保养不及时暖通设备需要定期维护保养,但是在一些建筑物中,由于业主或运营方的疏忽,暖通设备没有得到及时的维护保养,导致了设备损坏、效率下降等问题。
二、改善措施1. 合理布局供暖和通风系统在暖通设计中,需要根据建筑物的结构和使用情况,合理布局供暖和通风系统,确保每个区域的温度和空气质量符合要求。
需要采用现代化的智能控制系统,实现对供暖和通风系统的智能化控制。
2. 提高能源利用效率为了降低建筑物的能耗,可以采用高效的供暖、通风和空调设备,采用节能材料,提高设备的能源利用效率,从而降低建筑物的能耗。
3. 设计合理的管道布局在暖通设计中,需要设计合理的管道布局,避免出现漏水、堵塞等问题。
需要采用高质量的管道材料,提高管道的可靠性和耐用性。
4. 定期维护保养暖通设备需要定期维护保养,保证设备的正常运行和性能稳定。
建筑物的业主或运营方需要重视暖通设备的维护保养工作,确保设备的正常运行。
5. 合理设计参数在暖通设计中,需要对设计参数进行合理的选择,包括设备选型、管道设计、风道设计等方面,确保设计参数的合理性,从而保证暖通系统的正常运行。
暖通设计中存在的问题及改善措施暖通设计是建筑工程中至关重要的部分,它能够保证室内温度、湿度、空气质量和舒适度等方面符合人们的要求。
然而,在实际工程实施过程中,暖通设计存在着一些问题,这些问题不仅会影响建筑室内的生活环境,还会对整个工程的安全性和经济性造成影响。
因此,在暖通设计过程中,需要采取一些改善措施,以提高暖通设计的质量和效率。
问题一:功率负载匹配不合理在暖通设备的选择和安装过程中,往往存在着功率负载匹配不合理的问题,导致设备运行效率低下,能耗较大。
解决这个问题的关键在于加强对于暖通设备的选型和计算,尽可能地避免选择额定功率过大或者过小的设备,同时在设备选型的基础上合理地布置管道和散热器等,从而达到设备供热和冷却效果最佳,能耗最小的状态。
问题二:供暖季维护不足供暖季是暖通设备运行最频繁的时间段,设备的正常运行需要保证设备及时的维护和保养。
然而,在实际工程实施中,很多项目往往忽略了设备的维护,给设备正常运行带来了隐患。
为了解决这个问题,需要在项目设计时制定详细的维护计划和措施,确保设备能够长期稳定运行,减少由于设备损坏所引发的日常管理成本。
问题三:空气净化不合格现代人对于室内环境的要求越来越高,空气污染成为了一个至关重要的问题。
而暖通设备在为建筑供暖和制冷的同时,还承担着对室内新风的处理。
然而,在实际工程实施中,由于对于空气净化的投入不足,很多项目存在着空气净化不合格的问题。
为了改善这个问题,需要在暖通设备的设计和安装中充分考虑到空气净化的要求,采用适当的过滤器和空气净化技术,确保室内空气质量合格。
问题四:管网设计不合理暖通设备的管道系统是实现供暖和制冷的关键设施,管网设计的合理与否直接影响到系统的传热效果和能耗。
然而,在实际工程实施中,很多项目存在着管网设计不合理的问题,例如管道径向设计过小等问题。
为了改善这个问题,需要充分考虑到系统的传热效果和流体力学特性,以管道径向设计合理、布置合理的方式,达到系统传热效果最佳,能耗最小的状态。
一、暗装风机盘管检查口的尺寸
现象:不少单位发现客房风机盘应当清洗、检修。
虽然留了一个检查口,但风机管拿不下来,进行检修就得破坏吊顶,影响客房出租
原因:风机盘管卧式暗装时,不少单位设计无检修口,或是检查修口位置不对,或尺寸太小。
700×300,600×600,不能满足维修的需要,造成不好操作,以致堵塞。
风量冷量减少,室温达不到要求,见图2.9.2-1(a)、(b)
对策:1)最好是用活动小吊顶。
如小门厅处用轻钢铝板一条条可拿下来,对维修风机盘管很方便。
2)也可以把吊顶分成几块,每块都可以拆下来。
而回风口开在壁柜旁边等位置。
如图2.9.2-2。
3)也有用合页像柜门一样,处理回风口的。
4)检查口的大小应考虑其拆换方便
二、防振基础偏斜水泵产生噪声
现象:吸入口径为65mm的水泵,钢架基础下设橡胶减振器,如图2.6.3-1(a),投入运行一个月后,水泵的噪声,振动开始产生。
一端橡胶压下比另一端多
2mm。
水泵的电机联轴器偏移,振动加剧,直至挠坏。
原因:水泵的进出水立管的吊架位置不妥,使管道及阀门的重量压在水泵上,故泵一侧的重量大于电机一侧,将橡胶减振器压扁,使水泵的轴偏移。
振动噪声随之而来,以致不能正常运转。
对策:将管道的支吊架移至立管拐弯处,并将钢架上增加重量,以求稳定。
如图2.6.3-1(b)
四、风道设计问题
为了保持上述斜度,变径管的长度L可按下法求得:
(1)单边变径时,如图2.6.6-2(a)。
当(W1-W2) ≥(h1-h2)
时L=(W1-W2)×7当(W1-W2)≤(h1-h2)时, L=(h1-h2) ×7双边均变径时,如图2.6.6-2(b)当(W1-W2) ≥(h1-h2)
时, L=(W1-W2)×3.5当(W1-W2) ≤(h1-h2)时, L=(h1-h2) ×3.5现象:弯头不能随便弯。
1.弯头无导流叶片时,其弯曲半径R最小不得小于1/2W,(W–为风管的宽度)。
一般以1W为宜。
2.带导流叶片之弯头。
由于受空间及障碍物的限制,弯头内侧的曲率半径小于1/2W时,气流所形成的涡流大,压力损失多,此时需加导流叶片。
导流叶片之数量与间距见表2.6.6-1及图2.6.6-3(a)、(b)。
表2.6.6-1
R/W N(叶片数)X X1X2X3
0.35~0.7010.35W0.65W
1.14~0.3020.2W0.2W0.5W
0.07~0.1430.1W0.15W0.25W0.5W
3.当弯头为直角弯头时,为了降低其阻力,应在弯头内安装导流叶片,如图2.6.6-4。
用叶片(a)时,片距P=38mm;用叶片(b),片距P=81mm。
五、风管防火阀门的设备
1、防火阀上设置防火阀应严格遵守防火规范的有关规定。
防火阀安装时应顺
气流方向设置。
如图2.6.9-1
2、防火阀应紧造防火墙设置。
如图2.6.9-2。
3、防火阀不能紧靠防火墙时,防火阀与防火墙之间的风管应加厚。
一般用1.5mm以上的钢板。
4、几种特殊情况下防火阀的设置。
(1)防火墙上有梁,空间太小时,如图2.6.9-4(b)所示安装。
(2)风管穿过防火墙拐角处时,如图2.6.9-4(c)
(3)风管绕梁时,如图2.6.9-4(d)所示安装。
(4)防火阀装在防火墙上时,如图2.6.9-4(e)所示安装。
(5)防火阀装在垂直风管上时,如图2.6.9-4(f)所示安装。
5、高层分共建筑中有大的集中风道竖井时,防火阀的设置如图2.6.9-5所示。