中国煤化工分布图
- 格式:docx
- 大小:59.60 KB
- 文档页数:1
全国大中型煤炭企业名录加简介来源:郭伟的日志一、华北地区:1、山西煤炭运销集团山西煤炭运销集团有限公司是经山西省人民政府批准,由省国资委和11个市国资委出资,在原省煤炭运销总公司的基础上重组改制,组建的以煤炭生产、运销为主业,辅之于煤炭加工转化、煤化工、发电等为一体的现代大型煤炭产业集团,于2007年7月20日正式挂牌成立。
新组建的山西煤销集团注册资本10 1.56亿元人民币,总资产406亿元,集团公司下设11个市分公司,98个县区公司,25个控股企业,有员工4万多名。
经过二十多年的发展,山西煤销集团已建成遍及全省各地的煤炭生产、储运和行销全国26个主要省市的煤炭销售网络,年产运销煤炭近3亿吨。
并与交通、光大、民生等银行,国家五大电力集团,中国神华、中煤集团和铁路、港口等国内大型企业建立了长期友好的战略合作关系。
截止目前,集团公司已累计销售煤炭31亿吨,实现利税270亿元,上缴煤炭专项基金750亿元,是我国最大的煤炭运销专业企业,在中国企业500强排名中位列第92位,连续4年位居中国煤炭企业100强第3名,山西省100强企业第2名,被中国企业联合会评为“中国优秀诚信企业”,被列入全省“十一五”期间企业优先发展的“第一方阵”,省重点扶持的年产5000万吨大型煤炭生产企业之一。
下属煤矿:晋神能源有限公司、山西三元煤业公司、下霍煤业公司2、山西焦煤山西焦煤是中国规模最大、品种最全的焦煤企业,是集煤炭开采加工、电力、焦炭化工、商贸服务等产业于一体的多元化大型集团,同时也是是中国最大的优质炼焦煤生产基地,公司下辖西山煤电、汾西矿业、霍州煤电、山西焦化、华晋焦煤等九家子公司,其中有两家为上市公司。
山西焦煤总部设在山西太原市,公司地跨省内7个市的26个县(市区)。
现有34座煤矿和24座洗煤厂,年产原煤量8821万吨,洗煤厂的年入洗总能力为6825万吨,企业资产总额达825亿元,职工16万人。
其中西山煤电是全国最大的炼焦煤生产基地,汾西矿业集团综合经济实力位居山西工业100强第24位,霍州煤电是全国少有的低硫焦煤基地之一,山西焦化集团为国务院确定的520户国家重点企业和山西省重点保护的优势企业之一。
陕西省煤炭资源分布图陕西省煤炭资源简介&wbtreeid=1008陕西省是我国重要的煤炭工业基地之一,全省含煤总面积约57000km2,累计探明资源量1700亿吨,保有资源量位居全国第三位。
这些资源主要分布在鄂尔多斯盆地及其边缘褶皱带,按照地质时代及地域分布情况,陕西省主要煤炭资源可分为五大煤田,即陕北侏罗纪煤田、陕北石炭二叠纪煤田,陕北三叠纪煤田、陕西三大煤炭基地(图)&wbtreeid=1009陕西省煤炭资源分布概况陕西省位于我国西北之东部,面积万平方公里.基中含煤面积万平方公里,占全省的23%,是国内较丰富的省份。
陕西煤炭资源十分丰富,分布地区较广,约占全省总面积的四分之,97个县(市)中,67个县(市)有煤炭资源,其中47个县(市)具备一定规模的煤炭生产能力。
现探明加预测储量3107亿吨,截至98年底保有储量达1600多亿吨,居全国第三。
秦岭以北有渭北石炭二叠纪煤田、黄陇侏罗纪煤田、陕北侏罗纪煤田、陕北三叠纪煤田和陕北石炭二叠纪煤田;秦岭以南有陕南煤田。
全省煤炭开采历史悠久,煤种齐全。
目前建成生产的有铜川、蒲白、澄合、韩城、焦坪、黄陵、神府等七大矿区,以及各地(市)、县的地方国有煤矿和乡镇煤矿,年产量达5000万吨。
煤种以低变质的长焰、不粘、弱粘和气煤为主,肥煤、焦煤、瘦煤、贫瘦煤和贫煤次之。
有不同等级冶炼精煤,有大、中、小块品种齐全的化工用煤,有低灰、低硫、高发热量的优质动力用煤,可以满足各待业对煤炭的需求。
陕西煤炭资源概况及矿区划分情况(一)陕西煤炭资源状况陕西预测煤炭资源总量为4143亿吨,仅次于新疆、内蒙和山西,居全国第四位。
按照地质时代及地域分布情况,陕西省主要煤炭资源可分为五大煤田,即陕北侏罗纪煤田、陕北石炭二叠纪煤田,陕北石炭三叠纪煤田、渭北石炭二叠纪煤田和黄陇侏罗纪煤田,五大煤田煤炭资源量占全省煤炭资源总量的%以上。
1、陕北侏罗纪煤田分布:府谷、神木、榆林、横山、靖边、定边煤层:可采煤层1~14层,可采总厚~,单层最大厚度为。
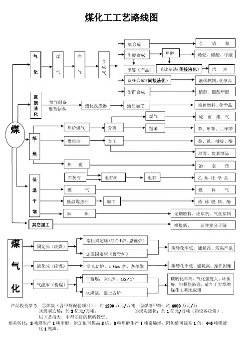
煤化工工艺路线图煤制甲醇典型工艺路线图1、合成甲醇的化学反应方程式:(1)、主反应:C O+2H2=C H3O H+102.5K J/m o l(2)、副反应2CO+4H2=CH3OCH3+H2O+200.2 KJ/molC O+3H2=C H4+H2O+115.6K J/m o l4C O+8H2=C4H9O H+3H2O+49.62K J/m o lC O2+H2=C O+H2O-42.9K J/m o l2、甲醇合成气要求氢碳比f=(H2-CO2)/(CO+CO2)≈2.05~2.10,由于煤炭气化所得到的水煤气CO含量较高,H2含量较低,因此水煤气须经脱硫、变换、脱碳调整气体组成,以达到甲醇合成气的要求。
3、CO变换反应C O+H2O(g)=C O2+H2(放热反应)4、水煤气组分与甲醇合成气组分对比天然气制甲醇工艺流程图1、合成甲醇的化学反应方程式:C H4+H2O=C H3O H+H22、甲醇合成气要求氢碳比f=(H2-CO2)/(CO+CO2)≈2.05~2.10,由于天然气甲烷含量较高,因此要对天然气进行蒸汽转化,生成以H2、CO和CO2位主要成分的转化气。
由于蒸汽转化反应是强吸热反应,因此还要对天然气进行纯氧部分氧化以获取热量,使得蒸汽转化反应正常连续进行,最终达到甲醇合成气的要求。
3、蒸汽转化反应C H4+H2O(g)=C O+H2(强吸热反应)4、纯氧部分氧化反应2C H4+O2=2C O+4H2+35.6k J/m o lC H4+O2=C O2+2H2+109.45k J/m o lC H4+O2=C O2+H2O+802.3k J/m o l5、天然气组分与甲醇合成气组分对比石油化工、煤炭化工产品方案对比(生产烯烃)以天然气(或煤气)为原料的MTO技术流程以天然气(或煤炭)为原料的MTP技术流程水煤炭直接液化工艺流程简图NEDOL直接液化工艺流程。
欢迎共阅陕西省煤炭资源简介陕西省煤炭资源分布概况陕西省位于我国西北之东部,面积20.56万平方公里.基中含煤面积4.77万平方公里,占全省的23%,是国内较丰富的省份。
陕西煤炭资源十分丰富,分布地区较广,约占全省总面积的四分之,97个县(市)中,67个县(市)有煤炭资源,其中47个县(市)具备一定规模的煤炭生产能力。
现探明加预测储量3107亿吨,截至98年底保有储量达1600多亿吨,居全国第三。
秦岭以北有渭北石炭二叠纪煤田、黄陇侏罗纪煤田、陕北侏罗纪煤田、陕北三叠纪煤田和陕北石炭二叠纪煤田;秦岭以南有陕南煤田。
全省煤炭开采历史悠久,煤种齐全。
目前建成生产的有铜川、蒲白、澄合、韩城、焦坪、黄陵、神府等七大矿区,以及各地(市)、县的地方国有煤矿和乡镇煤矿,年产量达5000万吨。
煤种以低变质的长焰、不粘、弱粘和气煤为主,肥煤、焦煤、瘦煤、贫瘦煤和贫煤次之。
有不同等级冶炼精煤,有大、中、小块品种齐全的化工用煤,有低灰、低硫、高发热量的优质动力用煤,可以满足各待业对煤炭的需求。
陕西煤炭资源概况及矿区划分情况(一)陕西煤炭资源状况储量:煤炭资源量1190亿吨,约占全省煤炭资源总量的28.7%;累计探明储量58.3亿吨,已利用4.5亿吨,尚未利用53.8亿吨。
煤田地质结构较复杂,勘探程度较低。
煤种:(府谷)长焰煤、气煤;(吴堡)焦煤、贫煤特点:府谷的长焰煤、气煤具有中~高灰,特低~高硫、低~中磷、中高热值的特点,可作为气化、液化和动力用煤;吴堡的焦煤、肥煤、贫煤可做炼焦煤和炼焦配煤。
3、陕北三叠纪煤田分?布:延安、子长、安塞、横山煤层:可采煤层6层,一般单层厚度小于lm储量:煤炭资源量18.1亿吨,约占全省煤炭资源总量的0.4%;累计探明储量17.4亿吨,已利用5.3亿吨,尚未利用12.1亿吨。
煤种:气煤特点:良好的动力用煤和气化用煤(二)矿区划分情况(按照规划划分)陕西省五大煤田矿区及勘查区划分情况如下:1、陕北侏罗纪煤田划分为神府矿区、榆神矿区、榆横矿区和靖定预查区。
内蒙古矿产资源分布内蒙古矿产资源分布黑色金属、有色金属、贵金属等金属矿产以及化工原料工业辅料等非金属矿产种类繁多,储量丰富;石油、天然气内蒙古准格尔旗内蒙古伊金霍洛旗、杭锦旗、达拉特旗、准格尔旗、鄂尔多达拉特旗、准格尔旗、鄂尔多斯市自治区直辖县级政区:煤炭兴安盟:铁、铬、银、锌、铅、铜、花岗岩、珍珠岩、煤乌兰浩特市:铜、铁、铅、锌、大理石、石灰石阿尔山市:铁、锌、硅砂、石灰石、大理石、花岗岩、黑曜岩、珍珠岩突泉县:铜、煤、银、锌、铁、石灰石、蛇纹岩、铝矾土、膨化土科尔沁右翼前旗:大理石、莹石、硅石科尔沁右翼中旗:金、银、铜、铁、铅、锌、稀土、珍珠岩、石英石、麦饭石、煤阿拉善盟:芒硝、花岗岩、金、银、铜、水晶、玛瑙、冰洲石阿拉善左旗:煤、盐、硝、石膏阿拉善右旗:煤、盐、碱、硝、黄金、铁、铜、石墨、萤石、花岗岩、冰洲石巴彦淖尔盟:金、硫铁、铜、铅、锌乌拉特中旗:黄金、煤、珍珠岩、褐铁、赤铁、铬铁、硫铁、铝、锌、磷、萤石、石英、长石、石灰石、石墨、云母、菱镁、萤石、蛇纹岩、冰洲石、玉髓、绿柱石、铌铁、钶铁乌拉特前旗:煤、铁、金、铜、石墨、云母、石英石、石灰石、珍珠岩乌拉特后旗:硫铁、铜、铅、镍、钴、玛瑙、石墨呼伦贝盟:煤、铜、铅、锌、金、银牙克石市:煤矿、铁矿、石灰矿、铜矿扎兰屯市:铜、铁、砂金、硅石根河市:铅、锌、铁、锰、金、银、石灰石、大理石、珍珠岩、石墨、冰洲岩陈巴尔虎旗:铜、钼、莹石、芒硝、硫铁阿荣旗:金、铜、铁、铝、锌、石灰石、大理石、玛瑙、硅石、沸石、煤新巴尔虎左旗:硝、碱、石油、煤、珍珠岩、膨润土新巴尔虎右旗:金、银、铜、钼、铅、锌、锰、铁、鳞、钨、锡、锇鄂伦春族自治旗:煤、白金、黄金、银、镍莫力达瓦达斡尔族自治旗:煤炭、铁矿、沙金、珍珠岩锡林郭勒盟:石油、天然碱、煤炭锡林浩特市:煤、石油、铬、铁、锡、铜、莹石、锗、芒硝阿巴嘎旗:煤、石油、油页岩、铁、镍、萤石、石灰石、石膏、磷、芒硝、水晶西乌珠穆沁旗:煤、水晶石、大理石、石油、铁、镍、铜东乌珠穆沁旗:煤、石油、金、银、铜、铁、钨、岩盐、水晶、玛瑙、芒硝、珍珠岩、石灰岩苏尼特左旗:褐煤、芒硝、萤石、云母、硅石、石膏、花岗岩、水泥灰岩、大理石、金、铬、铁、铜苏尼特右旗:铁、铜、金、芒硝、石油、天然碱、萤石、石膏、石灰石、红色花岗岩太仆寺旗:银、铜、锡、镍、钴、铅、铀、硅石、钾长石、大理石、白云母、氟石、珍珠岩、松脂岩、黑耀岩、膨润土、石墨、玛瑙、天青石、雕塑刻用玉石正镶白旗:石灰岩、自然芒硝、白盐、花岗岩、碱、萤石、水晶石、金、铁铜、锌正蓝旗:金、铁、褐煤、石灰石、硅石、石英砂、天然碱、膨润土、大理石、萤石、珍珠岩镶黄旗:金、铜、铁、铬、钨矿、萤石、芒硝、煤乌兰察布盟:铁、锰、铬、铜、铝、金、钽、铌、膨润土、大理石、石墨集宁市:黄金、氟石、石灰石、膨润土、高岭土丰镇市:墨玉、铅锌银共生矿、优质矿泉水、玄武岩兴和县:石墨、膨润土、硅线石、墨玉、石灰石、蓝宝石、大理石、磷矿石、铁矿石、石莹石、重晶石、钾长石、绿柱石、水晶石、浮石、钨沙、白云母、褐煤卓资县:铁、锰、铜、铅、锌、钨、金、煤、油页岩、石棉、云母、石墨、石灰石、水晶石、萤石、沸石、磷灰石、大理石、浮石、耐火石、膨润土商都县:石英石、长石、萤石、硅藻土凉城县:金、铜、铅、锌、银、铁化德县:硅藻土、石英石、萤石、长石、水晶石、绿柱石、大理石、白云母、钨、金、银、铜、锡、锌、褐石察哈尔右翼前旗:煤、银、锌、铅、锰、石榴石、硅藻土、墨玉石、硅线石、石灰石、云母察哈尔右翼中旗:金、银、铁、石棉、石英、钾长石、石灰石、大理石察哈尔右翼后旗:石灰石、浮石、大理石四子王旗:金、铜、镍、萤石、石膏、芒硝鄂尔多斯市:煤、铁、天然气、铀、钍、锗、石膏、芒硝、盐、碱东胜区:天然气、油页岩、耐火粘土、石灰石、黄铁矿、石英砂伊金霍洛旗:煤炭、天然碱、泥炭、石英砂、石灰岩、粘土鄂托克旗:煤炭、高岭土、芒硝、石膏、天然碱、石灰石、石英岩、铁矿石鄂托克前旗:石膏、盐碱、芒硝、煤、石油、天然气杭锦旗:盐、碱、硝、石膏、石英砂、红蓝粘土达拉特旗:煤、硭硝、石英砂、粘土耳字壕镇:褐煤通辽市:煤炭、石油、硅砂科尔沁区:石油、煤炭、硅砂科尔沁左翼后旗:煤、石油、矽砂库伦旗:铁、钨、铜、铝、锌、金、石灰石、大理石、氟石、石灰岩、珍珠岩、页岩、水晶、莹石、硅石、玛瑙奈曼旗:麦饭石、大理石、石英石、金、银、铜、铁、铅、锌扎鲁特旗:稀土、煤炭、叶蜡石、石墨、云母、金、银、铝、铜内蒙古自治区:稀土矿、铌、天然碱甘肃省矿产资源分布甘肃省矿产资源分布镍、钴、铂族、硒、铸型粘土、饰面蛇纹、锌、铱、梯、重晶石、菱镁张掖地区:煤、铁、金、铬、萤石、白云岩、石灰岩山丹县:煤、铁、石灰岩、硅石、粘土、石英、金银矿、白云岩、花岗岩临泽县:煤、石膏、石英石、大理石、凹凸棒石、白云岩、蛭石、锰、铜矿石、沙金高台县:芒硝、原盐、萤石、硅石、石英石肃南裕固族自治县:煤炭、石灰石武威地区:有煤、铁、金、石膏、石灰石、石英石武威市:煤、石膏、萤石、花岗岩民勤县:煤、石油、食盐、芒硝、石墨、石膏、水晶石古浪县:煤炭、石膏、花岗岩、铁、铜、高岭土、粘土、重晶石、砂金陇南地区:铅、锌、锑、金、铜、铁、汞、大理石、重晶石成县:铜、铁、铅、锌、煤礼县:金、铜、锑、铅、锌、铣、冰洲石、玛瑙石、水晶石、大理石、煤康县:黄金、铁、磷、煤、银、硫、硅石、冰洲石、水晶石、景文石武都县:煤、铁、铝、锌、沙金、磷、硫、石灰岩文县:铜、铁、煤、重晶石店坝乡:金、铜、锰两当县:金、银、铜、铁、铅锌、煤炭、陶土、大理石徽县:铅、锌、铁、金宕昌县:锑、铜、铁庆阳地区:石油、天然气、煤庆阳县:石油环县:石油、天然气、石灰岩、煤、白云岩、芒硝、石英砂、磷矿粉宁县:天然气、石油、煤炭、铜、伊里粘土矿、石英砂、皮硝、火硝正宁县:煤炭平凉地区:煤炭平凉市:煤、铁、铜、铝、石灰石、陶土、膨润土崇信县:煤炭华亭县:煤炭、陶土、坩泥、石灰石、石英砂庄浪县:大理石、石灰石、铜矿定西地区:红柱石、大理石、黄金、锑渭源县:大理石、腐植酸泥炭、高岭土、陶瓷土通渭县:花岗岩、大理石、硅铁矿、高岭土、地热温泉、煤临洮县:高岭土、方解石、大理石、莹石、石灰石嘉峪关市:铁矿、重晶石、石灰石、白云石、造型黏土天水市:铁、铜、铅、锌、金等,清水、北关的大理石、白云石、蛇纹岩白银市:铜、铅、锌、金、银、铁、锰、煤、黏土、石灰石、石膏白银区:铜、铅、锌、金、银、石灰石、麦饭石平川区:煤炭、陶土、石灰石、砂金、铜景泰县:石膏、石灰石会宁县:石灰石、芒硝、矿泉水金昌市:镍、铂、铜、金、煤、铁、萤石、石灰石金川区:镍、铜、铬、铂、钯、金永昌县:煤、花岗岩、萤石、石灰石、磷矿石、膨润土、陶土、石英砂、水晶、玛瑙、玉石及铁、铜、镍、铅、锌、钨、硅兰州市:煤、油页岩、石灰石、黏土、白云石、硅石、石英岩、石膏七里河区:煤炭、石英石、坩泥、石灰石、沙矿、路标石红古区:煤炭、石油、天然气、蛇纹岩、坩土、石英石永登县:铜、猛、铁、铝、金、软玉、大理石榆中县:砂金矿、金矿、锰矿、铅锌矿、硫铁矿、石灰岩、白云岩、方解岩、石英岩、白云母皋兰县:金、银、铜、铁、铅、锌、石英砂、石灰石、大理石、花岗石宁夏矿产资源分布宁夏矿产资源分布:银川市郊区:磷矿、石灰石、辉绿岩、白云石、石灰岩、硅矿石、建材砂石永宁县:煤、铁、石膏、石灰、磷石嘴山市大武口区:煤、建筑石材、石英岩、粘土石嘴山区:煤炭、粘土、沙金石炭井区:煤平罗县:煤惠农县:煤炭、硅石、水晶、硅铁、镁吴忠市利通区:石灰岩、沙砾石和、红胶泥青铜峡市:煤、重晶石、石膏、石灰岩、砂砾、胶泥灵武市:煤炭、石油、天然气、陶土同心县:煤、石膏、白云岩、石灰岩盐池县:石油、天然气、煤炭、石膏、石灰岩、白云岩中宁县:煤、石灰岩、锰、金固原地区固原县:煤炭、石灰石、石英砂、大理石、白云岩、铝、锌海原县:石膏、硅石、花岗岩、料石、砂西吉县:油页岩、铜、石膏、泥灰岩隆德县:油页岩、煤泥、石灰岩、泥岩、铁、铅、磷泾源县:石灰岩、泥岩、铁、铅、磷陕西省矿产资源分布陕西省矿产资源分布西安市临潼区:石墨矿、金矿长安县:线石、蛭石、砂户县:铁、锰、铜、铅、锌、金、大理石铜州市王益区:煤炭、石灰石、耐火粘土、陶瓷粘土印台区:煤炭、耐火粘土、高铝粘土、柴油砂土、油页岩耀县:煤炭、石灰石、高岭土宝鸡市岐山县:石灰石、石英石凤翔县:石灰石、大理石、煤太白县:金、银、铜、铅、锌、镁麟游县:煤、石灰石、石英砂、金、铁、陶土眉县:铜、铁、铝、锌、硫磺、红柱石、大理石、石英石、绿帘石咸阳市渭城区:粘土、沙子永寿县:煤、铁、石灰岩、石类砂岩、陶土旬邑县:煤、石油、天然气、石灰石、陶土长武县:油页岩、天然气、煤炭乾县:石灰石、矿泉水、磷矿石淳化县:煤、石灰石渭南市渭南市:煤、钼、金韩城市:煤炭华阴市:金、铁、铜、钼、银、稀土、蛭石蒲城县:煤、石灰石、大理石、硫铁矿、铝钒土、粘土潼关县:黄金、石墨、花岗岩、石英、大理石、蛭石、铅矿白水县:煤炭、石灰石、石英石、青红砂石、铁、锰、石膏、粘土华县:金、银、钼、铁延安市宝塔区:石油、煤炭、天然气、石灰石、紫砂陶土子长县:煤、石油、天然气延川县:石油、煤炭、沙子富县:煤炭、石油、天然气、紫砂陶土延长县:石油、煤炭、天然气、瓷土、石灰石、石英砂岩、铁矿石甘泉县:石油、天然气、石灰石、紫砂陶土志丹县:石油、天然气、油页岩吴旗县:石油汉中市汉台区:磷、石英岩、石灰岩、白云岩、大理石、锰、砂金留坝县:大理石、中蛇纹石、花岗石镇巴县:煤、板石、锰、铁南郑县:铁、铅、金、银、锌、花岗石、石灰石、白云岩、大理石、磷矿洋县:钛磁铁矿、石英矿、膨润土、石墨、砂金、铜、铁矿宁强县:铜、铁、锰、镍、金、石棉、硫铁、大理石、花岗岩西乡县:石膏、石灰石、花岗石、大理石、锰矿、硫铁矿、钒钛磁铁矿、白云石、叶蜡石、铅锌略阳县:金、铜、铁、镍、锰、铅、锌、银、石棉、磷、蛇纹石、白云石榆林市榆林市:煤、石油、天然气、铝凡土、铁矿石、石灰岩、石英砂、泥炭、瓷土、食盐、高岭土榆阳区:煤炭、高岭土、岩盐子洲县:石油、煤炭、天然气、盐定边县:石油、天然气、原盐、钾盐、芒硝、硫化镁西藏自治区一、历史概况西藏古称“蕃”,简称“藏”。
煤化工工艺路线图③煤制乙烯:约2亿元/万吨; 以上是指大、中型项目的概略投资。
相关转化:2吨煤生产1吨甲醇,附加值可提高8倍;3吨甲醇生产1吨聚烯烃,附加值可提高1倍。
4-5吨煤液化1吨油。
④煤炭液化:约1亿元/万吨(指设备投资)。
产品投资参考:①焦炭(含甲醇配套项目):约1200万元/万吨;②煤制甲醇:约4000万元/万煤制甲醇典型工艺路线图1、合成甲醇的化学反应方程式:(1)、主反应:CO+2H2=CH3OH+102. 5KJ/mol(2)、副反应2CO+4H 2=CH3OCH3+H2O+200.2 KJ/mol CO+3H2=CH4+H2O+115. 6 KJ/mol4CO+8H2=C4H9OH+3H2O+49. 62 KJ/mol CO2+H2=CO+H2O-42. 9 KJ/mol2、甲醇合成气要求氢碳比f=(H2-CO2)/(CO+CO2尸2.05~2.10,由于煤炭气化所得到的水煤气CO含量较高,H2含量较低,因此水煤气须经脱硫、变换、脱碳调整气体组成,以达到甲醇合成气的要求。
3、CO变换反应CO+H2O(g)=CO2+H2(放热反应)天然气制甲醇工艺流程图► 空分1、合成甲醇的化学反应方程式:CH 4+H 2O=CH 3OH+H 22、甲醇合成气要求氢碳比f=(H 2-CO 2)/(CO+CO 2)心2.05~2.10,由于天然气甲 烷含量较高,因此要对天然气进行蒸汽转化,生成以H 2、CO 和CO 2位主要 成分的转化气。
由于蒸汽转化反应是强吸热反应,因此还要对天然气进行纯 氧部分氧化以获取热量,使得蒸汽转化反应正常连续进行,最终达到甲醇合 成气的要求。
3、蒸汽转化反应C H 4 + H 2 O ( g ) = C O + H 2(强吸热反应) 4、纯氧部分氧化反应 2CH 4+O 2=2CO+4H 2+35. 6kJ/mol CH 4+O 2=CO 2+2H 2+109. 45 kJ/molCH 4+O 2=CO 2+H 2O+802. 3 kJ/mol 5、天然气组分与甲醇合成气组分对比气体种类 气体组分(%)COH2CO 2 阻 天然气3.296.2甲醇合成气29.90 67.64 29.900.1石油化工、煤炭化工产品方案对比(生产烯烃)天然气 ―压缩 一精精脱硫压缩 ——►甲醇合成 , 粗甲醇 + 精馏 f 甲醇产品空气 部分氧化以天然气(或煤气)为原料的MTO技术流程天然气7亿立方甲醇50万吨/年乙烯、丙烯16.7万吨丁烯2.2万吨争MTO C51.0万吨液化气1.2万吨水28.9万吨以天然气(或煤炭)为原料的MTP技术流程丙烯24万吨聚丙烯16万吨煤炭直接液化工艺流程简图NEDOL 直接液化工艺流循环氢气"操作温度:430~465℃操作压力:17~19Mpa减压蒸八、、馏塔操作温度.加氢循环溶剂。
永坪
察右后旗
前郭石化大庆炼化(辖林源炼油厂)中国蓝星 250
大庆石化 430 500 20050
20 20盘锦北燃 50盘锦兆龙 20通辽亿沥 30
辽宁华路 20 15
250
550 / 600
日照岚桥石大日照新海石化中海沥青滨阳燃化京博石化鲁北化工天宏新能源永鑫化工营口佳孚 100中海石化 100
抚顺石化北方石化 120 30
清江石化润尔华化工 100
扬子石化金海宏业南通焯盛石化南通长江南通华大 30 / 杭州炼油厂浙江泰科 60
* 1500
150中海油惠州炼厂东莞新能 60东莞晔联 60
肇庆荣泰江门盈昌江门昊晟三水海盛达佛山顺燃三水三泰 500泰邦能源 120
茂名石化 1350 海南炼化* 1500
安庆石化 650
延安炼厂榆林炼厂中聚能源120金石集团 100
银川宝塔精细化工 200宁夏宝塔能源化工宁夏宝塔石化 100
宁夏盐池 30
宝塔灵州石化 60宁夏炼化呼和浩特石化 500
200
华庆石化中油秦皇岛 70
光大化工 80石家庄炼厂沧州威亚通达石化大连石化 2050大连西太大连铭源 120
1000炼厂名称乙烯裂解能力 63
乙烯裂解能力13.5
乙烯裂解能力65
乙烯裂解能力
乙烯裂解能力 20乙烯裂解能力 28乙烯裂解能力 20
包头神华
乙烯裂解能力 30
中海壳牌沈阳东和 150。
2021年中国煤化工行业全景速览摘要:一、发展环境:煤炭资源充足,给行业提供良好的支撑中国是世界上煤炭第一生产大国,产量占全球煤炭产量的一半以上。
但我国的煤炭资源分布不均衡,主要分布在内蒙古鄂尔多斯地区、山西、陕西和新疆地区,我国的煤炭资源也逐渐形成了“北煤南运、西煤东调”的格局。
煤化工按照不同的生产工艺不同主要可以分为煤焦化、煤气化、煤液化等等。
煤化工产品可以广泛应用于各个领域,如炼铁和有色金属冶炼、城市煤气、燃料、食品、药品、农业种植等。
尤其是煤液化生产出汽油、柴油等,在石油短缺时,可以替代天然石油。
二、发展现状:煤化工市场规模扩大,产能产量逐年上涨煤化工开始于第一次工业革命,随着石油化工的兴起,煤化工发展速度放缓。
但随着石油供应紧张,油价持续上涨,煤化工再一次被人们重视起来。
近年来,我国焦炭、甲醇、煤制气、煤制油等煤化工产品的产能产量逐渐上涨。
煤化工产品的发展,能在一定程度上缓解我国“富煤、缺油、少气”的能源问题,从而提高能源安全。
三、企业分析:重点企业煤化工毛利率有所下滑,但煤化工营收整体呈上涨趋势中国神华和中煤能源都是煤化工领域的重点企业,其煤炭开采、安全生产技术均处于国内领先水平。
2016-2021年两家企业的煤化工毛利率整体上有所下滑,但两家企业的煤化工营业收入整体上呈现出缓慢上涨的趋势,尤其中煤能源2021年煤化工营业收入为216.7亿元,同比上涨27.07%,同年中国神华的煤化工营业收入为58.51亿元,同比上涨13.28%。
四、发展趋势:煤化工将有效发挥“石油替代”的作用,完善国家能源结构,同时向清洁低碳能源发展面对国际上石油价格动荡的现状,通过现代煤化工制取油品和大宗化学品,可以在一定程度上缓解我国石油的对外依赖度过高的问题,弥补国家能源的结构性缺陷。
同时煤化工产品价格受供需关系、产品特点、运力、天气等多重因素影响,变幻莫测,部分市场研判能力弱的企业就会被淘汰出局,从而促进行业集中度的提高。
中国地炼哪家强?山东41家地炼分布图中国化工第一大省非山东莫属,而提及山东,“地炼”是耀眼的关键词。
今天我们将从3张山东41家主要地炼分布图开始,向大家详细介绍山东主要地炼企业的基本信息。
3张图了解山东地炼加工能力1、鑫岳燃化240万吨,亚通石化276万吨,天弘化学440万吨,精细化工197万吨,利津石化350万吨,垦利石化252万吨,神驰252万吨,齐润石化220万,京博石化331万吨,鲁清石化258万吨,金诚石化456万吨,恒源石化350万吨,汇丰石化416万,清源集团404万吨,弘润石化530万吨,海右石化320万吨,岚桥石化239.6万吨,东明石化750万吨。
2、山东地炼炼化区域布局地图除济宁、泰安、莱芜、枣庄、聊城和威海6市没有炼化企业外,其他各市均有布点,其中东营、潍坊、淄博、滨州聚集了37家地炼(占总数的70%)。
炼化能力14526万吨(占总数的73%)。
3、山东原油管道输送设施规划地图山东最终要形成“四横五纵”原油输配系统,每年最多可向省内陆炼企业输送原油12800万吨,新建管道:烟淄线,董家口-潍坊-鲁中、鲁北,日照-东营管道,东营港-广饶管道,滨州港-中海沥青管道,滨海-青州管道。
山东地炼呈现的特点山东地炼目前仍处在布局散乱、各自为战的状态。
其突出表现就是山东地炼呈现出数量多(截至2018年,剔除长期无效产能维持正常或间歇生产的山东地炼约53家)、规模小(一次加工能力在300万吨/年以下炼厂占到60%,一次加工能力在500万吨/年以上仅占20%左右)、分布散(广泛分布于东营、淄博、滨州、潍坊、菏泽一带)的格局。
另外,山东多数炼化企业处于价值链中低端,汽柴油、石脑油等初加工产品占比80%以上,而下游高端石化产品严重短缺,乙烯50%依赖进口,芳烃57%依赖进口。
山东省除济宁、泰安、莱芜、枣庄、聊城和威海6市没有炼化企业外,其他各市均有布点,其中东营、潍坊、淄博、滨州聚集了37家地炼(占总数的70%),炼化能力14526万吨(占总数的73%)。
陕西省煤炭资源分布图陕西省煤炭资源简介陕西三大煤炭基地(图)陕西省煤炭资源分布概况陕西省位于我国西北之东部,面积20.56万平方公里.基中含煤面积4.77万平方公里,占全省的23%,是国内较丰富的省份。
陕西煤炭资源十分丰富,分布地区较广,约占全省总面积的四分之,97个县(市)中,67个县(市)有煤炭资源,其中47个县(市)具备一定规模的煤炭生产能力。
现探明加预测储量3107亿吨,截至98年底保有储量达1600多亿吨,居全国第三。
秦岭以北有渭北石炭二叠纪煤田、黄陇侏罗纪煤田、陕北侏罗纪煤田、陕北三叠纪煤田和陕北石炭二叠纪煤田;秦岭以南有陕南煤田。
全省煤炭开采历史悠久,煤种齐全。
目前建成生产的有铜川、蒲白、澄合、韩城、焦坪、黄陵、神府等七大矿区,以及各地(市)、县的地方国有煤矿和乡镇煤矿,年产量达5000万吨。
煤种以低变质的长焰、不粘、弱粘和气煤为主,肥煤、焦煤、瘦煤、贫瘦煤和贫煤次之。
有不同等级冶炼精煤,有大、中、小块品种齐全的化工用煤,有低灰、低硫、高发热量的优质动力用煤,可以满足各待业对煤炭的需求。
陕西煤炭资源概况及矿区划分情况(一)陕西煤炭资源状况陕西预测煤炭资源总量为4143亿吨,仅次于新疆、内蒙和山西,居全国第四位。
按照地质时代及地域分布情况,陕西省主要煤炭资源可分为五大煤田,即陕北侏罗纪煤田、陕北石炭二叠纪煤田,陕北石炭三叠纪煤田、渭北石炭二叠纪煤田和黄陇侏罗纪煤田,五大煤田煤炭资源量占全省煤炭资源总量的99.9%以上。
1、陕北侏罗纪煤田分布:府谷、神木、榆林、横山、靖边、定边煤层:可采煤层1~14层,可采总厚0.7~26.89m,单层最大厚度为12.5m。
储量:煤炭资源量2216亿吨,约占全省煤炭资源总量的53.5%;累计探明储量为1388亿吨,已利用61.7亿吨,尚未利用1315亿吨。
该煤田是世界七大煤田之一。
煤种:不粘煤、长焰煤特点:低灰、低硫、低磷、高~特高热值,是优质的低温干馏、工业气化和动力用煤。
化工产业链图谱(一)石油化工产业链(二)氯碱化工循环经济产业链(三)煤化工产业链化工产业龙头企业和招商项目根据省委经济工作会、对外开放会等会议精神要求,为进一步推动全市经济又好又快发展,我市将继续加大招商引资工作力度,提高招商引资的质量和水平,为此结合我市产业特点和优势,并对全国500强化工企业进行了初步筛选,现将情况报告如下:一、龙头企业(一)石油化工企业借助我市化工产业园的集聚优势,充分利用洛阳石化的原料、技术、人才优势,大力开展产业招商活动,延伸石化产业链条,重点发展精细化工、橡塑加工、化纤及新材料加工产业,着力构建循环经济产业链,形成产业结构特征明显、化工企业高度集聚、比较优势突出的国内一流化工园区。
1、中国石化仪征化纤股份有限公司中国石化仪征化纤股份有限公司是中国最大的现代化化纤和化纤原料生产基地之一,是世界第六大聚酯生产商。
主要从事生产及销售聚酯切片和涤纶纤维业务,并生产聚酯原料精对苯二甲酸(“PTA”),经营范围包括化纤及化工产品的生产及销售,原辅材料与纺织机械的生产,纺织技术开发,自产产品运输及技术服务。
规划:“十二五”期间,优化原料采购,努力提升盈利能力,继续扩大PTA生产规模,生产差别化纤,将继续推进10 万吨/年1,4- 丁二醇项目的建设,做好高性能聚乙烯纤维二期项目的启动工作;抓紧完善100 吨/年对位芳纶项目,努力实现长周期稳定运行,提高产品质量,并争取尽快启动千吨级芳纶项目建设。
布局:“十二五”期间,公司在北京、上海、安徽、河南、湖北、浙江等地建设石化生产基地。
董事长:卢立勇地址:江苏省扬州市仪征市真州路22号电话:5联系途径:通过洛阳石化与该企业对接。
2、中国蓝星集团中国蓝星是一家以化工新材料及特种化学品为主导的化工企业,自创立以来,蓝星依靠不断的创新和并购取得了飞速发展,成为中国最成功的化工企业之一。
目前蓝星在全球拥有45个工厂和17家科研机构,业务遍及150个国家和地区,2010年销售收入达456亿元,是中国有机硅、双酚A、特种环氧树脂、彩色显影剂、PPE工程塑料的最大生产商。
中国煤炭资源分布图详解1、神东基地:神东、万利、准格尔、包头、乌海、府⾕矿区2、陕北基地:榆神、榆横矿区3、黄陇基地:彬长(含永陇)、黄陵、旬耀、铜川、蒲⽩、澄合、韩城、华亭矿区4、晋北基地:⼤同、平朔、朔南、轩岗、河保偏、岚县矿区5、晋中基地:西⼭、东⼭、汾西、霍州、离柳、乡宁、霍东、⽯隰矿区6、晋东基地:晋城、潞安、阳泉、武夏矿区7、蒙东(东北)基地:扎赉诺尔、宝⽇希勒、伊敏、⼤雁、霍林河、平庄、⽩⾳华、胜利、⾩新、铁法、沈阳、抚顺、鸡西、七台河、双鸭⼭、鹤岗矿区8、两淮基地:淮南、淮北矿区9、鲁西基地:兖州、济宁、新汶、枣滕、龙⼝、淄博、肥城、巨野、黄河北矿区10、河南基地:鹤壁、焦作、义马、郑州、平顶⼭、永夏矿区11、冀中基地:峰峰、邯郸、邢台、井陉、开滦、蔚县、宣化下花园、张家⼝北部、平原⼤型煤⽥12、云贵基地:盘县、普兴:、⽔城、、六枝、织纳、黔北、⽼⼚、⼩龙潭、昭通、镇雄、恩洪、筠连、古叙矿区13、宁东基地:⽯嘴⼭、⽯炭笋、灵武、鸳鸯湖、横城、韦州、马家滩;积家并、萌城矿区⼤型煤炭基地煤炭储量丰富、煤类齐全、煤质优良,开采条件较好,区位优势明显,已具有⼀定的⽣产开发规模和配套⼯程设施。
规划建设⼤型煤炭基地,对维护国家能源安全、满⾜经济社会发展需要、调整和优化煤炭⽣产结构、促进资源地区经济社会发展,具有⼗分重要的意义。
神东、晋北、晋中、晋东、陕北⼤型煤炭基地处于中西部地区,主要担负向华东、华北、东北等地区供给煤炭,并作为"西电东送"北通道电煤基地。
冀中、河南、鲁西、两淮基地处于煤炭消费量⼤的东中部,担负向京津冀、中南、华东地区供给煤炭。
蒙东(东北)基地担负向东北三省和内蒙古东部地区供给煤炭。
云贵基地担负向西南、中南地区供给煤炭,并作为"西电东送"南通道电煤基地。
黄陇(含华亭)、宁东基地担负向西北、华东、中南地区供给煤炭。
⼤型煤炭基地建设将按照发展循环经济的要求,综合开发利⽤煤炭及与煤共伴⽣资源,实现上下游产业联营和集聚,把⼤型煤炭基地建成煤炭调出基地、电⼒供应基地、煤化⼯基地和资源综合利⽤基地。
中国煤炭的根基:这14个亿吨级国家重点煤炭基地,一个都不能少!2016年底,国家发布《全国矿产资源规划2016-2020》,提出重点建设神东、晋北、晋中、晋西等14个煤炭基地,并划定了162个国家规划煤炭矿区,本期,《矿业汇》就带大家盘点一下这14个煤炭基地。
蒙东(东北)基地担负向东北三省和内蒙古东部地区供给煤炭。
神东、晋北、晋中、晋东、陕北五个大型煤炭基地,主要担负向华东、华北、东北等地区供给煤炭,并作为"西电东送"北通道电煤基地。
冀中、河南、鲁西、两淮四个基地,担负向京津冀、中南、华东地区供给煤炭。
云贵基地担负向西南、中南地区供给煤炭,并作为"西电东送"南通道电煤基地。
黄陇、宁东基地担负向西北、华东、中南地区供给煤炭。
中国14个煤炭基地简介1、神东基地神东基地位于陕西省北部、晋陕蒙三省交界地带,以神府、东胜两大矿区为主。
神府煤田位于陕西榆林,煤矿储量达1349.4亿吨,东胜煤田位于内蒙古伊克昭盟境内,探明储量2236亿吨,以上述两大矿区为主的神东煤田是我国已探明储量最大的整装煤田,约占全国已探明储量的1/4,属世界八大煤田之一。
神东煤田的煤为世界少见的优质动力煤,尤以煤田南部为最佳。
神华神东集团主要负责神府-东胜矿区的煤炭开发与建设,自1985年开发建设以来,神东现拥有生产矿井15个,其中内蒙古境内9个,陕西境内5个,山西境内1个。
在矿井规模上,有2 个达到了2000 万吨/ 年以上,8 个达到1000 万吨/ 年,形成了千万吨矿井群生产格局,整体产能超过2亿吨。
2、晋北基地晋北基地是我国特大型动力煤基地,位于山西省太原以北地区,包括大同市、朔州市、忻州市、太原市、娄烦县、吕梁市和岚县,主要包括大同、平朔、朔南、轩岗、河保偏、岚县矿区。
平朔矿区:地处山西省宁武煤田的北端,是晋北基地的主要矿区,探明地质储量167.3亿吨,矿区原煤核准生产能力5450万吨(不含收购的地方煤矿),年原煤入洗能力6600万吨/年,外运能力7000万吨/年。