汽车空调整车降温性能试验方
- 格式:pdf
- 大小:156.12 KB
- 文档页数:8
整车冷却、热害测试验证方法一、概述整车冷却、热害测试验证一般以环境试验室测试和实车现地测试两种方式进行,因现地测试的条件无法精确控制,一般作为实用性判定及环境试验室测试结果的参考。
量化的系统分析及冷却、热害水准判定,以环境试验室模拟测试为准。
在冷却、热害测试过程中,除了冷却水温度、机油温度量测外,空调系统中冷媒温度和压力、热害顾虑部品的温度均要量测。
在试验过程中还应对A/C保护工作温度点进行确认。
测试条件或参数的设定应根据车型、目标使用环境等因素来决定,二、常用测试模式(实验室模拟)对整车冷却能力的测试现有两种模式,分别从不同的角度和出发点来测试、评价整车的冷却性能。
1、基于实车使用工况的模拟测试模式这种模式以车辆在使用过程中典型的工况为前提,结合车辆冷却系统的性能特点,依不同的车辆类型作为条件设定的依据。
对相同类型的车辆,其测试循环和参数设定是一样的。
2、基于发动机特性的模拟测试模式这种模式以发动机理论上可能需要的最大水套散热功率和车辆可能的热平衡严苛工况为前提,一般测试车辆在发动机功率点和扭矩点转速时的冷却能力。
其测试过程属于特定工况点测试,未进行循环工况测试。
测试时坡度等参数的设定会依车型作些变化。
3、比照上述两种测试模式,第一种模式偏向于从车辆可能的使用条件考虑问题,实用性较好,适合于乘用为主车辆的测试验证。
但对一些非常用工况(如长时间低速爬陡坡)模拟不够(一般认为乘用车极少有这种工况)。
第二种模式偏向于从理论上研究可能的热平衡最严苛工况,但对开空调条件下,长时间IDLE、城市走行工况的模拟不够。
这种模式比较适合于卡车的测试验证。
三、两种模拟测试模式详解1、基于实车使用工况测试模式基于实车使用工况测试循环共有四种,①高速平坦及高速爬坡②中、低速爬坡③迟滞走行④缓加速。
不同的测试循环分别模拟不同的典型车辆工况,对于新开发车型一般进行所有的四个测试,以全面测试验证整车冷却、热害水准。
对于特定的项目而言,在有足够的DA TA BASE前提下,有时为了节省时间可只做①中、低速爬坡和②迟滞走行这两个测试循环(一般认为中、低速爬坡工况最为严苛,但应根据车型、DATA BASE等情况分析而定)。
整车环模实验试验方法一、最大制冷环境模拟实验:1、环境温度。
a)试验温度:(38+1)℃b)相对湿度:40%c)阳光负荷(在车顶中内测量):1000W/m^22、实验过程2.1.车辆准备:车辆按布点要求布好测试传感器,检查车况良好,加好实验用的燃油,进入实验室按实验室要求固定好车辆,确认测试传感器正常工作。
2.2 加热、预浸、沉浸2.2.1加热。
a) 风速:根据需要调节风速的大小b) 温度:试验温度c) 发动机:关d) 鼓风机:中档e) 电池:与充电器连接f) 车窗:根据需要调节其开度或者关闭g) 空气方向:空调出口管模式h) 阳光负荷:开i)时间:直到车身整体(如,座椅固定导轨)温度达到试验温度。
2.2.2预浸。
(目的:使车辆的各个部件温度与环境温度一致)a) 风速:50 km/hb) 温度:试验温度c) 发动机:开(怠速)d) 压缩机:关e) 鼓风机:中档f) 车窗:开g) 空气方向:空调出口管模式h) 车外空气模式(OSA)i) 阳光负荷:关j) 时间:30分钟2.2.3沉浸条件。
a) 风速:维持试验条件所需(如5 km/h)b) 温度:试验温度c) 发动机:关d) 鼓风机:关e) 车窗:关f) 空气方向:空调模式,所有出口管开g) 车内循环模式(P/R)h) 阳光负荷:开i)时间:车内温度达到(60+2)℃2.2.4怠速条件。
散热器前的风速应为5 km/h。
2.2.5电源。
所有电气系统都由车辆内部电源供电。
试验前电池应充满电。
2.2.6排挡步位或行驶地点。
表1 排挡步位或行驶地点规定的车速是指行驶在道路负载下(此负载的数值应根据试验车型的满载滑行阻力曲线获得),对带自动变速器的车辆的重复测量,应确保在发动机最低速度相同时,车速相同。
2.3实验工况2.3.1、50km/h,内循环,20min2.3.2、80km/h,内循环,20min2.3.3、50km/h,外循环,20min2.3.4、80km/h,外循环,20min2.3.5、Idle,内循环,30min2.3.6、110km/h,外循环,20min2.3.7、Idle,外循环,30min2.3.8、迅速加速至110km/h,2min2.3.9、降温至30℃,50%RH后(有1000w/㎡光照)80km/h,外循环、2档风量、20min2.4实验记录按照以上试验方法进行试验后记录所有试验数据。
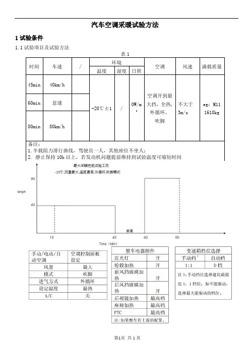
汽车空调采暖试验方法
1试验条件
1.1试验项目及试验方法
2. 静止保持10h以上,若发动机问题提前维持到试验温度可缩短时间
2评价指标
3 试验前事项
4试验中事项
4.1节温器
开启温度:一般在水温88℃打开
开启时间:试验中一般在怠速和80km/h之间打开
打开前:发动机水温(散热器进出水温度测量点)理论测量值在-20℃,可能向上漂移2-3℃,视为正常
异常打开:在40km/h时,发动机水温测量值由-20℃缓慢上升至50-60℃
4.2外循环进风
进风温度理论为-20℃,试验时可能向上漂移2-3℃,但漂移到-15℃就不正常了
4.3加热芯体能力判断
加热芯体进水-加热芯体出水=7-9℃,说明芯体能力较好
4.4试验中数据记录
见下表,拍照记录发到微信群中
第4页共1页。
第1篇一、实验目的本实验旨在研究汽车空调系统的性能,特别是其制冷和制热效率,并探讨提高空调系统能效的方法。
通过对比不同制冷剂、空调运行模式以及空调维护措施对空调系统性能的影响,为汽车空调系统的优化提供理论依据。
二、实验材料与设备1. 实验材料:- 汽车空调系统(包括压缩机、蒸发器、冷凝器、膨胀阀等)- 不同制冷剂(R-12、R-22、R410A)- 空调系统测试仪- 气密性检测设备2. 实验设备:- 实验用车- 空调系统加注设备- 空调系统检测设备三、实验方法1. 制冷剂更换实验:- 分别对汽车空调系统进行R-12、R-22、R410A三种制冷剂的更换实验。
- 记录不同制冷剂下的空调系统制冷量和制冷效率。
2. 空调运行模式实验:- 对比内循环和外循环对空调系统制冷效果的影响。
- 记录不同运行模式下空调系统的制冷量和制冷效率。
3. 空调维护措施实验:- 对比空调系统维护前后制冷效果的变化。
- 记录空调系统维护前后制冷量和制冷效率。
四、实验结果与分析1. 制冷剂更换实验结果:- R410A制冷剂在制冷量和制冷效率方面均优于R-12和R-22。
- R410A制冷剂对环境友好,符合我国对环保的要求。
2. 空调运行模式实验结果:- 外循环模式下空调系统制冷效果优于内循环。
- 外循环模式下,空调系统能够引入新鲜空气,降低车内污染物浓度。
3. 空调维护措施实验结果:- 空调系统维护后,制冷量和制冷效率明显提高。
- 定期更换空调滤芯、清洗冷凝器和蒸发器等维护措施,能够有效提高空调系统性能。
五、实验结论1. R410A制冷剂在汽车空调系统中具有较好的制冷效果和环保性能。
2. 外循环模式下,空调系统制冷效果优于内循环。
3. 定期维护汽车空调系统,能够有效提高空调系统性能。
六、实验建议1. 在汽车空调系统中,优先选择R410A制冷剂。
2. 在空调运行过程中,根据实际需求选择合适的运行模式。
3. 定期对汽车空调系统进行维护,确保空调系统性能稳定。
汽车试验:汽车空调整车降温性能试验!一年有四季,每季皆不同但对于美女来说:美丽、性感不分季节当然是热裤最能体现身材咯!那么面对四季的变换、冷热的交替在车内汽车是如何帮助美女们不热成“泪人”呢?今天,漫谈君就和大家来看一看:汽车空调整车降温性能试验看如何保证车内不热的?一、空调制冷原理汽车空调制冷系统由压缩机、冷凝器、贮液干燥器、膨胀阀、蒸发器和鼓风机等组成。
各部件之间采用铜管(或铝管)和高压橡胶管连接成一个密闭系统。
制冷系统工作时,制冷记忆不同的状态在这个密闭系统内循环流动,每个循环又分四个基本过程:四个基本过程1、压缩过程:压缩机吸入蒸发器出口处的低温抵压的制冷剂气体,把它压缩成高温高压的气体排除压缩机。
2、放热过程:高温高压的过热制冷剂气体进入冷凝器,由于压力及温度的降低,制冷剂气体冷凝成液体,并放出大量的热。
3、节流过程:温度和压力较高的制冷剂液体通过膨胀装置后体积变大,压力和温度急剧下降,以雾状(细小液滴)排除膨胀装置。
4、吸热过程:雾状制冷剂液体进入蒸发器,因此时制冷剂沸点远低于蒸发器内温度,故制冷剂液体蒸发成气体。
在蒸发过程中大量吸收周围热量,而后低温低压的制冷剂蒸气又进入压缩机。
上述过程周而复始的进行下去,便可达到降低蒸发器周围空气温度的目的。
汽车空调制冷原理图二、试验目的通过空调整车降温试验,评价汽车空调性能的优劣,了解空调各主要总成的工作状况,为空调系统的性能优化提供依据。
三、试验分类这三种方法是各自独立的,可以选择其中一种或一种以上的方法进行试验。
四、试验仪器1、温度计:分辨率0.2℃。
2、湿度计:精度±3%。
温湿度计3、辐射强度计:精度±5W/㎡。
4、风速仪:精度±5%。
风速仪5、发动机转速表:分辨率10 r/min。
6、压力计:分辨率Pa。
五、试验准备1、车辆准备:1)记录试验样车的生产厂名、牌号、型号、发动机号、VIN代号和出厂日期等。
2)检查车辆准备完整性及装配调整情况,使之符合该车装配调整技术条件。
____________E‘fr汽车工_师_________________F O C U S技术聚焦技术看点朱小波何浪(贵州长江汽车有限公司)摘要:为了提升汽车空调舒适性和用户满意度,该文利用环境模拟舱、底盘测功机及数据采集仪等设备,对11款汽车进行了汽车空调降温性能试验,并对试验数据进行分析。
基于试验数据分析结果,在现有行业及企业标准基础上,提出了汽车空调降温试验阶段11(单怠速工况)、降温速率2个新评价指标,完善了现有汽车空调性能评价方法,为汽车空调降温性能开发工作提供了重要参考依据。
关键词:汽车空调;试验方法;评价标准Analysis on Test Method and Evaluation Standard of Vehicle Air Conditioner CoolingPerformanceAbstract:In order to improve the comfort and customer satisfaction of vehicle air conditioner, 11 passenger cars were tested for vehicle conditioner cooling performance by using environment simulation chamber, chassis dynamometer and data acquisition instrument. Based on the analysis of test data and existing industry and enterprise standards, two new evaluation indexes of idle condition cooling performance and cooling rate are put forward. The existing evaluation methods of vehicle air conditioner performance are improved, which provides an important reference for the development of vehicle air conditioner cooling performance.Key words:Vehicle air conditioner; Test method; Evaluation standard汽车空调的降温性能关乎用户对汽车品质的评 价,是提高用户满意度的关键因素之一。
汽车空调系统最大降温性能试验规范1 范围本标准规定了汽车空调系统的最大降温性能性能试验方法。
本标准适用于具有汽车空调的最大设计总质量不超过3500 kg的燃油发动机驱动的乘用车。
2 规范性引用文件下列文件对于本文件的应用是必不可少的。
凡是注日期的引用文件,仅所注日期的版本适用于本文件。
凡是不注日期的引用文件,其最新版本(包括所有的修改单)适用于本文件。
GB/T 12534-1990 汽车道路试验方法通则GB/T 15089—2001 机动车辆及挂车分类GB/T 18352.6-2016 轻型汽车污染物排放限值及测量方法QC/T 720—2004 汽车空调术语T/CSAE 114-2019 汽车动力总成冷却能力环境风洞试验方法3 术语和定义QC/T 720—2004界定的术语和定义适用于本标准。
3.1汽车空调系统 Vehicle air conditioning system由暖风装置、制冷装置、通风装置、空气净化装置和加湿装置中的一个或多个部件以及必要的控制部件等构成,用于调节乘员舱内空气的温度、湿度、洁净度,并使其以一定速度在乘员舱内定向流动和分配,从而给驾驶员和乘客提供舒适的环境及新鲜空气的系统。
4 试验设备和条件4.1 试验环境试验环境风洞要求按照T/CSAE 114-2019 汽车动力总成冷却能力环境风洞试验方法中第四章的环境风洞要求。
风速范围满足0 km/h至160 km/h,风速在40-160km/h范围内变化控制在±1 km/h以内。
4.2 试验样车4.2.1确认整车气密性、制冷剂加注量、泄漏量及蒸发器抗结霜等应满足整车技术要求,并记录车辆基本信息,包括整车、发动机、变速箱、冷却系统等相关信息。
情况下,可以选择里程数超过1000 km的车辆。
车辆若非新下线状态,需要检查车辆保养记录,最后一次保养后的行驶里程如超过5000 km需要更换冷却液、发动机机油,其它零部件和油液更换应按照车辆使用说明书规定进行。
QC/T 657-2000(2000-11-06批准,2001-04-01实施)前言本标准参照日本工业标准JIS D 16l8-1992《汽车空调器试验方法》,在QC/T 72.2-1993《汽车空调制冷装置试验方法》的基础上修订的。
本标准由国家机械工业局提出。
本标准由全国汽车标准化技术委员会归口。
本标准起草单位:长春汽车研究所、东风汽车工程研究院、神龙汽车有限公司、上海德尔福汽车空调系统有限公司、岳阳恒立冷气设备股份有限公司。
本标准主要起草人:付琦、郭亮、方劲、董国平、赵国军。
中华人民共和国汽车行业标准汽车空调制冷装置试验方法 QC/T 657-2000代替QC/T 72.2-19931 范围本标准规定了汽车空调制冷装置(以下简称空调装置)的试验方法。
本标准适用于以调节乘员舱内空气为目的的汽车空调装置。
2 引用标准下列标准所包含的条文,通过在本标准中引用而构成为本标准的条文,本标准出版时,所示版本均为有效。
所有标准都会被修订,使用本标准的各方应探讨使用下列标准最新版本的可能性。
GB/T 1236-1985 通风机空气动力性能试验方法GB/T 3785-1983 声级计的电、声性能及测试方法GB/T 4214-1984 家用电器噪声功率的测定GB/T 7676.1~7676.9-1998 直接作用模拟指示电测量仪表及其附件3 术语3.1 额定制冷量空调装置在规定的试验条件和试验设备下运行.达到稳定状态时,单位时间内蒸发器从空气中吸收的热量。
3.2 送风量测量制冷量时通过蒸发器的送风量。
3.3 量热计采用空气的焓差,测定空调装置降温除湿能力的装置。
3.4 冷却装置由蒸发器和风机组成,或由风机、蒸发器及加热器组成的装置。
3.5 带风机的冷凝器由冷凝器和风机(包括护风圈)组成的装置。
4 试验项目试验项目包括制冷量、风量、压缩机驱动功率及噪声。
5 试验条件5.1 空气状态蒸发器和冷凝器进风口的空气状态应符合表1的规定。
汽车空调的制冷效果测试与温度控制实验汽车空调在现代社会中已成为人们生活中必不可少的设备之一。
它的主要功能是通过制冷来调节车内温度,为乘车人员提供舒适的驾乘环境。
因此,对汽车空调的制冷效果进行测试和温度控制实验是十分重要的。
本文将对汽车空调的制冷效果测试方法和温度控制实验进行详细介绍。
一、汽车空调的制冷效果测试方法1. 实验器材准备进行汽车空调的制冷效果测试,需要准备以下实验器材:温度计、恒温水槽、电子扫描仪和数据采集系统。
其中,温度计用于测量汽车空调出风口和车内空气的温度;恒温水槽用于提供一定的环境温度;电子扫描仪和数据采集系统用于记录和分析实验数据。
2. 实验流程a) 将恒温水槽的温度设定为某一确定值,一般选择26℃或28℃。
b) 开启汽车空调系统,将出风口对准温度计,并记录出风口风速和温度。
c) 使用电子扫描仪将温度计读数记录下来,并通过数据采集系统进行数据处理和分析。
d) 按照不同的环境温度,重复上述步骤,进行多次实验。
3. 数据处理与分析通过数据采集系统获取的实验数据,可以进行如下方面的处理和分析:a) 统计不同环境温度下汽车空调出风口的温度数据,比较不同温度下的制冷效果。
b) 计算汽车空调的制冷量和制冷效率,评估空调系统的工作性能。
c) 分析不同环境温度对汽车空调温度控制的影响,了解空调系统对温度变化的响应速度和稳定性。
二、温度控制实验汽车空调的温度控制是指根据乘车人员的需求,通过调节空调系统的工作方式来控制车内温度。
进行温度控制实验,可以评估空调系统的温度控制能力和满足乘车人员需求的能力。
1. 实验器材准备进行温度控制实验,需要准备以下实验器材:温度控制器、温度计、数据采集系统和某一确定的环境温度。
2. 实验流程a) 将温度控制器设定为乘车人员期望的温度值,如26℃。
b) 开启汽车空调系统,将温度计放置在车内合适位置,并记录车内空气的温度。
c) 使用数据采集系统记录温度数据,并通过数据处理和分析,得到汽车空调系统在不同环境温度下的温度控制能力。
汽车空调试验结果通知书Test Data Report产品名称卡罗拉+1.6L+AT、速腾+1.6L+MTProduct Name试验类别产品开发(BM)Test Category委托单位Entrust Unit1、试验对象或样品信息Test object or sample information 两辆样车主要信息,见表1。
2、试验条件Test condition2.1试验环境温度及工况条件,见表2。
表22.2加载阻力条件,见表3。
备注:因竞争车型无滑行曲线,试验采用A21+1.8MT型整车的半/满载滑行曲线(重量相当进行替代)。
3、试验结果及分析Test result & analysis3.1试验结果3.1.1各试验工况下对应的轮边力、轮边功率及发动机转速,见表4。
表43.1.2样车空调降温试验结果(同本公司车型M16试验结果相比较),见表5。
3.1.3样车空调升温试验结果(同本公司车型M16试验结果相比较),见表6。
表6备注:1#车有PTC辅助加热系统。
3.1.4整车除霜试验结果前挡风玻璃除霜试验结果,因该试验车为竞争车型,无法获得AB区域。
除霜试验结果描述如下:1#:前挡风玻璃35min除完,左侧窗15min时看清后视镜,右侧窗12min 时看清后视镜;2#:前挡风玻璃20min除完,左侧窗13min时看清后视镜,右侧窗20min 时看清后视镜。
轨迹图见5.2.5。
3.1.5整车除雾试验结果前挡风玻璃除雾试验结果,因该试验车为竞争车型,无法获得AB区域。
除雾试验结果描述如下:1#:前挡风玻璃7min除完,左侧窗2min时看清后视镜,右侧窗2min 时看清后视镜;2#:前挡风玻璃3min除完,左侧窗1min时看清后视镜,右侧窗2min 时看清后视镜。
轨迹图见5.2.6。
3.1.6整车空调噪音试验结果(同本公司车型M16试验结果相比较),见表7。
3.1.7整车风量试验结果,见表8。
QCT658汽车空调整车降温性能试验方法前言本标准是在总结国内汽车空调试验体会的基础上,参照日本等国外先进技术标准制定的。
本标准自生效日起,替代QCn 29008.9-1991《汽车产品质量检验空调系统评定方法》。
本标准规定了室内环境模拟、室外静态和室外行驶等三种试验方法,适用于测试汽车空调在整车状态和热环境中的降温性能。
本标准由国家机械工业局提出。
本标准由全国汽车标准化技术委员会归口。
本标准起草单位:东风汽车工程研究院、中国汽车技术研究中心、上海大众汽车、神龙汽车、岳阳恒立冷气设备股份。
本标准要紧起草人:郭亮、刘力、周健、方劲、赵国军。
中华人民共和国汽车行业标准汽车空调整车降温性能试验方法QC/T 658-2000代替QCn 29008.9-19911 范畴本标准规定了汽车空调在整车状态下与热环境中的降温性能的试验方法。
本标准规定了室内环境模拟、室外静态和室外行驶等三种试验方法。
这三种方法是各自独立的,承诺选择其中一种或一种以上的方法进行试验。
2 引用标准下列标准所包含的条文,通过在本标准中引用而构成为本标准的条文。
本标准出版时,所示版本均为有效。
所有标准都会被修订,使用本标准的各方应探讨使用下列标准最新版本的可能性。
GB/T 11563-1995 汽车H点确定程序3 术语3.1 汽车空调系统由暖气装置、制冷装置、通风装置、空气净化装置和加湿装置中的一个或多个部件以及必要的操纵部件等构成,用于调剂乘员舱内空气的温度、湿度、洁净度,并使其以一定速度在乘员舱内定向流淌和分配,从而给驾驶员和乘客提供舒服的环境及新奇的空气的系统。
3.2 制冷装置由压缩机、冷凝器、贮液干燥器或液气分离器、节流元件、蒸发器、制冷剂管路等构成,将车室内的热量传递给室外环境的装置。
3.3 太阳辐射强度照耀到表面一点处的面元上的辐射功率除以该面元的面积。
4 试验仪器4.1 温度计,辨论率0.2℃。
4.2 湿度计,精度±3%。
车载测试研究车辆空调系统的效能随着汽车的普及和人们对乘车舒适性的不断追求,车辆空调系统的效能成为了一项重要的指标。
为了确保车辆空调系统的性能达到预期,车载测试成为了必不可少的一项工作。
本文将讨论车载测试在研究车辆空调系统效能方面的作用,并介绍测试方法及其结果分析。
测试方法一:温度控制测试为了评估车辆空调系统的制冷效果,温度控制测试是一种常见的方法。
该测试通过在室外环境温度不同条件下,测量车内的空气温度,并记录制冷系统的运行状态和数据。
测试过程中,可以通过改变车内设定温度和车辆运行状态(如行驶速度、发动机负荷等)来模拟不同使用场景。
通过对测试数据的分析,可以评估车辆空调系统在不同环境条件下的制冷能力和稳定性。
测试方法二:空气流量测试除了制冷效果,车辆空调系统的送风效果也是评估其效能的重要指标之一。
空气流量测试可用于测量空调系统的送风流量和风速。
测试过程中,可以通过在不同出风口位置和风量档位下测量风速,并记录输出风量。
通过对测试数据的分析,可以评估车辆空调系统的送风效果是否均匀、符合设计要求,并找出系统中可能存在的问题。
测试方法三:制冷效率测试车辆空调系统的制冷效率是评估其冷却性能的指标之一。
制冷效率测试通过在恒定条件下,测量车辆空调系统的制冷功率和能耗来评估其能效。
测试过程中,可以通过使用功率计和温度传感器来测量制冷系统的功率和进排气温度差,并计算制冷效率。
通过对测试数据的分析,可以评估车辆空调系统的能效,为其优化提供依据。
测试结果分析在进行车载测试的过程中,我们可以收集到大量的测试数据。
针对这些数据,我们可以进行不同的分析方法来评估车辆空调系统的效能。
首先,可以使用统计方法对所得数据进行整理和平均,并绘制出相应的图表和曲线,以直观地展示测试结果。
通过观察曲线的趋势和分析各个指标之间的关系,可以得出一些初步结论。
其次,可以对测试数据进行回归分析和建模,以进一步深入研究各个因素之间的关系。
通过建立数学模型,可以通过调整不同因素,预测和优化车辆空调系统的效能。
汽车空调试验结果通知书Test Data Report产品名称卡罗拉+1.6L+AT、速腾+1.6L+MTProduct Name试验类别产品开发(BM)Test Category委托单位Entrust Unit1、试验对象或样品信息Test object or sample information 两辆样车主要信息,见表1。
2、试验条件Test condition2.1试验环境温度及工况条件,见表2。
表22.2加载阻力条件,见表3。
备注:因竞争车型无滑行曲线,试验采用A21+1.8MT型整车的半/满载滑行曲线(重量相当进行替代)。
3、试验结果及分析Test result & analysis3.1试验结果3.1.1各试验工况下对应的轮边力、轮边功率及发动机转速,见表4。
表43.1.2样车空调降温试验结果(同本公司车型M16试验结果相比较),见表5。
3.1.3样车空调升温试验结果(同本公司车型M16试验结果相比较),见表6。
表6备注:1#车有PTC辅助加热系统。
3.1.4整车除霜试验结果前挡风玻璃除霜试验结果,因该试验车为竞争车型,无法获得AB区域。
除霜试验结果描述如下:1#:前挡风玻璃35min除完,左侧窗15min时看清后视镜,右侧窗12min 时看清后视镜;2#:前挡风玻璃20min除完,左侧窗13min时看清后视镜,右侧窗20min 时看清后视镜。
轨迹图见5.2.5。
3.1.5整车除雾试验结果前挡风玻璃除雾试验结果,因该试验车为竞争车型,无法获得AB区域。
除雾试验结果描述如下:1#:前挡风玻璃7min除完,左侧窗2min时看清后视镜,右侧窗2min 时看清后视镜;2#:前挡风玻璃3min除完,左侧窗1min时看清后视镜,右侧窗2min 时看清后视镜。
轨迹图见5.2.6。
3.1.6整车空调噪音试验结果(同本公司车型M16试验结果相比较),见表7。
3.1.7整车风量试验结果,见表8。
一、实验目的为了了解汽车空调的工作原理、性能及耗能情况,本实验对汽车空调系统进行了详细的测试和分析。
通过实验,旨在提高对汽车空调系统的认识,为今后的使用和维护提供参考。
二、实验器材1. 汽车一辆(带空调系统)2. 温度计(用于测量车内温度)3. 车载油耗仪(用于测量油耗)4. 秒表(用于记录时间)5. 计时器(用于记录时间)三、实验原理汽车空调系统主要由压缩机、膨胀阀、冷凝器、蒸发器、储液干燥器等部件组成。
其工作原理为:制冷剂在系统中不断循环,吸收车内热量,实现降温。
四、实验步骤1. 车内温度测量:将汽车停放在室外,打开车门,使用温度计测量车内温度。
2. 开启空调:启动汽车,开启空调,将温度设定为25℃,风速设定为2档。
3. 记录时间:启动空调后,使用秒表记录空调达到设定温度所需时间。
4. 测量油耗:使用车载油耗仪,记录空调开启后的油耗。
5. 关闭空调:当车内温度达到设定温度后,关闭空调,使用温度计测量车内温度。
6. 再次开启空调:等待5分钟后,再次开启空调,重复步骤3-5。
五、实验结果与分析1. 车内温度测量:实验前,车内温度为35℃。
开启空调后,车内温度逐渐下降,5分钟后达到25℃。
2. 空调启动时间:实验中,空调启动后,5分钟内达到设定温度。
3. 油耗测量:实验中,空调开启后的油耗为0.5L/100km。
4. 空调关闭后温度:实验中,关闭空调后,车内温度逐渐升高,5分钟后达到35℃。
5. 再次开启空调:第二次开启空调后,实验结果与第一次基本相同。
六、实验结论1. 汽车空调系统在短时间内能迅速降低车内温度,达到舒适的乘坐环境。
2. 空调开启后,汽车油耗略有增加,但增加幅度不大。
3. 在实际使用过程中,应合理使用空调,避免长时间开启空调,以降低油耗。
4. 定期对空调系统进行维护和保养,保证空调系统的正常运行。
七、实验建议1. 在炎热的夏天,尽量避免长时间开启空调,以免增加油耗。
2. 在开启空调前,先打开车窗通风,降低车内温度,再开启空调。
《汽车空调系统最大降温性能试验规范》编制说明一、工作简况1.1 任务来源《汽车空调系统最大降温性能试验规范》团体标准是由中国汽车工程学会批准立项。
文件号中汽学函【2017】135号,任务号为2017-9。
本标准由中国汽车工程学会汽车空气动力学分会提出,吉利汽车研究院,安徽江淮汽车集团股份有限公司,一汽大众汽车有限公司,一汽集团,中国汽车工程研究院股份有限公司,同济大学等单位起草。
1.2编制背景与目标背景:日益收紧的排放标准与提高燃油经济性的要求是空调技术开发的主要驱动力。
节能、环保、舒适、绿色正成为汽车发展的新趋势。
车用空调的发展也要符合这个主旋律。
所以防止温室效应,制冷剂及系统效率同样重要。
汽车动力变化、新工质、减少制冷剂充注量及节能新技术等方面的发展是汽车空调系统发展的趋势。
目标:通过借鉴国际一流车企的相关研究成果和方法,提出用于汽车空调的通用技术规范,目的是使汽车的空调系统的生产企业和设计、研究人员有统一的标准,达到以最低的使用成本、最佳的产品质量来满足汽车空调性能的要求。
本技术规范对在我国推进汽车空调器的应用和性能评估具有指导性意义。
期望解决的问题如下:1)规范各种术语的确切含义;2)提出车用空调器的性能评价参数;3)提出车用空调器的试验方法;4)为便于国际交流提出技术术语的英文对照翻译;5)为相关国家标准的升级做好前期准备。
1.3主要工作过程2017年11月,收到中国汽车工程学会下达任务书;2018年1月,标准组内电话会议讨论确定大纲、目录以及各单位分工;2018年2月-5月,各单位按照分工完成第1-8章,以及附录A等内容,标准组内多次电话会议讨论、修改、确定;2018年6月15日,在上海召开标准中期考核会议,牵头单位中国汽车工程研究院股份有限公司进行标准研制过程及进展介绍,标准专家组审议标准(中期考核稿);2018年9月7日,在上海召开标准(草稿)审查会议,专家组建议进行范围的修改,只包含空调系统最大制冷性能方面的内容;2019年3月31日,在上海再次召开标准(草稿)审查会议,标准专家组审议标准(草稿),同意标准进入“1+3”评审流程,确定“1+3”逐条评审专家:杨志刚、顾彦、黄祚华、郑鑫;2019年4月-9月,“1+3”评审专家完成标准逐条审查工作,标准研制组按照专家修改意见完成标准内容修改;2019年10月25日,在上海召开标准审查会议,同意该标准进行简单修改后下发行业征集意见。
4AUTO TIMEFRONTIER DISCUSSION | 前沿探讨汽车空调降温性能试验及评价指标研究刘兵 张宗玲 刘策中汽研汽车检测中心(天津)有限公司 天津市 300300摘 要: 汽车空调系统的舒适性是消费者最直接的感受,而汽车空调的降温性能是舒适性的一项重要指标。
本文将依据行业标准QC/T658-2000《汽车空调整车降温性能试验方法》对某一试验车进行降温性能试验,并且对试验结果进行分析,提出使用降温速度来作为考核汽车空调降温性能的评价指标。
关键词:汽车空调;降温速度;评价指标1 引言随着我国经济与社会的快速发展,汽车空调技术在近十年已经获得了长足的发展,汽车空调装置已经成为乘用车和大部分客车的标准配置。
消费者对汽车空调的舒适性要求越来越高,而汽车空调的降温性能就是舒适性的一项重要指标。
当前国内主机厂或者空调零部件供应商进行空调降温性能试验主要是参考行业标准QC/T658-2000《汽车空调整车降温性能试验方法》,从次行业标准而形成自己的企业方法。
而该行业标准只规定了空调降温性能的试验方法,而没有相应的评价指标。
本文将选用某一试验样车,使用QC/T658-2000《汽车空调整车降温性能试验方法》进行试验,对试验结果进行分析,利用降温速度对降温性能进行评价的可行性进行研究,为主流汽车企业和消费者提供技术参考。
2 空调降温性能试验首先按照行业标准QC/T 658-2000《汽车空调整车降温性能试验方法》[1]对试验样车进行空调降温性能试验,试验地点选择在新疆吐鲁番市某一国道上,试验环境环境温度为36℃,太阳光照强为1000w/m 2,风速为2m/s。
首先把试验样车门窗全开,在规定的环境条件下暴晒90min,进行车辆预热,保证汽车内部乘客区域的温度足够高(图1)。
图1 暴晒照片温度传感器是采用K 型热电偶,K 型热电偶具有耐氧化、直线型好、性能稳定等优点,能更好的保证数据的稳定性。
开始前把温度调节开关置于最大冷却模式位置,循环调节开关置于内循环位置,出风模式调节开关置于面部位置。
QC/T658-2000(2000-11-06发布,2001-04-01实施)前言本标准是在总结国内汽车空调试验经验的基础上,参照日本等国外先进技术标准制定的。
本标准自生效日起,替代QCn29008.9-1991《汽车产品质量检验空调系统评定方法》。
本标准规定了室内环境模拟、室外静态和室外行驶等三种试验方法,适用于测试汽车空调在整车状态和热环境中的降温性能。
本标准由国家机械工业局提出。
本标准由全国汽车标准化技术委员会归口。
本标准起草单位:东风汽车工程研究院、中国汽车技术研究中心、上海大众汽车有限公司、神龙汽车有限公司、岳阳恒立冷气设备股份有限公司。
本标准主要起草人:郭亮、刘力、周健、方劲、赵国军。
中华人民共和国汽车行业标准汽车空调整车降温性能试验方法QC/T658-2000代替QCn29008.9-19911范围本标准规定了汽车空调在整车状态下与热环境中的降温性能的试验方法。
本标准规定了室内环境模拟、室外静态和室外行驶等三种试验方法。
这三种方法是各自独立的,允许选择其中一种或一种以上的方法进行试验。
2引用标准下列标准所包含的条文,通过在本标准中引用而构成为本标准的条文。
本标准出版时,所示版本均为有效。
所有标准都会被修订,使用本标准的各方应探讨使用下列标准最新版本的可能性。
GB/T11563-1995汽车H点确定程序3术语3.1汽车空调系统由暖气装置、制冷装置、通风装置、空气净化装置和加湿装置中的一个或多个部件以及必要的控制部件等构成,用于调节乘员舱内空气的温度、湿度、洁净度,并使其以一定速度在乘员舱内定向流动和分配,从而给驾驶员和乘客提供舒适的环境及新鲜的空气的系统。
3.2制冷装置由压缩机、冷凝器、贮液干燥器或液气分离器、节流元件、蒸发器、制冷剂管路等构成,将车室内的热量传递给室外环境的装置。
3.3太阳辐射强度照射到表面一点处的面元上的辐射功率除以该面元的面积。
4试验仪器4.1温度计,分辨率0.2℃。
4.2湿度计,精度±3%。
4.3辐射强度计,精度±5W/m2。
4.4风速仪,精度±5%。
4.5发动机转速表,分辨率10r/min。
4.6压力计,分辨率Pa。
5试验准备5.1车辆准备内容如下:5.1.1记录试验样车的生产厂名、牌号、型号、发动机号、VIN代号和出厂日期等。
5.1.2检查车辆准备完整性及装配调整情况,使之符合该车装配调整技术条件。
5.2确认轮胎气压符合车辆使用说明书的相关规定。
5.3确认空调系统的安装达到设什要求,工作正常。
5.4将发动机转速表接至发动机。
5.5按附录A的要求布置测点。
5.6确认汽车空调系统出风口置于设计的全开位置。
6车内人员数量要求6.1对于室内环境模拟试验,车内人员仅为驾驶员1人,或者采用自动驾驶装置。
6.2对于室外静态试验和室外行驶试验。
6.2.1对于9人座或9人座以下的乘用车,车内人员为驾驶员和两名乘员,1名乘员坐在前排右侧座位,另1名乘员坐在后排。
6.2.2对于载货汽车,车内人员为驾驶员和1名乘员。
6.2.3对于客车,车内人员数量不应少于额定乘员数的三分之二。
7尘内环境槽测试验方法7.1预热升温阶段分阶段名称气候条件车辆状况要求预热阶段Ⅰ风速:30km/h环境温度:38℃±1.0℃环境相对湿度:50%±5%辐射强度:无车门状态:全开车窗状态:可开启的车窗应全开蒸发器风机状态:关闭发动机状态:关闭车上人员:无30min预热阶段Ⅱ风速:10km/h环境温度:38℃±1.0℃环境相对湿度:50%±5%辐射强度:1000W/m2±25W/m2车门状态:全关车窗状态:可开启的车窗应全开蒸发器风机状态:中速发动机状态:怠速车上人员:无30min升温阶段风速:10km/h环境温度:38℃±1.0℃环境相对湿度:50%±5%辐射强度:1000W/m2±25W/m2车门状态:全关车窗状态:全关蒸发器风机状态:关闭发动机状态:关闭车上人员:无60min,或乘员舱的温度变化率不大于1℃/10min7.2试验阶段7.2.1试验条件环境温度:38℃±1.0℃环境相对湿度:50%±5%太阳辐射强度:1000W/m2±25W/m27.2.2驾驶员进入车内,将温度调节开关置于最大冷却模式位置,循环调节开关置于内循环位置,出风模式调节开关置于面部位置。
记录各测点的初始读数。
7.2.3启动发动机,将风量调节开关置于最大位置,同时接通A/C开关。
7.2.4按表1的要求开始试验工况,迎面风速应等于试验车速,按附录A的规定测量采集数据。
对于装备底盘测功机的环境模拟试验室,变速杆置于与车速对应的合理档位,对于无底盘测功机的环境模拟试验室,变速杆置于空档,将发动机转速与规定车速对应,若被试车辆的最高车速达不到100km/h,允许以比其最大车速低8km/h~10km/h的车速进行试验。
表1试验车速,km/h40601000(怠速)试验时间,min4515~2015~2030推荐档位手动变速箱直接档或合理档位直接档直接档或合理档位空档自动变速箱D D D P8室外静态试验方法8.1环境条件:环境温度:≥35℃环境相对湿度:40%~75%太阳辐射强度:≥800W/m2风速:≤2m/s地点:空旷的平地,有日光直接照射,且整个试验过程中不会受到建筑物或树木的影响。
8.2预热升温阶段分阶段名称车辆状况要求预热阶段Ⅰ车门状态:全开车窗状态:可开启的车窗应全开蒸发器风机状态:关闭发动机状态:关闭车上人员:无30min预热阶段Ⅱ车门状态:全关车窗状态:可开启的车窗应全开蒸发器风机状态:中速发动机状态:怠速车上人员:无30min升温阶段车门状态:全关车窗状态:全关蒸发器风机状态:关闭发动机状态:关闭车上人员:无车内温度稳定,最少45min8.3试验阶段:8.3.1同7.2.28.3.2同7.2.38.3.3变速杆置于空挡,发动机转速对应于直接档或口档时60km/h的车速。
按附录A的规定测量采集数据,试验时间不应小于30min。
8.3.4重复8.2至8.3.2的规定的步骤,变速杆置于空档,进行怠速工况下的测量,测量要求同8.3.3。
9室外行驶试验9.1环境条件晴天少云环境温度:≥35℃太阳辐射强度:≥800W/m2风速:≤5m/s道路:平坦硬实的公路。
路面纵坡不大于1%,长度不少于40km。
9.2同8.29.3试验阶段9.3.1同7.2.29.3.2同7.2.39.3.3汽车以40km/h(档位选择参照表1)的车速稳定行驶45min后,再以60km/h (档位选择参照表1)的车速稳定行驶15min~20min,按附录A的规定测量采集数据。
10测量数据的记录所有测量的数据应记入附录B所规定的或与之类似的试验记录表。
附录A(标准的附录)测量项目与测点位置要求A1环境测量项目要求:在试验开始和结束时各测一次。
A1.1环境温度A1.2环境相对湿度A1.3太阳辐射强度测点位置:距车顶高度的水平面上A1.4风速A2乘员舱内测量项目A2.1温度测量项目要求:在试验开始时及以后的前10min内,至少每隔2min测量1次,自第10min开始至少每隔5min测量1次,直至试验结束。
A2.1.1蒸发器回风口温度测点位置:距内循环回风口表面中心100mm±10mm处。
A2.1.2各出风口温度恻点位置:在出风口表面中心处。
A2.1.3乘员席面部位置温度测点位置:如图A1所示,H点位置按GB/T11563所规定的程序确定。
对于9人座或9人座以下的乘用车、载货汽车,每个乘员座均测温;对于客车,最前排和最后排每座均测温,对于中间的座椅位置,允许采用隔排座测温的方法,测量座位总数不应少于额定乘员数的1/2。
A2.2风速测量项目要求:在试验之前且在常温下测量各出风口风速。
测点位置:位于出风口表面中心处。
A3乘员舱外推荐测量项目要求:在试验开始时及以后的前10min内,至少每隔2min测量一次,自第10min 开始至少每隔5min测量一次,直至试验结束。
A3.1冷凝器进风温度测点位置:距冷凝器总成进风表面≤100mm。
A3.2冷凝器出风温度测点位置:距冷凝器总成出风表面≤100mm。
A3.3压缩机吸气温度测点位置:在压缩机吸气管上。
A3.4压缩机排气温度测点位置:在压缩机排气管上。
A3.5压缩机吸气压力测点位置:汽车空调压缩机吸气管直管段。
A3.6压缩机排气压力测点位置:汽车空调压缩机排气管直管段。
附录B(标准的附录)汽车空调降温性能试验记录表车型:__________________________试验开始时间:__________________________试验地点:_____________________试验结束时间:__________________________额定乘员数:__________________人试验乘员数:__________________________人天气描述:___________________________________________________________________环境干球温度:_______________℃太阳辐射强度:_____________________W/m2环境相对湿度:_______________℃车速:____________________________km/h风速:______________________m/s发动机转速:______________________r/min序号测点0min2min4min6min8min10min15min┉┉。