城市道路平面交叉口设计形式与选择
- 格式:docx
- 大小:534.79 KB
- 文档页数:9
河海大学文天学院道路勘测设计城市畸形交叉道路设计所属课程:道路勘测设计院系年级:11级土木工程专业班级:土木工程(1)班姓名(学号):2014.4.9§1-1概述一、交叉口设计的基本要求1、保证车辆与行人在交叉口能以最短的时间顺利通过,使交叉口的通行能力能适应各条道路的行车要求。
2、正确设计交叉口立面,保证转弯车辆的行车稳定,同时符合排水要求。
二、交叉口设计的内容1.正确选择交叉口的型式、确定几何尺寸(进口车道数、车行道道宽、缘石转弯半径、交通岛尺寸等)2.视距计算3.立面设计4.交通设计(标志、标线、信号灯)和渠化设计5.结构设计二、交叉口形状适用范围①T形交叉:相交道路夹角为90°或90±15°范围内的三路交叉。
②Y形交叉:相交道路夹角为<75°或>105°范围内的三路交叉。
③十形交叉:相交道路夹角为90°或90±15°范围内的四路交叉。
④X形交叉:相交道路夹角为<75°或>105°范围内的四路交叉。
⑤错位交叉:⑥多路交叉:五路及五路以上的交叉口。
三、交叉口类型选择1.简单交叉口——交通量小的一般交叉口。
2.交叉口拓宽——交通量大特别是左右转。
3.渠化——直行及左右转交通量大或斜交、畸形交叉口。
4.环交——多路交叉、公路交叉、交通量不太大。
交叉口拓宽定义:为使转弯车辆不影响其它车辆的正常行驶,在交叉口连接部增设变速车道和转弯车道的平面交叉。
特点:交叉口可减少转弯交通对直行交通的干扰,车速较高,事故率低,通行能力大,但占地多,投资较大。
交叉口拓宽适用条件:适用于交通量较大、转弯车辆较多的一级公路、二级公路和城市主干路。
设计重点:设计时主要解决扩宽的车道数和位置,同时也要满足视距和转角曲线半径的要求。
环交:定义:在交叉口中央设置中心岛,用环道组织渠化交通,使进入环道的所有车辆一律按逆时针方向绕岛单向行驶,直至所要去的路口离岛驶出的平面交叉,裕称转盘。
城市道路平面交叉口设计设计内容:确定交叉口类型、进行交通组织设计、视距保证、缘石半径、拓宽设计、环形交叉口设计、交叉口竖向设计。
一、平面交叉口的形式1、按交叉口形式分类十字形、X字形、T字形、Y字形、错位交叉、复合交叉等。
2、按渠化交通的程度分类简单交叉口、拓宽路口式交叉口、渠化交叉口。
3、按交通控制分类无信号控制交叉口、有信号控制交叉口(点控制、线控制、面控制)(定周期和不定周期、手工控制和自动控制)。
4、按交通组织方式分类A类:信号控制交叉口B类:无信号控制交叉口C类:环形交叉口二、 交叉口的交通组织设计1、交叉口的交通分析交错点的种类:分流点、合流点、冲突点。
冲突点数量多,影响大,主要与左转车流有关,与车道条数成正比。
设计时要尽量减少冲突点,如采用设置信号灯、合理组织左转车、实行单向交通等方法。
2、交叉口的交通组织设计(一)车行道的交通组织1、设置专用车道2、合理组织左转车(1)设置专用左转车道(2)实行交通管制不准左转(3)变左转为右转(4)环形交通3、渠化交通组织4、调整交通组织交通语言包括道路语言和一切关于行的标记、符号、文字指示牌等。
其中最重要的是道路语言。
道路语言是指道路上的交通标线、标示、交通标志和交通信号,还包括以物理形式出现的交通岛、分离岛和栅栏等物理渠化设施(一种特殊的“道路语言”)。
有路必须有道路语言,道路语言是道路不可分割的重要部分。
(二)行人的交通组织1、交叉口人行道的宽度及行人的组织2、人行横道的设置(位置、形式、宽度、通行能力)3、人行天桥或人行地道三、简单交叉口设计1、交叉口的车道宽度一般采用 3.0~3.5米,平面交叉口一条进口车道的宽度宜为3.25m,困难情况下最小宽度可取3.0m;当改建交叉口用地受到限制时,一条进口车道的最小宽度可取 2.8m。
转角导流交通岛右侧右转专用车道应按设计速度及转弯半径大小设置车道加宽。
2、平面交叉口计算行车速度平面交叉口内的设计速度宜为路段的0.5倍-0.7倍。
城市道路交叉口规划规范[附条文说明]GB50647-20111总则1.0.1为科学、合理地规划城市道路交叉口,充分利用交叉口时空资源,实现交叉口人流和车流的交通安全与通达,制定本规范。
1.0.2本规范适用于城市规划各阶段相应的道路交叉口规划,以及城市道路平面交叉口或立体交叉的新建、改建与交通治理专项规划。
1.0.3城市道路交叉口规划应坚持科学发展和因地制宜的原则,符合保障安全、保证效率,保护环境、节约土地资源的要求。
1.0.4城市道路交叉口规划除应符合本规范外,尚应符合国家现行有关标准的规定。
2术语和符号2.1术语2.1.1交通功能traffic function交通设施在交通系统中所承担的作用,以及对出行者所能提供的交通服务和服务水平。
2.1.2宏观交通组织macro traffic organization在一定范围的交通系统中,规定各类道路上各种交通方式在空间与时间上的协调关系,使各种交通方式在道路系统中能有序、安全、高效地通行的交通运行方案。
2.1.3微观交通组织micro traffic organization在交叉口可通行的空间与时间范围内,安排组织从各方面汇集到交叉口的各种交通流有序地向各方向疏散,以保障人流和车流安全、高效地通过交叉口的交通运行方案。
2.1.4快速公共交通bus rapid transit(BRT)运用大容量公共交通车辆和先进的控制管理系统,在专用的车道上运行,具有运量大、运行速度快等特性的新型公共交通方式。
2.1.5信号控制交叉口signalized intersection用交通信号灯组织指挥冲突交通流运行次序的平面交叉口。
2.1.6无信号控制交叉口unsignalized intersection不用交通信号灯,而用交通标志、标线或仅根据道路交通安全法中对通行权的规定,组织相冲突交通流运行次序的平面交叉口。
2.1.7减速让行标志交叉口yield sign intersection主要道路与次要道路相交,用减速让行标志来规定次要道路车辆在进入交叉口前必须减速、让主要道路车辆先行,确认安全后方可通行的交叉口。
3.1道路交叉的分类及其选择3.1.1城市道路交叉宜分为平面交叉和立体交叉两类。
应根据道路交通网规划、相交道路等级及有关技术、经济和环境效益的分析合理确定。
3.1.2平面交叉口应按交通组织方式分类,并应符合满足下列要求:1 A类:信号控制交叉口平A1类:交通信号控制,进口道展宽交叉口。
平A2类:交通信号控制,进口道不展宽交叉口。
2 B类:无信号控制交叉口平B1类:干路中心隔离封闭、支路只准右转通行的交叉口(简称右转交叉口)。
平B2类:减速让行或停车让行标志管制交叉口(简称让行交叉口)。
平B3类:全无管制交叉口。
3 C类:环形交叉口平C类:环形交叉口。
3.1.3平面交叉口的选用类型,应符合表3.1.3的规定。
注: 1 人口在50万以上的大城市,主干路与主干路相交,经交通预测分析,需要设置立体交叉时,宜按本规程表3.1.4选用;2人口在50万以上的大城市,次干路与次干路相交,因景观需要,采用环形交叉口时,应充分论证。
4.2.9平面交叉口一条进口车道的宽度宜为3.25m,困难情况下的最小宽度可取3.0m;当改建交叉口用地受到限制时,一条进口车道的最小宽度可取2.80m。
转角导流交通岛右侧右转专用车道应按设计速度及转弯半径大小设置车道加宽。
4.2.10当高峰15min内每信号周期左转车平均流量达2辆时,宜设左转专用车道;当每信号周期左转车平均流量达10辆时,或需要的左转专用车道长度达90m时,宜设两条左转专用车道。
左转交通量特别大且进口道上游路段车道数为4条或者和4条以上时,可设3条左转专用车道。
4.2.11进口道左转专用车道设置可采用下列方法:1展宽进口道,以便新增左转专用车道。
2压缩较宽的中央分隔带,新辟左转专用车道,但压缩后的中央分隔带宽度对于新建交叉口至少应为2m,对改建交叉口至少应为1.5m,其端部宜为半圆形[图4.2.11(a)]。
3道路中线偏移,以便新增左转专用车道[图4.2.11(b)]。
城市道路平面交叉口设计形式与选择1、道路与道路交叉可分为平面交叉和立体交叉..交叉形式应根据道路网规划、相交道路等级及有关技术、经济和环境效益的分析合理确定..2、平面交叉口应按交通组织方式分类:1.平A类:信号交叉控制平A1类:交通信号控制;进出口道展宽交叉口;平A2类:交通信号控制;进出口道不展宽交叉口;2.平B类:无信号控制交叉口平B1类:之支路只准右转同行的交叉口;平B2类:减速让行或停车让行标志管制交叉口;平B3类:全无管制交叉口3.平C类:环形交叉口关于平面交叉口的选用类型应符合下表;平面交叉口类型选型推荐形式可选形式主干路-主干路平A1类——主干路-次干路平A1类——主干路-支路平B1类平A1类次干路-次干路平A1类——次干路-支路平B2类平A1类或平B1类支路-支路平B2类或平B3类平类或C平A2类3、交叉口的形式平面交叉口的形式设计得合理与否;直接影响到投资和使用价值;所以应切合实际地考虑远期的需要和近期的可能两方面因素;选择合理的方案..平面交叉口的形式取决于道路网的规划和周围建筑的情况;以及交通量、交通性质和交通组织..常见的几何形状有:十字形环行交叉T形极其演变而来的X形Y形错位交叉多路交叉畸形交叉T形平面交叉口:T形交叉口是指交角为75~105的三路相交..T形交叉口适用于主次道路的交叉;主要道路应设在直行方向..Y形平面交叉口:Y形交叉口为三路相交直行方向的交角小于75或大于105的交叉口;Y形交叉口在交角较小的时候交通不利;而且锐角街口处的视线条件不好..十字形平面交叉口四条道路相交交叉口;交角为75~105.十字形交叉口形式简单;交通组织方便;街角建筑易于处理;使用范围广;是最基本的交叉口形式(1)简易十字交叉口:设计车速不高;交通量不大的三四公路或一般城市道路相交的十字交叉;可采用简易十字交叉(2)设附加车道的十字交叉口:主要公路的设计速度为80km/h;次要公路为县乡公路或三四级公路且转弯交通量不大的十字交叉口..(3)渠化十字交叉口主要公路为四车道公路以及设计速度为80km/h的双车道公路;或虽然设计速度为60km/h;但属区域干线的双车道公路;可采用渠化十字交叉..环形平面交叉口在交叉口中央设置中心岛;用环岛组织渠化交通;使进入环道的所有车辆一律按逆时针方向绕道单向行驶;直至所要去的路口离岛驶出的平面交叉;俗称转盘..环形交叉口的特点:●驶入交叉口的各种车辆可连续不断的单向运行;没有停滞;减少了车辆在交叉口的延误时间..●环道上行车只有分流与合流;消灭了冲突点;提高了行车的安全性..●交通组织简便;不需要信号控制..●一般高于其他平面交叉..环形交叉适用于交通量适中;经过验算后出、入口间的距离能满足交织长度的要求;或按“入口让路”规则设计能满足交通量需要的3~5岔的交叉..“入口让路”环形交叉适用于一条四车道公路和一条双车道公路相交的交叉;以及两条高峰小时不明显的四车道公路相交的交叉..4、平面交叉口形式的选择1形式要简单;相交道路的条数要少..尽可能选用正交或接近90度的十字交叉..2尽量是相邻交叉口直通..一般情况下;干道与干道相交不易选用T形交叉口..除非在市区;因受地物条件限制必须设置T形交叉口3交叉道路应避免锐角相交;尽量以近似于90 度相交..a.改斜交为十字交叉b.改斜交为双T形交叉错位交叉c.改小交角为大交角d.禁止左转e.改Y形交叉为正交或接近T形正交(4)应尽量避免近距离的错位交叉(5)道路规划和设计时;应尽量避免多路和畸形交叉..平面交叉口拓宽条件:1、高峰小时一个信号周期进入交叉口左转车辆多于3或4pcu小交叉口为3;大交叉口为4时;应增设左转专用车道..高峰小时一个信号周期进入交叉口右转车多于4pcu时;应增设右转专用车道..2、根据交叉口形状、交通量、流向和用地条件设置交通岛..交通岛应以缘石围砌..人行横道处缘石高度可降为零..3、交叉口进口车道宽度;小型汽车车道可采用3m;混入普通汽车和铰接车的车道与左、右转专用车道可采用3.5m;最小3.25m..4、交叉口的进口道设右转专用车道时;右侧横向相交道路的出口道应设加速车道..右转专用车道长度应保证右转车不受相邻停候车队长度的影响;加速车道应保证加速所需长度..两者均应调查后计算确定..各级道路路口拓宽的规定:主干路当路段单向车道为3车道时;进口道拓宽为5车道;出口道为4车道;拓宽段长度在交叉口进口道或出口道外侧路缘半径的端点向后起算;下同80m;当路段单向车道为2车道时;进口道为4车道;出口道为3车道;拓宽长度为80m..以上拓宽段两侧红线宽度各增加5m详见图8—1..次干路当路段单向车道为2车道时;进口道拓宽为3~4车道;出口道为2~3车道;拓宽段长度在交叉口进口道或出口道外侧缘面半径的端点向后起算;下同70m;当路段单向车道为1车道时;进口道为2~3车道;出口道为1~2车道;拓宽长度为60m..以上拓宽段两侧红线宽度各增加2~5m详见图8—2、8—3..无论什么道路;在其交叉口拓宽时;拓宽车道数一般为1~2条;过多的拓宽车道对于提高道路交叉口的通行能力并无多大意义;拓宽长度也不能过长;一般只要满足车辆排队长度即可;入口拓宽段和出口拓宽段可对称布置;或入口拓宽段长度略大于出口拓宽段长度..拓宽渐变段的长度;一般不得小于20m;在条件较困难的地带也不能小于15m..当主干路、次干路交叉口附近有广场时;靠近广场一侧对的道路拓宽段长度可适当延长;用于广场附近的临时停车..于支路与主干路或次干路相交的交叉路口;一般无需拓宽..平面交叉口的人行道应该布置在机动车和非机动车停车线的靠近道路交叉口中心一侧;宽度不要小于5m..拓宽后的平面交叉口的出入口道路宽度最好能有供机动车左行、直行和右行的三条车道;这样可以使交叉口的交通秩序大为改观..图8—1 主干路与主干路路口渠化标准图图8-2主干路与次干路路口渠化标准图图8-3 次干路与次干路路口渠化标准图。
目前现有的城市道路系统的结构型式均为网状结构,道路纵横交错形成很多交叉口。
交叉口是城市道路系统的重要组成部分,是城市道路交通的咽喉,相交道路的各种车辆和行人均要在交叉口处汇集、通过。
在整个道路系统中,交叉口成为通行能力与交通安全上的卡口。
据国内外调查统计,约有59%的交通事故是发生在交叉口上,而且是在所有交通事故类型中居首位,此外,车辆在交叉口上耽误的时间占了全程行车时间的31%,其主要原因是交叉口布置不恰当,交通渠化设施不完善、不合理。
由此可见,正确合理地设计交叉口,对保证交通安全和提升交叉口的通行能力、改善居民的出行质量具有很重要的现实意义。
现就平面交叉口设计谈一些体会。
平面交叉口型式的选择设计平面交叉口的型式决定于城市道路网的规划,交叉口用地及其周围建筑的情况,以及交通量、交通性质和交通组织。
常见的交叉口型式有:三路交叉口、四路交叉口及多路(四路以上)交叉口。
三路交叉口一般用于主要道路和次要道路的交叉,主要道路应设在交叉口的直顺方向。
根据相交道路的斜交角(θ)的大小,三路交叉口主要有正交“T形”(θ≥75°)、“Y形”(θ<45°)和斜交“T形”(75°>θ>45°)。
正交“T形”交叉口可各自互通;“Y形”交叉口为禁止大偏转方向的左转车流及渠化小偏角方向的右转车流;当大偏角转向的左转车流较小时,可采用斜交“T形”交叉口,否则应采用正交“T形”交叉口。
四路交叉口可分为正“十”字形交叉口(θ≥75°)、斜“十”字形交叉口(θ<75°)及错位“十”字形交叉口。
正“十”字形交叉口型式简单,交通组织方便,街角建筑容易处理,可用于相同等级或不同等级道路的交叉,是最基本的交叉口型式,在规划和设计时应优先考虑采用,在受条件限制不得已时方可考虑采用斜“十”字形交叉口和错位“十”字形交叉口。
因错位“十”字形交叉口使主干道曲折,造成主要道路不能直通,影响交通,故当相交道路中有次干路及其以上等级道路时,必须避免选择错位“十”字形交叉口,不应该为了片面追求道路的对景而采用。
城市道路交叉口设计要素分析摘要:城市道路交叉口是城市道路交通系统的重要节点,是交通流转向的重要场所,但同时也是道路拥堵和事故的多发点,交叉口设计是城市道路设计的关键点之一。
本文通过对城市道路交叉口设计要素的分析,总结交叉口设计的方法及参数选择,为今后城市道路交叉口设计、分析研究城市道路拥堵和事故发生提供技术指导。
关键字:城市道路;交叉口设计;设计要素;要素分析。
1引言城市道路设计中往往会遇到与横向道路相交的交叉口设计,交叉口周边情况复杂,线形交错,交叉口内交通流转向冲突点较多,极易引发交通拥堵和交通安全事故。
因此对于城市道路交叉口应进行科学合理的规划设计,优化交叉口内的交通组织,提高交叉口的通行能力,保障行车安全。
因此本次从城市道路交叉口设计的要素分析入手,总结交叉口设计的方法,实现交叉口在交通安全、道路排水及景观方面的协调统一。
2交叉口设计要素分析(1)交叉形式的选择[1]城市道路平面交叉口应根据道路网、交通流量与流向及用地条件等进行交通组织设计。
交通组织设计应遵循人车分隔、机非分隔、各行其道;以人为本、公交优先;安全畅通、减少延误的原则。
按照城市道路相关设计规范,城市道路分为快速路、主干路、次干路、支路四个等级,城市道路交叉又分为平面交叉和立体交叉。
平面交叉口根据交通组织方式分为三类,分别为A类、B类、C类,平交口的选用类型见表1:表1 平面交叉口的选型平交口类型推荐类型可用类型主干路-主干路平A1类—主干路-次干路平A1类—主干路与支路平B1类平A1类次干路-次干路平A1类—次干路-支路平B2类平A1类或平B1类支路-支路平B2类或平B3类平C类或平A2类(2)交叉口平、纵面及竖向设计目前我国城市道路建设过程中城市交叉口的设计主要参照《城市道路交叉口设计规程》(CJJ152-2010)章节“4.3平面与竖向设计”中的相关规定。
城市道路设计时平面交叉口范围内的道路路线应以直线为主,需要采用曲线时,曲线半径应采用大于不设超高最小圆曲线半径规定的半径值。
道路系统多为网状结构,其主要特点是道路网密度高,交叉路口数量多,交叉路口已成为道路系统的重要组成部分,且近年来各道路普遍存在的交通拥挤、交通混乱、交通阻塞、道路交通事故频发等交通问题,很多是由于交叉路口交通干扰严重及交叉路口通行能力极度下降所造成,因此交叉口是道路交通的咽喉。
本文笔者主要是对道路平面交叉口的设计选型问题进行了简要的探讨,仅供参考。
三岔交叉(T字型交叉口、Y型交叉口)三岔交叉用于主要道路和次要道路交叉,其型式为Y字型交叉口和T字型交叉口。
T字型交叉作为Y字型交叉的特殊形式通常使用较多,型式简单美观,交通组织方便,主要道路应设在交叉口的直顺方向,在特殊情况下,例如一条尽头干道路和另一条滨河主干道相交,两条主干道亦可设计成T字形交叉,在一般情况下,干道和干道相交不宜选用T字型交叉口,虽然交叉口的形式简单,但容易造成干道东西向或南北向的道路不能直通,影响交通。
非渠化式的三岔交叉型式适合于次要道路的联接,在速度高并且转弯运行足以产生冲突点的地点,可加宽路面面积,以利于车辆运行,增设辅助车道的使用可提高通行能力并减少转弯车辆造成的冲突点。
加宽路口式的三岔交叉,有三种形式:(1)为直行道路靠近断头道路的一边增加一条车道,该车道作为右转弯驶出的变速车道,这种布置适用于由直行道路右转弯运行为主,由直行道路左转弯运行为次的地方;(2)断头路的对侧增加一条附加车道,这种交叉类型通常称为“左转弯车道”和“右侧超车道”,这种布置适用于直行道路左转弯运行和直行运行为主,以及右转弯运行为次的地方;(3)在接近交叉的直行道路每一边增加一条车道,这种布置可能适合于在交叉处双车道的通行能力负荷过重以及在近区需要信号管制的地方。
渠化的三岔交叉分为三种形式:(1)有成对右转弯道路的一种交叉,这种情况适用于运行需要非极小的速度或非极小的转弯路线的地方,但这种布置对直行道路上的左转弯车辆是没有帮助的;(2)在断头道路上设置交通岛的一种渠化交叉,交通岛分隔出的场地是将断头路的路面边缘做成加宽路式而得到的,这种设计可用于交通量范围较大的双车道道路,特别是场地不足以设置转弯道路,并要求简化交叉的地方;(3)设有交通岛和右转弯道路的一种交叉,这种交叉适合于中等至繁重交通量的重要双车道的布置,所有穿越交叉的车辆都通过分隔的车道运行。
浅谈城市道路平面交叉口设计【摘要】在城市道路系统中,城市道路平面交叉口占有主导、核心的地位,在城市道路上所有的交通汇合、转换,都要经过城市道路平面交叉口,可见,城市道路平面交叉口是管理道路、组织道路各类交通的控制点。
由于城市道路平面交叉口是交通事故多发的地点,所以,城市道路平面交叉口的设计对道路的交通影响是非常重大的。
当今,国家和政府都非常重视改善城市道路的综合环境,那么对于提升城市道路平面交叉口的畅通无阻,是现代城市社会经济发展的基础,而交叉口的设计是其中的重要环节。
【关键词】城市道路;交叉路口;设计本文针对于城市道路平面交叉口的一般设计方法以及城市道路平面交叉口设计的完善做了如下浅谈。
一、城市道路平面交叉口的一般设计方法1、城市道路平面交叉口的选择在选择城市道路平面交叉口确定的时候,选择的首要条件是要有一个理想的、最好的位置。
同时交叉口的位置要按照城市道路平面交叉口道路的等级、计算行车速度、转向车流的分布和交通量、自然条件和地形条件等因素选定,重点应考虑以下几个方面:(1)平面线型。
平面线型的选择好坏直接影响着城市道路交叉口,要选择有道路是直线的地方作为平面线性的选择位置,这样行车不仅能顺利的通过,还能降低交叉的长度,假如是在有曲线上拼接的话,那么也要尽可能的大半径曲线上(不设超高的曲线),绕开在小半径曲线上,由于在小半径曲线上对于路面会平顺衔接,使行车安全和战地都是不方便的。
所以,咋拼接的时候,要认真考虑到正交或较大角度斜交,最小交角不宜小于45°。
(2)地形条件。
要选择在地面平整、而且还要是在视野开阔的地段选择拼接,在挖方地段的时候要绕开有路段路拼接的地方,因其对于行车视线及路基排水均为不利。
(3)竖向条件。
交叉口应尽量选择在水平坡段上,如条件限制,亦应设在平缓坡段上。
2、衔接方式的确定在城市道路交叉口的竖向布置上,要按照、并符合行车舒适、排水通畅及视线开阔的要求,在道路互相交错的时候要在道路交叉口平顺的面上,这项能够使道路上的水及时的排除。
城市道路平面交叉口设计形式与选择1、道路与道路交叉可分为平面交叉和立体交叉。
交叉形式应根据道路网规划、相交道路等级及有关技术、经济和环境效益的分析合理确定。
2、平面交叉口应按交通组织方式分类:1.平A类:信号交叉控制平A1类:交通信号控制,进出口道展宽交叉口;平A2类:交通信号控制,进出口道不展宽交叉口;2.平B类:无信号控制交叉口平B1类:之支路只准右转同行的交叉口;平B2类:减速让行或停车让行标志管制交叉口;平B3类:全无管制交叉口3.平C类:环形交叉口关于平面交叉口的选用类型应符合下表,平面交叉口类型选型推荐形式可选形式主干路-主干路平A1类——主干路-次干路平A1类——主干路-支路平B1类平A1类次干路-次干路平A1类——次干路-支路平B2类平A1类或平B1类支路-支路平B2类或平B3类平类或C平A2类3、交叉口的形式平面交叉口的形式设计得合理与否,直接影响到投资和使用价值,所以应切合实际地考虑远期的需要和近期的可能两方面因素,选择合理的方案。
平面交叉口的形式取决于道路网的规划和周围建筑的情况,以及交通量、交通性质和交通组织。
常见的几何形状有:十字形环行交叉T形极其演变而来的X形Y形错位交叉多路交叉畸形交叉T形平面交叉口:T形交叉口是指交角为75~105的三路相交。
T形交叉口适用于主次道路的交叉,主要道路应设在直行方向。
Y形平面交叉口:Y形交叉口为三路相交直行方向的交角小于75或大于105的交叉口;Y形交叉口在交角较小的时候交通不利,而且锐角街口处的视线条件不好。
十字形平面交叉口四条道路相交交叉口,交角为75~105.十字形交叉口形式简单,交通组织方便,街角建筑易于处理,使用范围广,是最基本的交叉口形式(1)简易十字交叉口:设计车速不高,交通量不大的三四公路或一般城市道路相交的十字交叉,可采用简易十字交叉(2)设附加车道的十字交叉口:主要公路的设计速度为80km/h,次要公路为县乡公路或三四级公路且转弯交通量不大的十字交叉口。
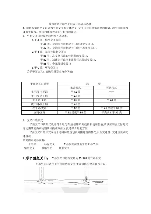
城市道路平面交叉口设计形式与选择
1、道路与道路交叉可分为平面交叉和立体交叉。
交叉形式应根据道路网规划、相交道路等级及有关技术、经济和环境效益的分析合理确定。
2、平面交叉口应按交通组织方式分类:
1.平A类:信号交叉控制
平A1类:交通信号控制,进出口道展宽交叉口;
平A2类:交通信号控制,进出口道不展宽交叉口;
2.平B类:无信号控制交叉口
平B1类:之支路只准右转同行的交叉口;
平B2类:减速让行或停车让行标志管制交叉口;
平B3类:全无管制交叉口
3.平C类:环形交叉口
关于平面交叉口的选用类型应符合下表,
3、交叉口的形式
平面交叉口的形式设计得合理与否,直接影响到投资和使用价值,所以应切合实际地考虑远期的需要和近期的可能两方面因素,选择合理的方案。
平面交叉口的形式取决于道路网的规划和周围建筑的情况,以及交通量、交通性质和交通组织。
常见的几何形状有:
十字形环行交叉T形极其演变而来的X形Y形
错位交叉多路交叉畸形交叉
T形平面交叉口:T形交叉口是指交角为75~105的三路相交。
T形交叉口适用于主次道路的交叉,主要道路应设在直行方向。
Y形平面交叉口:Y形交叉口为三路相交直行方向的交角小于75或大于105的交叉口;
Y形交叉口在交角较小的时候交通不利,而且锐角街口处的视线条件不好。
十字形平面交叉口
四条道路相交交叉口,交角为75~105.
十字形交叉口形式简单,交通组织方便,街角建筑易于处理,使用范围广,是最基本的交叉口形式
(1)简易十字交叉口:设计车速不高,交通量不大的三四公路或一般城市道路相交的十字交叉,可采用简易十字交叉
(2)设附加车道的十字交叉口:主要公路的设计速度为80km/h,次要公路为县乡公路或三四级公路且转弯交通量不大的十字交叉口。
(3)渠化十字交叉口
主要公路为四车道公路以及设计速度为80km/h的双车道公路,或虽然设计速度为60km/h,但属区域干线的双车道公路,可采用渠化十字交叉。
环形平面交叉口
在交叉口中央设置中心岛,用环岛组织渠化交通,使进入环道的所有车辆一律按逆时针方向绕道单向行驶,直至所要去的路口离岛驶出的平面交叉,俗称转盘。
环形交叉口的特点:
●驶入交叉口的各种车辆可连续不断的单向运行,没有停滞,减少了车辆在交叉口的延误
时间。
●环道上行车只有分流与合流,消灭了冲突点,提高了行车的安全性。
●交通组织简便,不需要信号控制。
●一般高于其他平面交叉。
环形交叉适用于交通量适中,经过验算后出、入口间的距离能满足交织长度的要求,或按“入口让路”规则设计能满足交通量需要的3~5岔的交叉。
“入口让路”环形交叉适用于一条四车道公路和一条双车道公路相交的交叉,以及两条高峰小时不明显的四车道公路相交的交叉。
4、平面交叉口形式的选择
(1)形式要简单,相交道路的条数要少。
尽可能选用正交或接近90度的十字交叉。
(2)尽量是相邻交叉口直通。
一般情况下,干道与干道相交不易选用T形交叉口。
除非在市区,因受地物条件限制必须设置T形交叉口
(3)交叉道路应避免锐角相交,尽量以近似于90 度相交。
a.改斜交为十字交叉
b.改斜交为双T形交叉(错位交叉)
c.改小交角为大交角
d.禁止左转
e.改Y形交叉为正交(或接近)T形正交
(4)应尽量避免近距离的错位交叉
(5)道路规划和设计时,应尽量避免多路和畸形交叉。
平面交叉口拓宽条件:
1、高峰小时一个信号周期进入交叉口左转车辆多于3或4pcu(小交叉口为3,大交叉口为4)时,应增设左转专用车道。
高峰小时一个信号周期进入交叉口右转车多于4pcu时,应增设右转专用车道。
2、根据交叉口形状、交通量、流向和用地条件设置交通岛。
交通岛应以缘石围砌。
人行横道处缘石高度可降为零。
3、交叉口进口车道宽度,小型汽车车道可采用3m;混入普通汽车和铰接车的车道与左、右转专用车道可采用3.5m,最小3.25m。
4、交叉口的进口道设右转专用车道时,右侧横向相交道路的出口道应设加速车道。
右转专用车道长度应保证右转车不受相邻停候车队长度的影响;加速车道应保证加速所需长度。
两者均应调查后计算确定。
各级道路路口拓宽的规定:
主干路
当路段单向车道为3车道时,进口道拓宽为5车道,出口道为4车道,拓宽段长度(在交叉口进口道或出口道外侧路缘半径的端点向后起算,下同)80m;当路段单向车道为2车道时,进口道为4车道,出口道为3车道,拓宽长度为80m。
以上拓宽段两侧红线宽度各增加5m(详见图8—1)。
次干路
当路段单向车道为2车道时,进口道拓宽为3~4车道,出口道为2~3车道,拓宽段长度(在交叉口进口道或出口道外侧缘面半径的端点向后起算,下同)70m;当路段单向车道为1车道时,进口道为2~3车道,出口道为1~2车道,拓宽长度为60m。
以上拓宽段两侧红线宽度各增加2~5m(详见图8—2、8—3)。
无论什么道路,在其交叉口拓宽时,拓宽车道数一般为1~2条,过多的拓宽车道对于提高道路交叉口的通行能力并无多大意义,拓宽长度也不能过长,一般只要满足车辆排队长度即可,入口拓宽段和出口拓宽段可对称布置,或入口拓宽段长度略大于出口拓宽段长度。
拓宽渐变段的长度,一般不得小于20m,在条件较困难的地带也不能小于15m。
当主干路、次干路交叉口附近有广场时,靠近广场一侧对的道路拓宽段长度可适当延长,用于广场附近的临时停车。
于支路与主干路或次干路相交的交叉路口,一般无需拓宽。
平面交叉口的人行道应该布置在机动车和非机动车停车线的靠近道路交叉口中心一侧,宽度不要小于5m。
拓宽后的平面交叉口的出入口道路宽度最好能有供机动车左行、直行和右行的三条车道,这样可以使交叉口的交通秩序大为改观。
图8—1 主干路与主干路路口渠化标准图
图8-2主干路与次干路路口渠化标准图
图8-3 次干路与次干路路口渠化标准图。