五、城市道路平面交叉口设计
- 格式:ppt
- 大小:11.75 MB
- 文档页数:47
城市道路交叉口平面优化设计分析摘要:城市化建设进程日益加快,道路交通系统属于其中的关键组成部分,结合城市交通的常规形态,以城市道路交叉口为例,来分析城市交通的主要特点,如交通流量大,交通状况复杂,交通组成多样性等。
因为城市道路交叉路口的情况十分复杂,所以交通安全事故的发生概率也比较高。
不断优化完善城市道路交叉口平面设计,能够大幅度降低交通事故的发生频率,又可保障交叉口通行的畅通,有利于促进城市化的建设与发展。
因此,本文意在解析做好城市道路交叉口平面优化设计的重要作用,针对当前道路交叉口日常运行现状,详细探讨能够优化总体设计的有效措施,以期为相关从业人员提供参考和借鉴。
关键词:城市发展;道路交叉口设计;平面优化设计一、城市道路交叉口的常见设计问题(一)路口几何构造设计不合理在多数城市的建设和发展过程中,道路交叉口设计问题时常出现在老旧路段中,这是由于在部分项目的兴建和设计阶段,未注重城市规划方向及交叉口周边的发展塑造,缺乏对未来交通流量变化的合理预测,再加上缺少新颖的设计观念,所以容易产生后续运营的问题,主要体现在以下几个方面。
首先,缺乏优良视野。
在大部分城市的道路交叉路口,交通流量巨大,其首要目标就是要争夺黄金位置,所以在邻近交叉口区位建造大型购物中心。
伴随着各类配建的大量广告牌、造景树木的无序设置,不注意就会会产生大量的视觉死角,这就造成了驾驶员不能对周围的行人和车辆进行精确的把握及判断,很容易发生交通事故。
其次,行人安全问题。
在多数道路交叉口的位置,由于缺乏对行人保护机制的建设,难以严格按规定设置减速带,或在缺乏行人安全护栏的情况下,在道路交叉口的区域,为行人预留的等候区域较窄,所以多数行人会站在道路的边缘等待车辆,其危险性极高。
当交叉口通过距离较长时,行人无法一次性通过,通常需要在中间停一段时间,若在该类黄线划分区域中,未设置安全防护装置,同样会对行人人身安全造成危险。
最后,缺少科学交叉角度。
城市道路平面交叉口规划与设计规程平面交叉口设计大凡规定根据新建、改建和治理交叉口的例外条件和实施的可能性情况,分别对新建、改建和治理交叉口提出了例外的设计原则要求。
交叉口的设计不只是土木工程层面的平、纵、横设计,而应根据交通流通过交叉口的特性,综合考虑利用交叉口的时间和空间资源,结合交通管理方式,以交通流安全、流通通过交叉口为目标,作好交通流的组织和交通标志、标线以及信号配时等方面的设计工作。
交叉口设计应体现上海大都市的形象,以人为本,充分考虑行人过街的便当程度和安全,同时考虑残疾人的通行要求,为便当残疾人使用和通行提供必要的条件。
无障碍设计按《上海市城市道路无障碍设施技术标准》(SZ—07—2000)执行。
进出口道设计考虑到新建、改建和治理性交叉口在增加进出口道的空间条件方面存在着差异,新建交叉口应满足该条规定,改建交叉口尽可能做到,治理性交叉口应创造条件达到,并应从交通管理方面采取措施。
由于交通流驶入交叉口进口道,其车速较路段明显降低;同时,为防止车辆在进口道内因车道宽度多余而发生抢道现象,车道宽度应减窄,详尽采用的尺寸还取决于车型的比例。
考虑到市中心区小车比例较大,进口道车道宽度可靠近下限取值,相反,城市边缘或外围地区的机动车交通流中大车构成比例大凡较高,且车速较大,因此,进口道车道宽度应靠近上限取值。
同时,还考虑到治理交叉口的实际情况,进口道宽度再合适减少。
停靠站离向右拓展的进口道端部很近时,应将两者作一体化设计,既可使得道路线形平顺,又有利于交通流通顺通行。
为了确保交叉口流出交通的流通性,有必要设计出口道的车道数适应于流入交通流的车道数,大凡情况下,出口道的车道数至少等于进口道的直行车道数,当相交道路的右转或左转交通量较大时,出口道的车道数应作相应的增加。
作为分外情况,也有出口道的车道数少于进口道直行车道数的,但其缺少值不得大于1,且仅可使用于条件不得已的治理性交叉口。
公交停靠站的设置交叉口附近设置公交停靠站,应充分注意处理好便当乘客和降低公交停靠站对交叉口通行能力影响的关系,不应片面地追求某一方的要求。
城市道路平面交叉口设计摘要:平面交叉口设计在城市道路设计中有着重要的意义。
本文从多个方面谈了对平面交叉口设计的认识,并提出一些设计方法和建议,对平面交叉口设计有一定的指导意义。
关键词:城市道路,平面交叉口设计目前现有的城市道路系统的结构型式均为网状结构,道路纵横交错形成很多交叉口。
交叉口是城市道路系统的重要组成部分,是城市道路交通的咽喉,相交道路的各种车辆和行人均要在交叉口处汇集、通过。
在整个道路系统中,交叉口成为通行能力与交通安全上的卡口。
据国内外调查统计,约有59%的交通事故是发生在交叉口上,而且是在所有交通事故类型中居首位,此外,车辆在交叉口上耽误的时间占了全程行车时间的31%,其主要原因是交叉口布置不恰当,交通渠化设施不完善、不合理。
由此可见,正确合理地设计交叉口,对保证交通安全和提升交叉口的通行能力、改善居民的出行质量具有很重要的现实意义。
现就平面交叉口设计谈一些体会。
平面交叉口型式的选择设计平面交叉口的型式决定于城市道路网的规划,交叉口用地及其周围建筑的情况,以及交通量、交通性质和交通组织。
常见的交叉口型式有:三路交叉口、四路交叉口及多路(四路以上)交叉口。
三路交叉口一般用于主要道路和次要道路的交叉,主要道路应设在交叉口的直顺方向。
根据相交道路的斜交角(θ)的大小,三路交叉口主要有正交“t形”(θ≥75°)、“y形”(θ<45°)和斜交“t形”(75°>θ>45°)。
正交“t形”交叉口可各自互通;“y形”交叉口为禁止大偏转方向的左转车流及渠化小偏角方向的右转车流;当大偏角转向的左转车流较小时,可采用斜交“t形”交叉口,否则应采用正交“t形”交叉口。
四路交叉口可分为正“十”字形交叉口(θ≥75°)、斜“十”字形交叉口(θ<75°)及错位“十”字形交叉口。
正“十”字形交叉口型式简单,交通组织方便,街角建筑容易处理,可用于相同等级或不同等级道路的交叉,是最基本的交叉口型式,在规划和设计时应优先考虑采用,在受条件限制不得已时方可考虑采用斜“十”字形交叉口和错位“十”字形交叉口。
城市道路平面交叉口渠化设计摘要: 道路平面交叉口是城市道路网的“节点”,其、设计与管理得如何,直接影响到道路交通网的通畅与安全。
本着“以人为本”、“公交优先”、“安全畅通”、“减少延误”,对新建城市道路平面交叉口的设计各项内容做了简要分析,使平面交叉口达到技术先进、安全高效、经济适用的目的。
关键词: 城市道路;渠化设计;以人为本;安全高效Abstract: Intersections are the “nodes” of the urban road network, its design and management of how a direct impact on the patency of the road network and security. The spirit of “people-oriented” and “bus priority”, “safe and smooth”, “reduce delays, and a brief analysis of the design of the contents of the New Urban Intersections, the intersection of technologically advanced, safe and efficient, economic applicable to the purpose.Keywords: urban road; drainage design; people-oriented; safe and efficient (一)渠化设计的内涵所谓渠化设计,就是保障各种不同行驶方向和不同速度的车辆,能像渠道内的水那样,遵照规定的行驶轨迹,互不干扰的行驶。
渠化交通可以有效地解决道路上的交通拥挤和阻滞,提高行车速度和通行能力,保证交通安全。
(二)交叉口渠化设计的基本原则2.1分离原则:渠化设计应尽可能减少不同交通流之间的干扰,通过交通标志标线引导交通参与者按照车道分离、机非分离、人车分离的通行方式,促使各行其道。
城市道路平面交叉口设计形式与选择1、道路与道路交叉可分为平面交叉和立体交叉。
交叉形式应根据道路网规划、相交道路等级及有关技术、经济和环境效益的分析合理确定。
2、平面交叉口应按交通组织方式分类:1.平A类:信号交叉控制平A1类:交通信号控制,进出口道展宽交叉口;平A2类:交通信号控制,进出口道不展宽交叉口;2.平B类:无信号控制交叉口平B1类:之支路只准右转同行的交叉口;平B2类:减速让行或停车让行标志管制交叉口;平B3类:全无管制交叉口3.平C类:环形交叉口关于平面交叉口的选用类型应符合下表,3、交叉口的形式平面交叉口的形式设计得合理与否,直接影响到投资和使用价值,所以应切合实际地考虑远期的需要和近期的可能两方面因素,选择合理的方案。
平面交叉口的形式取决于道路网的规划和周围建筑的情况,以及交通量、交通性质和交通组织。
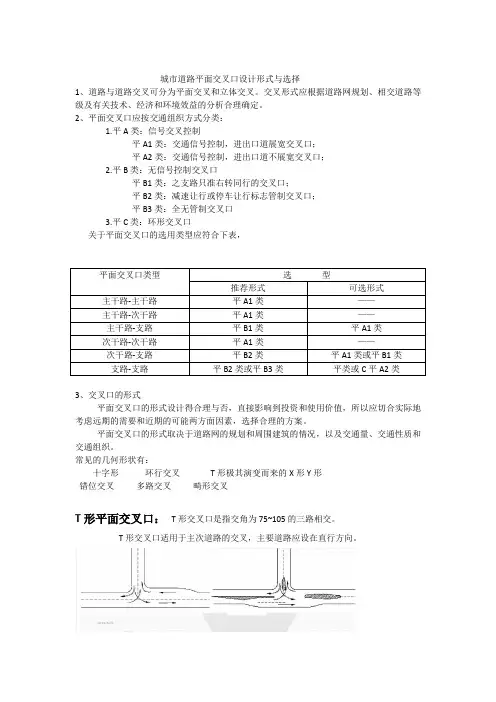
常见的几何形状有:十字形环行交叉T形极其演变而来的X形Y形错位交叉多路交叉畸形交叉T形平面交叉口:T形交叉口是指交角为75~105的三路相交。
T形交叉口适用于主次道路的交叉,主要道路应设在直行方向。
Y形平面交叉口:Y形交叉口为三路相交直行方向的交角小于75或大于105的交叉口;Y形交叉口在交角较小的时候交通不利,而且锐角街口处的视线条件不好。
十字形平面交叉口四条道路相交交叉口,交角为75~105.十字形交叉口形式简单,交通组织方便,街角建筑易于处理,使用范围广,是最基本的交叉口形式(1)简易十字交叉口:设计车速不高,交通量不大的三四公路或一般城市道路相交的十字交叉,可采用简易十字交叉(2)设附加车道的十字交叉口:主要公路的设计速度为80km/h,次要公路为县乡公路或三四级公路且转弯交通量不大的十字交叉口。
(3)渠化十字交叉口主要公路为四车道公路以及设计速度为80km/h的双车道公路,或虽然设计速度为60km/h,但属区域干线的双车道公路,可采用渠化十字交叉。
环形平面交叉口在交叉口中央设置中心岛,用环岛组织渠化交通,使进入环道的所有车辆一律按逆时针方向绕道单向行驶,直至所要去的路口离岛驶出的平面交叉,俗称转盘。
城市道路平⾯交叉⼝设计形式及选择城市道路平⾯交叉⼝设计形式与选择1、道路与道路交叉可分为平⾯交叉和⽴体交叉。
交叉形式应根据道路⽹规划、相交道路等级及有关技术、经济和环境效益的分析合理确定。
2、平⾯交叉⼝应按交通组织⽅式分类:1.平A类:信号交叉控制平A1类:交通信号控制,进出⼝道展宽交叉⼝;平A2类:交通信号控制,进出⼝道不展宽交叉⼝;2.平B类:⽆信号控制交叉⼝平B1类:之⽀路只准右转同⾏的交叉⼝;平B2类:减速让⾏或停车让⾏标志管制交叉⼝;平B3类:全⽆管制交叉⼝3.平C类:环形交叉⼝关于平⾯交叉⼝的选⽤类型应符合下表,平⾯交叉⼝类型选型推荐形式可选形式主⼲路-主⼲路平A1类——主⼲路-次⼲路平A1类——主⼲路-⽀路平B1类平A1类次⼲路-次⼲路平A1类——次⼲路-⽀路平B2类平A1类或平B1类⽀路-⽀路平B2类或平B3类平类或C平A2类3、交叉⼝的形式平⾯交叉⼝的形式设计得合理与否,直接影响到投资和使⽤价值,所以应切合实际地考虑远期的需要和近期的可能两⽅⾯因素,选择合理的⽅案。
平⾯交叉⼝的形式取决于道路⽹的规划和周围建筑的情况,以及交通量、交通性质和交通组织。
常见的⼏何形状有:⼗字形环⾏交叉T形极其演变⽽来的X形Y形错位交叉多路交叉畸形交叉T形平⾯交叉⼝:T形交叉⼝是指交⾓为75~105的三路相交。
T形交叉⼝适⽤于主次道路的交叉,主要道路应设在直⾏⽅向。
Y形平⾯交叉⼝:Y形交叉⼝为三路相交直⾏⽅向的交⾓⼩于75或⼤于105的交叉⼝;Y形交叉⼝在交⾓较⼩的时候交通不利,⽽且锐⾓街⼝处的视线条件不好。
⼗字形平⾯交叉⼝四条道路相交交叉⼝,交⾓为75~105.⼗字形交叉⼝形式简单,交通组织⽅便,街⾓建筑易于处理,使⽤范围⼴,是最基本的交叉⼝形式(1)简易⼗字交叉⼝:设计车速不⾼,交通量不⼤的三四公路或⼀般城市道路相交的⼗字交叉,可采⽤简易⼗字交叉(2)设附加车道的⼗字交叉⼝:主要公路的设计速度为80km/h,次要公路为县乡公路或三四级公路且转弯交通量不⼤的⼗字交叉⼝。
道路平面交叉设计道路平面交叉设计是指在城市道路交叉口处,根据交通流量、交通需求以及道路空间等因素,设计合理的平面布局和交通信号设施,以保障交通安全和交通效率的一种工程设计。
本文将详细介绍道路平面交叉设计的背景、设计原则、设计要素以及常用的交通信号设施。
一、背景道路平面交叉设计的目的是为了提高交通流的通行安全性和通行效率,减少交通事故的发生。
随着城市化进程的不断加快,车辆数量的快速增长以及人们出行需求的不断增加,道路交叉口成为交通事故高发区域。
因此,通过合理设计道路平面交叉,能够降低事故发生率,保障交通安全。
二、设计原则1.安全性原则:在交叉口设计中,安全性是首要考虑因素。
应尽量减少交通事故的发生,包括车辆之间的碰撞、行人的闯入等。
因此,设计时要考虑车辆的转弯半径、行人过街设施的设置等。
2.通行效率原则:道路平面交叉设计应既能满足交通流量需求,又能保证交通的高效率。
设计时要充分考虑交通流量的分配和高峰期的通行能力,合理设置车道数量和交通灯控制等装置,以提高交通流的通行效率。
3.秩序原则:为了保障交通秩序,设计时应考虑各方车辆和行人的流线,尽量减少交叉口内的冲突和混乱,提高交通的顺畅度。
这包括合理设置车辆的转弯区域、行人的过街设施以及车辆的黄标线等。
三、设计要素1.车道设置:根据交通流量的需要,设计合理的车道数量和宽度。
在交叉口的前方,根据道路转向需求,设置直行车道、左转车道、右转车道等。
2.交通灯控制:交通灯是交通管理的重要手段之一,能够引导交通流量,减少交通事故的发生。
设计时要根据交通流量的需要,设置合理的交通灯控制方式,包括绿灯时间的设定以及交通灯的安装位置等。
3.行人设施:为了保障行人的安全通行,交叉口设计中要考虑行人过街设施的设置,包括人行横道线、人行过街天桥或地下通道等。
4.车辆引导:为了减少交叉口内的交通混乱和冲突,设计时应设置车辆的引导标志和线路,包括转弯标志、直行标志、可变导向箭头等。
城市道路平面交叉口设计手册林同棪国际(重庆)工程咨询有限公司2008年12月目录1 总则 (1)2 一般规定 (2)3 城市道路平面交叉口设计流程 (4)4 交通分析 (6)4.1交通基础数据 (6)4.2交通分析 (6)4.3渠化与信号控制方案 (6)5 平面交叉口道路设计 (8)5.1一般规定 (8)5.2基础资料 (9)5.3基本交叉口型式 (9)5.3.1 三路交叉口 (9)5.3.2 四路交叉口 (14)5.3.3 多路交叉口 (19)5.3.4 环形交叉口 (21)5.4交叉口进出口道设计 (22)5.5公交停靠站设置 (26)5.6行人过街横道及停车线设置 (28)5.7交通岛设置 (30)5.8交叉口残疾人坡道设置 (32)6 平面交叉口交通标线设计 (35)6.1一般规定 (35)6.2进出口道标线 (35)6.2.1 路面中心线 (35)6.2.2 车行道分界线 (36)6.2.3 车行道边缘线 (36)6.2.4 导向车道线 (37)6.2.5 导向箭头 (37)6.2.6 停止线 (38)6.2.7 停车让行线 (38)6.2.8 减速让行线 (39)6.2.9 左转弯导向线 (39)6.3人行横道线 (40)6.4公交停车港标线 (42)6.4.1 一般公交停靠站标线 (42)6.4.2 港湾式公交停车港标线 (42)7平面交叉口交通标志设计 (43)7.1 一般规定 (43)7.2 牌面规格及文字尺寸大小 (43)7.3 进口道交通标志 (44)7.4 出口道交通标志 (50)1 总则1.0.1 结合重庆市城市道路的自身特点,为科学、合理地设计城市道路平面交叉口,使之达到技术先进、安全高效、经济适用的目的,同时总结迄今为止公司内部城市平面交叉口渠化、标志标线设计的成果和经验,并形成初步的内部设计指南,特制订本手册。
1.0.2 本次城市道路平面交叉口设计内部手册,主要针对重庆市无非机动车的城市道路平面交叉口;有非机动车的城市道路交叉口设计,需进行特殊的考虑。
浅谈城市道路平面交叉口设计【摘要】在城市道路系统中,城市道路平面交叉口占有主导、核心的地位,在城市道路上所有的交通汇合、转换,都要经过城市道路平面交叉口,可见,城市道路平面交叉口是管理道路、组织道路各类交通的控制点。
由于城市道路平面交叉口是交通事故多发的地点,所以,城市道路平面交叉口的设计对道路的交通影响是非常重大的。
当今,国家和政府都非常重视改善城市道路的综合环境,那么对于提升城市道路平面交叉口的畅通无阻,是现代城市社会经济发展的基础,而交叉口的设计是其中的重要环节。
【关键词】城市道路;交叉路口;设计本文针对于城市道路平面交叉口的一般设计方法以及城市道路平面交叉口设计的完善做了如下浅谈。
一、城市道路平面交叉口的一般设计方法1、城市道路平面交叉口的选择在选择城市道路平面交叉口确定的时候,选择的首要条件是要有一个理想的、最好的位置。
同时交叉口的位置要按照城市道路平面交叉口道路的等级、计算行车速度、转向车流的分布和交通量、自然条件和地形条件等因素选定,重点应考虑以下几个方面:(1)平面线型。
平面线型的选择好坏直接影响着城市道路交叉口,要选择有道路是直线的地方作为平面线性的选择位置,这样行车不仅能顺利的通过,还能降低交叉的长度,假如是在有曲线上拼接的话,那么也要尽可能的大半径曲线上(不设超高的曲线),绕开在小半径曲线上,由于在小半径曲线上对于路面会平顺衔接,使行车安全和战地都是不方便的。
所以,咋拼接的时候,要认真考虑到正交或较大角度斜交,最小交角不宜小于45°。
(2)地形条件。
要选择在地面平整、而且还要是在视野开阔的地段选择拼接,在挖方地段的时候要绕开有路段路拼接的地方,因其对于行车视线及路基排水均为不利。
(3)竖向条件。
交叉口应尽量选择在水平坡段上,如条件限制,亦应设在平缓坡段上。
2、衔接方式的确定在城市道路交叉口的竖向布置上,要按照、并符合行车舒适、排水通畅及视线开阔的要求,在道路互相交错的时候要在道路交叉口平顺的面上,这项能够使道路上的水及时的排除。
城市道路交叉设计之平面交叉口设计平面交叉口设计是城市道路交叉设计的一部分,它对于交通的安全和效率起着重要的作用。
下面将介绍平面交叉口设计的要点和一些常用的设计原则。
1.设计要点平面交叉口设计要考虑以下几个方面的因素:交通流量:需要根据交叉口所在道路的交通流量确定交叉口的容量和车道数目,以确保交叉口的通行能力。
交通安全:需要合理设置交通标志、交通信号灯和交通标线,提高交叉口的交通安全性。
行人通行:需要保证行人在交叉口附近的安全通行,设置人行横道和行人信号灯等设施。
交通流动性:需要考虑交叉口的通行的流畅性,合理设置转弯车道和加速减速车道等。
土地利用和环境:需要考虑交叉口周边的土地利用情况和环境因素,合理设计交叉口的布局和景观。
2.设计原则平面交叉口设计需要遵循一些基本的设计原则来确保交叉口的安全和效率。
可视性原则:保证交叉口进口和出口的车辆和行人在交叉口附近的可视性,避免盲区。
布局原则:合理设置交叉口的车道数目和线形,根据交通流量确定交叉口的容量,确保交叉口的通行能力。
交通安全原则:合理设置交通标志、交通信号灯和交通标线,提高交叉口的交通安全性,减少事故发生的可能。
交通流动性原则:合理设置车道、转弯车道和加速减速车道,确保交叉口的通行流畅。
行人通行原则:设置人行横道和行人信号灯等设施,保障行人在交叉口附近的安全通行。
环境景观原则:考虑交叉口周边的土地利用和环境因素,合理设计交叉口的布局和景观,提升城市形象。
3.设计流程平面交叉口设计的流程一般包括以下几个步骤:收集数据:收集交叉口所在道路的交通流量和行人通行量等相关数据。
确定要求:根据数据分析,确定交叉口的容量和通行能力要求等。
初步设计:根据要求,进行初步的交叉口布局设计,确定车道数目、转弯半径等。
优化设计:根据初步设计结果进行优化调整,确保交叉口的安全和通行效率。
细化设计:进行细化设计,包括交通标志、交通信号灯和交通标线等的设置。
施工图设计:根据细化设计结果,绘制出具体的施工图纸。
城市道路平面交叉口设计形式与选择1、道路与道路交叉可分为平面交叉和立体交叉。
交叉形式应根据道路网规划、相交道路等级及有关技术、经济和环境效益的分析合理确定。
2、平面交叉口应按交通组织方式分类:1.平A类:信号交叉控制平A1类:交通信号控制,进出口道展宽交叉口;平A2类:交通信号控制,进出口道不展宽交叉口;2.平B类:无信号控制交叉口平B1类:之支路只准右转同行的交叉口;平B2类:减速让行或停车让行标志管制交叉口;平B3类:全无管制交叉口3.平C类:环形交叉口关于平面交叉口的选用类型应符合下表,平面交叉口类型选型推荐形式可选形式主干路-主干路平A1类——主干路-次干路平A1类——主干路-支路平B1类平A1类次干路-次干路平A1类——次干路-支路平B2类平A1类或平B1类支路-支路平B2类或平B3类平类或C平A2类3、交叉口的形式平面交叉口的形式设计得合理与否,直接影响到投资和使用价值,所以应切合实际地考虑远期的需要和近期的可能两方面因素,选择合理的方案。
平面交叉口的形式取决于道路网的规划和周围建筑的情况,以及交通量、交通性质和交通组织。
常见的几何形状有:十字形环行交叉T形极其演变而来的X形Y形错位交叉多路交叉畸形交叉T形平面交叉口:T形交叉口是指交角为75~105的三路相交。
T形交叉口适用于主次道路的交叉,主要道路应设在直行方向。
Y形平面交叉口:Y形交叉口为三路相交直行方向的交角小于75或大于105的交叉口;Y形交叉口在交角较小的时候交通不利,而且锐角街口处的视线条件不好。
十字形平面交叉口四条道路相交交叉口,交角为75~105.十字形交叉口形式简单,交通组织方便,街角建筑易于处理,使用范围广,是最基本的交叉口形式(1)简易十字交叉口:设计车速不高,交通量不大的三四公路或一般城市道路相交的十字交叉,可采用简易十字交叉(2)设附加车道的十字交叉口:主要公路的设计速度为80km/h,次要公路为县乡公路或三四级公路且转弯交通量不大的十字交叉口。