福州安特JN15-12电动接地开关说明书
- 格式:doc
- 大小:19.00 KB
- 文档页数:2
招标编号:XXXXXXXXX项目高低压开关柜技术标书XXX公司201X年X月目录第一章设备/材料技术性能的详细描述 (3)设备功能说明 (3)一次设备主要技术参数 (3)技术应答 (8)第二章供货范围 (20)供货范围: (20)详细设备供货表: (21)世纪新城 (21)第三章技术标准 (25)第四章技术数据表 (28)第五章试验 (31)第六章技术文件 (33)第七章技术服务 (34)第八章资格审查文件中的同类设备/材料业绩表及证明材料 (35)第九章投标偏离表 (36)第十章分包设备/材料的供货商清单 (37)第十一章设备/材料维修、售后服务的承诺书和实施细则 (38)第十二章其他技术内容 (39)第一章 设备/材料技术性能的详细描述设备功能说明 一次设备主要技术参数★ KYN28A-12 型铠装移开式交流金属封闭开关柜:柜体结构采用进口敷铝锌板经多重折弯组装而成,开关柜被隔板分成手车室、母线室、电缆室和继电器仪表室隔室,室与室之间用接地的金属钢板分隔,互不干扰,以提高运行的安全性和可靠性,而且断路器室、母线室和电缆室都设有专用的卸压通道,防止因事故而危急人身安全或事故蔓延到其他间隔。
防护等级高,开关柜的外壳防护等级达到IP4X ,各隔室的防护等级为IP2X ,可有效防止杂物和虫害侵入。
手车互换性好,额定值和结构相同的组件能方便地互换。
柜体可靠墙安装、柜前维护,减少占地面积。
功能方案包括电缆进出线、架空进出线、联络、计量、PT 、隔离、所用变等多种方案。
★ 手车:手车根据用途可分为断路器手车、熔断器手车、熔断器加避雷器手车、隔离手车等,各类手车的外形尺寸相同,相同用途的手车具有互换性。
手车在柜内有试验/隔离位置和工作位置。
本项目采用真空断路器是用于额定电压12kV 、三相交流50Hz 的户内开关设备,作为电网设备、工矿企业动力设备控制和保护单元。
由于真空断路器的特殊优越性,本产品适合于要求额定工作电流的频繁操作,或多次开断短路电流的场所。
KGN-12金属封闭固定成套开关设备云南通变电器有限公司高低压成套设备厂1、用途与适用范围KGN-12型箱型固定式金属封闭开关设备(简称开关柜),适用于3-12KV三相交流50Hz,单母线或单母线带旁路以及双母线系统中作为接受和分配电能之用。
可满足各类型发电厂、变电站(所)及工矿企业的使用要求。
本产品符合国标GB3906-2006《3-35kV交流金属封闭开关设备》以及国际标准IEC298的要求。
本产品结构合理,安全可靠性高,操作维护简便;具有“五防”功能,防护等级达到IP2X。
本产品主开关采用ZN28A-12型真空断路器和VS1-12型真空断路器,操作机构可配用CT19B弹簧操作机构。
隔离开关采用GN30-10旋转隔离开关。
2、正常使用环境条件(1)周围空气温度:上限+40℃;下限-25℃;(2)海拔高度:不超过2000m;高原全工况型产品不超过3000m;(3)相对温度:日平均不大于95%;月平均不大于90%,允许短时凝露;(4)地震烈度不超过8度;(5)没有火灾、爆炸危险、严重污秽、化学腐蚀及剧烈振动的场合。
3、型号含义一次方案编号额定电压(3、6、10kV)户内使用固定式铠装式4、技术数据4.1、开关柜的技术数据见表14.2、真空断路器的技术数据见表24.3、操动机构的技术数据(1)储能电机采用单相永磁直流电机见表3表34.4、真空断路器的调整参数见表54.5、隔离开关的技术参数见表6、表74.6、隔离开关的调整参数见表8、表9表8表95、结构5.1、KGN-12型开关柜为金属封闭箱式结构,柜体骨架由C型钢组焊而成,柜内不设置任何形式的相间、相对地绝缘板(或复合绝缘),相间及相对地空气绝缘距离大于125mm。
产品采用瓷支持绝缘子(或套管),使其具有较好的绝缘强度和绝缘稳定性。
柜内分为断路器室、母线室、电缆室、继电器室等,室与室之间用钢板隔开,母线室和继电器室之间设有压力释放通道。
5.2、断路器室在柜体前下部,断路器的转动由拉杆与操动机构连接,断路器上接线端子与上隔离开关连接,断路器下接线端子与电流互感器连接,电流互感器与下隔离开关的接线端子连接,断路器室还设有压力释放通道,若内部电弧发生时,电气可通过排气通道将压力释放。
1概述1.1KYN58-12~40.5型高压开关柜的用途KYN58-12~40.5型高压开关柜是长兴公司引进国外先进技术,自行设计的新概念开关柜,它以防护功能齐全,人机界面清晰明了等显著特点引导了21世纪新一代中置柜。
适用于不同类型的变电站、发电厂、工矿企业及高层建筑等场所,特别适于频繁操作。
1.2 产品特点1.2.1 人机界面清晰明了面板上以不同颜色标注的7个位置十分明了,人们可以按面板上标注的操作示意图进行程序化操作。
1.2.2防护功能齐全,更安全,更可靠●断路器室门与断路器可靠的联锁;断路器合闸状态与一次主触头可靠联锁。
断路器在试验位置(一次主触头未接触),断路器可做分、合闸试验;断路器只有在分闸状态,才能推入柜内;断路器室门关上后,才能操作断路器;断路器在合闸位置,柜门不能打开。
●断路器在断开试验位置,带电显示器没有指示,电磁锁解锁(可选项)才能合接地开关,接地开关处于合闸位置,才能打开后门。
●接地开关在断开位置,才能操作断路器推进机构旋钮,才能将断路器推向工作位置。
●柜内一次触头座前有上下两扇活门,拉出断路器,活门自动关闭并强行闭锁,有效防止误碰导电部分。
●断路器门把手装有锁,钥匙和锁对应时才能开启。
●四点锁门结构解除了往常关门、开门操作繁琐的烦恼,无论何种状态,坚固可靠的门都能有效防止受内部故障电弧的冲击。
●不插上二次插头,断路器室门不能关闭,更不能将断路器移到工作位置;工作位置时,绝不可能拔二次插头。
●手车的推进与拉出的操作可以通过挂锁锁定。
●各柜可以实现电气联锁。
●上、下升降,宽度可调的工具小车,可以轻松将不同类型手车放到地面或工作平台检修,工具小车与2.3如何进入功能单元内部(见图3)2.3.1 1:从电缆沟访问后面的传动装置2.3.2 2:从柜后进入电缆室3.3.4 整理各项操作工具,检查转运小车操作是否灵活可靠。
3.3.5 清除安装时遗留的工具、螺丝、线头等杂物并做好清洁。
JN15-12/D31.5电动接地开关说明书一、产品概述本公司研发的接地开关电动操动机构是一款先进的智能操动机构,与具有短路关合能力及快速合闸机构的JN15型接地开关相配合,能在电动操作条件下进行接地开关的关合试验。
具有可靠的“五防”联锁,满足了智能电网发展的需求,对接地开关操作的运用,有着实际的意义和价值。
二、主要特点1.安装简单,与接地开关本体组合为一体,不改变原接地开关安装结构。
2.可实现手动操作和电动操作自由切换。
3.安全可靠,防堵转功能可实现对电机的控制和保护三、试验调试方法JN15-12/D31.5电动接地开关安装完毕后,应按以下步骤进行调试:1、认真阅读AT-C01电动手车地刀控制模块说明书。
根据AT-C01电动手车地刀控制模块样本中端子接线图,将电动接地开关接线端子按电气接线图端子号对应接好。
2、电动接地开关接线端子属插拔式接线端子。
当接线完毕,通电调试之前,应将接线端子拔出,悬空测量端子1、2脚电机电源,按电动控制装置合闸按纽时,确保1脚为电源正极,2脚为电源负极。
接线正确后,将端子插好。
3、通电检测。
观察AT-C01电动手车地刀控制模块各功能指示灯显示是否正确。
如不正确,检查端子接线的正确性以及开关分、合闸到位信号源是否正常。
4、手动操作接地开关分、合闸,观察电动控制装置显示切换是否正常,如正常可进行电动操作调试。
5、电动操作调试要特别注意:开关设备电动控制装置发送分、合闸接地开关指令。
如果操作条件满足时,将执行相应的分、合闸接地开关操作,观察机构转动方向是否正确。
如果机构转动方向相反,立即关断电源或按装置上急停按钮,停止当前操作,改变电机正负极后重试。
如果操作条件不满足时,(如控制装置11脚联锁信号不正确时)控制装置将不能正常工作,用户应进行相应处理以满足操作条件后重试。
6、电动接地开关分合闸动作以及分合闸到位的信号取自于电动接地开关操作轴凸轮装置同微动开关的接触,当电动接地开关装于柜内同柜内联锁装置相联接后,应给电动控制装置提供工作电源,结合控制装置分合到位指示灯,手动调节接地开关分合闸到位(注意接地开关弹簧刚过死点,接地开关动作,其操作手柄立即停止旋动),观察控制装置分合指示灯能否同步指示,否则应调节联锁中双头螺杆的上下位置,使其达到同步,如遇联锁位置误差较大无法达到同步时,根据开关分合闸位置,可微调电动接地开关上的微动开关与凸轮的位置,观察控制装置,使相应的指示灯电亮即可。
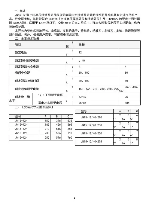
1. 概述JN15-12 型户内高压接地开关(以下简称接地开关)是我公司参照德国GALOR-EMAG 公司EK6 型接地开关最新技术而开发的一种全新的具有国际先进水平的产品。
经全面考核,其性能符合GB1985-89 《交流高压隔离开关和接地开关》的要求,而且也符合德国 DIN VDE0670 标准及 IEC129 的要求。
具有设计先进、技术性能可靠、结构简单、安装调试方便等优点。
使用于 12kV 及以下交流 50Hz 的电力系统中,可与各种型号高压开关柜配套使用,亦可作为高压电器设备检修时接地保护用。
2.使用环境条件2.1 正常使用环境条件a. 海拔高度不超过 1000m。
b. 周围空气温度:上限 +40℃;下限–10℃;日温差 15℃。
c. 相对温度不大于 90%。
d. 地震烈度不超过8度。
e. 没有火灾、爆炸危险、严重粉尘、化学腐蚀及剧烈震动的场所。
注:允许在-30℃时储运。
2.2 特殊使用环境条件:当接地开关用于与 2.1 规定不同的场所时,用户可向制造厂提出特殊要求。
3. 型号与规格含义J N □ - 12 / □-□相间中心距4S 热稳定电流(kA)额定电压(kV)设计序号户内接地开关4.主要技术参数:(见表 1)表 15.结构与工作原理5.1 结构:接地开关基本结构主要由底架1、软联结2、调整定位环3、支柱绝缘子4、静触头5、触头弹簧6、汇流铜管7、动触刀8、主轴9、操纵板10、螺旋储能弹簧11等组成(见图3、4)。
按用户需要还可配装带电显示装置和辅助开关。
5.2 工作原理当操动机构使接地开关合闸时,作用力矩使主轴9克服阻力矩带动操作板10沿合闸方向转动,并使动触刀8上的支持板通过弹簧死点,弹簧释放能量,使接地开关快速合闸。
在合闸位置,动触刀8通过触头弹簧6和静触头5凸缘部(刀口)牢固可靠地接触。
分闸操作时,作用力矩使主轴9克服力矩及弹簧力,带动操纵板10沿分闸方向转动,并使动触刀8上的支持板压缩弹簧11至过死点。
矿用隔爆兼本质安全型智能化真空电磁起动器使用说明书中国·电光防爆电气有限公司前言欢迎使用QJZ系列矿用隔爆兼本质安全型智能化真空电磁起动器。
本说明书介绍了该起动器的特点和性能,以及应用范围、安装接线、操作维护等内容。
本起动器的操作务必在获得了用户主管部门的授权和仔细阅读了本说明书后方可进行。
本起动器所用的保护装置的一些重要操作,如定值修改等,均设有授权密码,请用户注意,如不按本说明书的要求进行操作,则有可能造成不良后果。
对本说明书如有疑问或有本说明书未涵盖的技术问题,请向厂家咨询。
一、概述:1、QJZ系列矿用隔爆兼本质安全型智能化真空电磁起动器(以下简称起动器),适用于含有爆炸性气体环境(甲烷、煤尘)的煤矿井下。
在交流50Hz,电压为1140V、660V或380V的供电线路中,对隔爆型三相鼠笼型交流异步电动机进行起动、停止、反转及联台等控制,并能对电动机及供电线路进行保护,控制方式可采用就地控制或远方控制,并可在停机时进行换向,以下说明以400A为例。
2、本开关采用准快速开门结构,结构简单合理,操作方便,本开关采用简单的控制线路,实现开关的多功能(多用途)使开关能作为普通开关的单机、联控,便于管理和维护;本开关容量大,相对体积小,减少了电气设备的占地面积,减少了电气设备之间的连线。
3、WZBQ-微机监控保护装置本起动器采用WZBQ-微机监控保护装置,装置以16位单片机为核心,工业级外围芯片,精密小型互感器,小型专用继电器,以及科学的算法,保护可靠灵敏,测量精度高。
标准化、模块化硬件设计,科学的软件编程,高精度的A/D转换,多种抗干扰措施,使装置具备多功能,高性能,高抗干扰能力。
在用户界面上,采用大屏幕液晶,中文蓝屏汉显,菜单式操作。
重要操作设有授权密码,既方便了用户操作,又有效防止误操作的发生。
装置具备在线查询,修改,事件记录,自检等功能,标准的RS-485/RS-232通讯接口,使装置具备遥信、遥测、遥控、遥调等功能,可直接构成井下DGKJ-2000无人值守系统的一部分。
一、概述
JN15-12型户内高压接地开关是我公司集国内外接地开关最新技术而开发的具有先进水平的产品。
经全面考核,其性能符合GB1985《交流高压隔离开关和接地开关》及IEC60129的要求并通过国际 KEMA试验。
适用于12kV/及以下,交流50Hz的电力系统中,可与各种型号高压开关柜配套,作为接地保护用。
本开关为整体式接地开关。
由底架、支柱绝缘子、静触头、动触刀、主轴刀、主轴、快速弹簧等部件组成。
另外,根据用户需要,可配带电显示装置。
订购须知:本图片及其它信息权供参考用,如有变动不另行通知,购买前请来电详细咨询。
上海昌开电器有限公司。
JN15-12、24、40.5型户内高压接地开关
1. 概述
JN15-12型户内交流高压接地开关其性能符合GB1985《交流高压隔离开关和接地开关》及IEC60129的要求,适用于10、24、40.5KV及以下交流50Hz的电力系统中,可作为高压电器设备检修时接地保护之用,也可与各种型号高压开关设备配套使用。
2. 型号及含义
3. 使用条件
3.1 正常使用条件
a) 周围空气温度:-10℃~+40℃;
b) 海拔高度:不超过1000m;
c) 湿度条件:日相对湿度的平均值不超过95%,月相对湿度平均值不超过90%,日水蒸汽压力的平均值不超过2.2kPa,月水蒸汽压力平均值不超过1.8kPa;
d) 周围空气未明显地受到尘埃、烟、腐蚀性和/或可燃性气体、蒸气或盐雾的污染;
4.技术要求:4.1产品的主要技术参数
4.2 JN15-12/T31.5 外形及安装尺寸图
4.3 JN15-12/T40 外形及安装尺寸图
4.4 JN15-24/T31.5 外形及安装尺寸图
4.5 JN15-40.5/T31.5外形及安装尺寸图。
CDBNE-125GQFE 电能表外置断路器使用说明书安装、使用产品前,请仔细阅读使用说明书并妥善保管、备用符合标准:GB/T 10963.1、CQC 1121目录1主要用途及适用范围 (1)2 产品特点、型号及含义 (1)2.1产品特点 (1)2.2产品型号及含义 (1)2.3面板介绍 (1)3 正常工作条件和安装条件 (2)4 正常贮存和运输条件 (2)5安装及接线 (3)6技术特性 (4)6.1分类 (4)6.2主要技术参数 (4)6.3主要技术性能 (4)7 外形及安装尺寸 (8)8 安装和使用(维护) (8)9 注意事项 (9)10 开箱检查 (10)11 公司承诺 (10)1主要用途及适用范围CDBNE-125GQFE电能表外置断路器(以下简称为断路器)是一种具有远程全自动和半自动控制方式的小型重合闸断路器。
产品适用于交流50Hz,额定电压230V/400V,额定电流80A-125A的线路中,主要在配电系统中对线路起过载、短路及过、欠、失压保护之用;同时,可以实现远程控制自动分闸,及自动重合闸功能。
2 产品特点、型号及含义2.1 产品特点a) 过载保护;b) 短路保护;c) 过、欠、失压保护及自动恢复;d) 控制方式:全自动控制:自动分闸,自动合闸;半自动控制:自动分闸,手动合闸;e) 控制信号方式:AC220V电平控制、RS485控制、蓝牙控制。
2.2 产品型号及含义本系列包括三个产品型号:CDBNE-125GQFE(电平)、CDBNE-125GQFEW(蓝牙)、CDBNE-125GQFER(RS485)125A2.3 面板介绍图1 产品面板介绍说明:1公司商标2控制状态指示灯3过欠压参数4蓝牙标识(仅蓝牙有)5手动自动转换指示6分断能力7二维码(仅蓝牙有)8出线端9 N极指示10进线端11产品型号12电流规格(脱扣类型+额定电流)13额定冲击耐受电压14额定频率、额定电压15符合标准16分合指示17认证标识18指示窗19接线图20控制端接线口21反馈端接线口注:正常分合闸手柄时,如指示窗不同步运动,请停止使用。
032ASD开关柜综合测控装置安装使用说明书V3.6安科瑞电气股份有限公司版权所有,未经本公司之书面许可,此手册中任何段落,章节内容均不得被摘抄、拷贝或以任何形式复制、传播,否则一切后果由违者自负。
本公司保留一切法律权利。
本公司保留对本手册所描述之产品规格进行修改的权利,恕不另行通知。
订货前,请垂询当地代理商以获悉本产品的最新规格。
1 安装使用指南 (1)1.1 产品概述 (1)1.2 型号说明 (1)1.3 产品型号及功能 (2)1.4 技术指标 (3)1.5 产品安装 (4)1.5.1 安装方法 (4)1.5.2 开孔尺寸(单位:毫米) (4)1.5.3 温湿度传感器、无线温度收发器的安装 (5)1.5.4 无线温度传感器的安装 (5)1.6 接线方法 (6)1.6.1 接线端子 (6)1.6.2 典型接线图 (8)2 产品操作指南 (10)2.1 显示介绍(ASD300) (10)2.2 操作介绍 (10)2.2.1 装置上电 (10)2.2.2 动态模拟图 (11)2.2.3 高压带电显示及闭锁 (11)2.2.4 报警继电器输出 (11)2.2.5 自动温湿度控制 (11)2.2.6 无线测温(ASD300/ASD320可选功能) (12)2.2.7 智能语音防误提示(ASD200、ASD300、ASD310、ASD320) (13)2.2.8 柜内照明功能(ASD200、ASD300、ASD310、ASD320) (13)2.2.9 人体感应(ASD200、ASD300、ASD310、ASD320) (13)2.2.10 电力参数测量(ASD300) (13)2.2.11 带电显示自检(ASD100、ASD100G、ASD200、ASD300、ASD310、ASD320) (13)2.2.12 核相功能(ASD100、ASD100G、ASD200、ASD300、ASD310、ASD320) (13)2.3 ASD300编程设置 (14)2.4 ASD200编程设置 (15)3 通讯指南 (16)3.1 通讯格式详解 (16)3.1.1 读取数据(功能码03H/04H) (16)3.1.2 预置单个寄存器(功能码06H) (16)3.1.3 预置多个寄存器(功能码10H) (16)3.2 参量地址表 (17)4 常见故障的诊断分析与排除方法 (20)4.1 辅助电源故障 (20)4.2 环境温湿度显示故障 (20)4.3 告警继电器动作故障 (21)4.4 一次模拟状态指示灯故障 (21)4.5 通信故障 (21)4.6 节点温度值显示故障 (21)附A LW42凸轮开关安装说明 (22)附B 储能开关安装说明 (24)1 安装使用指南1.1 产品概述ASD系列开关柜综合测控装置用于3~35kV户内开关柜,适用于中置柜、手车柜、固定柜、环网柜等多种开关柜。
w w w .d g q c c .c o m 0511********w w w.d g q c c .c o m w ww.d gq c c .c o m 051182976667w ww .d gq c c .co m w w w .d g q c c .c o m 0511********w w w.d g q c c .c o m JN15-12/31.5户内高压接地开关安装使用说明书镇江市电工器材厂w w w .d g q c c .c o m 0511********w w w .d g q c c .c o m ww ww.d gq c c .c o m w w w .d g q c c .c o m 0511********w ww.d g qc c .co m 1产品概述JN15-12/31.5型户内高压接地开关是集国内外接地开关最新技术而开发的一种具有先进水平的产品,经全面考核,其性能符合GB 1985-89«交流高压隔离开关和接地开关》及IEC129的要求,适用于额定电压12kV 及以下三相交流50Hz 的电力系统中,可与各种型号高压开关柜配套使用,作接地保护用,并可带有电压显示装置。
2、使用环境条件2.1环境温度上限+40℃,下限–l0℃,注:允许在-25℃时储运2.2海拔不超过1000米2.3相对湿度:日平均值不大于95%,月平均值不大于90%水蒸汽压:日平均值不大于2.2×10-3M pa ,月平均值不大于1.8×10-3Mpa2.4周围空气应不受腐蚀性或可燃气体、水蒸汽等明显污染。
2.5无经常性的剧烈振动。
注:如与上述条件不符请与制造商协商解决3、型号及其代表意义:3、技术参数4.1额定电压:12kV4.24s 热稳定电流(有效值):1.5kA 4.3动稳定电流(峰值):80kA4.4关合电流(峰值):80kA4.5额定绝缘水平:雷电冲击耐压:75kV 主回路1min 工频耐压:42kV 二次回路1min 工频耐压:2kVw w w .d g q c c .c o m 0511********ww w .d g q c c .c o m w w w .d g q c c .c o m 0511********w w w .d g q c c .c o m w w w .d g q c c .c o m 0511********w w w.d g q c c .c o m 5、结构及工作原理JN15-12型户内高压接地开关由底架、触刀、绝缘子(传感器〉、合闸弹簧、触座及三相短路连接铜管组成。
中科电力装备集团有限公司JN15型户内高压接地开关安装使用说明书微软用户安全第一!接地开关只能安装于适合电气设备工作的户内场所;必须保证现场电气设备安装条件的适用性与安全性;确保由专业人员来进行安装、操作和维护;有关接地开关的一切操作,都应遵守本说明书的相应规定;使用中不要超过接地开关正常工作条件下技术参数的规定值;说明书应放置在与安装、操作及维护有关的人员方便拿到的地方;用户的专职人员应对所有影响安全的事项负责,并正确使用接地开关;若对本使用说明书尚有疑问,我们很乐意为您提供进一步咨询。
目录1、概述 (4)2、型号的表达方式 (4)3、产品依据标准 (4)4、使用环境条件 (4)5、接地开关主要技术参数 (4)6、产品结构及工作原理 (5)7、外形及安装尺寸图 (5)8、接地开关内部电气原理图 (10)9、运输储存 (10)10、中期储存 (11)11、安装 (11)12、调试与操作 (12)13、维修 (13)14、产品随机提供以下文件 (14)15、产品订货须知 (14)1、概述JN15系列户内交流高压接地(以下简称接地开关)是三相交流50Hz、额定电压为12~40.5kV 的户内高压开关设备。
在电力系统中与多种型号高压开关柜配套使用,亦可作为高压电器设备检修时接地用。
2、型号的表达方式3、产品依据标准ZN63(VS1)-12系列接地开关设计和制造符合GB1985 《高压交流隔离开关和接地开关》、GB/T11022 《高压开关设备和控制设备的共用技术要求》、IEC60129 《高压交流隔离开关和接地开关》等标准的相关要求。
4、使用环境条件4.1正常使用条件a)环境温度最高温度:+40℃;最低温度:-15℃;日平均温度值不超过+35℃。
b)环境湿度相对湿度:日平均值≤95%,月平均值≤90%;水蒸气压:日平均值≤2.2KPa,月平均值≤1.8KPa。
c)设备安装场所海拔高度不超过1000米。
JN15-12型户内高压接地开关JN15-12型户内高压接地开关
JN15型户内高压接地开关概述
JN15-12/31.5型户内高压接地开关(以下简称接地开关)是依据商场需要方案开发的新式接地开关,适用于户内3~12KV三相沟通50(60)Hz的电力体系内和各类型高压开关柜配套运用,亦可作为高压电器设备修补时接地用。
该接地开关构造简略紧凑、重量轻、操作活络、设备便当、动热安稳好,是JN4-十接地开关的志向换代商品。
JN15型户内高压接地开关环境条件
1、适用于以下环境条件
海行翻开不跨过十00米;
环境温度不高于+40℃,不低于-十℃;
相对湿度日均匀不大于95%,月均匀不大于90%;
地震烈度不跨过8度。
2、不适用于下列场合
设备场合址有严重影响接地开关绝缘和导电才调的气体、蒸汽、化学性堆积、烟雾、尘土尘垢以及其爆破腐蚀物质;
设备场合存在再三剧烈的哆嗦。
JN15型户内高压接地开关构造和作业原理
1、首要构造
接地开关有支架、接地刀设备、静触头、传感器、轴、拐臂、压簧、导电套管、软联接构成。
注:支架由薄钢板曲折后焊接成部件,别的均为拼装式零部件。
2、作业原理
当操作操动组织使接地开关合闸时,作为力矩使主轴打败阻力矩,股动拐臂沿合闸方向翻滚,并使接地刀上的操作杆经过压簧死点,压簧开释能量,使接地开关活络合闸,在合闸方位。
接地刀组件上的接地刀经过碟形绷簧和静触头的凸缘部(刀口)健旺牢靠地触摸。
分闸操作时,效果力矩使主轴打败主力矩及绷簧力,股动拐臂沿分闸方向翻滚,并使接地刀压簧经过死点,压簧储能完毕,以备下次合闸。
接地开关和合闸速度与人的操作速度无关。
中科电力装备集团有限公司JN15型户内高压接地开关安装使用说明书微软用户[选取日期]安全第一!接地开关只能安装于适合电气设备工作的户内场所;必须保证现场电气设备安装条件的适用性与安全性;确保由专业人员来进行安装、操作和维护;有关接地开关的一切操作,都应遵守本说明书的相应规定;使用中不要超过接地开关正常工作条件下技术参数的规定值;说明书应放置在与安装、操作及维护有关的人员方便拿到的地方;用户的专职人员应对所有影响安全的事项负责,并正确使用接地开关;若对本使用说明书尚有疑问,我们很乐意为您提供进一步咨询。
目录1、概述 (4)2、型号的表达方式 (4)3、产品依据标准 (4)4、使用环境条件 (4)5、接地开关主要技术参数 (4)6、产品结构及工作原理 (5)7、外形及安装尺寸图 (5)8、接地开关内部电气原理图 (10)9、运输储存 (10)10、中期储存 (11)11、安装 (11)12、调试与操作 (12)13、维修 (13)14、产品随机提供以下文件 (14)15、产品订货须知 (14)1、概述JN15系列户内交流高压接地(以下简称接地开关)是三相交流50Hz、额定电压为12~40.5kV 的户内高压开关设备。
在电力系统中与多种型号高压开关柜配套使用,亦可作为高压电器设备检修时接地用。
2、型号的表达方式3、产品依据标准ZN63(VS1)-12系列接地开关设计和制造符合GB1985 《高压交流隔离开关和接地开关》、GB/T11022 《高压开关设备和控制设备的共用技术要求》、IEC60129 《高压交流隔离开关和接地开关》等标准的相关要求。
4、使用环境条件4.1正常使用条件a)环境温度最高温度:+40℃;最低温度:-15℃;日平均温度值不超过+35℃。
b)环境湿度相对湿度:日平均值≤95%,月平均值≤90%;水蒸气压:日平均值≤ 2.2KPa,月平均值≤1.8KPa。
c)设备安装场所海拔高度不超过1000米。
目录1 概述 (1)1.1用图及适用范围 (1)1.2型号的组成及代表意义 (1)1.3使用环境及条件 (1)1.4工作条件 (1)1.5产品特点 (2)2主要技术参数 (2)2.1基本技术参数 (2)2.2综合保护装置技术参数 (3)3结构特征 (3)3.1进线腔 (4)3.2主腔 (4)3.3接线腔 (4)4基本工作原理 (4)4.1 保护系统 (4)4.2 控制原理 (5)4.3显示 (6)5 使用、维护 (6)5.1使用前的准备和检查 (6)5.2整定值的调整 (7)5.3接线 (7)5.4 维护与检查 (7)6 标志、包装、运输、贮存 (8)6.1标志 (8)6.2 包装、运输注意事项 (9)6.3 贮存条件及注意事项 (9)7执行标准 (9)8定货须知 (9)1 概述1.1用途及适用范围QJZ5-1800/1140(660)-15矿用隔爆兼本质安全型多回路组合开关(以下简称组合开关)适用于含有爆炸性危险气体(甲烷)和煤尘的矿井中,在额定电压为1140V供电线路中,对三相鼠笼式异步电动机或三相双绕组鼠笼式异步电动机的起动、停止进行控制和保护,并可在停止时进行换向。
该组合开关主要用于皮带传送系统设备的控制与保护。
1.2 型号的组成及其代表意义组合开关的型号及其代码含义如下:Q J Z 5-1800 / 1140(660)-15十五回路(补充代号)额定电压(主参数)总电流(主参数)设计序号(顺序号)真空、组合(第二特征代号)隔爆兼本安型(第一特征代号)起动器(产品类型代号)1.3 使用环境及条件1.3.1 海拔高度不超过2000m。
1.3.2 运行环境温度-5℃~+40℃。
1.3.3 周围空气相对湿度不大于95%(相当于+25℃时)。
1.3.4 在无明显破坏绝缘的气体和蒸汽的环境中。
1.3.5 在有沼气、爆炸性混合物的矿井中。
1.4工作条件1.4.1 在无显著摇动和冲击振动的地方。
1.4.2 与垂直面的安装倾斜度不超过150。
TE 1505大地网接地阻抗测试仪使用说明书武汉特试特科技股份有限公司地址: 武汉市东湖高新技术开发区关山二路特1号国际企业中心Ⅱ-2免费服务热线:800-880 0780电话: (027)6784 5315、6784 5317传真: (027)6784 5319网址: E-MAIL: sales@ 前 言一、衷心感谢您使用本公司的产品,您因此将获得本公司全面的技术支持和服务保障。
二、本使用说明书适用于TE1505大地网接地阻抗测试仪。
三、当您在使用本产品前,请仔细阅读本使用说明书,并妥善保存以备查考。
四、在阅读本说明书或仪器使用过程中如有疑惑,可向我公司咨询。
免费咨询电话:800-880-0780、400-027-9598使用本仪器前,请仔细阅读操作手册,保证安全是用户的责任本手册如有改动,恕不另行通知。
目 录一、仪器概述 (3)二、性能特点 (3)三、技术指标 (3)四、仪器测试的操作过程及功能说明 (4)1、测量原理框图及测试接线图 (4)2、测试操作步骤 (6)4、测试菜单详细解释 (8)5、测试过程中仪器自诊说明 (8)五、注意事项 (9)六、仪器测试参考接线图 (9)1、测量接地导通 (9)2、测量地网接地阻抗 (10)3、四极等距法测量土壤电阻率 (11)4、仪器的检定 (12)七、随机配件 (13)TE1505大地网接地阻抗测试仪一、仪器概述目前在电力系统中,大型地网的接地电阻的测试目前主要采用工频大电流三极法测量。
为了防止电网运行时产生的工频干扰,提高测量结果的准确性,绝缘预防性试验规程规定:工频大电流法的试验电流不得小于30安培。
由此,就出现了试验设备笨重,试验过程复杂,试验人员工作强度大,试验时间长等诸多问题。
TE1505大地网接地阻抗测试仪,可测变电站地网(4Ω)、水火电厂、微波站(10Ω)、避雷针(10Ω)多用机型,采用了新型变频交流电源,并采用了微机处理控制和信号处理等措施,很好的解决了测试过程中的抗干扰问题,简化了试验操作过程,提高了测试结果的精度和准确性,大大降低了试验人员的劳动强度和试验成本。
一、用途及使用条件1.1 用途BQD23—315矿用隔爆兼本质安全型真空电磁启动器(以下简称启动器)适用于具有爆炸性危险气体(甲烷)和煤尘的矿井中,在交流50H2、额定电压1140V或660V的系统中,作为就地或远方控制矿用隔爆型三相鼠笼式异步电动机的启动。
停止,并可在停止时进行换相。
1.2使用条件启动器适合于在下列条件下工作a.气压为80-110kpa;b.周围空气温度最高不超过+40℃,最低不低于-5℃;c.周围空气相对湿度不大于93±3%(+25℃时);d.在有爆炸性危险性气体(甲烷)和煤尘的矿井中;e.在无强烈颠簸振动以及垂直面倾斜在150以下的环境中;f.在无足以腐蚀金属和破坏绝缘的气体或蒸汽的场所;g.在有防雨雪(滴水)设备以及没有经常充满水蒸汽的场所。
二、防爆型式及防爆标志2.1 防爆型式:矿用隔爆兼本质安全型2.2 防爆标志:dibI(150℃)三、主要技术指标3.1 额定电压:1140V或660V。
3.2 额定电流:315A3.3 在额定电压1140V,η.cosφ=0.75时所控制电动机最大功率:460kw3.4 起动器1.1倍额定电压,cosφ=0.35±0.05时的额定接通和通断能力;AC—3负荷:接通:2500A;通断:1890A;AC—4负荷:接通:3150A;通断:2500;3.5 起动器的真空接触器,其极限分段能力为4500A,分断次数为三次,间隔时间为3min。
3.6 起动器的机械寿命为100万次。
电寿命在AC—3负荷时为25万次,AC—4负荷时为2万次。
3.7 起动器的工作制a.八小时工作制:b.断续周期工作制:操作频率:120次/小时,通电持续率40%.3.8 当电源电压为额定值的75%--100%时,起动器应能可靠工作。
3.9 当主电路对地绝缘电阻小于40kΩ时,起动器应能实现主电路漏电闭锁。
3.10 起动器过载保护和断相保护动作性能应分别符合表1、表2的规定。
精心整理
JN15-12/D31.5电动接地开关说明书
一、产品概述
本公司研发的接地开关电动操动机构是一款先进的智能操动机构,与具有短路关合能力及快速合闸机构的JN15型接地开关相配合,能在电动操作条件下进行接地开关的关合试验。
具有可靠的“五防”联锁,满足了智能电网发展的需求,对接地开关操作的运用,有着实际的意义
和价值。
二、主要特点
1.2.3.1
21脚345
6、电动控制装置提供工作电源,结合控制装置分合到位指示灯,手动调节接地开关分合闸到位(注意接地开关弹簧刚过死点,接地开关动作,其操作手柄立即停止旋动),观察控制装置分合指示灯能否同步指示,否则应调节联锁中双头螺杆的上下位置,使其达到同步,如遇联锁位置误差较大无法达到同步时,根据开关分合闸位置,可微调电动接地开关上的微动开关与凸轮的位置,观察控制装置,使相应的指示灯电亮即可。
(见附图说明)
四、使用环境条件
1、海拔高度不超过1000m
2、周围空气温度:上限+40℃,下限-25℃
精心整理
3、地震烈度不超过8度
4、相对湿度日平均值不大于95%,月平均值不大于90%
5、污秽等级:Ⅱ
五、订货须知
1、订购电动接地开关时,须注明软连接长度是否需要加长。
(标准配置的软连接长
度L=265mm)
2、是否需要辅助开关,辅助开关是否需要引出到端子。
(辅助开关最多装4开4闭)
3、注明开关操作方式是拐臂传动还是伞齿轮传动。
(配备相关联锁专用件)
4、注明电动接地开关的左操或右操方向。
我公司规定左操或右操方向如下: 说明:说明:。