圆柱体表面积和体积练习(1)
- 格式:ppt
- 大小:1.05 MB
- 文档页数:49
圆柱、圆锥的表面积与的体积练习题2、计算下面图形的表面积和体积。
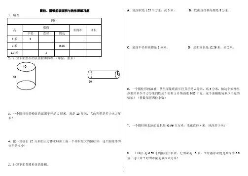
(单位:厘米)803、一个圆柱形奶粉盒的谋面半径是5厘米,高是20厘米,它的容积是多少立方厘米?4、把一块棱长12分米的正方体木料加工成一个体积最大的圆柱体,这个圆柱体的体积是多少?A、底面积是1.25平方米,高3米。
B、底面直径和高都是8分米。
C、底面半径和高都是8分米。
D、底面周长是12.56米,高2米。
6、一个圆柱形的油桶,从里面量底面半径直径是4分米,高3分米,做这个油桶至少要用多少平方分米的铁皮?如果1升柴油重0.82千克,这个油桶能装多少千克的柴油?(得数保留两位小数)7、一个圆柱形水池的容积是43.96立方米,池底直径4米,池深多少米?8、一口周长是6.28米的圆柱形水井,它的深是10米,平时蓄水深度是井深的0.8倍,这口井平时的水量是多少立方米?9、一个长8分米,宽6分米,高4分米的长方体与一个圆柱体的体积相等,高相等,这个圆柱的底面积是多少?10、一段圆柱形钢材,长50厘米,横截面半径是4厘米,如果每立方厘米钢是7.9克,这段钢材的重量是多少千克?(得数保留一位小数)11、求下面图形的表面积和体积(单位:分米)12、有一段底面是环形的钢管,外圆直径是40厘米,内圆直径是20厘米,这根钢管长250厘米,求这根钢管的体积是多少立方厘米?圆柱的体积练习二1、一个圆柱的底面半径是6厘米,高是2分米,求这个圆柱的体积。
2、小刚有一个圆柱形的水杯,水杯的底面半径是5厘米,高是10厘米,有资料显示:每人每天的正常饮水量大约是1升,小刚一天要喝几杯水?3、一个圆柱形水桶,底面直径和高都是40厘米,用这个水桶容积的85%装水,每升水重1千克,桶中的水大约有多少千克?4、一个底面半径是10米的圆柱形蓄水池,能蓄水2512立方米,若再挖深2米,可蓄水多少立方米?5、一个圆柱形油桶,内底面直径是40厘米,高是50厘米,它的容积是多少升?如6、一个圆柱形玻璃杯底面半径是10厘米,里面装不水,水的高度是12厘米,把一小块铁块放进杯中,水上升到15厘米,这块铁块重多少克?(每立方厘米铁重7.8克)7、下图是一个长15厘米,宽6厘米、高15个底面半径为5厘米的圆柱形空洞,求这个零件的体积。
圆柱表面积与体积实际应用练习题精选1[1]圆柱表面积与体积实际应用练习题精选1学号姓名一选择:(在正确答案上划对勾)(1)一只铁皮水桶能装水多少升是求水桶的(侧面积、表面积、容积、体积)(2)做一只圆柱体的油桶,至少要用多少铁皮是求油桶的(侧面积、表面积、容积、体积)(3)做一节圆柱形铁皮通风管,要用多少铁皮是求通风管的(侧面积、表面积、容积、体积)(4)求一段圆柱形钢条有多少立方米,是求它的(侧面积、表面积、容积、体积)二、深化练习1、一个圆柱的体积是94.2平方厘米,底面直径是4厘米,它的高是多少?2、一个圆柱形水池底面直径8米,池深2米,如果在水池的底面和四周涂上水泥,涂水泥的面积有多少平方米?水池最多能盛水多少立方米?3、用铁皮制10节同样大小的通风管,每节长是5分米,底面直径是1.2分米,至少需要多少平方分米铁皮?4、一种压路机的滚筒是圆柱形的,筒宽1.5米,直径是0.8米。
这种压路机每分钟向前滚动5周。
这种压路机1分钟压路多少平方米?5、一个圆柱形蓄水池,从里面量底面直径是20米,深为5米,(1) 要在这个蓄水池的四周和底面抹上水泥,抹水泥部分的面积是多少平方米?(2) 这个蓄水池最多可以蓄水多少吨?(每立方米水重1吨)6、一根长4米,底面直径是4厘米的圆柱形钢材,把它锯成同样长的3段,表面积比原来增加了多少平方厘米?7、做一个底面直径是4分米,高是5分米的圆柱形铁皮油桶,(1) 做这个铁皮油桶,至少要用铁皮多少平方分米?( 得数用进一法保留整平方分米)(2) 这个油桶里装了4/5的油,这些油重多少千克?(每升油重0.85千克,得数保留整千克数)8、只列式不计算:用一块边长是9.42分米的正方形铁皮配上一个地面,做成一个圆柱形铁皮水桶。
(1)这个水桶的底面半径是多少?(2)这个水桶的侧面积是多少?(3)这个水桶最多能容纳多少升水?9、一个水杯从里面量底面直径10厘米,高15厘米,杯里的水面离杯口5厘米,这个杯子有水多少升?10、有两个等底的圆柱,第一个圆柱的高是第二个圆柱高的4/5,第一个圆柱的体积是3.2立方厘米,第二个圆柱比第一个圆柱多多少立方厘米?11、一个零件,底面直径5厘米,高10厘米,沿着它的一条底面直径往下切,切成相同大小的两份,(1)总面积比原来增加了多少平方厘米?(2)每半个零件的表面积是多少?体积是多少?圆柱表面积与体积实际应用练习题精选2学号姓名一填空1、4070立方分米=()立方米3立方分米40立方厘米=()立方厘米325 立方米=()立方分米538 升=()升()毫升2、一个圆柱的底面周长是12.56厘米,高是6厘米,那么底面半径是()厘米,底面积是()平方厘米,侧面积是()平方厘米,体积是()立方厘米。
圆柱的表面积与体积练习一、填空。
1、圆柱的表面积=();圆柱的体积=( ),用字母表示:( ).2、已知一个圆的半径是2厘米,高是5厘米,它的底面积是( )平方厘米,侧面积是( )平方厘米,体积是()立方厘米.二、分别求下面圆柱的表面积和体积。
(单位:cm)三、解决问题。
1、把2个长8厘米,宽5厘米,高4厘米的长方体铁块,铸造成一个底面积为40平方厘米的圆柱体,它的高是多少厘米?2、有一个圆柱体钢材,底面半径是4厘米,长是2米,要把它熔铸成横截面面积是4平方厘米的长方体的钢材,这个长方体的长是多少厘米?3、将一个长6分米的圆柱型钢材,切割成2节小圆柱体后,表面积比原来增加了20平方厘米.每立方厘米钢材重7。
8克,这两节钢材共重多少克?4、将一个长60厘米的圆柱体钢材切割成3节,得到3个小圆柱体钢材,这时表面积比原来增加了40平方厘米。
已知每平方厘米钢重7。
8克,原来的钢材重多少克?5、把3个高相等底面半径都是10厘米的圆柱形盒子叠放在一起.拿走一个表面积就减少了314平方厘米。
每个盒子体积是多少?6、底面直径是4米,高是6米的一个圆柱,沿着底面直径把圆柱切成两半,求这个圆柱的表面积增加多少?7、一个棱长是6厘米的正方体木块,削成一个体积最大的圆柱体,这个圆柱体的体积是多少立方厘米?8、一个长方体木块,长10厘米宽8厘米高4厘米,把它削成一个圆柱,求削成圆柱体积最大是多少?9、一段圆木长1。
5米,锯成三段后,它的表面积增加25.12厘米,这段圆木的体积是多少?10、一个圆柱钢材,底面半径是6分米,高是1米,切成3个小圆柱,表面积增加了多少?11、一个装有水的圆柱水桶底面积是2平方分米,水中放一个底面直径为6厘米,高为30厘米的圆锥体,完全浸没在水中,如果把圆锥体从水桶中取出来,水面会下降多少厘米?12、一个圆柱形鱼缸底面直径是10厘米,把一块铁块放入这个容器的水中,水面上升了2厘米,这块铁块的体积是多少?13、一个长方形的长是5厘米,宽是2厘米,以其中的一条边为轴旋转一周,可以得到一个圆柱,圆柱体积最大是多少立方厘米?14、一种饮料罐的形状为圆柱形底面直径6厘米,高为10厘米,按上图方式放入纸箱,这个箱子的体积至少是多少立方厘米?。
<圆柱的体积>公式:长方形的表面积:长方体的体积:正方体的表面积:正方体的体积:圆柱的侧面积:圆柱的表面积:圆柱的体积:1.一个圆柱的底面半径为3cm,高为5cm,体积为( )cm2.一个圆柱的体积是325立方米,底面积是25平方厘米,这个圆柱的高是( )cm。
3.一个圆柱的底面周长为18.84cm,高为10cm, 这个圆柱的侧面积是( ),表面积是( ),体积是( )。
4.一根圆柱形木料长6m,把它锯成同样长的两段后,表面积增加了400平方厘米,这根木料原来的体积是( )。
5.一个体积80立方厘米的圆柱,底面积是20平方厘米,高是( )cm。
6.一个底面直径6cm,高1dm 的圆柱,体积是( ).7.圆柱的底面半径扩大2倍,高也扩大2倍,圆柱的体积扩大( )倍。
8.有一个圆柱形粮囤,从里面量,它的底面半径是3m,高是2.5m。
稻谷按每立方米550kg计算,这个装满粮食的粮囤约装有多少吨稻谷? (得数保留整数)9.一根圆柱形空心钢管(内直径8cm,外直径12cm)长4m,每立方厘米钢重7.8g,这根钢管重多少千克?10.一个圆柱形保暖茶杯,从里面量高6dm,底面直径2dm。
每立方分米水重1kg,它最多能装多少千克的水?11.一根长6m、底面直径4cm 的圆柱形钢材,平均每立方厘米钢重约8g,这根钢材有多重?12.一个圆柱形蓄水池,底面周长25.12m,深3m。
(1) 水池占地多大?(2) 在底面和四周抹水泥,抹水泥的面有多大? (3)它最多蓄水多少吨?13.小明每次运动前都准备好一瓶矿泉水,瓶子的内直径是6cm,运动后他喝了一些水,剩下水高5cm。
把瓶盖拧紧后倒置放平,无水部分是圆柱形,高7cm,这瓶水共多少毫升?14.一个圆柱形铁皮水桶(无盖) 的底面直径是6dm,高是5dm。
(1) 做这个水桶大约需要多少铁皮?(2) 李师博做了50个这样的水桶。
如果每平方米铁皮的售价是35 元,买做这些水桶的铁皮共需要多少钱? (得数保留整数)。
8.3.2 圆柱、圆锥、圆台、球的表面积和体积一、选择题1.若圆锥的高等于底面直径,则它的底面积与侧面积之比为A.1∶2B.1C.1D2【答案】C【解析】设圆锥底面半径为r,则高h=2r,∴其母线长l=r.∴S侧=πrl=πr2,S底=πr故选C.2.(2017新课标全国Ⅲ理科)已知圆柱的高为1,它的两个底面的圆周在直径为2的同一个球的球面上,则该圆柱的体积为A.πB.3π4C.π2D.π4【答案】B 【解析】绘制圆柱的轴截面如图所示,由题意可得:11,2 AC AB==,结合勾股定理,底面半径2r==,由圆柱的体积公式,可得圆柱的体积是223ππ1π24V r h⎛⎫==⨯⨯=⎪⎪⎝⎭,故选B.3.圆柱的底面半径为1,母线长为2,则它的侧面积为()A.2πB.3πC.πD.4π【答案】D【解析】圆柱的底面半径为r=1,母线长为l=2,则它的侧面积为S侧=2πrl=2π×1×2=4π.故选:D.4.圆台的上、下底面半径和高的比为1:4:4,母线长为10,则圆台的侧面积为().A.81πB.100πC.14πD.169π【答案】B【解析】设圆台上底半径为r,则其下底半径为4r,高为4r,结合母线长10,可求出r=2.然后由圆台侧面积公式得,.5.(多选题)一个圆柱和一个圆锥的底面直径和它们的高都与一个球的直径2R相等,下列结论正确的是()A.圆柱的侧面积为22RπB.圆锥的侧面积为22RπC.圆柱的侧面积与球面面积相等D.圆柱、圆锥、球的体积之比为3:1:2【答案】CD【解析】依题意得球的半径为R,则圆柱的侧面积为2224R R Rππ⨯=,∴A错误;圆锥的侧面积为2R Rπ=,∴B错误;球面面积为24Rπ,∵圆柱的侧面积为24Rπ,∴C正确;2322V R R Rππ=⋅=圆柱,2312233V R R Rππ⋅==圆锥,343V R=π球33324:2::3:1:233:V V V R R Rπππ∴==圆柱圆锥球,∴D正确.故选:CD.6.(多选题)如图所示,ABC 的三边长分别是3AC =,4BC =,5AB =,过点C 作CD AB ⊥,垂足为D .下列说法正确的是( )A .以BC 所在直线为轴,将此三角形旋转一周,所得旋转体的侧面积为15πB .以AC 所在直线为轴,将此三角形旋转一周,所得旋转体的体积为36πC .以AC 所在直线为轴,将此三角形旋转一周,所得旋转体的侧面积为25πD .以AC 所在直线为轴,将此三角形旋转一周,所得旋转体的体积为16π【答案】AD【解析】以BC 所在直线为轴旋转时,所得旋转体为底面半径为3,母线长为5,高为4的圆锥 ∴侧面积为3515ππ⨯⨯=,体积为2134123ππ⨯⨯⨯=,∴A 正确,B 错误;以AC 所在直线为轴旋转时,所得旋转体为底面半径为4,母线长为5,高为3的圆锥侧面积为4520ππ⨯⨯=,体积为2143163ππ⨯⨯⨯=,∴C 错误,D 正确.故选:AD .二、填空题7. 已知一个正方体的所有顶点在一个球面上,若这个正方体的表面积为18,则这个球的体积为____. 【答案】92π 【解析】设正方体边长为a ,则226183a a =⇒= ,外接球直径为34427923,πππ3382R V R ====⨯=.8.如图,若球O 的半径为5,一个内接圆台的两底面半径分别为3和4(球心O 在圆台的两底面之间),则圆台的体积为______.【答案】259π3【解析】解:作经过球心的截面(如图),由题意得13O A =,24O B =,5OA OB ==,则14OO =,23OO =,127O O =,所以()22π259347π33V ⨯⨯==.9.已知圆柱的上、下底面的中心分别为12,O O ,过直线12O O 的平面截该圆柱所得的截面是面积为4的正方形,则该圆柱的表面积为_______.【答案】6π【解析】由题意,圆柱的截面是面积为4的正方形,可得其边长为2,可得圆柱的底面半径为1r =,母线2l =,所以该圆柱的表面积为221222212216S S S rl r πππππ=+=+=⨯⨯+⨯=。
圆柱的体积练习题1、填表圆柱底面高半径直径周长表面积体积5米4米1.5米2(单位:厘米)3、一个圆柱形奶粉盒的谋面半径是5厘米,高是20厘米,它的容积是多少立方厘米?4、把一块棱长12分米的正方体木料加工成一个体积最大的圆柱体,这个圆柱体的体积是多少?5、计算下面各圆柱体的体积。
A、底面积是1.25平方米,高3米。
B、底面直径和高都是8分米。
C、底面半径和高都是8分米。
D、底面周长是12.56米,高2米。
6、一个圆柱形的油桶,从里面量底面半径直径是4分米,高3分米,做这个油桶至少要用多少平方分米的铁皮?如果1升柴油重0.82千克,这个油桶能装多少千克的柴油?(得数保留两位小数)7、一个圆柱形水池的容积是43.96立方米,池底直径4米,池深多少米?8、一口周长是6.28米的圆柱形水井,它的深是10米,平时蓄水深度是井深的0.8倍,这口井平时的水量是多少立方米?9、一个长8分米,宽6分米,高4分米的长方体与一个圆柱体的体积相等,高相等,这个圆柱的底面积是多少?10、一段圆柱形钢材,长50厘米,横截面半径是4厘米,如果每立方厘米钢是7.9克,这段钢材的重量是多少千克?(得数保留一位小数)12、有一段底面是环形的钢管,外圆直径是40厘米,内圆直径是20厘米,这根钢管长250厘米,求这根钢管的体积是多少立方厘米?圆柱的体积练习二1、一个圆柱的底面半径是6厘米,高是2分米,求这个圆柱的体积。
2、小刚有一个圆柱形的水杯,水杯的底面半径是5厘米,高是10厘米,有资料显示:每人每天的正常饮水量大约是1升,小刚一天要喝几杯水?3、一个圆柱形水桶,底面直径和高都是40厘米,用这个水桶容积的85%装水,每升水重1千克,桶中的水大约有多少千克?4、一个底面半径是10米的圆柱形蓄水池,能蓄水2512立方米,若再挖深2米,可蓄水多少立方米?5、一个圆柱形油桶,内底面直径是40厘米,高是50厘米,它的容积是多少升?如果1升柴油重0.85千克,这具油桶可装柴油多少千克?(得数保留整千克)6、一个圆柱形玻璃杯底面半径是10厘米,里面装不水,水的高度是12厘米,把一小块铁块放进杯中,水上升到15厘米,这块铁块重多少克?(每立方厘米铁重7.8克)7、下图是一个长15厘米,宽6厘米、高15厘米的长方体钢制机器零件,中间有一个底面半径为5求这个零件的体积。
圆柱表面积和体积练习题圆柱表面积和体积练题一、选择题1.圆柱体的底面半径和高都扩大2倍,它的体积扩大()倍。
A。
2 B。
4 C。
6 D。
82.体积单位和面积单位相比较,()。
A。
体积单位大 B。
面积单位大 C。
一样大 D。
不能相比3.等底等高的圆柱体、正方体、长方体的体积相比较,()。
A。
正方体体积大B。
长方体体积大C。
圆柱体体积大D。
一样大二、填空题1.0.9平方米 = ()平方分米。
9002.3立方米5立方分米 = ()立方米。
3.53.4.5立方分米 = ()立方分米()立方厘米。
4.5.45004.一个棱长为4厘米的正方体,它的表面积是()。
965.一个圆柱体的底面半径是4厘米,高6厘米,它的侧面积是()、表面积是()、体积是()。
48π。
80π。
96π6.一个圆柱体的底面直径是4厘米,高8厘米,它的侧面积是()、表面积是()、体积是()。
64π。
80π。
128π7.一个圆柱体的底面周长是6.28分米,高2分米,它的侧面积是()、表面积是()、体积是()。
12.56.18.84.12.568.一个圆柱体的侧面展开图是边长为31.4厘米的正方形,这个圆柱体的底面积是(1个)是()平方厘米,这个圆柱体的体积是()立方厘米。
314.31409.圆柱体的底面周长是62.8厘米,高是20厘米,这圆柱体的表面积是()、体积是()。
1256.10.一个圆柱体,它的高增加3厘米,侧面积就增加18.84平方厘米,这个圆柱体的底面积是()。
16π11.一个高5厘米的圆柱体,沿底面直径将圆柱体锯成两块,其表面积增加40平方厘米,原来这个圆柱体的体积是()。
50π12.一个圆柱体的体积是125.6立方厘米,底面直径是4厘米,它的侧面积是()平方厘米。
100π三、判断题1.一个正方体切成两个体积相等的长方体后,每个长方体的表面积是原正方体的1/2.(错误)2.正方体的表面积是6平方厘米,它的体积一定是6立方厘米。
苏教版六年级数学——圆柱的表面积和体积练习教学内容:圆柱表面积和体积计算综合练习教学目标:提高学生应用公式解决实际问题的能力,帮助学生在具体的情境中进一步感受所学知识的应用价值。
教学重难点:进一步培养学生的空间想像能力和综合应用数学知识解决实际问题的能力。
教学对策:补充一些有关圆柱表面积和体积计算的基本练习及解决问题的练习,指导学生灵活运用所学知识解决问题。
教学准备:多媒体教学设备教学过程:一、揭示课题前几节课,我们学习了圆柱表面积和圆柱体积计算,运用这些知识能解决很多实际问题。
这节课,我们将这部分知识进行综合练习。
(板书课题)二、知识梳理,练习巩固。
1、知识整理。
(1)已知圆的半径和高,怎样求圆柱的表面积和体积?(2)已知圆的直径和高,怎样求圆柱的表面积和体积?(3)已知圆的周长和高,怎样求圆柱的表面积和体积?同桌之间可以互相说说,可以说说运用哪些计算公式进行计算。
2、求下面各圆柱的体积⑴底面积0.6平方米,高0.5米⑵半径4厘米,高12厘米⑶直径5分米,高6分米学生独立计算,然后指名交流,教师及时了解学生计算情况。
3、一个圆柱形水池,直径10米,深1米。
(1)这个水池占地面积是多少?(2)在池底及池壁抹一层水泥,抹水泥部分的面积是多少?(3)挖成这个水池,共需挖土多少立方米?学生读题后,独立思考并解答,交流时指名学生说说每一个问题要求的是什么?三、综合练习1、求下面圆柱的体积和表面积。
底面半径:3米,高:10米2、有两个底面积相等的圆柱,第一个圆柱的高是第二个圆柱的4/7。
第一个圆柱的体积是24立方厘米,第二个圆柱的的体积比第一个圆柱多多少立方厘米?3、压路机的滚筒是个圆柱,它的长是2米,滚筒横截面半径是1米,如果滚筒每分钟滚动5周,那么10分钟可压路多少平方米?4、在直径0.8米的水管中,水流速度是每秒2米,那么1分钟流过的水有多少立方米?四、补充练习:课前思考:通过本课练习,让学生在解决实际问题的过程中,进一步理解和掌握圆柱的体积公式,感受所学的数学知识的应用价值。
圆柱的表面积和体积练习测试卷一.选择题(共5小题)1.用一张长6.28cm,宽1dm的长方形铁皮,围成一个圆柱体,这个圆柱的侧面积是()A.31.4cm2B.3.14 m2C.12.56cm2 D.62.8cm22.一个底面积是20cm2的圆柱,斜着截去了一段后,剩下的图形如图.截后剩下的图形的体积是()cm3.A.140B.180C.220D.3603.压路机的前轮转动一周所压过的路面面积是指()A.前轮的表面积B.前轮的侧面积C.前轮的底面积4.在长12厘米,宽10厘米,高8厘米的长方体中切出一个体积最大的圆柱,这个圆柱的体积是()立方厘米.A.1130.4B.602.88C.628D.904.325.一个圆柱的底面直径扩大到原来的2倍,高缩小到原来的,圆柱的侧面积()A.扩大到原来的2倍B.缩小到原来的C.不变D.扩大到原来的3倍二.填空题(共10小题)6.一根长20分米的圆柱形圆木,锯成两段后表面积增加了4平方分米,它原来的体积是立方分米.7.一个长4cm,宽3cm的长方形,以一条边为轴旋转一周,得到一个,侧面积是cm2,体积最大是cm3.8.如图,把一个底面半径为4cm的圆柱,拼成一个近似的长方体,长方体的表面积比圆柱增加了40cm2,圆柱的高是cm,体积是cm3.9.李叔叔家新买了一台空调,外观为圆柱体,底面半径30厘米,高约2米,这台空调所占空间为立方米,若需要一个防尘罩,至少需要布平方米.10.一个圆柱体,底面积是3dm2,高是15cm,它的体积是dm3.11.一个正方体棱长之和是36厘米,把它挖去一个最大的圆柱体,圆柱体的体积是立方厘米.12.把一个圆柱的侧面展开是一个正方形,这个圆柱的底面直径是4厘米,圆柱的高是厘米.(ð取3.14)13.一根长1米的圆柱形木棒,锯成3段后,表面积增加了64平方分米,这根木棒的体积是.14.如图,一个内直径是6cm的瓶里装满矿泉水,小兰喝了一些后,这时瓶里水的高度是12cm,把瓶盖拧紧后倒置放平,无水部分高8cm.小兰喝了ml水;这个瓶子的容积是ml.15.一个高20cm的圆柱,沿着底面直径切成两个半圆柱,表面积增加360cm2,这个圆柱的底面直径是cm.三.判断题(共5小题)16.两个圆柱的侧面积相等,它们的高一定相等.(判断对错)17.圆柱的表面积等于底面积乘高.(判断对错)18.圆柱的侧面展开是正方形时,这个圆柱的高和它的底面周长相等.(判断对错)19.压路机滚筒滚动一周能压多少路面是求滚筒的侧面积.(判断对错)20.做一个铁皮烟囱需要多少铁皮,就是求烟囱的表面积.(判断对错)四.计算题(共2小题)21.计算下面圆柱的表面积和体积.22.如图,阴影部分的材料正好可以做成一个圆柱,求这个圆柱的体积.五.应用题(共5小题)23.一种无盖的消防桶是圆柱形.底面半径是10cm,高40cm.现在要在桶的外侧面和外底面涂上油漆.(1)涂油漆的面积是多少平方厘米?(2)这个消防桶的容积是多少立方厘米?(桶的厚度忽略不计).24.一种圆柱形的铁皮通风管长4米,横截面的直径是3分米,要做20节这样的通风管,至少需要多少平方分米的铁皮?25.100个无盖油桶的外表面要刷油添,每平方米需油漆0.5kg.每个油桶的底面直径是40cm,高是60cm.刷这100个无盖油桶需多少千克油漆?26.一个圆柱形水桶,从里面量底面直径是2.6米,深2米,这个水桶能装多少吨花水?(每立方米水重1吨)(最后结果保留一位小数)27.一个盛有水的圆柱形容器的底面直径是10厘米,水深12厘米,放入一块石头,从容器中溢出50毫升水,这个容器的高是22厘米,石头的体积是多少?圆柱的表面积和体积练习测试卷参考答案与试题解析一.选择题(共5小题)1.用一张长6.28cm,宽1dm的长方形铁皮,围成一个圆柱体,这个圆柱的侧面积是()A.31.4cm2B.3.14 m2C.12.56cm2 D.62.8cm2【解答】解:1dm=10cm6.28×10=62.8(平方厘米)答:这个圆柱的侧面积是62.8平方厘米.故选:D.【点评】此类题解答的关键是理解圆柱侧面积的计算方法,然后根据计算公式代入数据解答即可.2.一个底面积是20cm2的圆柱,斜着截去了一段后,剩下的图形如图.截后剩下的图形的体积是()cm3.A.140B.180C.220D.360【解答】解:20×(7+11)÷2=20×18÷2=180(立方厘米)答:节后剩下的图形的体积是180立方厘米.故选:B.【点评】此题主要考查圆柱体积公式的灵活运用,关键是熟记公式.3.压路机的前轮转动一周所压过的路面面积是指()A.前轮的表面积B.前轮的侧面积C.前轮的底面积【解答】解:压路机的前轮转动一周所压过的路面面积是指前轮的侧面积.故选:B.【点评】压路机的前轮的形状是圆柱,这个圆柱是侧躺在地面,转动一周,所压过的面正好是圆柱的侧面.4.在长12厘米,宽10厘米,高8厘米的长方体中切出一个体积最大的圆柱,这个圆柱的体积是()立方厘米.A.1130.4B.602.88C.628D.904.32【解答】解:以10厘米为底面直径,高是8厘米;3.14×(10÷2)2×8=3.14×25×8=78.5×8=628(立方厘米答:这个圆柱体的体积是628立方厘米.故选:C.【点评】解答此题的关键是,如何将一个长方体削成一个最大的圆柱,并找出它们之间的联系,再根据相应的公式解决问题.5.一个圆柱的底面直径扩大到原来的2倍,高缩小到原来的,圆柱的侧面积()A.扩大到原来的2倍B.缩小到原来的C.不变D.扩大到原来的3倍【解答】解:根据圆的周长公式:C=ðd,因为圆周率一定,所以圆的周长和直径成正比例,因此,一个圆柱的底面直径扩大到原来的2倍,也就是圆柱的底面周长扩大2倍,高缩小到原来的,所以圆柱的侧面积不变.故选:C.【点评】此题考查的目的是理解掌握圆柱的侧面积公式及应用,以及因数与积的变化规律及应用.二.填空题(共10小题)6.一根长20分米的圆柱形圆木,锯成两段后表面积增加了4平方分米,它原来的体积是40立方分米.【解答】解:4÷2×20=2×20=40(立方分米)答:它用来的体积是40立方分米.故答案为:40.【点评】此题考查的目的是理解掌握圆柱表面积的意义,以及圆柱体积公式的灵活运用,关键是熟记公式.7.一个长4cm,宽3cm的长方形,以一条边为轴旋转一周,得到一个圆柱,侧面积是75.36cm2,体积最大是150.72cm3.【解答】解:(1)以4厘米的边为轴旋转一周得到的圆柱的底面半径是3厘米,高是4厘米;2×3.14×3×4=18.84×4=75.36(平方厘米);3.14×32×4=3.14×9×4=28.26×4=113.04(立方厘米);(2)以3厘米的边为轴旋转一周得到的圆柱的底面半径是4厘米,高是3厘米;2×3.14×4×3=25.12×3=75.36(平方厘米);3.14×42×3=3.14×16×3=50.24×3=150.72(立方厘米);150.72>113.04;答:得到一个圆柱,侧面积是75.36平方厘米,体积最大是150.72立方厘米.故答案为:圆柱、75.36、150.72.【点评】此题考查的目的是理解掌握圆柱的特征,以及圆柱的侧面积公式、体积公式的灵活运用,关键是熟记公式.8.如图,把一个底面半径为4cm的圆柱,拼成一个近似的长方体,长方体的表面积比圆柱增加了40cm2,圆柱的高是5cm,体积是251.2cm3.【解答】解:40÷2÷4=5(厘米)3.14×42×5=3.14×16×5=50.24×5=251.2(立方厘米)答:圆柱的高是5厘米,体积是251.2立方厘米.故答案为:5、251.2.【点评】此题考查的目的是理解掌握圆柱体积公式的推导过程及应用,以及圆柱体积公式的灵活运用,关键是熟记公式.9.李叔叔家新买了一台空调,外观为圆柱体,底面半径30厘米,高约2米,这台空调所占空间为0.5652立方米,若需要一个防尘罩,至少需要布 4.0506平方米.【解答】解:30厘米=0.3米3.14×0.32×2=3.14×0.09×2=0.5652(立方米)3.14×0.3×2×2+3.14×0.32=3.14×1.2+3.14×0.09=3.14×1.29=4.0506(平方米)答:这台空调所占空间为0.5652立方米,至少需要布4.0506平方米.故答案为:0.5652;4.0506.【点评】解答此题主要分清所求物体的形状,转化为求有关圆柱体表面积的问题,把实际问题转化为数学问题,再运用圆柱的表面积公式和体积公式解决问题.10.一个圆柱体,底面积是3dm2,高是15cm,它的体积是 4.5dm3.【解答】解:15厘米=1.5分米答:它的体积是4.5立方分米.故答案为:4.5.【点评】此题主要考查圆柱体积公式的灵活运用,关键是熟记公式,注意:底面积与高单位的对应.11.一个正方体棱长之和是36厘米,把它挖去一个最大的圆柱体,圆柱体的体积是21.195立方厘米.【解答】解:36÷12=3(厘米)3.14×(3÷2)2×3=3.14×2.25×3=7.065×3=21.195(立方厘米)答:圆柱的体积是21.195立方厘米.故答案为:21.195.【点评】此题主要考查正方体的棱长总和公式、圆柱的体积搜狗的灵活运用,关键是熟记公式.12.把一个圆柱的侧面展开是一个正方形,这个圆柱的底面直径是4厘米,圆柱的高是12.56厘米.(ð取3.14)【解答】解:3.14×4=12.56(厘米)答:圆柱的高是12.56厘米.故答案为:12.56.【点评】解答此题的关键是根据侧面展开图是一个正方形,明确圆柱的高与底面周长相等.13.一根长1米的圆柱形木棒,锯成3段后,表面积增加了64平方分米,这根木棒的体积是160立方分米.【解答】解:1米=10分米64÷4×10=16×10=160(立方分米)答:这根木棒的体积是160立方分米.【点评】抓住圆柱的切割特点和增加的表面积,先求出圆柱的底面积是解决此类问题的关键.14.如图,一个内直径是6cm的瓶里装满矿泉水,小兰喝了一些后,这时瓶里水的高度是12cm,把瓶盖拧紧后倒置放平,无水部分高8cm.小兰喝了226.08ml水;这个瓶子的容积是565.2ml.【解答】解:3.14×(6÷2)2×8=3.14×9×8=28.26×8=226.08(立方厘米)3.14×(6÷2)2×(12+8)=3.14×9×20=28.26×20=565.2(立方厘米)226.08立方厘米=226.08毫升565.2立方厘米=565.2毫升答:小红喝了226.08毫升,这个瓶子的容积是565.2毫升.故答案为:226.08、565.2.【点评】此题主要考查圆柱的容积(体积)公式在实际生活中的应用,关键是熟记公式,注意:体积单位与容积单位之间的换算.15.一个高20cm的圆柱,沿着底面直径切成两个半圆柱,表面积增加360cm2,这个圆柱的底面直径是9cm.【解答】解:360÷2÷20=180÷20=9(厘米)答:这这个圆柱的底面直径是9厘米.故答案为:9.【点评】此题主要考查圆柱的表面积公式、体积公式的灵活运用,关键是熟记公式,重点是明确:表面积增加的360平方厘米是两个截面的面积,每个截面的长等于圆柱的高,宽等于圆柱的直径.三.判断题(共5小题)16.两个圆柱的侧面积相等,它们的高一定相等.×(判断对错)【解答】解:侧面积相等的两个圆柱,它们的底面周长和高不一定相等.如侧面积是6.28,即底面周长×高=6.28,因为3.14×2=6.28,6.28×1=6.28,所以它们的底面周长和高不一定相等.原题说法错误.故答案为:×.【点评】本题考查了圆柱的侧面积公式的应用和积一定,一个数越大另一个数就越小的规律.17.圆柱的表面积等于底面积乘高.×(判断对错)【解答】解:圆柱的表面积=侧面积+底面积×2,因此,圆柱的表面积等于底面积乘高.这种说法是错误的.故答案为:×.【点评】此题考查的目的是理解掌握圆柱表面积的意义,以及圆柱的表面积公式.18.圆柱的侧面展开是正方形时,这个圆柱的高和它的底面周长相等.√(判断对错)【解答】解:如果圆柱的侧面展开是一个正方形,那么这个圆柱的底面周长和高相等.所以题干说法正确.故答案为:√.【点评】此题考查的目的是理解掌握圆柱侧面展开图的特征.19.压路机滚筒滚动一周能压多少路面是求滚筒的侧面积.√(判断对错)【解答】解:因为压路机的滚筒是一个圆柱,所以压路机滚筒滚动一周能压多少路面是求滚筒的侧面积.因此,压路机滚筒滚动一周能压多少路面是求滚筒的侧面积.这种说法是正确的.故答案为:√.【点评】此题考查的目的是理解掌握圆柱的特征,以及圆柱侧面积的意义.20.做一个铁皮烟囱需要多少铁皮,就是求烟囱的表面积.×(判断对错)【解答】解:因为,烟囱是通风的,是没有上下两个底的所以,做一个铁皮烟囱需要多少铁皮,就是求烟囱的侧面积,题干的说法是错误的.故答案为:×.【点评】此题主要考查了圆柱体的侧面积的意义,及在生活中的实际应用.四.计算题(共2小题)21.计算下面圆柱的表面积和体积.【解答】解:侧面积:3.14×8×10=251.2(平方厘米)表面积:251.2+3.14×(8÷2)2×2=251.2+3.14×16×2=251.2+100.48=351.68(平方厘米)体积:3.14×(8÷2)2×10=3.14×16×10=502.4(立方厘米);答:表面积是351.68平方厘米,体积是502.4立方厘米.【点评】此题主要考查圆柱的侧面积、表面积、体积的计算,直接根据它们的计算公式,把数据代入公式解答即可.22.如图,阴影部分的材料正好可以做成一个圆柱,求这个圆柱的体积.【解答】解:设圆柱的底面直径为x分米,3.14x+x=16.564.14x=16.56x=4.3.14×(4÷2)2×(4×2)=3.14×4×8=12.56×8=100.48(立方分米),答:这个圆柱的体积是100.48立方分米.【点评】此题主要考查圆的周长公式、圆柱的体积公式的灵活运用,关键是熟记公式.五.应用题(共5小题)23.一种无盖的消防桶是圆柱形.底面半径是10cm,高40cm.现在要在桶的外侧面和外底面涂上油漆.(1)涂油漆的面积是多少平方厘米?(2)这个消防桶的容积是多少立方厘米?(桶的厚度忽略不计).【解答】解:(1)3.14×102+3.14×10×2×40=3.14×100+3.14×800=3.14×900=2826(平方厘米)答:涂油漆的面积是2826平方厘米;(2)3.14×102×40=3.14×100×40=12560(立方厘米)答:这个消防桶的容积是12560立方厘米.【点评】解答此题主要分清所求物体的形状,转化为求有关圆柱体表面积的问题,把实际问题转化为数学问题,再运用圆柱的表面积公式和体积公式解决问题.24.一种圆柱形的铁皮通风管长4米,横截面的直径是3分米,要做20节这样的通风管,至少需要多少平方分米的铁皮?【解答】解:4米=40分米3.14×3×40×20=3.14×2400=7536(平方分米)答:至少需要7536平方分米的铁皮.【点评】此题考查了圆柱的侧面积公式的计算应用,此类问题要结合生活实际进行解答.25.100个无盖油桶的外表面要刷油添,每平方米需油漆0.5kg.每个油桶的底面直径是40cm,高是60cm.刷这100个无盖油桶需多少千克油漆?【解答】解:侧面积=底面周长×高=3.14×40×60=7536(平方厘米)底面积S=ðr2=3.14×(40÷2)2=1256(平方厘米)表面积=侧面积+底面积=7536+1256=8792(平方厘米)=0.8792(平方米)0.8792×0.5×100=43.96(千克)答:需要43.96千克油漆.【点评】在物体表面刷漆的问题,都是求物体的表面积,搞清物体的形状和面数解答即可.26.一个圆柱形水桶,从里面量底面直径是2.6米,深2米,这个水桶能装多少吨花水?(每立方米水重1吨)(最后结果保留一位小数)【解答】解:2.6÷2=1.3(米)3.14×1.32×2=3.14×3.38=10.6032(立方米)10.6032×1≈10.6(吨)答:这个水桶大约能装10.6吨水.【点评】从里面量圆柱的底面直径和高,根据V=Sh算出来的是圆柱的容积.27.一个盛有水的圆柱形容器的底面直径是10厘米,水深12厘米,放入一块石头,从容器中溢出50毫升水,这个容器的高是22厘米,石头的体积是多少?【解答】解:50毫升=50立方厘米3.14×(10÷2)2×(22﹣12)+50=3.14×25×10+50=78.5×10+50=785+50=835(立方厘米)答:石头的体积是835立方厘米.【点评】此题主要考查圆柱的容积(体积)公式的灵活运用,关键是熟记公式,注意:容积单位与体积单位之间的换算.。
圆柱体的表⾯积与体积圆柱体的表⾯积与体积圆柱的表⾯积练习题习题精选(⼀)⼀、填空1、把圆柱体的侧⾯展开,得到⼀个(),它的()等于圆柱底⾯周长,()等于圆柱的⾼.2、⼀个圆柱体,底⾯周长是94.2厘⽶,⾼是25厘⽶,它的侧⾯积是()平⽅厘⽶.3、⼀个圆柱体,底⾯半径是2厘⽶,⾼是6厘⽶,它的侧⾯积是()平⽅厘⽶.4、⼀个圆柱体的侧⾯积是12.56平⽅厘⽶,底⾯半径是2分⽶,它的⾼是()厘⽶.5、把⼀长8分⽶,宽5分⽶的⽩纸,围成⼀个圆柱形纸筒,这个纸筒的侧⾯积是()平⽅分⽶.6、把⼀边长为5.5厘⽶的正⽅形⽩纸,围成⼀个圆柱形纸筒,这个纸筒的侧⾯积是()平⽅分⽶.⼆、判断1、圆柱的侧⾯展开后⼀定是长⽅形.()2、6⽴⽅厘⽶⽐5平⽅厘⽶显然要⼤.()3、⼀个物体上、下两个⾯是相等的圆⾯,那么,它⼀定是圆柱形物体.()4、把两相同的长⽅形纸,分别卷成两个形状不同的圆柱筒,并装上两个底⾯,那么制的圆柱的⾼、侧⾯积、表⾯积⼀定相等.()三、求下⾯各圆柱体的侧⾯积.1、底⾯周长是6分⽶,⾼是3.5分⽶.2、底⾯直径是2.5分⽶,⾼是4分⽶.3、底⾯半径是3厘⽶,⾼是15厘⽶.⼆、判断1、圆柱体的表⾯积=底⾯积×2+底⾯积×⾼.()2、圆柱体的表⾯积⼀定⽐它的侧⾯积⼤.()3、圆柱体的⾼越长,它的侧⾯积就越⼤.()三、选择题1、做⼀个⽆盖的圆柱体的⽔桶,需要的铁⽪的⾯积是().A.侧⾯积+⼀个底⾯积B.侧⾯积+两个底⾯积C.(侧⾯积+底⾯积)×22、⼀个圆柱的底⾯直径是10厘⽶,⾼是4分⽶,它的侧⾯积是()平⽅厘⽶.A.400B.12.56C.125.6D1256A 扩⼤2倍B 缩⼩2倍C 不变2.6⽶ = ()厘⽶ 48分⽶ = ()⽶7.5平⽅分⽶ = ()平⽅厘⽶ 9300平⽅厘⽶ = ()平⽅⽶圆柱体的体积圆柱体体积=底⾯积×⾼1、计算下⾯图形的表⾯积和体积。
小学数学-有答案-人教版数学六年级下册3.1.2 圆柱的表面积练习卷一、填空题1. 一个圆柱体的底面直径是4分米,高是3分米,它的侧面积是(________)平方分米,表面积是(________)平方分米。
2. 一圆柱过底面圆心沿高切开,表面积增加了60平方厘米,已知圆柱的高为5厘米,则一个底面圆的面积是(________)平方厘米。
3. 把一个底面半径6厘米、高8厘米的圆柱体,切拼成一个近似的长方体,表面积比原来增加了(________)平方厘米。
4. 把一个圆柱体侧面展开,量得展开后的长方形的长是9.42厘米,这个圆柱体的底面积是(________)。
5. 请你制作一个无盖圆柱形水桶,有以下几种型号的铁皮可供搭配选。
A.B.C.D.你认为(______)和(______)的材料搭配较合适.二、选择题做一个铁皮烟囱需要多少铁皮,就是求烟囱的()A.表面积B.体积C.侧面积一个圆柱,底面半径扩大到原来的2倍,高不变,它的侧面积( )A.扩大2倍B.扩大4倍C.不变在棱长8cm的正方体的上面正中央向下挖一个底面直径是2cm,高是2cm的圆柱,则正方体的表面积增加的部分是圆柱的()。
A.侧面积B.侧面积+一个底面积C.表面积三、解答题一个圆柱体,高减少4厘米,表面就减少50.24平方厘米,这个圆柱的底面积是多少平方厘米?(π取3.14)一种圆柱形铅笔,底面直径是0.8cm,长18cm.这支铅笔刷漆的面积是多少平方厘米?你见下面这种形状的抽纸吗?它的前面是半圆形.如果像现在这样把它放在桌子上,它占多大的面积?参考答案与试题解析小学数学-有答案-人教版数学六年级下册3.1.2 圆柱的表面积练习卷一、填空题1.【答案】37.68,62.8【考点】圆柱的侧面积、表面积和体积圆柱的特征关于圆柱的应用题【解析】此题暂无解析【解答】略2.【答案】28.26【考点】圆、圆环的面积【解析】根据题干把一个圆柱沿底面直径切开,分成两个相等的半圆柱,表面积增加部分就是以这个圆柱的底面直径和圆柱的高为边长的两个长方形的面积,由此利用长方形的面积公式即可求得圆柱的底面半径,代入圆的面积公式即可解决问题.【解答】底面半径是:60−2÷5−2=3(厘米),底面积是:3.14×32=3.14×9=28.26(平方厘米)3.【答案】96【考点】圆柱的侧面积、表面积和体积简单的立方体切拼问题长方体、正方体表面积与体积计算的应用【解析】根据圆柱体积公式的推导过程可知,长方体的底面积等于圆柱的底面积,长方体的高等于圆柱的高,长方体的宽等于圆柱的底面半径,长方体的侧面积=圆柱的侧面积+2个长方形切面的面积,所以要求表面积比原来增加多少,就是求2个长方形切面的面积.【解答】根据表面积比原来增加的部分,就是求2个长方形切面的面积可得:6×8×2=48×2=96(平方厘米)4.【答案】7.065平方厘米【考点】圆、圆环的面积【解析】此题暂无解析【解答】3.14×(9.42+3.14+2)2=3.14×1.5=3.14×2.25=7.065(平方厘米)5.【答案】BC【考点】圆、圆环的面积【解析】因为所制作的水桶的底面周长即图中圆的周长等于长方形的长,由此得出B和C的材料搭配合适.【解答】因为3.14×2=6.28(分米),所以B和C的材料搭配合适.二、选择题【答案】C【考点】圆柱的侧面积、表面积和体积长度及长度的常用单位图文应用题【解析】此题暂无解析【解答】略【答案】A圆柱的特征整数四则混合运算【解析】此题暂无解析【解答】因为圆柱侧面积=2ππ圆柱底面半径×高,圆柱底面半径扩大到原来的2倍,高不变,侧面积就扩大2倍.【答案】A【考点】圆柱的侧面积、表面积和体积长方体和正方体的体积关于圆柱的应用题【解析】此题暂无解析【解答】根据题意,挖出的是一个底面直径为2厘米,高2厘米的圆柱体,那么圆柱体的底面积的部分是原来立方体的表面积,圆柱体的侧面积部分是原来正方体内的部分,所以正方体的表面积增加的部分是圆柱体的侧面积.三、解答题【答案】12.56平方厘米【考点】圆柱的侧面积、表面积和体积关于圆柱的应用题圆柱的特征【解析】50.24平方厘米是以圆柱的底面积为底,高是4厘米的圆柱的侧面积,根据侧面积公式5=cℎ,由此求出圆柱的底面的周长是c=5+,进而求出圆柱的底面半径,再根据圆的面积公式,5=πr2求出圆柱的底面积.【解答】圆柱的底面周长:50.24÷4=12.56(厘米),圆柱的底面积是:3.14×(12.56÷3.14÷2)2=3.14×22=3.14×4=12.56(平方厘米),答:这根圆柱的底面积是12.56平方厘米.【答案】45.216平方厘米关于圆柱的应用题有关圆的应用题【解析】此题暂无解析【解答】3.14×0.8×18=2.512×18=45.216(平方厘米)【答案】160平方厘米.【考点】圆、圆环的面积组合图形的面积长方形、正方形的面积【解析】求它的占地面积,实际上是求长和宽分别为20厘米、8厘米的长方形的面积,利用长方形的面积公式即可求解.【解答】20×8=160(平方厘米);答:它占地面积是160平方厘米.。
圆柱表面积专项练习60题(有答案)1.王师傅要做一个底面直径2分米,高9分米的圆柱形通风管,至少需要多少平方分米的铁皮?2.一个无盖的圆柱形铁皮水桶,高是30厘米,底面半径是10厘米,做这个水桶至少要用铁皮多少平方分米?(用进一法,得数保留整数)3.一台压路机滚筒长1.2米,直径1米,这台压路机的滚筒滚动200周前进了多少米?压过的路面是多少平方米?4.一个圆柱的表面积是50.24平方分米,底面半径是2分米,则这个圆柱的高是多少分米?5.将这根水管内外表面镀锌,求镀锌的面积(单位:厘米)6.压路机的滚筒是一个圆柱形,直径是1米,长1.5,米,每滚动一周能压多少面积的路面?7.做20节圆柱形铁皮烟囱,每节烟囱长2.5米,横截面的直径是40厘米,一共要用多少平方米的铁皮?8.把一张长9.42分米,宽3.14分米的长方形铁皮圈成一个圆柱形无盖容器,要配上底面半径多少分米的圆形铁皮.9.把一根长80厘米,底面半径是15厘米的圆柱形钢材锯成3段,表面积增加了多少平方厘米?10.一个无盖的圆柱形铁皮水桶,高为12分米,底面直径是高的,做这个水桶,至少用铁皮多少平方分米?(用进一法保留整数)11.把141.3升水倒入一个底面周长18.84分米的无盖铁皮圆柱体水桶中,正好能倒满,请你算算这个铁皮水桶用铁皮多少平方分米?12.一个圆柱形水池,底面直径为40m,深3m,现要在其底部和四周铺上方砖,铺方砖的面积是多少?13.把一个长12厘米,宽6厘米的长方形纸板沿长旋转一周,得到一个圆柱体,这个圆柱体的侧面积是多少?14.一个圆柱形无盖水桶,底面直径4dm、高5dm,做一个这样的水桶至少需要多少dm2的木板?15.一个圆柱形的薯片包装盒,高是2.5分米,底面半径是3厘米.如果沿包装盒的一周贴上高度为5厘米的商标纸,商标纸的面积应是多少平方厘米?16.如图,把一个底面半径2厘米、高5厘米圆柱沿直径切成两半,表面积会比原来增加多少平方厘米?17.一个高是20厘米的圆柱,把高增加4厘米后,圆柱表面积比原来增加了25.12平方厘米,那么新的圆柱表面积是多少平方厘米?18.一个圆柱体和一个圆锥体等底等高,它们的体积相差50.24立方厘米.如果圆柱体的底面半径是2厘米,这个圆柱体的侧面积是多少平方厘米.19.用铁皮制成一个高是5分米,底面周长是12.56分米的圆柱形水桶(没有盖),至少需要多少平方分米铁皮?20.按要求计算.(1)底面周长1.8米,高1.5米的圆柱侧面积.(2)底面半径6分米,高5分米的圆柱表面积.(3)底面直径10厘米,高4分米的圆柱表面积.21.一种圆柱形状的饮料盒,底面直径5.6厘米,高13厘米.要把它的侧面全部围上包装纸,这张包装纸的面积至少是多少?(得数保留整百平方厘米.用进一法取近似值)22.下面的圆柱沿着箭头方向竖着切开,表面积增加了40平方厘米,求圆柱的表面积.23.一个圆柱,底面半径是0.2米,高是35分米,它的侧面积是多少平方分米?24.一个圆柱体形的蓄水池,从里面量底面周长31.4米,深2.4米,在它的内壁与底面抹上水泥.抹水泥部分的面积是多少平方米?25.做10节圆柱形通风管,底面周长是30厘米,长1.2米,至少需要铁皮多少平方厘米?26.一圆柱底面周长是12厘米,高12厘米,求它的侧面积和表面积.27.把一个9厘米,宽7厘米,高3厘米的长方体铁块和一个棱长为5厘米的正方体铁块,熔铸成一个底面直径为20厘米的圆柱,为了防锈蚀,要在其表面刷上防锈漆,求刷漆的面积是多少平方厘米?28.工人把一根高是1米的圆柱形木料,沿底面直径平均分成两部分,这时两部分的表面积之和比原来增加了0.8平方米.求这根木料原来的表面积.29.一个圆柱,底面周长是12.56厘米,高是8厘米,沿底面直径垂直把它切成两部分后,切割面的面积一共是多少平方厘米?30.压路机的前轮是圆柱形,轮宽1.5米,直径1.2米,前轮每分钟转动10周,每分钟前进多少米?每分钟压路多少平方米?31.如图的一种罐头,要给它的侧面贴上包装纸,这样的包装纸的面积有多少平方厘米?32.用铁皮制作20节通风管,每节长80厘米,底面周长34厘米,需要铁皮多少平方米?(保留整平方米)33.一个通风管道长20米,管口是一个正方形,边长0.5米,做3个这样的通风管需要铁皮多少平方米?34.把一个正方体削成一个体积最大的圆柱.如果圆柱的侧面积是314平方厘米,求正方体的表面积.35.一个圆柱形的无盖水桶,底面半径4分米,高6分米,至少需要用多少平方分米的铁皮?(用进一法取近似值,得数保留整数)36.一个圆柱形水桶(无盖),高12dm,高与底面直径的比是2:1,做一对这样的水桶至少用多少平方米的铁皮?(得数保留两位小数)38.把一个底面半径是3分米,高5分米的圆锥形钢材锻造成一个高15分米的圆柱,这个圆柱的底面积是多少?39.如图,一个蔬菜大棚的外形是半个圆柱形,两端是3米高的半圆柱形砖墙.已知覆盖的塑料薄膜最少需376.8平方米,这个蔬菜大棚的种植面积是多少平方米?40.一种压路机滚筒,半径是4分米,长1.2米,每分钟转10周,每分钟压路多少平方米?每小时前进多少米?41.两张完全一样的长方形纸,长16厘米,宽4厘米.一张横着卷成圆柱形,另一张竖着卷成圆柱形.两个圆柱形的侧面积一样大吗?为什么,请算出来.42.一个圆柱侧面积100平方厘米,这个圆柱的底面半径和高相等,求这个圆柱的表面积是多少平方厘米?43.长10厘米,直径2厘米的三根圆柱捆成一捆(如图),用一张纸将这捆圆柱侧面包起来(纸要绷紧),至少需要多大面积的纸?44.圆柱形无盖铁皮水桶的高与底面直径的比是3:2,底面直径是4分米.做这样的2只水桶要用铁皮多少平方分米?(得数保留整十平方分米)45.一个圆柱体底面周长和高相等,如果高缩短了2厘米,表面积就减少12.56平方厘米.求这个圆柱体的表面积.46.把一张长方形的铁皮按上页右下图剪料,正好能制成一只铁皮油桶,求所制成的油桶的表面积.47.用一张长2.5米,宽1.5米的铁皮做一个圆柱形烟筒,这个烟筒的底面积最大是多少?(接口处忽略不计)48.有一个圆柱体的零件,高10厘米,底面直径是6厘米,零件的一端有一个圆柱形的圆孔,圆孔的直径是4厘米,孔深5厘米(如图).如果将这个零件接触空气的部分涂上防锈漆,那么一共要涂多少平方厘米?49.一个圆柱原来高8厘米,圆柱的高截去4厘米,表面积就减少25.12平方厘米,原来的表面积是多少平方厘米?50.铁皮烟囱长2米,直径10厘米,焊接头长10厘米,做50节这样的烟囱需要多少平方米铁皮?51.做一个圆柱形无盖铁皮水桶,高6分米,底面直径4分米,至少需要多少平方分米铁皮?(得数保留整平方分米)52.大厅里有6根圆柱,每根柱子的底面半径是4分米,高5米,如果每平方米需要油漆费0.5元,漆这6根柱子,一共需用油漆费多少元?53.一个圆柱高8厘米,如果它的高增加2厘米,那么它的表面积增加25.12平方厘米,求原来圆柱的表面积是多少平方厘米?54.一个圆柱体的体积是200立方厘米,侧面积是100平方厘米,这个圆柱体的表面积是多少平方厘米?55.做一个圆柱形水桶,底面半径是20cm,高是50cm,至少需要铁皮多少平方厘米?56.制作一节圆柱形铁皮烟囱,烟囱长1米,直径15厘米,焊接的地方为1厘米,制作这样的烟囱至少需要多少平方厘米的铁皮?57.把一个底面直径6分米,高15分米的圆锥形金属零件熔铸成一个和它等底的圆柱体,这个圆柱体的表面积是多少平方分米?58.圆柱体的底面周长是31.4厘米,高是8厘米,求它的侧面积和体积?59.一根长1米,横截面直径是20厘米的木头浮在水面上,小明发现它正好是一半露出水面,请你求出这根木头与水接触的面的面积是多少?60.已知下面圆柱的直径是6厘米,高是8厘米,其底面是圆的扇形,求表面积.参考答案:1.3.14×2×9=56.52(立方分米);答:至少需要56.52平方分米的铁皮.2.2×3.14×10×30+3.14×102=1884+314=2198(平方厘米)≈22(平方分米);答:做这个水桶至少要用铁皮22平方分米3.(1)3.14×1×200=628(米);(2)3.14×1×1.2×200=3.14×240=753.6(平方米),答:这台压路机的滚筒滚动200周前进了628米;压过的路面是753.6平方米.4.底面积:3.14×22=12.56(平方分米),侧面积:50.24﹣2×12.56=25.12(平方分米),高:25.12÷(2×3.14×2)=25.12÷12.56=2(分米),答:圆柱额高是2分米5.根据题干分析可得:R=8÷2=4厘米,r=6÷2=3厘米,表面积:3.14×(42﹣32)×2+3.14×6×50+3.14×8×50=3.14×7×2+942+1256=2241.96(平方厘米),答:镀锌的面积是2241.96平方厘米.6.3.14×1×1.5=4.71(平方米),答:每滚动一周能压4.71平方米的路面.7.40厘米=0.4米,3.14×0.4×2.5×20=62.8(平方米);答:一共需要62.8平方米的铁皮.8.两种可能:第一种:9.42÷3.14÷2=1.5(分米),第二种:3.14÷3.14÷2=0.5(分米),答:要配上底面半径是1.5分米或0.5分米的圆形铁皮.9. 3.14×152×4=3.14×225×4=2826(平方厘米),答:表面积增加了2826平方厘米.10.12×=9(分米);9÷2=4.5(分米);3.14×9×12+3.14×4.52=339.12+3.14×20.25=339.12+63.585=402.705,≈403(平方分米);答:至少用铁皮403平方分米11.底面半径是:18.84÷3.14÷2=3(分米),底面积是:3.14×32=28.26(平方分米),圆柱水桶的高是:141.3÷28.26=5(分米),它的侧面积是:18.84×5=94.2(平方分米),所以铁皮水桶的铁皮是:28.26+94.2=122.46(平方分米);答:这个铁皮水桶用铁皮122.46平方分米.12.3.14×40×3+3.14×(40÷2)2=376.8+3.14×400=376.8+1256=1632.8(平方米);答:铺方砖的面积是1632.8平方米.13.3.14×6×2×12=6.28×6×12=37.68×12=452.16(平方厘米),答:这个圆柱体的侧面积是452.16平方厘米.14.3.14×4×5+3.14×(4÷2)2=62.8+3.14×4=62.8+12.56=75.36(平方分米);答:做一个这样的水桶至少需要75.36平方分米的木板15.3.14×3×2×5=94.2(平方厘米),答:商标纸的面积是94.2平方厘米.16.2×2×5×2=40(平方厘米);答:它的表面积增加了40平方厘米.17.底面周长:25.12÷4=6.28(厘米),半径:6.28÷3.14÷2=1(厘米),表面积:3.14×12×2+3.14×1×2×(20+4)=6.28+150.72=157(平方厘米),答:新的圆柱表面积是157平方厘米.18.圆柱体积:50.24÷(3﹣1)×3=25.12×3=75.36(立方厘米),高:75.36÷(3.14×22)=75.36÷12.56=6(厘米),侧面积:2×3.14×2×6=12.56×6=75.36(平方厘米);答:这个圆柱体的侧面积是75.36平方厘米19.底面半径:12.56÷(2×3.14)=12.56÷6.28=2(分米);需要的铁皮面积:12.56×5+3.14×22=62.8+3.14×4=62.8+12.56=75.36(平方分米);答:做这个水桶需要铁皮75.36平方分米.20.(1)1.8×1.5=2.7(平方米),(2)3.14×62×2+2×3.14×6×5=3.14×36×2+31.4×6=3.14×72+188.4=226.08+188.4=414.48(平方分米);(3)4分米=40厘米,3.14×(10÷2)2×2+3.14×10×40=3.14×50+31.4×40=157+1256=1413(平方厘米);答:(1)底面周长1.8米,高1.5米的圆柱侧面积是2.7平方米;(2)底面半径6分米,高5分米的圆柱表面积是414.48平方分米;21.3.14×5.6×13=17.584×13=228.592≈300(平方厘米);答:每张包装纸的面积至少是300平方厘米22.根据题干分析可得,圆柱的高:40÷2÷4=5(厘米),所以表面积是:3.14×()2×2+3.14×4×5=25.12+62.8=87.92(平方厘米),答:这个圆柱的表面积是87.92平方厘米23.0.2米=2分米,3.14×2×2×35=439.6(平方分米),答:它的侧面积是439.6平方分米.24.底面半径是:31.4÷3.14÷2=5(米);底面积是:3.14×52=3.14×25=78.5(平方米);侧面积是:3.14×5×2×2.4=75.36(平方米),所以抹水泥的面积是:78.5+75.36=153.86(平方米),答:抹水泥的面积是153.86平方米.25. 1.2米=120厘米,30×120×10=3600×10=36000(平方厘米);答:至少需要铁皮36000平方厘米.26.圆柱的侧面积:12×12=144(平方厘米);圆柱的底面积:3.14×(12÷2÷3.14)2=3.14×=(平方厘米);圆柱的表面积:144+2=144+=(平方厘米);答:圆柱的侧面积是144平方厘米,表面积是平方厘米.27.9×7×3+5×5×5=314(立方厘米),20÷2=10(厘米),314÷(3.14×102)=314÷(3.14×100),=314÷314,=1(厘米),刷漆的面积为:3.14×20×1+3.14×(20÷2)2×2=62.8+628,=690.8(平方厘米),答:刷漆的面积是690.8平方厘米.28.底面半径是:0.8÷2÷1÷2=0.2(米),3.14×0.22×2+3.14×0.2×2×1=3.14×0.04×2+1.256=0.2512+1.256=1.5072(平方米);答:这根木料原来的表面积是1.5072平方米29.底面直径:12.56÷3.14=4(厘米),两个切面的面积:8×4×2=64(平方厘米);答:切面的面积一共是64平方厘米.30.(1)3.14×1.2×10=37.68(米),(2)3.14×1.2×1.5×10=56.52(平方米),答:每分钟前进37.68米,每分钟压路56.52平方米.31.3.14×8×15=376.8(平方厘米),答:这样的包装纸的面积是376.8平方厘米32.34×80×20=34×1600=54400(平方厘米),54400平方厘米=5.44平方米≈6平方米.答:需要铁皮6平方米33.0.5×0.5×20×3=15(平方米),答:需要15平方米.34.314÷3.14×6=600(平方厘米);答:正方体的表面积是600平方厘米.35.3.14×4×2×6+3.14×42=3.14×48+3.14×16=3.14×64≈201(平方分米);答:至少需要用201平方分米的铁皮36.水桶的底面直径是:12÷2=6(分米),3.14×(6÷2)2+3.14×6×12=3.14×9+226.08=28.26+226.08=254.34(平方分米)=2.5434平方米,2.5434×2≈5.09(平方米),答:做一对这样的水桶至少用5.09平方米的铁皮37.3.14×6×10+3.14×(6÷2)2×2=3.14×60+3.14×18=3.14×78=244.92(平方分米);答:制作这个油桶至少要用铁皮244.92平方分米38.×3.14×32×5÷15=9.42×5÷15=47.1÷15=3.14(平方分米);答:这个圆柱的地面积是3.14平方分米39.占地的长:376.8÷(3.14×3)=376.8÷9.42=40(米);40.(1)4分米=0.4米;3.14×0.4×2×1.2×10=3.14×0.8×12=30.144(平方米);(2)3.14×0.4×2×10×60=3.14×8×60=1507.2(米);答:每分钟压路30.144平方米,每小时前进1507.2米41.这个圆柱的侧面积就是围成它的这个长方形的面积,所以这两个圆柱的侧面积一样大,就是这两个长方形的面积,16×4=64(平方厘米);答:两个圆柱形的侧面积一样大,都是64平方厘米42.100+2××100=100+100=200(平方厘米),答:这个圆柱的表面积是200平方厘米43.(2×3+3.14×2)×10=(6+6.28)×10=12.28×10=122.8(平方厘米);答:至少需要122.8平方厘米的纸44.4×=6(厘米),4÷2=2(厘米),(3.14×4×6+3.14×22)×2=(3.14×24+3.14×4)×2=3.14×28×2=3.14×56≈180(平方分米).答:做这样的2只水桶要用铁皮180平方分米.45.底面周长(也是圆柱体的高):12.56÷2=6.28(厘米),侧面积:6.28×6.28=39.4384(平方厘米),两个底面积:3.14×()2×2=6.28(平方厘米),所以表面积:39.4384+6.28=45.7184(平方厘米),答:这个圆柱的表面积是45.7184平方厘米46.解:设这个圆柱形油桶的底面半径是r厘米,根据题意可得方程:2×3.14r+2r=16.56,8.28r=16.56,r=2,所以这个圆柱的高是:2×4=8(厘米),则这个油桶表面积是:3.14×22×2+8×(16.56﹣2×2)=25.12+100.48=125.6(平方厘米),答:制成的油桶的表面积是125.6平方厘米47.底面半径:2.5÷3.14÷2≈0.4(米),底面积:3.14×0.42=0.5024(平方米).答:这个烟筒的底面积最大是0.5024平方米48.3.14×6×10+3.14×(6÷2)2×2+3.14×4×5=188.4+3.14×9×2+62.8=188.4+56.52+62.8=307.72(平方厘米);答:一共要涂307.72平方厘米49.底面周长:25.12÷4=6.28(厘米),底面半径:6.28÷3.14÷2=1(厘米),两个底面积:3.14×12×2=6.28(平方厘米),侧面积:6.28×8=50.24(平方厘米),表面积:50.24+6.28=56.52(平方厘米).答:原来圆柱的表面积是56.52平方厘米50.10厘米=0.1米;3.14×0.1×2+0.1×2=0.628+0.2=0.828(平方米);0.828×50=41.4(平方米);答:做50节这样的烟囱需要41.4平方米铁皮51.底面积:3.14×(4÷2)2=12.56(平方分米),侧面积:3.14×4×6=75.36(平方分米),需要铁皮面积:12.56+75.36=87.92(平方分米)≈88平方分米.答:至少需要88平方分米铁皮52.4分米=0.4米,涂油漆的总面积:3.14×0.4×2×5×6=3.14×(0.4×2×5×6)=3.14×24=75.36(平方米),一共需要的油漆费:0.5×75.36=37.68(元).答:一共需用油漆费37.68元53.底面周长:25.12÷2=12.56(厘米),底面半径:12.56÷3.14÷2=2(厘米),两个底面积:3.14×22×2=25.12(平方厘米),侧面积:12.56×8=100.48(平方厘米),表面积:25.12+100.48=125.6(平方厘米).答:原来圆柱的表面积是125.6平方厘米54.圆柱的体积:圆柱的侧面积=πr2h:2πrh=,答:这个圆柱体的表面积是200.48平方厘米55.水桶的底面积:3.14×202=3.14×400=1256(平方厘米);水桶的侧面积:3.14×20×2×50=6280(平方厘米);水桶的表面积:1256+6280=7536(平方厘米);答:至少需要铁皮7536平方厘米56.1米=100厘米,3.14×15+1=47.1+1=48.1(厘米),48.1×100=4810(平方厘米),答:至少需要4810平方厘米的铁皮57.圆锥的体积为:3.14×()2×15×=3.14×9×15×=141.3(立方分米),圆柱的高为:141.3÷3.14÷()2=141.3÷3.14÷9=5(分米),圆柱的表面积为:3.14×6×5+2×3.14×()2=94.2+56.52,=150.72(平方分米),答:圆柱的表面积是150.72平方分米58.侧面积:31.4×8=251.2(平方厘米);体积:3.14×(31.4÷3.14÷2)2×8=3.14×25×8=628(立方厘米);答:圆柱的侧面积是251.2平方厘米,体积是628立方厘米59.木头横截面的半径为:20÷2=10(厘米),两个底面积:3.14×102×2=628(平方厘米),侧面积:3.14×20×100=62.8×100,=6280(平方厘米),表面积:628+6280=6908(平方厘米),与水接触的面积:6908÷2=3454(平方厘米)答:这根木头与水接触的面的面积是3454平方厘米60.6÷2=3(厘米),3.14×32×2×+6×3.14×8×+3×8×2=37.68+100.48+48=186.16(平方厘米);答:这个图形的表面积是186.16平方厘米.圆柱表面积--- 11。
圆柱表面积练习题------------------------------------------作者------------------------------------------日期圆柱表面积练习题1. 把一个底面半径6分米,高1米的圆柱切成3个小圆柱,表面积增加了多少?【解】切成3段后增加了4个底面积。
S底=rrπ=6×6×3.14=113.04(平方分米)增加的表面积=4S底=4×113.04=452.16(平方分米)答:表面积增加了452.16平方分米。
2. 工人叔叔把一根高1米的圆柱形木料,沿与底面平行的方向锯成两段,这时表面积比原来增加了25.12平方分米,求这根料的底面半径是多少?【解】增加的表面积是2个底面积,圆柱底面积=25.12÷2=12.56(平方分米)根据S=rrπ知rr=S/π=12.56÷3.14=4r=2(分米)答:这根料的底面半径是2分米。
3. 一圆柱底面直径是4米,高是6米,沿着底面直径把圆柱切成两半,求这个圆柱的表面积增加多少?【解】增加两2个以直径和高形成的矩形。
矩形面积=4×6=24(平方分米)增加的表面积=矩形面积×2=24×2=48(平方分米)答:这个圆柱的表面积增加48平方分米。
4. 把一棱长10厘米的正方形木块,削成一个最大的圆柱体,这个圆柱体的表面积是多少?【解】圆柱体的高和底面直径等于正方体棱长10厘米。
圆柱体侧面积=高×周长=10×10×3.14=314(平方厘米)圆柱体底面积=(10÷2)×(10÷2)×3.14=78.5(平方厘米)圆柱体表面积=侧面积+底面积×2=314+78.5×2=471(平方厘米)答:这个圆柱体的表面积是471平方厘米。
5. 一个圆柱体的表面积是1884平方厘米,底面半径是10厘米,它的高是多少?【解】先求出底面积,从表面积中减去两个底面积,剩下的面积是侧面积,由此求出圆柱体的高。
圆柱的表面积和体积练习题精选
姓名:
一、知识归纳
求表面积:求体积:
(1)侧面积S侧=2πrh (1)底面积S底=πr2 (2)底面积S底=πr2 (2)体积 V=S底h (3)表面积S表=S侧+2S底
(1)已知圆的半径和高,怎样求圆柱的表面积和体积?
(2)已知圆的直径和高,怎样求圆柱的表面积和体积?
(3)已知圆的周长和高,怎样求圆柱的表面积和体积?
二、求下面各圆柱的表面积和体积
⑴底面积28.26平方米,高2米
⑵半径3厘米,高15厘米
⑶直径8分米,高12分米
⑷底面周长25.12米,高3米
⑸底面半径为3厘米,侧面展开图是正方形
3、一个圆柱形水池,直径16米,深1.5米。
(1)这个水池占地面积是多少?(2)在池底及池壁抹一层水泥,抹水泥部分的面积是多少?
(3)挖成这个水池,共需挖土多少立方米?
三、综合练习
1、一个无盖的圆柱形,侧面积是1884平方厘米,底面周长是28.26厘米。
做这个水桶至少要多少平方分米的铁皮?这个水桶的容积是多少立方分米?
2、压路机的滚筒是个圆柱,它的长是1.8米,滚筒横截面半径是0.8米,如果滚筒每分钟滚动12周,那么1小时可压路多少平方米?前进了多少米?
3、在直径8米的水管中,水流速度是每秒2.5米,那么5分钟流过的水有多少立方米?
4、把一个长、宽、高分别是10厘米、8厘米、5厘米的长方体铁块和一个棱长是5厘米的正方体铁块,熔铸成一个圆柱体。
这个圆柱体的底面直径是30厘米,高是多少厘米?
5、想一想,把圆锥的侧面展开会得到一个什么图形?这个图形的一些线段分别和原来圆锥的那些线段相等?怎样计算圆锥的底面积?。
圆柱的表面积应用类型一:利用圆柱表面积解决实际问题例1:一顶圆柱形厨师帽,高30 cm,帽顶直径20cm。
做这样一顶帽子至少要用多少平方厘米的面料?(得数保留整十数。
)1、一种没有盖的圆柱形铁皮水桶,底面周长是12.56 dm,高是6 dm。
做一对这样的水桶大约需要铁皮多少平方分米?例2:制作一截底面直径是6cm,长是40cm的烟囱,至少要用多少平方厘米铁皮?2、一个刷油漆的滚简长为1.4 dm,直径为5 cm。
如果它向一个方向滚动100 周,能刷墙多少平方分米?类型二:运用图示法解决圆柱的高增加(或减少)引起表面积的变化问题例3、一根圆柱形木料的底面半径是0.3m,长是2m。
将它截成4段,这些木料的表面积比原木料增加了多少平方米?例4、一个高为25cm的圆柱,截去高为5cm的小圆柱后,圆柱的表面积减少了31.4cm,原来圆柱的表面积是多少平方厘米?3、把一根长是2m,底面直径是3dm的圆柱形木材锯成3段,得到的3个小圆柱的表面积总和比原来增加了多少平方分米?4、一个高为10 cm的圆柱,如果它的高增加2cm,那么它的表面积就增加125.6㎡,原来这个圆柱的表面积是多少?类型三:组合图形的面积例5、如图是一种钢制的配件,计算它的表面积。
(单位:cm)5、要将路灯柱(如右图,圆柱的下底面不刷漆)漆上白色的油漆,要漆多少平方米?街心花园有30 个这样的灯柱,如果油漆灯柱每平方米人工费5 元,一共需要人工费多少元?圆柱的体积知识点一:理解圆柱的体积的意义一个圆柱所占空间的大小叫做这个圆柱的体积。
比较拼成的长方体与原来的圆柱的关系将圆柱切拼成近似的长方体,形状变了,但体积不变。
(2)推导圆柱体积的计算公式长方体的体积=底面积x 高 圆柱的体积 = 底面积x 高 如果用V 表示圆柱的体积,S 表示圆柱的底面积,h 表示圆柱的高,那么圆柱的体积计算公式用字母表示为:V=Sh 。
归纳总结:计算圆柱的体积的基本方法。