点焊电极磨损管理
- 格式:doc
- 大小:224.50 KB
- 文档页数:3
6.3.点焊电极修磨及更换点焊点电极帽种类电极代号外径(D) 新品长度(L)先端直径(d)先端造型电极C-16-23 ψ16mm 23mmψ6mm 平头C-13*20 ψ13mm 20mm ψ6mm 平头6.3.1修磨频次1.根据实际生产过程验证的结果设定修磨频次,详见《焊接作业指导书》,原则上,应随时检查电极的端面,假如磨损超过原则就要进行修磨。
2.点焊机器人工作站的修磨频次设定在机器人程序中,焊接点数符合规定后会自动在线修磨电极。
3.突发情况:一旦发生爆电极情况,应立即修磨或更换电极。
4.每次修磨后需做好记录,记录表单《悬挂焊电极修磨频次记录表》。
6.3.2点焊修磨方法一、电极修磨内容:1.使用电极修磨机或平锉(十字纹)对电极进行修整,确保电极端面符合标准。
2.清理电极端面上脏物、污物。
二、修磨过程操作方法及判断标准正常修磨后的电极示意图:2.复写纸印迹检查异常修磨后的电极图示及原因分析:6.3.3点焊电极更换1.当电极有炸裂,端面严重塌陷时;2.当电极磨损到极限标线与先端面3mm 时;3.发现上下电极偏心或有滑动时。
6.4.固点焊电极修磨及更换 6.4.1电极修磨内容:1.平锉(十字纹)对电极端面进行修整,如端面出现裂纹、凹槽等严重磨损情况可采用车床进行修磨。
2.如下图使用平锉表面缠裹砂纸(≥320目以上)对电极端面上脏物、污物进行清理。
6电极端面的表面状态电极端面应无针孔、凹陷、裂纹、毛刺、合金层等赃污通过修整不可修正时更换外观:有明显切刀痕迹 原因:修磨点位偏移刀具震刀、 刀口崩裂 外观:端面修整不完全,未完全刮出焊垢 原因:进刀量不足 或修磨时间较短外观:端面径修整不完全(先端径有凸点)原因:刀具震刀、 刀口崩裂外观:电极过短,长度小于16mm 。
原因:电极修磨次数超标、每次修磨时间较长6.4.2修磨频次1. 1.根据实际生产过程验证的结果设定修磨频次,原则上,应随时检查电极的端面,假如磨损超过原则就要进行修磨,座点焊机最大检测及修磨频次:1200颗/次。
点焊机电极更换·研磨周期的计算要领【目的】制定点焊机电极的交换·研磨周期的计算要领,以防止焊接不良的发生。
【设定更换·研磨周期】以XX汽车资料作为计算依据,条件最恶劣的软钢和防锈的部位的电极寿命1000点,大致定为更换·研磨周期。
(电极X电极)【不同焊接机器的电极更换研磨周期】表1*1 由于可移动式焊枪经常有在同一条件下对厚度不均的钣件组合进行打点的情况,考虑到有某些钣件组合不能在最佳焊接条件下打点,因此电极更换研磨周期缩短。
表1 所表示的是在设备规划时选定设备规格的基准,是为探索试作·号试最初的焊接机器的合适条件而大体推断出的。
【设定的根据】XX汽车[设备设计要领·焊接条件](选自「电极管理周期的设定方法」)间设定。
但部的管理周期按下表的【电极更换方法】【有人工程】电极更换指示装置,焊接定时器的STEP完成,或在治具内置的计数器等的电极更换警报响后,迅速更换电极。
电极更换警报,在电极更换前不重新设置。
【无人工程】未设定自动研磨装置的工程,在不超过设定点数范围且时机便宜的时间点(H/T等)进行电极更换另外,使用管理板等明确电极更换周期。
【电极研磨方法】有自动研磨装置的工程,在焊接定时器STEPUP完成,或根据控制装置的内置计数器等启动自动研磨装置。
* 有自动研磨装置的工程的注意事项每个班次至少检查一次自动研磨装置是否正常动作,和电极前端直径。
自动研磨装置没有在运作时,对象焊接机(机器人)是否确实停止运转。
自动研磨装置休止时,要先确认根据焊接定时器STEPUP完成,或控制器内置计数器等控制的对象焊接机(机器人)是否确实停止运转。
* 自动研磨装置设置工程的异常处置。
发现自动研磨装置异常时(切割状态恶化等),根据异常处置规则行动。
【标准STEP UP条件】设定焊接机的焊接条件时,结合焊接定时器的种类进行step up条件设定。
* 可以设定linear up 条件的焊接定时器,使用linear up .下表所表示的,是在设备规划时选定设备规格的基准,是为探索试作·号试最初的焊接机器的合适条件而大体推断出的。
电极头修磨管理办法电极头是一种重要的工业部件,广泛应用于电子、汽车、机械等各个领域。
电极头的质量直接影响到产品的稳定性和效率。
因此,对于电极头的修磨管理非常重要。
本文将介绍电极头修磨的必要性、修磨方法以及修磨管理的注意事项。
一、电极头修磨的必要性电极头在长时间使用后,由于各种因素的影响,表面会出现磨损和氧化,导致电极头的质量下降。
修磨是恢复电极头表面平整度和清除氧化层的有效途径,能够提高电极头的性能和使用寿命。
此外,定期维护电极头的修磨可以预防电极头的严重损坏,减少生产线停机时间和生产成本。
二、电极头修磨方法1. 清洁表面在修磨电极头之前,首先需要用清洁剂和软刷将表面的杂质和油污清除干净,确保修磨的效果。
2. 粗修磨粗修磨主要是利用砂轮或磨粉进行,旨在去除电极头表面的氧化层和磨损层。
修磨时需注意保持一定的修磨厚度,避免对电极头造成过多磨损。
3. 细修磨细修磨是在粗修磨之后进行的,主要是利用砂纸、研磨布等细磨料进行修磨,以提高电极头表面的平整度和光洁度。
修磨时应保持一定的修磨压力和速度,均匀地修磨整个表面。
4. 抛光抛光是为了进一步提高电极头表面的光洁度和亮度。
采用抛光机或手动抛光工具进行抛光,过程中应控制好温度、压力和速度,以避免对电极头造成过热和变形。
三、电极头修磨管理的注意事项1. 确定修磨周期根据实际生产情况,制定电极头修磨的周期。
一般来说,修磨周期应根据电极头的使用情况和磨损程度来确定,以保证电极头的良好性能。
2. 储存方式未使用的电极头应储存在干燥、通风、无腐蚀性气体的环境中,以避免电极头表面的氧化和腐蚀。
同时,应避免电极头受到剧烈振动和外力的影响,以免损坏。
3. 定期检查定期检查电极头的表面状态和磨损情况,及时发现问题并进行修磨或更换。
同时,注意检查电极头的连接部分是否松动,以保证连接的可靠性和安全性。
4. 修磨技术要求在进行电极头修磨时,应严格按照修磨技术要求进行操作。
掌握正确的修磨方法和技巧,确保修磨后的电极头质量达到要求。
焊装车间电极规章制度第一章总则第一条为规范焊装车间电极的使用和管理,提高工作效率,保障生产安全,制定本规章制度。
第二条本规章制度适用于所有焊装车间工作人员,包括生产人员、技术人员、管理人员等。
第三条电极是焊接过程中使用的焊接材料,是确保焊接质量的重要组成部分。
使用电极必须严格按照相关规定进行操作。
第二章电极的选用第四条选择适合焊接材料及工艺要求的电极,确保焊接质量。
第五条电极分类及选用规定如下:1.碳钢电极:适用于碳素钢的焊接。
2.不锈钢电极:适用于不锈钢的焊接,要根据具体的不锈钢材料选择相应的电极。
3.铝合金电极:适用于铝合金的焊接。
要根据具体的铝合金材料选择相应的电极。
第六条电极应根据工艺要求选择合适的规格和型号,确保焊接效果。
第七条电极的储存应放置在干燥、通风、防潮、清洁的环境中,避免受到阳光直射和雨淋。
第三章电极的操作第八条操作人员必须经过专业培训,并严格按照工艺要求操作电极。
第九条操作人员操作电极时,应穿戴好防护用品,确保人身安全。
第十条在操作电极过程中,需保持焊接区域干净整洁,避免杂物进入焊接界面。
第十一条操作人员在使用电极时,应遵循以下规定:1.操控稳定,操作准确;2.电极的接触要均匀,避免冷焊和热裂纹;3.操作结束后及时清理电极上的渣滓。
第十二条操作人员应及时更换磨损严重的电极,确保焊接质量。
第四章电极的管理第十三条车间应建立完善的电极管理制度,确保电极使用和管理规范。
第十四条电极管理工作应落实到位,责任明确,监督检查及时。
第十五条电极库房应设置标志,标明电极种类、型号、规格及使用期限,方便管理和检查。
第十六条电极的领用应按照车间管理规定进行,不得随意领用或私自调换。
第十七条电极使用完毕后应归还库房,及时整理、清洁和分类存放。
第五章电极的维护和保养第十八条电极的维护和保养是保证焊接质量的重要环节,必须做到以下几点:1.定期检查电极的使用情况;2.避免电极受到撞击,避免电极磨损;3.电极使用完毕后及时清洁。
焊接易损件管理制度第一章总则第一条为加强焊接易损件管理,确保焊接设备的安全运行,提高设备的使用效率与寿命,制定本管理制度。
第二条本管理制度适用于公司内所有焊接设备及焊接易损件的管理,对拥有焊接设备的部门和个人具有强制性。
第三条管理制度负责人应当认真贯彻执行,确保焊接易损件的管理规范与有效。
第二章管理要求第四条部门和个人应当认真学习与完全理解相关的焊接易损件知识,具备一定的维修技能。
第五条对于需要进行焊接易损件更换、维修的情况,应当提前进行计划,并按照规定程序进行操作。
第六条对于常见的焊接易损件,如电极、电缆等,应当建立相应的备件库,确保在需要时能够及时更换。
第七条每次更换焊接易损件后,应当进行设备的检测与调试,确保设备能够正常运行。
第八条部门和个人应当定期对焊接易损件进行检查,发现问题应当及时通知相关人员进行处理。
第三章管理流程第九条管理负责人应当定期组织对焊接设备及易损件进行检查,制定维修计划,确保设备的正常运行。
第十条管理负责人应当定期组织培训,提高员工的维修技能与管理意识。
第十一条部门和个人应当认真执行维修计划,做好相关记录,确保设备的管理工作有据可查。
第十二条对于重大的维修项目,应当提前报告相关部门,经过审批后方可进行操作。
第四章备件管理第十三条对于常见的焊接易损件,应当建立备件库,定期检查备件的数量与质量,确保备件充足。
第十四条对于比较特殊的焊接易损件,应当根据需求进行定制,确保备件的适用性与稳定性。
第十五条对于备件的购买,应当按照规定程序进行,确保备件的质量与价格合理。
第十六条对于备件的入库与出库,应当建立相应的记录,做好备件的追踪与管理工作。
第五章监督检查第十七条公司内设立焊接易损件管理监督检查组,对焊接设备的管理情况进行定期检查。
第十八条监督检查组应当定期对部门及个人的维修记录进行核查,发现问题应立即通知相关负责人进行整改。
第十九条监督检查组应当根据实际情况采取不同方式进行监督,确保焊接设备的管理工作达到规定要求。
电阻点焊焊钳电极磨损状态监测方法及监测装置下载提示:该文档是本店铺精心编制而成的,希望大家下载后,能够帮助大家解决实际问题。
文档下载后可定制修改,请根据实际需要进行调整和使用,谢谢!本店铺为大家提供各种类型的实用资料,如教育随笔、日记赏析、句子摘抄、古诗大全、经典美文、话题作文、工作总结、词语解析、文案摘录、其他资料等等,想了解不同资料格式和写法,敬请关注!Download tips: This document is carefully compiled by this editor. I hope that after you download it, it can help you solve practical problems. The document can be customized and modified after downloading, please adjust and use it according to actual needs, thank you! In addition, this shop provides you with various types of practical materials, such as educational essays, diary appreciation, sentence excerpts, ancient poems, classic articles, topic composition, work summary, word parsing, copy excerpts, other materials and so on, want to know different data formats and writing methods, please pay attention!电阻点焊焊钳电极磨损状态监测方法及监测装置引言电阻点焊是一种常见的金属连接工艺,而焊钳电极的磨损状态直接影响到焊接质量和生产效率。
电极使用修磨通用技术规范-标准化文件发布号:(9456-EUATWK-MWUB-WUNN-INNUL-DDQTY-KIIQB 长安凌云汽车零部件有限公司企业标准Q/LQ 电极的使用、修整、更换技术规范2006 - 03 - 29发布 2006 - 03-29 实施长安凌云汽车零部件有限公司发布长安凌云汽车零部件有限公司企业标准Q/LQ电极的使用、修整、更换技术规范1 范围本标准规定了我公司点焊电极的使用、修整、更换技术规范。
本标准适用于我公司所有点焊电极的使用、修整、更换技术规范。
2定义电极:在电阻焊中,是指用来传导电流、传递压力,由铜(或铜合金)制成的棒状、块状或圆盘状金属零件。
电极修整:电极尖端形状与焊接质量有密切的关系,电极端面直径增大,电流密度就会降低;电极端面直径减少,电流密度就会增大,因此,把电极端面直径维持在一定范围内能稳定焊接质量,由于连续焊接,电极顶端磨损,把磨损了的电极顶端复原成一定形状的作业,就称之为电极修整。
电极更换:电极因焊接磨损,经过反复修整,逐渐被消耗,电极损耗到一定程度,电极的强度就不能承受焊枪的压力,电极端面产生凹陷、裂纹等,造成焊接不良、电极修磨困难。
为防止这些情况发生,设定电极的使用限度,对超出使用限度的电极进行更换,关于电极使用限度,优先考虑的是保证焊接质量,但从降低电极消耗量的角度来看,也有必要考虑将电极在可能的限度内尽量用完。
3 工作流程3.1. 电极修整内容3.1.1 电极的顶端标准使用电极铣刀(手动)或平锉(十字纹)对电极进行整形,特殊电极在该使用工序上应明确顶端直径、形状标准表—1电极顶端直径标准3.1.2 电极端面的磨削电极端面的修整,不仅是为确保电极端面的直径,而且是为清理电极端面上脏物、污物。
(焊接高强度钢、GA、GI等电镀钢材或铝材时,在电极端面,Cu—Zn等合金层、树脂层的生成、附着,对焊接质量有着深刻的影响。
)长安凌云汽车零部件有限公司2005 –12 -5发布 2005 –12 -05实施图— 1图 — 2图 — 3Q/LQ 20053.1.3具体修整要领(操作情况)步骤一打开焊钳行程开关,张大焊钳开口,关闭焊钳气动开关。
电极头修磨管理规定标准化管理部编码-[99968T-6889628-J68568-1689N]1、主题内容悬挂焊机电极端头的变形和磨损,使接触表面直径增大,焊接电流密度减小,焊点强度降低,形成加热不足及假焊。
因此对电极直径增加规定了范围,超过规定范围,必须进行修整或更换。
2、适用范围本方法适用XXXX公司3、主题目的3.1规范电极头修磨更换标准,提升员工对电极头修磨的质量;3.2达到年度指标合格率的95%。
4、电极头标准4.1电极头直径范围(如下表)4.2电极头外观要求表面必须平整光洁,不允许有金属粘着物或污物,否则应当修整;上下电极头要保持同心,否则焊点不合格。
(如图1)4.3电极头修磨要领修磨电极头时应首先将电极粗修成形,并保证两电极工作表面搭接面同心,且完全接触,然后再精修工作表面使之光洁,平滑(如图2)。
4.3.1电极头修磨时,要保证上下两个接触面对称(电极接触面),圆心偏差不能大于0.5mm,否则会导致焊接位置的错位,保证不了焊接质量。
4.3.2电极头修磨时,上下接触面要平、不能有缝隙产生,否则导致焊接时飞溅过大,压痕过深,保证不了焊接质量。
4.3.3电极头修磨时,上下两电极接触面不能太大,修磨时要保证电极头直径为6-8mm 才能达到焊接标准。
4.3.4更换旧电极头时,要看电极头是否有凸起状态,电极头表面是否有凹坑产生,更换修理时要遵守以上三种操作,才能保证焊接质量和焊接要求,才能符合电极头的使用和更换标准操作规程。
4.4备注:外表件位置焊点要求较高,电极头修模频次加大一级。
4.5电极头更换频次电极头发生以上问题项时,需及时修磨或者更换,并对现场检查结果由班长签字确认。
6、职责6.1操作工根据电极头修磨标准,每日进行修磨或更换;6.2班组长每日进行检查,发现电极头或焊点未达到标准时,立即要求操作工进行纠正;6.3检验员发现焊点未达到标准时,立即要求操作工、班长进行纠正;6.4车间、技术部安排专人定期进行检查,发现不合格项要求操作工立即纠正,并告知班长;6.5新员工或转岗员工由班长负责对电极头修磨标准及要领进行宣贯、培训;7、电极头检查的考评7.1以重要度划分:A类每一类不合格考核当事人30元/次起;B类每一类不合格考核当事人20元/次起;7.2被检查班组电极头合格率低于80%,班长负班组监管不利考核当班班长30元/次;次月班组检查电极头合格率相对本月降低,按20元起1个百分点对班组处罚,罚款分摊到各班组员工;每月分车间汇总车间电极头总合格率低于75%,除按标准处罚班组和个人外,主任负员工监管不到位责任,各处罚30元/次;7.3个人电极头修磨规范标准较好,奖励20元/次;班组电极头合格率高于93%,奖励班组长50元/次;班组合格率高于98%以上,奖励班组长80元/次。
电极修正、更换规范
1.0目的
为了规范点焊电极(电极帽)的修正和更换作业标准。
2.0范围
适用于渝北汽车零部件公司悬挂式点焊机生产线。
3.0 引用文件和标准
无
4.0术语
4.1 电极帽属于焊接电极的一种,用于电阻焊接设备的焊接,如固定式点焊机、悬挂式点焊机及机械手点焊机等,因为套于电极连杆上,故而称作电极帽,材质大多为铬锆铜。
5.0 职责
操作者应严格执行本规范,保证电极(电极帽)规格符合规范。
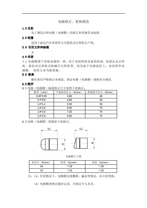
6.0程序
6.1
6.2电极(电极帽)更换按下表执行:
电极帽尺寸图
注:(1)任何情况下,电极帽出现爆裂、漏水等情况,应立即更换;
(2)电极帽更换应做好记录,并指定专人负责。
7.0附件无。
1、主题内容悬挂焊机电极端头的变形和磨损,使接触表面直径增大,焊接电流密度减小,焊点强度降低,形成加热不足及假焊。
因此对电极直径增加规定了范围,超过规定范围,必须进行修整或更换。
2、适用范围本方法适用XXXX公司3、主题目的3.1规范电极头修磨更换标准,提升员工对电极头修磨的质量;3.2达到年度指标合格率的95%。
4、电极头标准4.1电极头直径范围(如下表)4.2电极头外观要求表面必须平整光洁,不允许有金属粘着物或污物,否则应当修整;上下电极头要保持同心,否则焊点不合格。
(如图1)4.3电极头修磨要领修磨电极头时应首先将电极粗修成形,并保证两电极工作表面搭接面同心,且完全接触,然后再精修工作表面使之光洁,平滑(如图2)。
4.3.1电极头修磨时,要保证上下两个接触面对称(电极接触面),圆心偏差不能大于0.5mm,否则会导致焊接位置的错位,保证不了焊接质量。
4.3.2电极头修磨时,上下接触面要平、不能有缝隙产生,否则导致焊接时飞溅过大,压痕过深,保证不了焊接质量。
4.3.3电极头修磨时,上下两电极接触面不能太大,修磨时要保证电极头直径为6-8mm 才能达到焊接标准。
4.3.4更换旧电极头时,要看电极头是否有凸起状态,电极头表面是否有凹坑产生,更换修理时要遵守以上三种操作,才能保证焊接质量和焊接要求,才能符合电极头的使用和更换标准操作规程。
4.4备注:外表件位置焊点要求较高,电极头修模频次加大一级。
4.5电极头更换频次电极头发生以上问题项时,需及时修磨或者更换,并对现场检查结果由班长签字确认。
6、职责6.1操作工根据电极头修磨标准,每日进行修磨或更换;6.2班组长每日进行检查,发现电极头或焊点未达到标准时,立即要求操作工进行纠正;6.3检验员发现焊点未达到标准时,立即要求操作工、班长进行纠正;6.4车间、技术部安排专人定期进行检查,发现不合格项要求操作工立即纠正,并告知班长;6.5新员工或转岗员工由班长负责对电极头修磨标准及要领进行宣贯、培训;7、电极头检查的考评7.1以重要度划分:A类每一类不合格考核当事人30元/次起;B类每一类不合格考核当事人20元/次起;7.2被检查班组电极头合格率低于80%,班长负班组监管不利考核当班班长30元/次;次月班组检查电极头合格率相对本月降低,按20元起1个百分点对班组处罚,罚款分摊到各班组员工;每月分车间汇总车间电极头总合格率低于75%,除按标准处罚班组和个人外,主任负员工监管不到位责任,各处罚30元/次;7.3个人电极头修磨规范标准较好,奖励20元/次;班组电极头合格率高于93%,奖励班组长50元/次;班组合格率高于98%以上,奖励班组长80元/次。
焊接点焊电极的修磨与更换作业指导书_现用1000字一、作业前准备1.1.准备工具砂轮机、刷轮、钢丝刷、扳手、焊接钳等。
1.2.材料准备焊接点焊电极、砂轮、刷轮、电焊丝等。
1.3.安全措施在操作时应佩戴防护手套、护目镜等防护用品,以保证人员安全和作业效率。
二、修磨焊接点焊电极2.1.拆卸焊接点焊电极首先,需要将焊接点焊电极从点焊机上拆下来,拆卸时需要按照电机的安装方式进行拆解,用扳手将电机的螺丝拧松,将电机从机头上拆下。
2.2.修磨焊接点焊电极(1)砂轮修磨法采用砂轮修磨法修磨点焊电极时应注意以下几点:①.保证点焊电极表面平整,不得有任何凹痕或裂缝,否则应将其更换。
②.选用适当的砂轮,对点焊电极进行粗磨和细磨。
③.将电极按照角度放置在砂轮上,沿着电极表面进行轻微的修磨。
④.修磨时应保持砂轮和点焊电极垂直,确保修磨出来的电极表面平整。
(2)钢丝刷修磨法采用钢丝刷修磨法修磨点焊电极时应注意以下几点:①.选用刚硬度适当的钢丝刷对电极进行修磨。
②.将电极固定在工作台上,并在其表面进行钢丝刷修磨。
③.用刷子刷除电极表面的锈垢和油污,保持其表面清洁。
2.3.更换焊接点焊电极当点焊电极的表面出现明显的凹痕、裂缝、磨损等情况时,应及时更换点焊电极。
(1)更换焊接点焊电极前,需要使用扳手将点焊电极与电机固定螺栓拧松,并拆下电机。
(2)将新点焊电极与电机固定螺栓固定即可。
三、操作注意事项1、电极表面不得有凹痕、裂缝、磨损等情况,需要经过修磨或更换。
2、操作时防护用品不能少,并严格按照操作流程进行。
3、电机固定螺栓拧紧时要注意不要过紧,以免造成电机运转时不稳定。
点焊车间电极管理办法
1 职责
1.1 焊接操作工负责点焊电极的正常修磨及更换工作
1.2 焊接操作工负责点焊电极的拆装。
1.3 点焊班长负责废旧电极的回收工作。
1.4 焊接设备管理员负责电极的汇总领用工作。
1.5 点焊班长负责督促和检查电极的修磨和更换工作的执行情况
2电极使用及修磨标准
2.1、锥形电极
2.1.1、电极直径为Ø16的电极:原始(机加工后)端面直径为6mm,修磨电极端面允许直径6-8mm,电极爆电后要立即磨修
2.2螺母电极
2.2.2电极定位销磨损后会影响螺母同心度,应及时更换电极。
2.3螺栓电极
2.3.1螺栓电极孔径>螺栓直径1mm,电极孔深度>螺栓高度3-5mm 2.3.2特殊螺栓使用定制电极,具体参考图纸。
2.3.3电极绝缘套损坏后,会造成分流,影响焊接质量,应及时更换
电极。
3.电极回用标准
3.1对于设备磨修后的电极,可以回发使用,
3.2点焊电极下半部分为了散热而开孔通水,在电极中间有磨修截止线(一个环形槽)用来标识电极使用寿命,考虑到电极在焊接时受热受压,电极端面到截止线应有余量,建议为2mm。
4、管理办法
本文件适用于点焊车间,未按照点焊电极使用流程操作将参照(耗材管理考核办法)进行考核。
旭永工贸有限公司
2019年4月29日。
1主题与范围5点焊电极的修磨、回用、更换程序合要求后会自动在线修磨电极。
对带角度的电极需要使用锉刀修正接触端面。
将换下的旧电极放入【旧电极】箱内。
电气专业工作总结[电气专业工作总结]时间总是脚步匆匆,一年时间有多长?三百六十五个日出、三百六十五个日落而已,XX年就在日出日落的交替中过去了,回首这一年的工作和生活充实与茫然各占一半,电气专业工作总结。
今年我仍然在北戴河疗养院整体改造项目上负责电气方面的工作。
上半年主要是结构施工,电气方面配合土建做管路预埋以及接地防雷工作,电气项目的施工队伍是秦皇岛本地的建筑公司,施工质量与北京施工队伍的质量相差不是一星半点的,当地质检部门的要求也过于低,所以上半年我的另一个身份是专业质检员,对他们严格要求的同时也给自己提供一个学习的机会,要想说服别人当然要有充分的理由,专业方面就应该有扎实的专业知识。
这个项目的情况有此特殊,紧临海边,地下是坚硬的岩石,由此遇到两个情况,一、海边的腐蚀特别重,原设计中全部用的是镀锌钢管和焊接钢管,一般情况下这两种管算是最耐用的,但在海边却不适用,不管是镀锌管还是焊接钢管祼露在空气中不出半个月上面便是薄薄的一层锈蚀层,轻轻一碰便剥落了。
刷过的防锈漆早已没了作用。
工程审图时监理向我提这一点,一开始半信半疑。
在设计同意的情况下只把强电地上部分改为pvc管,混凝土中的管路还用的镀锌钢管,暑期停工一个半月后,现场预留的构造柱、钢管表面全是厚厚的一层锈,我吃惊之余暗自窃喜:真个是不听老人言吃亏在眼前,经验之谈真管用啊!二、由于基础下面全是岩石,防雷效果不好,原设计的防雷接地作法达不到规范要求的数值,在与其他建筑物基础没有连通的情况下只能补打接地极或是加降阻剂。
北戴河因暑期工程停工一个半月,也因工程装修方案我们去了一趟上海。
上海是个繁华的城市,涌动于城中的是最新的时尚,她的建筑也有其独特的风格,在上海我们见到了素有;万国建筑博览;之称的外滩建筑群,领略了昔日;远东华尔街;的风彩。
电极头修磨管理规定电极头修磨管理规定标准化管理部编码-[99968T-6889628-J68568-1689N]1、主题内容悬挂焊机电极端头的变形和磨损,使接触表面直径增大,焊接电流密度减小,焊点强度降低,形成加热不足及假焊。
因此对电极直径增加规定了范围,超过规定范围,必须进行修整或更换。
2、适用范围本方法适用XXXX公司3、主题目的3.1规范电极头修磨更换标准,提升员工对电极头修磨的质量;3.2达到年度指标合格率的95%。
4、电极头标准4.1电极头直径范围(如下表)4.2电极头外观要求表面必须平整光洁,不允许有金属粘着物或污物,否则应当修整;上下电极头要保持同心,否则焊点不合格。
(如图1)4.3电极头修磨要领修磨电极头时应首先将电极粗修成形,并保证两电极工作表面搭接面同心,且完全接触,然后再精修工作表面使之光洁,平滑(如图2)。
4.3.1电极头修磨时,要保证上下两个接触面对称(电极接触面),圆心偏差不能大于0.5mm,否则会导致焊接位置的错位,保证不了焊接质量。
4.3.2电极头修磨时,上下接触面要平、不能有缝隙产生,否则导致焊接时飞溅过大,压痕过深,保证不了焊接质量。
4.3.3电极头修磨时,上下两电极接触面不能太大,修磨时要保证电极头直径为6-8mm 才能达到焊接标准。
4.3.4更换旧电极头时,要看电极头是否有凸起状态,电极头表面是否有凹坑产生,更换修理时要遵守以上三种操作,才能保证焊接质量和焊接要求,才能符合电极头的使用和更换标准操作规程。
4.4备注:外表件位置焊点要求较高,电极头修模频次加大一级。
4.5电极头更换频次电极头发生以上问题项时,需及时修磨或者更换,并对现场检查结果由班长签字确认。
6、职责6.1操作工根据电极头修磨标准,每日进行修磨或更换;6.2班组长每日进行检查,发现电极头或焊点未达到标准时,立即要求操作工进行纠正;6.3检验员发现焊点未达到标准时,立即要求操作工、班长进行纠正;6.4车间、技术部安排专人定期进行检查,发现不合格项要求操作工立即纠正,并告知班长;6.5新员工或转岗员工由班长负责对电极头修磨标准及要领进行宣贯、培训;7、电极头检查的考评7.1以重要度划分:A类每一类不合格考核当事人30元/次起;B类每一类不合格考核当事人20元/次起;7.2被检查班组电极头合格率低于80%,班长负班组监管不利考核当班班长30元/次;次月班组检查电极头合格率相对本月降低,按20元起1个百分点对班组处罚,罚款分摊到各班组员工;每月分车间汇总车间电极头总合格率低于75%,除按标准处罚班组和个人外,主任负员工监管不到位责任,各处罚30元/次;7.3个人电极头修磨规范标准较好,奖励20元/次;班组电极头合格率高于93%,奖励班组长50元/次;班组合格率高于98%以上,奖励班组长80元/次。
点焊电极磨损管理
图1 不同焊接点数下的电极与焊点表面状态
在点焊技术中电极磨损管理直接影响到焊接质量的稳定,ABB点焊机器人的点焊控制器,可以通过严格规范来补偿点焊电极在焊接过程中由于焊接磨损而损耗的电流,使焊接质量保持稳定。
在现代汽车制造业发展快速的今天,机器人焊接技术的运用已经取代了手工焊接,机器人焊接的高效和稳定是手工焊接无法比拟的。
然而在点焊技术中电极磨损管理直接影响到焊接质量的稳定。
点焊电极在工作时要承受相当大的焊接电流和电极力。
由于电极工作表面直接接触焊点,承受焊接所产生的高温,电极压力在常温下对铜合金电极的影响还不太大,但在597℃以上时,就会达到或超过某些电极铜合金在该温度下的屈服强度,引起电极工作面的迅速变形和压馈,使电极头部严重变形而无法工作。
电极磨损导致电极端面面积增加,改变了电极与工件接触表面的导电、导热属性,降低了电极与工件接触面的电流密度与电极压力,影响熔核的形成。
在点焊镀锌高强钢板等材料时,电极磨损已经成为影响焊点质量的主要因素,电极端面直径随焊接点数的不断增加而增大。
不同焊接点数下的电极及其焊点表面状态如图1。
焊点直径与表面状态实际上是电极端面直径与表面状态的反映,刚开始焊接时,焊点圆形度较好,表面状态平整,随着电极磨损的加剧,焊点圆形度变差,表面也越发凹凸不平。
在点焊镀锌板时,高温使电极表层产生了低熔点合金,当电极离开工件时,低熔点合金在飞溅作用下离开了电极端面,并在端面上产生一个小的弧坑,形成点蚀,即图1中电极压印的空白区域。
点蚀提高了其周围的电流密度和电极压力,导致了点蚀周围产生更严重的塑性变形和脱落,加速电极磨损。
目前一般采用递增电流的工艺方法以补偿电极磨损造成的电流密度降低。
ABB机器人所配置的点焊控制器,可以严格规范地补偿点焊电极在焊接过程中由于焊接磨损而损耗的电流,使得焊接质量一如既往的稳定。
当机器人与点焊控制器设置好相对应的通讯后,点焊控制器可以严格控制何时发出机器人电极修磨指令及机器人更换电极指令(如图2)。
图2 操作界面
只有这样才能严格控制一对电极的使用次数和使用寿命。
在每一次焊接时点焊控制器都会记录下焊接的次数及当前焊接的电流。
当一对新的电极或者修磨过的电极在一定的焊接次数后,点焊控制器都会发出电流递增的信息,从而补偿电极在工作一定次数后未经修磨所损失的电流,起到稳定焊接质量的作用。
但如何准确地选择电流递增的曲线图在电极管理中是十分重要的,要想达到合适的电流递增必须通过两根曲线图,在图3中step-Cv曲线控制了在电流递增过程中最多补偿的量,可以有10根曲线图可以选择,根据电极的磨损程度选择不同的曲线,但最大值也不易设置得过大,否则焊接变压器由于功率不同无法达到输出的电流。
而另一根Dress-Cv曲线则控制了电极修磨后每次递增的基数,由于经过多次修磨,电流递增的量也需要适当的增大,所以Dress-Cv曲线是每次递增的基础。
当选择了两条正确的曲线可以最大程度地保证焊接电流的输出,从而保证了焊点质量的稳定。
图3 曲线图
电极修磨管理是机器人点焊不可分割的一部分,可以最大程度地体现出机器人焊接的优势,并且正确的使用还可以提高电极使用寿命,从而降低生产成本。
所以电极修磨管理在点焊技术中是十分有用的功能,正确使用好这一环节是机器人焊接的一大利器。