对机器人点焊电极修磨器的探讨
- 格式:pdf
- 大小:266.20 KB
- 文档页数:2
电极修磨让点焊更完美发布日期:2011-11-07 来源:现代焊接杂志2011第11期作者:草野宏浏览次数:3423 本文综述焊接时电极面的变化,刀片选择的策略,使用电极端部修磨器的优点和未来方法。
车身制造的关键一环是电阻焊接,包括螺栓、螺母、点焊以及螺柱焊接。
车身结构的质量和可靠性取决于成千上百处车身点焊。
现代技术进步的焦点是采用更好的材料提高车身抗锈蚀性,并且让车身变得更轻更强。
因此,过去20年间对于薄镀层钢材的需求一直稳步上升。
近期,对于具有防锈涂层的高张力材料的需求也不断增长。
尽管这些材料在不断改进,但是点焊工艺还是不断有很多新的技术性障碍产生。
本文并不作关于新型材料焊接技术的介绍,而是试图通过解释使用新型材料进行焊接时对电极管理的变化,以取得更好的点焊质量。
电极面变化的原因在电阻焊接工艺中,两个铜电极下压,并在待焊钢材之间产生焦耳热,在此过程中就会产生一个让钢材粘在一起的点焊熔核。
对于镀锌钢板,镀锌层在焊接时发生融化,渗入电极,在电极面堆积。
在电阻焊接工艺中,由于高温高压,一层 Cu5Zn8(铜锌)合金层将会堆积在电极上。
多次堆积后,电极将被堆积层覆盖,最终损坏电极,甚至可能引起电极断裂。
有些合金层会从电极上剥落,粘在金属板上,因而造成车身表面缺陷。
尽管合金层会掉落一部分,但是大部分仍然粘在电极面上,导致通过的电流减小,使得焊接条件变差, 甚至形成冷焊。
因此必须采取一些措施清洁电极面, 保持良好的焊接条件。
除了镀锌材料堆积的问题,电极形状、冷却条件、钢材、涂层以及焊枪都可能引起电极变形或断裂。
升高电流的方法对电极不利,因为更大的电流会使电极帽端部变软,促使镀锌材料在电极上扩散更多,导致电极面上堆积物更厚。
电极面分析分析电极合金层需要使用以下设备:·电极:铜铬锆材质,电极帽直径16mm(凹形帽)·机器人:150kg·焊枪:C型枪·钢材:镀锌材料(厚度t=1.0mm,t=1.2mm)·焊接技术要求:达到最佳焊接质量·点焊时长:100,300,400,500熔化的锌和钢渗透在电极帽端部表面,形成合金层。
一个员工在一线的实习日记上周,师傅突然发现我更换机器人电极头时,只更换上电极头,而下电极头却未更换,把事情上报上去狠狠的给我批评了一顿,还说,幸好没有出现质量问题。
但是我没有看到那个用过的电极头的实况,对这个批评不认同,因为我确信我更换了。
今天曾师傅跟对班叶师傅调班,我向叶师傅描述在更换电极头发现电极头有长短不一致现象时,他说,这是由于焊枪修磨姿势不正造成的,不是人为原因,只要认真观察,这种现象会时常出现。
经过查看42b r/b机器人的电极头使用历史,果然之前就发生过这种现象,这是因为修磨姿势不当造成的。
师傅批评我是应该的,但是上级并没有到现场确认是怎么回事,只是听师傅的描述,这样的主观经验判断的片面性。
后来在叶师傅的指导下,我又对废旧的电极头进行了一番研究,在使用锉刀将废旧电极头修磨后,有时会发现电极头中间有黑色的凹槽,这就是造成焊点中间突起的罪魁祸首。
这里面还有很多值得学习和发现的现象,只要深入观察,寻找规律就能学到更多焊接质量的知识。
这次要不是师傅的向上面报告,要不是自己进一步深挖,那么我就什么都学不到。
犯了错误,受了委屈,一定要反过来做。
面对科学的问题,如果坚信不是自己的错,那么就要深入的去探究,不能因为师傅就是对的,师傅就是权威而停止对科学的探求。
正确的批评,应该满心接受,即使批评者有不正确的时候,在其批评完同时经过深思熟虑之后,加以公平公正和善意的解释,这样能及时化解矛盾。
而在日常工作生活中,人与人之间矛盾的产生往往是因为误解产生的,所以发生矛盾,第一步要想到沟通,把矛盾体说明白,解释清楚,只要不是糊涂人都会相互理解,不会使工作上的矛盾变成积怨。
此次事情,平时工作时要根据现场、现实、现物实事求是的去解决问题,要避免不看实际情况就下结论。
将这件事情上升到集体,我和对班的叶师傅一经交流,就能发现如此多的问题,我们可以让a、b两班进行共同交流,因为两班从事的是同样的工作,如不沟通,他们都会认为自己的办事方法是最好的,但是如果双方个相对工位认真把自己认为好的经验说出来,那么就可以会使得对方发现自己的不足和各自的优势,有交流才有比较,有比较才有借鉴,有借鉴才会相互运用对方好的一面,才能使得整个班组、车间甚至公司的共同进步。
修磨机管理规范一、目的机器人正常运行中修磨机根据程序设置达预制焊点自动修磨,为使修磨后焊点能满足焊接质量要求而制定的相关措施。
二、内容1.注意事项:自动电极打磨器&加压力因电极打磨器及安装的刀片的不同,其加压力、旋转方法也不同。
1.1.通常打磨器使用时的多张刀片及1张刀片<常用刀片--极动刀片记号>φ13/16用多张刀片:H12/HA12φ13/16用1张刀片:KTW其他记号全部是特殊刀片:像HA12M、H12M这些末尾带有M的,寿命延长3~5倍。
1.2.高速打磨器用2.打磨时的旋转方法:一张刀片型的刀片(OBARA制/极动制高速打磨器)①旋转方法:只是正转②旋转时间(实际加压时间):0.5~1.5秒③精加工时间(逆转)不要、旋转中开放焊枪※打磨时间在打磨切削状态不好时(先端切剩的多)易有延长的倾向。
因为延长打磨时间会影响打磨时的循环时间、必须检查以下要点。
①刀片有无磨耗 ②加压力是否适合 ③打磨时的加压位置 ④固定侧电极需确认打磨时在刀架内部有无晃动。
3.自动电极打磨教示方法:给打磨器的机器人教示需要注意以下几点: ①必须用新电极(若用磨损的电极,换成新电极时有可能发生干涉)。
②SSW(标准焊枪)与RSW(机器人焊枪)相比,位置修正较困难(使电极处于刀片中心)。
③加压角度:对刀片垂直。
④固定侧电极位置:尽量靠近刀片。
特别是像伺服焊枪没有补偿机能时在固定侧把刀片押上1mm 的位置(固定侧电极和刀片间隙大时、打磨时的加压会发生偏移)。
4.机器人设定的差异点设定机器人专用加压力、打磨时间要注意以下事项:在点焊参数中有伺服焊枪电极打磨画面、用此画面设定加压力和加压时间。
即使是用设置在线上的的设置盘设定打磨时间和set 次数,当机器人的本加压时间小于打磨设定盘的总时间时(打磨时间×set 次数)、机器人侧的时间被优先,即使打磨旋转中焊枪也开放。
因此本加压时间=打磨设定盘的总时间。
5.修磨参数修正要求5.1修正条件:当刀片或刀架使用到一定的数值产生不同程度的磨损现象时而采取相应的修磨参数修正办法(如:端面异物粘附、未露铜本色、斑纹等)5.2修正幅度:当修磨压力设置为固定值时,只能调整修磨时间,修正幅度为0.3S/次5.3更换规范:刀架与刀片的更换匹配比例为1:3(超出规定值时刀架必须强制性更换),刀片使用的次数记录在修磨机日常点检表上,以便核对验证5.3.1参数恢复:每次更换刀片及刀架后,修磨参数及时恢复至原始值打磨旋转焊枪加压力停止正转打磨时间。
修磨步骤【点磨完成后,先骤一:参数设点焊】【用D先上下电极帽设置用途关联设定DX200电极闭合,然后动】极帽修磨动极去碰触补磨补偿方法补偿板(注意法意定极不能碰碰触到补偿板板);【设【点接触压力时间【点设置】→【示点焊】→【空触速度设为:力设为:500N 间设为:0.5秒点焊】→【电示教条件设定空打压力条件20%;N 补秒; 补电极修磨条件】件文件】补偿时使用的补偿时碰触的件】的压力不要太的时间也不要大;要太长;如果一次加压上下旋转步骤第1(注第2点击第3MOV MOV 果使用空打压次加压:1200压时间:2秒下电极距离均转请求:OUT骤二:新电极步:首先更注意一次修磨步:进入如击左上角的【步:示教好VL C00007 EC VJ C00008EC 压力设置,则0N;;均为:18mm ;#[23],可向极帽的基准确更换一对新的磨完成后,不如下界面【点【数据】→[清好2个位置:C00007 V=500C00008 VJ=60此设置不需要电气设计人员认的电极帽,然不要运行SVGU 点焊】→【点焊清除电极数据0.00.00 要设了。
员咨询;后再修磨一次UNCL GUN#焊管理】据],即为全部 第1个次;#(1) PRESSC部清零。
个位置 CL#(3)TWC C ‐A )SVGUNCL GUN#(1) PRESSCL#(3) TWC‐AMOVL C00009 EC00009 V=800.0MOVL C00010 EC00010 V=800.0MOVL C00011 EC00011 V=500.0 第2个位置SVGUNCL GUN#(1) PRESSCL#(3) TWC‐BMOVJ C00012 EC00012 VJ=30.00MOVJ C00013 EC00013 VJ=30.00注意:第1个位置是:上下电极帽闭合;第2个位置是:动极去碰触补偿板(注意定极不能碰触到补偿板,示教时与补偿板保持20~30mm);程序运行完成后:成功后会基准位置的可固会出现数据基准位置(可):16.7 正值基准位置(固):‐0.6 负值如果没有出现以上的两组数据,说明参数设置或者运行补偿程序时有问题,需要再重新来过。
机器人点焊原理
机器人点焊原理是指通过机器人自动化系统进行点焊工艺操作的基本原理。
点焊是一种常见的焊接方法,它主要通过将电流通过电极传递到被焊接的金属工件上,产生高温使其熔化,然后形成焊点。
机器人点焊的原理如下:
1. 机器人选择焊点:机器人根据预定的焊接路径和焊点位置进行物料的安装和定位。
通过传感器或者图像识别系统对焊点进行定位,然后将焊接电极精确放置在焊点上。
2. 焊接电极传导电流:焊接电极通过机器人控制系统接通电源,将电流传导到待焊接的工件上。
电流的强度和时长根据焊接需求进行调整。
3. 热力作用形成焊点:电流通过电极与工件接触的接触面,产生高温。
高温使工件表面的材料熔化,形成液态金属池。
4. 熔化金属池冷却固化:一段时间后,焊接电流停止供给。
金属池在冷却过程中逐渐凝固,形成焊接点。
在整个点焊过程中,机器人负责控制焊接电极的运动和力度,并通过传感器实时监测焊接电流和温度,以保持焊接质量的稳定。
同时,机器人的高精度定位和稳定性可以保证焊接点的准确性和一致性。
机器人点焊技术具有高效、精确、稳定的特点,广泛应用于汽
车、电子、航空航天等领域的焊接生产线中,提高了焊接速度和质量,并减少了劳动力的需求。
电极修正、更换规范
1.0目的
为了规范点焊电极(电极帽)的修正和更换作业标准。
2.0范围
适用于渝北汽车零部件公司悬挂式点焊机生产线。
3.0 引用文件和标准
无
4.0术语
4.1 电极帽属于焊接电极的一种,用于电阻焊接设备的焊接,如固定式点焊机、悬挂式点焊机及机械手点焊机等,因为套于电极连杆上,故而称作电极帽,材质大多为铬锆铜。
5.0 职责
操作者应严格执行本规范,保证电极(电极帽)规格符合规范。
6.0程序
6.1
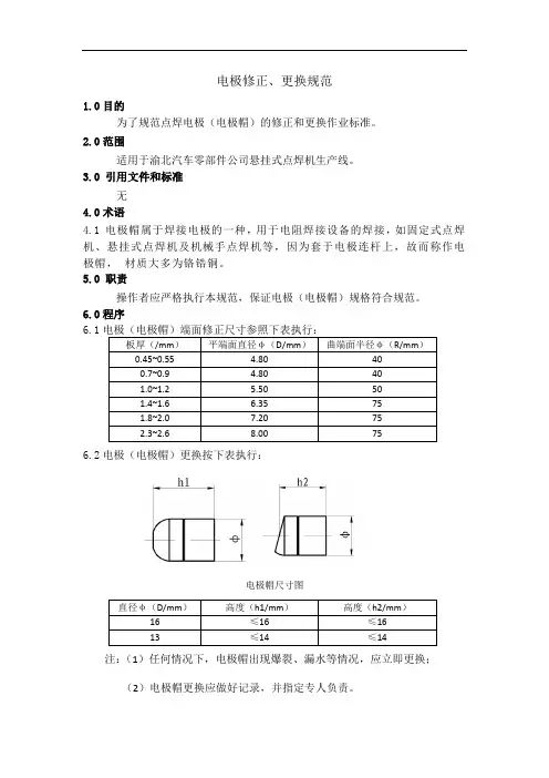
6.2电极(电极帽)更换按下表执行:
电极帽尺寸图
注:(1)任何情况下,电极帽出现爆裂、漏水等情况,应立即更换;
(2)电极帽更换应做好记录,并指定专人负责。
7.0附件无。
电极修磨让点焊更完美第一篇:电极修磨让点焊更完美电极修磨让点焊更完美发布日期:2011-11-07 来源:现代焊接杂志2011第11期作者:草野宏浏览次数:3423 本文综述焊接时电极面的变化,刀片选择的策略,使用电极端部修磨器的优点和未来方法。
车身制造的关键一环是电阻焊接,包括螺栓、螺母、点焊以及螺柱焊接。
车身结构的质量和可靠性取决于成千上百处车身点焊。
现代技术进步的焦点是采用更好的材料提高车身抗锈蚀性,并且让车身变得更轻更强。
因此,过去20年间对于薄镀层钢材的需求一直稳步上升。
近期,对于具有防锈涂层的高张力材料的需求也不断增长。
尽管这些材料在不断改进,但是点焊工艺还是不断有很多新的技术性障碍产生。
本文并不作关于新型材料焊接技术的介绍,而是试图通过解释使用新型材料进行焊接时对电极管理的变化,以取得更好的点焊质量。
电极面变化的原因在电阻焊接工艺中,两个铜电极下压,并在待焊钢材之间产生焦耳热,在此过程中就会产生一个让钢材粘在一起的点焊熔核。
对于镀锌钢板,镀锌层在焊接时发生融化,渗入电极,在电极面堆积。
在电阻焊接工艺中,由于高温高压,一层Cu5Zn8(铜锌)合金层将会堆积在电极上。
多次堆积后,电极将被堆积层覆盖,最终损坏电极,甚至可能引起电极断裂。
有些合金层会从电极上剥落,粘在金属板上,因而造成车身表面缺陷。
尽管合金层会掉落一部分,但是大部分仍然粘在电极面上,导致通过的电流减小,使得焊接条件变差, 甚至形成冷焊。
因此必须采取一些措施清洁电极面, 保持良好的焊接条件。
除了镀锌材料堆积的问题,电极形状、冷却条件、钢材、涂层以及焊枪都可能引起电极变形或断裂。
升高电流的方法对电极不利,因为更大的电流会使电极帽端部变软,促使镀锌材料在电极上扩散更多,导致电极面上堆积物更厚。
电极面分析分析电极合金层需要使用以下设备:·电极:铜铬锆材质,电极帽直径16mm(凹形帽)·机器人:150kg ·焊枪:C型枪·钢材:镀锌材料(厚度t=1.0mm,t=1.2mm)·焊接技术要求:达到最佳焊接质量·点焊时长:100,300,400,500 熔化的锌和钢渗透在电极帽端部表面,形成合金层。
焊钳电极修磨更换通用技术要求1.技术目的通过制订焊装车间机器人焊钳电极修磨器通用技术要求,使车身厂在进行电极修磨机选型、采购、安装及使用过程中,实现以下目标:●能够遵循统一的技术标准和评价指标;●简化机器人焊钳电极修磨器的评估过程;●降低设备整体成本并提高设备整体运行效率;●提供一个功能性的规范;●确保工作环境及过程的安全性。
2应用范围本文件适用于车身厂焊装车间采购的所有用于生产线的的机器人焊钳电极修磨器。
本规范的适用人群为:设备规划人员、设备维护人员,供应商及相关部分的二级供应商、负责支持和服务相关设备的设备制造商本规范适用于项目时间中的以下阶段:●工艺及设备规划及设计;●设备选型;●设备安装及架构集成;●设备调试;●生产运营及维护。
本规范仅定义机器人焊钳电极修磨器及相关设备的基础需求,但是不完全包含特定应用范围下的安全、硬件以及功能性需求。
3.电极修磨器总体要求3.1功能要求1)能实现自动修磨电极头,实现修磨频次可以通过修改机器人程序进行修改。
2)刀架和刀片为分体结构,通过更换对应型号的电极修磨器刀片,就可以实现Φ16mm、Φ13mm的电极头的修磨。
3)应具备自动收集修磨电极头时产生的废屑的功能,要求收集率大于90%。
该机构要求能够将铜屑快速收集,防止铜屑堵塞刀片。
4)电极修磨器能同时修磨上下电极头,修磨时间t≤2s。
5)为使电极修磨器能适应的更多系列的焊钳,其对焊钳喉深最小尺寸为43mm,张口最小尺寸为23mm。
即高于以上规格的焊钳均可以使用电极修磨器进行自动修挫电极头。
详细见下图1:图1:电极修磨器基本要求6)焊钳修磨过程中,不影响周边其他工位的生产,即修磨过程是独立的,不能干涉周边其他工位的作业。
7)电极修磨刀片耐久性要求:正常修磨3万次,刀片无明显痕迹。
8)电极头拆除机构夹头耐久性要求:正常使用3.2万次,无明显磨损。
9)齿轮箱耐久性要求:正常使用3.2万次,拆开齿轮箱无故障。
10)设备具备自动更换电极头的功能。
焊接点焊电极的修磨与更换作业指导书_现用1000字一、作业前准备1.1.准备工具砂轮机、刷轮、钢丝刷、扳手、焊接钳等。
1.2.材料准备焊接点焊电极、砂轮、刷轮、电焊丝等。
1.3.安全措施在操作时应佩戴防护手套、护目镜等防护用品,以保证人员安全和作业效率。
二、修磨焊接点焊电极2.1.拆卸焊接点焊电极首先,需要将焊接点焊电极从点焊机上拆下来,拆卸时需要按照电机的安装方式进行拆解,用扳手将电机的螺丝拧松,将电机从机头上拆下。
2.2.修磨焊接点焊电极(1)砂轮修磨法采用砂轮修磨法修磨点焊电极时应注意以下几点:①.保证点焊电极表面平整,不得有任何凹痕或裂缝,否则应将其更换。
②.选用适当的砂轮,对点焊电极进行粗磨和细磨。
③.将电极按照角度放置在砂轮上,沿着电极表面进行轻微的修磨。
④.修磨时应保持砂轮和点焊电极垂直,确保修磨出来的电极表面平整。
(2)钢丝刷修磨法采用钢丝刷修磨法修磨点焊电极时应注意以下几点:①.选用刚硬度适当的钢丝刷对电极进行修磨。
②.将电极固定在工作台上,并在其表面进行钢丝刷修磨。
③.用刷子刷除电极表面的锈垢和油污,保持其表面清洁。
2.3.更换焊接点焊电极当点焊电极的表面出现明显的凹痕、裂缝、磨损等情况时,应及时更换点焊电极。
(1)更换焊接点焊电极前,需要使用扳手将点焊电极与电机固定螺栓拧松,并拆下电机。
(2)将新点焊电极与电机固定螺栓固定即可。
三、操作注意事项1、电极表面不得有凹痕、裂缝、磨损等情况,需要经过修磨或更换。
2、操作时防护用品不能少,并严格按照操作流程进行。
3、电机固定螺栓拧紧时要注意不要过紧,以免造成电机运转时不稳定。
自动点焊机器人电极修磨的探讨作者:江松伟王伟斌来源:《时代汽车》2020年第17期关键词:电阻点焊电极修磨电极端面检测1 电极端面对点焊质量的影响电阻点焊以其生产效率高、成本低、适应性强等优点,广泛用于白车身的焊接工艺。
电阻点焊的原理,是通过加压使电极及工件紧密贴合后通电焊接,通过电流流经工件和电极间产生的电阻热使局部金属被熔化形成液态熔核。
断电后,继续保持压力或加大压力,使熔核在压力下凝固结晶,形成组织致密的焊核。
良好的电极端面,除了提供焊核形成所需的加压力,塑造规整的焊点形状态,更是焊接热量保证的前提。
故白车身自动化焊接生产线上,当机器人点焊达到设定的焊点数后就自动使用电极修磨器(图2)上进行修磨、清理和整形。
但由于焊接过程高温高压工况及电化学腐蚀作用下,电极端面可能劣化严重,或如镀锌材料严重堆积、合金化和端面烧损过深,或者修磨作业产生偏差,都可能导致电极修磨效果达不到预期。
而根据统计数据,因电极端面修磨不良造成电阻点焊品质不良达到50% 以上。
故有效对电极端面进行修磨和清理,保证其端面直径和表面状态始终保持在良好的状态,在大规模的生产品质管理中至关重要。
2 电极劣化的主要形式由于焊接过程中电极承受高温高压和电化学作用,电极材料应有足够的高温硬度与强度,其组织具有再结晶温度高的特性,高温抗氧化好,与焊件形成合金的倾向小。
在一般的生产企业应用中大多数是采用铜合金,最典型的材料是铬锆铜(CuCrZr),拥有较高的硬度(160HV),较高的软化温度(550℃),良好的导电率(43ms/m)。
按照劣化的表现,主要可以分为下面三类:(1)电极端面直径劣化:焊接过程中由于高温高压的作用,电极端面的逐渐磨耗,或是由于端面由于合金化剥离,都会造成对电极端面直径变大,导致焊接过程电流密度减小,焊核减小,焊接不良发生;(2)电极前端形状劣化:由于高温高压工况,或电极过度使用和修磨,以及冷却条件、被焊材料特性影响,电极前端可能产生塑性形变,导致端面形状劣化和表面烧损严重烧损甚至凹陷起坑,影响焊接电流密度而导致焊接不良发生;(3)电极端面导电性能劣化:焊接镀锌钢板过程中,镀锌层融与电极形成Cu5Zn8(铜锌)合金层,并逐渐覆盖电极端面。
对机器人点焊电极修磨器的探讨摘要:当前小型乘用车为了满足汽车轻量化和燃油经济性的需要,其车身通常采用轻质、高强度的薄板材料,各板材之间则采用电阻点焊进行连接。
在白车身焊接生产车间,特别是机器人焊接的自动化生产线,需要用到大量的点焊钳,焊钳电极由电极杆和电极帽组成,两者锥度配合以便更换,电极帽为消耗品。
在焊接过程中由于点焊端即电极帽在焊接一定次数后会磨损严重,造成焊接效果达不到工艺要求。
因此需要设置电极修复系统,及时打磨焊钳的电极帽,使电极端面直径和表面状态恢复到新电极的状态。
关键词:机器人;点焊;电极修磨1.修磨原理当前行业内通用的电极修磨原理是通过焊钳闭合将上下电极夹紧在旋转的修磨刀两侧,修磨刀对电极做铣削运动。
修磨刀旋转一定时长后,即可将上下电极切削出与刀片形状一致的端面。
2.修磨要点2.1 修磨的焊点数白车身自动化焊接生产线上,当机器人点焊达到设定的焊点数后就会自动去进行修磨。
焊点数不能太大也不能太小,太大则修磨质量不好导致虚焊等焊接不良,太小则浪费电极提高了生产成本。
根据经验铝板焊接时100点左右就需要进行修磨,镀锌板200-300点比较合适,冷轧板则可以高达400-500点。
2.2 电极的位置首先将焊钳调整为电极帽高度方向与浮动装置的浮动方向平行。
然后静电极移到修磨刀处,与修磨刀距离3-5mm,电极帽尽量对准修磨刀。
当条件允许时,至少保证动电极和静电极中有一个轴线能垂直并同轴于修磨刀,垂直度控制在3°以内。
2.3修磨压力和时间修磨压力指的修磨时焊钳的闭合压力,也是上下电极夹紧修磨刀的压力。
压力过小,使修磨量少,会修磨不干净,还会引起电极在修磨刀上振动;压力过大,会增加修磨刀的切削量,从而产生旋转的阻力,可能导致修磨机停转,或者导致刀片以及刀架的损坏。
修磨时间是指修磨时焊钳闭合至打开的这段时间。
电极修磨的目标是在短时间内去除掉电极端面一定厚度的氧化合金层,比如1s磨掉0.1mm。
对机器人点焊电极修磨器的探讨
发表时间:2018-09-10T15:40:45.703Z 来源:《建筑学研究前沿》2018年第11期作者:张廷[导读] 当前行业内通用的电极修磨原理是通过焊钳闭合将上下电极夹紧在旋转的修磨刀两侧,修磨刀对电极做铣削运动。
广州明珞汽车装备有限公司 510535 摘要:当前小型乘用车为了满足汽车轻量化和燃油经济性的需要,其车身通常采用轻质、高强度的薄板材料,各板材之间则采用电阻点焊进行连接。
在白车身焊接生产车间,特别是机器人焊接的自动化生产线,需要用到大量的点焊钳,焊钳电极由电极杆和电极帽组成,两者锥度配合以便更换,电极帽为消耗品。
在焊接过程中由于点焊端即电极帽在焊接一定次数后会磨损严重,造成焊接效果达不到工艺要
求。
因此需要设置电极修复系统,及时打磨焊钳的电极帽,使电极端面直径和表面状态恢复到新电极的状态。
关键词:机器人;点焊;电极修磨
1.修磨原理
当前行业内通用的电极修磨原理是通过焊钳闭合将上下电极夹紧在旋转的修磨刀两侧,修磨刀对电极做铣削运动。
修磨刀旋转一定时长后,即可将上下电极切削出与刀片形状一致的端面。
2.修磨要点
2.1 修磨的焊点数白车身自动化焊接生产线上,当机器人点焊达到设定的焊点数后就会自动去进行修磨。
焊点数不能太大也不能太小,太大则修磨质量不好导致虚焊等焊接不良,太小则浪费电极提高了生产成本。
根据经验铝板焊接时100点左右就需要进行修磨,镀锌板200-300点比较合适,冷轧板则可以高达400-500点。
2.2 电极的位置首先将焊钳调整为电极帽高度方向与浮动装置的浮动方向平行。
然后静电极移到修磨刀处,与修磨刀距离3-5mm,电极帽尽量对准修磨刀。
当条件允许时,至少保证动电极和静电极中有一个轴线能垂直并同轴于修磨刀,垂直度控制在3°以内。
2.3修磨压力和时间修磨压力指的修磨时焊钳的闭合压力,也是上下电极夹紧修磨刀的压力。
压力过小,使修磨量少,会修磨不干净,还会引起电极在修磨刀上振动;压力过大,会增加修磨刀的切削量,从而产生旋转的阻力,可能导致修磨机停转,或者导致刀片以及刀架的损坏。
修磨时间是指修磨时焊钳闭合至打开的这段时间。
电极修磨的目标是在短时间内去除掉电极端面一定厚度的氧化合金层,比如1s磨掉0.1mm。
当修磨机选定时,修磨的厚度则由压力和时间决定。
因不同厂家的刀片和修磨机结构不一样,压力和时间应参照修磨机厂家的推荐值进行设定和调整。
当然,因为焊接工况不一样,通常需要对压力和时间做微调来达到较好的修磨效果。
3.修磨器的设计分析整个装置由三相异步电机直接通过锥齿轮一级减速达到合适的修磨转速,刀具安装从动齿轮上,从而实现刀具的旋转和切削。
吹气装置用来去除修磨后的铜屑。
另外,支架能够在一定高度范围内调整,齿轮箱和平衡装置也可以水平或竖直安装,从而保证修磨机的适用性。
图电极修磨器3.1点焊电极材料点焊电极在进行焊接生产时要承受高温高压的作用,是焊机最易损坏的一个零件,因此它对材料有较高的要求:有足够的高温硬度与强度,再结晶温度高;有高的抗氧化能力与焊件形成合金的倾向小;在常温和高温都有合适的导电,导热性;具有良好的加工性能,综合上述条件,在一般的生产应用中大多数是采用铜合金,如CuCrZr、CuZr、CuCr。
最典型的材料是铬锆铜(CuCrZr),其成分和特性如下:材料成分为Cr0.25-0.65,Zr0.08-0.20,其余的为铜;硬度160HV,导电率 43ms/m,软化温度550℃。
3.2点焊电极结构点焊电极的结构尺寸已形成标准化,ISO5821规定了推荐的电极的结构和尺寸系列。
在实际焊接生产中由于被焊件结构尺寸不同以及焊接参数要求的不同,点焊电极的形状也有很多中,其主要有圆锥形(B型),平面形(C型),球面形(R型),端面形(F型)等。
常见电极的结构如下图所示,常用公称外径为16mm。
F型电极
3.3修磨刀具设计3.3.1结构设计
由于在点焊中焊接电流是通过电极来传递,所以上下两个电极必须要有较高的对中性,通常车厂要求上下两电极接触的端面直径误差小于0.5mm,圆心错位也必须小于0.5mm,这样才确保焊接质量。
故在进行点焊电极修磨时必须要能保证电极端面较高的形状精度金和位置精度。
在车床进行零件车削加工时,对于特定形状的高精度零件,常用成形刀具来加工,并使用工装夹具来定位。
因此对电极的修磨也采用定位和成形刀具的方式来加工(如图),为了方便制造,修磨刀具通常由刀架和刀片两部分组成,刀架辅助刀片对电极进行定位,刀片通常是薄板通过加工使其有一定后角,从而形成切削刃口,其切削刃口的结构尺寸即为电极修磨后的结构尺寸。
因为刀架和刀片在修磨一定次数会有磨损需要进行更换,所以刀架和传动齿轮通常采用可拆卸的连接结构。
3.3.2刀具的材料选择
修磨器采用的是金属切削的原理,在金属切削中不同的工件材料的切割加工性能不同,一般分为八个等级,其中有色金属及其合金于很容易切削加工的材料。
刀具的寿命通常在7000次以上,故对刀具的耐磨性有一定的要求,且修磨过程会产生一定的高温,故也需要刀具有良好的热硬度性。
因此选择高速钢为刀具材料,根据刀具的材料特性和电极材料铬锆铜的特性,选择高速钢W18Cr4V为修磨器刀具的材料。
结束语:综上,本文简要介绍了机器人点焊电极的修磨原理及相关修磨要点,并对某机器人点焊电极修磨器的设计要点进行了分析。
目前,国际机器人界在加大科研力度,从机器人技术的发展趋势看,焊接机器人和其它工业机器人几样,不断向智能化和多样化方向发展,因此,为了更好的促进工业机器人在焊接领域的应用发展,因此仍需相关人员对机器人点焊电极修磨器的研究,以提升我国工业机器人的发展水平。
参考文献
[1]党红霞.机器人点焊电极修磨器在焊接工艺中的应用[J].焊接技术.2017.
[2]刘源,焦锋,王晓亮.电极修磨刀片磨损预测模型及磨损规律性研究[J]工具技术.2017.。