详解道路测量中里程桩标号K0
- 格式:docx
- 大小:96.83 KB
- 文档页数:3
分项工程开工申请批复单承包单位:陕西长城路桥建设有限公司合同号:监理单位:陕西泾渭监理有限责任公司编号:编号____施管表01西安市泾河工业园(北区)东西八号 公路分项工程开工申请报告开工项目: 西安市泾河工业园(北区)东西八号路道 路 工 程里程桩号: K0+300~K0+400项目经理部(盖章): 申报日期:2011年3月31日西安市泾河工业园(北区)东西八号 公路分项工程开工申报表施管表01-1 承包单位:陕西长城路桥建设有限公司 合同段:---------------------------------------------------------------装 订 线-------------------------------------------------------- ---------------------------------------------------------------装 订 线---------------------底基层试验段总结施工方案工程名称:西安市泾河工业园(北区)东西八号路道路工程施工单位:陕西长城路桥建设有限公司日期:2011年3月31 日西安市泾河工业园(北区)东西八号路起于桑军大道平交处,终点位于规划中的南北七号路平交处,全长1.390公里。
规划道路红线宽30米,设计道路主车道宽18.0米。
我部已在K0+300~K0+400段进行了试验段施工,现将试验段施工作以总结。
一、施工顺序测量放线→路基土80cm8%灰土报验→22cm厚底基层水泥二灰土施工→22cm厚水泥稳定碎石基层施工(机械整平、碾压)→安装道牙、平石、砌收水井→AC-25-II粗粒式沥青混凝土面层→人行道施工(车行道施工时即可穿插进行)→AC-16-I中粒式沥青混凝土面层(其他各道工序均已完成后)。
二、施工方法1、准备工作a、下承层处理施工前先清除路基层表面的浮土和杂物,然后洒水湿润,用22T压路机碾压两遍,使路基表面达到平整、坚实,没有松散和软弱点出现,边线顺直,路肩平整。
第1篇一、工程施工里程字母的构成工程施工里程字母由两个部分组成:起点字母和终点字母。
起点字母表示工程项目的起始位置,终点字母表示工程项目的终止位置。
这两个字母通常由大写英文字母组成,如A、B、C等。
二、工程施工里程字母的应用1. 工程进度表示在工程施工过程中,里程字母用于表示工程进度。
例如,A表示起点,B表示距离起点1个单位长度的位置,C表示距离起点2个单位长度的位置,以此类推。
通过里程字母,施工人员可以直观地了解工程进度,便于协调各项工作。
2. 距离测量里程字母在距离测量中发挥着重要作用。
在道路施工、铁路建设等工程项目中,里程字母可以表示道路、铁路等设施的具体位置。
施工人员可以根据里程字母进行测量,确保工程按照设计要求进行。
3. 施工管理里程字母有助于施工管理人员对工程项目进行有效管理。
通过里程字母,管理人员可以掌握工程进度,及时发现并解决施工过程中出现的问题,确保工程按期完成。
4. 施工安全在工程施工过程中,里程字母有助于提高施工安全。
通过里程字母,施工人员可以明确自己的工作区域,避免发生交叉作业等安全隐患。
三、工程施工里程字母的注意事项1. 里程字母应清晰可见,便于施工人员识别。
2. 里程字母应按照设计要求进行设置,确保工程进度与实际相符。
3. 里程字母的设置应遵循一定的顺序,便于施工人员掌握工程进度。
4. 在施工过程中,应定期检查里程字母的完好情况,确保其能够持续发挥作用。
5. 里程字母的设置应与工程图纸、施工方案等资料相一致,避免出现误差。
总之,工程施工里程字母在工程项目中具有重要作用。
通过合理运用里程字母,可以提高工程施工效率,确保工程质量和进度,为我国基础设施建设贡献力量。
在实际应用中,我们要注重里程字母的设置、管理和维护,充分发挥其在工程施工中的作用。
第2篇一、定义工程施工里程字母,是指在工程项目中,以字母A、B、C、D……等表示工程各阶段的施工里程。
通常,字母A表示工程起始点,字母B、C、D……等依次表示工程的各个施工阶段。
桩号
沿着道路前进方向,起点处的桩号是k0.000,每隔一定距离(如100米)做1桩号标记,并在相应有需要的地方进行标记,但应以设计图纸上标明的为准。
公路桩号
施工前,对设计基础桩进行统一编号,以利于施工,号码不重复,且唯一。
范例
例如:起点桩号K200.500,终点桩号K350.800 (K200.500~K350.800)
意为:公路200公里处再过500米为开始处,直到350公里再过800米处的这段路。
(K为千米/公里)
计算路长:350.800 - 200.500=150.300km
还有k0.000-100之类的情况,这种有负的情况,说明路是按两个方向分的,有一个是正方向,另一个则是反方向,类似坐标轴。
例如:规定k0.000为中桩编号,东面为正西面为负,东面一百米表示为k0.000+100,西面一百米则表示为k0.000-100。
4850计算器程序使用说明一、XY-DA主程序—坐标反算(已知两点坐标,计算距离及方位角)XCZ?测站点X坐标;YCZ?测站点Y坐标;XHS?后视点X坐标;YHS?后视点Y坐标;DHS=两点间距离;AHS=两点间方位角。
二、GLCL主程序—计算中桩及边桩坐标XCZ?测站点X坐标;YCZ?测站点Y坐标;XHS?后视点X坐标;YHS?后视点Y坐标;DHS=两点间距离;AHS=两点间方位角。
JD?交点号;P?待算点桩号;X=,Y=待算点中桩X、Y坐标;D=待算中桩点到测站点距离;A=待算中桩点到测站点方位角;AO=测站中桩点到待算点与测站点到后视点的夹角;D(L—,R+)?待算里程距离中桩距离(即边距,左为-1,右为+1,输入0为重新进入里程输入)X=,Y=待算点边桩X、Y坐标;D=待算边桩点到测站点距离;A=待算边桩点到测站点方位角;AO=测站边桩点到待算点与测站点到后视点的夹角。
三、BZFY主程序—已知点坐标,计算该点里程桩号和距离该里程中线的距离(即边距)XCZ?测站点X坐标;YCZ?测站点Y坐标;XHS?后视点X坐标;YHS?后视点Y坐标;DHS=两点间距离;AHS=两点间方位角。
JD?交点号;ZHS?后视点高程;VHS?后视点棱镜高;△HHS?后视高差;X、Y测量点X、Y坐标;P=测量点里程桩号;D(L-,R+)测量点边距;△H?前视棱镜高;V?前视高差。
四、ZBJS主程序—已知点坐标及距离方位角计算另一点坐标A?B?已知点X,Y坐标;S?待算点到已知点距离;F?已知点到待算点方位角;X=,Y=待算点X,Y坐标。
五、ZX主程序—直线段计算中、边桩坐标Z?直线段起点桩号;A?,B? 直线段起点X、Y坐标;F?线路方位角;U?待算点里程桩号;ZZX=、ZZY=待算里程中桩X、Y坐标;BJ?待算里程边距;I(L-1,R+1)?-1为左边距,+1为右边距;BZX=、BZY=待算里程边桩X、Y坐标。
六、YQX主程序—计算圆曲线中、边桩坐标Z?圆曲线起点桩号;A?,B? 圆曲线起点X、Y坐标;R?圆曲线半径;F?圆曲线起点方位角;K(L-1,R+1)?曲线左偏为-1,右偏为+1;U?待算点里程桩号;ZZX=、ZZY=待算里程中桩X、Y坐标;I(L-1,R+1)?-1为左边距,+1为右边距;BZX=、BZY=待算里程边桩X、Y坐标。
道路里程桩号的表示与标识方法道路里程桩号是道路上常见的一种标识方法,用于表示车辆在道路上的位置和距离。
在道路建设和交通管理中,正确使用和理解道路里程桩号是非常重要的。
本文将从以下几个方面探讨道路里程桩号的表示与标识方法。
一、道路里程桩号的定义和作用道路里程桩号是指沿着道路线路布设的一系列桩号,用于表示车辆在道路上的位置和距离。
它是道路里程计量系统的一部分,对于交通管理、道路维护和应急救援等工作都有重要的意义。
道路里程桩号一般由数字和字母组成,通过这些符号可以获取车辆当前所处的位置和相对距离。
二、道路里程桩号的表示方法1. 绝对表示法绝对表示法是指道路里程桩号以该道路的起点为基准进行计量,并按照一定的间隔布设桩号。
这种方法常用于高速公路、国道和省道等大型道路。
一条高速公路起点的桩号为0,往后每1000米或每公里布设一个桩号。
车辆行驶过程中,根据桩号可以准确了解车辆相对于起点的位置和距离。
2. 相对表示法相对表示法是指道路里程桩号以某个参考地点为基准进行计量,并按照一定的间隔布设桩号。
这种方法常用于城市道路、乡村道路和地方道路等小型道路。
一条城市道路的起点桩号可以设置为该道路与另一条主干道路的交叉口处。
车辆行驶过程中,根据桩号可以了解车辆相对于参考地点的位置和距离。
三、道路里程桩号的标识方法1. 数字标识道路里程桩号通常使用数字进行标识,数字可以表达位置和距离的信息。
桩号的数字一般用中文或阿拉伯数字书写,如“KM100”或“公里100”。
2. 字母标识有些道路里程桩号还会使用字母进行标识,字母可以表示特定区域或道路的信息。
某条道路的桩号前面加上字母“G”表示该桩号位于市区,加上字母“R”表示该桩号位于乡村地区。
四、道路里程桩号的意义与应用1. 交通管理道路里程桩号可以作为交通管理的重要参考,通过桩号可以快速准确地确定交通违法行为和事故发生地点,提高交通管理效率。
2. 道路维护和修复道路里程桩号可以用于道路的维护和修复工作,通过桩号可以明确指示道路上需要维护的具体位置,方便维护人员进行作业。
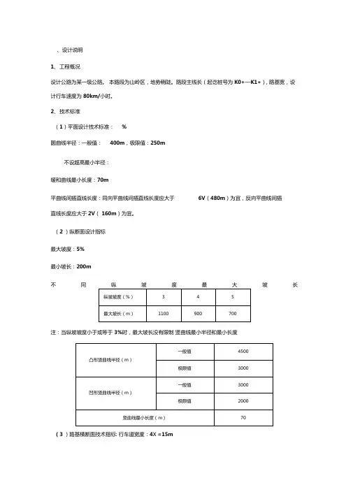
、设计说明1、工程概况设计公路为某一级公路。
本路段为山岭区,地势稍陡。
路段主线长(起讫桩号为K0+—K1+), 路基宽,设计行车速度为80km/小时。
2、技术标准(1)平面设计技术标准:%圆曲线半径:一般值:400m,极限值:250m不设超高最小半径:缓和曲线最小长度:70m平曲线间插直线长度:同向平曲线间插直线长度应大于6V(480m)为宜,反向平曲线间插直线长度应大于2V(160m)为宜。
(2 )纵断面设计指标最大坡度:5%最小坡长:200m不同纵坡度最大坡长注:当纵坡坡度小于或等于3%时,最大坡长没有限制竖曲线最小半径和最小长度(3 )路基横断面技术指标: 行车道宽度:4X =15m硬路肩宽度:2X =5m 土路肩宽度:2x =中间带宽度:中央分隔带2m+路缘带x 2=3m 路基总宽度:视距保证:停车视距:110m会车视距:220m超车视距:550m不同圆曲线半径的超高值双车道加宽值注:当圆曲线半径大于600m时,可不设超咼。
本路段超高和加宽值为:R=700m处,不采用超高和加宽;R=360m处,采用超高,不采用加宽。
路拱应采用双向路拱坡度,由路中央向两侧倾斜,取2%, 土路肩横坡度取用3%。
二、选线与定线1、选线原则(1 )在道路设计的各个阶段,应运用各种先进手段对路线方案作深入、细致的研究,在多方案论证、比选的基础上,选定最优路线方案。
(2)路线设计应在保证行车安全、舒适、迅速的前提下,做到工程量小、造价低、运营费用省、效益好,并有利于施工和养护。
在工程量增加不大时,应尽可能的采用较高的技术指标。
不轻易采用极限指标,也不应为了采用较高指标而使得工程量过分增大。
2、选线过程:选择的路线如平面图所示,选择此路线的原因:优点:(1)此路线过垭口,线形较好;(2)此路线经过了此路线经过地区地形较好,施工条件较好。
(3)此路线填挖工程量小,节省成本。
缺点:(1)此路线平曲线较多,对行车不利;(2)路程相对较长。
1桩号沿着道路前进方向,起点处的桩号是0k+000,每隔一定距离(如100米)做1桩号标记,并在相应有需要的地方进行标记,但应以设计图纸上表明的为准。
施工前,对设计基础桩进行统一编号,以利于施工,号码不重复,且唯一。
例如:起点桩号K200+500,终点桩号K350+800 (K200+500~K350+800)意为:公路200公里处再过500米为开始处,直到350公里再过800米处的这段路。
(K为千米/公里)计算路长:350.800 - 200.500=150.300km还有k-0+100之类的情况,这种有负的情况,说明路是按两个方向分的,有一个是正方向,另一个则是反方向,类似坐标轴。
例如:规定k0+000为中庄编号,东面为正西面为负,东面一百米表示为k0+100,西面一百米则表示为k-0+100。
2“公路放线”是什么意思?放线工作就是将设计图纸的样放到实地,为下一步的征地拆迁工作的提供依据。
主要是恢复中线和放好边线,界定好公路的用地宽度。
放线工作做好后,进入征地拆迁工作。
正常情况下,招投标完成前,征地拆迁工作必须完成,以便于施工单位进场施工。
进入施工阶段需要多长时间主要是以招投标的进展情况来定,一般要2到3个月。
开工之后,施工员要想把房子立起来做的第一件事就是定位放线;所谓放线就是根据规划及设计出具的图纸及相关资料,通过经纬仪或全站仪把坐标从图纸上换到现实中来,定出2个坐标点后,根据这2个点放出建筑物四个角的具体位置,之后经过甲方与监理检查通过就算过关了。
放线工作就是定位放样出公路施工区域范围,复核所在工程的工程量。
放线工作结束是指已完成路线走向测定。
放线结束后就是征地拆迁、施工准备。
像这种情况应该马上就要进入施工阶段了。
3里程桩又称中桩,表示该桩至路线起点的水平距离。
如: K7+814.19 表示该桩距路线起点的里程为 7814.19m 。
分为整桩和加桩。
1、整桩。
一般每隔 20m 或 50m 设一个。
K0,204201,未加固陡坎K1,204202,加固陡坎K2,204101,未加固斜坡K3,204102,加固斜坡K5,203320,石质的陡崖K6,183502,双线干沟X0,163300,等外公路X1,164400,内部道路X2,164300,小路X3,164100,大车路虚线边X5,216100,地类界W0,144301,围墙W2,144400,栏杆W3,144700,铁丝网W4,144500,篱笆W5,144600,活树篱笆D1,171101,输电线D2,171201,配电线D3,172001,通信线F0,141101,一般房屋F3,141300,建筑中的房屋F4,141400,破坏房屋F5,141500,棚房F6,141200,简单房屋B0,211200,旱地B1,211100,稻田B2,215400,花圃B3,214100,天然草地B4,213100,有林地B5,211400,菜地B6,212100,果园B7,211300,水生经济作物地B8,213201,灌木林B9,213901,竹林A00,154400,水文站A01,167800,停泊场A02,168101,航行灯塔A03,168102,航行灯桩A04,168103,航行灯船A13,185300,泉A14,185102,水井A15,205302,石堆A16,154600,学校A17,153902,肥气池A18,154700,卫生所A20,155800,电视发射塔A22,158602,窑A23,142200,蒙古包A24,174100,上水检修井A25,174200,雨水检修井A26,175101,污水蓖子园形A27,174300,下水暗井A28,174400,天然气检修井A29,174500,热力检修井A30,174601,电信人孔A31,174602,电信手孔A32,174700,电力检修井A34,152802,液体.气体储存设备A35,174900,不明用途的检修井A36,175200,消火栓A37,175300,阀门A38,175400,水龙头A39,175102,污水蓖子长形A40,171802,变电室A41,155702,无线电杆.塔A43,157202,旧碉堡A44,154200,雷达站A45,165601,里程碑A46,165602,坡度表A47,165603,路标A48,165604,汽车站A50,213801,阔叶独立树A51,213802,针叶独立树A52,213803,果树独立树A53,213804,椰子。
道路测量中里程桩K0+***、K1+***、K2+***具体是什么含义,表达的里程又是怎么计算的道路测量中里程桩K * +***是表示该路线中线位置沿路线曲线中线至路线起点(K0+000m处)的水平距离,也称为路线中桩桩号。
为了便于标定线路中线位置和长度,由线路起点开始,沿着中线方向每隔一定距离钉设一个里程桩,并作为施测路线纵横断面的依据。
通过里程桩的测设,不仅具体表示了中线的位置,而且利用桩号的形式表达了距离路线起点的里程。
如某桩点距离线路起点的水平距离为5278.61m,则它的桩号应写为K5+278.61m,桩号中“+”号前为千米数,“+”号后为米数。
一、线路中线因根据施测需要而设置里程桩,里程桩分为整桩和加桩两种。
1、整桩是为了标定路线里程而设置的每隔10m、20m、50米的整倍数的里程桩号,百米桩和公里桩都属于整桩。
通常直线段的桩距较大,宜为20至50米,并根据地形起伏变化确定。
而曲线段的桩距较小,宜为5至20米,按曲线半径和长度选定。
?2、加桩分为地形加桩、地物加桩、曲线加桩和关系加桩。
(1)地形加桩是指路线中线地面起伏变化较大处加设的里程桩。
(2)地物加桩是沿道路中线有人工构筑物的地方,如房屋、桥涵、沟渠等交叉出加设的里程桩。
(3)曲线加桩是指曲线上设置的主点桩,如路线圆曲线起点(ZY)、圆曲线中点(QZ)、圆曲线终点(YZ)。
通常根据主点的实际里程缩写为 ZY K*+***.** 、QZ K*+***.**,精确至厘米等。
(4)关系加桩是指路线上的转点桩(ZD)和交点桩(JD)。
交点桩是圆曲线起点处和终点处切线的交点。
转点桩是不能通视的相邻两个交点桩连线上设置的加桩。
通常根据转点和交点的实际里程缩写为 ZD?K*+***.**、JD?K*+***.** 精确至厘米。
二、线路中线的平面线型由直线和曲线组成,而曲线由圆曲线和缓和曲线组成。
这些线型变化的位置称为主点。
如直线变为圆曲线的位置,即圆曲线的起点称为直圆点(ZY),圆曲线的中点(QZ),圆曲线变为直线的位置,即圆曲线的终点称为圆直点(YZ),直线变为缓和曲线的位置,称为直缓点(ZH),缓和曲线变为圆曲线的位置,称为缓圆点(HY),圆曲线变为缓和曲线的位置,称为圆缓点(YH),缓和曲线变为直线的位置,称为缓直点(HZ)。
山区高速公路桥梁高墩垂直度测量控制技术摘要:近年来,山区高速公路建设项目逐渐增多,受山区地形的限制,高墩桥梁也越来越多。
由于桥梁高墩截面面积较小、墩身高、柔性大,其施工精度相对要求也较高。
受区域自然环境因素影响,如日照引起的温差变形、风载造成的偏位、施工因素的不确定等都会引起墩轴线的弯曲和摆动。
本文结合在建的云南省元蔓高速公路罕龙1号特大桥134米/125米高墩的控制测量,将施工中一些具体而有效的做法进行总结,通过具体的数据分析,为同类型施工提供一些参考。
关键词:高速公路桥梁高墩垂直度测量控制。
1工程概况元蔓高速公路是云南省“十三五”重点工程,罕龙1号特大桥是元蔓高速公路控制性工程。
工程地点位于云南省红河县境内,该桥地处山岭重丘区,在V形河谷地带,为跨越山区菁沟而设。
桥梁建设区斜坡较陡,谷底跨越罕龙河,河内常年流水,交通条件差。
根据地质钻孔资料显示桥区位于第四系冲洪积层和残坡积层,地质条件较差。
该地区属于红河干热河谷气候,常年多风、天气炎热干燥。
山谷底部至桥梁路面高差为150余米。
桥梁整体位于直线段上,全长574m,双向四车道。
桥梁自承台以上分幅设置,单幅桥宽12.50m,设计汽车荷载公路-I 级,地震动峰值加速度0.15g,地震基本烈度7度。
桥位立面图见图1。
图2 主墩平面布置图罕龙1号特大桥主桥采用(100+180+100)米连续刚构,引桥为30.5米先简支后连续T梁。
主墩墩身采用等截面双肢薄壁空心墩,高度为134m/125m,过渡墩采用变截面薄壁空心墩,主墩过渡墩高度为46m~63m。
桥梁主墩及两侧过渡墩均采用液压自爬模施工工艺,其中主墩每施工节段高6m,过渡墩每施工节段高4.5m。
主墩及过渡墩墩身下设承台和钻孔灌注桩施工工艺。
桥位主墩平面布置图见图2。
2 影响高墩施工垂直度的因素分析2.1 阳光照射引起的温差影响高墩混凝土外立面在阳光的不均匀照射下,朝阳面和背阴面之间形成温差,出现不均匀的膨胀或收缩效应,阳面就会向阴面一侧倾斜,其幅度是随着日照温度的高低和温差大小而随时变化。
道路测量中里程桩K0+***、K1+***表达的里程道路测量中里程桩K * +***是表示该路线中线位置沿路线曲线中线至路线起点(K0+000m处)的水平距离,也称为路线中桩桩号。
为了便于标定线路中线位置和长度,由线路起点开始,沿着中线方向每隔一定距离钉设一个里程桩,并作为施测路线纵横断面的依据。
计算方法:K是英文Kilometers千米的第一个字母,k0+752,从起点到这个桩才752米。
K1+232,是从起点到这已经1232米了。
向左转|向右转道路测量的四个要素1.测量的客体即测量对象:由于几何量的特点是种类繁多,形状又各式各样,因此对于他们的特性,被测参数的定义,以及标准等都必须加以研究和熟悉,以便进行测量。
2.计量单位:我国国务院于1977年5月27日颁发的《中华人民共和国计量管理条例(试行)》第三条规定中重申:“我国的基本计量制度是米制(即公制),逐步采用国际单位制。
”1984年2月27日正式公布中华人民共和国法定计量单位,确定米制为我国的基本计量制度。
在长度计量中单位为米(m),其他常用单位有毫米(mm)和微米(μm)。
在角度测量中以度、分、秒为单位。
3.测量方法:指在进行测量时所用的按类叙述的一组操作逻辑次序。
对几何量的测量而言,则是根据被测参数的特点,如公差值、大小、轻重、材质、数量等,并分析研究该参数与其他参数的关系,最后确定对该参数如何进行测量的操作方法。
4.测量的准确度:指测量结果与真值的一致程度。
由于任何测量过程总不可避免地会出现测量误差,误差大说明测量结果离真值远,准确度低。
另:道路测量中里程桩K * +***是表示该路线中线位置沿路线曲线中线至路线起点(K0+000m处)的水平距离,也称为路线中桩桩号。
为了便于标定线路中线位置和长度,由线路起点开始,沿着中线方向每隔一定距离钉设一个里程桩,并作为施测路线纵横断面的依据。
通过里程桩的测设,不仅具体表示了中线的位置,而且利用桩号的形式表达了距离路线起点的里程。
圆曲线中边桩坐标计算公式: L=F-H;注:L---所求点曲线长;F---所求点里程;H---圆曲线起点(ZY点桩号里程)X=XZY+2×R×SIN(L÷2R)×COS{α±(L÷2R)}+S×COS{α±(L÷R)+M}; Y =YZY+2×R×SIN(L÷2R)×SIN{α±(L÷2R)}+S×SIN{α±(L÷R)+M}. 注:α---线路方位角;M---所求边桩与路线的夹角;S---所求边桩至中桩的距离;"±"---曲线左偏取“-”右偏取“+”;当S=0时为中桩坐标。
经高速公路施工一线使用效果很好。
记住在公式中加入Excel的Radians()函数将度转为弧度即可轻松方便地使用,从ZY点坐标准确快速推算地计算出整条圆曲线。
注意要分清左偏右偏两种情况。
高速公路线路坐标计算公式:高速公路的一些线路坐标、高程计算公式(缓和曲线、竖曲线、圆曲线、匝道)一、缓和曲线上的点坐标计算已知:①缓和曲线上任一点离ZH点的长度:l②圆曲线的半径:R③缓和曲线的长度:l④转向角系数:K(1或-1)⑤过ZH点的切线方位角:α⑥点ZH的坐标:xZ ,yZ计算过程:说明:当曲线为左转向时,K=1,为右转向时,K=-1,公式中n的取值如下:当计算第二缓和曲线上的点坐标时,则:l为到点HZ的长度α为过点HZ的切线方位角再加上180°K值与计算第一缓和曲线时相反xZ ,yZ为点HZ的坐标切线角计算公式:二、圆曲线上的点坐标计算已知:①圆曲线上任一点离ZH点的长度:l②圆曲线的半径:R③缓和曲线的长度:l④转向角系数:K(1或-1)⑤过ZH点的切线方位角:α⑥点ZH的坐标:xZ ,yZ计算过程:说明:当曲线为左转向时,K=1,为右转向时,K=-1,公式中n的取值如下:当只知道HZ点的坐标时,则:l为到点HZ的长度α为过点HZ的切线方位角再加上180°K值与知道ZH点坐标时相反xZ ,yZ为点HZ的坐标三、曲线要素计算公式公式中各符号说明:l——任意点到起点的曲线长度(或缓曲上任意点到缓曲起点的长度)l1——第一缓和曲线长度l2——第二缓和曲线长度l——对应的缓和曲线长度R——圆曲线半径R1——曲线起点处的半径R2——曲线终点处的半径P1——曲线起点处的曲率P2——曲线终点处的曲率α——曲线转角值四、竖曲线上高程计算已知:①第一坡度:i1(上坡为“+”,下坡为“-”)②第二坡度:i2(上坡为“+”,下坡为“-”)③变坡点桩号:SZ④变坡点高程:HZ⑤竖曲线的切线长度:T⑥待求点桩号:S计算过程:五、超高缓和过渡段的横坡计算已知:如图,第一横坡:i1第二横坡:i2过渡段长度:L待求处离第二横坡点(过渡段终点)的距离:x求:待求处的横坡:i解:d=x/Li=(i2-i1)(1-3d2+2d3)+i1六、匝道坐标计算已知:①待求点桩号:K②曲线起点桩号:K③曲线终点桩号:K1④曲线起点坐标:x0,y⑤曲线起点切线方位角:α⑥曲线起点处曲率:P(左转为“-”,右转为“+”)⑦曲线终点处曲率:P1(左转为“-”,右转为“+”)求:①线路匝道上点的坐标:x,y②待求点的切线方位角:αT计算过程:注:sgn(x)函数是取符号函数,当x<0时sgn(x)=-1,当x>0时sgn(x)=1,当x=0时sgn(x)=0。
道路测量中里程桩K0+***、K1+***、K2+***具体是什么含义,表达的里程又是怎么计算的道路测量中里程桩K * +***是表示该路线中线位置沿路线曲线中线至路线起点(K0+000m处)的水平距离,也称为路线中桩桩号。
为了便于标定线路中线位置和长度,由线路起点开始,沿着中线方向每隔一定距离钉设一个里程桩,并作为施测路线纵横断面的依据。
通过里程桩的测设,不仅具体表示了中线的位置,而且利用桩号的形式表达了距离路线起点的里程。
如某桩点距离线路起点的水平距离为5278.61m,则它的桩号应写为K5+278.61m,桩号中“+”号前为千米数,“+”号后为米数。
一、线路中线因根据施测需要而设置里程桩,里程桩分为整桩和加桩两种。
1、整桩是为了标定路线里程而设置的每隔10m、20m、50米的整倍数的里程桩号,百米桩和公里桩都属于整桩。
通常直线段的桩距较大,宜为20至50米,并根据地形起伏变化确定。
而曲线段的桩距较小,宜为5至20米,按曲线半径和长度选定。
2、加桩分为地形加桩、地物加桩、曲线加桩和关系加桩。
(1)地形加桩是指路线中线地面起伏变化较大处加设的里程桩。
(2)地物加桩是沿道路中线有人工构筑物的地方,如房屋、桥涵、沟渠等交叉出加设的里程桩。
(3)曲线加桩是指曲线上设置的主点桩,如路线圆曲线起点(ZY)、圆曲线中点(QZ)、圆曲线终点(YZ)。
通常根据主点的实际里程缩写为 ZY K*+***.** 、QZ K*+***.**,精确至厘米等。
(4)关系加桩是指路线上的转点桩(ZD)和交点桩(JD)。
交点桩是圆曲线起点处和终点处切线的交点。
转点桩是不能通视的相邻两个交点桩连线上设置的加桩。
通常根据转点和交点的实际里程缩写为 ZD K*+***.**、JD K*+***.** 精确至厘米。
二、线路中线的平面线型由直线和曲线组成,而曲线由圆曲线和缓和曲线组成。
这些线型变化的位置称为主点。
如直线变为圆曲线的位置,即圆曲线的起点称为直圆点(ZY),圆曲线的中点(QZ),圆曲线变为直线的位置,即圆曲线的终点称为圆直点(YZ),直线变为缓和曲线的位置,称为直缓点(ZH),缓和曲线变为圆曲线的位置,称为缓圆点(HY),圆曲线变为缓和曲线的位置,称为圆缓点(YH),缓和曲线变为直线的位置,称为缓直点(HZ)。
桩号k0+000什么意思
桩号k0+000的意思是为沿着道路前进方向,起点处的桩号。
因为桩号是用来记录路的长度的,每隔一定距离(如100米)做桩号标记,并在相应有需要的地方进行标记,但应以设计图纸上标明的为准。
施工前,对设计基础桩进行统一编号,以利于施工,号码不重复,且唯一。
扩展资料
桩号是用来记录路的长度的,每隔一定距离(如100米)做桩号标记,并在相应有需要的地方进行标记,但应以设计图纸上标明的为准。
施工前,对设计基础桩进行统一编号,以利于施工,号码不重复,且唯一。
K一般是指勘测的“勘”的汉语拼音首字母,整条路的起点一般定为K0+000。
加号的后三个数字单位是米,起点前进的方向10米的地方为K0+010,20米为K0+020,以此类推;K 后面的数字代表千米(1千米=1000米),例如K1+000
即为起点前进1000米的距离,K1+500即为起点前进1500米的距离。
还有k0.000-100之类的情况,这种有负的情况,说明路是按两个方向分的,有一个是正方向,另一个则是反方向,类似坐标轴。
例如:规定k0.000为中桩编号,东面为正西面为负,东面一百米表示为k0.000+100,西面一百米则表示为k0.000-100。
一.道路桩号是怎么定义的,k0+040~k0+100是什么意思?1.K后的0的单位是km,加号的后三个数字单位是米,K0+040~K0+100表示从道路起始点的第0公里,40米处开始到起始点第0公里100m处.2.是用于确定里程的。
K0+040~K0+100,意思就是从里程K0+040到里程K0+100这段60m长的范围。
K一般是指勘测的“勘”的汉语拼音声母。
AK0+600.000是什么意思在道路设计中AK0+600.000是什么意思啊?与K0+600.000有什么区别?应该是A匝道上的桩号哦,谢谢啊有可能是A比较线上的桩号,不是正线上的。
我也来学习下~~一个项目里有多各中心线,排了多个桩号,用AB分开啊这个问题,对于搞公路设计的比较熟悉吧,比如一个互通立交,主线桩号一般使用K打头,如K0+370;匝道桩号使用AK,BK,CK,DK等打头,如AK0+500等。
还有一个LK,YK打头的,这个仅仅在中国使用,表示左线的桩号和右线的桩号。
谢谢了咯!:) :)我也不知道,学习一下。
有可能是路线A段的K0+600.000处的桩号,或路线设有断链。
版主说的是正确的,我是学路桥的,就那个意思。
这里能人多今年大四要毕业了不懂的还很多说的对,应该不是主路上的!!呵呵谢谢了又学点知识!!出现这种标志,一般来说,有两种情况:一种是匝道的标志,一种是断链的标志,学习了A表示匝道代码或比较线的代码K0+600.000我就不说了综合就是A匝道K0+600.000桩号公路我不太清楚,铁路是这样的:k0+600 表示既有线桩号0公里加600米;Ak0+600 表示预可行性研究报告阶段,线路桩号0公里加600米;Ck0+600 表示可行性研究报告和初步设计阶段,线路桩号0公里加600米;Dk0+600 表示施工设计阶段线路桩号0公里加600米;比较线是这样:AⅠk0+600,AⅡk0+600以此类推。
铁路用DK2+0000好似桩号:( :L :loveliness: :) :lol不错的解释,学习了学习学习:lol那么AK47是什么意思?应该是互通立交匝道上面的桩号,以前我做过高速公路的施工,图纸上面标注匝道的就是用AK、BK、CK 等标注,以用于区分主线桩号太有财了!是A匝道的标志,或A你=比较线的标志那确实,这是初级问题,楼主还是要多上论坛来逛逛啊。
桩号的读法(原创实用版)目录1.桩号的定义与意义2.桩号的构成与表示方法3.桩号的读法规则4.桩号在实际工程中的应用5.桩号的发展与未来趋势正文一、桩号的定义与意义桩号,又称里程桩,是一种用于标识公路、铁路、河道等线性工程位置的标志。
它在工程建设、运营管理以及日常维护中具有重要意义,能够有效地帮助工程人员掌握线路的基本情况,确保工程质量和安全。
二、桩号的构成与表示方法桩号主要由两部分组成:公里数和米数。
公里数表示的是该桩号距离起点的公里数,而米数则表示的是该桩号在当前公里内的具体位置。
在实际应用中,桩号的表示方法有多种,如“K12+350”,表示该桩号距离起点12 公里 350 米。
三、桩号的读法规则在阅读桩号时,需要遵循以下规则:1.从左到右阅读:先读取公里数,再读取米数。
2.单位一致性:公里数和米数的单位要保持一致,避免出现混淆。
3.注意零的读法:在公里数和米数中,零的读法有特殊规定。
例如,“K0+500”读作“零公里五百米”,“K12+0350”读作“十二点零三百五十米”。
四、桩号在实际工程中的应用桩号在实际工程中有着广泛的应用,主要体现在以下几个方面:1.工程设计:在设计阶段,桩号用于标识线路的准确位置,便于设计人员进行工程量计算、图纸绘制等工作。
2.工程施工:在施工阶段,桩号为施工人员提供了线路控制依据,有助于保证工程质量和进度。
3.工程运营:在运营阶段,桩号有助于运维人员进行线路巡查、故障排查等工作。
4.日常维护:在维护阶段,桩号为维修人员提供了线路位置信息,方便他们进行日常维护和抢修。
五、桩号的发展与未来趋势随着科技的进步和社会的发展,桩号在形式和功能上也在不断创新和发展。
道路测量中里程桩K0+***、K1+***、K2+***具体是什么含义,表达的里程又是怎么计算的
道路测量中里程桩K * +***是表示该路线中线位置沿路线曲线中线至路线起点(K0+000m处)的水平距离,也称为路线中桩桩号。
为了便于标定线路中线位置和长度,由线路起点开始,沿着中线方向每隔一定距离钉设一个里程桩,并作为施测路线纵横断面的依据。
通过里程桩的测设,不仅具体表示了中线的位置,而且利用桩号的形式表达了距离路线起点的里程。
如某桩点距离线路起点的水平距离为5278.61m,则它的桩号应写为K5+278.61m,桩号中“+”号前为千米数,“+”号后为米数。
一、线路中线因根据施测需要而设置里程桩,里程桩分为整桩和加桩两种。
1、整桩是为了标定路线里程而设置的每隔10m、20m、50米的整倍数的里程桩号,百米桩和公里桩都属于整桩。
通常直线段的桩距较大,宜为20至50米,并根据地形起伏变化确定。
而曲线段的桩距较小,宜为5至20米,按曲线半径和长度选定。
2、加桩分为地形加桩、地物加桩、曲线加桩和关系加桩。
(1)地形加桩是指路线中线地面起伏变化较大处加设的里程桩。
(2)地物加桩是沿道路中线有人工构筑物的地方,如房屋、桥涵、沟渠等交叉出加设的里程桩。
(3)曲线加桩是指曲线上设置的主点桩,如路线圆曲线起点(ZY)、圆曲线中点(QZ)、圆曲线终点(YZ)。
通常根据主点的实际里程缩写为 ZY K*+***.** 、QZ K*+***.**,精确至厘米等。
(4)关系加桩是指路线上的转点桩(ZD)和交点桩(JD)。
交点桩是圆曲线起
点处和终点处切线的交点。
转点桩是不能通视的相邻两个交点桩连线上设置的加桩。
通常根据转点和交点的实际里程缩写为 ZD K*+***.**、JD K*+***.** 精确至厘米。
二、线路中线的平面线型由直线和曲线组成,而曲线由圆曲线和缓和曲线组成。
这些线型变化的位置称为主点。
如直线变为圆曲线的位置,即圆曲线的起点称为直圆点(ZY),圆曲线的中点(QZ),圆曲线变为直线的位置,即圆曲线的终点称为圆直点(YZ),直线变为缓和曲线的位置,称为直缓点(ZH),缓和曲线变为圆曲线的位置,称为缓圆点(HY),圆曲线变为缓和曲线的位置,称为圆缓点(YH),缓和曲线变为直线的位置,称为缓直点(HZ)。
三、测设里程桩时,按照工程的不同精度需要,可使用钢卷尺、测距仪、经纬仪、全站仪、RTK等测量设备,根据已知的路线测量控制点坐标和曲线主点测设元素,采用多种不同的测设方法确定不同里程桩的位置。
以常见的圆曲线为例:
为测设圆曲线的主点ZY、QZ、YZ里程桩的需要,需要计算出切线长T、曲线长L、外距E、切曲差J,这些元素称为主点测设元素。
向左转|向右转
(1)、切线长T 为圆曲线起点(ZY)或终点(YZ) 至交点(JD)的长度。
公式:T=R*tan(α/ 2 )
(2)曲线长L 为圆曲线起点至终点的弧长。
公式:L=R*α*π/ 180
(3)外距E 为圆曲线中点(QZ)至交点(JD)的距离。
公式:E=R*(sec(α/ 2 )-1)
(4)切曲差J 为2倍切线长与曲线长的差值。
公式:J=2L-T
上式中,R为圆曲线半径,α为圆曲线对应的圆心角角度,或称为转角。
圆曲线主点里程计算如下图:
向左转|向右转。