焊缝形状与尺寸
- 格式:pptx
- 大小:3.08 MB
- 文档页数:18
焊缝形式及坡口尺寸在图纸上是怎样表示的公司标准化编码 [QQX96QT-XQQB89Q8-NQQJ6Q8-MQM9N]焊缝形式及坡口尺寸在图纸上是怎样表示的焊缝形式及坡口尺寸在图纸上一般采用技术制图的方法表示。
为了简化焊缝在图样上的表示方法,现采用国家标准规定的焊缝符号及坡口尺寸的表示方法。
焊接符号由哪几部分组成焊接符号一般是由基本符号和指引线组成,必要时还可以加上辅助符号、补充符号和焊缝尺寸符号。
焊缝形式及坡口尺寸在图纸上是怎样表示的焊缝形式及坡口尺寸在图纸上一般采用技术制图的方法表示。
为了简化焊缝在图样上的表示方法,现采用国家标准规定的焊缝符号及坡口尺寸的表示方法。
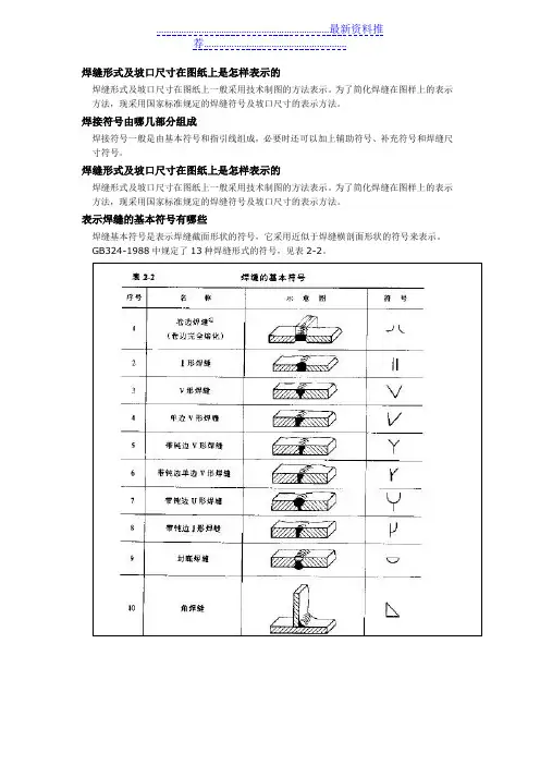
表示焊缝的基本符号有哪些焊缝基本符号是表示焊缝截面形状的符号,它采用近似于焊缝横剖面形状的符号来表示。
GB324-1988中规定了13种焊缝形式的符号,见表2-2。
点击下载(excel表格详细讲解)焊接加工符号的国家标准有哪些焊接符号的国家标准主要有两个:(1) 。
(2) 。
表示焊缝的辅助符号有哪些辅助符号表示焊缝表面形状特征的符号,见表2-3。
不需要确切地说明焊缝的表面形状时,可以不用辅助符号。
表示焊缝的补充符号有哪些补充符号是为了补充说明焊缝的某些特征而采用的符号,见表2-4。
表示焊缝的尺寸符号有哪些焊缝的尺寸符号见表2-5。
焊接符号标注中的指引线指引线是表示指引焊缝位置的符号。
由带箭头的指引线和两条基准线(一条为实线,另一条为虚线)组成。
指引线指向有关焊缝处,基准线一般应为水平线。
焊缝符号及尺寸标注在基准线上,必要时基准线末端加一尾部,作其它说明用(如焊接方法等),如图3-18所示。
焊接符号标注方法完整的焊缝表示方法应包括上述基本符号、辅助符号、补充符号,以及指引线、一些尺寸符号和数据等。
标注箭头线时,可指向焊缝或不指向焊缝,如图3-19所示。
基准线的虚线可在基准线的实线上侧或下侧,当焊缝在接头的箭头侧,则基本符号标在基准线的实线侧,如果焊缝在接头非箭头侧,则将基本符号标在基准线的虚线侧。
焊缝尺寸表达一、什么是焊缝尺寸表达焊缝尺寸表达呢,就是把焊缝的各种大小啊、形状之类的信息,用一种大家都能懂的方式表示出来。
这就好比你要描述一个人的外貌,你得把他的身高、体型、五官这些特征说清楚一样。
对于焊缝来说,它的尺寸可是很重要的信息呢。
二、焊缝尺寸表达都有哪些部分1. 焊缝的长度这就像我们说一根绳子有多长一样。
焊缝的长度是一个很关键的尺寸,它决定了焊接的范围。
比如说在一个大型的金属结构件上,焊缝长一点或者短一点,可能整个结构的牢固程度都会受到影响。
2. 焊缝的宽度想象一下焊缝就像一条小河流在两块金属之间,那这个河流的宽度就是焊缝宽度啦。
不同的焊接工艺和要求,焊缝宽度可能会有很大的差别。
宽一点的焊缝可能在某些情况下更牢固,但也可能会消耗更多的焊接材料。
3. 焊缝的高度这个就比较好理解啦,就是焊缝从金属表面凸起来的高度。
就像小土坡一样,有的焊缝高一点,有的低一点。
过高或者过低的焊缝高度可能都不符合工程标准哦。
三、为什么焊缝尺寸表达这么重要在工程领域,焊缝的质量直接关系到整个结构的安全性。
如果焊缝尺寸表达不清楚或者不准确,就像给建筑工人的图纸画错了尺寸一样,那建出来的房子可能就会歪歪扭扭,甚至有倒塌的危险。
而且,准确的焊缝尺寸表达也有助于控制成本。
你想啊,如果焊缝尺寸要求不明确,可能就会多用或者少用焊接材料,这都会造成浪费或者达不到质量要求。
四、焊缝尺寸表达的常见方法1. 直接标注这是最直观的方法啦。
就像在图纸上直接写上焊缝的长度是多少厘米,宽度是多少毫米之类的。
这种方法简单明了,一眼就能看明白。
2. 符号表示就像我们数学里有各种符号一样,焊接领域也有自己的符号系统。
通过一些特定的符号来表示焊缝的尺寸、形状等信息。
不过这就需要我们学习和记住这些符号的含义啦,就像背单词一样。
五、如何准确地进行焊缝尺寸表达首先,我们得熟悉焊接的工艺和要求。
不同的焊接工艺对焊缝尺寸的要求可能不一样。
然后呢,我们要使用合适的测量工具。
创作编号:GB8878185555334563BT9125XW创作者:凤呜大王*焊缝形式及坡口尺寸在图纸上是怎样表示的焊缝形式及坡口尺寸在图纸上一般采用技术制图的方法表示。
为了简化焊缝在图样上的表示方法,现采用国家标准规定的焊缝符号及坡口尺寸的表示方法。
焊接符号由哪几部分组成焊接符号一般是由基本符号和指引线组成,必要时还可以加上辅助符号、补充符号和焊缝尺寸符号。
焊缝形式及坡口尺寸在图纸上是怎样表示的焊缝形式及坡口尺寸在图纸上一般采用技术制图的方法表示。
为了简化焊缝在图样上的表示方法,现采用国家标准规定的焊缝符号及坡口尺寸的表示方法。
表示焊缝的基本符号有哪些焊缝基本符号是表示焊缝截面形状的符号,它采用近似于焊缝横剖面形状的符号来表示。
GB324-1988中规定了13种焊缝形式的符号,见表2-2。
点击下载焊接符号说明大全(excel表格详细讲解)焊接加工符号的国家标准有哪些焊接符号的国家标准主要有两个:(1) GB324一2008《焊缝代号》。
(2) GB985-1988《手工电弧焊焊接接头的基本形式与尺寸》。
表示焊缝的辅助符号有哪些辅助符号表示焊缝表面形状特征的符号,见表2-3。
不需要确切地说明焊缝的表面形状时,可以不用辅助符号。
表示焊缝的补充符号有哪些补充符号是为了补充说明焊缝的某些特征而采用的符号,见表2-4。
表示焊缝的尺寸符号有哪些焊缝的尺寸符号见表2-5。
焊接符号标注中的指引线指引线是表示指引焊缝位置的符号。
由带箭头的指引线和两条基准线(一条为实线,另一条为虚线)组成。
指引线指向有关焊缝处,基准线一般应为水平线。
焊缝符号及尺寸标注在基准线上,必要时基准线末端加一尾部,作其它说明用(如焊接方法等),如图3-18所示。
焊接符号标注方法完整的焊缝表示方法应包括上述基本符号、辅助符号、补充符号,以及指引线、一些尺寸符号和数据等。
标注箭头线时,可指向焊缝或不指向焊缝,如图3-19所示。
基准线的虚线可在基准线的实线上侧或下侧,当焊缝在接头的箭头侧,则基本符号标在基准线的实线侧,如果焊缝在接头非箭头侧,则将基本符号标在基准线的虚线侧。
钢结构焊缝尺寸要求钢结构是现代建筑中常见的一种结构形式,而焊缝则是连接钢构件的重要部分。
正确的焊缝尺寸要求对于钢结构的安全和稳定性至关重要。
本文将介绍钢结构焊缝尺寸要求的相关知识。
一、焊缝尺寸的定义焊缝尺寸是指焊接后的焊缝的尺寸大小。
焊缝尺寸的大小直接影响焊接接头的强度和稳定性。
通常来说,焊缝尺寸由焊缝的宽度、高度和几何形状等因素决定。
二、焊缝尺寸的要求1. 焊缝宽度焊缝宽度是指焊缝在焊接接头表面上的宽度。
一般情况下,焊缝宽度应符合设计要求,不得小于规定的最小宽度。
同时,焊缝宽度应保持一致,不得出现明显的狭窄或宽度不均匀的情况。
2. 焊缝高度焊缝高度是指焊缝在焊接接头表面上的高度。
焊缝高度应符合设计要求,通常要求焊缝的高度不得小于焊缝的宽度。
同时,焊缝的高度应保持一致,不得出现明显的高低不平或高度不均匀的情况。
3. 焊缝几何形状焊缝的几何形状对于焊接接头的强度和稳定性有重要影响。
常见的焊缝形状包括直角焊缝、V型焊缝、U型焊缝等。
不同的焊缝形状适用于不同的焊接接头,根据设计要求选择合适的焊缝形状非常重要。
4. 焊缝坡口形状焊缝坡口形状是指焊接接头两侧的金属材料在焊接前加工成的形状。
常见的焊缝坡口形状包括V型坡口、U型坡口、X型坡口等。
不同的焊接接头需要采用不同的焊缝坡口形状,以保证焊接接头的强度和稳定性。
5. 焊缝尺寸公差焊缝尺寸的公差是指焊缝尺寸允许的偏差范围。
焊缝尺寸公差应符合设计要求,通常要求焊缝尺寸的公差不得超过规定的范围。
同时,焊缝尺寸的公差应保持一致,不得出现明显的偏差或公差不均匀的情况。
三、焊缝尺寸的检验方法为了保证焊接接头的质量,焊缝尺寸应进行检验。
常见的焊缝尺寸检验方法包括目视检验、测量检验和无损检验等。
目视检验是最常用的检验方法,通过肉眼观察焊缝的尺寸和形状来判断是否符合要求。
测量检验则使用测量工具来准确测量焊缝的尺寸。
无损检验则通过无损检测设备对焊缝进行检测,以确定焊缝的质量和尺寸是否符合要求。
焊缝形式及坡口尺寸在图纸上是怎样表示的焊缝形式及坡口尺寸在图纸上一般采用技术制图的方法表示。
为了简化焊缝在图样上的表示方法,现采用国家标准规定的焊缝符号及坡口尺寸的表示方法。
焊接符号由哪几部分组成焊接符号一般是由基本符号和指引线组成,必要时还可以加上辅助符号、补充符号和焊缝尺寸符号。
焊缝形式及坡口尺寸在图纸上是怎样表示的焊缝形式及坡口尺寸在图纸上一般采用技术制图的方法表示。
为了简化焊缝在图样上的表示方法,现采用国家标准规定的焊缝符号及坡口尺寸的表示方法。
表示焊缝的基本符号有哪些焊缝基本符号是表示焊缝截面形状的符号,它采用近似于焊缝横剖面形状的符号来表示。
GB324-1988中规定了13种焊缝形式的符号,见表2-2。
点击下载焊接符号说明大全(excel表格详细讲解)焊接加工符号的国家标准有哪些焊接符号的国家标准主要有两个:(1) GB324一2008《焊缝代号》。
(2) GB985-1988《手工电弧焊焊接接头的基本形式与尺寸》。
表示焊缝的辅助符号有哪些辅助符号表示焊缝表面形状特征的符号,见表2-3。
不需要确切地说明焊缝的表面形状时,可以不用辅助符号。
表示焊缝的补充符号有哪些补充符号是为了补充说明焊缝的某些特征而采用的符号,见表2-4。
表示焊缝的尺寸符号有哪些焊缝的尺寸符号见表2-5。
焊接符号标注中的指引线指引线是表示指引焊缝位置的符号。
由带箭头的指引线和两条基准线(一条为实线,另一条为虚线)组成。
指引线指向有关焊缝处,基准线一般应为水平线。
焊缝符号及尺寸标注在基准线上,必要时基准线末端加一尾部,作其它说明用(如焊接方法等),如图3-18所示。
焊接符号标注方法完整的焊缝表示方法应包括上述基本符号、辅助符号、补充符号,以及指引线、一些尺寸符号和数据等。
标注箭头线时,可指向焊缝或不指向焊缝,如图3-19所示。
基准线的虚线可在基准线的实线上侧或下侧,当焊缝在接头的箭头侧,则基本符号标在基准线的实线侧,如果焊缝在接头非箭头侧,则将基本符号标在基准线的虚线侧。
焊接焊缝要求标准
焊接焊缝的要求标准主要包括以下方面:
1. 尺寸要求:焊缝的尺寸应符合设计要求,包括焊缝的宽度、高度和长度等。
2. 形状要求:焊缝的形状应符合设计要求,如直线焊缝、曲线焊缝、角焊缝等。
3. 准确性要求:焊缝的位置和形状应准确无误,不能有偏差或错位。
4. 焊缝外观要求:焊缝表面应平整、光洁,无气孔、夹杂物、裂纹等缺陷,并且颜色应与母材一致。
5. 焊缝的力学性能要求:焊缝的强度、韧性、硬度等力学性能应符合设计和规范要求。
6. 焊工技能要求:焊工应具备相应的焊接技能和经验,能够按照要求进行正确的焊接操作。
7. 检验要求:焊缝应经过非破坏性检验或破坏性检验来验证其质量,以确保焊接的可靠性。
这些要求标准在不同的行业和国际或国内规范中可能有所不同,所以在实际应用中应根据具体情况确定适用的标准。
t型接头对接焊缝和角焊缝形状尺寸
T型接头对接焊缝的形状尺寸包括:
1. 有效焊缝长度(L):T型接头的有效焊缝长度是指在焊缝中,不包括任何间隙或裂缝的部分。
其长度通常由设计要求或标准规定。
2. 孔径(C):T型接头中的孔径是指与母材相连的延伸部分即呈T 字形的部分的宽度。
3. 象限角(θ):T型接头的象限角是指两个焊缝的夹角,也可以是与Y 轴或Z 轴的夹角。
4. 深度(D):T型接头的深度是指从接头的顶部到焊缝的底部的距离。
角焊缝的形状尺寸包括:
1. 有效焊缝长度(L):角焊缝的有效焊缝长度是指在焊缝中,不包括任何间隙或裂缝的部分。
其长度通常由设计要求或标准规定。
2. 长轴(a):角焊缝的长轴是指焊缝的最长宽度。
3. 短轴(b):角焊缝的短轴是指焊缝的最短宽度。
4. 角度(α):角焊缝的角度是指焊缝两边的夹角。
该夹角通常由设计要求或标准规定。
这些形状尺寸可以根据具体要求和标准来调整。
在实际工程中,需要根据材料、焊接方法和接头要求等因素进行设计和确定。
焊缝坡口的基本形式与尺寸根据设计或工艺需要,将焊件的待焊部位加工成一定几何形状的沟槽称为坡口。
开坡口的目的是为了得到在焊件厚度上全部焊透的焊缝。
(一)坡口形式坡口的形式由 GB985—88《气焊、手工电弧焊及气体保护焊焊缝坡口的基本形式与尺寸》、GB986—88《埋弧焊焊缝坡口的基本形式及尺寸》标准制定的:根据坡口的形状,坡口分成I形(不开坡口)、V形、Y形、双Y形、U形、双U 形、单边V形、双单边Y形、J形等各种坡口形式。
V形和Y形坡口的加工和施焊方便(不必翻转焊件),但焊后容易产生角变形。
双Y形坡口是在V形坡口的基础上发展的。
当焊件厚度增大时,采用双Y 形代替V形坡口,在同样厚度下,可减少焊缝金属量约1/2,并且可对称施焊,焊后的残余变形较小。
缺点是焊接过程中要翻转焊件,在筒形焊件的内部施焊,使劳动条件变差。
U形坡口的填充金属量在焊件厚度相同的条件下比V形坡口小得多,但这种坡口的加工较复杂。
(二)坡口的几何尺寸(1)坡口面:待焊件上的坡口表面叫坡口面。
(2)坡口面角度和坡口角度:待加工坡口的端面与坡口面之间的夹角叫坡口面角度,两坡口面之间的夹角叫坡口角度,见图1—5。
开单面坡口时,坡口角度等于坡口面角度;开双面对称坡口时,坡口角度等于两倍的坡口面角度。
坡口角度(或坡口面角度)应保证焊条能自由伸入坡口内部,不和两侧坡口面相碰,但角度太大将会消耗太多的填充材料,并降低劳动生产率。
(3)根部间隙:焊前在接头根部之间预留的空隙叫根部间隙,见图1—5。
根部间隙又叫装配间隙。
根部间隙的作用在于焊接底层焊道时,能保证根部可以焊透。
因此,根部间隙太小时,将在根部产生焊不透现象;但太大的根部间隙,又会使根部烧穿,形成焊瘤。
(4)钝边:焊件开坡口时,沿焊件接头坡口根部的端面直边部分叫钝边,见图1—5。
钝边的作用是防止根部烧穿。
但钝边值太大,又会使根部焊不透。
(5)根部半径:在J形、U形坡口底部的圆角半径叫根部半径(见图1—5)。
各种焊缝坡口形式和尺寸大全1 焊缝坡口焊缝坡口即焊缝和材料表面间的引出角,可以去除滋生在焊缝内部有害介质。
适当的焊缝坡口有利于外表面质量与提高焊接强度。
1.1 九种不同焊缝坡口形式1.等宽坡口:就是两个斜面的角度相等的坡口,其斜面成直角。
2.两圆弧坡口:一端连接焊缝,另一端与材料原始表层成直角,其中一端有圆弧曲线,但其角度不同。
3.对锥坡口:两斜面的锥角不等,锥角大的斜面面向焊缝尾端,一般用于两种不同金属板材的联接时,如钢、铝;4.V型坡口:V型坡口是在正常V型坡口上,将其一部分变形为等宽坡口,或者一部分变形为对锥坡口,以此来改变坡口深度。
5.U型坡口:与V型坡口类似,但护角位置比V型坡口更靠近焊缝尾部,是为了更好的保护作用;6.J型坡口:正常的J形坡口斜面在正面观察时可见到J形,也就是上面是圆弧形,下面是直线形,焊接时在焊缝尾底部有一个护角;7.梯形V型坡口:它的坡口斜面由两段组成,一段是锥角小的等宽坡口,一段是锥角大的V型坡口,一般用于厚板。
8.厚板V型坡口:它有两个斜面,并且两个斜面形成一定角度,斜面前面有一定宽度护体,用于厚板;9.弧形坡口:坡口斜面由一段弧形组成,也是专用于厚板的,两端的弧形通常是90度,但是也可以改变角度。
1.2 焊缝坡口尺寸1.焊缝坡口尺寸有等宽尺寸和锥角尺寸两种,等宽尺寸表示两斜面角度相同,焊缝尺寸只需要用一个数字表示;而锥角尺寸则需要两个数字来表示,第一个数字表示较小斜面的角度,第二个数字表示较大斜面的角度。
2.焊缝坡口尺寸一般设置在2度-22.5度之间,根据材料、应力和热影响等因素,可选取合适的焊缝坡口尺寸。
3.焊缝坡口的深度一般小于焊缝的厚度,焊接工艺要求,一般深度应不小于0.5mm;且坡口深度过深,也会导致强度不佳,甚至损害焊接质量,所以要控制好深度。
目前而言,选取合适的焊缝坡口不仅有利于提升焊接性能,也有利于外表面质量与提高焊接强度,从而达到更有效率,更结实稳固的焊接效果。
焊缝形式及检验(一)焊缝形式焊缝按不同分类方法可分为下列几种形式:(1)根据GB/T 3375—94的规定,按焊缝结合形式,分为对接焊缝、角焊缝、塞焊缝、槽焊缝和端接焊缝五种:1)对接焊缝:在焊件的坡口面间或一零件的坡口面与另一零件表面间焊接的焊缝,2)角焊缝:沿两直交或近直交零件的交线所焊接的焊缝。
3)端接焊缝:构成端接接头所形成的焊缝。
4)塞焊缝:两零件相叠,其中一块开圆孔,在圆孔中焊接两板所形成的焊缝,只在孔内焊角焊缝者不称塞焊。
5)槽焊缝:两板相叠,其中一块开长孔,在长孔中焊接两板的焊缝,只焊角焊缝者不称槽焊。
(2)按施焊时焊缝在空间所处位置分为平焊缝、立焊缝、横焊缝及仰焊缝四种形式。
(3)按焊缝断续情况分为连续焊缝和断续焊缝两种形式。
断续焊缝又分为交错式和并列式两种(图1—16),焊缝尺寸除注明焊脚K外,还注明断续焊缝中每一段焊缝的长度l和间距e,并以符号“Z”表示交错式焊缝。
图1—16 断续角焊缝(a)交错式(b)并列式(4)焊接方法(二)焊缝的形状尺寸焊缝的形状用一系列几何尺寸来表示,不同形式的焊缝,其形状参数也不一样。
熔焊接头的组成经熔焊所形成的各种接头都是由焊缝、熔合区、热影响区及其邻近的母材组成,见下图。
(1)焊缝(2)熔合线(3)热影响区(4)母材焊缝起着连接金属和传递力的作用,它是焊接过程中由填充金属和部分母材熔合后疑固而成,其性能决定于两者熔合后成分和组织。
热影响区是母材受焊接热的影响(但未熔化)而发生金相组织和力学性能变化的区域。
焊后热影响区上有可能产生脆化、硬化和软化的不利现象。
焊缝各部分名称1.焊缝宽度焊缝表面与母材的交界处叫焊趾。
焊缝表面两焊趾之间的距离叫焊缝宽度,如图1—17。
图1—17焊缝宽度2.余高超出母材表面焊趾连线上面的那部分焊缝金属的最大高度叫余高,见图1—18。
在静载下它有一定的加强作用,所以它又叫加强高。
但在动载或交变载荷下,它非但不起加强作用,反而因焊趾处应力集中易于促使脆断。
名称编号FYZG-JSB-04页码一、目的:指导焊工和质验员作业,明确焊缝外观及尺寸要求,确保焊接质量。
二、引用标准:焊接工艺规程、焊接作业指导书。
三、适用范围:适用于筒体、法兰及附件的所有部位焊接、检验。
四、焊接标准:焊缝外观、尺寸要求工序检查项目尺寸要求*允许偏差筒体的焊接 (包含纵向焊接和环向焊接)焊缝宽度、高度1.内、外焊缝宽度W 要求:板材厚度(mm) 内、外焊缝宽度W (mm ) δ6 16±1 δ717±1 δ8、δ10、δ12 18±1 δ15、δ1620±1若为手工TIG 焊接,内外焊缝宽度公差按±2mm; 2.内、外焊缝余高H:(0.5-2)mm;若为手工TIG 焊接,内、外焊缝余高最高不能超过2.5mm ;焊缝凸凹、波纹间距、焊波高度 1.任意长300mm 范围内,焊缝高度差hmax-hmin ≦1mm ;2.焊缝波纹间距应保持2~3mm 之间,且均匀一致;3.焊缝焊波高度h 应≦0.5mm ;注:若为手工TIG 焊接,焊缝高度差为2mm ;焊波高度为1mm 内,波纹间距2~3mm 。
焊缝宽度差、直线度1.任意长300mm 范围内,焊缝宽度差Wmax-Wmin ≦1mm ;2.任意长300mm 范围内,焊缝边缘直线度≦2mm ; 注:若为手工TIG 焊接,焊缝宽度差为2mm;焊缝边缘直线度2mm;名称编号FYZG-JSB-04页码工序 检查项目注意事项*允许偏差筒体焊接焊缝错边(错缝)1.纵焊缝错边(焊缝两侧母材高度差)≦1mm2.环缝错边(焊缝两侧母材高度差)≦1.5mm3.不管是筒体纵焊缝、还是筒体对接环焊缝,内外焊缝中心的错边≦2mm 。
主法兰或支法兰的焊接角焊接.不管是外部焊接还是内部焊接,角环焊缝要求成形至平面状或凹心状,但凹心≦1mm ; 角焊接的焊脚公差:焊脚尺寸图纸有要求时,按图纸要求做;若无要求,按(0.7~1)t(t 为较薄一侧板厚)。
焊缝形式及形状尺⼨焊缝形式及检验(⼀)焊缝形式焊缝按不同分类⽅法可分为下列⼏种形式:(1)根据GB/T 3375—94的规定,按焊缝结合形式,分为对接焊缝、⾓焊缝、塞焊缝、槽焊缝和端接焊缝五种:1)对接焊缝:在焊件的坡⼝⾯间或⼀零件的坡⼝⾯与另⼀零件表⾯间焊接的焊缝,2)⾓焊缝:沿两直交或近直交零件的交线所焊接的焊缝。
3)端接焊缝:构成端接接头所形成的焊缝。
4)塞焊缝:两零件相叠,其中⼀块开圆孔,在圆孔中焊接两板所形成的焊缝,只在孔内焊⾓焊缝者不称塞焊。
5)槽焊缝:两板相叠,其中⼀块开长孔,在长孔中焊接两板的焊缝,只焊⾓焊缝者不称槽焊。
(2)按施焊时焊缝在空间所处位置分为平焊缝、⽴焊缝、横焊缝及仰焊缝四种形式。
(3)按焊缝断续情况分为连续焊缝和断续焊缝两种形式。
断续焊缝⼜分为交错式和并列式两种(图1—16),焊缝尺⼨除注明焊脚K外,还注明断续焊缝中每⼀段焊缝的长度l和间距e,并以符号“Z”表⽰交错式焊缝。
图1—16 断续⾓焊缝(a)交错式 (b)并列式(4)焊接⽅法(⼆)焊缝的形状尺⼨焊缝的形状⽤⼀系列⼏何尺⼨来表⽰,不同形式的焊缝,其形状参数也不⼀样。
熔焊接头的组成经熔焊所形成的各种接头都是由焊缝、熔合区、热影响区及其邻近的母材组成,见下图。
(1)焊缝(2)熔合线(3)热影响区(4)母材焊缝起着连接⾦属和传递⼒的作⽤,它是焊接过程中由填充⾦属和部分母材熔合后疑固⽽成,其性能决定于两者熔合后成分和组织。
热影响区是母材受焊接热的影响(但未熔化)⽽发⽣⾦相组织和⼒学性能变化的区域。
焊后热影响区上有可能产⽣脆化、硬化和软化的不利现象。
焊缝各部分名称1.焊缝宽度焊缝表⾯与母材的交界处叫焊趾。
焊缝表⾯两焊趾之间的距离叫焊缝宽度,如图1—17。
图1—17焊缝宽度2.余⾼超出母材表⾯焊趾连线上⾯的那部分焊缝⾦属的最⼤⾼度叫余⾼,见图1—18。
在静载下它有⼀定的加强作⽤,所以它⼜叫加强⾼。
但在动载或交变载荷下,它⾮但不起加强作⽤,反⽽因焊趾处应⼒集中易于促使脆断。
激光焊标准一、术语和定义激光焊:使用激光作为热源的焊接方法,具有较高的能量密度和较快的冷却速度,可实现高精度、高质量的焊接。
二、焊缝形状和尺寸要求1.焊缝形状:激光焊接的焊缝形状应符合设计要求,一般采用直线、V形、U形等常见形状。
2.焊缝尺寸:焊缝尺寸应符合以下要求:a)焊缝宽度:焊缝宽度应控制在合适的范围内,过宽或过窄都会影响焊接质量和外观。
b)焊缝高度:焊缝高度应控制在设计要求的范围内,过高或过低都会影响焊接接头的承载能力。
c)熔深:激光焊接的熔深应达到设计要求,以保证焊接接头的强度和稳定性。
三、材料选择和质量要求1.材料选择:激光焊接的材料选择应根据具体的应用需求和设计要求来确定,一般包括金属材料和非金属材料。
金属材料包括钢材、铝合金、铜合金等,非金属材料包括塑料、陶瓷、玻璃等。
2.材料质量要求:材料的采购和加工应符合相应的标准和规范,确保材料的质量和稳定性。
此外,材料应具有较好的激光吸收率和较高的热导率,以提高激光焊接的质量和效率。
四、操作规程和安全要求1.操作规程:激光焊接的操作规程应包括以下内容:a)操作人员应经过专业的培训和考核,具备相应的技能和知识。
b)操作前应对设备进行检查和维护,确保设备处于良好的工作状态。
c)操作时应严格按照设计要求进行参数设置和调整,确保焊接质量和效率。
d)操作后应对设备进行清洁和维护,保证设备的正常运行和使用寿命。
2.安全要求:激光焊接的安全要求应包括以下内容:a)操作人员应佩戴专业的防护眼镜和防护服,防止激光辐射对眼睛和皮肤的伤害。
b)操作时应保持室内通风良好,避免吸入有害气体和粉尘。
c)操作后应对设备进行安全检查和维护,确保设备的安全性和稳定性。