多国风荷载规范整理
- 格式:pdf
- 大小:1.15 MB
- 文档页数:5
加拿大风荷载规范1,本条规定了围护结构的风荷载标准值,其制订依据及说明如下所述。
1,外压。
内压与净压。
在来流湍流和建筑湍流。
或称为特征湍流,的共同作用下。
建筑物外表面形成随时间,空间不断脉动变化的风压力或风吸力,围护结构外表面承受的最大风压力和最大风吸力统称为风荷载最值。
其中,风吸力垂直于屋盖外表面并且方向背离屋盖表面。
采用负值表示风吸力,最大风吸力即风荷载最小值。
风压力垂直于屋盖外表面并且方向指向屋盖表面,采用正值表示,最大风压力即风荷载最大值,外表面风荷载最值需要进行概率分析。
以最值发生概率的分位数作为其估计值。
另一方面。
对于封闭式建筑物或半开敞式建筑物。
气流通过孔隙。
洞口进入或流出室内,室内形成风压力或风吸力,其波动幅度相对较小,通常将室内风压看作常数,根据风洞试验结果确定内压,室内风压力的方向指向室内屋盖。
墙面。
采用正值表示。
室内风吸力的方向背离室内屋盖。
墙面。
采用负值表示。
在美国,加拿大,日本。
澳大利亚。
英国。
欧洲等国家,地区的风荷载规范中。
均采用了外表面风压最值与内压之差表达封闭式,半开敞式建筑物围护结构的风荷载,现行国家标准,建筑结构荷载规范,GB。
50009规定了围护结构外表面风荷载标准值的计算公式,亦规定了围护结构的内压系数。
借鉴国内外标准的相关规定。
综合考虑围护结构外表面。
内表面的风荷载作用,本标准将封闭式房屋屋盖围护结构的风荷载表示为外表面风压最值与内压之差的形式,对于开敞式建筑物,应根据围护结构表面的净风压,进行极值的概率分析和估计,确定开敞式建筑物围护结构风压最值,本标准采用外表面净风压表达开敞式建筑物围护结构的风荷载。
此时不考虑内压。
2。
平均速压与阵风速压。
在国外荷载标准的风荷载条文规定中。
参考速压采用平均速压或者阵风速压,其中平均速压时距为10min或者1h,阵风速压的时距为3s。
对于围护结构风荷载。
外表面风压最值表达为风压系数最值与平均速压或阵风速压之积的形式,内压表达为内压系数与平均速压或阵风速压之积的形式,加拿大。
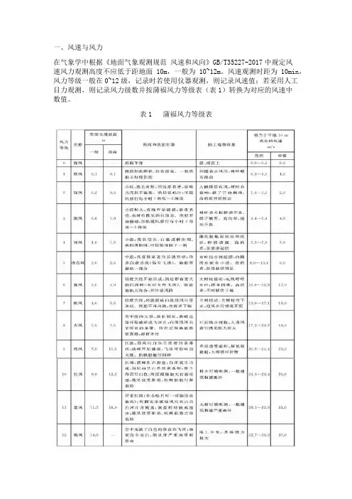
一、风速与风力在气象学中根据《地面气象观测规范风速和风向》GB/T35227-2017中规定风速风力观测高度不应低于距地面10m,一般为10~12m。
风速观测时距为10min,风力等级一般在0~12级,记录时若使用仪器观测,则记录风速值;若采用人工目力观测,则记录风力级数并按蒲福风力等级表(表1)转换为对应的风速中数值。
表1 蒲福风力等级表二、基本风压与基本风速在土木工程设计中风荷载采用基本风压作为直接设计依据,而基本风压主要由基本风速确定,由《建筑结构荷载规范》中可知,基本风压计算公式根据的是经典的贝努利公式式中:ω0为基本风压,N/m²;ρ为空气密度,kg/m³;ν0为基本风速,m/s。
基本风速则为当地空旷平坦地面(规范中地面粗糙程度B类)上10m高度处50年一遇10min内的平均最大风速。
可见,气象学规范中对风速风力的规定主要考虑时距、测量方式等因素,而土木工程设计规范对基本风速的规定中还包括地面粗糙度类别,重现期等因素。
并且,各国在进行土木工程设计时,由于地形、气候等影响,其规范对基本风速的规定也不尽相同。
由基本风速的定义可知,基本风速主要涉及到以下几个要素:标准高度、时距、重现期及地面粗糙度类别。
下面从这几个方面对基本风速进行分析。
01标准高度在同一个地点 ,风速随高度而变化 ,越靠近地面 ,风速越小,离地越高 ,风速越大。
因此,标准高度的取值对基本风速有很大的影响。
各国规范中基本风速标准高度的取值见表2。
表2 各国规范中基本风速标准高度表02时距时距是确定基本风速的时间间隔,基本风速是规定时距内的平均风速,其数值与时距的取值有很大关系,不同的时距取值可以得到不同的基本风速。
表3列出了各国规范基本风速的时距取值。
表3 各国基本风速时距取值表基本风速不同。
目前不同时距间的基本风速换算主要依据美国标准ASCE 7-10规范(下图),利用t s的平均最大风速与1h平均风速之比曲线对不同时距的风速进行换算。
国内外规范在结构风荷载计算中的异同研究摘要:我国在建筑工程的设计和建设过程中,经过长时间的实践和积累,在风荷载的取值和计算方面积累了丰富的经验。
随着一带一路的建设和对国际市场的开拓中,海外建设的工程项目越来越多,并且不同国家的荷载规范存在差异,尤其风荷载差异明显,需要对国外荷载规范进行更加深入的了解。
通过介绍美国标准与我国现行规范在风速的取值、风荷载的计算等方面的异同点,便于进行结构风荷载的对比分析,为结构工程风荷载设计提供可靠的依据。
关键词:美标、基本风压、风荷载、设计基准期、基本风压近些年来,随着全球经济的高速发展,越来越多的国内优秀设计企业开始走出国门,拓展海外市场。
对于涉外项目的设计而言,设计规范的确定显得尤为重要。
有些项目可以直接按照中国规范来进行设计,有些项目则必须按照美国规范或欧洲规范进行设计,此时国外的设计规范、标准显得尤为重要。
虽然各国规范在结构设计的基本原理上大体一致,但各国在荷载规范的风荷载规定和解读上差异性较大,风速统计方法和荷载重现期也有所不同,所以按照不同国家的荷载规范进行风荷载设计,往往会得到不同的设计结果。
本文就中美荷载规范的风荷载部分进行简要的对比。
1荷载规范美国的最小设计荷载规范(ASCE 7-10)的前身是1980年版的美国国家标准A58(ANSI A58.1-1980 D)。
其所规定的最小荷载取值、组合系数和荷载组合均采用了以概率理论为基础的结构极限状态设计方法,综合材料、极限状态、荷载、结构类型等因素,并在统计数据分析的基础上,考虑一定的目标可靠度指标而得出。
中国的建筑结构最小荷载以及组合等是借鉴了国际标准ISO 2394:1998《结构可靠度总原则》,在统计的基础上给出。
采用了与美国标准不完全一样的极限状态设计模式和目标可靠度值。
本文将结合中国的国家标准《建筑结构荷载规范》GB 50009-2012(以下简称GB50009)与美国荷载规范《建筑或其他结构最小设计荷载》ASCE 7-10(以下简称ASCE 7),对中美建筑结构的最小荷载进行对比研究。
国内外输电线路设计规范风荷载比较一、国内风荷载设计规范1.风速:国内规范根据线路的海拔高度、地形和气象条件等因素,将设计风速划分为几个等级,比如10米高度处的年平均风速分为11级、14级和16级。
2.风压力:国内规范中,针对不同高度的结构物,计算风压力时会考虑结构物的尺寸、形状和风向等因素,并基于标准大气压力和设计风速。
3.横向风荷载:国内规范规定了不同类型输电线路横向风荷载的计算方法,主要考虑了线路的几何形状、导线的间距和风向等因素。
二、国际风荷载设计规范国际上常用的风荷载设计规范包括美国的ASCE7和欧洲的EN1991-1-4、以下是其与国内规范的比较:1.风速:国际规范通常采用设计风速,而不是将设计风速划分为多个等级。
设计风速的选择一般基于研究和经验,考虑线路所在地区的气候条件和地形等因素。
2.风压力:国际规范中,计算风压力时会考虑更多因素,如结构物的尺寸、形状、引起风阻力的表面积、边界层效应等。
3.横向风荷载:国际规范中也有横向风荷载的计算方法,但通常会考虑更多因素,如线路的几何形状、导线的间距、风向和其他结构物对风场的影响等。
三、比较分析1.风速选择:国内规范将设计风速划分为几个等级,相对较粗略;国际规范更加细致,通常采用设计风速,考虑了更多因素。
2.风压力计算:国际规范中的风压力计算方法更加详细和准确,考虑了结构物的更多因素,能够更好地反映实际情况。
3.横向风荷载:国际规范中对横向风荷载的计算方法更加全面,考虑了更多因素,可以提供更准确的风荷载分析结果。
综上所述,国内外对输电线路设计规范风荷载的考虑存在一定的差异。
国际规范更加详细和准确,考虑了更多因素,可以提供更准确的风荷载分析结果。
在实际应用中,设计人员应根据具体情况选择合适的设计规范,以确保输电线路的安全和可靠性。
国内外输电线路设计规范风荷载比较-CAL-FENGHAI-(2020YEAR-YICAI)_JINGBIAN国内外输电线路设计规范风荷载比较2012年第2期华中电力第25卷徐彬,冯衡,曾德森(中南电力设计院,武汉430071)摘要:面对越来越多的国外工程设计的需求,了解、熟悉并掌握国外规范与国内规范的异同,对于在国外工程中更好地采用国外规范进行设计是很有必要的。
从实际工程出发,选取国外三本主流输电线路设计规范,与我国规范GB50545-2010的风荷载计算进行分析和比较。
结果表明,国内外规范在风荷载重现期、平均时距、风载体型系数、考虑动力特性的系数以及线条和杆塔风荷载计算值上都有差别。
所得结论可供工程设计人员参考。
关键词:国内外规范;输电线路;风荷载;比较中图分类号:TM75文献标志码:A文章编号:1006-6519(2012)02-0076-06ComparationonWindLoadDesignCodesofTransmissionLineatHomeandAbroadXUBin,FENGHeng,ZENGDe-sen(CentralSouthernChinaElectricPowerDesignInstitute,Wuhan430071,China)Abstract:Asincreasingmarketofdesigningoverseaproject,,,averagewindspeedti meinterval,dragcoefficient,gustfactor,calculatedwindloadonthewireandt owerinthecodesathomeandabroad.Keywords:foreigncodes;transmissionline;windload;comparison 0引言下简称美国规范)[3]和欧盟输电线路设计规范EN50341-1:2001(以下简称欧盟规范)[4]。
中美规范关于风荷载计算的差异与转换方法风荷载是建筑设计中非常重要的一个考虑因素,它对建筑物的结构稳定性和安全性有着直接的影响。
中美两国在建筑设计规范中对于风荷载计算有一些差异和不同的方法。
一、规范差异2.风速确定:在风速的确定上,中美两国采用的方法略有差异。
中国规范中,风速按地理位置进行划分,采用所在地的基本风速,然后进行修正,考虑高度、地形和建筑物的特性等因素。
而美国规范中则采用基本风速与风速加成相结合的方法,将地理位置、高度、地形和建筑物特性等因素进行考虑。
3.风荷载系数:中美两国对于风荷载的计算方法有一些差异。
中国规范中,将建筑物分类为不同的结构类型,每种结构类型有相应的风荷载系数。
而美国规范中则采用不同的方法,将建筑物按照不同的风荷载级别进行划分,每个级别有相应的风荷载系数。
4.结构风荷载:对于结构组件的风荷载计算,中美两国也有一些不同之处。
中国规范中,对于结构构件的风荷载计算,采用了不同的方法,如正压系数和负压系数进行计算。
而美国规范中,则采用了风荷载分布图和相关系数进行计算。
二、转换方法由于中美两国规范的差异,可能需要将设计或计算结果在两种规范之间进行转换。
以下是一些常用的转换方法:1.风速转换:中美两国的风速计量单位不同,需要进行转换。
通常情况下,中国规范中的风速单位为米/秒,而美国规范中的风速单位为英尺/秒。
转换公式为1米/秒=3.28英尺/秒。
2.风荷载系数转换:由于中美两国的风荷载系数计算方法不同,可能需要进行系数的转换。
这涉及到对应关系的确定和转换公式的使用。
3.结构风荷载转换:在进行结构组件风荷载计算时,需要将中美两国规范中的方法进行对应转换。
这可能包括正负压系数的转换、风荷载分布图的转换等。
4.风荷载级别转换:在进行建筑物风荷载级别的划分时,可能需要将中美两国的风荷载级别进行对应转换。
这需要对各个级别的风荷载系数进行比较和调整。
以上仅是一些常用的转换方法,实际应用中可能还需要考虑一些其他因素。
中美规范关于风荷载计算的差异与转换方法一、中美规范中各自采用的时距和重现期,见表 1。
二、美国规范中最大里程风速f 与相应时距美国UBC (MBMA )规范中提供的风力资料为开阔地形上离地10m 的最大里程风速。
记录时距为水平长度1英里的某一体积空气通过风速计所需的时间。
由此可得到:ft ν/3600= (1)其中t 的单位为s ,f ν的单位为mph 。
由式(1)可建立不同最大里程风速值与其时距的对应关系,见表 2。
三、 美国最大里程风速f与中国的基本风速0在t 时间内所取的平均风速与一小时内所取的平均风速的关系为:)/ln(/)(4.01/03600z z t c t βνν+=(2)其中:f ν为时距t 秒内的平均风速;3600ν为一小时内的平均风速;z 为高度;z 0为地面粗糙长度;β为与地面粗糙长度z 0相关的系数;c(t)为由时距决定的系数,其取值见表 3。
0)(1849.01/3600t c t +=νν(3)中国的基本风速的记录时距为600s ,从表 3查得c(t) = 0.36,代入式(3)得:067,1/36000=νν(4)对于美国规范,将不同的时距对应的c(t) 代入式(3),求出3600/ννt 值,然后除以1.067,即可得最大里程风速与中国基本风速的比值,见表 4。
0/ννf四、中国基本风压 0w与美国风速usa f 间的转换关系由中国基本风压与风速的基本关系式:1600/200v w =得040w v = (m/s ) 或5.89w (mph ) (5)中国基本风压w 与美国风速usaf ν间的关系为:0)5.89()/(w v v f f usa⨯⨯=ν (mph )(6)美国基本风压usaw 与风速的关系为:204788.000256.0usaf usa v w ⨯= (kN/m 2)(7)综合表 2、表 4和式(6)、式(7)可得表 5。
0wusaw usaf ν例如:已知中国风压0w = 0.60 kN/m 2,求美国风速usaf ν=?。
中国与印度规范风荷载对比作者:崔烨,孙晓红来源:《科技资讯》 2011年第15期崔烨1 孙晓红2(1.国核电力规划设计研究院北京 100094; 2.山东电力工程咨询院有限公司济南250013)摘要:随着国外项目工程的增加,了解国外规范与中国规范的差异对工程设计是有必要的。
本文论述了印度风荷载规范IS:875(part 3)-1987与中国《建筑结构荷载规范GB 50009-2001》风荷载计算的差异,为以后工程设计提供参考。
关键词:风荷载风速对比中图分类号:TU2 文献标识码:A 文章编号:1672-3791(2011)05(c)-0078-03最近,我院所做的几个印度工程允许按中国规范进行结构设计,但业主所提供的风荷载是按印度规范提出的,且由于两国规范对风荷载的定义不同,对工程设计中风荷载的取值存在争议,因此了解印度规范与中国规范关于风荷载计算的差异是有必要的。
印度风荷载规范IS:875(part 3)-1987是由印度结构安全组织委员会制定,国家工程学分会理事会通过批准后,印度标准局采用的现行标准。
1 计算公式1.1 中国《建筑结构荷载规范》垂直作用在建筑物表面的风荷载标准值。
计算承重结构时为:wk=βzμsμz w0计算围护结构时:wk=βgzμslμz w0式中:wk为风荷载标准值(kN/m2);βz为高度z处的风振系数;μs为风荷载体型系数;μz为风压高度变化系数;w0为基本风压(kN/m2);βgz为高度z处的阵风系数;μsl为局部风压体型系数。
1.2 印度风荷载规范IS:875(part 3)-1987设计风速Vz=Vb K1K2K3离地面任意高度的设计风压pz=0.6Vz2作用在建筑物上的风荷载作用力F=Cf Ae pd。
作用在独立结构构件(屋面墙体和独立的围护单元和连接件等)上的风荷载为:F=(Cpe-Cpi)Apd式中:K1为概率(危险)系数,为根据不同的风速区和设计年限确定的系数;K2为地形、高度及建筑物尺寸系数,为根据不同的地形类别、结构类别及高度确定的系数;K3为地形条件系数;Vb为基本风速;Cf为力系数;Ae为风荷载作用的有效面积;pd为设计风压;Cpe为外压系数;Cpi为内压系数;A为结构构件或围护单元的表面积。
万方数据万方数据万方数据万方数据万方数据万方数据万方数据万方数据中美日三国规范高层结构风荷载标准值对比作者:张军锋, 葛耀君, 柯世堂, 赵林, ZHANG Jun-feng, GE Yao-jun, KE Shi-tang, ZHAO Lin作者单位:同济大学土木工程防灾国家重点实验室,上海,200092刊名:湖南大学学报(自然科学版)英文刊名:Journal of Hunan University(Natural Sciences)年,卷(期):2011,38(10)被引用次数:2次参考文献(16条)1.张相庭结构风工程 20062.张相庭国内外风荷载规范的评估和展望[期刊论文]-同济大学学报(自然科学版) 2002(05)3.金新阳亚太地区各国风荷载规范的现状和发展趋势 20034.ZHOU Y;KIJEWSKI T;KAREEM A Along-wind load effects on tall buildings:comparative study of major intemational codes and standards 2002(06)5.HOLMES J D Developments in codification of wind loads in the Asia pacific 20096.周印高层建筑静力等效风荷载和响应的理论与实验研究[学位论文] 19987.黄韬颖中美澳三国风荷载规范的比较 19988.GB 50009-2001.建筑结构荷载规范 20069.ANSI ASCE7-2005.Minimum design loads for buildings and other structures 200510.Recommendations for loads on building(2004) 200411.JTG/T D60-01-2004.公路桥梁抗风设计规范 200412.DURST C S Wind speeds over short periods of time 196013.SIMIU E;SCANLAN R H Wind effects on structures 199614.KAREEM A;ZHOU Y Gust loading factor-past,present and future[外文期刊] 2003(12/15)15.ZHOU Y;KAREEM A Gust loadling factor:new molel[外文期刊] 2001(02)16.JGJ3-2002.高层建筑混凝土结构技术规程 2002引证文献(3条)1.陈鑫.李爱群.王泳.张志强国内外规范自立式高耸结构等效风荷载及响应比较[期刊论文]-建筑结构学报 2014(4)2.邓洪洲.段成荫新荷载规范修订对输电塔风荷载计算的影响研究[期刊论文]-振动与冲击 2013(20)3.童乐为.金健.周锋中欧温室规范中风荷载取值的对比[期刊论文]-农业工程学报 2013(21)引用本文格式:张军锋.葛耀君.柯世堂.赵林.ZHANG Jun-feng.GE Yao-jun.KE Shi-tang.ZHAO Lin中美日三国规范高层结构风荷载标准值对比[期刊论文]-湖南大学学报(自然科学版) 2011(10)。
一. 风荷载Korean (Arch, 2000) : 韩国,建筑物荷载基准及解说Korean (Arch, 1992) : 韩国,有关建筑物的结构基准的规定IBC 2000(ASCE7-98) : 美国,I nternational B uilding C ode 2000 UBC (1997) : 美国,UBC 97标准ANSI (1982) : 美国,ANSI标准NBC(1995) : 加拿大,N ational B uilding C ode of Canada Eurocode-1 (2005) : 欧洲,Basis of Design and Actions on Eurocode-1 (1992) : 欧洲,Basis of Design and Actions on StructuresBS6399 (1997) : 英国,British Standard 6399 Loading for buildings C hina (GS50009-2001) : 中国,建筑抗震设计规范Japan (Arch, 2000) : 日本,建筑物荷载指针同解说Japan (1987) : 日本,建筑物荷载指针同解说IS875 (1987) : 印度国家标准Taiwan (2002): 中国台湾技术规则二.地震波Korean (Arch. 2000) : 韩国,建筑物荷载基准及解说Korean (Arch. 1992) : 韩国,有关建筑物的结构基准的规定Korean (Bridge) : 韩国,公路桥规范IBC2000(ASCE7-98) : 美国,I nternational B uilding C ode 2000UBC (1997) : 美国,UBC 97标准UBC (1994) : 美国,UBC 94标准ATC 3-06 (1982) : 美国,ATC 3-06 ProvisionNBC(1995) : 加拿大,N ational B uilding C ode of CanadaEurocode-8(2004):欧洲,结构的抗震设计标准E urocode-8 (1996) : 欧洲,结构的抗震设计标准Eurocode-8 (1996) Elastic : 欧洲,结构的抗震设计标准Japan (Arch. 1994) : 日本,建筑物荷载指针同解说Japan (Arch, 2000) : 日本,建筑物荷载指针同解说IS1893 (2002) : 印度,Indian Standards 2002China (GS50011-2001) : 中国,建筑抗震设计规范China shanghai(DGJ08-9-2003)中国,上海市抗震设计规程China (JTJ004-89) : 中国,公路工程抗震设计规范China (GBJ111-87) : 中国,铁路工程抗震设计规范Taiwan (2002): 中国台湾建筑物耐震设计规范。
石油化工设计Petrochemical Design2017,34(4) 59 ~61 7 8规:中国规范与美国规范风荷载的换算关系曹孟君,\春,张维秀(中国石油集团东北炼化工程有限公司,吉林吉林132000)摘要:文章就风荷载计算方法、参数定义、计算公式等方面对中国规范AB 50009—2012《建筑结构荷 载规范》和美国规范 ASCE/SEI7—10《Minimum Design Loads for Buildings and Other Structures》进行比较。
其中在地面粗糙度类别划分上两本规范基本类似,但在重现期和平均时距方面有很大区别。
《建筑结构 荷载规范》基本风速为平均时距10 m in、重现期为50年的最大风速。
而美国规范ASCE/SEI7—10对一般 居住建筑基本风速取平均时距为3 s、50年超越概率为7%(重现期为700年)的阵风风速,其重现期长、平均时距短。
同一地点,基本风速和基本风压按美国规范取值远大于中国规范取值。
关键词:风荷载基本风压基本风速平均时距换算关系doi:10. 3969/j.issn.1005 - 8168.2017.04.015随着蓝海战略的实施,各工程设计单位涉及 的海外工程越来越多。
因此常遇到由于GB 50009—2012《建筑结构荷载规范》[1](下称中国 《荷载规范》)和 ASCE/SEI7—10/MinimumDesign Loads for Buildings and Other Structures》[2](下称美 国《ASCE规范》)的差异导致的风荷载取值不同 给工程设计 的困扰。
中国和美国 计软件也同样是按照各自的规 制的,两者 不 能简单套用。
为应海外工程的设计需要,除应 面掌握国外相关规范外,了解其与中国规范的 差异也 要。
本文从中国《荷载规范》与国《ASCE规范》的风荷载 定义和计算公式出发,风荷载计算的最重要参数一一平均 $基本风速和基本风压进行对比和换算。