风荷载标准值
- 格式:pdf
- 大小:9.17 KB
- 文档页数:5
《风荷载标准值与风压高度变化系数》一、引言风荷载标准值和风压高度变化系数是建筑设计和结构工程中的重要参数。
它们直接影响着建筑物在风力作用下的稳定性和安全性。
本文将从风荷载标准值和风压高度变化系数的概念、计算方法和应用等方面展开探讨,并共享个人对这一主题的见解。
二、风荷载标准值的概念及计算方法1. 风荷载标准值的概念风荷载标准值是指建筑物在一定设计年限内所受到的最大风载荷。
它是根据当地气象数据、建筑物结构形式、高度等因素综合计算而得。
通常以单位面积(N/m²)来表示,被广泛应用于建筑物的结构设计和风险评估中。
2. 风荷载标准值的计算方法风荷载标准值的计算通常采用风荷载计算规范,其中包括了基本风速、高度变化系数等参数。
基本风速是指在一定设计年限内,某一特定重现期下的平均最大风速,高度变化系数则反映了风荷载随高度变化的规律。
根据规范的要求,可以通过相关公式和图表来计算得到风荷载标准值。
三、风压高度变化系数的概念及影响因素1. 风压高度变化系数的概念风压高度变化系数是用来描述建筑物在不同高度上所受风压的变化规律。
通过计算风压高度变化系数,可以更准确地评估建筑物在不同高度上所受到的风荷载大小,为结构设计提供重要依据。
2. 影响风压高度变化系数的因素风压高度变化系数受到多种因素的影响,主要包括地形、建筑物周围环境、建筑物结构形式等。
在平原地区和山区地区,由于地形的不同,风压高度变化系数也会有所不同。
建筑物周围的密度、高度和形状也将对风压高度变化系数产生影响。
四、风荷载标准值与风压高度变化系数的应用在实际工程实践中,风荷载标准值和风压高度变化系数的应用是十分重要的。
在建筑物的结构设计中,需要根据所在地区的气候特点和相关规范要求,合理计算风荷载标准值,并采取相应的结构设计措施。
在建筑物的风险评估和安全监测中,风荷载标准值和风压高度变化系数也是必不可少的参数,可以帮助工程师和设计师更好地评估建筑物的风险程度,从而采取相应的安全措施。
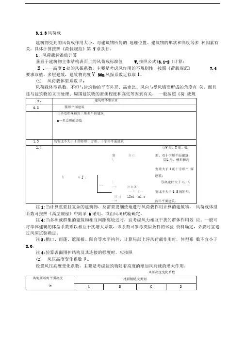
3、1、3 风荷载建筑物受到得风荷载作用大小,与建筑物所处得地理位置、建筑物得形状与高度等多种因素有关,具体计算按照《荷载规范》第7章执行。
1、风荷载标准值计算垂直于建筑物主体结构表面上得风荷载标准值W K ,按照公式(3、1-2)计算:βz ——高度Z 处得风振系数,主要就是考虑风作用得不规则性,按照《荷载规范》7、4要求取值。
多层建筑,建筑物高度<30m,风振系数近似取1。
(1)风荷载体型系数µS风荷载体型系数,不但与建筑物得平面外形、高宽比、风向与受风墙面所成得角度有关,而且还与建筑物得立面处理、周围建筑物得密集程度与高低等因素有关,一般按照《荷载规表3、1、10 建筑物体型系数取值表注1:当计算重要且复杂得建筑物、及需要更细致地进行风荷载作用计算得建筑物,风荷载体型系数可按照《高层规程》中附录A 采用、或由风洞试验确定。
注4:当多栋或群集得建筑物相互间距离较近时,宜考虑风力相互干扰得群体作用效应。
一般可将单体建筑得体型系数乘以相互干扰增大系数,该系数可参考类似条件得试验资料确定,必要时宜通过风洞试验确定。
注3:檐口、雨蓬、遮阳板、阳台等水平构件,计算局部上浮风荷载作用时,体型系数不宜小于2、0。
注4:验算表面围护结构及其连接得强度时,应按照《荷载规范》7、3、3规定,采用局部W W z s z k μμβ=)21.3(-风压力体型系数。
(2)风压高度变化系数µz设置风压高度变化系数,主要就是考虑建筑物随着高度得增加风荷载得增大作用。
对于位于平坦或稍有起伏地形上得建筑物,其风压高度变化系数应根据场地粗糙程度按《荷载规范》7、2要求选用,表3、1、11中列出了常用风压高度变化系数得取值要求。
表3、1、11 风压高度变化系数A类:近海海面、海岛、海岸、湖岸及沙漠地区;B类:田野、乡村、丛林、丘陵以及房屋比较稀疏得乡镇与城市郊区;C类:有密集建筑群得城市市区;D类:有密集建筑群与且房屋较高得城市市区。
风荷载标准值
风荷载标准是一种综合性的指标,主要用来衡量风力对某些结构物(如建筑、帆船、
桥梁等)施加的压力。
在工程设计中,必须考虑风荷载标准,以确定被考虑结构物的正确
尺寸,来确保它能够安全地承受风荷重。
根据不同的实际工程需要,风荷载标准通常有多种类型,如:确定结构物的最大风速
荷载、地区分布的平均风荷载、持续的风荷载以及事故风荷载等。
常见的规格标准及值:
a. 确定结构物的最大风速:许多国家和地区都有一定标准,其值一般为50~90m/s;
b. 区域分布的平均风荷载:由于区域风荷载的分布不均,通常以平均风荷载综合最
大风荷载的贡献度来表示,常见的值一般为1~3kg/m2;
c. 持续的风荷载:由于结构物长期暴露在环境风力影响下,可能会造成长期的损坏,并影响结构的可靠性,常见的值有0.2~2.0kg/m2;
d. 事故风荷载:根据风暴强度不同,所施加的风荷载也不同,常见的值为
0.3~2.0kg/m2。
除了上述常见的风荷载标准外,还有一些特定的情况,需要根据实际工程需要定制特
定的风荷重。
此外,应当注意在不同的城市或区域,根据当地的气象情况可能会有所不同,需要根据实际情况进行调整。
风荷载设计值与标准值风荷载是指由风对建筑物或结构物施加的压力,是建筑设计中必须考虑的重要因素之一。
在设计建筑物或结构物时,需要对风荷载进行合理的计算和评估,以确保建筑物或结构物在风力作用下具有足够的稳定性和安全性。
而风荷载设计值与标准值是在进行风荷载计算和评估时必须了解和确定的重要参数。
风荷载设计值是指根据设计要求和规范规定,经过计算和评估后确定的用于建筑物或结构物设计的风荷载数值。
它是根据建筑物或结构物的特定设计要求和使用环境条件而确定的,具有一定的针对性和个性化特点。
风荷载设计值的确定需要考虑建筑物或结构物的高度、形状、结构类型、使用功能、地理位置等因素,以及设计规范和标准的要求。
通过合理的计算和评估,可以确定建筑物或结构物在设计使用寿命内所需的风荷载设计值,为设计提供重要的依据和参考。
而风荷载标准值则是指根据相关的建筑设计规范和标准规定,针对不同地区和不同建筑物或结构物的使用要求,所确定的一组标准化的风荷载数值。
它是根据统计分析和实测数据,结合地理气象条件和风力特性,综合考虑建筑物或结构物的安全性和经济性而确定的。
风荷载标准值是在一定的统计概率水平下确定的,具有普遍适用性和一般性特点,可以作为建筑物或结构物设计的基本参考数值。
在实际的建筑设计中,风荷载设计值和标准值的确定是相互关联和相互影响的。
风荷载设计值需要参考和遵循相应的风荷载标准值,同时也需要根据具体的设计要求和使用条件进行合理的调整和确定。
在设计过程中,需要充分考虑建筑物或结构物的安全性、稳定性和经济性,合理确定风荷载设计值,保证其与风荷载标准值的一致性和合理性。
总之,风荷载设计值与标准值是建筑设计中重要的参数,对于建筑物或结构物的安全性和稳定性具有重要的影响。
在设计过程中,需要充分考虑建筑物或结构物的特点和使用要求,合理确定风荷载设计值,并参考和遵循相应的风荷载标准值,以确保建筑物或结构物在风力作用下具有足够的安全性和稳定性。
3.1.3 风荷载建筑物受到的风荷载作用大小,与建筑物所处的地理位置、建筑物的形状和高度等多种因素有关,具体计算按照《荷载规范》第7章执行。
1、风荷载标准值计算垂直于建筑物主体结构表面上的风荷载标准值W K ,按照公式(3.1-2)计算:βz ——高度Z 处的风振系数,主要是考虑风作用的不规则性,按照《荷载规范》7.4要求取值。
多层建筑,建筑物高度<30m ,风振系数近似取1。
(1)风荷载体型系数µS 风荷载体型系数,不但与建筑物的平面外形、高宽比、风向与受风墙面所成的角度有关,而且还与建筑物的立面处理、周围建筑物的密集程度和高低等因素有关,一般按照《荷载规表3.1.10 建筑物体型系数取值表注1:当计算重要且复杂的建筑物、及需要更细致地进行风荷载作用计算的建筑物,风荷载体型系数可按照《高层规程》中附录A 采用、或由风洞试验确定。
注4:当多栋或群集的建筑物相互间距离较近时,宜考虑风力相互干扰的群体作用效应。
一般可将单体建筑的体型系数乘以相互干扰增大系数,该系数可参考类似条件的试验资料确定,必要时宜通过风洞试验确定。
注3:檐口、雨蓬、遮阳板、阳台等水平构件,计算局部上浮风荷载作用时,体型系数不宜小于2.0。
W W z s z k μμβ=)21.3(-注4:验算表面围护结构及其连接的强度时,应按照《荷载规范》7.3.3规定,采用局部风压力体型系数。
(2)风压高度变化系数µz设置风压高度变化系数,主要是考虑建筑物随着高度的增加风荷载的增大作用。
对于位于平坦或稍有起伏地形上的建筑物,其风压高度变化系数应根据场地粗糙程度按《荷载规范》7.2要求选用,表3.1.11中列出了常用风压高度变化系数的取值要求。
表3.1.11 风压高度变化系数关于地面粗糙程度的分类:A类:近海海面、海岛、海岸、湖岸及沙漠地区;B类:田野、乡村、丛林、丘陵以及房屋比较稀疏的乡镇和城市郊区;C类:有密集建筑群的城市市区;D类:有密集建筑群和且房屋较高的城市市区。
3.1.3风荷载建筑物受到的风荷载作用大小,与建筑物所处的地理位置、建筑物的形状和高度等多种因素有关,具体计算按照《荷载规范》第7章执行。
1、风荷载标准值计算垂直于建筑物主体结构表面上的风荷载标准值W,按照公式(3.1-2 )计算:B z――高度Z处的风振系数,主要是考虑风作用的不规则性,按照《荷载规范》7.4要求取值。
多层建筑,建筑物高度V 30m风振系数近似取1。
(1)风荷载体型系数卩S风荷载体型系数,不但与建筑物的平面外形、高宽比、风向与受风墙面所成的角度有关,而且还与建筑物的立面处理、周围建筑物的密集程度和高低等因素有关,一般按照《荷载规注1:当计算重要且复杂的建筑物、及需要更细致地进行风荷载作用计算的建筑物,风荷载体型系数可按照《高层规程》中附录A采用、或由风洞试验确定。
注4:当多栋或群集的建筑物相互间距离较近时,宜考虑风力相互干扰的群体作用效应。
一般可将单体建筑的体型系数乘以相互干扰增大系数,该系数可参考类似条件的试验资料确定,必要时宜通过风洞试验确定。
注3:檐口、雨蓬、遮阳板、阳台等水平构件,计算局部上浮风荷载作用时,体型系数不宜小于2.0。
注4:验算表面围护结构及其连接的强度时,应按照(2)风压高度变化系数卩z设置风压高度变化系数,主要是考虑建筑物随着高度的增加风荷载的增大作用。
风压高度变化系数A类:近海海面、海岛、海岸、湖岸及沙漠地区;B类:田野、乡村、丛林、丘陵以及房屋比较稀疏的乡镇和城市郊区;C类:有密集建筑群的城市市区;D类:有密集建筑群和且房屋较高的城市市区。
(3)基本风压值W基本风压值W,单位kN/m2,以当地比较空旷平坦场地上离地10m高、统计所得50年一遇10分钟平均最大风速为标准确定的风压值,各地的基本风压可按照《荷载规范》附录D中的全国基本风压分布图查用,主要城镇基本风压取值参考表。
2、基本风压的取值年限《荷载规范》在附录D中分别给出了n=10年、n=50年、n=100年一遇的基本风压标准值,工程设计中根据建筑物的使用性质与功能要求,一般按照下列方法选用风压标准值的取值年限:①临时性建筑物:取n=10年一遇的基本风压标准值;②一般的工业与民用建筑物:取n=50年一遇的基本风压标准值;③特别重要的建筑物、或对风压作用比较敏感的建筑物(建筑物高度大于60m):取主要城镇基本风压(kN/m2)取值参考表n=100年一遇的基本风压标准值;在没有100年一遇基本风压标准值的地区,可近似将50 年一遇的基本风压值标准值乘以1.1 (经验系数)以后采用。
风荷载标准值
风荷载标准值是将风力和风向按一定规定计算出来,用于对建筑物及其各种部件受风活动影响的程度进行参考的指标值。
一、计算标准
1. 计算参数:首先要确定计算的参数,包括计算的区域、风场及计算的强度均衡值之类的。
2. 计算方法:确定计算方法,根据计算所用的参数确定,一般可以采用大气环境的压力,蒸汽来源计算风压和风荷载的方法以及其他计算方法。
3. 风参数:还要确定不同区域不同时段的风参数,如最大风速,最大内力,均值风速等参数。
二、应用标准
1. 设计:确定构件在一定风速情况下,根据风荷载标准值,使用合理的设计方法防止受风活动的影响。
2. 检测:根据风荷载标准值,确定检测的点,进行受风影响的检测,确定预警阈值,保证建筑物安全使用。
3. 风环境:利用风荷载标准值,结合有限元分析,重点关注一些风环境,以确保设施及周围物体的安全。
三、风荷载标准值应用
1. 建筑物设计:根据风荷载标准值,对建筑物进行合理的设计,防止受风活动的影响,保证建筑物的安全使用。
2. 桥梁构件设计:根据风荷载标准值,对桥梁进行合理的设计,防止受风激励的影响,确保桥梁安全使用。
3. 钢结构确认:根据风荷载标准值,对钢梁等结构进行确认,确保钢梁等结构的安全使用。
4. 地面结构确认:根据风荷载标准值,确认地面结构,确保地面结构安全使用,
能够更好地抵御风荷载以及不利天气情况。
5. 抗震设计:根据风荷载标准值,对抗震设计进行确认,保证建筑物在发生地震情况下,不受外力影响,并能实现救援的目的。
3.1.3 风荷载建筑物受到的风荷载作用大小,与建筑物所处的地理位置、建筑物的形状和高度等多种因素有关,具体计算按照荷载规范第7章执行;1、风荷载标准值计算垂直于建筑物主体结构表面上的风荷载标准值W,按照公式3.1-2计算:K——高度Z处的风振系数,主要是考虑风作用的不规则性,按照荷载规范βz7.4要求取值;多层建筑,建筑物高度<30m,风振系数近似取1;1风荷载体型系数μS风荷载体型系数,不但与建筑物的平面外形、高宽比、风向与受风墙面所成的角度有关,而且还与建筑物的立面处理、周围建筑物的密集程度和高低等因素有关,一般按照荷载规注1:当计算重要且复杂的建筑物、及需要更细致地进行风荷载作用计算的建筑物,风荷载体型系数可按照高层规程中附录A采用、或由风洞试验确定;注4:当多栋或群集的建筑物相互间距离较近时,宜考虑风力相互干扰的群体作用效应;一般可将单体建筑的体型系数乘以相互干扰增大系数,该系数可参考类似条件的试验资料确定,必要时宜通过风洞试验确定;注3:檐口、雨蓬、遮阳板、阳台等水平构件,计算局部上浮风荷载作用时,体型系数不宜小于2.0;注4:验算表面围护结构及其连接的强度时,应按照2风压高度变化系数μz设置风压高度变化系数,主要是考虑建筑物随着高度的增加风荷载的增大作用;风压高度变化系数关于地面粗糙程度的分类:A类:近海海面、海岛、海岸、湖岸及沙漠地区;B类:田野、乡村、丛林、丘陵以及房屋比较稀疏的乡镇和城市郊区;C类:有密集建筑群的城市市区;D类:有密集建筑群和且房屋较高的城市市区;3基本风压值W基本风压值W,单位kN/m2,以当地比较空旷平坦场地上离地10m高、统计所得50年一遇10分钟平均最大风速为标准确定的风压值,各地的基本风压可按照荷载规范附录D中的全国基本风压分布图查用,主要城镇基本风压取值参考表;2、基本风压的取值年限荷载规范在附录D中分别给出了n=10年、n=50年、n=100年一遇的基本风压标准值,工程设计中根据建筑物的使用性质与功能要求,一般按照下列方法选用风压标准值的取值年限:①临时性建筑物:取n=10年一遇的基本风压标准值;②一般的工业与民用建筑物:取n=50年一遇的基本风压标准值;③特别重要的建筑物、或对风压作用比较敏感的建筑物建筑物高度大于60m:取主要城镇基本风压kN/m2取值参考表n=100年一遇的基本风压标准值;在没有100年一遇基本风压标准值的地区,可近似将50年一遇的基本风压值标准值乘以1.1经验系数以后采用;3、关于风荷载作用的方向问题建筑物受到的风荷载作用来自各个方向,风荷载的主要作用方向与建筑物所在地的风玫瑰图方向一致全国主要城市风玫瑰图,可以查相应的建筑设计资料;工程设计中,一般按照风荷载作用的最大值,来计算建筑物受到的风荷载作用效应;对于抗侧力构件相互垂直布置的建筑物:一般按照两个相互垂直的主轴方向来考虑风荷载的作用效应,详注意:同一方向,左风荷载作用效应和右风荷载作用效应要分别进行计算;4、风洞试验一般建筑物高度大于200m、或建筑物高度大于150m但存在下列情况之一时,宜采用风洞试验来确定建筑物的风荷载作用参数;①平面形状不规则,立面形状复杂;②立面开洞或连体建筑;③规范或规程中没有给出体型系数的建筑物;④周围地形或环境较复杂;风洞试验通常由有试验能力和试验资质的高等院校、科研院所完成,按照一定比例制作的建筑物模型置于人工模拟的风环境中,模型上不同部位埋设一定数量的电子测压孔,通过压力传感器输出电流信号、通过数据采集仪自动扫描记录并转为相关的数字信号,再经过一系列的计算机数据处理、模拟分析,可以得到建筑物受到的平均风压力和波动风压力值,供设计采用;多层建筑物,房屋高度小,风荷载作用影响较小,一般不做风洞试验;5、梯度风基本风压与风速有关,一般风速由地面为零沿高度方向按照曲线逐渐增大,直至距离地面某一高度处达到最大值,上层风速度受地面影响较小,风速较为稳定;图3.1.4 风速随高度变化示意图6、特殊情况下基本风压的取值① 当重现期为任意年限R 时,相应风压值可按照公式3.1-2a 进行近似计算: 式中:X R ——重现期为R 年的风压值kN /m 2; X 10——重现期为10年的风压值kN /m 2; X 100——重现期为100年的风压值kN /m 2;② 当城市或建设地点的基本风压值在“全国基本风压分布图”上没有给出时,可根据附近地区规定的基本风压或长期观测资料,通过气象或地形条件的对比分析确定;在分析当地的年最大风速时,往往会遇到其实测风速的条件不符合基本风压规定的标准条件,因而必须将实测的风速资料换算为标准条件的风速资料,然后再进行分析;情形一:当实测风速的位置不是l0m 高度时,标准条件风速的换算原则上应由气象台站根据不同高度风速的对比观测资料,并考虑风速大小的影响,给出非标准高度风速的换算系数,以确定标准条件高度的风速资料;当缺乏相应的观测资料时,可近似按照公式3.1-2b 进行换算:式中:ν——标准条件下l0m 高度处、时距为10分钟的平均风速值m /s ;νz ——非标准条件下z 高度m 处、时距为10分钟的平均风速值m /s ; α——实测风速高度换算系数,可根据设计手册,近似按实测风速高度换算系数参考表10/1Z V V a情形二:当最大风速资料不是时距10分钟的平均风速时,标准条件风速的换算虽然世界上不少国家采用基本风压标准值中的风速基本数据为10分钟时距的平均风速,但也有一些国家不是这样;因此对某些国外工程需要按照我国规范设计时,或国内工程需要与国外某些设计资料进行对比时,会遇到非标准时距最大风速的换算问题;式中:ν——时距为10分钟的平均风速值m/s;ν——时距为t分钟的平均风速值m/s;tβ——参考表情形三:当已知风速重现期为T年时,标准条件风压的换算当已知10分钟时距平均风速最大值的重现期为T年时,其基本风压与重现期为50年的基本风压的关系,可按照公式3.1-2d进行简单换算:式中:W——重现期为50年的基本风压值kN/m2;W——重现期为T年的基本风压值kN/m2;γ——重现期与重现期为50年的基本风压的换算系数参考表③山区的基本风压山区的基本风压应通过调查后确定,如无实际资料,可按照当地邻近空旷平坦地面的基本风压值,乘以一放大系数后采用;任何情况下,山区的基本风压值不得小于0.3kN/m2;7、围护结构的风荷载计算计算围护结构上作用的风荷载值,必须考虑阵风的影响,按照公式 3.1-2e进行:WK——风荷载标准值,单位kN/m2;W——基本风压值,单位kN/m2,取值要求同前;βgz——高度Z处的阵风系数,按照荷载规范7.5要求取值;μS——μz——风压高度变化系数,取值要求同前;8、玻璃幕墙的风荷载计算玻璃幕墙作为围护结构的一种表现形式,在民用建筑中应用较多,其抗风设计必须满足围护结构风荷载标准值的计算要求;由于玻璃幕墙单块受荷面积较小,根据玻璃幕墙工程技术规范JGJ102-96规定,垂直于玻璃幕墙表面上的风荷载标准值,可近似按照公式3.1-2f计算:公式中有关高度变化系数μz 、基本风压W的计算取值要求同前,对于体型系数μS的取值要求如下:竖直幕墙外表面按照±1.5取用;斜玻璃幕墙可根据实际情况按照荷载规范要求取用;当建筑物进行了风洞试验时,直接根据风洞试验结果确定;任何情况下,设计玻璃幕墙用风荷载标准值Wk不得小于1.0kN/m2;。
3.1.3 风荷载建筑物受到的风荷载作用大小,与建筑物所处的地理位置、建筑物的形状和高度等多种因素有关,具体计算按照《荷载规范》第7章执行。
1、风荷载标准值计算垂直于建筑物主体结构表面上的风荷载标准值W K ,按照公式(3.1-2)计算:βz ——高度Z 处的风振系数,主要是考虑风作用的不规则性,按照《荷载规范》7.4要求取值。
多层建筑,建筑物高度<30m ,风振系数近似取1。
(1)风荷载体型系数µS风荷载体型系数,不但与建筑物的平面外形、高宽比、风向与受风墙面所成的角度有关,而且还与建筑物的立面处理、周围建筑物的密集程度和高低等因素有关,一般按照《荷载规表3.1.10 建筑物体型系数取值表范》7.3要求取值,表3.1.10中列出了常用体型建筑物的体型系数。
注1:当计算重要且复杂的建筑物、及需要更细致地进行风荷载作用计算的建筑物,风荷载体型系数可按照《高层规程》中附录A 采用、或由风洞试验确定。
注4:当多栋或群集的建筑物相互间距离较近时,宜考虑风力相互干扰的群体作用效应。
一般可将单体建筑的体型系数乘以相互干扰增大系数,该系数可参考类似条件的试验W W z s z k μμβ=)21.3(-资料确定,必要时宜通过风洞试验确定。
注3:檐口、雨蓬、遮阳板、阳台等水平构件,计算局部上浮风荷载作用时,体型系数不宜小于2.0。
注4:验算表面围护结构及其连接的强度时,应按照《荷载规范》7.3.3规定,采用局部风压力体型系数。
(2)风压高度变化系数µz设置风压高度变化系数,主要是考虑建筑物随着高度的增加风荷载的增大作用。
对于位于平坦或稍有起伏地形上的建筑物,其风压高度变化系数应根据场地粗糙程度按《荷载规范》7.2要求选用,表3.1.11中列出了常用风压高度变化系数的取值要求。
表3.1.11 风压高度变化系数地面粗糙度类别离地面或海平面高度(m )A B C D 5101520 1.171.381.521.63 1.001.001.141.250.740.740.740.840.620.620.620.62304050601.801.922.032.121.421.561.671.771.001.131.251.350.620.730.840.93附注:对位于山区的建筑物,按照本表确定的风压高度变化系数必须考虑地形条件的修正,详《荷载规范》7.2.2。
重庆风荷载标准值摘要:1.重庆风荷载标准值的概念与意义2.重庆风荷载标准值的计算方法3.重庆风荷载标准值的影响因素4.重庆风荷载标准值的实际应用5.提高重庆风荷载标准值的措施正文:重庆风荷载标准值是指在重庆地区,建筑物所承受的风力负荷的最大值。
这一标准值的确定对于建筑物的设计、施工和使用具有重要意义,因为它直接关系到建筑物的安全性和稳定性。
重庆风荷载标准值的计算方法主要有两种:一种是根据历史数据统计分析,另一种是根据风洞实验结果。
历史数据统计分析主要是对重庆地区过去一段时间内的风力数据进行收集和整理,然后根据这些数据计算出风荷载标准值。
而风洞实验则是通过模拟实际环境,来测试建筑物模型在各种风力条件下的反应,从而得出风荷载标准值。
影响重庆风荷载标准值的因素主要有以下几点:首先,地形地貌对风荷载标准值的影响较大。
重庆地区多山地,山地地形会改变风速和风向,从而影响风荷载。
其次,建筑物的高度和形状也会影响风荷载标准值。
高度和形状不同的建筑物,在相同的风力条件下,所承受的风荷载会有所不同。
最后,风速和风向的变化也会影响风荷载标准值。
在实际工程应用中,重庆风荷载标准值主要用于建筑物的设计和施工。
设计阶段,建筑师需要根据风荷载标准值来确定建筑物的结构和材料,以保证建筑物在承受风力负荷时不发生破坏。
施工阶段,施工人员需要按照设计要求,使用适当的材料和工艺进行施工,以确保建筑物能够承受预期的风力负荷。
为了提高重庆风荷载标准值,政府和相关部门可以采取以下措施:首先,加强风荷载标准值的宣传和教育,提高公众对风荷载的认识和重视。
其次,完善风荷载监测网络,提高风荷载数据的准确性和实时性。
风荷载标准值
关于风荷载计算
风荷载是高层建筑主要侧向荷载之一,结构抗风分析(包括荷载,力,位移,加速度等)是高层建筑设计
计算的重要因素。
脉动风和稳定风
风荷载在建筑物表面是不均匀的,它具有静力作用(长周期哦部分)和动力作用(短周期部分)的双重特
点,静力作用成为稳定风,动力部分就是我们经常接触的脉动风。
脉动风的作用就是引起高层建筑的振动
(简称风振)。
以顺风向这一单一角度来分析风载,我们又常常称静力稳定风为平均风,称动力脉动风为阵风。
平均风对
结构的作用相当于静力,只要知道平均风的数值,就可以按结构力学的方法来计算构件力。
阵风对结构的
作用是动力的,结构在脉动风的作用下将产生风振。
注意:不管在何种风向下,只要是在结构计算风荷载的理论当中,脉动风一定是一种随机荷载,所以分析
脉动风对结构的动力作用,不能采用一般确定性的结构动力分析方法,而应以随机振动理论和概率统计法
为依据。
从风振的性质看顺风向和横风向风力
顺风向风力分为平均风和阵风。
平均风相当于静力,不引起振动。
阵风相当于动力,引起振动但是引
起的是一种随机振动。
也就是说顺风向风力除了静风就是脉动风,根本就没有周期性风力会引起周期性风
振,绝对没有,起码从结构计算风载的理论上顺风向的风力不存在周期性风力。
横风向,既有周期性振动又有随机振动。
换句话说就是既有周期性风力又有脉动风。
反映在荷载上,它可能是周期性荷载,也可能是随机性荷载,随着雷诺数的大小而定。
有的计算方法
根据现有的研究成果,风对结构作用的计算,分为以下三个不同的方面:
(1)对于顺风向的平均风,采用静力计算方法
(2)对于顺风向的脉动风,或横风向脉动风,则应按随机振动理论计算
(3)对于横风向的周期性风力,或引起扭转振动的外扭矩,通常作为稳定性荷载,对结构进行动力计算
风荷载标准值的表达可有两种形式,其一为平均风压加上由脉
动风引起导致结构风振的等效风压;另一种为平均风压乘以风振系数。
由于在结构的风振计算中,一般往往是第1振型起主要作
用,因而我国与大多数国家相同,采用后一种表达形式,即采用
风振系数βz,它综合考虑了结构在风荷载作用下的动力响应,
其中包括风速随时间、空间的变异性和结构的阻尼特性等因素。
WK=βzμsμZ W0
W0基本风压
WK 风荷载标准值
βzz高度处的风振系数
μs风荷载体型系数
μZ风压高度变化系数
基本风压值与风速大小有关。
基本风压W0确定的标准条件务必记牢:空旷平坦平面,离地10m高,统计所得重现期为50年一遇和10min的平均最大风速V 为标准,并以W0=V2/1600来确定的。
新的荷载规将风荷载基本值的重现期由原来的30年一遇改为50年一遇且不得小于0.3kN/m2,新高规 3.2.2条规定:对于B级高度的高层建筑或特别重要的高层建筑,应按100年一遇的风压值采用。
μZ风压高度变化系数
很明显在μZ表中可以看出高度10米以下的μZ基本小于一,10米以上的基本大于一。
这是因为基本风压是按十米高度给出的,所以不同高度上的风压应将W0乘以高度系数得出。
谈到μZ个人认为只要记住其和结构高度以及地面粗糙程度有关
并弄明白为什么有关即可。
A类:近海湖以及沙漠地区
B类:田野乡村及中小城镇和大城市郊区
C类:有密集建筑群的城市市区
D类:有密集建筑群且房屋较高的城市市区
一般的建筑都选B类,道理简单的很:这样μZ取值偏高,风荷载标准值偏高,计算偏安全。
μs风荷载体型系数
个人认为一级结构在这里考的多且很到位。
以规则矩形结构平面为例
风荷载体型系数分为三类μs1迎风面体形系数μs2 背风面体形系数μs3 和μs4为侧风面体型系数μs1=0.80
μs2=-(0.48+0.03H/L)
μs3=μs4=-0.60
平常计算风荷载主要是以顺风方向进行计算,则μs=μs1-μs2=0.080+(0.48+0.03H/L)
为什么上式是减号?是因为迎风面的压力还是背风面的吸力
其实都在一个方向上,所以要调整两者的符号,要他们绝对值加,其实上式完全可以写成:
(0.48+0.03H/L)
μs=/μs1/+/μs2/=0.080+
另外工作中经常会发现一种现象对于基本矩形的建筑,有
的不经计算直接在正压区取 1.5的体型系数,经验取值也只能进行经验的解释:多年来这个系数是这样来的,一般建筑正风压系数为+0.8,侧面-0.7,背面-0.5。
假定风来袭时正面门窗开启或
者时被风损坏,那么正面的风压将会作用到室各个部分,故其侧面的风压将会是-0.7-0.8=-1.5。
2 m. ?/ U$ |2 X# n1 l- `但是现代建筑功能复杂,房屋众多,一般不会容易出现这种最不利的
情况。
所以新版规进行了修改,改为了压0.2,正压提高到 1.0。
原规大面风压体型系数取值 1.5。
注意:对于一些超高层,在需要更细致的进行风荷载计算的情况下,需要进行风洞试验,以此来确定风荷载体型系数。
βzz高度处的风振系数
风振系数主要是为了考虑风载波动中的动力作用(脉动风力)对建筑产生的振动效应。
进一步说,风振系数加大了风荷载,把原来风荷载中的脉
动部分加强后算在了静力荷载上,作用就可以按照静力作用计算
风荷载效应了。
这是一种近似的把动力问题化为静力计算的方
法,可以大大简化设计工作。
但是,如果建筑物的高度很大(例
如超过200m),特别是对于周期较长比较柔的结构,最好进行
风洞试验。
用通过实验得到的风对建筑物的作用作为设计依据较
为安全可靠。
风振系数牵连的东西最多,包括脉动增大系数,脉动影响系数,风压高度变化系数和振型系数其中脉动增大系数又和周期,基本风载和粗糙程度有关而脉动影响系数又与H/B和粗糙程度有关。