棒影日照图实验
- 格式:doc
- 大小:12.00 KB
- 文档页数:1
哈尔滨市有效日照时数计算与分析张海玉;曹彦;王永波;王蕾【摘要】城区有效日照时数的确定是城市住宅规划中不可缺省的一部分.文中则运用棒影日照图进行建筑日照分析、建模,通过程序可以计算出哈尔滨市任意小区内任意一点有效日照时数及全天日照时数,为建筑工程和住宅小区商品房推销提供了可靠的气象科学依据.【期刊名称】《低温建筑技术》【年(卷),期】2015(037)002【总页数】2页(P20-21)【关键词】有效日照时数;太阳高度角;棒影日照图【作者】张海玉;曹彦;王永波;王蕾【作者单位】黑龙江省气象服务中心, 哈尔滨150080;黑龙江省气象服务中心, 哈尔滨150080;黑龙江省气象服务中心, 哈尔滨150080;黑龙江省气象服务中心, 哈尔滨150080【正文语种】中文【中图分类】TU113.3为了使室内保持良好的卫生条件,起到灭菌防潮的作用,提高室内在冬季的温度,住宅建筑需要适宜的光照环境。
为达到适宜光照环境,在住宅建筑规划设计中,住宅建筑间的距离、高度、朝向等就显得至关重要。
小区内建筑物的采光问题是住宅建设中需重点研究的内容。
文中则运用棒影日照图进行建筑日照分析、建模,通过程序可以计算出哈尔滨市任意小区内任意一点有效日照时数及全天日照时数。
通过计算有效日照时数,为小区住宅及商品房的销售提供准确的科学依据。
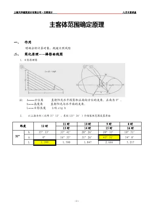
1.1 棒影长度求解假设垂直立于地面上的任意棒的棒高H,该棒在某一时刻棒影的长度H′关系式为H′=H·ctghs式中,H为垂直于地面的棒高;H′为某时刻棒影长度;hs为太阳高度角,即太阳光线与地平面的夹角;棒影方位角As′的关系式为As′=As+180°式中,As为太阳方位角,即太阳光线在地平面上的投影线与地平面正南线的夹角。
根据日照原理,则cosAs=(si nhs·sinΦ-sinδ)/(coshs·cosΦ)sinhs=sinΦ·sinδ+ cosΦ·cosδ·cosΩ式中,Φ为地理纬度,即所在城市地理纬度;Ω为时角,即一天中地球自转在不同时刻的时角;δ为太阳赤纬角,即太阳光线与地球赤道面所夹的圆心角。
棒影图实验
一、实验目的
1、了解三参数日照仪的使用原理和使用方法
2、绘制棒影图的方法
3、棒影图的用途
二、实验设备
三参数日照仪、三角板、量角器、计算机
三、预习要求
《建筑物理》第六章。
四、实验原理与方法
1、三参数日照仪的原理
在自然阳光的照射中,由于地球太阳转动和地球的自转,太阳的高度角和方位角也在随着持续变化,其变化值取决于测量时间、测量地点的纬度和赤纬度这三个重要的参数。
三参数日照仪就是依据以上的原理设计而成的。
2三参数日照仪的使用方法
●模拟平行光源(建议≥500W的探照灯)
●将日照仪放于平稳的桌面上,使纬度盘刻度为0,时间表为12时,赤纬度位
于3月份(春分和秋分的日照位置)。
挪动日照仪或灯源位置,使棒影图位于
无影的状态。
●调节纬度盘、赤纬盘,调到要测的地理位置和要测的日期,转动支架,可测出
不同时间的日照状况。
或直接在地平面上铺纸绘制棒影图。
3棒影图的制作
方法一:三参数日照仪法
●调节日照仪上的纬度盘、赤纬角刻度盘使之与设计所在地的纬度、赤纬度一致;
●在地面上铺纸、立棒、转动时角刻度盘,画当地、当日棒影轨迹;
●把预先制作好的建筑模型放在地面,使其朝向与设计朝向一致。
转动时间刻度
盘,即可观察。
方法二:计算绘制法
依据给定的地点、日期和时间计算太阳高度角及方位角,按照比例画出棒影图。
4 棒影图的使用
建筑物朝向和间距
五、实验步骤指导
1、检查仪器以及校准仪器
2、绘制棒影图
3、确定朝向和间距
六目前获得建筑物阴影的方法
计算机模拟法。
第24卷第2期合肥工业大学学报(自然科学版)Vol.24No.2 2001年4月JO URN AL O F HEFEI UN IV ERSITY O F TECHNO LOGY Apr.2001确定住宅建筑日照间距的棒影图综合分析法黄 农1, 姚金宝2, 瞿 伟3(1.合肥市规划局,安徽合肥 230001; 2.合肥工业大学土木建筑工程学院,安徽合肥 230009; 3.昆明理工大学建筑工程学院,云南昆明 650051)摘 要:住宅建筑日照分析是城市居住区规划设计中的一项重要工作内容。
对于正南向布置的住宅按照各地正南向住宅的标准日照间距系数计算即可,但是对于不同朝向的住宅或老城区、周围建筑密集区的住宅,日照间距的确定较为困难。
文章提出利用棒影日照图综合分析确定住宅建筑日照间距,对于解决这类问题是一种可靠实用的方法。
关键词:城市规划;居住区规划设计;住宅建筑日照间距;棒影日照图中图分类号:T U984.12;TU113.3 文献标识码:A 文章编号:1003-5060(2001)02-0217-05General analytical method to get the residential buildingsinsolation interval by using stick sunlight shadow chartHU AN G No ng1, Y AO Jin-bao2, QU W ei3(1.Hefei City Planning Bureau,Hefei230001,China; 2.School of Civil Engineering,Hefei Univ ersity of Techn olog y,Hefei230009, China; 3.Sch ool of Civil Engineering,Kunming University of Science and Tech nology,Kunming650051,Ch ina)Abstract:The residential building s insola tion interval analysis is an impo rtant job in the field o f urban residential district planning and desig n.The insolation interv al of the buildings facing to the south can be g ot by the sta nda rd co efficient of such building s insola tion interv al.But to the buildings w hich will be built in the old city zone or to wa rds other sides than the south,the building s inso latio n interv al is difficult to determine.This paper pro poses a g eneral analy tical metho d to g et the residential building s inso la tio n interv al by using stick sunlight shado w chart.The m ethod is prov ed to be reliable a nd practical.Key words:city pla nning;urban residential district planning and desig n;residential building s inso la tio n interv al;stick sunlight shadow cha rt住宅建筑需要适宜的日照,主要目的是为了能使室内有良好的卫生条件,起消灭细菌和干燥潮湿房间的作用,以及在冬季能使房间获得太阳辐射热而提高室温。
第一篇建筑热工学第一章建筑热工学基本知识习题1-1、构成室内热环境的四项气候要素是什么?简述各个要素在冬(或夏)季,在居室内,是怎样影响人体热舒适感的。
答:(1)室内空气温度:居住建筑冬季采暖设计温度为18℃,托幼建筑采暖设计温度为20℃,办公建筑夏季空调设计温度为24℃等.这些都是根据人体舒适度而定的要求。
(2)空气湿度:根据卫生工作者的研究,对室内热环境而言,正常的湿度范围是30-60%。
冬季,相对湿度较高的房间易出现结露现象.(3)气流速度:当室内温度相同,气流速度不同时,人们热感觉也不相同.如气流速度为0和3m/s时,3m/s的气流速度使人更感觉舒适。
(4)环境辐射温度:人体与环境都有不断发生辐射换热的现象.1—2、为什么说,即使人们富裕了,也不应该把房子搞成完全的“人工空间”?答:我们所生活的室外环境是一个不断变化的环境,它要求人有袍强的适应能力。
而一个相对稳定而又级其舒适的室内环境,会导致人的生理功能的降低,使人逐渐丧失适应环境的能力,从而危害人的健康.1-3、传热与导热(热传导)有什么区别?本书所说的对流换热与单纯在流体内部的对流传热有什么不同?答:导热是指同一物体内部或相接触的两物体之间由于分子热运动,热量由高温向低温处转换的现象。
纯粹的导热现象只发生在密实的固体当中。
围护结构的传热要经过三个过程:表面吸热、结构本身传热、表面放热.严格地说,每一传热过程部是三种基本传热方式的综合过程。
本书所说的对流换热即包括由空气流动所引起的对流传热过程,同时也包括空气分子间和接触的空气、空气分子与壁面分子之间的导热过程。
对流换热是对流与导热的综合过程。
而对流传热只发生在流体之中,它是因温度不同的各部分流体之间发生相对运动,互相掺合而传递热能的.1—4、表面的颜色、光滑程度,对外围护结构的外表面和对结构内空气间层的表面,在辐射传热方面,各有什么影响?答:对于短波辐射,颜色起主导作用;对于长波辐射,材性起主导作用。
关于建筑设计中棒影日照图的应用分析摘要:本文以棒影日照图的具体棒影数值为切入点,就其在住宅建筑设计中具体应用手段,做细致的探究分析,期望为有效改善住宅建筑冬季日照时间,提升住户居住环境与条件,提供有益的参考。
关键词:建筑设计;棒影日照图;日照时间《城市居住规划设计》对各气候区不同规模城市的住宅大寒日、冬至日日照时间均做出了最低限度规定,并要求老年人居住建筑冬至日日照时间不应低于2小时标准。
然而当前部分建筑因施工时建设单位对日照时间的疏忽,或是本身建筑地形、朝向、用地紧张等因素的影响,致使所建住宅建筑无法满足最低的城市住宅日照时间要求。
导致居民在冬季得不到足够的阳光照射,进而形成冰冷的住宅环境。
特别是建筑底部数层的住户,在冬季都得不到充分的日照时间,导致居住环境阴森寒冷,影响住户居住舒适度与卫生健康。
若能将棒影日照图应用到住宅建筑设计中,建设单位就能依据棒影日照图的数据,判别该建筑设计方案在冬季的日照时间,进而指导住宅建筑施工设计,确保建筑冬季日照时间的充分,以实现住户舒适、健康的居住环境要求。
一、棒影日照图的棒影数值概述棒影日照图中棒影具体数值的运算,是先假设垂直于地面的任一棒的棒高为H,此棒在某一时刻下的棒影长度则为H′,而棒影的方位角为A′s,三者间的具体关系式为:H′=H·coth (1)A′s =As+180°(2)再结合日照原理定义,则进一步得出:cosa=(sinhs ·sinФ-sinδ)/(coshs·cosФ)(3)Sinhs=sinФ·sinδ+cosФ·cosδ·cosΩ(4)四者关系式中,Ф是指地理纬度,即住宅建筑所处的具体地理纬度位置;δ是指太阳赤纬角,即太阳照射光线与地球赤道面之间所夹的圆心角数值;Ω则指时角,即是指在一天之中地球自转在某一时刻的时角;hs是指太阳高度角,即为太阳照射光线与地球地平面之间所形成的夹角;而A则是指太阳方位角,即为s太阳照射光线在地球地平面上的投影线,与地平面正南线之间所形成的夹角。
建筑物理实验报告(建筑日照实验)班级:建筑172班*名:***学号:*********指导教师:***建筑物理实验室2019年10月实验日期:10.23小组成员:朱昭江刘耀雄戴恩泽李佳齐袁少臣胡震宇学生成绩:实验题目:建筑日照实验实验目的:了解三参数日照仪工作原理,了解棒影日照图的作用,通过日照仪直接获得任意地点、任意日期、任意时刻的太阳高度角和方位角;在日照仪上直接绘制棒影图;观察该地、该日,阴影变化情况实验内容:1、测试地区春秋分、夏至、冬至日的日出时间、日没时间,以及每隔一小时太阳的高度角和方位角。
2、绘制地区夏至日、春秋分、冬至日的日照棒影图。
实验步骤:1.棒影调零:将纬度盘刻度置于零点,时间刻度盘置于12点,赤纬度刻度盘位于3月21日春分和9月22日秋分的日期位置上,同时锁紧两端旋钮以固定该位置。
挪动日照仪的位置,使棒处于无影的状态。
2.实验过程松开锁紧的旋钮,调节纬度盘、赤纬度盘,将其调到北纬23度和3月22日(汕头市)。
从12点开始测,松开时间刻度盘旋钮,转动支架,每隔一个小时测一次日照情况,测的是早上的时间,在每一个位置处记录影子尖端在图纸上的位置,并计算其影长、高度角、方位角等数据,分别记录三个季节的对应数据,记录完毕之后再图纸上绘制处棒影图(下午棒影图与上午对称)。
实验测试表格及简单说明:汕头北纬23°春分汕头 北纬23°夏至汕头 北纬23°冬至北纬23°春分 1.测量棒影图:时间 项目日出 日没 6 7 8 9 10 11 12 5:20 18:40 18 17 16 15 14 13 方位角A S112°-112° ±111° ±108° ±103°±99.5° ±96.0° ±93.5° 0° 影 长 L (cm ) ∞∞ ∞ 10.5 6.8 4.3 2.5 1.2 0 高度角h S 5.7°5.7°12° 19.6° 27.7° 38.3° 50.2° 62.0°90° 影的方位角A S ’ A S ’=A S +1800时间 项目日出 日没 6 7 8 9 10 11 12 6:50 17:10 18 17 16 15 14 13 方位角A S64° -64° ±68°±61° ±55° ±45° ±32° ±18°0° 影 长 L (cm ) ∞∞ ∞ 31.6 18.1 10 7.3 5.8 5.3 高度角h S 4.3°4.3° 04.6° 9.8° 14.2° 62.0° 16.7°影的方位角A S ’ A S ’=A S +18002.真实棒影图:北纬23°夏至1.测量棒影图:2.真实棒影图:北纬23°冬至:1.测量棒影图:2.真实棒影图:实验结果分析及结论:一:春分棒影日照分析春分方位角随时间变化图1009080706050403020106,187,178,169,1510,1411,1312方位角春分影长随时间变化图2520151056,187,178,169,1510,1411,1312影长1.数据结论:春分时期,在上午,太阳的方位角随着时间的变化,太阳的方位角逐渐变小,下午则随着时间的变化,太阳的方位角逐渐变大。
实验1:室内热环境测定一、实验目的1.学习测量热环境各参数(温度、湿度、风速、辐射)的仪器原理 2.使用仪器测量热环境各参数3.计算比较不同室内环境的热舒适度PMV二、实验原理1.温度的测量 : 采用精密热敏电阻作为测量温度的敏感元件,2.相对湿度的测量:采用集成化湿敏电容式相对湿度传感器,3.室内风速、风向的测量风速计的头部玻璃球,球内绕有镍铬丝线圈和两个串联的热电偶。
热电偶的冷端连接在支柱上并直接暴露于气流中。
当一定大小的电流通过镍铬丝线圈时,玻璃球的温度升高,温度升高的程度反映在热电偶产生的热电势,经校正后用气流速度在电表上表示出来,就可用它直接来测量气流速度。
4.平均辐射温度测量平均辐射温度即室内对人体辐射热交换有影响的各表面温度的平均值。
用黑球温度计测定来自周围物体平均辐射温度, 5.热舒适度PMVPMV(Predicted Mean Vote)预期平均热舒适度,它是以人体热平衡方程式为基础,考虑心理、生理学,综合影响人体热感觉的主要因素。
使用环境参数综合测量仪6401可以测量空气参数并计算PMV 。
4568102030406080-2.0 -1.5 -1.0 -0.5 0 0.5 1.0 1.5 2.0()不满意百分率(%))}(1.12566.1])273()273[(566.11096.3)34(0014.0)29.4867.5(1073.1)15.58(42.005.3{]0275.0ex p303.0[4482036.0a ci a r ci a Mt t V t t t M M W M W M PMV -⨯-+-+⨯⨯---⨯-⨯------⨯+=----ϕM: 人体能量代谢率,静坐时取1.2met 。
(69w/m 2),W: 人体所做的机械功,静坐时取0 w/m 2,ψ:相对湿度,t a : 空气温度,℃,t ci : 衣服外表面温度,℃,t r : 平均辐射温度,℃,V a : 风速,m/s三、主要实验设备仪器1、ZRQF-D10φJ 风速仪(1)把仪器测杆放直,测点朝上、滑套向下压紧,保证测头在零风速下校准仪器。
一、概述长期以来,因为日照采光而引起矛盾甚至导致法律纠纷的事件屡见不鲜,这些大多是由于在设计或审查阶段日照分析得不够科学准确的原因。
日照分析涉及到时间、地域、建筑造型等多种复杂因素,要将这些相互影响的因素综合起来进行人工精确计算分析是非常困难的。
因此,实践中各地只好根据地方简易算法来估算,如果再加上一些人为因素,很容易发生与实际情况偏差甚至严重不符的现象。
SUN日照分析软件是在大量深入调研的基础上,通过与多家规划管理与规划设计单位的密切合作,经过反复推敲与艰苦研发,开发的一套系统软件。
它全面解决了全国各地任何时段的日照分析问题,计算科学准确,使用简单方便,是规划管理、规划设计、建筑设计、房地产开发等领域强有力的日照分析工具。
二、功能框图三、主要功能1、遮挡分析:分析各栋建筑之间的遮挡与被遮挡情况。
选定被遮挡建筑时自动分析出对其产生遮挡影响的所有遮挡建筑;选定遮挡建筑时自动分析出其对其它建筑产生遮挡影响的所有被遮挡建筑。
2、阴影分析:建筑群任意时间段在任一高度上的连续阴影图、阴影轮廓范围线以及相邻建筑间的阴影差集图。
可直观的观察建筑阴影轮廓的影响范围或对其它建筑的遮挡情况。
3、主客体范围:根据设置的计算规则,确定合理的分析范围。
4、单点分析:建筑群体内任意一点在任意时间和高度的日照时间分析计算,分析结果图面标示及自动统计生成单点日照分析报表。
5、窗户分析:建筑物窗户满窗日照(可设置为左右端或中心点)的分析计算,分析结果图面标示及生成统计报表。
6、窗洞分析:在窗户窗面上进行等距离布点,分析各点的日照情况,统计出满足标准的点在窗面中所占的比例。
7、太阳能板分析:在建筑群体中对太阳能板各端点进行日照分析,并绘制和导出分析表格。
8、沿线分析:沿建筑轮廓线或任意定义高度的线等距离布点分析,分析结果标注在所设定的分析线上。
可快速对建筑轮廓线进行日照时间计算或验算。
不同的分析线可以设置不同的受影面高度,并一次分析完成。
,.建筑物理实验报告班级:姓名:学号:指导教师:建筑物理实验室2013年10月实验日期:小组成员:学生成绩:实验题目:建筑日照实验实验目的:通过日照仪可直接获得任意地点、任意日期、任意时刻的太阳高度角和方位角;也可在日照仪上直接绘制棒影图;对造型较为复杂的建筑模型单体或群体进行直观的实验,观察该地、该日,建筑周围的阴影变化情况。
室内日照时间、日照面积以及遮阳板遮蔽情况。
也可用来观察建筑物朝向与间距的关系,用以研究日照设计问题。
实验内容:1.测试某地区某日的日出时间、日没时间,以及每隔一小时太阳的高度角和方位角。
2.绘制某地区夏至日、春秋分、冬至日的日照棒影图。
3.测试两栋建筑模型之间的相互遮挡情况及日照时间。
实验步骤:棒影调零:将纬度盘刻度置于零点,时间刻度盘置于12点,赤纬度刻度盘(即季节表)位于3月21春分/9月22秋分的日期位置上,同时锁紧两端旋钮以固定该位置。
挪动日照仪位置,使棒影处于无影状态。
2.松开锁紧的旋钮,调节纬度盘、赤纬度盘,调到要测的地理纬度和日期,再锁紧旋钮。
松开时间刻度盘旋钮,转动支架,可测出不同时间的日照情况,直接在地平面上铺纸绘制棒影图。
实验测试表格及简单说明:实验结果分析及结论:夏至日太阳高度最大,冬至日最小;冬至日白昼时间短,夏至日白昼时间长;通过实验,我们利用棒影图可以分析出所测地区的建筑物的阴影区和日照区,也可以确定建筑物受日照时间和所采用的遮阳尺寸,从而确定建筑物的准确朝向和建筑物间距的选择实验对你的启发:这次日照实验对于我来说收获良多具体如下1.动手能力对于需要精确数据的实验、作业、甚至工作生活都是极其重要的,只有不断锻炼,提高自己的动手能力,才能保质保量的完成任务2.团队的力量是不容忽视的。
有些事情与个人能力的高与低没有太大关系,只要团队中的每个人员能够了解自己的定位,各司其职,各自发挥自己的特长,才能为整个团队奉献出完美的一块拼图,最后完善整项工作。
3.前期的准备对于实验的完成非常重要。
棒影图实验报告学院:专业班级:组长:组员:组员:组员:实施时间:一、实验目的根据太阳与地球的运动规律,分析太阳日照的特点。
日照环境对居民身心健康区生态化发展进程有十分重要的意义,住宅建筑日照分析是城市居住区规划设计一项重要工作内容。
对于正南向布置的住宅按照各地正南向住宅的标准日照间距计算即可 ,但是对于不同朝向的住宅或老城区、周围建筑密集区的住宅 ,日照间距的确定较为困难。
利用棒影日照图综合分析确定住宅建筑日照间距和朝向,对解决这类问题是一种可靠实用的方法。
二、实验原理根据天球上太阳的周日视运动绘制的棒和棒影关系的轨迹图。
棒影图表示地球表面某观测点上一个单位长度的垂直棒和在阳光下棒影端点的移动轨迹。
棒影图按不同的地理纬度绘制。
图中实线为各月份的棒影曲线,虚线为时间线,曲线与时间线的交点至O 点的距离表示该纬度某月某日某时立于O 点上单位长度的棒的阴影长度与方向。
棒影图常用于研究建筑物遮挡、朝向及室内日照时间等。
设在地面上某点O 立一任意高度 H 的垂直棒,在已知某时刻的太阳方位角和高度的情况下,太阳照射棒的顶端a 在地面上的投影为'a ,棒影'oa 的长度为'H ,且HH s 'coth =。
因此,测得影的长度'H 和影的方位角's A ,即可根据以上公式和︒-=180's s A A ,求出太阳方位角s A 和高度角s h 。
棒影图三、实验材料及时间地点实验材料:指南针,铅笔棒,尺子,计算器,铅笔,透明胶,橡皮擦,电脑桌,坐标纸,量角器,夹子,剪刀(铅笔棒,17.7cm ) 长沙纬度ϕ=28.2°时间:2014.5.2,5月2号为今年的第122天(赤纬δ=15.2°) 地点:湖南大学德智学生公寓5栋7楼楼顶四、实验步骤及数据(1) 选择一根直棒,棒长H=17.7cm ,测出湖南大学德智学生公寓5栋7楼楼顶从日出到日没之间各设定时刻的棒影长度'H 和影的方位角's A(2) 按照棒影原理图的公式:s H H coth '=和︒-=180's s A A ,计算出各时刻的实测太阳方位角s A 和太阳高度角s h 。
日照分析出来的都是一些不同颜色数字,红色代表日照时间在1小时以内;黄色代表日照时间在1小时至2小时之间;绿色代表日照时间在2小时至3小时之间;青色代表日照时间在3小时至4小时之间;蓝色代表日照时间在4小时至5小时之间;紫色代表日照时间在5小时至6小时之间;白色或者说黑色代表日照时间在6小时至7小时之间;灰色代表日照时间在7小时至8小时之间。
回答人的补充 2009-09-28 15:23日照分析是指利用日照分析相关软件,建立完整的地球与太阳数学模型,从几何和光学的角度利用计算机进行大量的数学计算,解决物体的阴影和影响的关系,以此准确地分析出任意地点、任意时间的任意建筑物的细部状况,对建筑群体间相互影响进行分析,以求更加科学合理地安排建筑物的位置,为居住区创造出更加舒适的环境。
费点事吧,成都的规定给大家看哈。
成都市建筑日照分析管理办法(试行)第一条目的和依据为加强和规范建筑日照分析管理工作,根据《城市居住区规划设计规范》(GB50180-93、2002年修订版)和《成都市规划管理技术规定》,结合成都市实际情况,制定本办法。
第二条适用范围本办法适用于成都市中心城区域,中心城区域以外其他各区(市)县可参照执行。
第三条日照分析及复核要求需做日照分析的建筑应由建设单位提供日照分析成果。
成都市规划管理局可对建设单位报送的日照分析成果进行复核。
复核单位在规定周期内完成复核,复核结果作为规划管理部门进行建筑工程规划管理的依据。
对日照分析计算结果有异议的可以申请再次复核,日照分析结果若经再次复核基本一致即作为最终结果。
第四条日照分析对象及标准1.每套住宅至少应有一个卧室或起居室(厅)大寒日日照不低于2小时(三环路以内住宅大寒日日照不低于1小时)。
2.老年人、残疾人专用住宅应有一个卧室或起居室(厅)冬至日日照不低于2小时。
3.托儿所、幼儿园的生活用房冬至日底层日照不低于3小时。
4.医院、疗养院半数以上病房和疗养室冬至日日照不低于3小时。