模拟电子技术实验
- 格式:ppt
- 大小:1.51 MB
- 文档页数:159
一、实验目的1. 理解模拟电子技术的基本概念和基本原理。
2. 掌握模拟电路的搭建和调试方法。
3. 培养实验操作能力和数据分析能力。
二、实验原理模拟电子技术是研究模拟信号处理和模拟电路设计的学科。
本实验主要涉及以下原理:1. 基本放大电路:包括共射放大电路、共集放大电路、共基放大电路等。
2. 运算放大器:包括反相比例放大、同相比例放大、加法运算、减法运算等。
3. 滤波电路:包括低通滤波器、高通滤波器、带通滤波器、带阻滤波器等。
三、实验仪器与设备1. 模拟电子技术实验箱2. 函数信号发生器3. 示波器4. 数字多用表5. 绝缘导线6. 插头四、实验步骤1. 搭建共射放大电路:- 根据实验指导书,连接共射放大电路。
- 调整偏置电阻,使晶体管工作在放大区。
- 使用函数信号发生器输入正弦波信号,观察输出波形。
- 调整电路参数,观察输出波形的变化。
2. 搭建运算放大器电路:- 根据实验指导书,连接运算放大器电路。
- 输入不同电压信号,观察输出波形。
- 调整电路参数,观察输出波形的变化。
3. 搭建滤波电路:- 根据实验指导书,连接滤波电路。
- 输入不同频率的信号,观察输出波形。
- 调整电路参数,观察输出波形的变化。
五、实验结果与分析1. 共射放大电路:- 输入信号频率为1kHz,输出信号频率为1kHz,放大倍数为20。
- 当输入信号频率为10kHz时,输出信号频率为10kHz,放大倍数为10。
2. 运算放大器电路:- 反相比例放大电路:输入电压为1V,输出电压为-2V。
- 同相比例放大电路:输入电压为1V,输出电压为2V。
- 加法运算电路:输入电压分别为1V和2V,输出电压为3V。
- 减法运算电路:输入电压分别为1V和2V,输出电压为-1V。
3. 滤波电路:- 低通滤波器:当输入信号频率为1kHz时,输出信号幅度为0.5V;当输入信号频率为10kHz时,输出信号幅度为0.1V。
- 高通滤波器:当输入信号频率为1kHz时,输出信号幅度为0.1V;当输入信号频率为10kHz时,输出信号幅度为0.5V。
模拟电子技术实验报告模拟电子技术实验报告引言模拟电子技术是电子工程领域中的重要分支,它研究的是电子信号的传输、处理和控制。
在实际应用中,模拟电子技术被广泛应用于通信、娱乐、医疗等领域。
本篇实验报告将介绍我在模拟电子技术实验中的学习和实践经验。
实验一:放大电路设计与实验在这个实验中,我们主要学习了放大电路的设计和实验。
首先,我们通过理论计算和仿真软件的辅助,设计了一个放大电路。
然后,我们按照设计要求,选择合适的电子元件进行实验搭建。
在搭建完成后,我们使用示波器和信号发生器对电路进行测试和分析。
通过实验,我们深入了解了放大电路的工作原理和特性。
实验二:滤波电路设计与实验滤波电路是模拟电子技术中常见的电路之一。
在这个实验中,我们学习了低通滤波器和高通滤波器的设计和实验。
通过理论计算和仿真软件的辅助,我们设计了一个低通滤波器和一个高通滤波器。
然后,我们使用合适的电子元件进行实验搭建,并使用示波器和信号发生器对电路进行测试和分析。
通过实验,我们掌握了滤波电路的设计和调试方法。
实验三:振荡电路设计与实验振荡电路是模拟电子技术中的重要内容之一。
在这个实验中,我们学习了振荡电路的设计和实验。
通过理论计算和仿真软件的辅助,我们设计了一个振荡电路。
然后,我们使用合适的电子元件进行实验搭建,并使用示波器对电路进行测试和分析。
通过实验,我们了解了振荡电路的工作原理和特性,并学会了调试振荡电路的方法。
实验四:运算放大器设计与实验运算放大器是模拟电子技术中常见的电子元件之一。
在这个实验中,我们学习了运算放大器的设计和实验。
通过理论计算和仿真软件的辅助,我们设计了一个运算放大器电路。
然后,我们使用合适的电子元件进行实验搭建,并使用示波器和信号发生器对电路进行测试和分析。
通过实验,我们掌握了运算放大器的工作原理和特性,并学会了调试运算放大器电路的方法。
实验五:电源设计与实验电源是模拟电子技术中不可或缺的一部分。
在这个实验中,我们学习了电源的设计和实验。
模拟电子技术实验报告实验目的评估模拟电子技术的运用和实验结果的分析。
实验器材- 双踪示波器- 函数信号发生器- 直流稳压电源- 万用表- 电阻、电容等元器件实验步骤第一步:直流电压放大1. 按照电路图连接好电路,并将直流稳压电源输出设为10V。
2. 测量放大电路的直流放大倍数。
3. 将输入信号从0.1V逐渐增加到1V,并记录对应输出信号的电压值。
第二步:换流电路1. 按照电路图连接好电路,并将函数信号发生器的输出设为正弦波。
2. 测量换流电路的输出波形,并与输入波形进行比较。
第三步:集成运放1. 按照电路图连接好电路,并将输入信号设为三角波。
2. 测量集成运放输出波形,并与输入波形进行比较。
结果和分析1. 在直流电压放大实验中,测得电路的直流放大倍数为15.4倍,输出信号的失真略微增加。
这是因为理想的运放模拟电路在直流部分可以达到无穷大增益,但实际电路因为存在漏电、器件参数的不同导致实际相对稳定的直流增益不可能太高,而且正负电源电压限制了输出信号的动态范围。
2. 在换流电路实验中,我们通过不同的电容选择和欧姆电阻配合,完成了信号的正弦波变换成半波直流脉冲的效果。
但由于电路的非线性和欧姆电阻的不稳定,导致了输出信号有一定的失真和频率降低的现象。
3. 在集成运放实验中,我们实现了三角波的变幻成矩形波的目的。
理论上,集成运放的输入阻抗无限大,输出阻抗无穷小,所以输出信号理论上等于输入信号。
而实际中,集成运放输出信号会受到负载、电源电压波动等因素的影响,导致实际输出信号与理论信号有一定偏差。
总结通过本次模拟电子技术实验,我们学习了基本的模拟电路设计和调试方法,深入理解了运放的基本原理,对模拟电子技术的应用和实验结果的分析有了更深入的认识。
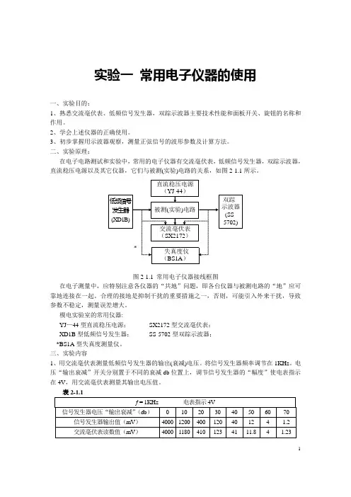
实验一常用电子仪器的使用一、实验目的:1、熟悉交流毫伏表、低频信号发生器,双踪示波器主要技术性能和面板开关、旋钮的名称和作用。
2、学会上述仪器的正确使用。
3、初步掌握用示波器观察,测量正弦信号的波形参数及计算方法。
二、实验原理:在电子电路测试和实验中,常用的电子仪器有交流毫伏表,低频信号发生器,双踪示波器,直流稳压电源以及其它仪器,它们与被测(实验)电路的关系,如图2-1.1所示。
图2-1.1 常用电子仪器接线框图在电子测量中,应特别注意各仪器的“共地”问题,即各台仪器与被测电路的“地”应可靠地连接在一起。
合理的接地是抑制干扰的重要措施之一,否则,可能引入外来干扰,导致参数不稳定,测量误差增大。
模电实验室的常用仪器:YJ—44型直流稳压电源;SX2172型交流毫伏表;XD1B型低频信号发生器;SS-5702型双踪示波器;*BS1A型失真度测量仪。
三、实验内容1、用交流毫伏表测量低频信号发生器的输出(衰减)电压。
将信号发生器频率调节在1KHz。
电压“输出衰减”开关分别置于不同的衰减db位置上,调节信号发生器的“幅度”使电表指示在4V,用交流毫伏表测量其输出电压值。
12、用双踪示波器Y轴任一输入通道探头,测量示波器“校正电压”读出荧屏显示波形的U P-P 值和频率ƒ。
3、用交流毫伏表及双踪示波器测量低频信号发生器或稳压电源的输出电压及周期的数值。
记入表2-1.2。
四、思考题:1、示波器荧光屏上的波形不断移动不能稳定,试分析其原因。
调节哪些旋钮才能使波形稳定不变。
答:用示波器观察信号波形,只有当示波器内部的触发信号与所测信号同步时,才能在荧光屏上观察到稳定的波形。
若荧光屏上的波形不断移动不能稳定,说明触发信号与所测信号不同步,即扫描信号(X轴)频率和被测信号(Y轴)频率不成整数倍的关系(ƒx≠nƒy),从而使每一周期的X、Y轴信号的起扫时间不能固定,因而会使荧光屏上显示的波形不断的移动。
此时,应首先检查“触发源”开关(SOURCE)是否与Y轴方式同步(与信号输入通道保持一致);然后调节“触发电平”(LEVEL),直至荧光屏上的信号稳定。
可编辑修改精选全文完整版模拟电子技术实验教学大纲一、实验课中文名称:模拟电子技术实验二、实验课英文名称:Analog Electronic Technology Experiment三、开课单位:电子信息学院四、实验课程编码:30705004五、实验课性质:单独设置的实验课六、学时学分数:48学时/2学分七、开课学期:3八、适用专业(方向):电子信息工程、自动化、通信工程九、课程简介:模拟电子技术实验课程是对非电类专业开设的独立实验课程,它相对于理论教学具有直观性、实践性、综合性,在培养学生的应用能力和创新能力方面具有极其重要的地位和作用。
模拟电子技术实验是一门重要的必修课程。
十、实验教学目的与基本要求:教学目的:通过实验课程的学习,使学生真正能将学到的理论知识运用于实践,并在实践中巩固所学的知识,让学生接触到与实际结合更加紧密的电子电路系统并完成模拟电路的安装、调试,熟练掌握电路参数的测试原理及测量方法。
任务要求:本实验课程是采用集中授课和单独指导相结合的方式,教师首先讲解实验原理,帮助学生更深刻地理解所学理论知识,讲解实验内容时需强调实验的要点、难点,训练学生的实验操作能力,指导学生分析、判断和解决实验中出现的问题。
学生每两人一组进行独立实验,在教师的同意指导下,学生应完成相应的内容。
每组学生应相互配合,一人操作,一人记录,对实验环境,实验中遇到的问题及故障分析、排除等,要求有完整的记录,在此过程中两人必须交换操作,完成实验后,每人需将预习报告及实验记录交指导教师检查、签字。
说明:(1)学时分配:合计数要与实验总学时相同或大于实验总学时数(其中超出的学时数可为选开实验)。
(2)实验属性:指所开实验为公共基础类、专业基础类或专业类。
(3)实验类型:指演示性、验证性、综合性或设计性。
(4)每组人数:指按规定开设本项实验每组可参加的学生人数。
(5)实验要求:指必做或选做。
十三、考核方法:本课程的成绩评定方法:实验报告占总评成绩的80%,实验操作、出勤情况占总评成绩的20%。
模拟电子技术基础实验报告模拟电子技术基础实验报告引言:模拟电子技术是电子工程中的重要分支,它涉及到模拟电路的设计、分析与实验。
本次实验旨在通过实际操作,加深对模拟电子技术的理解,并掌握一些基本的实验技能。
本报告将从实验原理、实验步骤、实验结果和实验总结等方面进行讨论。
实验原理:本次实验主要涉及到放大电路的设计与实现。
放大电路是模拟电子技术中的重要内容,它能够将输入信号放大到所需的幅度。
在本次实验中,我们将使用二极管、电阻和电容等元件来搭建一个简单的放大电路。
实验步骤:1. 准备工作:检查实验仪器和元件是否齐全,并确保实验台面整洁。
2. 搭建电路:按照实验指导书上的电路图,将二极管、电阻和电容等元件连接起来。
注意正确连接元件的正负极性,避免短路或反接。
3. 调试电路:将信号发生器连接到电路的输入端,通过调节信号发生器的频率和幅度,观察输出信号的变化。
根据实验要求,调整电路参数,使得输出信号达到所需的放大倍数。
4. 测量数据:使用示波器测量输入信号和输出信号的幅度、频率和相位等参数。
记录测量结果,并进行数据处理和分析。
5. 总结实验:根据实验结果,总结实验的目的、方法和结果。
分析实验中可能存在的误差和改进的方向。
实验结果:经过调试和测量,我们成功搭建了一个简单的放大电路,并获得了一系列的实验数据。
通过对实验数据的分析,我们发现在一定范围内,输入信号的幅度与输出信号的幅度成线性关系。
同时,我们还观察到输出信号的相位滞后于输入信号,这与放大电路的特性相符合。
实验总结:通过本次实验,我们深入了解了模拟电子技术的基础原理和实验方法。
我们不仅学会了搭建放大电路并调试,还掌握了使用示波器进行信号测量和分析的技巧。
在实验过程中,我们也遇到了一些困难和问题,但通过不断尝试和思考,最终解决了这些难题。
这次实验不仅增加了我们对模拟电子技术的理解,还提高了我们的实验能力和问题解决能力。
结语:模拟电子技术是电子工程中不可或缺的一部分,它在通信、控制、电力等领域有着广泛的应用。
一、实验目的1. 熟悉模拟电子技术实验的基本操作流程;2. 掌握模拟电子技术实验的基本测量方法;3. 理解模拟电子电路的基本原理,提高电路分析能力;4. 培养实验操作技能,提高动手实践能力。
二、实验内容1. 常用电子仪器的使用:示波器、万用表、信号发生器等;2. 晶体管共射极单管放大器实验;3. 射极跟随器实验;4. 差动放大器实验。
三、实验原理1. 常用电子仪器使用:示波器、万用表、信号发生器等是模拟电子技术实验中常用的测量工具,掌握这些仪器的使用方法对于进行实验至关重要。
2. 晶体管共射极单管放大器:晶体管共射极单管放大器是一种基本的模拟放大电路,其原理是利用晶体管的电流放大作用,将输入信号放大。
3. 射极跟随器:射极跟随器是一种具有高输入阻抗、低输出阻抗、电压放大倍数接近1的放大电路,常用于信号传输和阻抗匹配。
4. 差动放大器:差动放大器是一种能有效地抑制共模干扰的放大电路,广泛应用于测量、通信等领域。
四、实验步骤1. 常用电子仪器使用:熟悉示波器、万用表、信号发生器的操作方法,并进行基本测量。
2. 晶体管共射极单管放大器实验:(1)搭建实验电路,包括晶体管、电阻、电容等元件;(2)调整电路参数,使晶体管工作在放大区;(3)使用示波器观察输入信号和输出信号,分析电路放大效果。
3. 射极跟随器实验:(1)搭建实验电路,包括晶体管、电阻、电容等元件;(2)调整电路参数,使晶体管工作在放大区;(3)使用示波器观察输入信号和输出信号,分析电路放大效果。
4. 差动放大器实验:(1)搭建实验电路,包括晶体管、电阻、电容等元件;(2)调整电路参数,使晶体管工作在放大区;(3)使用示波器观察输入信号和输出信号,分析电路放大效果。
五、实验数据及分析1. 常用电子仪器使用:根据实验要求,使用示波器、万用表、信号发生器等仪器进行测量,并记录数据。
2. 晶体管共射极单管放大器实验:(1)输入信号频率为1kHz,幅值为1V;(2)输出信号频率为1kHz,幅值为5V;(3)放大倍数为5。
模拟电子技术实验实验一常用仪器、仪表的测量一、实验目的1.掌握函数信号发生器的使用方法;2.掌握交流毫伏表的使用方法;3.掌握双踪示波器的使用方法;学会用示波器测量正弦信号的峰峰值、周期及频率。
二、实验原理在模拟电子技术实验中,函数信号发生器用来提供各种电源信号;交流毫伏表则用来测量交流电压的有效值;示波器能定性显示信号波形和定量测试。
按照图3-1框图连线,函数信号发生器把不同频率、不同幅值的信号送进示波器,用示波器进行观测,同时用交流毫伏表测量,最后把示波器测试的结果与交流毫伏表测试的结果加以比较。
图3-1 实验电路框图三、实验仪器与器件函数信号发生器;交流毫伏表;双踪示波器。
四、实验内容与步骤1.函数信号发生器和交流毫伏表的使用1)接通函数信号发生器的电源,选择输出正弦波信号,先调节“频率粗调”使输出频率为500Hz,再调节“正弦波衰减”为“0db”档,顺时针旋转“正弦波衰减幅度”旋钮,使表头输出电压为最大值。
2)接通交流毫伏表电源,将波段开关置电压档的最高量程(300V)。
3)将毫伏表开路电缆的红、黑两端分别与函数信号发生器正弦波输出红黑插座相接。
4)调节量程开关(从高量程向低量程调节)使毫伏表表头指针指在满刻度的2/3处。
5)准确读数。
6)分别测量函数信号发生器输出正弦波信号为1KHz、10KHz、“正弦波衰减”为20db、40db档时的最大输出电压值7)将测量值填入表3-1中。
2.双踪示波器的使用参考本书第一章示波器的使用,认识示波器面板的旋钮,熟悉旋钮的作用。
1)检查本机标准信号,并定量测量标准信号的时间、周期和幅度。
2)将函数信号发生器调在正弦波1KHz处,输出电压为3V。
3)用毫伏表测量正弦波的有效值,并填入表3-2中。
4)将函数信号发生器的正弦波信号输入示波器。
调节示波器有关旋钮,使荧光屏上出现一个稳定的正弦波信号,计算正弦波的峰峰值和周期。
5)计算公式如下:峰峰值计算:Up-p=volts/div档位数×Y轴格数周期计算:T=sec/div档位数×X轴格数3.将函数信号发生器输出电压改为10KHz、5V,再重复上述步骤。
实验一 共发射极放大电路1、实验目的(1)熟练掌握共发射极放大电路的工作原理,静态工作点的设置与调整方法,了解工作点对放大器性能的影响;(2)掌握放大器基本性能指标参数的测试方法。
2、实验设备(1)模拟电子线路实验箱 1台 (2)双踪示波器 1台 (3)函数信号发生器 1台(4)直流稳压电源 1台 (5)数字万用表 1台3、实验原理图1.1 所示是一个阻容耦合共发射极放大器。
它的偏置电路采用R b1 和R b2 组成的分压电路,并在发射极中接有电阻R e (Re =Re1+Re2),以稳定放大器的静态工作点。
当在放大器的输入端加输入信号u i 后,在输出端就可以得到一个与u i 相位相反,幅值被放大了的输出信号u o ,从而实现了放大。
(1)静态工作点U BQ = U CC R b2 /(R b1 + R b2)I CQ ≈I EQ =(U BQ -U BE )/ R e = U EQ / R eU CEQ ≈ U CC -I CQ (R C +R e )为使三极管工作在放大区,一般应满足: 硅管: U BE ≈ 0.7V U CC >U CEQ >1V (2)电压放大倍数图1.1共发射极放大器CCA u = -βR L ′/r be (注:R L ′=RL ∥RC )(3)输入、输出电阻R i = R b1∥R b2∥r be r be = r bb ′+(1+β)26mV / I EQ mA R o = r o ∥R C ≈ R C4、实验内容与步骤(1)线路连接按图1.1 连接电路,把基极偏置电阻R P 调到最大值,避免工作电流过大。
(2)静态工作点设置接通+12V 直流电源,调节基极偏置电阻R P ,使I EQ =1mA ,也即是使U EQ = 1.9V 。
然后测试各工作点电压,填入表1-1中。
(3)电压放大倍数测量调节信号源,使之输出一个频率为1kHz ,峰峰值为30mV 的正弦信号(用示波器测量)。
一、实验目的1. 理解模拟电子技术的基本原理和实验方法。
2. 掌握晶体管放大电路的基本搭建和调试方法。
3. 学习信号的产生、传输和处理的实验技能。
4. 提高对电路性能指标的理解和测试能力。
二、实验原理模拟电子技术是研究模拟信号处理和传输的理论和技术。
本次实验主要涉及以下内容:1. 晶体管放大电路:利用晶体管的放大作用,将微弱的输入信号放大到所需的幅度。
2. 信号发生器:产生不同频率和幅度的正弦波信号,用于测试电路的性能。
3. 示波器:观察和分析信号的波形,测量信号的幅度、频率和相位等参数。
4. 万用表:测量电路中的电压、电流和电阻等参数。
三、实验内容及步骤1. 晶体管共射放大电路(1)搭建共射放大电路,包括输入端、放大电路和输出端。
(2)调整电路参数,使放大电路工作在最佳状态。
(3)使用信号发生器产生输入信号,观察输出信号的波形和幅度。
(4)测量放大电路的增益、带宽和失真等性能指标。
2. RC正弦波振荡器(1)搭建RC正弦波振荡器电路,包括RC振荡网络和放大电路。
(2)调整电路参数,使振荡器产生稳定的正弦波信号。
(3)使用示波器观察振荡信号的波形和频率。
(4)测量振荡器的振荡频率、幅度和相位等性能指标。
3. 差分放大电路(1)搭建差分放大电路,包括两个共射放大电路和公共发射极电阻。
(2)调整电路参数,使差分放大电路抑制共模信号,提高电路的共模抑制比(CMRR)。
(3)使用信号发生器产生差模和共模信号,观察输出信号的波形和幅度。
(4)测量差分放大电路的增益、带宽和CMRR等性能指标。
四、实验数据记录与分析1. 晶体管共射放大电路| 电路参数 | 测量值 || --- | --- || 输入信号幅度 | 0.1V || 输出信号幅度 | 5V || 增益 | 50 || 带宽 | 10kHz || 失真 | <1% |2. RC正弦波振荡器| 电路参数 | 测量值 || --- | --- || 振荡频率 | 1kHz || 振荡幅度 | 2V || 相位| 0° |3. 差分放大电路| 电路参数 | 测量值 || --- | --- || 差模增益 | 20 || 共模抑制比(CMRR) | 60dB |五、实验结论1. 通过本次实验,加深了对模拟电子技术基本原理的理解。
模拟电子技术基础实验实验报告目录一、共射放大电路二、集成运算放大器三、RC正弦波振荡器四、方波发生器五、多级负反馈放大电路六、有源滤波器七、复合信号发生器一、共射放大电路1.实验目的(1)掌握用Multisim 13仿真软件分析单极放大电路主要性能指标的方法。
(2)熟悉常用电子仪器的使用方法,熟悉基本电子元器件的作用。
(3)学会并熟悉“先静态后动态”的电子线路的基本调试方法。
(4)分析静态工作点对放大器性能的影响,学会调试放大器的静态工作点。
(5)掌握放大器电压放大倍数、输入电阻、输出电阻及最大不失真输出电压的测试方法。
(6)测量放大电路的频率特性。
2.实验器材(1)双路直流稳压电源一台;(2)函数信号发生器一台;(3)示波器一台;(4)毫伏表一台;(5)万用表一台;(6)三极管一个;(7)电阻电位器;(8)模拟电路实验箱;3.实验原理及电路实验电路如下图所示,采用基极固定分压式偏置电路。
电路在接通直流电源Vcc而未加入输入信号(Vi=0)时,三极管三个极电压和电流称为静态工作点。
根据XSC1的显示,按如下方法进行操作:现象出现截止失真出现饱和失真操作减小R7 增大R7当滑动变阻器R7设置为11%时,有最大不失真电压。
静态工作点测量将交流电源置零,用万用表测量静态工作点。
理论估算值实际测量值BQ U CQ U EQ U CEQ UCQ I BQ U CQ U EQ U CEQUCQ I3.98V 6.03V 3.28V 2.75V 2.98m A 3.904V6.253V3.186V3.067V2.873m A1. Q 点过低——信号进入截止区2. Q 点过高——信号进入饱和区二、集成运算放大器1.实验目的(1)加深对集成运算放大器的基本应用电路和性能参数的理解。
(2)了解集成运算放大器的特点,掌握集成运算放大器的正确使用方法和基本应用电路。
(3) 掌握由运算放大器组成的比例、加法、减法、积分和微分等基本运算电路的功能。
桂林电子科技大学模拟电子技术实验报告实验一单级放大电路5、查找三极管9013 资料,在下图中标出9013 的三个引脚(E、B、C),并写出3~5 项你认为重要的参数?四.实验步骤及注意事项1. 测量导线、信号线、电源线好坏。
注意事项:使用台式万用表蜂鸣器档测量导线,不测量将可能导致实验失败!2.检查实验所用的A1 电路板上三极管所在位置的背面是否焊接有三极管。
注意事项:若有则第3、4 步可跳过不做,在表2 中β记为100。
3. 测量三极管9013 的直流放大系数β记录在表2 中。
注意事项:使用UT8803N 台式数字万用表HFE 档位,将三极管插到NPN 一边。
4.将已经测过值的三极管插入A1 电路板对应的三极管插孔中。
注意事项:三极管必须按照正确顺序插入A1 电路板中,不插入或插错将导致实验测量数据全错!5. 连接电路,接通12V 直流电源,但不接入信号源!注意事项:(1)单级放大电路的输入端暂时不能接入信号源。
(2)检查电路无误后,才能接通电源。
(3)所用的12V 要用万用表测量校准。
6. 设置静态工作点。
注意事项:(1)用台式万用表DCV(直流电压)档位监测UEQ电压变化(电路中三极管发射极与“地” 之间的电压,万用表黑表笔接“地”)。
(2)调节电位器RP 的大小,使得UEQ调到约为1.9V,不用非常精确。
7.测量静态工作点注意事项:UBQ、UEQ、UCQ分别表示电路中三极管基极、发射极、集电极与“地”之间的电压,而“ Q”表示的是“静态”而不是“地”,UBEQ= UBQ- UEQ,UCEQ= UCQ- UEQ。
8.测量RP的阻值。
注意事项:测量RP的阻值时,应把RP与电路断开,测完RP后再接回!9.电路输入端接入信号源,输出端将5.1KΩ 负载接上,用示波器双通道同时测量输入输出波形,观察ui、uoL的相位关系,并在一个坐标系上画出波形图。
注意事项:(1)信号源和示波器必须共地,即黑夹子要接地。
模拟电子技术实验报告实验目的,通过模拟电子技术实验,加深对电子技术原理的理解,掌握基本的电路设计和调试方法。
实验仪器和材料,集成电路实验箱、示波器、电源、电阻、电容、电感等元器件。
实验一,直流电路实验。
1. 实验内容,搭建一个简单的直流电路,测量电压、电流、电阻等参数。
2. 实验步骤,首先将电源连接到实验箱上,然后依次连接电阻、电压表和电流表,调节电源电压,记录电路中各个元件的参数。
3. 实验结果,根据测量结果,绘制电压-电流特性曲线,计算电路中的电阻值。
实验二,交流电路实验。
1. 实验内容,搭建一个简单的交流电路,观察交流电压的变化规律。
2. 实验步骤,将交流电源接入实验箱,连接电阻、电容等元件,利用示波器观察电压波形的变化。
3. 实验结果,根据示波器显示的波形,分析电路中的相位差、频率等参数。
实验三,放大电路实验。
1. 实验内容,搭建一个简单的放大电路,观察输入信号和输出信号的变化。
2. 实验步骤,连接放大电路的输入和输出端,输入不同幅度和频率的信号,观察输出信号的变化。
3. 实验结果,根据实验结果,分析放大电路的增益、频率响应等特性。
实验四,滤波电路实验。
1. 实验内容,搭建一个简单的滤波电路,观察不同频率信号的滤波效果。
2. 实验步骤,连接滤波电路的输入和输出端,输入不同频率的信号,观察输出信号的变化。
3. 实验结果,根据实验结果,分析滤波电路的通频带、阻带等特性。
实验五,振荡电路实验。
1. 实验内容,搭建一个简单的振荡电路,观察输出信号的振荡特性。
2. 实验步骤,连接振荡电路的输入和输出端,调节电路参数,观察输出信号的频率和幅度。
3. 实验结果,根据实验结果,分析振荡电路的频率稳定性、波形失真等特性。
实验总结,通过以上实验,加深了对模拟电子技术原理的理解,掌握了基本的电路设计和调试方法,为今后的电子技术应用奠定了基础。
北理模拟电子技术实验报告实验目的:本实验旨在加深对模拟电子电路原理的理解,通过实际操作掌握模拟电路的搭建、测试与分析方法,培养学生的实践能力和创新思维。
实验原理:模拟电子技术是电子工程领域中的基础,涉及对连续信号的处理。
本次实验主要围绕基本放大电路、滤波器、振荡器等模拟电路的设计与测试。
实验设备与材料:1. 面包板2. 电阻、电容、电感等电子元件3. 信号发生器4. 万用表5. 示波器6. 模拟电路实验箱实验步骤:1. 根据实验要求设计电路图,并列出所需元件清单。
2. 在面包板上搭建电路,注意元件的连接顺序和方向。
3. 使用信号发生器提供测试信号,观察示波器上波形的变化。
4. 调整电路参数,记录不同参数下电路的性能。
5. 使用万用表测量电路中关键节点的电压和电流,验证理论分析与实际测量的一致性。
实验结果:在本次实验中,我们成功搭建了基本放大电路,并测试了不同增益设置下的放大效果。
通过调整电阻和电容的值,实现了低通、高通和带通滤波器的设计。
此外,还搭建了简单的振荡器电路,观察到了稳定的振荡波形。
实验分析:通过对电路的搭建和测试,我们发现电路的实际性能与理论设计存在一定的偏差。
这可能是由于元件参数的不准确、电路搭建中的连接问题或信号源的干扰等因素造成的。
通过调整和优化,可以提高电路的性能。
实验结论:通过本次模拟电子技术实验,我们不仅掌握了模拟电路的设计与测试方法,还学会了如何分析和解决实验中遇到的问题。
实验结果表明,理论与实际相结合是提高电路性能的关键。
实验心得:在实验过程中,我们深刻体会到了理论与实践相结合的重要性。
通过动手实践,我们对模拟电子技术有了更深入的理解。
此外,实验过程中遇到的问题也锻炼了我们分析问题和解决问题的能力。
安全注意事项:1. 实验前应仔细阅读实验指导书,了解实验原理和操作步骤。
2. 使用仪器设备时,应遵循操作规程,注意人身安全。
3. 实验结束后,应及时清理实验台,关闭电源,确保实验室的安全。
模拟电子技术实验报告答案引言模拟电子技术实验是电子工程专业中重要的基础实验之一。
通过模拟电子技术实验,学生可以掌握各种模拟电子电路的特性和设计方法,并将理论知识应用于实践中。
本文将介绍一系列模拟电子技术实验的答案,包括实验题目、实验步骤、实验结果分析等。
实验一:放大电路实验题目设计一个放大电路,输入电压为1V,要求输出电压放大倍数为10倍。
实验步骤1.根据题目要求,选择合适的放大电路拓扑结构,常见的有共射极、共集电极和共基极三种结构,本实验选择共射极结构。
2.根据放大倍数为10倍,可以使用一个普通的放大电路进行级联以获得所需的放大倍数。
即将输入信号接到第一个放大电路的输入端,输出端接到第二个放大电路的输入端,通过级联方式实现10倍放大。
3.根据实际情况确定所需器件的参数,包括BJT晶体管的类型、电阻的取值等。
4.根据电路拓扑和参数,利用电路分析和计算方法计算得到各个元件的取值。
5.根据计算结果,选择合适的元件进行实际电路的搭建。
6.进行实际测量,输入1V的信号,并测量输出电压的值。
7.比较实际测量结果和理论计算结果,分析可能的误差来源。
实验结果分析通过实验测量得到的结果为:•输入电压:1V•输出电压:10V根据实验结果与理论计算结果的比较,发现实验结果与理论计算结果基本一致,可以证明实验设计及测量操作的正确性。
然而,实际电路中存在一些误差来源,如元件的内阻、元件参数的漂移等,这些误差会对实验结果产生一定的影响。
因此,在进行电路设计和实验测量时,需要综合考虑各种因素,并进行合理的误差分析。
实验二:直流电源设计实验题目设计一个直流电源电路,输出电压为5V,输出电流为1A,要求电源稳定性好、负载能力强。
实验步骤1.根据题目要求和实际需求,选择合适的直流电源拓扑结构。
常见的直流电源拓扑结构有线性稳压电源和开关稳压电源两种,本实验选择线性稳压电源。
2.根据所需的输出电压和电流,计算得到所需的变压器参数。
3.根据变压器参数,选择合适的变压器进行实际电路的搭建。
第1篇一、实验目的1. 熟悉模拟电子技术的基本原理和实验方法;2. 掌握常用电子元器件的测试方法;3. 培养学生动手能力、分析问题和解决问题的能力;4. 理解模拟电路的基本分析方法。
二、实验原理(此处简要介绍实验原理,包括相关公式、电路图等。
)三、实验仪器与设备1. 信号发生器2. 示波器3. 数字万用表4. 模拟电子实验箱5. 连接线四、实验步骤1. 按照实验原理图连接实验电路;2. 使用数字万用表测量相关元器件的参数,如电阻、电容等;3. 使用信号发生器产生不同频率、幅值的信号;4. 使用示波器观察电路输出波形,分析电路性能;5. 根据实验要求,调整电路参数,观察波形变化;6. 记录实验数据,分析实验结果;7. 撰写实验报告。
五、实验数据与分析(此处列出实验数据,包括测量结果、波形图等。
)1. 电路参数测量结果:(列出电阻、电容等元器件的测量值)2. 电路输出波形分析:(分析电路输出波形,如幅度、频率、相位等)3. 实验结果与理论分析对比:(对比实验结果与理论分析,分析误差原因)六、实验结论1. 总结实验过程中遇到的问题及解决方法;2. 总结实验结果,验证理论分析的正确性;3. 对实验电路进行改进,提高电路性能;4. 对实验过程进行反思,提高实验技能。
七、实验报告1. 实验目的;2. 实验原理;3. 实验仪器与设备;4. 实验步骤;5. 实验数据与分析;6. 实验结论;7. 参考文献。
八、注意事项1. 实验过程中注意安全,遵守实验室规章制度;2. 操作实验仪器时,轻拿轻放,避免损坏;3. 严谨实验态度,认真记录实验数据;4. 实验结束后,清理实验场地,归还实验器材。
注:本模板仅供参考,具体实验内容和要求请根据实际课程安排进行调整。
第2篇实验名称:____________________实验日期:____________________实验地点:____________________一、实验目的1. 理解并掌握____________________的基本原理和操作方法。