空冷器型号
- 格式:doc
- 大小:817.00 KB
- 文档页数:23
空冷式换热器1.空冷器型号的说明为方便用户,我公司空冷器型号均参照GB/T15386-97《空冷式换热器》编制。
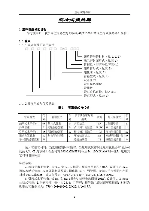
1.1管束1.1.1管束型号的表示方法:□□□□□□□/□□□□翅片管基管材料(见1.1.2)法兰密封面形式(见表1)管程数(用罗马数字表示)翅片管形式(见表3)翅化比(见表2)管箱型式(见表1)设计压力管束换热面积管排数管束公称直径:长×宽m管束型式(见表1)1.1.2管束型式与代号见表表1 管束型式与代号翅片管基管材料:当选用碳钢时可缺省,当选用武汉市润之达石化设备有限公司S、Cl-腐蚀稀土合金材料09Cr2AlMoRE时标注D,12Cr2AlMoV时标注R,选用其的抗H2它材料也应标注。
标注示例:a.鼓风式水平管束:长9m、宽2m;6排管;基管换热面积140m2;设计压力4Mpa;可卸盖板式管箱;双金属轧制翅片管,翅化比23.4;Ⅵ管程;接管法兰密封面凹凸面;材料09Cr2AlMoRE,管束型号为:GP9×2-6-140-4.0K1-23.4/DR-VIMFMD。
b.引风式水平管束:长9m、宽3m;6排管;基管换热面积193m2;设计压力2.5Mpa;丝堵式管箱;L型翅片管,翅化比23.4;Ⅱ管程;接管法兰密封面环连接面;材料为碳钢的管束型号为:YP9×3-6-193-2.5S-23.4/L-ⅡRJ。
表2 翅化比及迎风面积比(参照JB/T4740-1997)1.2构架1.2.1构架型号表示方法:□□□□风箱型式(见表3)风机直径×102mm/台数构架公称尺寸长×宽m(对斜顶式构架为长×宽×斜边长)开(闭)型构架型式(见表3)标注示例:a.鼓风式空冷器水平构架长9m、宽4m;风机直径3000mm,2台,方箱型风箱;闭式构架型号为:GJP9×4B-30/2F。
1.2.2型式与代号表31.3风机1.3.1风机型号表示方法:□□□□□□□电动机功率KW风机传动方式(见表4)叶片数(见表4)叶片型式(见表4)叶轮直径×102mm风量调节方式(见表4)通风方式(见表4)标注示例:a.鼓风式,停机手动调角风机;直径2400mm、B型玻璃钢叶片;叶片数4个;悬挂式电动机轴朝上V带传动、电动机功率18.5KW的风机型号:G-TF24B4-Vs18.5b.引风式,自动调角风机;直径3000mm、R型玻璃钢叶片;叶片数6个;悬挂式电动机轴朝上V带传动、电动机功率15KW的风机型号:Y-2FJ30R6-Vs151.3.2型式与代号表41.4百叶窗1.4.1百叶窗型号表示方法:□□公称尺寸,长×宽m调节方式标注示例:a.手动调节百叶窗,长9m,宽3m,其型号SC9×3b.自动调节百叶窗,长6m,宽2m,其型号ZC6×21.5喷淋装置□□喷淋装置的公称尺寸长×宽(m)喷淋装置代号标注示例:喷淋装置长9m、宽3m,其型号为P9×31.6空冷器型号的表示方法:□□□□百叶窗型式,公称尺寸/台数构架型式,公称尺寸开(闭)型式/跨数风机型式,叶轮直径×102,mm/台数管束型式,管束材质、公称尺寸/片数标注示例:鼓风式空冷器,水平式管束,材质09Cr2AlMoRE,长×宽为9m×3m,4片,停机手动调角风机,直径3600mm,4台,水平构架,长×宽为9m×6m,1跨闭式构架,1跨开式构架,手动调节百叶窗,4台,长×宽为9m×6m的空冷器型号为:GPD9×3/4-TF36/4- GJP9×6B/1GJP9×6K/1-SC9×3/42.水平式空冷器2.1水平式空冷器管束2.1.1丝堵式水平空冷器管束2.1.1.1丝堵式水平空冷器管束安装尺寸(图1)。
空气冷却器技术及设备空气冷却器是以环境空气作为冷却介质,对管内高温流体进行冷却或冷凝的设备,它具有不需要水源,适用于高温、高压的工艺条件,使用寿命长,运转费用低等优点。
随着水资源和能源的匮乏以及环保意识的增强,节水、节能、无污染的空气冷却器将会得到更广泛的应用。
一、空冷器的应用与水作为冷却介质的传统工业冷却系统相比,空冷的优缺点如表1和表2所示。
由表可见,在缺水地区(如沙漠地带)或水冷结垢和腐蚀严重的地区,适合采用空冷器。
一般在下述条件下采用空冷比较有利。
(1) 热流体出口温度与空气进口温度之差>15℃。
(2) 热流体出口温度>60℃,其允许波动范围>5℃。
(3) 空气的设计气温<38℃。
(4) 有效对数平均温度差≥40℃。
(5) 管内热流体的给热系数<2300 W/(m2 *℃)。
(6) 热流体的凝固点<0℃。
(7) 管侧热流体的允许压降>10kPa,设计压力>100kPa。
二、空冷器的型式空冷器由管束、风机、构架三个基本部分和百叶窗、风筒、喷淋装置、梯子、平台等辅助部分组成,每个管束有若干排三角形排列的管子,该管子一般是翅片管,也可以是光管。
介质的流向通常是逆流,热流体从管束顶端流入,底部流出,空气由下向上流动,冷却热的工艺介质。
另外还有风机、百叶窗、构架和风箱等部件,风机驱动空气流过管束,百叶窗通过调节进入空冷器的空气量来改善空冷器的调节和适应性能,构架是支撑管束、风机,百叶窗以及其它附属件的钢结构,风箱用于导流空气。
空冷器按管束布置方式可分为水平式和斜顶式;按通风方式可分为鼓风式和引风式;按冷却方式可分为干式、湿式和干湿联合式。
2.1 管束表3管束的型式与代号a 鼓风式水平管束(GP)b 引风式水平管束(YP)c 斜顶管束(X)d 湿式立置管束(SL)e 干湿联合斜置(SX)f 减压塔顶空冷器(YSX)图1 管束型式a:L型翅片管(L)b:LL型翅片管(LL)c:滚花型翅片管(KL)d:双金属轧制翅片管(DR)e:镶嵌型翅片管(G)f椭圆管套矩形片翅片管(TC)g:板翅片翅片管(T60)图2 翅片管型式a 光滑平面法兰b 凹凸面法兰c 榫槽式法兰d 透镜垫式法兰e 梯型槽面法兰图3 法兰密封面型式丝堵式管箱(C)可卸盖板式管箱(K)可卸帽盖式管箱(K2)全焊接圆帽管箱(Q)集合管式管箱(J)图4 管箱型式1.1.2 常用换热元件规格及特性常用换热元件(翅片管)规格(见表2),翅片管翅化比表(见表3),特性比较表(见表4)表2 常用换热元件规格表。
空冷器基本知识在石油化工生产中,工艺介质的冷却通常用水冷器,用得最多的冷却器是空冷器。
现将空冷器的基本知识简介如下:一、空冷器型号的意义1.管束型号的解释管程数及法兰密封面型式:S光洁面;b凹凸面;c榫槽面;d梯形槽翅化比/翅片管型式设计压力(MPa)及管箱型式S丝堵型;L法兰型;Q全焊型;J集合管型光管换热面积(㎡)翅片管排数管束公称尺寸:长×宽(m)管束放置方式:P水平式;X斜式;SL湿立失;SLX湿立斜式;XT斜顶式例:P9*3-4-13-1.575-23。
4/GJ-Ⅱa表示:水平式管束长9m,宽3m,4排翅片管,光管面积为130m2,设计压力为1.57 Mpa,丝堵型管箱,翅化比23.4GJ型翅片管,二管程,光滑面密封。
2.构架型号的解释风机直径×102mm/数量A :构架开式;B:闭式构架公称尺寸:长×宽(m)构架型式:JP水平式;JXT斜顶式;JS湿立式;JSL干、湿联合式;JSLX湿立斜失例:JP9*6B-36/2表示:水平式构架,公称尺寸为9m,宽6m,闭式,风机直径3600mm,风机2台。
3.风机型号的解释电机功率(kw)风机转动方式:a~k风机叶片数叶片型式:B标准型;C加宽型;W宽型叶片直径:×102mm风量调节方式:SF停机手调式;BF半自调式;ZF自动调节式通风方式G鼓风式;Y引风式例:G-SF36B4-K22鼓风式,停机手调式风机,叶轮直径3600mm,B型时片,4叶,K式行动,电机功率22KW。
4.百叶窗型号的解释公称尺寸(长×宽)(m)百叶窗C调节型式:S手调;Z自调例:SC6*3手动调节百叶窗,公称尺寸长6m,宽3m。
5.喷水装置型号的解释喷水装置代号及公称尺寸(m )例:PS6*3表示:喷水装置公称尺寸:长6m,宽3m. 6. 全套“空气冷却器”型号喷水装置型号/台数(干空冷无此单元)百叶窗型号/台数 构架型号/台数 风机型号/台数 管束型号/台数通风方式:引风Y ;鼓风G例:2939592/4362939⨯⨯-⨯--⨯⨯-SC SC JP B SF P P G表示:a . 鼓风式。
P 型系列空气冷却器使用说明书泰州市裕华制冷设备制造有限公司空气冷却器一、概况P型系列空气冷却器(又称冷风机)是一种使用于各种冷库的冷却降温设备,P型系列空气冷却器有PC、PCE和PE型三种型式分别使用于不同库温的冷库。
它具有结构紧凑、重量轻、不占有冷库实用面积等优点,与自然对流排管相比,它能使冷库内贮藏的食品迅速降温,大大提高了贮藏食品的保鲜度。
二、产品用途P型系列空气冷却器可与不同制冷量的压缩冷凝机组配套,用于不同库温的冷库中作为制冷设备。
其中PC型适用于库温为0℃左右的冷库,如保存鲜蛋或蔬菜的库。
PCE型适用于库温为-18℃左右的冷库,作为肉类、鱼类等冷冻食品的冷藏用。
PE型适用于库温为-25℃或低于-25℃的冷库作为鲜肉或鲜鱼制品及调理食品等冻结用。
三、产品特点1、壳体采用喷塑钢板、轧花铝板或不锈钢板,耐腐蚀,外形美观,可满足不同可户的需求。
2、盘管以错排方式布置,传热效率高,通过机械胀管将铝翅片套在铜管上连接牢靠。
3、该产品为厂内配线,所有接线均置于一个接线盒内,安装维修方便。
4、选用的电机和风叶,噪声低,运转平稳并可根据用户需要选用防爆型电机。
5、排水管中央最低处设有排水接口,排水可靠。
6、槽型吊架,安装方便。
7、U型管状不锈钢管及氧化镁填料的电加热管,置于盘管中,融霜效果良好,几种可选的融霜方式(电加热管、水、热气)。
8、出厂前全部经过保压充氮处理。
四、型号说明空气冷却器的传热面积(m2)空气冷却器的名义制冷量KW(kcal/h)融霜方式:对电融霜省略此相,W表示水冲霜适用制冷剂(对R22省略此项)冷却物冷藏库用C表示冻结物冷藏库用CE表示速冻库用E表示吊顶式用P表示五、冷风机安装前的检查1、在拆开外包装后应检查各连接部件有无松动,如有松动应重新紧固。
2、检查轴流风机的风叶安装在电机轴上是否牢固,风叶与防护罩是否碰伤。
3、如因运输而造成冷风机有损坏或变形时,应修复后才能吊装。
1大卡/小时=1.163W适用于库温:-2 ~ +5℃的冷库备注:根据用户需要可进行特殊加工1大卡/小时=1.163W适用于库温:+2 ~ -20℃的冷库备注:1、可根据用户要求加工成水冲霜; 2、根据用户需要可特殊加工。
空冷技术介绍煤化工闭式循环水空冷技术介绍空冷式换热器,简称空冷器,作为一种冷凝冷却设备,广泛地应用于炼油、化工、电力及冶金行业,它是工业装置的主要工艺设备之一。
按冷却方式可分为:干空冷、增湿空冷、表面蒸发空冷、联合空冷,考虑技术经济性,干空冷适用于传热温差较大的场合,增湿空冷、表面蒸发空冷适用于传热温差较小的场合。
1 、干式空冷器干式空冷是以环境空气作为冷却介质,依靠翅片管扩展传热面积来强化管外传热,靠空气横掠翅片管后的空气温升带走热量,达到冷却、冷凝管内工艺流体的目的。
它可使管内工艺流体出口温度冷到比环境干球温度高15~20℃。
2 、湿空冷器湿空冷器又分为增湿型湿空冷器和喷淋型湿空冷器。
a. 增湿型湿空冷器增湿型湿空冷的典型结构如图1 所示。
其工作特点是在空气入口处喷水雾,利用雾状水的蒸发使空气入口处的干燥空气增湿,以此降低空气入口温度,使空冷器入口风温由干球温度降低到湿球温度,增大空气入口温度与管内工艺流体出口温度之间的温差来强化传热。
增湿降温的空气经过挡水板除去夹带的水滴后横掠翅片管束,它仍完全依靠空气温升来冷却或冷凝管内工艺流体。
入口处空气相对湿度愈小,空气增湿后降温愈多,其冷却效果也愈显著。
b. 喷淋蒸发型空冷器喷淋蒸发型空冷器的典型结构如图2 所示。
喷淋蒸发型空冷器的作用原理是依靠喷淋在管束翅片管表面形成的水膜,空气以一定的速度掠过管束,翅片表面的水膜在气流和管内热介质的双重作用下强制蒸发,取热能力很大。
管外膜传热系数要比普通的干式空冷器大3-5倍。
此外,水的喷淋蒸发,不仅使空冷器入口风温由干球温度降低到湿球温度,而且因水的汽化潜热很大,导致空冷器出口风温温升很少,传热温差要比普通的增湿空冷器大。
增湿型湿空冷器和喷淋蒸发型空冷器对于一些管内热流介质终冷温度要求较低的空冷工艺是十分有利的,喷淋蒸发型空冷器由于翅片表面的水膜在气流和管内热介质的双重作用下强制蒸发使其效率明显高于增湿型湿空冷器。
空冷器计算过程空冷器空冷器换热效果好,结构简单,节约水资源,没有水污染等问题,比水冷更经济,故选用空冷器。
1.计算依据(1)进出空冷器的流量和组成:组分(2)设计温度40℃(3)进空冷器温度420℃,出空冷器温度80℃(4)进出口压力0.06MPa(表压)(5)换热量Q=2.37×106KJ/h2.设计计算(参考资料《化工装置的工艺设计》)查《化工装置的工艺设计》表9-31得轻有机物的传热系数为10英热单位/英尺2.h.换算为国际单位制:K=10×0.86×4.18=204.25KJ/m2.h.℃假设空气温升15.3℃按逆流:△t1=420-55.3=364.7℃△t2=80-40=40℃△tm1=146.91℃取温差校正系数Φ=0.8△tm=△tm1.Φ=146.91×0.8=117.53℃则所需普通光管的表面积:A0=Q/K.△tm(4—1)=2.37×106/(204.25×117.53=98.73m2由(T2-T1)/K=1.86查《化工装置的工艺设计》图9-120得:最佳管排数为n=6又由n=6查表9-33得迎面风速FV=165米/分表面积/迎风面积=A0/F2=7.60则:F2=A0/7.60=98.73/7.60=12.99m2由F1= Q/(t2-t1)FV17.3 (4—2)式中Q—换热量,Kcal/h(t2-t1)—空气温升FV—迎面风速,米/分代入数据F1=2.37×106/(15.3×165×17.3=12.98m2取ξ=0.01F2-F1=12.99-12.98=0.01≤ξ即空气出口温度假设合理以光管外表面为基准的空冷器的换热面积为98.73m2参考鸿化厂选φ377×12的换热管管长L=98.73×4/π×0.3532=1010米管内流速u=143.07×22.4×4/π×0.3532=2762.5m/h=9.2m/su=9.2m/s符合换热管内流速范围15—30米/秒,故换热管选择合理空冷器规格及型号:φ377×1010F=98.73m2评价,未作翅片面积核算。
空冷式换热器1.空冷器型号的说明为方便用户,我公司空冷器型号均参照GB/T15386-97《空冷式换热器》编制。
1.1管束1.1.1管束型号的表示方法:□□□□□□□/□□□□翅片管基管材料(见1.1.2)法兰密封面形式(见表1)管程数(用罗马数字表示)翅片管形式(见表3)翅化比(见表2)管箱型式(见表1)设计压力管束换热面积管排数管束公称直径:长×宽m管束型式(见表1)1.1.2管束型式与代号见表表1 管束型式与代号翅片管基管材料:当选用碳钢时可缺省,当选用武汉市润之达石化设备有限公司S、Cl-腐蚀稀土合金材料09Cr2AlMoRE时标注D,12Cr2AlMoV时标注R,选用其的抗H2它材料也应标注。
标注示例:a.鼓风式水平管束:长9m、宽2m;6排管;基管换热面积140m2;设计压力4Mpa;可卸盖板式管箱;双金属轧制翅片管,翅化比23.4;Ⅵ管程;接管法兰密封面凹凸面;材料09Cr2AlMoRE,管束型号为:GP9×2-6-140-4.0K1-23.4/DR-VIMFMD。
b.引风式水平管束:长9m、宽3m;6排管;基管换热面积193m2;设计压力2.5Mpa;丝堵式管箱;L型翅片管,翅化比23.4;Ⅱ管程;接管法兰密封面环连接面;材料为碳钢的管束型号为:YP9×3-6-193-2.5S-23.4/L-ⅡRJ。
表2 翅化比及迎风面积比(参照JB/T4740-1997)1.2构架1.2.1构架型号表示方法:□□□□风箱型式(见表3)风机直径×102mm/台数构架公称尺寸长×宽m(对斜顶式构架为长×宽×斜边长)开(闭)型构架型式(见表3)标注示例:a.鼓风式空冷器水平构架长9m、宽4m;风机直径3000mm,2台,方箱型风箱;闭式构架型号为:GJP9×4B-30/2F。
1.2.2型式与代号表31.3风机1.3.1风机型号表示方法:□□□□□□□电动机功率KW风机传动方式(见表4)叶片数(见表4)叶片型式(见表4)叶轮直径×102mm风量调节方式(见表4)通风方式(见表4)标注示例:a.鼓风式,停机手动调角风机;直径2400mm、B型玻璃钢叶片;叶片数4个;悬挂式电动机轴朝上V带传动、电动机功率18.5KW的风机型号:G-TF24B4-Vs18.5b.引风式,自动调角风机;直径3000mm、R型玻璃钢叶片;叶片数6个;悬挂式电动机轴朝上V带传动、电动机功率15KW的风机型号:Y-2FJ30R6-Vs151.3.2型式与代号表41.4百叶窗1.4.1百叶窗型号表示方法:□□公称尺寸,长×宽m调节方式标注示例:a.手动调节百叶窗,长9m,宽3m,其型号SC9×3b.自动调节百叶窗,长6m,宽2m,其型号ZC6×21.5喷淋装置□□喷淋装置的公称尺寸长×宽(m)喷淋装置代号标注示例:喷淋装置长9m、宽3m,其型号为P9×31.6空冷器型号的表示方法:□□□□百叶窗型式,公称尺寸/台数构架型式,公称尺寸开(闭)型式/跨数风机型式,叶轮直径×102,mm/台数管束型式,管束材质、公称尺寸/片数标注示例:鼓风式空冷器,水平式管束,材质09Cr2AlMoRE,长×宽为9m×3m,4片,停机手动调角风机,直径3600mm,4台,水平构架,长×宽为9m×6m,1跨闭式构架,1跨开式构架,手动调节百叶窗,4台,长×宽为9m×6m的空冷器型号为:GPD9×3/4-TF36/4- GJP9×6B/1GJP9×6K/1-SC9×3/42.水平式空冷器2.1水平式空冷器管束2.1.1丝堵式水平空冷器管束2.1.1.1丝堵式水平空冷器管束安装尺寸(图1)。
蒸发式冷却器技术规格书一、安装位置及环境条件:1、安装位置:高炉软水循环系统用7台蒸发式冷却器露天布置在循环泵房屋顶上,屋顶相对高度10m左右。
高炉循环水泵房屋面大小为12m×75m,蒸发式空冷器布置在此范围内,并应考虑总管及检修位置。
连铸软水循环水系统用3台蒸发式冷却器露天布置在泵房吸水井上。
2、机组环境多尘、含多种轻腐蚀气体(如SO2、H2S等)3、蒸发式空冷器的选型要保证夏季最热月频率为10%气象条件下蒸发式冷却器出水水温。
4、当地主要气象条件阿拉尔冬季寒冷,夏季炎热,降水量稀少,蒸发强烈,气候干燥,属温带极干旱荒漠气候区。
根据阿拉尔气象站多年观测的气象资料表明,阿拉尔全年盛行东北风,夏季多西北风,年平均气温一般在10℃~11℃左右,年最高气温在39。
2℃,年平均降水量42。
4mm,年平均相对湿度55。
2%,最大积雪厚度3。
0cm,最大冻土深度78cm。
气温:年平均气温: 10.8°C最热月平均气温: 24.8°C最冷月平均气温: -7.8 °C极端最高气温: 40.6 °C极端最低气温: -28.4°C历年平均最多风向: NE(东北);历年最大风力: 9~10级(25m/s)历年平均降雪量: 3.2mm雨量:年最大降雨量: 91.9mm年最平均降雨量: 48.6mm年蒸发量: 2010.6 mm月最大降水量: 32.0 mm日最大降水量: 31.8 mm风:冬季平均风速: 1.2 m/s夏季平均风速: 2.1 m/s瞬时最大风速: 25 m/s风向:年主导风向:东北最大积雪深度: 8 cm最大冻土深度: 78cm标准冻土深度: 55cm年雷暴天气: 33天大气压:冬季大气压力: 907.8 hPa夏季大气压力: 893.5 hPa基本风压: 0.45KN/m2基本雪压: 0.25KN/m2地震设防烈度: 6度室外计算干球温度(夏季空气调节日平均):26℃夏季室外平均每年不保证50小时的湿球温度: 21℃湿度:最热月平均相对湿度: 51%最冷月平均相对湿度: 66%二、设备规格、主要技术参数及数量1、设备名称:蒸发式冷却器2、设备型号:ZP9×33、设备数量:10台(高炉系统7台、连铸系统3台)4、主要技术参数1)单台冷却水量:Q=500m3/h2)单台喷淋水量:160 m3/h3)总的喷淋水量:高炉系统1120m3/h、连铸系统480m3/h4)进水温度:高炉系统T1=55℃、连铸系统T1=48℃5)出水温度:高炉系统T2≤45℃、连铸系统T2≤38℃6)工作压力:高炉系统1.0Mpa、连铸系统1.6 Mpa7)管程压降:≤0.05Mpa8)风机要求:电压:380V,电机防护等级:IP54,绝缘等级F级。
空冷式换热器1.空冷器型号的说明为方便用户,我公司空冷器型号均参照GB/T15386-97《空冷式换热器》编制。
1.1管束1.1.1管束型号的表示方法:□□□□□□□/□□□□翅片管基管材料(见1.1.2)法兰密封面形式(见表1)管程数(用罗马数字表示)翅片管形式(见表3)翅化比(见表2)管箱型式(见表1)设计压力管束换热面积管排数管束公称直径:长×宽m管束型式(见表1)1.1.2管束型式与代号见表表1 管束型式与代号翅片管基管材料:当选用碳钢时可缺省,当选用武汉市润之达石化设备有限公司S、Cl-腐蚀稀土合金材料09Cr2AlMoRE时标注D,12Cr2AlMoV时标注R,选用其的抗H2它材料也应标注。
标注示例:a.鼓风式水平管束:长9m、宽2m;6排管;基管换热面积140m2;设计压力4Mpa;可卸盖板式管箱;双金属轧制翅片管,翅化比23.4;Ⅵ管程;接管法兰密封面凹凸面;材料09Cr2AlMoRE,管束型号为:GP9×2-6-140-4.0K1-23.4/DR-VIMFMD。
b.引风式水平管束:长9m、宽3m;6排管;基管换热面积193m2;设计压力2.5Mpa;丝堵式管箱;L型翅片管,翅化比23.4;Ⅱ管程;接管法兰密封面环连接面;材料为碳钢的管束型号为:YP9×3-6-193-2.5S-23.4/L-ⅡRJ。
表2 翅化比及迎风面积比(参照JB/T4740-1997)1.2构架1.2.1构架型号表示方法:□□□□风箱型式(见表3)风机直径×102mm/台数构架公称尺寸长×宽m(对斜顶式构架为长×宽×斜边长)开(闭)型构架型式(见表3)标注示例:a.鼓风式空冷器水平构架长9m、宽4m;风机直径3000mm,2台,方箱型风箱;闭式构架型号为:GJP9×4B-30/2F。
1.2.2型式与代号表31.3风机1.3.1风机型号表示方法:□□□□□□□电动机功率KW风机传动方式(见表4)叶片数(见表4)叶片型式(见表4)叶轮直径×102mm风量调节方式(见表4)通风方式(见表4)标注示例:a.鼓风式,停机手动调角风机;直径2400mm、B型玻璃钢叶片;叶片数4个;悬挂式电动机轴朝上V带传动、电动机功率18.5KW的风机型号:G-TF24B4-Vs18.5b.引风式,自动调角风机;直径3000mm、R型玻璃钢叶片;叶片数6个;悬挂式电动机轴朝上V带传动、电动机功率15KW的风机型号:Y-2FJ30R6-Vs151.3.2型式与代号表41.4百叶窗1.4.1百叶窗型号表示方法:□□公称尺寸,长×宽m调节方式标注示例:a.手动调节百叶窗,长9m,宽3m,其型号SC9×3b.自动调节百叶窗,长6m,宽2m,其型号ZC6×21.5喷淋装置□□喷淋装置的公称尺寸长×宽(m)喷淋装置代号标注示例:喷淋装置长9m、宽3m,其型号为P9×31.6空冷器型号的表示方法:□□□□百叶窗型式,公称尺寸/台数构架型式,公称尺寸开(闭)型式/跨数风机型式,叶轮直径×102,mm/台数管束型式,管束材质、公称尺寸/片数标注示例:鼓风式空冷器,水平式管束,材质09Cr2AlMoRE,长×宽为9m×3m,4片,停机手动调角风机,直径3600mm,4台,水平构架,长×宽为9m×6m,1跨闭式构架,1跨开式构架,手动调节百叶窗,4台,长×宽为9m×6m的空冷器型号为:GPD9×3/4-TF36/4- GJP9×6B/1GJP9×6K/1-SC9×3/42.水平式空冷器2.1水平式空冷器管束2.1.1丝堵式水平空冷器管束2.1.1.1丝堵式水平空冷器管束安装尺寸(图1)。
中国·哈尔滨通能电气股份有限公司发电机组降温冷却专家TNKL系列空冷器TNYL系列油冷器中国·哈尔滨通能电气股份有限公司一.TNKL系列双金属铜铝复合翅片管冷却器1.应用范围:用于水轮发电机组运行环境的空气降温、火电氢冷机组的氢气降温;2.设备结构:经我公司多年来对电站使用的各种空冷器过程中,进行使用情况综合分析,对空冷器的设计、制造工艺实施了一系列的改进完善,形成我公司TNKL系列空冷器,经改进完善后的空冷器,其结构及各项指标更加满足用户的使用要求;(空冷器设计压力:~;工作压力:~)TNKL系列空冷器,结构以“可卸盖板式”为主,因两侧水室便于拆装,在使用维护过程中便于对水室内部和散热管基管内部进行清洗维护;TNKL系列空冷器主要由左右水室、左右管板、双金属铜铝复合式翅片管、上下侧板等主要部件构成,空冷器的水室与管板用螺栓连接(中间使用专用胶垫密封)见下图:1 2 3 4 5 6 7 8 9 101左水室 2冷却水进水法兰 3冷却水出水法兰 4左管板 5换热管 6下侧板7上侧板 8右管板 9右水室 10 螺栓图2-1 TNKL“可卸盖板式”空冷器结构3.设备特点:“可卸盖板式”空冷器的左右水室内表面,采用国内先进的“汽车底盘装甲”工艺,进行特殊防腐处理,防止其生锈影响冷却水质,经此工艺加工后的水室内表面,能长期缓解水气腐蚀、冷却水体流动及水体内所含杂质对水室内表面的冲刷撞击,彻底解决了因水室内表面涂漆层脱落、水室内表面生锈等不利因素影响冷却水质的问题;图3-1经“汽车底盘装甲”工艺处理后的水室内表面图3-2基管与管板胀接后照片左右管板采用优质钢板加工,部件外表面采用先进镀锌工艺进行镀锌处理,避免其腐蚀生锈影响冷却水质,并在一定程度上延长了设备使用寿命;翅片管基管与左右管板基管孔处,采用国内最先进的胀接工艺进行胀接密封,确保冷却水在翅片管基管内部正常循环流动,冷却水不会因渗漏随被降温的热空气进入到机组内部,确保机组安全运行(见图3-2);两块侧板与左右管板连接形成空冷器主体,侧板主梁采用国标等边角钢设计制造,(可根据电站实际安装需要,在侧板主梁上钻出一定数量的把合孔,便于空冷器主体与定子及相关设备部件连接并密封);TNKL系列空冷器使用的核心换热元件是双金属铜铝复合式翅片管,双金属铜铝复合式翅片管的基管(T2紫铜管)与铝翅片的接触热阻低,在较大温度变化范围内能保持稳定的低值,传热系数高,基管由外层铝管壁保护不受腐蚀,对温度突变及振动有良好抗力;单位长度换热面积大,传热量高,结构可靠,寿命长;翅片表面光滑无毛刺无皱折、不易结垢不易变形、易于清洗(可用高压水冲洗),易于排除表面积水、流动阻力低,能长期保持良好的传热性能。
复合型高效空冷器与干式空冷器比较分析刘宁宁;胡琳琳;张思莹;张文明【摘要】空冷器是以周围环境中的空气为冷却介质,使高温工质得到冷却的换热设备,在石化、炼油、化工、冶金、电力、制冷等诸多部门都广泛使用.复合型高效空冷器是融潜热和显热换热机理为一体、将蒸发式冷却(凝)与湿式空冷优化组合的一种新型冷换设备,相较于空冷器,复合型高效空冷器不仅安全可靠、节水、节能、环保的性能而且其在前期投入和使用过程中更加经济.为适应国家节能经济发展的大趋势和大环境,复合型高效空冷器的发展将会成为一种趋势Ⅲ.【期刊名称】《南方农机》【年(卷),期】2018(049)006【总页数】2页(P52-53)【关键词】复合型高效空冷器;空冷器;换热;节能【作者】刘宁宁;胡琳琳;张思莹;张文明【作者单位】洛阳隆华传热节能股份有限公司,河南洛阳471132;洛阳隆华传热节能股份有限公司,河南洛阳471132;洛阳隆华传热节能股份有限公司,河南洛阳471132;洛阳隆华传热节能股份有限公司,河南洛阳471132【正文语种】中文【中图分类】TF321.41 原理空冷器是把周围环境中的空气作为冷却介质,使高温工质冷却降温或冷凝为液体的设备。
其换热机理为利用空气(湿空气)的温升带走热量来冷却(凝)管内高温工质,主要的换热形式为显热换热。
单位体积的空气每升高1℃带走1.23kJ的热量,提升空冷器换热性能的主要目标措施为增大换热面积,提高风速产生紊流,同时注意减少阻力以降低风机能耗。
复合型高效空冷器是融潜热和显热换热机理为一体、将蒸发式冷却(凝)与湿式空冷优化组合的一种新型冷换设备。
其结构如图1所示,显著特点是高温工质在进入盘管组件前,先通过翅片部件,利用从盘管和热交换器中排出的低温湿空气排入大气前对其进行大风量、大温差的冷却,使翅片管内的高温工质得到预冷后进入蒸发冷进行常规冷却(凝)。
蒸发式冷却(凝)器(通常叫蒸发冷)是利用喷淋到换热盘管外表面的水膜蒸发吸收管内流体热量,使管内流体得以冷却(凝)的一种换热设备。
浅谈热风循环空冷器郭俊峰【摘要】In the chiller winter,some mediums could be caused by different elements to be coagulated in the hot rods,thus destroy the air cooler.In a result,some actions are needed to take to protect the air cooler from freezing,just like the hot air circulation is a fine method to solve such problems.The running principle,structural features,pros andcons,fabrication requirments and installation requirements of the hot air inside and outside circulation cooler in brief are introduced.%在严寒冬季,因各种原因,会使空冷器换热管内某些介质凝结而破环空冷器,需对空冷器采取防冻措施,热风循环能很好解决此类问题.简单介绍了热风内循环和热风外循环空冷器的运行原理、结构特点及其优缺点,提出了空冷器制造要求及安装要求.【期刊名称】《石油化工设备》【年(卷),期】2017(046)002【总页数】4页(P68-71)【关键词】空冷器;热风循环;运行原理;结构特点;制造;安装【作者】郭俊峰【作者单位】陕西海通化工机械有限公司,陕西西安 710086【正文语种】中文【中图分类】TQ051.5;TE965空冷器在高寒地区使用过程中,因气温较低,被冷却介质的冷后温度往往会超过介质的凝固点导致介质在管内凝结。
一些凝固点或倾点较高的工艺介质,经空冷器后可能会在低于这些物质的临界点时凝固。
空冷式换热器
1.空冷器型号的说明
为方便用户,我公司空冷器型号均参照GB/T15386-97《空冷式换热器》编制。
1.1管束
1.1.1管束型号的表示方法:
□□□□□□□/□□□□
翅片管基管材料(见1.1.2)
法兰密封面形式(见表1)
管程数(用罗马数字表示)
翅片管形式(见表3)
翅化比(见表2)
管箱型式(见表1)
设计压力
管束换热面积
管排数
管束公称直径:长×宽m
管束型式(见表1)
1.1.2管束型式与代号见表
表1 管束型式与代号
翅片管基管材料:当选用碳钢时可缺省,当选用武汉市润之达石化设备有限公司S、Cl-腐蚀稀土合金材料09Cr2AlMoRE时标注D,12Cr2AlMoV时标注R,选用其的抗H
2
它材料也应标注。
标注示例:
a.鼓风式水平管束:长9m、宽2m;6排管;基管换热面积140m2;设计压力4Mpa;可卸盖板式管箱;双金属轧制翅片管,翅化比23.4;Ⅵ管程;接管法兰密封面凹凸面;材料09Cr2AlMoRE,管束型号为:GP9×2-6-140-4.0K1-23.4/DR-VIMFMD。
b.引风式水平管束:长9m、宽3m;6排管;基管换热面积193m2;设计压力2.5Mpa;丝堵式管箱;L型翅片管,翅化比23.4;Ⅱ管程;接管法兰密封面环连接面;材料为碳钢的管束型号为:YP9×3-6-193-2.5S-23.4/L-ⅡRJ。
表2 翅化比及迎风面积比(参照JB/T4740-1997)
1.2构架
1.2.1构架型号表示方法:
□□□□
风箱型式(见表3)
风机直径×102mm/台数
构架公称尺寸长×宽m(对斜顶式构架为长×宽×斜边长)
开(闭)型
构架型式(见表3)
标注示例:
a.鼓风式空冷器水平构架长9m、宽4m;风机直径3000mm,2台,方箱型风箱;闭式构架型号为:GJP9×4B-30/2F。
1.2.2型式与代号
表3
1.3风机
1.3.1风机型号表示方法:
□□□□□□□
电动机功率KW
风机传动方式(见表4)
叶片数(见表4)
叶片型式(见表4)
叶轮直径×102mm
风量调节方式(见表4)
通风方式(见表4)
标注示例:
a.鼓风式,停机手动调角风机;直径2400mm、B型玻璃钢叶片;叶片数4个;悬挂式电动机轴朝上V带传动、电动机功率18.5KW的风机型号:G-TF24B4-Vs18.5
b.引风式,自动调角风机;直径3000mm、R型玻璃钢叶片;叶片数6个;悬挂式电动机轴朝上V带传动、电动机功率15KW的风机型号:Y-2FJ30R6-Vs15
1.3.2型式与代号
表4
1.4百叶窗
1.4.1百叶窗型号表示方法:
□□
公称尺寸,长×宽m
调节方式
标注示例:
a.手动调节百叶窗,长9m,宽3m,其型号SC9×3
b.自动调节百叶窗,长6m,宽2m,其型号ZC6×2
1.5喷淋装置
□□
喷淋装置的公称尺寸长×宽(m)
喷淋装置代号
标注示例:
喷淋装置长9m、宽3m,其型号为P9×3
1.6空冷器型号的表示方法:
□□□□
百叶窗型式,公称尺寸/台数
构架型式,公称尺寸开(闭)型式/跨数
风机型式,叶轮直径×102,mm/台数
管束型式,管束材质、公称尺寸/片数
标注示例:
鼓风式空冷器,水平式管束,材质09Cr2AlMoRE,长×宽为9m×3m,4片,停机手动调角风机,直径3600mm,4台,水平构架,长×宽为9m×6m,1跨闭式构架,1跨开式构架,手动调节百叶窗,4台,长×宽为9m×6m的空冷器型号为:
GPD9×3/4-TF36/4- GJP9×6B/1
GJP9×6K/1-SC9×3/4
2.水平式空冷器
2.1水平式空冷器管束
2.1.1丝堵式水平空冷器管束
2.1.1.1丝堵式水平空冷器管束安装尺寸(图1)。
常用1.6~4.0系列管束,安装尺寸列于表5
2.1.1.2丝堵式水平式空冷器规格参数
规格参数列于表6,表中以Ⅰ管程,翅片管片距2.3mm,基管φ25×2.5,翅片外径φ57,管间距62mm,正三角形排列,管束材质09Cr2AlMoRE为例。
4排管有Ⅰ、Ⅱ、Ⅳ三种管程,6排管有Ⅰ、Ⅱ、Ⅲ三种管程,8排管有Ⅰ、Ⅱ、Ⅳ三种管程。
接管法兰标准为HG20592欧洲体系B系列,当公称宽度为1000和500时,接管法兰直径DN100,公称宽度1000以上(不包1000)时,接管法兰直径DN150。
注:Ⅰ管程管束用于冷凝,翅片管需倾斜时,需特殊定货。
设计压力4.0Mpa以上的丝堵式管束需特殊定货。
表6 管束规格型号
2.2 平空冷器构架系列,构架安装尺寸见图2,规格尺寸见表8
续表8
闭式:GJP9×4B-30/2F GJP9×5B-36/2F GJP9×6B-36/2F GJP10.5×5B-36/2F GJP10.5×6B-39/2F GJP12×5B-39/2F GJP12×6B-42/2F
开式:GJP9×4K-30/2F GJP9×5K-36/2F GJP9×6K-36/2F GJP10.5×5K-36/2F GJP10.5×6K-39/2F GJP12×5K-39/2F GJP12×6K-42/2F
闭式:GJP9×2B-18/3F GJP9×3B-24/3F GJP10.5×3B-24/3F GJP10.5×4B-30/3F GJP12×3B-24/3F GJP12×4B-36/3F
开式:GJP9×2K-18/3F GJP9×3K-24/3F GJP10.5×3K-24/3F GJP10.5×4K-30/3F GJP12×3K-24/3F GJP12×4K-36/3F
闭式:GJP12×2B-18/4F GJP10.5×2B-18/4F
开式:GJP12×2K-18/4F GJP10.5×2K-18/4F
闭式:GJP6×2B-18/2F GJP6×3B-24/2F GJP6×4B-24/2F
开式:GJP6×2K-18/2F GJP6×3K-24/2F GJP6×4K-24/2F
闭式:GJP6×5B-45/1F GJP6×6B-45/1F GJP3×2B-18/1F GJP3×3B-24/1F GJP3×4B-24/1F
开式:GJP6×5K-45/1F GJP6×6K-45/1F GJP3×2K-18/1F GJP3×3K-24/1F GJP3×4K-24/1F
图2 水平式构架安装尺寸
2.3 水平空冷器鼓风风机系列见表9和图
3
图3 鼓风轴流风机
2.4 百叶窗系列见表10
3.斜顶空冷器
3.1斜顶空冷器管束
斜顶空冷器管束以基管φ25,材料09Cr2AlMoRE,翅片管外径φ57,片距2.3mm,翅片管为双金属轧制翅片管,管间距62mm,正三角形排列Ⅰ管程,压力为1.6Mpa的管束为例,管束翅片管立排。
表11斜顶空冷器管束规格型号表
图4斜顶管束
3.2斜顶空冷器构架(见图5)
闭式:J×5×4×4.5B J×5×6×4.5B
开式:J×5×4×4.5K J×5×6×4.5K
图5 斜顶式构架安装尺寸示意图
表13
3.3斜顶空冷器的风机与水平空冷器相同。
3.4斜顶空冷器安装图详见我公司提供的详细安装图。
23。