空冷器配管设计导则
- 格式:doc
- 大小:22.50 KB
- 文档页数:2
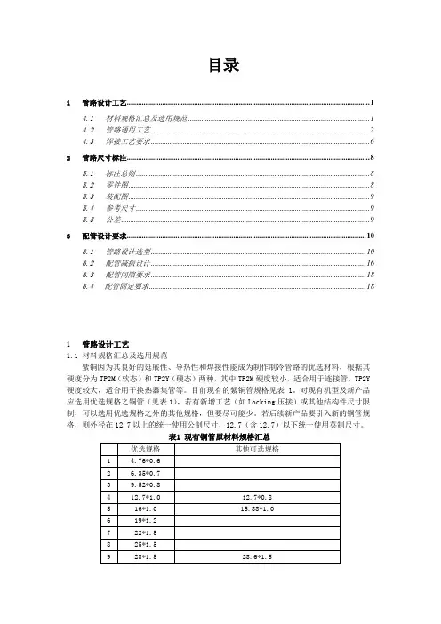
目录1管路设计工艺 (1)4.1材料规格汇总及选用规范 (1)4.2管路通用工艺 (2)4.3焊接工艺要求 (6)2管路尺寸标注 (8)5.1标注总则 (8)5.2零件图 (8)5.3装配图 (9)5.4参考尺寸 (9)5.5公差 (9)3配管设计要求 (10)6.1管路设计选型 (10)6.2配管减振设计 (16)6.3配管间隙要求 (18)6.4 配管固定要求 (18)1管路设计工艺1.1材料规格汇总及选用规范紫铜因为其良好的延展性、导热性和焊接性能成为制作制冷管路的优选材料,根据其硬度分为TP2M(软态)和TP2Y(硬态)两种,其中TP2M硬度较小,适合用于连接管,TP2Y 硬度较大,适合用于换热器集管等。
目前现有的紫铜管规格见表1。
对现有机型及新产品应选用优选规格之铜管(见表1),若有新增工艺(如Locking压接)或其他结构件尺寸限制,可以选用优选规格之外的其他规格,但要尽可能少。
若后续新产品要引入新的铜管规格,则外径在12.7以上的统一使用公制尺寸,12.7(含12.7)以下统一使用英制尺寸。
表1 现有铜管原材料规格汇总1.2管路通用工艺1.2.1折弯管4.2.1.1同一根管的折弯半径应一致,以避免频繁换模。
4.2.1.2原则上可以一次折弯成型的管尽量避免拆成两根管(除非装配需要)。
4.2.1.3折弯设计必须满足折弯端部留有足够的管口直线段长度;各规格的最短直线段长度(不包括弯位的等效长度)不小于其弯管半径。
(见图1)4.2.1.4各种规格的弯管半径见表2,其优选弯曲半径是常用折弯半径,其它弯曲半径工段也可以加工。
4.2.1.5管径在φ45以上(含φ45)的铜管只能加工弯位数不超过2个的平面折弯(即半自动)。
*L为最短直线段长度图11.2.2管端成型4.2.2.1管端成型包括扩口、缩口、打定位点、墩口、锥口、管端封口和管端切弧等(见图2),其中管端封口和切弧为冷冻水大管径的制造工艺。
山 东 化 工 收稿日期:2019-08-08作者简介:程世权(1987—),江西余江人,工程师,就职于中石化宁波工程有限公司,主要从事配管工作。
浅谈空冷器的配管设计程世权(中石化宁波工程有限公司,浙江宁波 315103)摘要:本文对空冷器做了简单的介绍,论述了空冷器的布置及其管道布置的要求。
简述了空冷器在某煤气化项目中的布置,从分析流体偏流量、管道支撑、管道用材和管口受力四个方面,比较了项目中几种空冷器的管道布置方案,并在满足工艺和生产厂家要求的前提下,选择了容易实现的经济型方案,指出了空冷器的管道布置注意事项,对空冷器的管道布置具有参考和借鉴意义。
关键词:空冷器;管道;布置中图分类号:TQ051.5 文献标识码:A 文章编号:1008-021X(2019)19-0158-02DesignofthePipelineLayoutofAirCoolerChengShiquan(SINOPECNingboEngineeringCo.,Ltd.,Ningbo 315103,China)Abstract:Inthispaper,theaircoolerisbrieflyintroduced,andthelayoutofaircoolerandtherequirementsofpipelinelayoutarediscussed.Thelayoutofaircoolerinacoalgasificationprojectisbrieflydescribed.Fromfouraspectsofanalysisoffluidpartialflow,pipesupport,pipematerialandpipeorificeforce,severalpipelinelayoutschemesofaircoolerintheprojectarecompared.Onthepremiseofmeetingtherequirementsofprocessandmanufacturer,aneconomicalschemewhichiseasytorealizeisselectedandpointedout.Themattersneedingattentioninthepipelinelayoutofaircoolerarepointedout,whichcanbeusedforreferenceinthepipelinelayoutofaircooler.Keywords:aircooler;pipeline;layout 在传统化工冷却系统中,广泛采用水作为冷却介质,随着水资源的紧张,空冷器逐渐有了广泛应用。
马亚丽1. 各人理解及体会(请在考试前直接电脑填写完毕)1.1 上述规定有字面遗漏或释义不清晰而难以理解或不妥处:(1)2.7.2中多组空冷器应靠近布置,若分开布置,距离应大于20m,根据SH3011中5.5.5规定,同一高度的空冷器应靠近布置,当布置在不同高度时,两组空冷器之间的距离不应小于12m。
两处应保持一致。
1.2 您认为需要补充的内容(1)空冷器与等于或高于空冷器管箱的建筑物之间的距离不应小于3m。
李琴2. 各人理解及体会(请在考试前直接电脑填写完毕)2.1 上述规定有字面遗漏或释义不清晰而难以理解或不妥处:(1)本规定2.7.1 两台或两台以上空冷器应布置在一起,不留间距,切布置在同一高度中内容表达不清楚,建议将“切布置在同一高度”改为“宜布置在同一高度”。
(2)本规定3.3中第二行的“分支管道截面积”重复了。
“图3.3.1集合管的截面积与分支截面积”建议将“分支截面积”改为“分支管道截面积”。
2.2 您认为需要补充的内容(1)本规定2.2的内容根据SH3011的条文5.5.3需要补充以下内容:空冷器不宜布置在操作温度等于或高于250℃的可燃液体设备及输送或存储液化烃设备的上方。
(2)空冷器的布置应补充SH3011的条文5.5.5的部分内容:a)同类型的空冷器应布置在同一高度;b)同一高度的空冷器应靠近布置,当布置在不同高度时,两组空冷器之间的距离不应小于12m;c)斜顶式空冷器宜成列布置,如成排布置时,两排之间的净距离不应小于3m。
2.3 本部分设计您的切身体会(1)空冷器在布置时一定要注意空冷器构架的宽度,在布置时空冷器的构架要与管廊或者构架的立柱间距协调。
当空冷气的入口管道介质为气液两相流且入口管有分支时,必须要对称布置管道,使介质在各分支管中均匀分布。
当塔顶设有安全阀时,可将塔顶安全阀安装在靠近空冷器附近,方便安全阀的安装和检修。
张楷立3. 各人理解及体会(请在考试前直接电脑填写完毕)3.1 上述规定有字面遗漏或释义不清晰而难以理解或不妥处:(1)“图2.7.3 引风式空冷器与鼓风式空冷的混合布置”应改为“图2.7.3 斜顶式空冷器防热风循环的措施”;(2)3.2.4条,是为了让液相更均匀进入支管,液相在集合管内存积至50mm高,然后溢流至下部支管。
中国华能集团公司火电工程设计导则第二部分空冷系统(第一分册)中国华能集团公司二OO七年五月前言为节约水资源、扩大装机容量、为电力工业可持续发展创造条件,进入21世纪以来,我国北方缺水地区建设了一大批空冷电站,由于我国还没有一部完整的空冷系统设计技术标准,大多数仍沿用国外纷杂的标准,形不成统一的体系,对华能集团电站空冷系统技术的发展带来诸多不便和不规范。
近几年投产的空冷机组,暴露出一些问题,也取得了一些经验,为尽快规范华能集团空冷电站的建设,特编制《火力发电厂空冷系统设计导则》。
希望各单位向编者提供所积累的有关使用本导则的经验,指出可能产生的误解,指出缺点并提出改进建议。
对所有这些信息经评估后可能最终用于本导则的补充或修订。
本导则由中国华能集团公司提出并归口。
中国华能集团公司审查人员:薛惠民、王自宽、王新宇、王利平、傅栓全、刘正强、吴建伟、杜广炯、徐明渊、王毓樟、刘蔚麟、张全海、王文忠、朱宝田、陈建功、刘欣、阎欣军、赵春莲。
本导则起草单位:山西省电力勘测设计院本导则主要起草人员:顾国新、张新海、李润森、刘月生、那小桃、姜保才、贾军刚、李勤民、马莉、李荣玲。
目次前言1 范围2 引用标准3 术语及定义4 总则5 空冷系统及设备6 空冷机组机炉电匹配7 汽轮机设备及系统8 空冷电厂总体布置9 空冷机组凝结水精处理系统及设备10 电气设备及系统11 空冷系统热工自动化12 直接空冷土建结构13 间接空冷土建结构14 空冷系统防冻措施15 直接空冷装置噪声防治16 空冷装置有关防火规定17 空冷设备招标文件编制及设备采购原则18 性能考核1 范围1.0.1 本导则适用于华能集团公司及其全资、控股公司所属或管理的汽轮机排汽采用空冷系统的燃煤火力发电工程。
1.0.2 本导则适用于单机容量300MW~1000MW级的凝汽式及燃煤火力发电厂,其它汽轮机排汽采用空冷系统的电厂可参照使用。
1.0.3 本导则适用新建或扩建火力发电厂。
设计标准
SEPD 0105-2001
实施日期2001年12月28日中国石化工程建设公司
空冷器配管设计规定
第 1 页共 4 页
13
目 次
1 总则
1.1 目的
1.2 范围
2 设计规定
1 总则
1.1 目的
为指导空冷器管道设计,特编制本标准。
1.2 范围
1.2.1 本标准规定了空冷器的配管设计要求。
1.2.2 本标准适用于石油化工装置内引风式空冷器和鼓风式空冷器的管道设计。
2 设计规定
2.1 空冷器的配管应考虑流体的均匀分配,当物料为气液两相流体时,空冷器入口管
道应考虑对称性或满足工艺管道及仪表流程图的要求。
2.2 空冷器的管道布置,不应妨碍空冷器的维修,并应方便操作和空冷器管束的吊装。
顶部平台上人行通道上的净空不得低于2.2 m。
2.3 分馏塔顶到空冷器的油气管道,不宜出现“袋形”,确实不可避免时,应在最低
点设置分液包和排液阀,该凝液应排至空冷器出口管或回流油罐等密闭系统。
2.4 进出空冷器的工艺管道应按工艺管道和仪表流程图要求布置,管道布置应使各片
空冷器流量均匀,当无法用几何形状满足均匀要求时,可用当量长度相等的办法来保
证。
2.4.1 当空冷器入口介质为气相或汽液两相流体时,入口集合管一般布置在空冷器进。
中国石化集团兰州设计院标准SLDI 333C06-2001空冷器配管设计规定2001-01-08 发布 2001-01-15 实施中国石化集团兰州设计院目录第一章总则第二章空冷器的布置第三章空冷器的管道布置第一章总则第1.0.1条本规定适用于石油化工装置内引风式空冷器(见图1.0.1-1,图1.0.1-2)和鼓风式空冷器(见图1.0.1-3)的管道布置。
第1.0.2条空冷器的管道布置,除应执行本规定外,还应符合空冷器制造厂的安装技术要求。
图1.0.1-1 引风式空冷器管道布置图1.0.1-2 引风式空冷器图1.0.1-3 鼓风式空冷器第二章空冷器的布置第2.0.1条空冷器宜布置在装置的上风侧,见图2.0.1。
第2.0.2条两组空冷器应靠紧布置,不应留出间距,见图2.0.2。
第2.0.3条多组空冷器应靠近布置,若分开布置,间距应大于20米。
见图2.0.3。
图2.0.3 多组空冷器的布置第2.0.4条引风式空冷器与鼓风式空冷器布置在一起时,引风式空冷器应布置在鼓风式空冷器的常年最小频率风向的下风侧,见图2.0.4。
图2.0.4 引风式空冷器与鼓风式空冷器的相邻布置第2.0.5条同类空冷器的管束应布置在同一高度。
引风式空冷器与鼓风式空冷器布置在一起时,其管束高度不得一致,鼓风式空冷器的管束应布置得高些,见图2.0.5。
图2.0.5 引风式空冷器与鼓风式空冷器的联合布置第2.0.6条空冷器与加热炉之间的距离不应小于15米。
第2.0.7条倾斜安装的斜顶式空冷器的通风面不应对着夏季的主导风向。
第2.0.8条安装在管廊上方的空冷器,其支腿的间距应和管廊柱的间距一致。
第2.0.9条输送操作温度高于340℃的液体物料泵或输送操作温度高于物料自燃点的泵不应安装在空冷器框架下方。
第2.0.10条输送的易燃物料泄漏时会形成蒸气团的泵不应安装在空冷器框架的下方。
第2.0.11条放热设备不宜放在空冷器框架的下方。
第2.0.12条顶部平台的设置应便于管束的检修以及百页窗角度的调节,见图1.0.1-3,图2.0.11。
中国石化集团兰州设计院标准SLDI 333C07-2002中国石化集团兰州设计院目录1. 总则 (1)2. 空冷器的布置 (2)3. 空冷器的管道布置 (4)中国石化集团兰州设计院1. 总则1.1 本规定适用于石油化工装置内引风式空冷器(见图1.1-1,图1.1-2)和鼓风式空冷器(见图1.1-3)的管道布置。
1.2 空冷器的管道布置,除应执行本规定外,还应符合空冷器制造厂的安装技术要求。
图1.1-1 引风式空冷器管道布置图1.1-2 引风式空冷器图1.1-3 鼓风式空冷器2. 空冷器的布置2.1空冷器宜布置在装置的上风侧,见图2.1。
2.2两组空冷器应靠紧布置,不应留出间距,见图2.2。
2.3多组空冷器应靠近布置,若分开布置,间距应大于20米。
见图2.3。
图2.0.3 多组空冷器的布置2.4引风式空冷器与鼓风式空冷器布置在一起时,引风式空冷器应布置在鼓风式空冷器的常年最小频率风向的下风侧,见图2.4。
图2.4 引风式空冷器与鼓风式空冷器的相邻布置2.5同类空冷器的管束应布置在同一高度。
引风式空冷器与鼓风式空冷器布置在一起时,其管束高度不得一致,鼓风式空冷器的管束应布置得高些,见图2.5。
图2.5 引风式空冷器与鼓风式空冷器的联合布置2.6空冷器与加热炉之间的距离不应小于15米。
2.7倾斜安装的斜顶式空冷器的通风面不应对着夏季的主导风向。
2.8安装在管廊上方的空冷器,其支腿的间距应和管廊柱的间距一致。
2.9输送操作温度高于340℃的液体物料泵或输送操作温度高于物料自燃点的泵不应安装在空冷器框架下方。
2.10 输送的易燃物料泄漏时会形成蒸气团的泵不应安装在空冷器框架的下方。
2.11放热设备不宜放在空冷器框架的下方。
2.12顶部平台的设置应便于管束的检修以及百页窗角度的调节,见图1.1-3。
2.13风机、电动机检修平台可按图1.1-3的方式设置,也可用管廊顶层作为该检修平台,见图2.12。
如果按图1.1-3的方式设置检修平台时,管道应能在平台与管廊之间进、出管廊,见图1.1-1。
1. 本标准适用于石油化工装置空气冷却器的管道设计。
2. 空气冷却器(以下简称空冷器)的管道布置,不应妨碍空冷器的维修,并应方便操作和空冷器管束的吊装。
3. 分馏塔顶到空冷器的油气管道,一般不宜出现U型管段,确实不可避免时,应在最低点装排液阀排除凝液,该凝液应排至空冷器出口管或回流油罐等密闭系统。
4. 进出空冷器的工艺管道应严格按工艺管道和仪表流程图要求布置,管道接法应尽可能使各片空冷器流量均匀,当无法用几何形状满足均匀要求时,可用当量长度相等的办法来保证。
4.1 当空冷器入口介质为气相或汽液两相流体时,入口集合管一般布置在进口管嘴上方,靠近空冷管嘴连接,出口集合管应根据安装需要定位,尽量不占或少占空冷管箱平台,即不应妨碍在平台上进行操作和维修,不论空冷器进出口管嘴是否装有阀门,管道接法如下:4.1.1 当空冷器进出口管嘴少于4个时,允许按下图连接。
4.1.2 当空冷器进出口管嘴各为4-6个时,管道接法见下图:4.1.3 当空冷器进出口管嘴各为6个以上时,管道宜按下图连接:4.2 当空冷器入口介质为汽液两相时,入口主管与空冷器入口集合管的连接见下图:汽液两相流体入口集合管的进空冷器分支管,宜从下面插进集合管内约20mm,使集合管内液体能均匀进入各片空冷器,但此时应在集合管底部设停工排液线,接至空冷器出口管上。
4.3 冷却液相流体空冷器的出入口集合管应根据工艺要求,方便操作和维修布置。
5. 湿式空冷器的冷却水回水系统为自流管道,回水管道布置应注意控制标高,且拐弯不宜太多。
6. 多组空冷器联合布置时,应在空冷器平台上设DN20蒸汽和压缩空气软管接头站,具体设计见“软管接头站的管道设计”(BA3-2-20)。
7. 应重点考虑空冷器入口管道的支撑问题,支架应不妨碍空冷器管束的吊装,需要由空冷构架支撑时,应事先与制造厂商定,需要由土建结构支撑时应向土建专业提出要求,如管道根数不多,在工艺允许的情况下,也可采用放大管径的办法来简化支撑设计。
空调器主要部件设计指导书铜配管目录一、总述 (2)1用途 (2)2参考资料及参考标准 (2)二、设计步骤 (3)1制冷系统图 (3)2铜配管设计的相关技术要求 (3)2-1铜管种类 (3)2-2铜配管直径的确定方法 (3)2-3选材 (4)2-4壁厚确定方法 (4)2-5配管形状的确定方法 (5)2-6制冷系统中影响配管形状的因素 (13)2-7扩管、缩管加工 (15)2-8喇叭口加工 (17)2-9翻边孔加工 (18)2-10定位凹加工 (18)2-11 加工公差 (18)3连接配管的配管径 (19)3-1定频型 (20)3-2变频型 (20)4 室内配管保温层的厚度 (20)三、设计雷区及规避措施 (21)一、总述1、用途本设计规范的编制主要是为了规范商用空调系统配管的设计,指导开发人员规范系统配管的初步选型和设计方法。
本设计规范书主要从系统配管的选材、确定等方面进行规范,为设计提供了一定的参考。
该设计规范适用于所有商用空调机型。
2、参考资料及标准二、设计步骤1 制冷系统图2铜配管设计的相关技术要求2-1铜管种类空调器用铜配管的材料为磷脱氧无缝拉制铜管,牌号为TP2(GB/T 5231),供应状态有M(软)、Y(硬),材料标记方法分别为TP2M、TP2Y。
对应日本牌号分别为(C1220T-OL,C1220-H)。
要求使用内表面无氧化的光亮管。
其直径、壁厚分别根据4,5尺寸公差参照GB/T1804(高精度)。
其化学成分分析方法按GB/T5121进行,性能按GB/T228、GB/T242、GB/T246进行。
2-2铜配管直径的确定方法:(以表1、表2为大体标准,有争议时以压机吸排气口为准确定)表1 mm注:对以下情况,对表1,2不考虑1)为了零部件的通用化,其管径有必要相一致时2)为了隔音、防振、改善性能等目的而作的特别设计3)室内机组的辅助配管4)为了减小制冷剂的封入量等以降低成本时2-3选材:见表3表3注:1)管材加工中不允许酸洗,可用三氯乙烯清洗。
中国电力工程顾问集团公司企业标准 Standard of China Power Engineering Consulting Group CorporationQ/DG 1-A006.1—2007大型直接空冷系统设计导则 第1部分:直接空冷系统总体性能设计导则Design Guidelines for Large Air Cooled Condenser SystemPart 1: Design Guidelines ——Overall Performance of Air Cooled Condenser System2007-12-29发布 2007-12-29实施 中国电力工程顾问集团公司发布目 次前 言 (II)1 范围 (1)2 规范性引用文件 (1)3 术语和定义 (1)4 一般性规定 (3)5 主机主要技术条件 (4)6 空冷系统设计气象资料 (6)7 冷却单元 (7)8 直接空冷系统设计参数选择 (8)9 直接空冷系统热力计算和空气动力计算 (9)10 直接空冷系统优化计算 (13)11 直接空冷系统设备选择 (14)12 直接空冷系统总体布置 (15)13 直接空冷系统性能验收试验 (16)14 直接空冷系统运行与控制 (16)前 言本标准是根据中国电力工程顾问集团公司《关于下达2005年度中国电力工程顾问集团公司新开科技项目计划的通知》(电顾科技﹝2005﹞43号)的安排编制的。
中国电力工程顾问集团公司企业标准——《大型直接空冷系统设计导则》为系列标准,设计导则由以下9个部分组成:第1部分:直接空冷系统总体性能设计导则;Part 1: Design guidelines— Overall Performance of Air Cooled Condenser System 第2部分:直接空冷供气系统设计导则;Part 2: Design guidelines— Air Supply System第3部分:直接空冷排汽管道设计导则;Part 3: Design guidelines— Exhaust Steam Dust第4部分:直接空冷抽真空系统设计导则;Part 4: Design guidelines— Vacuum Extraction System第5部分:直接空冷凝结水系统设计导则;Part 5: Design guidelines— Condensate system第6部分:直接空冷凝汽器冲洗系统设计导则;Part 6: Design guidelines— ACC Cleaning System第7部分:直接空冷系统仪表与控制设计导则;Part 7: Design Guidelines— I & C System第8部分:直接空冷凝汽器支撑结构设计导则;Part 8: Design Guidelines— Support Structure第9部分:直接空冷凝结水精处理系统设计导则;Part 9: Design Guidelines— Condensate Polishing System汽轮机冷端冷却采用空冷技术,是缺水地区发展燃煤电站的有效途径,当前空冷机组耗水指标可以降低到0.15 m3/s·GW以下。
广东志高空调股份有限公司企业标准商用空调产品制冷系统配管设计原则广东志高空调股份有限公司企业标准商用空调产品制冷系统配管设计原则1.范围本设计规范规定了商用空调产品(以下简称空调产品)的制冷系统配管设计的一般程序、方法、材料的选用、设计的技术标准及其相关的工艺要求。
本设计规范适用于内销和出口的空调器产品,其他产品可参考使用。
2.相关标准GB/T 17758-1999 单元式空气调节机GB/T 7725-2004 房间空气调节器3. 内容3.1配管设计工作程序新产品立项(三维)配管设计试制三台产品测试(固有频率、运输、跌落、长期运行)测试(固有频率、运输、跌落、长期运行)[注] :基本参数主要包括:压宿机型号及其附件,充氟量,毛细管,两器参数,底盘,前、后围板,中隔板,阀安装板,压缩机脚安装螺栓,单向阀,过滤器,四通阀,高、低压阀,压力控制器,感温套筒,贮液罐,电机及风叶等零件规格。
3.2 配管设计技术标准3.2.1配管设计基本要求(1)管路设计布置简单、有序、紧凑、美观,尽量做到横平、竖直。
(2)安装、焊接方便有较好的可维修性。
(3)较小的流动阻力与振动,足够的强度与抗振、抗沖击力。
3.2.2三维方案设计3.2.2.1 全新开发的空调器,在钣金、塑料件结构方案设计的同时,进行配管结构设计,充分考虑整体空间的合理分配,以避免配管设计在其它结构部分方案确定之后,只局限在有限的空间内进行。
3.2.2.2 制冷系统以外的结构件已定型的产品,在进行配管设计时,一般不考虑更改其它结构件;如果空间不够,配管设计无法实现,再更改其它结构件。
3.2.2.3 在方案设计时,在满足设计要求的前题下,充分考虑部件的装配工艺和零件的加工工艺要求,而且,首先考虑部件的装配工艺,其次是零件的加工工艺。
3.2.3零部件设计3.2.3.1 振动,应力幅值范围及固有频率(1) 配管的振动幅值不大于1 mm;(2) 启动时最大应力不大于2.5kg/mm;(3) 正常工作时最大应力不大于1.5kg/mm;(4) 配管的振动及其固有频率应满足〈〈管路振动和固有频率评价方法〉〉的要求。
石油化工空冷器的设备布置及管道布置设计14石油化工装置中空冷器是由空冷器厂家设计并制造的。
设计院工艺专业确定空冷器的形式、规格大小及管嘴大小,向空冷器厂家提供询价书。
管道专业负责确定空冷器在装置平面布置图中的位置,设计平台、梯子并完成空冷器进出口管道的设计。
根据工艺要求,空冷器可选择湿空冷或干空冷,目前占地面积小、投资少、便于操作维修的干式空冷器受到炼油行业的欢迎。
平面布置中考虑装置平面的形状和空间限制等因素,空冷器可布置在框架上方或管廊上方。
本文介绍布置于框架上方的干式空冷器的构架布置、平台梯子设置、管道布置及管道支架设置,通常管道支架是和空冷构架统一考虑的。
1?空冷器构架布置及管道支架设置(1)干式空冷器的构架高度通常为3800mm。
当空冷器与不重叠的管壳式后冷却器布置在同一层时,应根据后冷却器管道安装高度的要求提高空冷器构架的高度,构架基础高以200~400mm为宜,如图1所示。
如空冷器与后冷却器未布置在同一层平台时,构架基础可取100~200mm。
构架基础由结构专业设计,结构专业需在空冷器构架对应位置起一定高度的钢结构柱并设底板,与空冷器构架底板通过螺栓连接。
图1?空冷器构架布置图(2)空冷器通常是集中布置在框架顶层的,因此空冷器进出口的管线也是集中的。
空冷器入口管线具有温度高、管径大的特点,管嘴承受的应力较大,因此入口管线需要保证一定的柔性,一般入口管道支架会借助空冷构架采用“门”形框架的形式支撑。
这种支撑框架通常有两种形式:一种是从空冷器构架本身上起柱子,做梁支撑管线,该部分由空冷厂家设计。
结构专业在就近的平台边缘起柱子,做梁支撑管线,为保证框架的稳定性,结构专业的柱与梁可与空冷器构架上的柱与梁连接。
这种形式的构架需要空冷器构架的每一跨两侧预留出柱子升起的空间,适用于框架跨距与空冷器构架跨距不相同的情况。
另一种形式是不借助空冷构架,结构专业从空冷构架外500mm处及平台边缘对应位置另起立柱,做梁以支撑管线。
Q J/Z G广东志高空调股份有限公司企业标准QJ/ZG-S 03.003-2005商用空调产品制冷系统配管设计原则2005-09-30发布 2005-10-01 实施广东志高空调股份有限公司发布广东志高空调股份有限公司企业标准商用空调产品制冷系统配管设计原则QJ/ZG-S 03.003-20051.范围本设计规范规定了商用空调产品(以下简称空调产品)的制冷系统配管设计的一般程序、方法、材料的选用、设计的技术标准及其相关的工艺要求。
本设计规范适用于内销和出口的空调器产品,其他产品可参考使用。
2.相关标准GB/T 17758-1999 单元式空气调节机GB/T 7725-2004 房间空气调节器3. 内容3.1配管设计工作程序新产品立项(三维)配管设计试制三台产品测试(固有频率、运输、跌落、长期运行)测试(固有频率、运输、跌落、长期运行)QJ/ZG-S 03.003-2005[注] :基本参数主要包括:压宿机型号及其附件,充氟量,毛细管,两器参数,底盘,前、后围板,中隔板,阀安装板,压缩机脚安装螺栓,单向阀,过滤器,四通阀,高、低压阀,压力控制器,感温套筒,贮液罐,电机及风叶等零件规格。
3.2 配管设计技术标准3.2.1配管设计基本要求(1)管路设计布置简单、有序、紧凑、美观,尽量做到横平、竖直。
(2)安装、焊接方便有较好的可维修性。
(3)较小的流动阻力与振动,足够的强度与抗振、抗沖击力。
3.2.2三维方案设计3.2.2.1 全新开发的空调器,在钣金、塑料件结构方案设计的同时,进行配管结构设计,充分考虑整体空间的合理分配,以避免配管设计在其它结构部分方案确定之后,只局限在有限的空间内进行。
3.2.2.2 制冷系统以外的结构件已定型的产品,在进行配管设计时,一般不考虑更改其它结构件;如果空间不够,配管设计无法实现,再更改其它结构件。
3.2.2.3 在方案设计时,在满足设计要求的前题下,充分考虑部件的装配工艺和零件的加工工艺要求,而且,首先考虑部件的装配工艺,其次是零件的加工工艺。
空冷器的设备布置及管道布置设计0 前言作为当下较为常见的热交换设备,空冷器是将空气作为冷介质进行换热,高温介质一般从管内流通,通过换热元器件与空气形成对流热交换,与传统水冷却相比,空冷器具有节水、环保的特点,可大幅降低工业废气废水的排放,且设备运营维护成本较低,其中干式空冷器具有占地小、投资少、操作简单的优势,是当下石化行业中应用最为广泛的空冷形式。
从空冷器平面布置、占地、空间限制等考虑,需要加强管道布置、平台布置方面的管理。
一般状况下空冷器管束分为斜顶、水平两种形式,管程包括单管程、双管程等。
本文从空冷器布置方法、管道走向等进行了分析,旨在为设计工作奠定一定的理论基础。
1 空冷设备布置分析1.1 避免热风循环空冷器是借助环境中空气进行冷却的设备,因此空气入口温度的影响极为突出,对整体换热效果具有不可低估的作用,必须加强热风循环现象的防治。
从避免外界热风、高温设备影响的角度出发,空冷器一般需要布置在全年最小频率的下风向。
对于多台空冷器进行处理中,一般是采用成组布置的方法,不可在其间留有空隙。
多组同类空冷设备如果无法进行同时布置处理中,尽量将其维持在同一海拔高度,这是避免热风循环的常规举措。
此外,需要引起重视的是引风式、鼓风式空冷设备运行机理不同,一般不建议混合布置,如果受场地要求等必须混合布置时,需要保证引风空冷设备的管束与鼓风设备的风扇维持在一个高度上。
此外,需要将引风空冷器布置在鼓风空冷器的最小频率下风向上。
1.2 空冷器布置及梯子平台布置的分析空冷器选型环节中,需考虑设备是布置在管廊之上,还是构架之上。
为了保证布置合理,水平空冷器的本体方面,需要保证其构架柱脚跨度与下部支撑吻合,这对管道走向、进出口布置、平台设计等均具有积极的影响,可提高下部支撑结构受力合理性。
此外,空冷器的布置中,需要对管道布置的特殊性进行分析,如塔顶和空冷器的管道连接中,需要考虑低布置的方法,避免“U”形结构的发生,还要缩减管道长度、拐弯等状况,同时竖向布置方面,需要加强塔顶、空冷器之间以及空冷器到冷换构架之间的优化。
绩效评估过程与面谈技巧绩效评估是企业管理中一个非常重要的环节,它可以对员工的工作表现进行系统化的评价。
在评估员工表现时,需要通过特定的流程并运用一定的面谈技巧,确保评估能够精确、公正地进行。
本文将为您介绍绩效评估的过程和面谈技巧,以帮助企业有效评估员工表现。
一、绩效评估的过程1. 设定绩效标准在考核员工时,需要明确的是评估的标准。
因此,企业需要制定明确的绩效标准,以评估员工在各项工作职责和目标上的表现。
这些绩效标准应该是可以量化的,能够反映出真实的工作表现。
2. 收集评估数据在开始评估之前,需要搜集评估数据以了解员工的表现。
这可以通过直接观察、询问同事、参考工作报告和项目成果等方式进行。
这些数据将有助于评估员工在实现公司目标和标准方面的表现状况。
3. 绩效评估当数据搜集完毕之后,需要将数据反映到员工绩效表现中。
在评估过程中,需要认真考察员工是否达到和超越了制定的绩效标准。
如果员工的表现不能满足标准,则需要制定处理方案,并向员工明确未来需要改进的方向。
4. 推动绩效改进绩效评估的主要目的是为了確保员工持续改进工作。
根据评估的结果,需要确定无效措施以及支持员工发展的计划。
推进改进需要依据员工的优势和弱点制订可行的计划以迎接未来的挑战。
二、面谈技巧1. 保持专业态度在面谈中,企业需要保持专业态度,以确保面谈的准确性和公正性。
面谈时,应保持冷静,避免冲动和主观性。
对于任何评估结果和所得出的结论,需要用清晰的语言详细地解释,以便员工能够理解收到的反馈意见。
2. 聆听员工意见在面谈中,需要倾听员工的反馈,以了解员工对自己的看法。
问题是评估过程中最主要的环节之一。
员工可以表达对自己的态度和对领导的看法,以便他们获得针对性的评估。
3. 维持氛围和确保员工信任优秀面谈技巧不仅仅是思想,还涉及管理技巧。
对员工的评估可以增强他们的自我效能感,同时也能让他们对企业更加信任。
因此,面谈时,需要加强员工与公司之间的互动,以维护和谐氛围。
空冷器配管设计导则
AIR COOLERS PIPING ARRANGMENT
NOTES:
1.在空气冷却器(AIR FAN COOLER)中,被冷却流体在管路中应往下流。
塔
槽顶部与空气冷却之进口端间,管路不可有POCKET;
2.在空气冷却器之流体为二相流时,入口需为对称配管;
3.空气冷却器之进口NOZZLE多于6小时,须先分二股进入,以使入口分配
均匀,四个以下的NOZZLE可同时由一侧进入;
4.进口端管线和其相接设备间的管线,在挠性允许范围内,愈短愈好;
5.进口管线常为高温,热膨胀量较大,且空气冷却之NOZZLE极为脆弱,故
特别考虑管线之挠性、应力、支撑问题;
6.空气冷却器在配置时,须考虑马达,风扇之维护,吊装空间;
7.空气冷却器之操作平台,在CROSS WALKWAY和CENTER WALKWAY之
宽度为760MM。
两翼侧端之宽度MIN.为1,200MM,当空器冷却器之长度超过15M时,须另做一个CROSS WALKWAY;
8.在进出口端之维护平台其宽度为760MM,并须有爬梯和CROSS WALKWAY
相连接;
9.爬梯起点在地面,当操作平台高于3M,或爬梯起点于平台上,平台与平台
之高度超过2.4M时,皆须加GAGE以确保安全;
10.当须装置THERMOWELL CONNECTION和PRESSURE GATE时,尽可能
接近NOZZLE;
11.在空气冷却器进口端须加装一对FL’G以利于拆卸维护空气冷却器时之吊
装;
12.气体在MAIN HEADER中将会产生CONDENSATE,而使管路堵塞,故必须
将MAIN HEADER置于较AIR COOLER之INLET NOZZLE为高之地方,切不可妨碍维护、吊装空间;
13.为了减少压力降,从MANIFOLD至AIR COOLER NOZZLE.之管路可配置
呈直线,并且越短越好,如此才可推动AIR COOLER, 利用AIR COOLER 之CAP来吸收膨胀量;
14.栏杆和AIR COOLER之空间须保持150-200之距离,以利于维护操作;
15.在DOUBLE PASS之AIR COOLER中,OUTLET和INLET在同一侧时,则
须再详细考虑膨胀量之大小和方向,而决定是否可为直线配管(NOZZLE到HEADER), 或作LOOP来降低NOZZLE之受力;
16.利用HEADER BOX间之GAP还无法达到完全吸收其膨胀量时,可同时使
用COOL SPRING之方法来补助;
17.利用HEADER BOX之GAP来吸收管线热膨胀量时,GAP之大小必须依API
661CODE之规定,且须详细核对场上制造图及计算膨胀量。