《森林火险气象等级服务产品图形》编制说明
- 格式:doc
- 大小:60.00 KB
- 文档页数:7
DB34 T 1596-2012 气象影视图形色标规范ICS 07.060A 47DB34安徽省地方标准DB 34/T 1596?2012气象影视图形色标规范Specification of Color Code in Graphics for Meteorological Video and Audio文稿版次选择2012 - 02 - 23 发布 2012 - 03 - 23 实施发布安徽省质量技术监督局 DB34/T 1596?2012前言本标准按照 GB/T 1.1-2009 给出的规则起草。
本标准由安徽省气象标准化技术委员会提出并归口。
本标准起草单位:安徽省公共气象服务中心。
本标准主要起草人:璩瑛、徐春生、张脉惠、曹琦萍、杨关盈、朱凯、沈天任、刘佳颐。
I DB34/T 1596?2012气象影视图形色标规范1 范围本标准制定了气象服务影视节目中的图形基本要素、标注信息和天气区域颜色。
本标准适用于安徽省境内公共气象服务影视节目制作。
2 术语和定义下列术语和定义适用于本文件。
2.1RGB 值 RGB value红R、绿G、蓝B3 种基色从 0(黑色)到 255(白色)的亮度值。
当不同亮度的基色混合后,可产生 1670 万种颜色。
3 图形的基本要求3.1 尺寸与分辨率用于 PAL 制式播出图形的大小为 720×576 像素,分辨率为 72 dpi。
3.2 地理信息地图上国界、省界、地形、河流信息应符合《中华人民共和国地图》标准。
中国全图应附有南海诸岛。
用于电视播出的全图要预留充分的空间给主持人,避免一些地市被长时间遮挡。
3.3 标注信息标注信息包括图形标题、时效、天气要素的单位、天气图形的发布单位、发布时间、图例。
3.4 天气符号使用标准天气符号。
根据不同的服务需要可给符号添加适当的动画或三维效果。
3.5 天气区域3.5.1 总则气象产品图形中用具有一定透明度的颜色来标注天气区域。
辽宁省质量技术监督局 发布DB21/T1631-2008森林火险气象条件等级 Meteorological Condition 's Grade of Forest Fire-Danger 2008-07-03 发布 ICSA 472008-08-01实施目次前言............................................................................... I I 引言................................................................................. m 1范围. (1)2术语及定义、缩略语 (1)3森林火险气象条件等级因子 (2)4森林火险气象条件等级综合指标 (2)5森林火险气象条件等级发布 (5)本标准由辽宁省气象局提出。
本标准由辽宁省气象局政策法规处归口。
本标准由辽宁省气象台负责起草。
本标准主要起草人:关颖、袁子鹏、黄阁、陆忠艳、崔胜权、关健华、程佳悦本标准为首次发布本标准依据中华人民共和国气象法第二十三条规定'各级气象主管机构所属的气象台站应当根据需要,发布农业气象预报、城市环境气象预报、火险气象等级预报等专业气象预报,并配合军事气象部门进行国防建设所需的气象服务工作”而制定,引用和参考中国气象局预测减灾司的有关技术规定的基础上编制的。
森林火险气象条件等级1范围本标准规定了森林火险气象条件等级的术语、定义、因子、综合指标及发布。
本标准适用于辽宁省气象部门的森林火险预报工作。
2术语及定义、缩略语下列术语、定义和缩略语适用于本标准。
2.1术语、定义2.1.1降水指从大气中降落到地面的各种固态或液态水,如雨、毛毛雨、雪、霰、冰粒、米雪、冰雹、冻雨等。
2.1.2降水量指从天空降落到地面上的液态或固态(经溶化后)水,未经蒸发、渗漏、流失,而在水平面上积聚的深度。
森林火险等级划分
森林火险是什么?
森林火险是森林火灾发生的可能性和蔓延难易程度的一种重要度量指标。
森林火险与气象的关系气象条件是森林火灾能否发生和蔓延的决定性因素之一,森林火险的发生、发展和气象条件密不可分。
全国的森林火险天气等级主要根据气温、湿度、风力和降水量等因子来测算。
森林防火划分五个等级
森林火险等级服务用语:
一级:森林火险气象等级低;
二级:森林火险气象等级较低;
三级:森林火险气象等级较高。
须加强防范;
四级:森林火险气象等级高,林区须加强火源管理;五级:森林火险气象等级极高,严禁一切林内用火。
森林火险预警标志设置:
一级和二级火险天气,可不设标志。
三级火险天气,悬挂黄旗预警标志。
四级火险天气,悬挂橙旗预警标志。
五级火险天气,悬挂红旗预警标志。
森林火险影响元素:
经中国气象局、林业局发布,全国森林火险天气等级主要根据气温、湿度、风力、降水量等因子来测算。
气象行业标准《气象卫星遥感产品图像制图规范》编制说明一、工作简况1.任务来源本标准由全国卫星气象与空间天气标准化技术委员会(SAC/TC347)提出并归口。
2016年9月2日由中国气象局政策法规司下达各省(区、市)气象局,各直属单位,各内设机构,气象领域各标准化技术委员会(气法函[2016]21号),项目编号QX/T-2017-25。
本标准起草单位为:国家卫星气象中心。
2.协作单位无3.主要工作过程(1)初稿完成过程简述本项目于2016年成立标准起草组,开始有关气象卫星遥感产品图像制图规范的编写工作。
经过广泛收集国内外主要气象卫星遥感产品图像以及气象服务方面政策法规,气象等行业的服务规定,调研和整理分析目前气象卫星遥感产品较为通用的表现形式等,确立了标准编制原则和编写工作的主要技术内容,形成了本标准初稿。
(2)主要完成内容:1)收集资料,包括气象服务方面政策法规,气象等行业的服务规定,已有政策标准;2)开展调研工作。
在遥感应用服务中心及气象系统各部门单位开展调研,收集针对气象卫星遥感产品图像制图需求、形式,根据要求分类整理;了解气象卫星遥感产品图像的现状与存在的问题,系统梳理需求。
3)对各种资料进行整理、研究,凝炼标准的主要范围和涉及的技术内容。
4)研究气象卫星遥感产品图像的基本要求,主要包括遥感影像的质量、图像幅面和图框格式、数学基础和字体的要求。
5)研究气象卫星遥感产品图像内容和空间布局规范,主要包括图像内容、图像空间布局、图像标题、资料获取日期、图例、图像说明、比例尺、指北针、制作单位等。
6)研究基础地理信息矢量数据规范,主要包括水系、境界与政区数据边界、地名数据、交通数据、土地利用类型等数据的字体、颜色、线条粗细等。
7)初步形成一套完整的《气象卫星遥感产品图像制图规范》4.标准主要起草人及其所做的工作标准的主要起草人:邵佳丽、韩秀珍、郑伟、高浩、刘诚、闫华、王萌。
其分工如下:邵佳丽本标准起草负责人,负责组织和终稿修改以及资料收集和汇总。
中国气象局关于批准发布《森林火险气象等级服务产品图形》等11项气象行业标准的通告
文章属性
•【制定机关】中国气象局
•【公布日期】2024.06.20
•【文号】气发〔2024〕71号
•【施行日期】2024.06.20
•【效力等级】部门规范性文件
•【时效性】现行有效
•【主题分类】标准化,气象其他规定
正文
中国气象局通告
气发〔2024〕71号
关于批准发布《森林火险气象等级服务产品图形》等11项气
象行业标准的通告
中国民用航空局,中央军委联合参谋部战场环境保障局,新疆生产建设兵团农业农村局,北大荒农垦集团,龙江森工集团,伊春森工集团,中国科学院大气物理研究所,南京信息工程大学、成都信息工程大学,各省、自治区、直辖市气象局,各直属单位,各内设机构:
《森林火险气象等级服务产品图形》等11项气象行业标准已经中国气象局批准,现予以公布(见附件)。
附件:《森林火险气象等级服务产品图形》等11项气象行业标准目录
中国气象局
2024年6月20日附件。
自然灾害预警信息(GB)颜色级别划分及标识图颜色划分:红色、橙色、黄色、蓝色级别划分:一级、二级、三级、四级四级:蓝色三级:黄色二级:橙色一级:红色颜色级别这些颜色的图标正式的名称为气象预警信号,一般都有蓝、黄、橙、红四种颜色等级,严重程度依次加重,分别表示一般、较重、严重、特别严重,蓝色为最低级别预警,红色为最高级别预警。
(注:并不是每一种气象信号都有四种颜色等级,有的只有两种或三种。
)蓝色预警蓝色暴雨预警信号:12小时内降雨量将达50毫米以上,或者已达50毫米以上且降雨可能持续。
蓝色暴雪预警信号:12小时内降雪量将达4毫米以上,或者已达4毫米以上且降雪持续,可能对交通或者农牧业有影响。
台风蓝色预警信号:24小时内可能或者已经受热带气旋影响,沿海或者陆地平均风力达6级以上,或者阵风8级以上并可能持续。
雷雨大风蓝色预警信号:6小时内可能受雷雨大风影响,平均风力可达到6级以上,或阵风7级以上并伴有雷电;或者已经受雷雨大风影响,平均风力已达到6—7级,或阵风7—8级并伴有雷电,且可能持续。
霜冻蓝色预警信号:48小时内地面最低温度将要下降到0℃以下,对农业将产生影响,或者已经降到0℃以下,对农业已经产生影响,并可能持续。
黄色预警黄色暴雨预警信号:6小时内降雨量将达50毫米以上,或者已达50毫米以上且降雨可能持续。
黄色暴雪预警信号:12小时内降雪量将达6毫米以上,或者已达6毫米以上且降雪持续,可能对交通或者农牧业有影响。
臭氧黄色预警信号:未来4小时内可能出现小时平均浓度大于100ppb的臭氧,或已经出现小时浓度大于100ppb的臭氧且可能持续。
森林火险黄色预警:中度危险,林内可燃物较易燃烧,森林火灾较易发生。
雪灾黄色预警信号:12小时内可能出现对交通或农业有影响的降雪。
霾黄色预警信号:12小时内可能出现能见度小于3000米的霾,或者已经出现能见度小于3000米的霾且可能持续。
台风黄色预警信号:24小时内可能或者已经受热带气旋影响,沿海或者陆地平均风力达8级以上,或者阵风10级以上并可能持续。
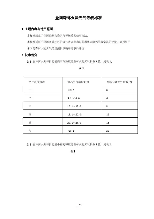
全国森林火险天气等级标准
1 主题内容与适用范围
本标准规定了全国森林火险天气等级及其使用方法。
本标准适用于全国各类林区的森林防火期当日的森林火险天等级实况的评定,也可用于未来的森林火险天气等级预报准确率的事后评价。
2 技术规定
2.1 森林防火期每日的最高空气温度的森林火险天气指数A值,见表1。
表1
2.2 森林防火期每日的最小相对湿度的森林火险天气指数B值,见表2。
表2
2.3森林防火期每日前期或当日的降水量及其后的连续无降水日数的森林火险天气指数C值,见表3。
表3
注:降水量小于0.3mm作为无降水计算。
C值为30以上时,每延续一日,C值递加5,
C值为50以上时,仍以50计算。
2.4 森林防火期每日的最大风力等级的森林火险天气指数D值,见表4。
表4
注;D值为40以上时,仍以40计算。
2.5森林防火期内生物及非生物物候季节的影响的订正指数E值,见表5。
表5。
中期森林火险等级预报方法
段秀英;胡明臣;周微
【期刊名称】《森林防火》
【年(卷),期】1990(000)001
【摘要】中期森林火险预报方法是以801森林火险等级为预报量,以500百帕高
度历史资料和地转涡度资料做为预报因子,建立预报方程。
并以欧洲数值中心500
百帕中期预报为实施预报因子,计算大小兴安岭林区10个测站范围的春季三至五天森林火险等级预报的一种新方法。
经过试报试验证明,其预报准确率可达70%以上。
首次为大小兴安岭林区护林防火工作,提供了中期森林火险等级预报方法。
该方法
能够客观地、定量地、准确地预报未来三至五天的森林火险等级。
【总页数】5页(P22-26)
【作者】段秀英;胡明臣;周微
【作者单位】黑龙江省森林保护研究所;黑龙江省森林保护研究所
【正文语种】中文
【中图分类】S762
【相关文献】
1.内蒙古森林、草原火险等级中期预报方法研究 [J], 李兴华;吕迪波;杨丽萍
2.大兴安岭森林火险等级中期PPM预报方法 [J], 魏松林;杜春英
3.闽北林区森林火险等级中期预测方法 [J], 邱泉成;曹李兴;曹顶富;郑清明
4.中期森林火险等级逐日预报 [J], 林雪娥
5.森林火险等级报告与短期中期预报方法 [J], 张洪彦
因版权原因,仅展示原文概要,查看原文内容请购买。
森林资源小班火险天气等级预报方法研究
高开通;刘鹏举;唐小明
【期刊名称】《北京林业大学学报》
【年(卷),期】2013(35)4
【摘要】森林火灾是危害森林健康的主要灾害之一,准确预测森林火险对做好森林火灾预防工作具有重要意义。
针对我国森林火险预报缺乏小尺度预报的问题,以MTCLIM模型、WindNinja软件为基础,通过研究森林资源小班气象因子的计算与生成技术,设计并开发了火险天气等级预报模块,实现了森林资源小班火险天气等级的快速预报。
试验分析表明,该方法具有易于实现、通用性好等优点,能够及时反映森林资源小班火险天气等级的时空变化,对于提高森林火灾的预防、扑救工作具有良好的指导和参考意义。
【总页数】6页(P61-66)
【关键词】森林资源小班;火险预报;MTCLIM模型;WindNinja软件
【作者】高开通;刘鹏举;唐小明
【作者单位】中国林业科学研究院资源信息研究所
【正文语种】中文
【中图分类】S762.2
【相关文献】
1.宁夏森林火险天气等级预报方法的研究 [J], 张学艺;李凤霞
2.基于GEP的森林小班火险天气危害预测预报方法和系统研究 [J], 蔡宏果;覃晓
3.西安城市火险天气等级预报方法研究 [J], 慕建利;雷治平;吕虹;景东侠;李平;赵奎锋
4.宁夏森林火险天气等级预报方法的研究 [J], 张学艺;李凤霞
5.火险天气等级预报方法的研究 [J], 冯家沛;刘步宽
因版权原因,仅展示原文概要,查看原文内容请购买。
云南气象森林火险等级划分标准1.第一级,表示火险程度极低。
Level one indicates extremely low fire risk.2.第二级,表示火险程度较低。
Level two indicates relatively low fire risk. 3.第三级,表示火险程度一般。
Level three indicates moderate fire risk.4.第四级,表示火险程度较高。
Level four indicates relatively high fire risk.5.第五级,表示火险程度很高。
Level five indicates very high fire risk.6.第六级,表示火险程度极高。
Level six indicates extremely high fire risk.7.划分火险等级是为了提醒人们注意防火。
The division of fire risk levels is to remind people to pay attention to fire prevention.8.这是为了保护森林资源和人民生命财产安全。
This is to protect forest resources and the safety of people's lives and property.9.森林火灾对生态环境的破坏是非常严重的。
Forest fires cause serious damage to the ecological environment.10.气象部门根据气象条件和森林干旱程度来划分火险等级。
The meteorological department divides fire risk levels based on meteorological conditions and forest dryness.11.需要根据实际情况采取相应的防火措施。
森林火灾应急预案编制说明一、背景森林火灾是指在森林、草原、山地等地形复杂区域发生的火灾。
森林火灾对生态环境造成严重影响,不仅会破坏植被,损失生态资源,还会危害人们的生命财产安全。
因此,制定科学合理的森林火灾应急预案对于减少火灾损失,保障人民生命财产安全具有重要意义。
二、目的制定森林火灾应急预案的目的是为了协调各方力量,有效应对森林火灾灾情,尽快扑灭火灾,最大限度减少火灾损失,保障人员安全。
三、编制原则1、科学性原则。
制定应急预案应以科学技术为依托,充分考虑地理环境、气象条件、森林资源等因素,合理确定预案内容和措施。
2、实用性原则。
应急预案应具有操作性和可行性,能够在森林火灾发生时迅速启动并得到有效执行。
3、协调性原则。
应急预案的编制应充分考虑相关部门和单位的职责和协作关系,确保各方合作无障碍。
4、时效性原则。
针对不同季节和地域的特点,应急预案内容应可根据需要进行及时调整和更新。
四、组织机构1、指挥部。
指挥部由公安消防、森林公安、应急管理部门等组成,负责全部火灾扑救行动的协调和指挥。
2、救援队伍。
救援队伍由专业的消防队、森林消防队、志愿者等组成,负责具体的火灾扑救工作。
3、支持单位。
支持单位包括医疗卫生机构、交通运输部门、通讯部门等,负责提供相关支持服务。
五、预案内容1、火灾发现和报告(1)火灾的发现。
任何单位和个人发现火情都应该及时报告消防部门,并迅速采取初期扑救措施。
(2)火灾的报告。
消防部门接到火灾报警后,应迅速立即启动应急预案,组织扑火救援行动。
2、火灾扑救(1)火灾现场的评估。
消防部门到达火灾现场后,应对火情进行评估,制定扑救方案。
(2)火灾扑救行动。
根据火情的实际情况,消防部门组织救援队伍进行扑救行动,采取水、泥土等控制手段,争取火灾尽快扑灭。
3、伤员救护和医疗保障(1)伤员救护。
在火灾扑救过程中,如有人员受伤,应迅速组织医疗队伍进行救护处理。
(2)医疗保障。
消防部门应派遣医疗队伍到达火灾现场,对伤员进行及时的救治,并做好后续医疗保障工作。
浙江森林火险气象等级精细化预报预警系统设计与实现孔照林;王亚云;贾燕;陆明【摘要】本文以浙江省气象森林火险等级模型为基础,采用自我研发的GIS控件MIDS为核心,运用计算机和网络技术设计并建立了适合我省使用的森林火险气象等级预报系统。
着重介绍了该系统的设计和开发的结构,描述了从模型试验和建立、基础气象原始数据的获取、计算、结果存储、图形化显示和上网等过程。
系统实现浙江67县森林火险的精细化预报和预警服务。
%On the basis of the meteorological forest fire danger rating model in Zhejiang province, the forest fire danger meteorological grade prediction system is designed with the self developed GIS control MIDS as the core and the use of computer and network technology. The paper focuses on the design and the development of the system and describes the test and establishment ofthe model, basic meteorological raw data acquisition, calculation, the results of storage, graphic display and Internet etc. The system realizes the refinement of forest fire danger forecasting and early warning in 67 counties of Zhejiang province.【期刊名称】《科技视界》【年(卷),期】2013(000)036【总页数】2页(P55-56)【关键词】森林火险;气象;GIS;精细化预报【作者】孔照林;王亚云;贾燕;陆明【作者单位】浙江省气象台,浙江杭州 310017;浙江省气象信息网络中心,浙江杭州 310017;浙江省气象台,浙江杭州 310017;浙江省气象服务中心,浙江杭州310017【正文语种】中文0 引言浙江省位于我国东南沿海,地形复杂,森林覆盖率达60.58%,有七山一水两分田之说,因此森林火灾也是危害浙江省的主要灾害之一。
河南省森林火险气象条件的分析预报及防御措施陈松;王争;陈天锡;赵龙【期刊名称】《河南科学》【年(卷),期】2013(000)012【摘要】通过了气象要素对森林火灾的影响分析,找出了气候背景下,温度、湿度、风、降水等气象要素及地形地貌与森林火灾发生发展的影响成因机理及存在的六方面关系特征规律。
在此基础上,确定了森林火险5个等级预报标准,建立了4种森林火险等级预报模型方法。
最后,针对森林火灾的预警服务与防御提出了4项行之有效的措施,已在森林防火气象预报服务工作中广泛应用。
%The influences of meteorological factors on the forest fire were analyzed in this thesis. The genetic mec-hanism and the mutual relationship among the meteorological factors such as the temperature,humidity,wind, precipitation and forest fire,as well as the relationship between the geography and the forest fire under the climate background were analyzed. Based on these,five levels of the forest fire forecasting and four model methods of fore-casting the forest fire can be settled. In view of the forest fire early warning service and defense,ideas and effective measures were put forward,which have been used widely in the forecast service of the forest fire.【总页数】4页(P2228-2231)【作者】陈松;王争;陈天锡;赵龙【作者单位】驻马店市气象局,河南驻马店 463000;驻马店市气象局,河南驻马店 463000;驻马店市气象局,河南驻马店 463000;驻马店市气象局,河南驻马店463000【正文语种】中文【中图分类】S718.51+2【相关文献】1.利津气象条件对棉花生长的影响及防御措施 [J], 聂醒枝2.风传感器冬季冻结气象条件分析及防御措施 [J], 陈志超;徐浩然;杨家锋3.河南省森林火险天气条件分析及防御林火的措施 [J], 陈天锡;陈卫波4.独山县烤烟种植的气象条件分析及其气象灾害防御措施 [J], 胡琳;王旭达;李青建;梁正文;陈尧;秦毓5.石河子地区小麦干热风的气象条件及防御措施浅析 [J], 白书军;刘勇;杨明凤因版权原因,仅展示原文概要,查看原文内容请购买。
内蒙古大兴安岭森林火险天气等级预报研究与应用
郭文;杨宝成;孙学庆;王敏芝;朱蒙芬
【期刊名称】《内蒙古气象》
【年(卷),期】2010(000)003
【摘要】根据国家林业行业标准中全国森林火险天气等级的规定,做出了内蒙古大兴安岭地区各林业局的森林火险天气等级预报,为林业部门在春秋两季防火期提供了客观、定量的火险等级预报.
【总页数】3页(P3-5)
【作者】郭文;杨宝成;孙学庆;王敏芝;朱蒙芬
【作者单位】呼伦贝尔市气象局,内蒙古呼伦贝尔,021008;呼伦贝尔市气象局,内蒙古呼伦贝尔,021008;呼伦贝尔市气象局,内蒙古呼伦贝尔,021008;呼伦贝尔市气象局,内蒙古呼伦贝尔,021008;呼伦贝尔市气象局,内蒙古呼伦贝尔,021008
【正文语种】中文
【中图分类】P456.1
【相关文献】
1.基于地表有效保水量的森林火险天气等级预报 [J], 王艳霞;周汝良;丁琨
2.博州森林火险天气等级预报的制作 [J], 陈萍;哈斯提尔
3.连续化森林火险天气等级预报模型的研究与实现 [J], 赵璠;周汝良;王艳霞;舒立福;叶江霞
4.连续化森林火险天气等级预报模型研究 [J], 石霖晟杰
5.林业区划在森林火险天气等级预报中的应用 [J], 代海燕;叶冬梅;苏东玉;那顺
因版权原因,仅展示原文概要,查看原文内容请购买。
气象行标《森林火险气象等级服务产品图形》编制说明一、工作简况1.1 任务来源1999年中国气象局和国家林业局联合启动了国家级森林火险气象等级预报预警业务。
森林火险业务的开展,对护林防火、减少经济损失起到了重要的作用。
目前各省基本已经建立森林火险业务体系,由于其服务产品图形缺乏统一规范,全国、各省(直辖市)的图形表现内容不尽相同,给从事森林火险业务人员、公众和决策用户的认知和理解造成一定的困扰,对于森林火险气象等级服务产品的共享以及信息发布和传播也带来一定困难。
制订和实施森林火险气象等级服务产品图形标准,对于规范完善全国森林火险气象等级的制作发布技术,以及即将开展的国家级森林火险上下一体化业务具有重要指导作用。
为规范森林火险气象等级服务产品图形,2019年9月30日,中国气象局政策法规司向公共气象服务中心下达了行业标准制定任务(气法函〔2019〕58号),项目编号QX/T-2020-60,立项名称为《森林火险气象等级服务产品图形》,由中国气象局公共气象服务中心负责起草。
本标准由全国气象防灾减灾标准化技术委员会(SAC/TC 345)提出并归口。
1.2 主要工作过程2019年11月,根据中国气象局法规司《关于下达2020年气象行业标准制修订及预研究项目计划的通知》(气法函〔2019〕58号文),起草工作组在前期申请立项调研的基础上,召开会议对标准制定的内容进行了深入的研究,明确了标准的基本编制思路和内容,明确了人员分工。
2020年1-3月,工作组对各省发布的森林火险气象等级服务产品图形进行了汇总和梳理,并围绕图形中存在的问题,设计了《森林火险气象等级服务产品图形》调查问卷表,并多次召开内部研讨会,修改完善问卷调查内容。
2020年4-5月,工作组面向国家及31个省(市)气象部门业务单位和专家发放问卷调查表,共收回25位专家的反馈意见。
工作组对反馈的问卷调查表进行汇总分析讨论,在此基础上,形成了《森林火险气象等级服务产品图形》(工作组讨论稿)。
2020年6月,工作组成员参加由中国气象局干部培训学院举办的“2020年全国气象标准化工作专题培训班”,加深了对气象行业标准起草规范和要求的理解,按照2020年标准化文件的结构和起草规则对《森林火险气象等级服务产品图形》(工作组讨论稿)进行修改完善,形成了《森林火险气象等级服务产品图形》(征求意见稿)。
1.3 标准起草单位及主要起草人本标准主要起草单位为:中国气象局公共气象服务中心。
本标准主要起草人为:梁莉、杨晓丹、赵鲁强、李筱竹、王宇虹、陈仲榆、张晓美、吴英、江滢。
具体分工如下:梁莉,中国气象局公共气象服务中心高级工程师,项目负责人,负责标准总体方案设计,负责标准征集意见稿和编制说明的审定。
杨晓丹,中国气象局公共气象服务中心高级工程师,参与标准总体方案设计、标准起草工作。
赵鲁强,中国气象局公共气象服务中心正研高级工程师,参与标准总体方案设计、标准起草工作。
李筱竹,中国气象局公共气象服务中心工程师,负责图形设计,参与标准起草工作。
王宇虹,中国气象局公共气象服务中心工程师,负责问卷调查设计和分析,参与编制说明起草工作。
陈仲榆,中国气象局公共气象服务中心工程师,负责梳理图形产品问题,参与编制说明起草工作。
张晓美,中国气象局公共气象服务中心高级工程师,参与征求意见整理。
吴英,中国气象局公共气象服务中心高级工程师,参与征求意见整理。
江滢,中国气象局公共气象服务中心正研高级工程师,参与征求意见整理。
二、编制原则和主要内容2.1 编制原则本标准根据《中华人民共和国国家标准化法》、《中华人民共和国标准化法实施条例》、《中华人民共和国气象法》及有关法规、规章,按GB/T 1.1—2020《标准化工作导则第1部分:标准化文件的结构和起草规则》的规定进行编写。
本标准的编制依据为《国家级森林火险气象服务业务规范(试行)》(待减灾司下发)。
2.2标准主要内容的确定主要设置了范围、规范性引用文件、术语和定义、底图、图形要素五部分内容。
(1)范围主要规定了森林火险气象等级服务产品图形的基本要求和标注信息等,适用于森林火险气象等级服务产品图形的制作。
(2)规范性引用文件对本标准编写中引用的文件(或标准)进行了说明。
(3)术语和定义为了便于理解标准的主要内容,设置了“术语和定义”一章。
对本标准涉及到的术语含义进行了界定。
(4)底图对底图的投影、像素、基础信息等进行界定,同时明确图形尺寸等要求。
(5)图形要素对森林火险气象等级服务产品图形的标题、预报时效、等级含义和颜色、发布单位和发布时间、图例等要素的内容和格式等进行界定。
三、问卷调查结果的统计分析情况为充分了解各级森林火险业务部门对森林火险气象等级服务产品图形的需求,确保标准编制内容在业务中具有可操作性和可应用性,项目组设计了问卷调查表,提出9个问题,并面向开展森林火险业务的相关部门展开了问卷调查工作。
3.1 问卷回收率本标准共送出问卷调查表31份,回收25份,回收率80%。
3.2 问卷调查内容与结论问题1:对于森林火险气象等级服务产品图形的标题,您认为以下哪一种最合适?A 全国(或XX省,或XX市)森林火险气象预报图B 全国(或XX省,或XX市)森林火险气象预报C 森林火险气象预报图D 森林火险气象预报问题2:对于森林火险气象等级服务产品图形,您认为发布单位、发布时间、预报时效是否需要标注?A 需要B 不需要C 其它(请在题9处填写)针对问题1~2,认为格式应为“全国(或XX省,或XX市)森林火险气象预报图”或“全国(或XX省,或XX市)森林火险气象预报”的意见占比一致,均为36%,16%的调查对象认为格式应为“森林火险气象预报图”,12%的调查对象认为格式应为“森林火险气象预报图”,且100%的调查对象认为图形中需要包含发布单位、发布时间、预报时效等相关信息。
因此,建议标准图形标题采用“全国(或XX省,或XX市)森林火险气象预报图”,同时应含有发布单位、发布时间、预报时效等信息,并对格式进行统一规范。
问题3:对于森林火险气象等级服务产品图形,您认为预报等级1、2、3、4、5级依次对应含义描述为?A低、较低、较高、高、极高B 低火险、较低火险、较高火险、高火险、极高火险C低度火险、中度火险、较高火险、高度火险、极度火险D没有危险、低度危险、中度危险、高度危险、极度危险E低风险、较低风险、较高风险、高风险、极高风险问题4:对于森林火险气象等级服务产品图形,您认为预报等级是否需要全部标出?A 需要,5个等级全部标出B 不需要,只标出2、3、4、5级C不需要,只标出3、4、5级D不需要,只标出4、5级针对问题3~4,44%的调查对象认为预报等级应为“低风险、较低风险、较高风险、高风险、极高风险”,24%的调查对象认为等级应为“低火险、较低火险、较高火险、高火险、极高火险”,16%和12%的调查对象认为等级应为“低、较低、较高、高、极高”和“没有危险、低度危险、中度危险、高度危险、极度危险”,4%的调查对象认为等级应为“低度火险、中度火险、较高火险、高度火险、极度火险”;64%的调查对象认为预报等级不需要全部标出,其中48%的调查对象认为只需标出3、4、5级,8%的调查对象认为只需标出2、3、4、5级或只标出4、5级,36%的调查对象认为5个等级需要全部标出。
因此,建议标准不需要将全部等级标出,只需标出3、4、5这三个级别,分别对应含义描述为较高风险、高风险、极高风险。
问题5:对于森林火险气象等级服务产品图形,您认为预报等级表征颜色的RGB值是否需要统一?A 需要B 不需要C 其它(请在题9处填写)问题6:对于森林火险气象等级服务产品图形,图例中需要包括什么信息?(可多选)A 专题图层信息,如森林火险气象等级、森林资源分布等B 预报等级表征颜色说明C 地图层的行政单元标注信息D 其它(请在题9处填写)针对问题5~6,92%的调查对象认为预报等级表征颜色的RGB值需要统一,8%调查对象认为预报等级表征颜色的RGB值不需要统一;35.9%和34.4%的调查对象认为图例中需要包含预报等级表征颜色说明以及专题图层信息,如森林火险气象等级、森林资源分布等信息,28.1%的调查对象认为图例中需要包含地图层的行政单元标注信息。
因此,建议标准统一给出火险预报等级表征颜色RGB值和说明,图形图例中需明确专题图层信息,如森林火险气象等级、森林资源分布或行政单元等标注信息。
问题7:对于森林火险气象等级服务产品图形,您认为底图图形中必须明确给出的信息包括(可多选)A 森林资源分布B 省界、省会位置、省会名C地市界、地市位置、地市名D 县界、县位置、县名E 林区位置、林区名F 比例尺G 沿海省份海域信息H 接壤省份国界信息I 其它(请在题9处填写)问题8:对于森林火险气象等级服务产品图形,您认为图形中文字的字体和大小,境界与政区线条颜色和线宽,省会、地市、县名标记颜色和大小,图形尺寸等辅助要素是否需要统一要求?A 需要B 不需要C 其它(请在题9处填写)针对问题7~8,17.5%和12.7%的调查对象认为底图图形中必须明确给出“森林资源分布”和“林区位置、林区名”,对于行政边界、行政单位位置和名称,15.1%、14.3%和9.5%的调查对象认为底图图形中必须明确给出“省界、省会位置、省会名”、“地市界、地市位置、地市名”和“县界、县位置、县名”,13.5%、11.9%和4%的调查对象认为底图图形中还必须明确给出“比例尺”、“接壤省份国界信息”和“沿海省份海域信息”,还有1.6%的调查对象认为图形中必须明确给出审图号;84%调查对象认为图形中文字的字体和大小,境界与政区线条颜色和线宽,省会、地市、县名标记颜色和大小,图形尺寸等辅助要素是否需要统一要求,16%的调查对象认为不需要。
因此,建议标准给出图形中文字的字体和大小,境界与政区线条颜色和线宽,省会、地市、县名标记颜色和大小,图形尺寸等辅助要素的统一要求,同时建议考虑产品发布范围的不同,底图图形中需要明确给出的信息也应该有所区别,例如,对于国家级森林火险气象等级预报图,图形底图信息明确到省界即可,对于省级森林火险气象等级预报图,图形底图信息明确到市界。
问题9:其它建议针对问题9,调查对象还认为图形标准应与林业相关标准规范结合;应该建立统一图形标准,规范发布;也有调查对象认为图形只是预报结果的一种表现形式,不必限定过死。
四、采用国际标准和国外先进标准的程度,以及与国际、国外同类标准水平的对比情况本标准为自主研制标准,不涉及采标问题。
五、与现行有关法律、法规和强制性标准的关系本标准与现行有关法律、法规和强制性标准没有矛盾。
六、重大分歧意见的处理经过和依据无。
七、标准作为强制性标准或推荐性标准的建议本标准建议作为推荐性标准发布。