封隔器型号与原理
- 格式:doc
- 大小:391.97 KB
- 文档页数:21
y341封隔器工作原理
封隔器是一种常见的工业设备,它在许多领域都有着重要的应用。
在工业生产中,封隔器的作用是非常关键的,它可以有效地控制流体的流动,实现流体的分流、混合和控制。
那么,y341封隔器的工作原理是什么呢?接下来,我们将详细介绍y341封隔器的工作原理。
y341封隔器是一种通过阀门控制流体流动的设备。
它通常由阀体、阀芯、阀座等部件组成。
在封隔器关闭状态下,阀芯与阀座完全密封,阻止流体的流动。
而在封隔器打开状态下,阀芯与阀座分离,允许流体自由流动。
这种通过阀门控制流体流动的方式,实现了封隔器的工作原理。
y341封隔器的工作原理可以简单概括为以下几点,首先,当封隔器处于关闭状态时,阀芯与阀座之间形成完全密封的状态,阻止流体的流动。
其次,当需要流体流动时,通过操作阀门,将阀芯与阀座分离,打开封隔器,允许流体自由流动。
最后,当流体流动结束时,通过操作阀门,将阀芯与阀座重新密封,关闭封隔器,停止流体的流动。
除了以上的基本工作原理外,y341封隔器还可以根据具体的工况和要求,实现不同的控制方式。
例如,通过调节阀门的开度,可以实现对流体流速的调控;通过改变阀芯和阀座的材质和结构,可以适应不同介质和工作条件的要求;通过联动控制系统,可以实现多个封隔器的协同工作,满足复杂工艺流程的需要。
总的来说,y341封隔器的工作原理是通过阀门控制流体流动,实现流体的分流、混合和控制。
它在工业生产中起着非常重要的作用,广泛应用于化工、石油、冶金、电力等领域。
了解封隔器的工作原理,有助于我们更好地使用和维护封隔器,确保生产过程的安全和稳定。
希望本文能够对您有所帮助,谢谢阅读。
•各型号封隔器使用说明书一、DY245-150型封隔器1、技术参数:最大外径:150mm;座封压力:20MPa;最大内径:36mm;解封力:40-60KN丢手后通径:100mm;总长:1200mm;工作压力:上压〈15MPa;下压〈10MPa使用温度:350℃(高温)2、结构:封隔器采用水力座封,上提解封、丢手同时完成的结构。
结构可分为座封、丢手、主体、解封四部分。
座封部分主要是液动系统,可以产生足够的座封力。
丢手部分由弹性爪、滑阀及支撑等部件组成,滑阀移动由销钉控制,剪断锁钉后滑阀将支撑件分开可保证准确的座封压力和足够的推动力,使丢手准确可靠。
主体部分包括密封件、卡瓦、锥体及缩紧机构,密封件在350℃高温下长期使用密封可靠,卡瓦为单向卡瓦,锥体在上面解封容易,锁紧机构为双级锁紧,一级为单向锯齿牙块锁紧,由片状箍簧压紧,箍簧为耐高温材料制造,具有体积小、强度高、锁紧力大的特点;另一级为无级内卡瓦锁紧,可保证锥体只能单项移动,使封隔器能承受双向压差。
解封部分由分瓣接头、解封打捞套组成,只有在下入专用工具才能解封,解封可以上提,也可以正转管柱来实现。
3、工作原理:将管柱下到设计位置,投入钢球,用水泥车憋压,当压力达到一定值时,座封机构开始动作,推动密封件和锥体下移,紧锁机构锁紧,压力继续升高到23MPa,将滑阀销钉剪断,滑阀下移推出支撑部件,弹性爪失去支撑,同时管柱压力突然下降,上提管柱和封隔器丢手部分。
4、特点:1) 可以承受上下压差;2)能够承受较大的管柱负荷,遇阻时可承受较大的上提和下放吨位;3)丢手简单可靠;4)丢手后通径100mm,应用广范;5)采用高温密封件在350℃及高温下长期工作。
5、用途:1)用于管内防砂作悬挂器;2)与其它封隔器一起使用可分层采油、分层注汽、调层,实现过泵工艺。
二、FXy445-114E可捞式压裂桥塞1、技术参数:最大刚体外径:114mm;座封压力:22+2MPa;工作套管内径:121-124mm;解封力:70+10KN丢手后通径:100mm;总长:1200mm;工作压力:上压差70MPa;下压差35MPa工作温度:<120℃联接扣型:上端2 7/8 TBG母扣2、工作原理:该工具把送封工具和封堵工具设计为一体。
各种封隔器的结构与工作原理用途与特点一、各种封隔器的结构与工作原理1.气动隔离器:气动隔离器是利用气动装置进行封隔的装置。
其结构由隔离体、密封垫、压盘、气动装置等组成。
工作时,通过气动装置将隔离体与密封垫压紧,实现密封。
2.电磁隔离器:电磁隔离器是利用电磁力产生封隔效果的装置。
其结构由电磁铁、密封垫等组成。
当电磁铁带有电流时,会产生磁场,将隔离体与密封垫吸附在一起,实现封隔。
3.机械隔离器:机械隔离器是通过机械原理实现封隔效果的装置。
常见的机械隔离器包括翻板阀、球阀等。
通过手动或自动操作,改变阀门内部的结构以实现开关,达到封隔的目的。
4.膜片隔离器:膜片隔离器通过薄膜的弯曲变形实现封隔效果的装置。
其结构由薄膜片、密封环等组成。
隔离时,薄膜片受到压力差的作用而弯曲,将两侧的介质隔离开来,实现封隔。
5.液动隔离器:液动隔离器是利用液体压力实现封隔效果的装置。
其结构由液动缸、隔离体、密封垫等组成。
通过液动装置提供的高压液体,将隔离体与密封垫压实,实现封隔。
1.气动隔离器:适用于高压、高温、腐蚀性介质的封隔,具有密封可靠、操作方便、适用范围广等特点。
2.电磁隔离器:适用于液体、气体等介质的封隔,具有封隔效果好、韧性强、安装方便等特点。
3.机械隔离器:适用于液体、气体的封隔,具有结构简单、密封可靠、操作方便等特点。
4.膜片隔离器:适用于高温、高压、腐蚀性等介质的封隔,具有耐高压抗冲击、密封可靠、使用寿命长等特点。
5.液动隔离器:适用于液体、气体等介质的封隔,具有密封性好、结构紧凑、使用寿命长等特点。
综上所述,各种封隔器都具有封隔效果好、操作方便、安全可靠等性能,但适用于不同介质和工况的封隔需求。
因此在实际应用中,需要根据具体情况选择合适的封隔器。
一、概述k341封隔器是一种常见的工业设备,用于隔离流体或气体在管道中的流动。
它具有复杂的结构和精密的工作原理,广泛应用于石油、化工、制药等行业。
本文将对k341封隔器的结构和工作原理进行详细介绍,希望能够帮助读者对该设备有更深入的了解。
二、k341封隔器的结构1. 主体结构k341封隔器的主体结构通常由壳体、阀芯、密封件等部件组成。
壳体为封隔器的外壳,用于承受管道内部流体或气体的压力。
阀芯是封隔器的关键部件,通过对阀芯的控制来实现流体或气体的开启或关闭。
密封件则起着密封作用,防止流体或气体泄漏。
2. 驱动结构k341封隔器的驱动结构通常由电动驱动、气动驱动或手动驱动等形式。
电动驱动是指通过电机驱动阀芯的开启或关闭,气动驱动则是通过压缩空气驱动阀芯,而手动驱动则是通过人工操作实现。
3. 辅助结构除了主体结构和驱动结构外,k341封隔器通常还配备有位置指示器、手动紧急操作装置、阀盖等辅助结构,以便于操作和维护。
三、k341封隔器的工作原理1. 开启状态当k341封隔器处于开启状态时,阀芯与管道对齐,流体或气体可以自由通过管道流动。
电动驱动、气动驱动或手动驱动等方式可以实现阀芯的开启,并通过位置指示器等辅助结构来监测阀芯的位置。
2. 关闭状态当k341封隔器需要关闭时,阀芯被移动到管道中间位置,阻止了流体或气体的进出。
阀芯的关闭可以通过电动驱动、气动驱动或手动驱动等方式来实现,同时辅助结构可以提供手动紧急操作装置,以应对紧急情况。
3. 密封性能k341封隔器的工作原理还包括其密封性能。
密封件在封隔器的关闭状态下起着重要作用,有效防止了流体或气体的泄漏。
四、k341封隔器的应用k341封隔器广泛应用于石油、化工、制药等行业的生产流程中,如蒸汽管道、化工生产等。
它的结构复杂、工作原理精密,可以满足不同工业场景的需求,确保生产流程的顺利进行。
五、结论k341封隔器作为一种重要的工业设备,在各个行业中都扮演着重要的角色。
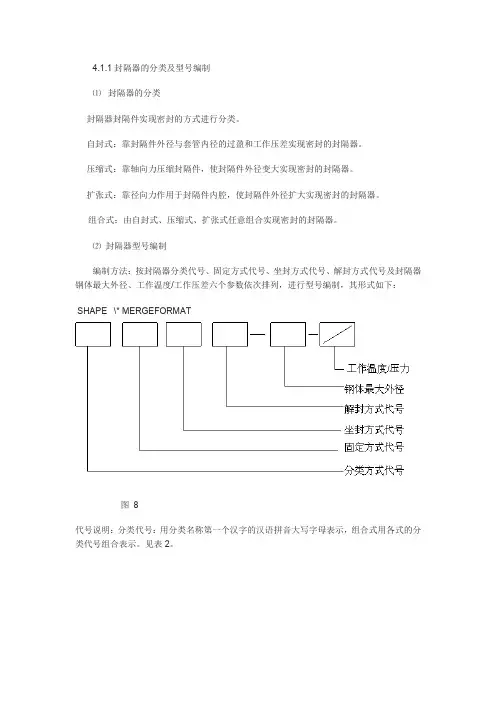
4.1.1封隔器的分类及型号编制⑴封隔器的分类封隔器封隔件实现密封的方式进行分类。
自封式:靠封隔件外径与套管内径的过盈和工作压差实现密封的封隔器。
压缩式:靠轴向力压缩封隔件,使封隔件外径变大实现密封的封隔器。
扩张式:靠径向力作用于封隔件内腔,使封隔件外径扩大实现密封的封隔器。
组合式:由自封式、压缩式、扩张式任意组合实现密封的封隔器。
⑵封隔器型号编制编制方法:按封隔器分类代号、固定方式代号、坐封方式代号、解封方式代号及封隔器钢体最大外径、工作温度/工作压差六个参数依次排列,进行型号编制,其形式如下:SHAPE \* MERGEFORMAT图8代号说明:分类代号:用分类名称第一个汉字的汉语拼音大写字母表示,组合式用各式的分类代号组合表示。
见表2。
表2 分类代号固定方式代号:用阿拉伯数字表示,见表3。
表3 固定方式代号坐封方式代号:用阿拉伯数字表示,见表4。
表4 坐封方式代号解封方式代号:用阿拉伯数字表示,见表5。
表5 解封方式代号钢体最大外径:用阿拉伯数字表示,单位为毫米(mm)。
工作温度:用阿拉伯数字表示,单位为摄氏度(℃)。
工作压差:用阿拉伯数字表示,单位为兆。
4.2常用分层注水工具的结构、原理4.2.1封隔器随着现场井况的变化,封隔器也随之逐步改进,形成了多种多样的、满足各种条件的封隔器。
但其最基本的原理都是相通的。
下面介绍几种最基本的封隔器的结构和原理。
⑴Y211封隔器①结构:见图9。
图9 Y211封隔器1-上接头2-调节环3-“O”型圈4-边胶筒5-隔环6-中胶筒7-中心管8-楔形体帽9-档环10-防松螺钉11- 楔形体12-防松螺钉13-限位螺钉14-卡瓦15-大卡瓦档环16-固定螺钉17-连接环18-小卡瓦档块19-防松螺钉20-护罩21-弹簧22-锁环套23-档球套24-档球25-顶套26-扶正体27-压环28-摩擦块29-压簧30-限钉压环31-滑环32-轨道销钉33-防松螺钉34-下接头②工作原理:(运动轨迹是花键槽,短槽上死点A,长槽上死点C,B过渡点)坐封:按所需坐封高度上提管柱后下放管柱,由件26~30组成的扶正器依靠弹簧29的弹力造成摩擦块28与套管壁的摩擦力,扶正器则沿中心管7轨迹槽运动,轨道销钉32从原来的短槽上死点A经过B到达长槽上死点C的坐封位置。
y341封隔器工作原理
y341封隔器(也称为Y341泥浆分离器)是一种常用于挖掘泥浆、排水与去除废弃物的设备。
其工作原理如下:
1. 泥浆进入分离器:首先,含有固体颗粒的泥浆会通过管道输送至Y341封隔器。
泥浆进入设备后,会先经过入口阀控制流量,并进入分离器内部。
2. 分离过程:一旦泥浆进入封隔器,它会被分离为两个部分:液相和固相。
- 液相分离:泥浆中的液相(如水)会被分离出来,并通过
出口阀排出。
这个分离过程通常依靠设备内的过滤器或离心力等方式实现。
- 固相分离:固相(如泥土、砂砾等)则会被留在设备内部。
这些固相颗粒会沉积在分离器内部的收集室或底部,并通过定期清理或排放来清除。
3. 出口排放:一旦液相和固相完成分离,液相会通过出口阀控制流量而被排出设备。
清除后的固相则可以通过另外的出口进行处理或处理。
总之,Y341封隔器工作原理基于分离液相和固相的能力,通
过过滤或离心力等方式将泥浆中的固体颗粒与液相分开,从而实现泥浆的处理与废弃物分离。
封隔器的工作原理引言概述:封隔器是一种常见的设备,广泛应用于工业、医疗和实验室等领域。
它的主要功能是将流体或者气体分隔开,以防止交叉污染或者混合。
本文将详细介绍封隔器的工作原理,包括五个部份:密封原理、流体控制、材料选择、温度和压力控制以及应用领域。
一、密封原理:1.1 环形密封:封隔器通常采用环形密封来确保流体或者气体的隔离。
环形密封是通过将密封件放置在两个接触面之间形成的。
当封隔器关闭时,密封件被压缩,形成一个密封的界面,防止流体或者气体泄漏。
1.2 面密封:除了环形密封外,封隔器还可以使用面密封来实现隔离。
面密封是通过将两个平面接触面贴合在一起形成的。
封隔器关闭时,两个接触面之间的压力将阻挠流体或者气体的泄漏。
1.3 液压密封:对于高压或者高温应用,封隔器可能使用液压密封。
液压密封是通过在接触面上施加液压力来实现的。
这种密封方法可以提供更高的密封性能,并适合于极端条件下的应用。
二、流体控制:2.1 流体阻力:封隔器的设计通常考虑了流体阻力。
通过调整密封件的材料和形状,可以减少流体通过封隔器的阻力,从而实现更高效的流体控制。
2.2 流量控制:封隔器还可以用于控制流体的流量。
通过调整封隔器的开度或者使用流量调节阀,可以精确控制流体的流量,满足特定应用的需求。
2.3 流体分离:在某些应用中,封隔器可以用于将流体分离。
通过封隔器的隔离功能,可以将不同成份的流体分离开来,以满足特定的处理要求。
三、材料选择:3.1 密封件材料:封隔器的密封件通常由橡胶、聚合物或者金属等材料制成。
材料的选择取决于应用的要求,如耐高温、耐腐蚀性能等。
3.2 封隔器材料:除了密封件材料外,封隔器的其他部件也需要选择适当的材料。
常见的封隔器材料包括不锈钢、铜、铝等,具有良好的耐腐蚀性和机械强度。
3.3 材料兼容性:在选择封隔器的材料时,还需要考虑材料之间的兼容性。
不同材料的组合可能会导致化学反应或者材料损坏,因此需要进行充分的材料测试和评估。
常用封隔器所谓封隔器,即是为了满足油水井某种工艺技术目的或油层技术措施的需要,由钢体、胶皮封隔件部分与控制部分构成的井下分层封隔的专用工具。
它的主要封隔元件是胶皮筒,通过水力或机械的作用,使胶皮筒鼓胀密封油管和套管的环形空间,把上、下油层分隔开,以达到某种施工的目的。
1封隔器的分类及型号编制目前,各油田所使用的封隔器形式很多,按其工作原理不同,可分为支撑式、卡瓦式、皮碗式、水力扩张式、水力自封式、水力密闭式、水力压缩式和水力机械式8种类型;按其封隔件(密封胶筒)的工作原理不同,可分为自封式、压缩式、楔入式、扩张式和组合式5种类型。
封隔器型号编制的基本方法是按封隔器分类代号、支撑方式代号、坐封方式代号、解封方式代号及封隔器钢体最大外径、工作温度、工作压差等参数依次排列,进行型号编制。
其形式如图1所示。
图1封隔器型号其中分类代号用分类名称第一个汉字的汉语拼音大写字母表示;组合式用各式的分类代号组合表示;支撑方式代号、坐封方式代号、解封方式代号均用阿拉伯数字表示(见表1、表2、表3、表4所示);钢体最大外径、工作温度、工作压差也均用阿拉伯数字表示,单位分别为毫米(mm)、摄氏度(℃)、兆帕(MPa)。
例如:Y211-114-120/15型封隔器,表示该封隔器为压缩式,单向卡瓦固定,提放管柱坐封,提放管柱解封,钢体最大外径为114mm,工作温度为120℃,工作压力为15MPa。
表1分类代号分类名称自封式压缩式楔入式扩张式组合式分类代号Z Y X K用各式的分类代号组合表示表2支撑方式代号支撑方式名称尾管支撑单向卡瓦悬挂双向卡瓦锚瓦支撑方式代号12345表3坐封方式代号坐封方式名称提放管柱转动管柱自封液压下工具热力坐封方式代号123456表4解封方式代号解封方式名称提放管柱转动管柱钻铣液压下工具热力解封方式代号1234562封隔器的基本用途封隔器的使用范围几乎遍及勘探和开发的各个生产过程。
但油井维修中所遇到的封隔器多数实现下列目的:2.1封隔产层或施工目的层,防止层间流体和压力互相干扰,以适应各种分层技术措施的需要;大修中进行堵漏、封窜等作业。
y341封隔器工作原理
y341封隔器是一种用于隔离电路中的信号或电磁波的装置。
它能够有效地阻断或屏蔽不需要传递的信号,确保所需信号的正常传输和接收。
y341封隔器的工作原理基于电磁波的干涉和反射效应。
当电
磁波遇到封隔器上的金属屏蔽层时,金属屏蔽层会反射部分电磁波,并吸收剩余的部分。
这一反射和吸收过程能够有效地减小信号的传输距离和强度。
封隔器的金属屏蔽层通常由导电材料制成,如铜或铝。
这些金属材料能够有效地反射电磁波,并形成一个屏蔽的隔离区域。
此外,封隔器还可以采用绝缘材料作为外部覆盖层,以增加隔离的效果。
封隔器的设计还考虑到信号传输的需求。
在封隔器中,通常会设置特定的通道或开口,以便允许所需信号的传递。
这些通道可以是简单的绝缘开口或具有特定形状的导电连接器。
当电路中的信号通过封隔器时,不需要传递的信号将被金属屏蔽层截断或反射,只有所需信号能够通过通道传输。
这样一来,封隔器可以有效地隔离信号,防止干扰或泄露。
总结而言,y341封隔器的工作原理是通过金属屏蔽层的反射
和吸收效果,以及特定的信号通道,来隔离和阻断不需要的信号,确保所需信号的正常传输和接收。
Y241-100封隔器
一、用途
该封隔器主要用于51/2″套管变形的
油、水井卡层。
二、工作原理
1、坐封:将封隔器用油管输送至设
计井段。
油管内加压5 MPa时,防
坐封剪钉被剪断,上活塞带动缸套及
压紧套上行,压缩胶筒,同时分瓣爪
被释放,在下活塞的推动下,下行推
动锥体,撑开卡瓦,咬住套管壁,当
压力逐渐增大至15 MPa时,胶筒完
全被压缩,密封油套环形空间,此时,
缸套被锁环紧紧锁住,使胶筒无法弹
回,始终处于密封状态。
2、解封:
上提管柱,使中心管带动下接头剪断剪销。
胶筒在弹力作用下反弹收回,当压紧套顶住分瓣爪台阶后,由分瓣爪带动锥体上行,收
缩卡瓦,实现彻底解封。
三、技术特点
1、采用特殊结构的胶筒,封隔可靠,承压能力高。
2、卡瓦锚定,可有效克服管柱蠕动,延长使用寿命。
四、注意事项
1、封隔器坐封位置应尽可能避开套管接箍
2、工具运输时,严禁碰撞,储存时平直架放
3、防潮湿,防腐蚀。
封隔器工作原理与型号盐城市通宇石油机械有限公司专业封隔器生产厂家为你解答,望采纳英文名称:packer中文名称:封隔器系指具有弹性密封元件,并借此封隔各种尺寸管柱与井眼之间以及管柱之间环形空间,并隔绝产层,以控制产(注)液,保护套管的井下工具。
在采油工程中封隔器用来分层,封隔器上设计有采油通道,坐封时,活塞套上行,采油通道被打开;坐封后,上层压力作用在平衡活塞上,向上推胶筒,使解封销钉免受剪切力;解封时,靠胶筒与套管的摩擦力剪断解封销钉,活塞套下行,关闭采油通道。
优点:减少了油井封隔器堵水施工工序,能方便地实现不压井不放喷作业,并且能双向承受高压,使用寿命长。
油田常用的皮碗封隔器为自封式。
其皮碗外径大于套管内径,靠皮碗与套管的过盈配合来实现封隔器的密封,下井时阻力大,皮碗易磨损和刮坏,从而失去密封性。
随着对油层的深入认识,厚油层挖潜势在必行,同时也对井下封隔器提出了更高的要求。
分类及型号编制方法分类:自封式,压缩式,楔入式,扩张式,组合式型号编制方法:X X X X — X — X分类代号固定方式代号坐封方式代号解封方式代号钢体最大直径工作温度、压差分类代号:分类名称自封式压缩式楔入式扩张式组合式分类代号Z Y X K 用各式的分类代号组合表示固定方式代号:固定方式名称尾管支撑单向卡瓦悬挂双向卡瓦锚瓦固定方式代号 1 2 3 4 5坐封方式:坐封方式名称提放管柱转动管柱自封液压下工具热力坐封方式代号 1 2 3 4 5 6解封方式解封方式名称提放管柱转动管柱钻铣液压下工具热力解封方式代号 1 2 3 4 5 6工作温度:用阿拉伯数字表示,单位为摄氏度(℃)。
工作压差:用阿拉伯数字表示,省略到个位数,单位为兆帕(MPa)。
本段使用范围广泛应用于钻井、固井、测试、完井等作业中。
还用于井下石油作业中。
如固井过程采用的套管外封隔器,用以封隔套管外与井眼之间的环空形成永久性桥塞,防止固井过程因水泥固化失重,使地层油、气、水上窜。
封隔器型号及工作原理封隔器(Isolator)型号及工作原理:1. 光学隔离器(Optical Isolator):工作原理:光学隔离器是一种非对称设计的光学元件。
它通常由线偏振器、磁光晶体、磁场以及另一个线偏振器组成。
线偏振器可以选择性地允许特定方向的偏振光通过。
当光线通过第一个线偏振器时,只有特定方向的光能够通过,然后进入磁光晶体。
磁光晶体在施加磁场时会导致光线发生旋光,改变其偏振方向。
最后,经过线偏振器的光线会再次被过滤,只有特定方向的光能够通过,而其他方向的光则被阻隔。
这样,光学隔离器可以实现单向传输光信号,防止反射和回波。
2. 微波隔离器(Microwave Isolator):工作原理:微波隔离器采用磁铁和非对称传输线的组合来实现信号的单向传输。
在正向传输方向,传输线可以有效地传输信号,而在反向传输方向,由于磁铁的阻挡作用,信号会被衰减或反射掉,从而达到隔离的效果。
3. RF隔离器(Radio Frequency Isolator):工作原理:RF隔离器利用非线性元件的性质,将输入信号的频率分成两个频段。
其中一个频段被频率倍频,而另一个频段则被通过。
在输出端,倍频的频段具有较高的功率,而通过的频段功率较低。
由于非线性元件的特性,输入信号的反向传输被有效地阻止,实现了信号的单向传输和隔离。
4. 电气隔离器(Electrical Isolator):工作原理:电气隔离器通常由电压或电流输入端和输出端之间的电气隔离元件构成。
这种隔离元件可以阻止电流或电压的双向传输,从而实现输入和输出之间的电气隔离。
常见的电气隔离器包括光耦合器、变压器等。
以上是一些常见的封隔器型号及其工作原理,它们在不同领域的电子、光电和通信等应用中发挥着重要的作用。
4.1.1封隔器的分类及型号编制⑴封隔器的分类封隔器封隔件实现密封的方式进行分类。
自封式:靠封隔件外径与套管径的过盈和工作压差实现密封的封隔器。
压缩式:靠轴向力压缩封隔件,使封隔件外径变大实现密封的封隔器。
扩式:靠径向力作用于封隔件腔,使封隔件外径扩大实现密封的封隔器。
组合式:由自封式、压缩式、扩式任意组合实现密封的封隔器。
⑵封隔器型号编制编制方法:按封隔器分类代号、固定方式代号、坐封方式代号、解封方式代号及封隔器钢体最大外径、工作温度/工作压差六个参数依次排列,进行型号编制,其形式如下:SHAPE \* MERGEFORMAT图8代号说明:分类代号:用分类名称第一个汉字的汉语拼音大写字母表示,组合式用各式的分类代号组合表示。
见表2。
表2 分类代号固定方式代号:用阿拉伯数字表示,见表3。
表3 固定方式代号坐封方式代号:用阿拉伯数字表示,见表4。
表4 坐封方式代号解封方式代号:用阿拉伯数字表示,见表5。
表5 解封方式代号钢体最大外径:用阿拉伯数字表示,单位为毫米(mm)。
工作温度:用阿拉伯数字表示,单位为摄氏度(℃)。
工作压差:用阿拉伯数字表示,单位为兆。
4.2常用分层注水工具的结构、原理4.2.1封隔器随着现场井况的变化,封隔器也随之逐步改进,形成了多种多样的、满足各种条件的封隔器。
但其最基本的原理都是相通的。
下面介绍几种最基本的封隔器的结构和原理。
⑴Y211封隔器①结构:见图9。
图9 Y211封隔器1-上接头2-调节环3-“O”型圈4-边胶筒5-隔环6-中胶筒7-中心管8-楔形体帽9-档环10-防松螺钉11- 楔形体12-防松螺钉13-限位螺钉14-卡瓦15-大卡瓦档环16-固定螺钉17-连接环18-小卡瓦档块19-防松螺钉20-护罩21-弹簧22-锁环套23-档球套24-档球25-顶套26-扶正体27-压环28-摩擦块29-压簧30-限钉压环31-滑环32-轨道销钉33-防松螺钉34-下接头②工作原理:(运动轨迹是花键槽,短槽上死点A,长槽上死点C,B过渡点)坐封:按所需坐封高度上提管柱后下放管柱,由件26~30组成的扶正器依靠弹簧29的弹力造成摩擦块28与套管壁的摩擦力,扶正器则沿中心管7轨迹槽运动,轨道销钉32从原来的短槽上死点A经过B到达长槽上死点C的坐封位置。
由于顶套25的作用,挡球套23被顶开解锁,从而使卡瓦14被锥体11撑开,并卡在套管壁上。
同时,在管柱重量作用下,件1、2和7一起下行压缩胶筒,使胶筒直径变大,封隔油套环形空间。
解封:上提管柱,上接头1、调节环2和中心管7一起上行,结果轨道销钉32又运动到下死点B,锥体11退出卡瓦14。
同时由于扶正器的摩擦力,产生一个向下的拉力,从而卡瓦准确回收及锁球24复位,挡球套23在弹簧21的作用下,自动复位,锁紧装置恢复。
与此同时,胶筒收回解封。
③技术规:1、工具总长(mm):2075 工具总长(mm):15402、钢体最大外径(mm):¢115 钢体最大外径(mm):¢1153、扶正块开最大外径(mm):¢134-136 扶正块开最大外径(mm):¢1364、扶正块并紧最大外径(mm):¢116 扶正块并紧最大外径(mm):¢1205、通径(mm):¢48 通径(mm):¢526、承受压差(MPa):正向25,反向8 承受压差(MPa):正向25,反向87、工具两端连接螺纹:2 7/8 TBG 工具两端连接螺纹:2 7/8 TBG8、座封力(KN):80-100 座封力(KN):60-809、使用套管:139.7mm 使用套管:139.7mm⑵Y221(P-T封)封隔器①结构:见图10。
图10 Y221 封隔器1-上接头2-调节环3-“”型圈4-长胶筒5-隔环6--短胶筒7-轨道中心管8-楔形体9-档环10、12、19、30、31-防松螺钉11-楔形体13-限位螺钉14-卡瓦15-大卡瓦档块16-小卡瓦档块17-固定螺钉18-连接环20-护罩21-扶正体22锁环套23 档环套24-锁球25-顶套26-扶正体27、32-限位压环28-摩擦环29-弹簧33-转环34-轨道销钉35-下接头②工作原理:(运动轨迹是“J”形槽)坐封:按所需坐封高度上提管柱后转动管柱,然后下放管柱,由件26~32组成的扶正器,依靠弹簧30的弹力而造成摩擦块28与套管壁的摩擦力,依靠滑动销钉34扶正器就沿中心管7的“J”形槽运动,结果,件34就从下井时槽的末端运动到坐封位置时的顶端,由于顶套25的作用,挡球套23被顶开解锁,从而卡瓦14被锥体11撑开,并卡在套管壁上。
同时,件1、2、7就一起下行压缩胶筒,使胶筒直径变大,封隔油套环形空间。
解封:上提管柱,上接头1、调节环2和中心管7一起上行,胶筒收回解封,而轨道销钉34从中心管7“J”形槽的顶端回到末端,锥体11退出卡瓦14,卡瓦就回收解卡,锁球套23在弹簧21的作用下,自动复位,锁紧装置恢复。
③技术规:1、钢体最大外径(mm):¢1152、扶正块开最大外径(mm):¢134-1363、扶正块并紧最大外径(mm):¢1164、承受压差(MPa):正向25,反向85、工具两端连接螺纹:2 7/8 TBG6、座封力(KN):80-1007、使用套管:139.7m⑶Y341注水封隔器①结构:见图11所示,主要由三部分组成:座封部分、密封部分、洗井部分。
图11 Y341 注水封隔器1-上接头2-“”型圈3-洗井阀4-顶套5-外中心管6-中心管7-胶筒8-隔环9-密封环10-防座剪钉11-卡瓦座12-卡瓦13-锁套14-解封套15-活塞16-连接头17-下接头②工作原理:座封:从油管加液压3-4MPa,通过连接头16的小孔作用在上、下活塞15上,使活塞推动锁套13和密封环9上行,压缩胶筒,使胶筒7直径变大,封隔油套环形空间,同时液压通过上接头1的小孔作用在洗井阀3上,使洗井阀3下行与外中心管5的锥面密封,封闭外中心管的环形空间。
放掉油管压力,因卡瓦12和锁套13上的外齿相互啮合在一起,使胶筒不能返回。
洗井:从套管加液压,通过顶套4上的侧孔进入外中心管6和5的环形空间,经锁套13上的侧孔进入下层。
解封:上提管柱,上接头1带动中心管6,连接头16上行,而外中心管5、锁套13和卡瓦座11、卡瓦12等部件,连接头上行使解封套14上升,件14的锥面抱卡瓦12,使卡瓦和锁套13分离,则锁套13和密封环9等部件在胶筒7的弹力作用下下行,从而胶筒恢复。
③技术规:1、工具总长(mm):15102、钢体最大外径(mm):¢1153、最小径(mm):¢544、工具两端连接螺纹:2 7/8 TBG5、使用套管:139.7mm6、密封压力(MPa):视所采用封隔件的指标而定(如采用120℃,25Mpa封隔件密封压力为25Mpa)7、座封压力:≥10Mpa 8、解封力:≤30KN④优点:可反洗井、封隔件初封压力仅为1Mpa左右。
⑷K344封隔器①结构:见图12。
图12 K344封隔器1-上接头2-“O”型圈3、7-胶筒座4-硫化芯子5-胶筒6-中心管8-滤网罩9-下接头②工作原理:从油管加液压,液压经滤网罩8,下接头9的孔眼和中心管6的水槽作用在胶筒5的腔,使胶筒5胀大,封隔油套环形空间。
放掉油管压力,胶筒即收回解封。
③技术规:1、工具总长(mm):12652、最大外径(mm):¢110-1143、最小通径(mm):¢60-624、扩压力(MPa):0.8-1.25、最大允许工作压差(MPa):25-506、工具两端连接螺纹:2 7/8 TBGY441-115(B)丢手封隔器一、用途与特点:该封隔器主要用于油、水井卡堵底层,若将丢手部分去掉,也可用于分层采油,具有如下特点:1、采用双锥体双向卡瓦锚定机构,具有锚定可靠,承受负荷大的特性。
2、采用马牙环锁紧机构,锁紧方便,可靠。
3、采用三牙块,自动调心锚定机构,克服了因井下套管的缺陷,封隔器锚定不死的问题。
4、该封隔器具有部平衡系统,解封负荷小,解封灵活。
5、采用了特殊结构的密封胶筒,座封负荷小,承压能力高,可达30MPa以上。
二、结构与工作原理:1、该套工具主要由丢手部分、封隔部分、锚定部分三部分组成。
2、工作原理:坐封:将封隔器与配套丢手连接好后,用油管输送至设计井段,从油管加液压,液体进入封隔器座封工作腔,推动联接套向下移动,剪断剪钉,推动小锥体移动,撑开卡瓦锚定,在联接套移动的同时,释放锁块,使压缩套向上移动,挤压胶筒、密封油、套环形空间,封隔器座封完毕。
丢手:封隔器坐封完毕后,继续加压,液压推动丢手活塞移动,剪断剪钉,使丢手锁紧筒移动,释放锁块,丢手下接头与封隔器留在井,实现丢手。
解封:下专用27/8″分瓣捞矛,捞住丢手下接头的母扣(27/8″TBG),直接上提剪断封隔器剪钉,即可解封将封隔器提出井筒。
三、操作说明:1、下入:将封隔器与配套丢手连接好,封隔器下部配一根尾管、丝堵(尾管可无)2、坐封:封隔器下到预定位置后,管柱顶部离井口500mm左右,连接地面管线,从油管加压10Mpa左右,稳压5min,泄压至零,再加压至15Mpa,稳压5min,座封完毕。
3、完成上面工序后,将管柱慢慢下放,观察指重表,若负荷降低,说明封隔器已座封。
4、丢手:确认封隔器座封完毕后,将管柱慢慢上提至原悬重,从油管加压至20-30Mpa,压力突降,便实现丢手过程。
5、解封:解封负荷100KN左右。
Y531系列酸化压裂封隔器一、它是集反洗井装置、水力锚总成、密封总成为一体的专用酸化压裂封隔器。
反洗井装置可以实现压裂砂堵时及时反洗井,保证封隔器安全解封。
水力锚总成与封隔器一体化设计可以简化压裂管柱结构,并给水力锚提供防砂卡结构保护。
密封总成的结构设计可以让胶筒平时处于自由状态,施工时才变形封隔环空。
自封皮碗外径比套管径大,由于皮碗硬软适中且耐磨性好,所以不妨碍使用。
此封隔器设计耐压差60MPa,耐井温120-150℃。
二、封隔器使用原理封隔器下入井中设计位置后反洗井,投钢球打压剪断剪钉,推动上活塞下行,关闭反洗井通道。
钢球继续下行推动下活塞和滑套,解除密封总成的约束。
油管压力经尾管传递到自封皮碗以下环空,推动自封皮碗上行关闭下反洗井通道并压缩胶筒封隔环空,同时压力经密封总成和水力锚总成与中心管之间的通道传递到锚爪底部,推出锚爪锚定管柱。
外压力平衡,封隔器为解封状态.上提解封,如出现砂堵时可以不动管柱立即反洗井,打开反循环阀或密封总成部的反洗井通道,洗出压裂砂,保证管柱安全起出井口。
此封隔器不能正冲砂,正打压封隔器坐封.4.2.2配水工具⑴KPX-114偏心配水器①结构:见图13所示,由工作筒1和堵塞器2组成。
13 KPX-114偏心配水器1-工作筒2-堵塞器②工作原理:注水:正常注水时,堵塞器(图14)靠其主体5(见图15)的Φ22 mm台阶坐于工作筒主体5的偏孔上,凸轮8卡于偏孔上部的扩孔处(因凸轮8在打捞杆1的下端和扭簧6的作用下,可向上来回转动,故堵塞器能进入工作筒,被主体5的偏孔卡住而飞不出),堵塞器主体5上、下两组各两根“O”型圈封住偏孔的出液槽,注入水即以堵塞器滤罩13、水嘴11、堵塞器主体5的出液槽和工作筒主体5的偏孔进入油套环形空间后注入地层。