齿轮精度等级、公差
- 格式:doc
- 大小:355.00 KB
- 文档页数:56
齿轮精度等级1、齿轮精度主要是控制齿轮在运转时齿轮之间传递的精度,比如:传动的平稳性、瞬时速度的波动性、若有交变的反向运行,其齿侧隙是否达到最小,如果有冲击载荷,应该稍微提高精度,从而减少冲击载荷带给齿轮的破坏。
2、如果以上这些设计要求比较高,则齿轮精度也就要定得稍高一点,反之可以定得底一点3、但是,齿轮精度定得过高,会上升加工成本,需要综合平衡4、你上面的参数基本上属于比较常用的齿轮,其精度可以定为:7FL,或者7-6-6GM精度标注的解释:7FL:齿轮的三个公差组精度同为7级,齿厚的上偏差为F级,齿厚的下偏差为L级7-6-6GM:齿轮的第一组公差带精度为7级,齿轮的第二组公差带精度为6级,齿轮的第三组公差带精度为6级,齿厚的上偏差为G级,齿厚的下偏差为M级5、对于齿轮精度是没有什么计算公式的,因为不需要计算,是查手册得来的。
6、精度等级的确定是工程师综合分析的结果,传动要求精密、或者是高负载、交变负载……就将精度等级定高一点7、精度等级有5、6、7、8、9、10级,数值越小精度越高8、(齿厚)偏差等级也是设计者综合具体工况给出的等级,精密传动给高一点,一般机械给低一点,闭式传动给高一点,开式传动给低一点。
9、(齿厚)偏差等级有C、D、E、F、G、H、J、K、L、M、N、P、R、S 级,C级间隙最大,S级间隙最小。
10、不管是精度等级,还是偏差等级,定得越高,加工成本也越高,需要综合分析之后再具体的给出一个恰当的精度等级和偏差等级。
11、对于齿轮的常规检验项目,分为3组检验项目,分别如下:12、第一组检验项目主要是保证传递运动的准确性,其项目包括:切向综合公差Fi'、周节累积公差Fp、k个周节累积公差Fpk、径向综合公差Fi"、齿圈径向跳动公差Fr、公法线长度变动公差Fw13、第二组检验项目主要是保证传递运动的平稳性、噪声、振动,其项目包括:切向一齿综合公差fi'、基节极限偏差fpb、周节极限偏差fpt、径向一齿综合公差fi"14、第三组检验项目主要是保证载荷分布的均匀性,其项目包括:齿向公差Fβ、接触线公差Fb、轴向齿距极限偏差Fpx15、齿轮的齿坯公差的精度等级为:5、6、7、8、9、10级16、齿轮中间的孔公差、及其形位公差:IT5、IT6、IT7、IT8级17、齿轮轴的尺寸公差、及其形位公差:IT5、IT6、IT718、顶圆直径公差:IT7、IT8、IT919、基准面的径向跳动、基准面的端面跳动:根据直径的大小,按照5、6、7、8、9、10级查表20、需要说明一下:我给出的·第一组、第二组、第三组检验项目是比较全的,但是,在实际中,在实际的图纸上,我们列出的检验项目没有这么多,太多了不但给检验带来麻烦,还增加制造成本,所以,在图纸上只检验其中的几项即可,你可以参看一下专业的齿轮图纸,也可以在《机械设计手册》上看看例题,在此给你列出常规要检查的、在图纸上要列出来的项目:21、小齿轮的检验项目:21、根据你上面给出的参数,小齿轮的精度等级可以定为7FL,接下来级,就是按照精度等级差手册:22、周节积累公差Fp:0.06323、周节极限偏差fpt:0.01824、在图纸上标注的齿坯公差:内孔按照IT7级:在手册上按照孔径大小查《标准公差表》25、顶圆的径向跳动:按照外径尺寸大小查《标准公差表》26、大齿轮的检验项目:27、周节积累公差Fp:0.09028、周节极限偏差fpt:0.02029、在图纸上标注的齿坯公差:内孔按照IT7级:在手册上按照孔径大小查《标准公差表》30、顶圆的径向跳动:按照外径尺寸大小查《标准公差表》本网络手册中的圆柱齿轮精度摘自(GB10095—88),现将有关规定和定义简要说明如下:(1) 精度等级齿轮及齿轮副规定了12个精度等级,第1级的精度最高,第12级的精度最低。
齿轮的精度等级、确定参数的公差值一齿轮的精度等级、确定参数的公差值一传统的设计方法是依据经验用类比法,结合查表及大量繁杂的公式计算,这样的方法一是工作量大,二是不可能对各参数进行优化及筛选,很难保证齿轮精度设计的合理性。
因此,借用了辅助软件对齿轮的几何参数进行计算后,对齿轮精度的设计及其相关的数据进行计算机处理,使齿轮的精度设计达到快速、准确、合理,齿轮设计起来就没那么费时和吃力了。
引言现行的机械行业中在齿轮设计的过程里,非常缺乏对几何参数计算的比较统一的软件,很多时候只是采用手工计算、取大概的数值,对于一些比较复杂的齿轮来说,制造出来的齿轮存在误差较大。
传统的设计方法是依据经验用类比法,结合查表及大量繁杂的公式计算,这样的方法一是工作量大,二是不可能对各参数进行优化及筛选,很难保证齿轮精度设计的合理性。
因此,借用了辅助软件对其进行计算后,对齿轮精度的设计及其相关的数据进行计算机处理,使齿轮的精度设计达到快速、准确、合理,齿轮设计起来就没那么费时和吃力了。
我国现有(1)GB/T10095。
1-2001渐开线圆柱齿轮精度第一部分:轮齿等效ISO1328-1。
(2)GB/T10095。
2-2001渐开线圆柱齿轮精度第二部分:径向综合等效ISO1328-2。
1.渐开线圆柱齿轮几何参数计算相关研究综述1.1渐开线圆柱齿轮国内的研究现状1.1.1齿轮的简介标准齿轮的结构构造图如图1。
图1齿轮构造图齿轮的组成结构一般有轮齿、齿槽、端面、法面、齿顶圆、齿根圆、基圆和分度圆。
轮齿简称齿,是齿轮上每一个用于啮合的凸起部分,这些凸起部分一般呈辐射状排列,配对齿轮上的轮齿互相接触,可使齿轮持续啮合运转;基圆是形成渐开线的发生线作纯滚动的圆;分度圆,是在端面内计算齿轮几何尺寸的基准圆。
渐开线齿轮比较容易制造,且传动平稳,传递速度稳定,传动比准确,渐开线圆柱齿轮是机械传动量大而广的基础零部件,广泛在汽车、拖拉机、机床、电力、冶金、矿山、工程、起重运输、船舶、机车、农机、轻工、建工、建材和军工等领域中应用。
齿轮精度等级、公差的说明名词解释:齿轮及齿轮副规定了12个精度等级,第1级的精度最高,第12级的精度最低。
齿轮副中两个齿轮的精度等级一般取成相同,也允许取成不相同。
齿轮的各项公差和极限偏差分成三个组齿轮各项公差和极限偏差的分组--------------------------------------齿轮及齿轮副规定了12个精度等级,第1级的精度最高,第12级的精度最低。
齿轮副中两个齿轮的精度等级一般取成相同,也允许取成不相同。
齿轮的各项公差和极限偏差分成三个组齿轮各项公差和极限偏差的分组--------------------------------------------------------------------------------公差组公差与极限偏差项目误差特性对传动性能的主要影响ⅠFi′、FP、FPk Fi″、Fr、Fw 以齿轮一转为周期的误差传递运动的准确性Ⅱfi′、fi″、ff ±fPt、±fPb、ff β在齿轮一周内,多次周期地重复出现的误差传动的平稳性,噪声,振动ⅢFβ、Fb、±FPx 齿向线的误差载荷分布的均匀性根据使用的要求不同,允许各公差组选用不同的精度等级,但在同一公差组内,各项公差与极限偏差应保持相同的精度等级。
齿轮传动精度等级的选用--------------------------------------------------------------------------------机器类型精度等级机器类型精度等级测量齿轮3~5 一般用途减速器6~8 透平机用减速器3~6 载重汽车6~9 金属切削机床3~8 拖拉机及轧钢机的小齿轮6~10 航空发动机4~7 起重机械7~10 轻便汽车5~8 矿山用卷扬机8~10 内燃机车和电气机车5~8 农业机械8~11关于齿轮精度等级计算的问题某通用减速器中有一对直齿圆柱齿轮副,模数m=4mm,小齿轮z1=30,齿宽b1=40mm,大齿轮2的齿数z2=96,齿宽b2=40mm,齿形角α=20º。
尺寸公差是上极限尺寸减去下极限尺寸的差值,或上极限偏差减去下极限偏差的差值,是一个没有符号的绝对值。
公差带由公差大小和公差位置确定。
标准公差规定了尺寸公差的大小(宽度),分为IT1~IT18共18个等级,称为标准公差等级,数字越大等级越低。
基本偏差用来确定公差相对零线的位置,可以是上极限偏差或下极限偏差,一般为靠近零线的那个偏差。
齿轮精度等级用来规定齿轮各项公差和极限偏差(齿距偏差、齿廓偏差以及螺旋线偏差)的大小,分为0~12个等级,数字越大等级越低。
齿轮常用的精度等级齿轮是一种常见的动力传动装置,广泛应用于机械设备中。
在齿轮制造过程中,精度等级是一个非常重要的指标。
精度等级表示齿轮的制造精度和传动效率,对于保证齿轮的正常运转和提高机械设备的性能至关重要。
常用的齿轮精度等级有以下几种:1. 3级精度3级精度是齿轮制造中的一种较低精度等级。
齿轮的加工精度、尺寸公差和齿形偏差较大。
这种精度等级适用于一些传动要求不高的场合,如一些低速、低负荷的设备。
2. 4级精度4级精度是齿轮制造中的一种中等精度等级。
相比于3级精度,4级精度的齿轮加工精度、尺寸公差和齿形偏差要求更高。
这种精度等级适用于一些中速、中负荷的设备,如一些机床、输送机械等。
3. 5级精度5级精度是齿轮制造中的一种较高精度等级。
相比于4级精度,5级精度的齿轮加工精度、尺寸公差和齿形偏差要求更高。
这种精度等级适用于一些高速、高负荷的设备,如一些汽车变速器、航空发动机等。
4. 6级精度6级精度是齿轮制造中的一种较高精度等级。
相比于5级精度,6级精度的齿轮加工精度、尺寸公差和齿形偏差要求更高。
这种精度等级适用于一些对传动效率和噪声要求极高的设备,如一些高速电机、精密仪器等。
在齿轮制造过程中,要保证齿轮的精度等级,需要注意以下几点:1. 材料选择齿轮的材料选择对于保证其精度等级至关重要。
应选择具有良好机械性能和热处理性能的材料,如优质合金钢等。
2. 设备选择齿轮的加工设备也是影响其精度等级的重要因素。
应选择具备高精度的齿轮加工设备,如数控齿轮磨床、数控齿轮滚齿机等。
3. 加工工艺齿轮的加工工艺也是影响其精度等级的关键因素。
应采用合理的加工工艺,如精密滚刀、精密磨齿等,以保证齿轮的加工精度。
4. 检测手段齿轮的精度等级需要通过检测手段进行验证。
常用的检测手段包括齿轮测量仪、轮廓仪等。
通过这些手段可以对齿轮的尺寸公差、齿形偏差等进行精确测量,以保证其精度等级。
齿轮的精度等级是保证其正常运转和提高机械设备性能的重要指标。
齿轮的精度等级、确定参数的公差值一齿轮的精度等级、确定参数的公差值一传统的设计方法是依据经验用类比法,结合查表及大量繁杂的公式计算,这样的方法一是工作量大,二是不可能对各参数进行优化及筛选,很难保证齿轮精度设计的合理性。
因此,借用了辅助软件对齿轮的几何参数进行计算后,对齿轮精度的设计及其相关的数据进行计算机处理,使齿轮的精度设计达到快速、准确、合理,齿轮设计起来就没那么费时和吃力了。
引言现行的机械行业中在齿轮设计的过程里,非常缺乏对几何参数计算的比较统一的软件,很多时候只是采用手工计算、取大概的数值,对于一些比较复杂的齿轮来说,制造出来的齿轮存在误差较大。
传统的设计方法是依据经验用类比法,结合查表及大量繁杂的公式计算,这样的方法一是工作量大,二是不可能对各参数进行优化及筛选,很难保证齿轮精度设计的合理性。
因此,借用了辅助软件对其进行计算后,对齿轮精度的设计及其相关的数据进行计算机处理,使齿轮的精度设计达到快速、准确、合理,齿轮设计起来就没那么费时和吃力了。
我国现有(1)GB/T10095。
1-2001渐开线圆柱齿轮精度第一部分:轮齿等效ISO1328-1。
(2)GB/T10095。
2-2001渐开线圆柱齿轮精度第二部分:径向综合等效ISO1328-2。
1.渐开线圆柱齿轮几何参数计算相关研究综述1.1渐开线圆柱齿轮国内的研究现状1.1.1齿轮的简介标准齿轮的结构构造图如图1。
图1齿轮构造图齿轮的组成结构一般有轮齿、齿槽、端面、法面、齿顶圆、齿根圆、基圆和分度圆。
轮齿简称齿,是齿轮上每一个用于啮合的凸起部分,这些凸起部分一般呈辐射状排列,配对齿轮上的轮齿互相接触,可使齿轮持续啮合运转;基圆是形成渐开线的发生线作纯滚动的圆;分度圆,是在端面内计算齿轮几何尺寸的基准圆。
渐开线齿轮比较容易制造,且传动平稳,传递速度稳定,传动比准确,渐开线圆柱齿轮是机械传动量大而广的基础零部件,广泛在汽车、拖拉机、机床、电力、冶金、矿山、工程、起重运输、船舶、机车、农机、轻工、建工、建材和军工等领域中应用。
一齿径向综合公差f i″值m m
注:①当三个公差组的精度等级不同时,按最高的精度等级确定公差值。
②若顶圆不作测量齿厚的基准,尺寸公差按1T11给定,但不大于。
标准公差数值μm
齿坯基准面径向跳动*和端面圆跳动公差m m
注:*当以顶圆作基准面时,本栏就指顶圆的径向跳动。
齿轮的表面粗糙度(R
注:本表不属GB10095-88,供参考。
非变位直齿圆柱齿轮分度圆上弦齿厚及弦齿高
(a*
注:1. 用成形铣刀加工齿轮时,标注和测量分度圆弦齿厚和弦齿高;
用范成法加工时,可以标注或测量固定弦厚和弦齿高。
2. 对于斜齿圆柱齿轮和圆锥齿轮,使用本表时,应以当量齿数z d代替z(斜齿轮:z d=z/cos3b b;
锥齿轮:z d=z/cosd)。
z d非整数时,可用插值法求出。
3. 本表不属GB10095-88,供参考。
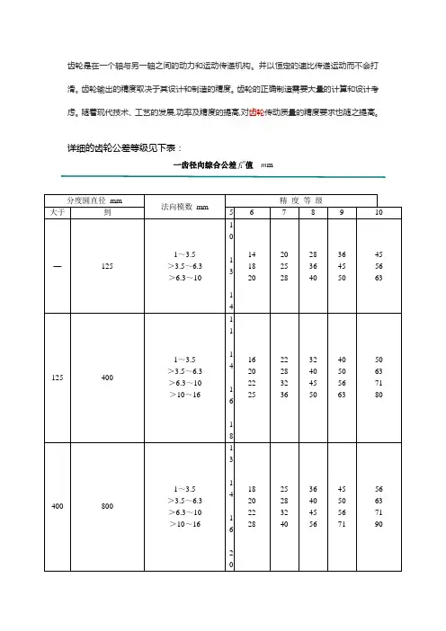
齿轮是在一个轴与另一轴之间的动力和运动传递机构。
并以恒定的速比传递运动而不会打滑。
齿轮输出的精度取决于其设计和制造的精度。
齿轮的正确制造需要大量的计算和设计考虑。
随着现代技术、工艺的发展,功率及精度的提高,对齿轮传动质量的精度要求也随之提高。
详细的齿轮公差等级见下表:
一齿径向综合公差f i″值m m
齿坯尺寸和形状公差
注:①当三个公差组的精度等级不同时,按最高的精度等级确定公差值。
②若顶圆不作测量齿厚的基准,尺寸公差按1T11给定,但不大于0.1m n。
标准公差数值μm
齿坯基准面径向跳动*和端面圆跳动公差m m
注:*当以顶圆作基准面时,本栏就指顶圆的径向跳动。
齿轮的表面粗糙度(R a)推荐值m m
注:本表不属GB10095-88,供参考。
非变位直齿圆柱齿轮分度圆上弦齿厚及弦齿高
(a0=20°,h a*=1)
注:1. 用成形铣刀加工齿轮时,标注和测量分度圆弦齿厚和弦齿高;
用范成法加工时,可以标注或测量固定弦厚和弦齿高。
2. 对于斜齿圆柱齿轮和圆锥齿轮,使用本表时,应以当量齿数z d代替z(斜齿轮:z d=z/cos3b b;
锥齿轮:z d=z/cosd)。
z d非整数时,可用插值法求出。
3. 本表不属GB10095-88,供参考。
一齿径向综合公差f i″值m m
齿坯尺寸和形状公差
注:① 当三个公差组的精度等级不同时,按最高的精度等级确定公差值。
② 若顶圆不作测量齿厚的基准,尺寸公差按1T11给定,但不大于0.1m n。
标准公差数值μm
齿坯基准面径向跳动*和端面圆跳动公差m m
注:*当以顶圆作基准面时,本栏就指顶圆的径向跳动。
齿轮的表面粗糙度(R a)推荐值m m
注:本表不属GB10095-88,供参考。
非变位直齿圆柱齿轮分度圆上弦齿厚及弦齿高
(a0=20°,h a*=1)
注:1. 用成形铣刀加工齿轮时,标注和测量分度圆弦齿厚和弦齿高;
用范成法加工时,可以标注或测量固定弦厚和弦齿高。
2. 对于斜齿圆柱齿轮和圆锥齿轮,使用本表时,应以当量齿数z d代替z(斜齿轮:z d=z/cos3b b;
锥齿轮:z d=z/cosd)。
z d非整数时,可用插值法求出。
3. 本表不属GB10095-88,供参考。
齿轮公差等级表是用于描述齿轮精度等级的表格,不同类型的齿轮有不同的公差等级。
以下是一篇关于齿轮公差等级表的简要说明,希望能够帮到您:齿轮的公差等级是一个重要的参数,它决定了齿轮制造和使用的精度。
根据不同的使用场合和要求,齿轮的公差等级也有所不同。
一般来说,公差等级越高,齿轮的制造精度就越高,传动精度也越高。
齿轮的公差等级分为15个等级,从低到高依次为7、6、5、4、3、2、1、0、-0.2、-0.4、-0.6、-1、-1.2、-2、-3、-4、-5,其中1级是最高的精度等级,5级是最低的精度等级。
在选择齿轮的公差等级时,需要根据使用场合和要求进行综合考虑,一般来说,需要保证齿轮在正常工作条件下不会出现过度磨损和传动误差等问题。
在机械传动系统中,齿轮的传动精度和噪声水平是两个重要的指标。
传动精度越高,噪声水平越低,系统性能也越好。
因此,选择适当的齿轮公差等级非常重要。
不同的机械传动系统中对齿轮的公差等级要求也不一样。
一般来说,动力传输系统需要更高的精度等级,因为高精度齿轮可以减少传动误差,提高传动效率,从而减少能源损失。
而一些辅助传动系统中对精度要求较低,可以选择较低的公差等级来降低制造成本。
在制造齿轮时,需要根据所选的公差等级进行加工和检测。
一般来说,需要使用高精度的机床和检测仪器来保证齿轮的制造精度。
同时,还需要对齿轮进行热处理和表面处理等工艺来提高其耐磨性和耐腐蚀性。
总之,齿轮的公差等级是齿轮制造和使用中非常重要的参数之一。
在选择齿轮的公差等级时,需要根据使用场合和要求进行综合考虑,并选择适当的加工和检测方法来保证齿轮的制造精度和性能。
希望这个回答能帮助您解决问题。
如果您还有其他问题或疑问,请随时联系我。
一齿径向综合公差f i″值m m
齿坯尺寸和形状公差
注:① 当三个公差组的精度等级不同时,按最高的精度等级确定公差值。
② 若顶圆不作测量齿厚的基准,尺寸公差按1T11给定,但不大于。
标准公差数值μm
齿坯基准面径向跳动*和端面圆跳动公差m m
注:*当以顶圆作基准面时,本栏就指顶圆的径向跳动。
齿轮的表面粗糙度(R a)推荐值m m
注:本表不属GB10095-88,供参考。
非变位直齿圆柱齿轮分度圆上弦齿厚及弦齿高(a0=20°,h a*=1)
注:1. 用成形铣刀加工齿轮时,标注和测量分度圆弦齿厚和弦齿高;
用范成法加工时,可以标注或测量固定弦厚和弦齿高。
2. 对于斜齿圆柱齿轮和圆锥齿轮,使用本表时,应以当量齿数z d代替z(斜齿轮:z d=z/cos3b b;
锥齿轮:z d=z/cosd)。
z d非整数时,可用插值法求出。
3. 本表不属GB10095-88,供参考。
齿轮精度等级、公差的说明名词解释:齿轮及齿轮副规定了12个精度等级,第1级的精度最高,第12级的精度最低。
齿轮副中两个齿轮的精度等级一般取成相同,也允许取成不相同。
齿轮的各项公差和极限偏差分成三个组齿轮各项公差和极限偏差的分组--------------------------------------齿轮及齿轮副规定了12个精度等级,第1级的精度最高,第12级的精度最低。
齿轮副中两个齿轮的精度等级一般取成相同,也允许取成不相同。
齿轮的各项公差和极限偏差分成三个组齿轮各项公差和极限偏差的分组--------------------------------------------------------------------------------公差组公差与极限偏差项目误差特性对传动性能的主要影响ⅠFi′、FP、FPk Fi″、Fr、Fw 以齿轮一转为周期的误差传递运动的准确性Ⅱfi′、fi″、ff ±fPt、±fPb、ff β在齿轮一周内,多次周期地重复出现的误差传动的平稳性,噪声,振动ⅢFβ、Fb、±FPx 齿向线的误差载荷分布的均匀性根据使用的要求不同,允许各公差组选用不同的精度等级,但在同一公差组内,各项公差与极限偏差应保持相同的精度等级。
齿轮传动精度等级的选用--------------------------------------------------------------------------------机器类型精度等级机器类型精度等级测量齿轮3~5 一般用途减速器6~8 透平机用减速器3~6 载重汽车6~9 金属切削机床3~8 拖拉机及轧钢机的小齿轮6~10 航空发动机4~7 起重机械7~10 轻便汽车5~8 矿山用卷扬机8~10 内燃机车和电气机车5~8 农业机械8~11关于齿轮精度等级计算的问题某通用减速器中有一对直齿圆柱齿轮副,模数m=4mm,小齿轮z1=30,齿宽b1=40mm,大齿轮2的齿数z2=96,齿宽b2=40mm,齿形角α=20º。
一齿径向综合公差f i″值m m
齿坯尺寸和形状公差
注:① 当三个公差组的精度等级不同时,按最高的精度等级确定公差值。
② 若顶圆不作测量齿厚的基准,尺寸公差按1T11给定,但不大于。
标准公差数值μm
》
齿坯基准面径向跳动*和端面圆跳动公差m m 注:*当以顶圆作基准面时,本栏就指顶圆的径向跳动。
.
齿轮的表面粗糙度(R a)推荐值m m
注:本表不属GB10095-88,供参考。
非变位直齿圆柱齿轮分度圆上弦齿厚及弦齿高
(a0=20°,h a*=1)
注:1. 用成形铣刀加工齿轮时,标注和测量分度圆弦齿厚和弦齿高;
用范成法加工时,可以标注或测量固定弦厚和弦齿高。
2. 对于斜齿圆柱齿轮和圆锥齿轮,使用本表时,应以当量齿数z d代替z(斜齿轮:z d=z/cos3b b;
锥齿轮:z d=z/cosd)。
z d非整数时,可用插值法求出。
3. 本表不属GB10095-88,供参考。
齿轮精度等级2009-06-20 08:471、齿轮精度主要是控制齿轮在运转时齿轮之间传递的精度,比如:传动的平稳性、瞬时速度的波动性、若有交变的反向运行,其齿侧隙是否达到最小,如果有冲击载荷,应该稍微提高精度,从而减少冲击载荷带给齿轮的破坏。
2、如果以上这些设计要求比较高,则齿轮精度也就要定得稍高一点,反之可以定得底一点3、但是,齿轮精度定得过高,会上升加工成本,需要综合平衡4、你上面的参数基本上属于比较常用的齿轮,其精度可以定为:7FL,或者7-6-6GM精度标注的解释:7FL:齿轮的三个公差组精度同为7级,齿厚的上偏差为F级,齿厚的下偏差为L级7-6-6GM:齿轮的第一组公差带精度为7级,齿轮的第二组公差带精度为6级,齿轮的第三组公差带精度为6级,齿厚的上偏差为G级,齿厚的下偏差为M级5、对于齿轮精度是没有什么计算公式的,因为不需要计算,是查手册得来的。
6、精度等级的确定是工程师综合分析的结果,传动要求精密、或者是高负载、交变负载……就将精度等级定高一点7、精度等级有5、6、7、8、9、10级,数值越小精度越高8、(齿厚)偏差等级也是设计者综合具体工况给出的等级,精密传动给高一点,一般机械给低一点,闭式传动给高一点,开式传动给低一点。
9、(齿厚)偏差等级有C、D、E、F、G、H、J、K、L、M、N、P、R、S级,C级间隙最大,S 级间隙最小。
10、不管是精度等级,还是偏差等级,定得越高,加工成本也越高,需要综合分析之后再具体的给出一个恰当的精度等级和偏差等级。
11、对于齿轮的常规检验项目,分为3组检验项目,分别如下:12、第一组检验项目主要是保证传递运动的准确性,其项目包括:切向综合公差Fi'、周节累积公差Fp、k个周节累积公差Fpk、径向综合公差Fi"、齿圈径向跳动公差Fr、公法线长度变动公差Fw13、第二组检验项目主要是保证传递运动的平稳性、噪声、振动,其项目包括:切向一齿综合公差fi'、基节极限偏差fpb、周节极限偏差fpt、径向一齿综合公差fi"14、第三组检验项目主要是保证载荷分布的均匀性,其项目包括:齿向公差Fβ、接触线公差Fb、轴向齿距极限偏差Fpx15、齿轮的齿坯公差的精度等级为:5、6、7、8、9、10级16、齿轮中间的孔公差、及其形位公差:IT5、IT6、IT7、IT8级17、齿轮轴的尺寸公差、及其形位公差:IT5、IT6、IT718、顶圆直径公差:IT7、IT8、IT919、基准面的径向跳动、基准面的端面跳动:根据直径的大小,按照5、6、7、8、9、10级查表20、需要说明一下:我给出的·第一组、第二组、第三组检验项目是比较全的,但是,在实际中,在实际的图纸上,我们列出的检验项目没有这么多,太多了不但给检验带来麻烦,还增加制造成本,所以,在图纸上只检验其中的几项即可,你可以参看一下专业的齿轮图纸,也可以在《机械设计手册》上看看例题,在此给你列出常规要检查的、在图纸上要列出来的项目:21、小齿轮的检验项目:21、根据你上面给出的参数,小齿轮的精度等级可以定为7FL,接下来级,就是按照精度等级差手册:22、周节积累公差Fp:0.06323、周节极限偏差fpt:0.01824、在图纸上标注的齿坯公差:内孔按照IT7级:在手册上按照孔径大小查《标准公差表》25、顶圆的径向跳动:按照外径尺寸大小查《标准公差表》26、大齿轮的检验项目:27、周节积累公差Fp:0.09028、周节极限偏差fpt:0.02029、在图纸上标注的齿坯公差:内孔按照IT7级:在手册上按照孔径大小查《标准公差表》30、顶圆的径向跳动:按照外径尺寸大小查《标准公差表》本网络手册中的圆柱齿轮精度摘自(GB10095—88),现将有关规定和定义简要说明如下:(1) 精度等级齿轮及齿轮副规定了12个精度等级,第1级的精度最高,第12级的精度最低。
齿轮精度等级、公差齿轮精度等级、公差的说明名词解释:齿轮及齿轮副规定了12个精度等级,第1级的精度最高,第12级的精度最低。
齿轮副中两个齿轮的精度等级一般取成相同,也允许取成不相同。
齿轮的各项公差和极限偏差分成三个组齿轮各项公差和极限偏差的分组--------------------------------------齿轮及齿轮副规定了12个精度等级,第1级的精度最高,第12级的精度最低。
齿轮副中两个齿轮的精度等级一般取成相同,也允许取成不相同。
齿轮的各项公差和极限偏差分成三个组齿轮各项公差和极限偏差的分组--------------------------------------------------------------------------------公差组公差与极限偏差项目误差特性对传动性能的主要影响ⅠFi′、FP、FPk Fi″、Fr、Fw 以齿轮一转为周期的误差传递运动的准确性Ⅱfi′、fi″、ff ±fPt、±fPb、ffβ在齿轮一周内,多次周期地重复出现的误差传动的平稳性,噪声,振动ⅢFβ、Fb、±FPx 齿向线的误差载荷分布的均匀性根据使用的要求不同,允许各公差组选用不同的精度等级,但在同一公差组内,各项公差与极限偏差应保持相同的精度等级。
齿轮传动精度等级的选用--------------------------------------------------------------------------------机器类型精度等级机器类型精度等级测量齿轮3~5 一般用途减速器6~8 透平机用减速器3~6 载重汽车6~9 金属切削机床3~8 拖拉机及轧钢机的小齿轮6~10 航空发动机4~7 起重机械7~10 轻便汽车5~8 矿山用卷扬机8~10 内燃机车和电气机车5~8 农业机械8~11关于齿轮精度等级计算的问题某通用减速器中有一对直齿圆柱齿轮副,模数m=4mm,小齿轮z1=30,齿宽b1=40mm,大齿轮2的齿数z2=96,齿宽b2=40mm,齿形角α=20º。
两齿轮的材料为45号钢,箱体材料为HT200,其线胀系数分别为α齿=11.5×10-6K-1, α箱=10.5×10-6K-1,齿轮工作温度为t齿=60ºC,箱体工作温度t箱=30ºC,采用喷油润滑,传递最大功率7.5KW,转速n=1280r/min,小批生产,试确定其精度等级、检验项目及齿坯公差,并绘制齿轮工作图。
回答你的问题:1、齿轮精度主要是控制齿轮在运转时齿轮之间传递的精度,比如:传动的平稳性、瞬时速度的波动性、若有交变的反向运行,其齿侧隙是否达到最小,如果有冲击载荷,应该稍微提高精度,从而减少冲击载荷带给齿轮的破坏。
2、如果以上这些设计要求比较高,则齿轮精度也就要定得稍高一点,反之可以定得底一点3、但是,齿轮精度定得过高,会上升加工成本,需要综合平衡4、你上面的参数基本上属于比较常用的齿轮,其精度可以定为:7FL,或者7-6-6GM精度标注的解释:7FL:齿轮的三个公差组精度同为7级,齿厚的上偏差为F级,齿厚的下偏差为L级7-6-6GM:齿轮的第一组公差带精度为7级,齿轮的第二组公差带精度为6级,齿轮的第三组公差带精度为6级,齿厚的上偏差为G级,齿厚的下偏差为M级5、对于齿轮精度是没有什么计算公式的,因为不需要计算,是查手册得来的。
6、精度等级的确定是工程师综合分析的结果,传动要求精密、或者是高负载、交变负载……就将精度等级定高一点7、精度等级有5、6、7、8、9、10级,数值越小精度越高8、(齿厚)偏差等级也是设计者综合具体工况给出的等级,精密传动给高一点,一般机械给低一点,闭式传动给高一点,开式传动给低一点。
9、(齿厚)偏差等级有C、D、E、F、G、H、J、K、L、M、N、P、R、S级,C级间隙最大,S 级间隙最小。
10、不管是精度等级,还是偏差等级,定得越高,加工成本也越高,需要综合分析之后再具体的给出一个恰当的精度等级和偏差等级。
11、对于齿轮的常规检验项目,分为3组检验项目,分别如下:12、第一组检验项目主要是保证传递运动的准确性,其项目包括:切向综合公差Fi'、周节累积公差Fp、k个周节累积公差Fpk、径向综合公差Fi"、齿圈径向跳动公差Fr、公法线长度变动公差Fw13、第二组检验项目主要是保证传递运动的平稳性、噪声、振动,其项目包括:切向一齿综合公差fi'、基节极限偏差fpb、周节极限偏差fpt、径向一齿综合公差fi"14、第三组检验项目主要是保证载荷分布的均匀性,其项目包括:齿向公差Fβ、接触线公差Fb、轴向齿距极限偏差Fpx15、齿轮的齿坯公差的精度等级为:5、6、7、8、9、10级16、齿轮中间的孔公差、及其形位公差:IT5、IT6、IT7、IT8级17、齿轮轴的尺寸公差、及其形位公差:IT5、IT6、IT718、顶圆直径公差:IT7、IT8、IT919、基准面的径向跳动、基准面的端面跳动:根据直径的大小,按照5、6、7、8、9、10级查表20、需要说明一下:我给出的·第一组、第二组、第三组检验项目是比较全的,但是,在实际中,在实际的图纸上,我们列出的检验项目没有这么多,太多了不但给检验带来麻烦,还增加制造成本,所以,在图纸上只检验其中的几项即可,你可以参看一下专业的齿轮图纸,也可以在《机械设计手册》上看看例题,在此给你列出常规要检查的、在图纸上要列出来的项目:21、小齿轮的检验项目:21、根据你上面给出的参数,小齿轮的精度等级可以定为7FL,接下来级,就是按照精度等级差手册:22、周节积累公差Fp:0.06323、周节极限偏差fpt:0.01824、在图纸上标注的齿坯公差:内孔按照IT7级:在手册上按照孔径大小查《标准公差表》25、顶圆的径向跳动:按照外径尺寸大小查《标准公差表》26、大齿轮的检验项目:27、周节积累公差Fp:0.09028、周节极限偏差fpt:0.02029、在图纸上标注的齿坯公差:内孔按照IT7级:在手册上按照孔径大小查《标准公差表》30、顶圆的径向跳动:按照外径尺寸大小查《标准公差表》从你不断提问来看,你钻研得很深,非常不错,未来的工程师!但是,要系统的学习呀,机械工程师目前是非常吃香的,毕业后是可以拿高工资的,希望你努力!希望以上能够对你有所帮助齿轮精度等级7-DC是什么意思在直齿轮零件图上应标注齿轮的精度等级和齿厚极限偏差的字母代号。
例:7-6-6 G M GB100095-88含义:齿轮的第一组公差精度为7,第二组公差的精度等级为6,第三组公差的精度等级为6,齿厚上偏差为G级,齿厚下偏差为M级。
例:7FL GB100095-88含义:齿轮的三个公差组精度同为7级,其齿厚上偏差精度等级为F,齿厚下偏差精度等级为L。
所以,7-Dc对于零件直齿轮来说,其含义是:齿轮的三个公差组精度同为7级,齿厚上偏差精度等级为D,齿厚下偏差精度等级为c。
如果是锥齿轮,图样标注上应注明精度等级、最小法向侧隙种类、法向侧隙公差种类。
例:8-7-7 c B GB 11365-89含义:齿轮的第一组公差精度为8级,第二、三组公差的精度等级为7级,最小法向侧隙种类为c,法向侧隙公差种类为B。
所以,7-DC在锥齿轮中代表的含义是:齿轮的三组公差精度等级都为7级,最小法向侧隙种类为D,发向侧隙公差种类为C。
齿轮精度等级怎么选用。
根据什么来选,加工条件,设备运转条件还是有什么具体要求?对GB10095-2008进行阅读发现,它给出了齿轮偏差允许值计算公式,但那是按你选用了精度等级后,再根据公式计算的。
然后根据所给列表进行圆整的。
如果没有给精度等级怎么办呢?还有,我再机械工业出版社出版的机械设计手册上也看到了齿轮精度等级的选用,但上面只列了根据齿轮传动的应用范围和圆周速度来选用GB10095-1988里面规定的第一组和第二组精度等级,那第三组呢?是不是在这里选了一个精度等级后,所有数据都根据这个精度等级来定啊?我所的齿轮是用罗茨风机里的。
它是悬臂的,且非轴承对称,要求运转平稳,噪声底。
它是根据两个叶轮的中心距来,选用的齿轮的。
他们的转速比是1:1,齿数模数都一样,叶轮也一样大小对了再问个小问题。
就是这两个叶轮的中心距是有精度要求的,那么齿轮该以那个部位为测量基准呢?齿轮精度等级、公差的说明[2007-05-15]关键字:齿轮齿轮及齿轮副规定了12个精度等级,第1级的精度最高,第12级的精度最低。
齿轮副中两个齿轮的精度等级一般取成相同,也允许取成不相同。
齿轮的各项公差和极限偏差分成三个组齿轮各项公差和极限偏差的分组公差组公差与极限偏差项目误差特性对传动性能的主要影响ⅠF i′、F P、F PkF i″、F r、F w以齿轮一转为周期的误差传递运动的准确性Ⅱf i′、f i″、f f±f Pt、±f Pb、f fβ在齿轮一周内,多次周期地重复出现的误差传动的平稳性,噪声,振动ⅢFβ、F b、±F Px齿向线的误差载荷分布的均匀性根据使用的要求不同,允许各公差组选用不同的精度等级,但在同一公差组内,各项公差与极限偏差应保持相同的精度等级。
齿轮传动精度等级的选用机器类型精度等级机器类型精度测量齿轮3~5 一般用途减速器6~透平机用减速器3~6 载重汽车6~金属切削机床3~8 拖拉机及轧钢机的小齿轮6~航空发动机4~7 起重机械7~轻便汽车5~8 矿山用卷扬机8~内燃机车和电气机车5~8 农业机械8~注:本表不属GB10095-88,供参考(8)图样标注:在齿轮零件图上应标注齿轮的精度等级和齿厚度等级和齿厚极限偏差的字母代号。
标注示例(a)齿轮的三个公差组精度同为7级,其齿厚上偏差为F,下偏差为L:(b)齿轮第Ⅰ公差组精度为7级,第Ⅱ公差组精度为6级,第Ⅲ公差组精度为6级,齿厚上偏差为G,齿厚下偏差为M:(c)齿轮的三个公差组精度同为4级,其齿厚上偏差为-330m m,下偏差为-498m m:在渐开线圆柱齿轮和锥齿轮精度标准(GB/T 10095.1—2001和GB/T 10095.2—2001)中,分别对圆柱齿轮和锥齿轮规定有12个精度等级,按精度的高低依次为:1、2、…、12。
并根据对运动准确性、传动平稳性和载荷分布均匀性的要求不同,将每个精度等级的各项公差依次分成三个组,即第Ⅰ公差组、第Ⅱ公差组和第Ⅲ公差组。
此外,还规定了齿坯公差、齿轮副侧隙和图样标注等各项内容。
齿轮精度等级应根据传动的用途、使用条件、传动功率和圆周速度等确定。
表18-2给出了各种精度等级齿轮的使用和加工方法等,供选择精度等级时参考。