齿轮各项公差表
- 格式:doc
- 大小:92.00 KB
- 文档页数:5
齿轮各公差组的检验组及各项误差的公差数值
项目公差数值
第的Ⅰ检公验差组组ΔF i′ (用于4~8级精度)
ΔF iΣ″ (用于7~12级精度的直齿锥齿轮;用于9~12级精度的斜齿、
曲线齿锥齿轮)
ΔF P与ΔF PK(用于4~6级精度)
△F P(用于7~8级精度)
△F r(用于7~12级精度,其中7~8级用于中点分度圆直径大于1600mm
的齿轮)
F i′=F P+1.15f c
F iΣ″=0.7 F iΣC″
F P、F PK、F r在“齿轮各项误差
的公差值表”查取
第的Ⅱ检公验差组组Δf i′(用于4~8级精度)
Δf iΣ″(用于7~12级精度的直齿锥齿轮;用于9~12级精度的斜齿、
曲线齿锥齿轮)
ΔfΣK″(用于4~8级精度、纵向重合度e大于表“纵向重合度的界限
值”界限值的齿轮)
△f ptt与△f c(用于4~6级精度)
△f ptt(用于7~12级精度)
f i′=0.8(f Pt+1.15 f C)
f iΣ″=0.7 f iΣC″
fΣK″按表“周期误差的公差”
规定
±f ptt t按表“齿距极限偏差
±f ptt 值”规定
f c按表“齿圈跳动公差”规
定
第的Ⅲ验公组
差组的接触斑点*
表“接触斑点”规定可供参
考
注:*接触斑点的形状、位置和大小,由设计者根据齿轮的用途、载荷和轮齿刚性及齿线形状特点等条件自行规定。
对齿面修形的齿轮,在齿面大端、小端和齿边缘处,不允许出现接触斑点。
1)精度等级齿轮的各项公差和极限偏差分成三个组。
根据使用的要求不同,允许各公差组选用不同的精度等级,但在同一公差组内,各项公差与极限偏差应保持相同的精度等级。
参见齿轮传动精度等级选择(2)齿轮检验与公差根据齿轮副的使用要求和生产规模,在各公差组中选定检验组来检定和验收齿轮精度。
(3) 齿轮副的检验与公差齿轮副的要求包括齿轮副的切向综合误差ΔFic′,齿轮副的一齿切向综合误差Δfic′,齿轮副的接触班点位置和大小以及侧隙要求,如上述四方面要求均能满足,则此齿轮副即认为合格。
(4)齿轮侧隙齿轮副的侧隙要求,应根据工作条件用最大极限侧隙jnmax(或jtmax)与最小极限侧隙jnmin(或jtmin)来规定。
中心距极限偏差(±fa)按“中心距极限偏差”表的规定。
齿厚极限偏差的上偏差Ess及下偏差Esi从齿厚极限偏差表来选用。
例如上偏差选用F(=-4fPt),下偏差选用L(=-16f),则齿厚极限偏差用代号FL表示。
参看图“齿轮、齿轮副误差及侧隙的定义和代号”。
若所选用的齿厚极限偏差超出齿厚极限偏差表所列14种代号时,允许自行规定。
(5)齿轮各项公差的数值表齿距累积公差FP及K个齿距累公差FPK齿向公差Fβ公法线长度变动公差Fw轴线平行度公差中心距极限偏差(±fa)齿厚极限偏差接触斑点齿圈径向跳动公差Fr径向综合公差Fi齿形公差Ff齿距极限偏差(±fPt)基节极限偏差(±fPb)一齿径向综合公差fi″齿坯尺寸和形状公差齿坯基准面径向和端面跳动齿轮的表面粗糙度Ra圆柱直齿轮分度圆上弦齿厚及弦齿高(6)图样标注在齿轮零件图上应标注齿轮的精度等级和齿厚极限偏差的字母代号。
标注示例a)齿轮三个公差组精度同为7级,其齿厚上偏差为F,下偏差为L:b)第Ⅰ公差组精度为7级,第Ⅱ、Ⅲ公差组精度为6级,齿厚上偏差为G,齿厚下偏差为M:c)齿轮的三个公差组精度同为4级,其齿厚上偏差为-330m,下偏差为。
一齿径向综合公差f i″值m m
齿坯尺寸和形状公差
注:① 当三个公差组的精度等级不同时,按最高的精度等级确定公差值。
② 若顶圆不作测量齿厚的基准,尺寸公差按1T11给定,但不大于0.1m n。
标准公差数值μm
齿坯基准面径向跳动*和端面圆跳动公差m m
注:*当以顶圆作基准面时,本栏就指顶圆的径向跳动。
齿轮的表面粗糙度(R a)推荐值m m
注:本表不属GB10095-88,供参考。
非变位直齿圆柱齿轮分度圆上弦齿厚及弦齿高
(a0=20°,h a*=1)
注:1. 用成形铣刀加工齿轮时,标注和测量分度圆弦齿厚和弦齿高;
用范成法加工时,可以标注或测量固定弦厚和弦齿高。
2. 对于斜齿圆柱齿轮和圆锥齿轮,使用本表时,应以当量齿数z d代替z(斜齿轮:z d=z/cos3b b;
锥齿轮:z d=z/cosd)。
z d非整数时,可用插值法求出。
3. 本表不属GB10095-88,供参考。
齿轮的精度等级、确定参数的公差值一齿轮的精度等级、确定参数的公差值一传统的设计方法是依据经验用类比法,结合查表及大量繁杂的公式计算,这样的方法一是工作量大,二是不可能对各参数进行优化及筛选,很难保证齿轮精度设计的合理性。
因此,借用了辅助软件对齿轮的几何参数进行计算后,对齿轮精度的设计及其相关的数据进行计算机处理,使齿轮的精度设计达到快速、准确、合理,齿轮设计起来就没那么费时和吃力了。
引言现行的机械行业中在齿轮设计的过程里,非常缺乏对几何参数计算的比较统一的软件,很多时候只是采用手工计算、取大概的数值,对于一些比较复杂的齿轮来说,制造出来的齿轮存在误差较大。
传统的设计方法是依据经验用类比法,结合查表及大量繁杂的公式计算,这样的方法一是工作量大,二是不可能对各参数进行优化及筛选,很难保证齿轮精度设计的合理性。
因此,借用了辅助软件对其进行计算后,对齿轮精度的设计及其相关的数据进行计算机处理,使齿轮的精度设计达到快速、准确、合理,齿轮设计起来就没那么费时和吃力了。
我国现有(1)GB/T10095。
1-2001渐开线圆柱齿轮精度第一部分:轮齿等效ISO1328-1。
(2)GB/T10095。
2-2001渐开线圆柱齿轮精度第二部分:径向综合等效ISO1328-2。
1.渐开线圆柱齿轮几何参数计算相关研究综述1.1渐开线圆柱齿轮国内的研究现状1.1.1齿轮的简介标准齿轮的结构构造图如图1。
图1齿轮构造图齿轮的组成结构一般有轮齿、齿槽、端面、法面、齿顶圆、齿根圆、基圆和分度圆。
轮齿简称齿,是齿轮上每一个用于啮合的凸起部分,这些凸起部分一般呈辐射状排列,配对齿轮上的轮齿互相接触,可使齿轮持续啮合运转;基圆是形成渐开线的发生线作纯滚动的圆;分度圆,是在端面内计算齿轮几何尺寸的基准圆。
渐开线齿轮比较容易制造,且传动平稳,传递速度稳定,传动比准确,渐开线圆柱齿轮是机械传动量大而广的基础零部件,广泛在汽车、拖拉机、机床、电力、冶金、矿山、工程、起重运输、船舶、机车、农机、轻工、建工、建材和军工等领域中应用。
一齿径向综合公差f i″值m m
注:①当三个公差组的精度等级不同时,按最高的精度等级确定公差值。
②若顶圆不作测量齿厚的基准,尺寸公差按1T11给定,但不大于。
标准公差数值μm
齿坯基准面径向跳动*和端面圆跳动公差m m
注:*当以顶圆作基准面时,本栏就指顶圆的径向跳动。
齿轮的表面粗糙度(R
注:本表不属GB10095-88,供参考。
非变位直齿圆柱齿轮分度圆上弦齿厚及弦齿高
(a*
注:1. 用成形铣刀加工齿轮时,标注和测量分度圆弦齿厚和弦齿高;
用范成法加工时,可以标注或测量固定弦厚和弦齿高。
2. 对于斜齿圆柱齿轮和圆锥齿轮,使用本表时,应以当量齿数z d代替z(斜齿轮:z d=z/cos3b b;
锥齿轮:z d=z/cosd)。
z d非整数时,可用插值法求出。
3. 本表不属GB10095-88,供参考。
一齿径向综合公差f i″值m m
齿坯尺寸和形状公差
注:① 当三个公差组的精度等级不同时,按最高的精度等级确定公差值。
② 若顶圆不作测量齿厚的基准,尺寸公差按1T11给定,但不大于0.1m n。
标准公差数值μm
齿坯基准面径向跳动*和端面圆跳动公差m m
注:*当以顶圆作基准面时,本栏就指顶圆的径向跳动。
齿轮的表面粗糙度(R a)推荐值m m
注:本表不属GB10095-88,供参考。
非变位直齿圆柱齿轮分度圆上弦齿厚及弦齿高
(a0=20°,h a*=1)
注:1. 用成形铣刀加工齿轮时,标注和测量分度圆弦齿厚和弦齿高;
用范成法加工时,可以标注或测量固定弦厚和弦齿高。
2. 对于斜齿圆柱齿轮和圆锥齿轮,使用本表时,应以当量齿数z d代替z(斜齿轮:z d=z/cos3b b;
锥齿轮:z d=z/cosd)。
z d非整数时,可用插值法求出。
3. 本表不属GB10095-88,供参考。
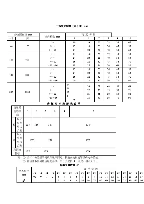
欢迎共阅一齿径向综合公差f i″值m m分度圆直径mm法向模数mm 精度等级大于到 5 6 7 8 9 10—1251~3.5>3.5~6.3>6.3~10101314141820202528283640364550455663125 4001~3.5>3.5~6.3>6.3~10>10~16111416181620222522283236324045504050566350637180400 8001~3.5>3.5~6.3>6.3~10>10~16131416201820222825283240364045564550567156637190800 16001~3.5>3.5~6.3>6.3~10>10~1614161822022252828323640404550565056637163718090齿坯尺寸和形状公差齿轮精度等级①5 6 7 8 9 10孔尺寸公差形状公差1T5 1T6 1T7 1T8轴尺寸公差形状公差1T5 1T6 1T7顶圆直径②1T7 1T8 1T9 注:①当三个公差组的精度等级不同时,按最高的精度等级确定公差值。
②若顶圆不作测量齿厚的基准,尺寸公差按1T11给定,但不大于0.1m n。
标准公差数值μm基本尺寸mm公差等级1T011T1T11T21T31T41T51T61T71T81T91T101T111T121T131T141T151T16≤30.3 0.5 0.8 1.22 3 4 6 10 14 25 40 6010142540603~6 0.4 0.6 1 1. 2. 4 5 8 12 18 30 48 75 12183048755 5 0 0 0 0 06~10 0.4 0.6 1 1.52.54 6 9 15 22 36 58 90152236589010~18 0.5 0.8 1.2 2 3 5 8 11 18 27 43 70 1118274370110018~30 0.6 1 1.5 2.54 6 9 13 21 33 52 841321335284130030~50 0.6 1 1.5 2.54 7 11 16 25 39 6210162539621000160050~80 0.8 1.2 2 3 5 8 13 19 30 46 74 12193046741200190080~120 1 1.5 2.5 4 6 10 15 22 35 54 87 142235548714002200120~180 1.2 2 3.5 5 8 12 18 25 40 63 1016254063100016002500180~250 2 3 4.5 7 10 14 20 29 46 72 115185294672115018502900250~315 2.5 4 6 8 12 16 23 32 52 81 1321325281130021003200315~400 3 5 7 9 13 18 25 36 57 89 1423365789140023003600400~500 4 6 8 10 15 20 27 40 63 97 15525406397155025004000500~630 4.5 6 9 11 16 22 30 44 70 111752844701100175028004400630~800 5 7 10 13 18 25 35 50 80 125203250801250200032005000齿坯基准面径向跳动*和端面圆跳动公差m m 直径(mm)精度等级到5、6 7、89、10125 400 800 1600 111420281822324528365071注:*当以顶圆作基准面时,本栏就指顶圆的径向跳动。
齿轮公差等级表是用于描述齿轮精度等级的表格,不同类型的齿轮有不同的公差等级。
以下是一篇关于齿轮公差等级表的简要说明,希望能够帮到您:齿轮的公差等级是一个重要的参数,它决定了齿轮制造和使用的精度。
根据不同的使用场合和要求,齿轮的公差等级也有所不同。
一般来说,公差等级越高,齿轮的制造精度就越高,传动精度也越高。
齿轮的公差等级分为15个等级,从低到高依次为7、6、5、4、3、2、1、0、-0.2、-0.4、-0.6、-1、-1.2、-2、-3、-4、-5,其中1级是最高的精度等级,5级是最低的精度等级。
在选择齿轮的公差等级时,需要根据使用场合和要求进行综合考虑,一般来说,需要保证齿轮在正常工作条件下不会出现过度磨损和传动误差等问题。
在机械传动系统中,齿轮的传动精度和噪声水平是两个重要的指标。
传动精度越高,噪声水平越低,系统性能也越好。
因此,选择适当的齿轮公差等级非常重要。
不同的机械传动系统中对齿轮的公差等级要求也不一样。
一般来说,动力传输系统需要更高的精度等级,因为高精度齿轮可以减少传动误差,提高传动效率,从而减少能源损失。
而一些辅助传动系统中对精度要求较低,可以选择较低的公差等级来降低制造成本。
在制造齿轮时,需要根据所选的公差等级进行加工和检测。
一般来说,需要使用高精度的机床和检测仪器来保证齿轮的制造精度。
同时,还需要对齿轮进行热处理和表面处理等工艺来提高其耐磨性和耐腐蚀性。
总之,齿轮的公差等级是齿轮制造和使用中非常重要的参数之一。
在选择齿轮的公差等级时,需要根据使用场合和要求进行综合考虑,并选择适当的加工和检测方法来保证齿轮的制造精度和性能。
希望这个回答能帮助您解决问题。
如果您还有其他问题或疑问,请随时联系我。
一齿径向综合公差f i″值m m
齿坯尺寸和形状公差
注:① 当三个公差组的精度等级不同时,按最高的精度等级确定公差值。
② 若顶圆不作测量齿厚的基准,尺寸公差按1T11给定,但不大于。
标准公差数值μm
齿坯基准面径向跳动*和端面圆跳动公差m m
注:*当以顶圆作基准面时,本栏就指顶圆的径向跳动。
齿轮的表面粗糙度(R a)推荐值m m
注:本表不属GB10095-88,供参考。
非变位直齿圆柱齿轮分度圆上弦齿厚及弦齿高(a0=20°,h a*=1)
注:1. 用成形铣刀加工齿轮时,标注和测量分度圆弦齿厚和弦齿高;
用范成法加工时,可以标注或测量固定弦厚和弦齿高。
2. 对于斜齿圆柱齿轮和圆锥齿轮,使用本表时,应以当量齿数z d代替z(斜齿轮:z d=z/cos3b b;
锥齿轮:z d=z/cosd)。
z d非整数时,可用插值法求出。
3. 本表不属GB10095-88,供参考。
齿轮径向跳动公差表
摘要:
1.齿轮径向跳动公差的概念
2.齿轮径向跳动公差的测量方法
3.齿轮径向跳动公差的影响因素
4.齿轮径向跳动公差的标准和控制
5.齿轮径向跳动测量仪的使用
正文:
一、齿轮径向跳动公差的概念
齿轮径向跳动公差是指在齿轮转动过程中,齿圈在径向方向上产生的偏移量。
它是齿轮制造和装配误差的一种表现形式,对齿轮传动的精度和平稳性具有重要影响。
二、齿轮径向跳动公差的测量方法
齿轮径向跳动公差的测量通常采用齿轮径向跳动测量仪进行。
这种测量仪具有测量力可调、测量方向可调的特点,能够适应不同类型的齿轮测量。
通过测量仪的检测,可以对齿轮的径向跳动公差进行准确的评估。
三、齿轮径向跳动公差的影响因素
齿轮径向跳动公差的大小受到多种因素的影响,包括齿轮材料、加工工艺、装配方式等。
为了保证齿轮传动的精度和平稳性,必须对这些因素进行严格的控制。
四、齿轮径向跳动公差的标准和控制
我国对齿轮径向跳动公差的标准有严格的规定。
根据《公差和配合》标
准,齿轮齿圈径向跳动公差应控制在0.015mm 以内。
在实际生产过程中,通过严格的质量控制和检验,可以有效地保证齿轮径向跳动公差的符合标准。
五、齿轮径向跳动测量仪的使用
齿轮径向跳动测量仪的使用方法如下:首先,根据被测齿轮的类型和尺寸选择合适的测头;其次,调整测量仪的测量力和测量方向;最后,将齿轮放置在测量仪上进行测量。
通过测量结果,可以对齿轮的径向跳动公差进行分析和评估,以确保齿轮传动的精度和平稳性。
总之,齿轮径向跳动公差是评价齿轮制造和装配质量的重要指标。
一齿径向综合公差f i″值m m
齿坯尺寸和形状公差
注:① 当三个公差组的精度等级不同时,按最高的精度等级确定公差值。
② 若顶圆不作测量齿厚的基准,尺寸公差按1T11给定,但不大于。
标准公差数值μm
》
齿坯基准面径向跳动*和端面圆跳动公差m m 注:*当以顶圆作基准面时,本栏就指顶圆的径向跳动。
.
齿轮的表面粗糙度(R a)推荐值m m
注:本表不属GB10095-88,供参考。
非变位直齿圆柱齿轮分度圆上弦齿厚及弦齿高
(a0=20°,h a*=1)
注:1. 用成形铣刀加工齿轮时,标注和测量分度圆弦齿厚和弦齿高;
用范成法加工时,可以标注或测量固定弦厚和弦齿高。
2. 对于斜齿圆柱齿轮和圆锥齿轮,使用本表时,应以当量齿数z d代替z(斜齿轮:z d=z/cos3b b;
锥齿轮:z d=z/cosd)。
z d非整数时,可用插值法求出。
3. 本表不属GB10095-88,供参考。
一齿径向综合公差f i″值m m
齿坯尺寸和形状公差
② 若顶圆不作测量齿厚的基准,尺寸公差按1T11给定,但不大于。
标准公差数值μm
齿坯基准面径向跳动*和端面圆跳动公差m m
注:*当以顶圆作基准面时,本栏就指顶圆的径向跳动。
齿轮的表面粗糙度(R a)推荐值m m
注:本表不属GB10095-88,供参考。
非变位直齿圆柱齿轮分度圆上弦齿厚及弦齿高
(a0=20°,h a*=1)
注:1. 用成形铣刀加工齿轮时,标注和测量分度圆弦齿厚和弦齿高;
用范成法加工时,可以标注或测量固定弦厚和弦齿高。
2. 对于斜齿圆柱齿轮和圆锥齿轮,使用本表时,应以当量齿数z d代替z(斜齿轮:z d=z/cos3b b;
锥齿轮:z d=z/cosd)。
z d非整数时,可用插值法求出。
3. 本表不属GB10095-88,供参考。